正火、退火、淬火、回火热处理知识培训教案
- 格式:doc
- 大小:72.50 KB
- 文档页数:5
热处理培训资料热处理是一项重要的材料加工技术,在各个行业中广泛应用。
它通过改变材料的组织结构和性能来提高材料的强度、硬度和耐磨性,从而满足特定的工程要求。
为了帮助大家更好地了解热处理技术,本文将提供一份热处理培训资料,介绍热处理的基本原理、常见方法和注意事项。
一、热处理的基本原理热处理是利用材料在高温下发生相变和晶界扩散的原理,通过加热和冷却的过程来改变材料的组织结构和性能。
常见的几种热处理方法包括淬火、回火、正火、退火等,每种方法都有不同的适用范围和效果。
1. 淬火淬火是将加热至高温状态的金属材料迅速冷却至室温或低温,使其产生明显的组织和性能改变。
通过淬火,材料可以获得高强度和高硬度,但同时也会导致脆性的增加。
因此,在淬火后通常需要进行回火处理以提高材料的韧性和可靠性。
2. 回火回火是将已经淬火的材料加热至适当的温度,然后再经过一段时间的保温处理。
回火的目的是减轻淬火后产生的内应力,并提高材料的塑性和韧性。
回火过程还可以调控材料的硬度和强度,使其达到最佳的性能状态。
3. 正火正火是将材料加热至适当的温度,保温一定时间后进行冷却。
正火的目的是通过控制组织形态和材料的相变来调整材料的性能,以满足特定的工程要求。
正火适用于一些对硬度、强度和韧性要求均有的工件。
4. 退火退火是将已经加工或者变形的材料加热至一定温度,然后经过一定时间的保温处理,最后缓慢冷却。
退火的目的是通过晶界扩散来恢复材料的塑性和韧性,减少材料的内应力和变形。
退火可以改善材料的加工性能,提高材料的韧性和可塑性。
二、热处理的常见方法热处理有许多不同的方法和工艺,下面介绍几种常见的热处理方法:1. 淬火和回火工艺淬火和回火是最常用的热处理方法之一。
淬火可以通过控制冷却速度和介质的选择来改变材料的结构和性能,而回火则可以通过加热和保温的方式来调节材料的硬度和韧性。
2. 预淬火和再回火工艺预淬火和再回火是为了进一步改善材料的组织和性能而进行的热处理工艺。
热处理工艺基础培训教案-.金属材料性能纯金属与合金统称为金属材料。
工业上的金属材料分为黑色金属和有色金属两大类;以铁为基础的合金称为黑色金属,如钢和铁,除此以外的金属称为有色金属,如铜及铜合金、铝及铝合金。
制成零件的金属材料在使用过程中表现出来的性能,叫做使用性能,如机械性能、物理性能、化学性能等。
金属材料对于各种加工的接受能力以及加工的难易程度,叫做加工性能或工艺性能。
学习热处理,就是要利用热处理的方法来提高或改变材料的性能,来满足零件的使用要求,延长零件的使用寿命,降低其制造成本。
1.金属材料的机械性能金属材料的机械性能主要包括:强度、塑性、硬度、弹性、冲击韧性以及疲劳强度等。
强度是金属材料对外力作用所引起的变形或断裂的抵抗能力。
根据外力的作用形式,强度可分为抗拉强度、抗压强度、抗弯强度等,机械制造中,常用抗拉强度作为金属材料机械性能的主要指标。
测定金属材料的抗拉强度,广泛采用静力拦伸试验法。
金属材料在外力作用下,产生永久变形而不破坏的能力叫做塑性;金属塑性指标有两个:一个是延伸率,另一个是断面收缩率。
冲击韧性是金属材料抵抗冲击力的作用而不被破坏的能力,它的衡量指标是以试样冲断缺口处单位面积所消耗的功来表示。
硬度是金属材料是表面抵抗变形的能力。
常用的是布氏硬度试验及洛氏硬度试验。
2.金属材料的物理性能金属材料的物理性能主要包括:密度、比容、熔点、热膨胀性、导电性和导热性等。
3.金属材料的化学性能金属材料的化学性就是指它在室温或高温下,抵抗外界介质对它化学侵蚀的能力。
它可分为耐腐蚀性和抗氧化性两个方面。
4.金属材料的工艺性能根据不同的工艺方法,工艺性能一般包括铸造性能、压力加工性能、焊接性能、切削加工性能和热处理工艺性能等。
设计和制造零件时必须考虑材料的工艺性能,因为它直接影响加工方法、生产效率及成本等。
二.铁碳合金相图及碳钢1.金属的晶体结构一切物质都是有原子组成的,根据原子在物质内部的排列特征,固态物质可分为晶体和非晶体两类。
金属热处理课程设计一、课程目标知识目标:1. 让学生掌握金属热处理的基本概念,包括退火、正火、淬火和回火等常见热处理工艺。
2. 使学生了解金属热处理对金属性能的影响,如硬度、韧性、强度等。
3. 引导学生认识不同金属材料的适宜热处理方法及其在实际工程中的应用。
技能目标:1. 培养学生运用金属热处理知识解决实际问题的能力,例如分析机械零件的失效原因并进行改进。
2. 提高学生设计简单金属热处理工艺的能力,并能进行初步的工艺参数优化。
3. 培养学生通过查阅资料、进行实验等方法,获取金属热处理相关知识的能力。
情感态度价值观目标:1. 激发学生对金属材料及加工工艺的兴趣,培养其探究精神。
2. 培养学生具备严谨的科学态度和良好的团队合作精神,在实验和实践中互相学习、互相帮助。
3. 引导学生认识到金属热处理技术在国家经济建设和国防事业中的重要作用,增强其社会责任感和使命感。
本课程针对高年级学生,课程性质为专业基础课,旨在帮助学生建立扎实的金属热处理理论基础,为后续专业课程学习打下坚实基础。
针对学生特点,课程目标注重理论与实践相结合,提高学生的实际操作能力和创新能力。
在教学要求方面,强调过程评价与结果评价相结合,关注学生在学习过程中的成长和进步。
通过本课程的学习,期望学生能够达到上述具体、可衡量的学习成果。
二、教学内容1. 金属热处理基本概念:包括金属热处理的定义、目的、分类及各类热处理工艺的特点。
教材章节:第一章 金属热处理概述2. 金属热处理原理:介绍金属热处理过程中的组织转变、相变原理及其对金属性能的影响。
教材章节:第二章 金属热处理原理3. 常见金属热处理工艺:详细讲解退火、正火、淬火、回火等工艺的参数选择、操作步骤及适用范围。
教材章节:第三章 常见金属热处理工艺4. 金属热处理工艺设计:分析不同金属材料的热处理工艺设计原则,结合实例进行工艺参数优化。
教材章节:第四章 金属热处理工艺设计5. 金属热处理设备与操作:介绍常用金属热处理设备、操作方法及安全注意事项。
淬火回火教案教案敬启者:标题:淬火回火教案教学目标:1. 了解淬火回火的定义和原理2. 掌握淬火回火的工艺和方法3. 理解淬火回火对金属材料性能的影响4. 学会在实际工程中应用淬火回火技术教学内容:1. 淬火回火的概念和原理2. 淬火回火的工艺流程3. 淬火回火的方法和工艺参数4. 淬火回火对金属材料性能的影响5. 淬火回火在实际工程中的应用案例教学过程:1. 导入:通过展示淬火回火的实际应用场景引起学生兴趣2. 理论讲解:介绍淬火回火的定义、原理和工艺流程3. 实验演示:进行淬火回火实验,观察材料性能变化4. 讨论交流:引导学生讨论淬火回火的方法和工艺参数选择5. 案例分析:分析淬火回火在不同工程领域的应用案例6. 练习检测:布置练习题,检测学生对淬火回火的掌握程度7. 总结提升:总结淬火回火的重要性和应用前景,激发学生学习兴趣教学手段:1. 多媒体教学2. 实验演示3. 讨论交流4. 案例分析5. 练习检测教学评估:1. 参与度评估:观察学生在课堂讨论和实验演示中的积极参与程度2. 练习成绩评估:根据学生练习题的得分情况评定学生对淬火回火知识的掌握程度3. 实际应用评估:要求学生结合实际工程案例,撰写淬火回火技术在工程中的应用报告教学建议:1. 强调实践应用:通过实验演示和案例分析,让学生深刻理解淬火回火技术在工程中的实际应用2. 激发学习兴趣:引入生动有趣的教学案例,激发学生对淬火回火知识的学习兴趣3. 注重能力培养:培养学生分析和解决实际工程问题的能力,提高他们的工程实践能力以上教案建议仅供参考,希望能对您的教学工作有所帮助。
如需进一步指导,请随时与我联系。
祝教学顺利!敬上[您的名字]。
正火、退火、淬火、回火退火与回火的区别在于:(简单地说,退火就是不要硬度,回火还保留一定硬度)。
退火、正火、淬火、回火对比和区别1、退火、正火、淬火、回火是整体热处理中的四种基本工艺,称为“四把火”,其中的淬火与回火关系密切,常常配合使用,缺一不可。
整体热处理是对工件整体加热,然后以适当的速度冷却,以改变其整体力学性能的金属热处理工艺。
2、退火:是将工件加热到适当温度,根据材料和工件尺寸采用不同的保温时间,然后进行缓慢冷却,目的是使金属内部组织达到或接近平衡状态,获得良好的工艺性能和使用性能,或者为进一步淬火作组织准备。
3、正火;是将工件加热到适宜的温度后在空气中冷却,正火的效果同退火相似,只是得到的组织更细,常用于改善材料的切削性能,也有时用于对一些要求不高的零件作为最终热处理。
4、淬火;是将工件加热保温后,在水、油或其它无机盐、有机水溶液等淬冷介质中快速冷却。
淬火后钢件变硬,但同时变脆。
为了降低钢件的脆性,将淬火后的钢件在高于室温而低于710℃的某一适当温度进行长时间的保温,再进行冷却,这种工艺称为回火。
了解退火、淬火、回火的差异和作用: 1.退火概念:所谓退火,就是将金属或合金加热到适当温度,保温一定时间,然后随炉缓慢冷却的热处理工艺,其实质是将钢加热奥氏体化后进行珠光体转变。
退火目的和作用:(1)降低钢的硬度,提高塑性,以利于切削加工及冷变形加工;(2)细化晶粒,消除因锻、焊等引起的组织缺陷,均匀钢的组织成分,改善钢的性能或为以后的热处理作准备;(3)消除钢中的内应力,以防止变形或开裂。
2.淬火概念:淬火就是将钢加热到Ac3或Ac1点以上某一温度,保持一定时间,然后以适当速度冷却获得马氏体和(或)贝氏体组织的热处理工艺。
淬火目的和作用:淬火的目的是使过冷奥氏体进行马氏体(或贝氏体)转变,得到马氏体(或贝氏体)组织,然后配合以不同温度的回火,获得所需的力学性能。
(注: 淬火态工件不允许直接投入现场使用,通常在此之后必须实时进行1~2 次或以上之回火加工,以调整其组织及应力等。
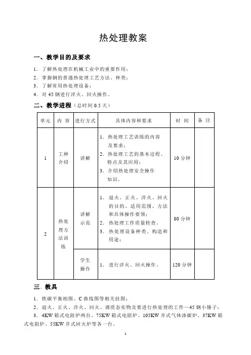
热处理教案一、教学目的及要求1.了解热处理在机械工业中的重要作用;2.掌握钢的普通热处理工艺方法、种类;3.了解常用热处理设备;4.对45钢进行淬火、回火操作。
二、教学进程(总时间0.5天)三、教具1.铁碳平衡相图、C曲线图等相关挂图;2.退火、正火、淬火、回火、调质态实物及要进行热处理的工件—45钢小锤子;3.4KW箱式电阻炉两台,75KW箱式电阻炉、105KW井式气体渗碳炉、37KW箱热处理讲授内容一、热处理工艺的基本过程、特点及其应用1.热处理的应用钢是现代工业、农业、交通、国防及生活中应用最为广泛的一种金属材料,具有许多良好的性能。
但随着科学技术的不断提高和发展,对金属材料的性能要求也不断的提高,其中热处理工艺就是提高和改善钢性能的一种重要方法,如齿轮、曲轴、弹簧、锤子、刃具等它们的各种机械性能都是通过热处理的加工来达到要求的。
例1):弹簧件:目前用于制作弹簧工件的材料有很多种。
首先根据工件使用条件和要求选用合适的弹簧钢,然后加工成形。
这时虽然材料和工件的形状都达到了弹簧工件的要求,但性能并没有达到技术要求。
这时工件在受力作用下就会发生塑性变形,无法起到弹簧工件的作用。
要想使工件充分体现出弹簧的特性,就要根据所用具体材料进行相应热处理来满足。
例2):家用菜刀、剪刀等,这些工件使用性能如何,热处理的好与坏,直接影响刀具的质量,如硬度低时,易出现卷刃现象,如硬度过高,易出现断裂现象等。
例3):学生在钳工实习时制作的小锤子。
在钳工制作锤子时,所用工具有:锉刀、锯条和钻头等工具,它们同样是金属材料,为什么锤子能被加工得动?这说明这些工具的硬度比锤子的硬度高,所以能把锤子从原材料加工成锤子的形态。
但在钳工加工成形的锤子也只是一个半成品。
因为虽然锤子的形状,尺寸达到了要求,但它们的机械性能并没有达到要求。
如果这时用它锤击工件,锤子本身就会出现变形。
所以要想使锤子不但在尺寸和精度上达到要求而且在性能上也应达到技术要求,为此就要通过进行热处理来完成。
职业技术学院教案授课教师:班级:授课日期:课时:2课题: 2.2 钢的普通热处理教学目的:通过学习理解钢的热处理原理,掌握退火、正火、淬火、回火等热处理工艺目的及适用范围。
教学重点和难点:重点:钢的热处理原理。
难点:掌握退火、正火、淬火、回火、表面热处理工艺目的及适用范围。
教学方法:讲授法、分析法、举例法授课内容:旧课复习1、什么是钢的热处理?2、钢的热处理分为哪几类?新课学习2.2钢的普通热处理钢的普通热处理包括钢的退火、正火、淬火、回火等处理工艺。
一、钢的退火概念:将钢加热、保温后缓慢冷却,以获得接近平衡组织的工艺过程。
完全退火(又叫普通退火)、球化退火、等温退火、去应力退火、均匀化退火等。
1、完全退火工艺:加热Ac3以上20至60℃,保温后随炉冷到600度以下再出炉空冷至室温。
目的:细化晶粒,均匀组织,提高塑韧性,消除内应力,便于机械加工。
2、等温退火工艺:加热Ac3以上或Ac1以上温度,保温后快冷至珠光体转变温度以下并等温停留等转变为P后出炉空冷至室温。
目的:同上。
但时间短,易控制,脱氧、脱碳小。
(适用于过冷A比较稳定的合金钢及大型碳钢件)3、球化退火概念:是使钢中的渗碳体球化的工艺过程。
对象:共析钢和过共析钢工艺:(1)等温球化退火加热Ac1以上20至30度保温——迅速冷却到Ar1以下20度——等温——随炉冷至600度左右——出炉空冷。
(2)普通球化退火加热Ac1以上20~30度——保温—极缓慢冷却至600度左右——出炉空冷。
(周期长,效率低,不适用)目的:降低硬度、提高塑韧性,便于切削加工。
机理:使片状或网状渗碳体变成颗粒状(球状)说明:退火加热时,组织没有完全A化,所以又称不完全退火。
4、去应力退火工艺:加热到Ac1以下某一温度(500至650度)——保温——缓冷至室温。
目的:消除铸件、锻件、焊接件等的残余内应力,稳定工件尺寸。
二、钢的正火工艺:加热到Ac3或Accm以上30~50度——保温——出炉空冷。
幼儿园退火与淬火教案幼儿园退火与淬火教案课程主题:退火与淬火年龄段:幼儿园小班学习目标:1. 了解退火和淬火的概念与区别。
2. 探索不同金属材料的热处理方法。
3. 培养孩子们的观察力、实验能力和团队合作精神。
教学过程:1. 退火的概念教师采用图片或真实的金属材料展示,解释退火是指将材料加热至某一温度并保持一段时间,然后缓慢降温,使材料变得更柔软、更易加工。
2. 淬火的概念教师采用图片或真实的金属材料展示,解释淬火是指将材料加热至某一温度并迅速冷却,使材料变得硬而脆。
3. 热处理实验(1)准备工作教师准备不同的金属材料,例如:钢、铜、铝等。
(2)实验步骤a. 将金属材料加热至不同的温度,例如:钢要加热到橙色,铜要加热到红色,铝要加热到白热。
b. 将金属材料放置在水中迅速降温,进行淬火处理。
c. 将金属材料放置在室温下自然冷却,进行退火处理。
d. 对不同热处理方法下的金属材料进行观察、比较。
(3)实验结果a. 经过淬火处理后,金属材料变得硬而脆。
b. 经过退火处理后,金属材料变得越来越柔软。
4. 作品展示组织孩子们在课堂上进行制作,如制作钢丝泡芙,铝箔盒子等,鼓励孩子们采用所学内容中的退火或淬火技术来加工材料。
评估方式:通过观察分析孩子们在实验及作品制作过程中的表现,检验孩子们三年级化学学习的程度,了解孩子们对退火和淬火的概念是否掌握得到位。
扩展:1. 组织孩子们跟家长一起制作小玩具,如弹簧等,鼓励家长和孩子们一起研究金属材料中不同热处理方法对于金属材料性质的影响。
2. 孩子们还可以在课外时间获得更多信息,如参观科技博物馆、参加科技实验班等,体验更多科学实验。
教学反思:在上课的过程中,采取让孩子们亲身参与实验的方式,提高他们的学习兴趣,激发他们对科学研究的兴趣。
同时,也能让孩子们通过实验、制作等活动发现问题,独立思考,大力培养孩子们的创新意识和能力。
教案首页8月份技能大师师带徒培训第一课时钢热处理工艺的四把火之钢的退火退火:将钢加热到一定温度后炉冷处理正火:将钢加热到一定温度后空冷处理淬火:将钢加热到一定温度后水冷或油冷处理回火:将淬火过的钢重新加热到一个温度冷却退火是生产中常用的预备热处理工艺。
大部分机器零件及工、模具的毛坯经退火后,可消除铸、锻及焊件的内应力与成分的组织不均匀性;能改善和调整钢的力学性能,为下道工序作好组织准备。
对性能要求不高、不太重要的零件及一些普通铸件、焊件,退火可作为最终热处理。
钢的退火是把钢加热到适当温度,保温一定时间,然后缓慢冷却,以获得接近平衡组织的热处理工艺。
退火的目的在于均匀化学成分、改善机械性能及工艺性能、消除或减少内应力并为零件最终热处理作好组织准备。
钢的退火工艺种类颇多,按加热温度可分为两大类:一类是在临界温度(Ac3或Ac1)以上的退火,也称为相变重结晶退火。
包括完全退火、不完全退火、等温退火、球化退火和扩散退火等;另一类是在临界温度(Ac1)以下的退火,也称低温退火。
包括再结晶退火、去应力和去氢退火等。
按冷却方式可分为连续冷却退火及等温退火等。
8月份技能大师师带徒培训第二课时钢热处理工艺的四把火之钢的淬火与回火钢的淬火与回火是热处理工艺中很重要的、应用非常广泛的工序。
淬火能显著提高钢的强度和硬度。
如果再配以不同温度的回火,即可消除(或减轻)淬火内应力,又能得到强度、硬度和韧性的配合,满足不同的要求。
所以,淬火和回火是密不可分的两道热处理工艺。
2.1 钢的淬火淬火是将钢加热到临界点以上,保温后以大于临界冷却速度(Vc)冷却,以得到马氏体或下贝氏体组织的热处理工艺。
2.2 钢的回火回火是将淬火钢加热至A1点以下某一温度保温一定时间后,以适当方式冷到室温的热处理工艺。
它是紧接淬火的下道热处理工序,同时决定了钢在使用状态下的组织和性能,关系着工件的使用寿命,故是关键工序。
回火的主要目的是减少或消除淬火应力;保证相应的组织转变,使工件尺寸和性能稳定;提高钢的热性和塑性,选择不同的回火温度,获得硬度、强度、塑性或韧性的适当配合,以满足不同工件的性能要求。
•钢的表面淬火有些零件在工件时在受扭转和弯曲等交变负荷、冲击负荷的作用下,它的表面层承受着比心部更高的应力。
在受摩擦的场合,表面层还不断地被磨损,因此对一些零件表面层提出高强度、高硬度、高耐磨性和高疲劳极限等要求,只有表面强化才能满足上述要求。
由于表面淬火具有变形小、生产率高等优点,因此在生产中应用极为广泛。
根据供热方式不同,表面淬火主要有感应加热表面淬火、火焰加热表面淬火、电接触加热表面淬火等。
•感应加热表面淬火感应加热就是利用电磁感应在工件内产生涡流而将工件进行加热。
感应加热表面淬火与普通淬火比具有如下优点:1.热源在工件表层,加热速度快,热效率高2.工件因不是整体加热,变形小3.工件加热时间短,表面氧化脱碳量少4.工件表面硬度高,缺口敏感性小,冲击韧性、疲劳强度以及耐磨性等均有很大提高。
有利于发挥材料地潜力,节约材料消耗,提高零件使用寿命5.设备紧凑,使用方便,劳动条件好6.便于机械化和自动化7.不仅用在表面淬火还可用在穿透加热与化学热处理等。
•感应加热的基本原理将工件放在感应器中,当感应器中通过交变电流时,在感应器周围产生与电流频率相同的交变磁场,在工件中相应地产生了感应电动势,在工件表面形成感应电流,即涡流。
这种涡流在工件的电阻的作用下,电能转化为热能,使工件表面温度达到淬火加热温度,可实现表面淬火。
•感应表面淬火后的性能1.表面硬度:经高、中频感应加热表面淬火的工件,其表面硬度往往比普通淬火高 2~3 个单位(HRC)。
2.耐磨性:高频淬火后的工件耐磨性比普通淬火要高。
这主要是由于淬硬层马氏体晶粒细小,碳化物弥散度高,以及硬度比较高,表面的高的压应力等综合的结果。
3.疲劳强度:高、中频表面淬火使疲劳强度大为提高,缺口敏感性下降。
对同样材料的工件,硬化层深度在一定范围内,随硬化层深度增加而疲劳强度增加,但硬化层深度过深时表层是压应力,因而硬化层深度增打疲劳强度反而下降,并使工件脆性增加。
一般硬化层深δ=(10~20)%D。
较为合适,其中D为工件的有效直径。
8月份技能大师师带徒培训第三课时钢热处理工艺的四把火之退火工艺退火是将金属和合金加热到适当温度,保持一定时间,然后缓慢冷却的热处理工艺。
退火后组织亚共析钢是铁素体加片状珠光体;共析钢或过共析钢则是粒状珠光体。
总之退火组织是接近平衡状态的组织。
•退火的目的①降低钢的硬度,提高塑性,以利于切削加工及冷变形加工。
②细化晶粒,消除因铸、锻、焊引起的组织缺陷,均匀钢的组织和成分,改善钢的性能或为以后的热处理作组织准备。
③消除钢中的内应力,以防止变形和开裂。
•退火工艺的种类①均匀化退火(扩散退火)均匀化退火是为了减少金属铸锭、铸件或锻坯的化学成分的偏析和组织的不均匀性,将其加热到高温,长时间保持,然后进行缓慢冷却,以化学成分和组织均匀化为目的的退火工艺。
均匀化退火的加热温度一般为Ac3+(150~200℃),即1050~1150℃,保温时间一般为10~15h,以保证扩散充分进行,大道消除或减少成分或组织不均匀的目的。
由于扩散退火的加热温度高,时间长,晶粒粗大,为此,扩散退火后再进行完全退火或正火,使组织重新细化。
②完全退火完全退火又称为重结晶退火,是将铁碳合金完全奥氏体化,随之缓慢冷却,获得接近平衡状态组织的退火工艺。
完全退火主要用于亚共析钢,一般是中碳钢及低、中碳合金结构钢锻件、铸件及热轧型材,有时也用于它们的焊接构件。
完全退火不适用于过共析钢,因为过共析钢完全退火需加热到Acm以上,在缓慢冷却时,渗碳体会沿奥氏体晶界析出,呈网状分布,导致材料脆性增大,给最终热处理留下隐患。
完全退火的加热温度碳钢一般为Ac3+(30~50℃);合金钢为Ac3+(500~70℃);保温时间则要依据钢材的种类、工件的尺寸、装炉量、所选用的设备型号等多种因素确定。
为了保证过冷奥氏体完全进行珠光体转变,完全退火的冷却必须是缓慢的,随炉冷却到500℃左右出炉空冷。
③不完全退火不完全退火是将铁碳合金加热到Ac1~Ac3之间温度,达到不完全奥氏体化,随之缓慢冷却的退火工艺。
不完全退火主要适用于中、高碳钢和低合金钢锻轧件等,其目的是细化组织和降低硬度,加热温度为Ac1+(40~60)℃,保温后缓慢冷却。
④等温退火等温退火是将钢件或毛坯件加热到高于Ac3(或Ac1)温度,保持适当时间后,较快地冷却到珠光体温度区间地某一温度并等温保持,使奥氏体转变为珠光体型组织,然后在空气中冷却的退火工艺。
等温退火工艺应用于中碳合金钢和低合金钢,其目的是细化组织和降低硬度。
亚共析钢加热温度为Ac3+(30~50)℃,过共析钢加热温度为Ac3+(20~40)℃,保持一定时间,随炉冷至稍低于Ar3温度进行等温转变,然后出炉空冷。
等温退火组织与硬度比完全退火更为均匀。
⑤球化退火球化退火是使钢中碳化物球化而进行的退火工艺。
将钢加热到Ac1以上20~30℃,保温一段时间,然后缓慢冷却,得到在铁素体基体上均匀分布的球状或颗粒状碳化物的组织。
球化退火主要适用于共析钢和过共析钢,如碳素工具钢、合金工具钢、轴承钢等。
这些钢经轧制、锻造后空冷,所得组织是片层状珠光体与网状渗碳体,这种组织硬而脆,不仅难以切削加工,且在以后淬火过程中也容易变形和开裂。
而经球化退火得到的是球状珠光体组织,其中的渗碳体呈球状颗粒,弥散分布在铁素体基体上,和片状珠光体相比,不但硬度低,便于切削加工,而且在淬火加热时,奥氏体晶粒不易长大,冷却时工件变形和开裂倾向小。
另外对于一些需要改善冷塑性变形(如冲压、冷镦等)的亚共析钢有时也可采用球化退火。
球化退火加热温度为Ac1+(20~40)℃或Acm-(20~30)℃,保温后等温冷却或直接缓慢冷却。
在球化退火时奥氏化是“不完全”的,只是片状珠光体转变成奥氏体,及少量过剩碳化物溶解。
因此,它不可能消除网状碳化物,如过共析钢有网状碳化物存在,则在球化退火前须先进行正火,将其消除,才能保证球化退火正常进行。
球化退火工艺方法很多,最常用的两种工艺是普通球化退火和等温球化退火。
普通球化退火是将钢加热到Ac1以上20~30℃,保温适当时间,然后随炉缓慢冷却,冷到500℃左右出炉空冷。
等温球化退火是与普通球化退火工艺同样的加热保温后,随炉冷却到略低于Ar1的温度进行等温,等温时间为其加热保温时间的1.5倍。
等温后随炉冷至500℃左右出炉空冷。
和普通球化退火相比,球化退火不仅可缩短周期,而且可使球化组织均匀,并能严格地控制退火后的硬度。
⑥再结晶退火(中间退火)再结晶退火是经冷形变后的金属加热到再结晶温度以上,保持适当时间,使形变晶粒重新结晶成均匀的等轴晶粒,以消除形变强化和残余应力的热处理工艺。
⑦去应力退火去应力退火是为了消除由于塑性形变加工、焊接等而造成的以及铸件内存在的残余应力而进行的退火工艺。
锻造、铸造、焊接以及切削加工后的工件内部存在内应力,如不及时消除,将使工件在加工和使用过程中发生变形,影响工件精度。
采用去应力退火消除加工过程中产生的内应力十分重要。
去应力退火的加热温度低于相变温度A1,因此,在整个热处理过程中不发生组织转变。
内应力主要是通过工件在保温和缓冷过程中消除的。
为了使工件内应力消除得更彻底,在加热时应控制加热温度。
一般是低温进炉,然后以100℃/h 左右得加热速度加热到规定温度。
焊接件得加热温度应略高于600℃。
保温时间视情况而定,通常为2~4h。
铸件去应力退火的保温时间取上限,冷却速度控制在(20~50)℃/h,冷至300℃以下才能出炉空冷。
8月份技能大师师带徒培训第四课时钢热处理工艺的四把火之正火工艺正火工艺是将钢件加热到Ac3(或Acm)以上30~50℃,保温适当的时间后,在静止的空气中冷却的热处理工艺。
把钢件加热到Ac3以上100~150℃的正火则称为高温正火。
对于中、低碳钢的铸、锻件正火的主要目的是细化组织。
与退火相比,正火后珠光体片层较细、铁素体晶粒也比较细小,因而强度和硬度较高。
低碳钢由于退火后硬度太低,切削加工时产生粘刀的现象,切削性能差,通过正火提高硬度,可改善切削性能,某些中碳结构钢零件可用正火代替调质,简化热处理工艺。
过共析钢正火加热刀Acm以上,使原先呈网状的渗碳体全部溶入到奥氏体,然后用较快的速度冷却,抑制渗碳体在奥氏体晶界的析出,从而能消除网状碳化物,改善过共析钢的组织。
焊接件要求焊缝强度的零件用正火来改善焊缝组织,保证焊缝强度。
在热处理过程中返修零件必须正火处理,要求力学性能指标的结构零件必须正火后进行调质才能满足力学性能要求。
中、高合金钢和大型锻件正火后必须加高温回火来消除正火时产生的内应力。