脚手架拆除申请审批表
- 格式:doc
- 大小:22.50 KB
- 文档页数:3
表7.5 脚手架、安全防护设施临时拆除申请表
工程名称申请日期
需拆除安全设施或
脚手架杆件名称、
部位
拆除时间拆除原因:
申请人:
加固补救措施:
施工负责人:
拆除班组加固措施落实人拆除审批意见:
项目部技术负责人:
年月日加固补救措施验收意见
专职安全员(签字):年月日项目技术负责人(签字):年月日
注:1.施工现场中需要拆除脚手架杆件或安全防护设施,必须由该施工作业负责人提出申请,经项目技术负责人审批同意。
2.需加固处理的经加固后,由项目技术负责人组织技术、安全人员共同检查验收合格后,方可拆除。
脚手架拆除申请表尊敬的相关负责人:您好!为了确保施工安全和工程进度的顺利推进,现特向您提交脚手架拆除申请。
以下是关于本次脚手架拆除的详细信息和相关说明。
一、工程概况1、工程名称:_____2、工程地点:_____3、施工单位:_____二、脚手架基本信息1、脚手架类型:_____2、搭建高度:_____3、搭建面积:_____4、搭建时间:_____三、拆除原因1、施工进度需要:相关施工任务已完成,脚手架不再用于当前施工阶段,为避免影响后续施工流程,需要及时拆除。
2、安全考虑:经过一段时间的使用,脚手架可能存在一定的损耗和安全隐患,为确保施工人员的生命安全,需进行拆除并进行全面检查和维护。
四、拆除准备工作1、技术交底:已对参与拆除工作的人员进行了详细的技术交底,确保他们熟悉拆除流程和安全注意事项。
2、现场清理:拆除区域内的杂物、材料等已清理干净,为拆除工作提供了畅通的通道和安全的作业环境。
3、警示标识:在拆除区域周围设置了明显的警示标识,提醒过往人员注意安全。
五、拆除计划1、拆除时间:计划于_____(具体日期)开始拆除,预计在_____(预计完成日期)完成拆除工作。
2、拆除顺序:按照先上后下、先外后内的顺序进行拆除,确保拆除过程的稳定性和安全性。
3、拆除人员安排:安排了具有丰富经验和专业技能的拆除人员,明确了各自的职责和分工。
六、安全保障措施1、个人防护:拆除人员将配备齐全的个人防护用品,如安全帽、安全带、防滑鞋等。
2、现场监护:在拆除过程中,将安排专人进行现场监护,及时发现和处理可能出现的安全问题。
3、临时支撑:对于拆除过程中可能出现的不稳定情况,将设置临时支撑,确保结构的安全。
七、应急预案1、针对可能出现的人员伤亡、物体坠落等突发情况,制定了相应的应急预案。
2、配备了必要的应急救援设备和物资,如急救箱、担架、灭火器等。
3、明确了应急救援人员的职责和联系方式,确保在紧急情况下能够迅速响应。
八、后续处理1、拆除后的脚手架材料将及时进行清理、分类和存放,以便后续的维修和再利用。
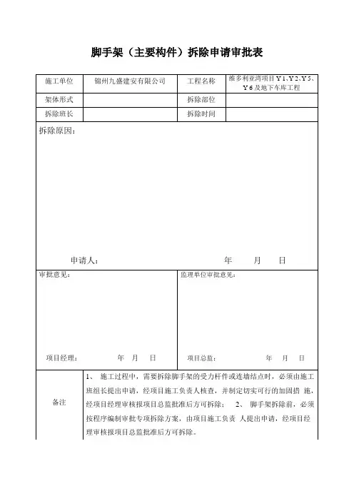
脚手架(主要构件)拆除申请审批表
施工单位锦州九盛建安有限公司工程名称维多利亚湾项目Y-1、Y-2、Y-5、
Y-6及地下车库工程
架体形式拆除部位
拆除班长拆除时间
拆除原因:
申请人:年月日
审批意见:
项目经理:年月日监理单位审批意见:
项目总监:年月日
备注1、施工过程中,需要拆除脚手架的受力杆件或连墙结点时,必须由施工班组长提出申请,经项目施工负责人核查,并制定切实可行的加固措施,经项目经理审核报项目总监批准后方可拆除;2、脚手架拆除前,必须按程序编制审批专项拆除方案,由项目施工负责人提出申请,经项目经理审核报项目总监批准后方可拆除。
物料提升机
施工单位锦州九盛建安有限公司工程名称维多利亚湾项目Y-1、Y-2、Y-5、
Y-6及地下车库工程
拆除部位
拆除班长拆除时间
拆除原因:
申请人:年月日
审批意见:
项目经理:年月日监理单位审批意见:
项目总监:年月日
备注1、施工过程中,需要拆除脚手架的受力杆件或连墙结点时,必须由施工班组长提出申请,经项目施工负责人核查,并制定切实可行的加固措施,经项目经理审核报项目总监批准后方可拆除;2、脚手架拆除前,必须按程序编制审批专项拆除方案,由项目施工负责人提出申请,经项目经
理审核报项目总监批准后方可拆除。
脚手架拆除审批表一、工程概况工程名称:_____工程地点:_____施工单位:_____脚手架类型:_____脚手架搭设高度:_____拆除范围:_____二、拆除原因1、施工进度需要:随着工程的推进,脚手架所在部位的施工任务已经完成,为了不影响后续工序的进行,需要拆除脚手架。
2、安全考虑:经过检查,发现脚手架存在部分构件损坏、变形或松动等安全隐患,为确保施工安全,需进行拆除并重新搭设。
3、变更设计:由于工程设计变更,原脚手架的搭设方案不再适用,需要拆除后按照新的设计要求重新搭设。
三、拆除准备工作1、技术交底:由项目技术负责人对拆除作业人员进行详细的技术交底,包括拆除顺序、方法、注意事项等。
2、人员准备:安排具有架子工操作证的专业人员进行拆除作业,并配备足够的辅助人员。
3、工具准备:准备好拆除所需的各种工具,如扳手、锤子、安全带、安全绳等,并确保工具完好、可靠。
4、现场清理:拆除前,对脚手架周围的场地进行清理,清除障碍物和杂物,确保拆除过程中的安全。
5、设置警戒区域:在拆除现场周围设置明显的警戒标志,禁止无关人员进入拆除区域。
四、拆除顺序1、拆除护身栏杆、脚手板和剪刀撑。
2、拆除小横杆、大横杆。
3、拆除立杆。
4、拆除连墙件。
拆除过程中,应遵循“由上而下,先搭后拆,后搭先拆”的原则,严禁上下同时作业。
五、拆除安全措施1、拆除作业人员必须正确佩戴安全帽、安全带,穿防滑鞋。
2、拆除过程中,应严格按照拆除顺序进行,不得随意拆除杆件。
3、严禁将拆除的构配件抛掷至地面,应采用吊运或人工传递的方式进行。
4、拆除过程中,应有专人负责指挥,统一协调拆除作业。
5、遇有六级及以上大风、大雨、大雾等恶劣天气时,应停止拆除作业。
6、拆除作业下方应设置专人监护,防止无关人员进入拆除区域。
六、拆除时间安排拆除工作预计从_____年_____月_____日开始,至_____年_____月_____日结束,总工期为_____天。