常用钢截面特性查询表
- 格式:xls
- 大小:254.50 KB
- 文档页数:1
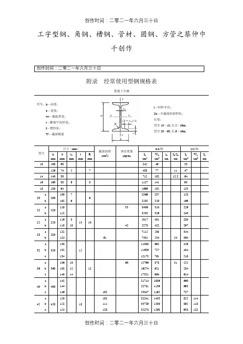
工字型钢、角钢、槽钢、管材、圆钢、方管之蔡仲巾千创作创作时间:二零二一年六月三十日附录经常使用型钢规格表普通工字钢符号:h—高度;b—宽度;tw—腹板厚度;t—翼缘平均厚度;I—惯性矩;W—截面模量i—回转半径;Sx—半截面的面积矩;长度:型号10~18, 长5~19m;型号20~63, 长6~19m.型号尺寸(mm)截面面积(cm2)理论重量(kg/m)x-x轴y-y轴hmmbmmt wmmtmmRmmI xcm4W xcm3i xcmI x/S xcmI ycm4W ycm3I ycm10 100 68 245 49 33126 74 5 7 488 77 11 47 14 140 80 712 102 12.2 64 16 160 88 6 8 1127 141 93 18 180 94 1699 185 12320 a200100 792369 237 158 b 102 9 2502 250 16922 a220110 33 3406 310 226 b 112 3583 326 24025 a250116 813 105017 401 280 b 118 10 42 5278 422 29728 a280122 7115 508 344 b 124 61 7481 534 24 36432 a3201301511080 692 459b 132 11626 727 484c 134 12173 761 51036 a360136 101260 15796 878 31 555b 138 12 16574 921 584c 140 14 17351 964 61440 a400142 21714 1086 660b 144 22781 1139 693c 146 102 23847 1192 72745 a45015018102 32241 1433 855 114b 152 111 33759 1500 895 118c 154 120 35278 1568 938 122H 型钢符号:h—高度;b—宽度;t1—腹板厚度;t2—翼缘厚度;I—惯性矩;W—截面模量i—回转半径;Sx—半截面的面积矩.类别H型钢规格(h×b×t1×t2)截面积Acm2质量qkg/mx-x轴y-y轴I x W x i x I y W y I y(cm4) (cm3) (cm) (cm4) (cm3) (cm)HW100×100×6×8 17.2 2 383 134125×125×6.5×9 847 136 294 47150×150×7×10 1660 221 564175×175×7.5×11 2900 331 984 112200×200×8×12 4770 477 1600 160#200×204×12×12 5030 503 1700 167250×250×9×14 10800 867 3650 292#250×255×14×14 11500 919 3880 304#294×302×12×12 85 17000 1160 5520 365300×300×10×15 20500 1370 6760 450300×305×15×15 106 21600 1440 7100 466#344×348×10×16 146 115 33300 1940 11200 646350×350×12×19 137 40300 2300 13600 776#388×402×15×15 141 49200 2540 16300 809#394×398×11×18 147 56400 2860 18900 951 10 400×400×13×21 172 66900 3340 22400 1120#400×408×21×21 197 71100 3560 23800 1170#414×405×18×28 233 93000 4490 31000 1530#428×407×20×35 284 119000 5580 39400 1930HM148×100×6×9 1040 140 151194×150×6×9 2740 283 508244×175×7×11 6120 502 985 113294×200×8×12 11400 779 1600 160340×250×9×14 21700 1280 3650 292 6 390×300×10×16 107 38900 2000 7210 481440×300×11×18 124 56100 2550 8110 541482×300×11×15 115 60800 2520 6770 451488×300×11×18 129 71400 2930 8120 541582×300×12×17 137 103000 3530 7670 511588×300×12×20 151 118000 4020 9020 601#594×302×14×23 175 137000 4620 10600 701符号:h—高度;b—宽度;t1—腹板厚度;t2—翼缘厚度;I—惯性矩;W—截面模量i—回转半径;Sx—半截面的面积矩.类别H型钢规格(h×b×t1×t2)截面积Acm2质量qkg/mx-x轴y-y轴I x W x i x I y W y I y(cm4) (cm3) (cm) (cm4) (cm3) (cm)HN100×50×5×7 192125×60×6×8 417150×75×5×7 679175×90×5×8 1220 140198×99×4.5×7 1610 163 114 23200×100×5.5×8 1880 188 134248×124×5×8 3560 287 255250×125×6×9 4080 326 294 47298×149×5.5×8 6460 433 443300×150×6.5×9 7350 490 508346×174×6×9 11200 649 792 91350×175×7×11 50 13700 782 985 113#400×150×8×13 18800 942 734396×199×7×11 20000 1010 1450 145400×200×8×13 66 23700 1190 1740 174#450×150×9×14 27100 1200 18 793 106446×199×8×12 29000 1300 1580 159450×200×9×14 33700 1500 1870 187#500×150×10×16 38500 1540 907 121496×199×9×14 41900 1690 1840 185500×200×10×16 47800 1910 2140 214#506×201×11×19 103 56500 2230 2580 257596×199×10×15 69300 2330 1980 199600×200×11×17 106 78200 2610 2280 228#606×201×12×20 120 91000 3000 2720 271#692×300×13×20 166 172000 4980 9020 602700×300×13×24 185 201000 5760 10800 722注:“#”暗示的规格为非经常使用规格.符号:同普通工字钢但Wy为对应翼缘肢尖长度:型号5~8, 长5~12m;型号10~18, 长5~19m;型号20~20, 长6~19m.型号尺寸(mm)截面面积(cm2)理论重量(kg/m)x-x轴y-y轴y-y1轴Z0 h b t w t RI x W x i x I y W y I y I y1(cm4) (cm3) (cm) (cm4) (cm3) (cm) (cm4) (cm)5 50 37 7 7 2663 40 518 80 43 5 8 8 10110 100 48 10 198126 53 9 9 389 3814 a14058 6 564 13b 60 8 60916 a16063 10 10 866b 65 10 10 93518 a18068 7 1273 20b 70 9 1370 11120 a20073 7 11 11 1780 178 128 244b 75 9 11 11 191422 a22077 7 2394b 79 9 257125 a25078 7 12 12 3359b 80 9 12 12 3619c 82 11 12 12 388028 a28082 4753b 84 5118c 86 5484 4032 a32088 8 14 14 7511b 90 10 14 14 8057c 92 12 14 14 8603 36536 a36096 9 16 16 11874 455b 98 11 16 16 12652c 100 13 16 16 13429 70 94840 a400100 18 18 17578 592b 102 18 18 18644c 104 18 18 19711型号单角钢双角钢圆角重心矩截面积质量惯性矩截面模量回转半径iy,当a为下列数值R Z0 A IxWxmaxWxminixixiy6mm8mm10mm12mm14mm (mm)(cm2)(kg/m)(cm4)(cm3) (cm) (cm)20×3 6 4L25×3 4L30×3 4L36×3 10 45L40×35 45L45×3545 13 6L50×3 4 5 6L56×36 458L63×4717 5681L70×48 5678L75×59 6781等边角钢重心截面惯性截面模量123914173 16L160×11612141048 7 161175L180×12161321 270 141514161701181881L200×14182104162366 42718262122867243338不等边角钢角钢型号B×b×t单角钢双角钢圆角重心矩截面积质量回转半径iy,当a为下列数值iy,当a为下列数值RZxZyAixiyiy6mm8mm10mm12mm6mm8mm10mm12mm(mm) (cm2)(kg/m)(cm)(cm)(cm)L25×16×3 4L32×20×34 1L40×25×34 4L45×28×35 4L50×32×3 16 4L56×36×36 45L63×40×475 2 67L70×45×4 5 6 7L75×50×58 681L80×50×58567 4 8L90×56×59678不等边角钢角钢型号B×b×t单角钢双角钢圆角重心矩截面积质量回转半径iy,当a为下列数值iy,当a为下列数值R Zx Zy A ix iy iy0 6mm 8mm 10mm 12mm 6mm 8mm 10mm 12mm (mm) (cm2) (kg/m) (cm)(cm)(cm)(mm) (cm2) (kg/m) (cm)(cm)(cm)(mm) (cm2) (kg/m) (cm)L100×63×6105 78 1510 34L100×80×6107 30 810L110×70×6107 2注:一个角钢的惯性矩I x=Ai x2, I y=Ai y2;一个角钢的截面个角钢的截面模量W x max=I x/Z x, W x min=I x/(b- Z x); W y ax=I y Z y W x min=I y(b- Z y).。
按照截面积大体相近,并且饶X轴的抗弯强度不低于相应工字钢的原则,计算出了标准中H型钢有关型号与GB/T706-88〈热轧工字钢尺寸、外形、重量及允许偏差〉〉中的工字钢的有关型号以及他们的性能参数比较表(见表B1),以供有关人员在使用H型钢替代工字钢时参考。
表B1H型钢与工字钢型号及性能参数比较表工字钢型号H型钢型号H型钢与工字钢性能参数比较工字钢型号H型钢型号H型钢与工字钢性能参数比较横截面积抗弯强度抗剪强度抗弯刚度惯性半径横截面积抗弯强度抗剪强度抗弯刚度惯性半径ix iy ix iyI10 H125×60 1.19 1.36 1.63 1.70 1.20 0.86 I40a H400×2000.98 1.09 0.79 1.09 1.06 1.64 I12..6 H150×75 1.00 1.17 1.19 1.39 1.18 1.02 H450×1500.97 1.11 0.97 1.25 1.13 1.11 I14 H175×90 1.08 1.37 1.15 1.71 1.26 1.18 H446×1990.99 1.20 0.88 1.34 1.16 1.56 I16 H175×900.89 0.99 0.92 1.08 1.10 1.08 I40b H400×2000.89 1.04 0.67 1.04 1.08 1.68 H198×990.90 1.16 0.95 1.43 1.26 1.16 H450×1500.89 1.06 0.83 1.19 1.15 1.14 H200×100 1.06 1.33 1.16 1.67 1.25 1.17 H446×1990.90 1.14 0.75 1.27 1.19 1.59 I18 H200×1000.90 1.01 0.95 1.13 1.12 1.11 H450×200 1.04 1.32 0.85 1.48 1.19 1.621H248×124 1.07 1.55 1.09 2.13 1.41 1.39 H500×150 1.04 1.35 1.01 1.69 1.27 1.12 I20a H248×1240.93 1.21 0.91 1.50 1.28 1.31 I40c H400×2000.82 0.99 0.59 0.99 1.11 1.71 H250×125 1.07 1.38 1.09 1.72 1.28 1.32 H450×1500.82 1.01 0.72 1.14 1.18 1.15 I20b H248×1240.83 1.15 0.72 1.42 1.31 1.35 H446×1990.83 1.09 0.65 1.22 1.22 1.63 H250×1250.96 1.30 0.86 1.63 1.31 1.35 H450×2000.95 1.26 0.74 1.41 1.22 1.65 I22a H250×1250.90 1.05 0.92 1.20 1.16 1.21 H500×1500.96 1.29 0.89 1.61 1.30 1.15 H298×1490.99 1.40 1.02 1.90 1.38 1.41 H496×1990.99 1.42 0.81 1.76 1.34 1.61 I22b H250×1250.81 1.00 0.74 1.14 1.18 1.23 I45a H450×2000.95 1.05 0.81 1.05 1.05 1.52 H298×1490.89 1.33 0.82 1.80 1.41 1.44 H500×1500.96 1.07 0.97 1.19 1.02 1.05 H300×150 1.02 1.50 0.96 2.05 1.41 1.44 H496×1990.99 1.18 0.89 1.30 1.15 1.48 I25a H298×1490.86 1.08 0.84 1.29 1.22 1.36 I45b H450×2000.87 1.00 0.70 1.00 1.07 1.54 H300×1500.98 1.22 0.99 1.47 1.22 1.36 H500×1500.88 1.03 0.84 1.14 1.14 1.07 I25b H298×1490.78 1.03 0.68 1.22 1.25 1.36 H496×1990.91 1.13 0.75 1.24 1.17 1.50 H300×1500.89 1.16 0.81 1.39 1.25 1.36 H500×200 1.03 1.28 0.86 1.42 1.18 1.522H346×1740.99 1.54 0.87 2.12 1.46 1.61 I45c H450×2000.81 1.03 0.67 0.96 1.09 1.57 I28a H346×1740.96 1.28 0.90 1.57 1.28 1.54 H500×1500.82 1.05 0.80 1.09 1.16 1.09 I28b H346×1740.87 1.21 0.74 1.50 1.31 1.55 H496×1990.84 1.16 0.73 1.19 1.19 1.53 H350×175 1.04 1.46 0.87 1.83 1.32 1.58 H500×2000.95 1.31 0.82 1.35 1.20 1.55 I32a H350×1750.95 1.13 0.83 1.24 1.15 1.50 H596×199 1.01 1.59 0.97 1.96 1.40 1.45 I32b H350×1750.87 1.08 0.70 1.18 1.17 1.51 I50a H500×2000.96 1.03 0.86 1.03 1.04 1.41 H400×150 0.97 1.30 0.89 1.62 1.29 1.23 H596×199 1.02 1.25 1.01 1.49 1.21 1.32 H396×1990.98 1.39 0.79 1.72 1.33 1.72 I50b H506×201 1.02 1.07 0.83 1.16 1.07 1.47 I32c H350×1750.80 1.03 0.60 1.13 1.20 1.51 H596×1990.94 1.20 0.88 1.43 1.23 1.34 H400×1500.89 1.24 0.77 1.54 1.33 1.23 H600×200 1.05 1.25 0.97 1.61 1.24 1.37 H396×1990.90 1.33 0.68 1.64 1.36 1.72 I50c H500×2000.82 1.02 0.71 0.94 1.08 1.46 I36a H400×1500.93 1.07 0.90 1.19 1.13 1.19 H506×2010.94 1.10 0.79 1.12 1.09 1.50 H396×1990.94 1.15 0.80 1.27 1.16 1.67 H596×1990.87 1.23 0.84 1.37 1.26 1.36 I36b H400×1500.85 1.02 0.76 1.13 1.16 1.22 H600×2000.97 1.29 0.93 1.54 1.27 1.393H396×1990.86 1.10 0.68 1.21 1.18 1.70 I56a H596×1990.90 0.99 0.87 1.06 1.09 1.27 H400×200 1.01 1.29 0.78 1.43 1.19 1.72 H600×200 1.00 1.04 0.96 1.19 1.10 1.29 H450×150 1.00 1.31 0.96 1.64 1.28 1.17 I56b H606×201 1.05 1.14 0.92 1.33 1.13 1.33 H446×199 1.02 1.41 0.86 1.75 1.31 1.63 I56c H600×2000.86 1.02 0.81 1.09 1.13 1.30 I36c H396×1990.79 1.05 0.59 1.15 1.21 1.72 H606×2010.97 1.18 0.89 1.27 1.15 1.33 H400×2000.93 1.23 0.68 1.37 1.22 1.75 I63a H582×300 1.13 1.10 0.89 1.10 0.99 2.00 H450×1500.92 1.25 0.83 1.56 1.30 1.18 I63b H582×300 1.04 1.05 0.78 1.05 1.00 2.02 H446×1990.94 1.35 0.75 1.67 1.34 1.66 I63c H582×3000.97 1.09 0.76 1.01 1.02 2.03热轧普通工字钢型号H B d t A Iy(mm4) Ix(mm4)普工10 100 68 4.5 7.6 1433 328000 2450000普工12.6 126 74 5 8.4 1810 4690004880000普工14 140 80 5.5 9.1 2150 643000 7120000普工16 160 88 6 9.9 2611 931000普工18 180 94 6.5 10.7 3074 1229000普工20a 200 100 7 11.4 3555 1579000普工20b 200 102 9 11.4 3955 1690000普工22a 220 110 7.5 12.3 4210 22590004普工22b 220 112 9.5 12.3 4650 2402000普工25a 250 116 8 13 4851 2804000普工25b 250 118 10 13 5351 2973000普工28a 280 122 8.5 13.7 5537 3441000普工28b 280 124 10.5 13.7 6097 3638000普工32a 320 130 9.5 15 6712 4590000 0普工32b 320 132 11.5 15 7352 4838000 0普工32c 320 134 13.5 15 7992 5101000 0普工36a 360 136 10 15.8 7644 5549000 0普工36b 360 138 12 15.8 8364 5836000 0普工36c 360 140 14 15.8 9084 6140000 0普工40a 400 142 10.5 16.5 8607 6599000 0普工40b 400 144 12.5 16.5 9407 6928000 0普工40c 400 146 14.5 16.5 10207 7275000 0普工45a 450 150 11.5 18 10240 8550000 0普工45b 450 152 13.5 18 11140 8954000 0普工45c 450 154 15.5 18 12040 9380000 0普工50a 500 158 12 20 11925 0普工50b 500 160 14 20 12925 0普工50c 500 162 16 20 13925 0普工56a 560 166 12.5 21 13538 0普工56b 560 168 14.5 21 14658 0普工56c 560 170 16.5 21 15778 0普工63a 630 176 13 22 15459 0普工63b 630 178 15 22 16719 0普工63c 630 180 17 22 17979 005其中: H--高度(mm) B--翼缘宽(mm)d--腹板厚(mm) t--翼缘平均厚(mm) A--截面面积(mm2)热轧轻型工字钢型号H B d t A Iy(mm4) Ix(mm4)轻工10 100 55 4.5 7.2 1200 179000 1980000 轻工12 120 64 4.8 7.3 1470 279000 3500000 轻工14 140 73 4.9 7.5 1740 419000 5720000 轻工16 160 81 5 7.8 2020 586000 8730000 轻工18 180 90 5.1 8.1 2340 826000轻工18a 180 100 5.1 8.3 2540 1140000轻工20 200 100 5.2 8.4 2680 1150000轻工20a 200 110 5.2 8.6 2890 1550000轻工22 220 110 5.4 8.7 3060 1570000轻工22a 220 120 5.4 8.9 3280 2060000轻工24 240 115 5.6 9.5 3480 1980000轻工24a 240 125 5.6 9.8 3750 2600000轻工27 270 125 6 9.8 4020 2600000轻工27a 270 135 6 10.2 4320 3370000轻工30 300 135 6.5 10.2 4650 3370000轻工30a 300 145 6.5 10.7 4990 4360000轻工33 330 140 7 11.2 5380 4190000轻工36 360 145 7.5 12.3 6190 5160000 06轻工40 400 155 8 13 7140 6660000 0轻工45 450 160 8.6 14.2 8300 8070000 0轻工50 500 170 9.5 15.2 9780 0轻工55 550 180 10.3 16.5 11400 0轻工60 600 190 11.1 17.8 13200 0轻工65 650 200 12 19.2 15300 00轻工70 700 210 13 20.8 17600 00轻工70a 700 210 15 24 20200 00轻工70b 700 210 17.5 28.2 23400 00其中: H--高度(mm) B--翼缘宽(mm)d--腹板厚(mm) t--翼缘平均厚(mm) A--截面面积(mm2)大通高频焊接工字钢型号A(cm2) Iy(cm4) Ix(cm4)100x50x2.3x3.2 535 6.68 90.71100x50x3.2x4.5 741 9.4 122.77100x100x6x8 2104 133.48 369.05120x120x3.2x4.5 1435 129.63 396.84120x120x4.5x6 1926 172.88 515.53150x75x3.2x4.5 1126 31.68 432.11150x100x3.2x4.5 1351 75.04 551.24150x100x4.5x6 1821 100.1 720.99150x150x4.5x6 2421 75.51 1032.21150x150x6x8 3204 98.67 1331.43200x100x3.2x4.5 1511 58.58 1045.92200x100x4.5x6 2046 78.08 1378.62200x100x6x8 2704 133.66 1786.897200x150x3.2x4.5 1961 253.18 1475.97200x150x4.5x6 2646 337.64 1943.34200x150x6x8 3504 450.33 2524.6200x200x6x8 4304 1067 3262.3250x125x3.2x4.5 1896 146.55 2068.56250x125x4.5x6 2571 123.36 2738.6250x125x4.5x8 3052 260.59 3409.75250x125x6x8 3404 260.84 3569.91250x150x3.2x4.5 2121 253.19 2407.62250x150x4.5x6 2871 337.68 31.8521250x150x4.5x8 3453 450.18 3995.6250x150x6x8 3804 450.42 4155.77250x200x6x8 4604 10.6709 5327.47300x150x3.2x4.5 2281 253.2 36.0441300x150x4.5x6 3096 337.72 4785.96300x150x4.5x8 3678 450.22 5976.11300x150x6x8 4104 450.51 6262.44300x200x6x8 4904 1067.18 7968.14350x150x4.5x8 3903 450.25 8416.36350x150x6x8 4404 450.6 8882.11350x175x3.2x4.5 2666 402.05 5757.85350x175x4.5x6 3621 536.19 7661.31350x175x4.5x8 4303 714.84 9586.21350x175x6x8 4804 715.18 10051.96350x200x6x8 5204 1067.27 11221.81其中: 型号--高度(mm)x翼缘宽(mm)x腹板厚(mm)x翼缘平均厚(mm)8热轧H型钢型号 d t g A(cm2) Iy(cm4) Ix(cm4)HW100x100 6 8 10 2190 383 134 HW125x125 6.5 9 10 3031 847 294 HW150x150 7 10 13 4055 1660 546 HW175x175 7.5 11 13 5143 2900 984 HW200x200 8 12 16 6428 4770 1600 HW250x250 9 14 16 9218 10800 3650 HW300x300 10 15 20 12040 20500 6760 HW350x350 12 19 20 17390 40300 13600 HW400x400 13 21 24 21950 66900 22400 HM200x150 6 9 16 3976 2740 508 HM250x175 7 11 16 5624 6120 985 HM300x200 8 12 20 7303 11400 1600 HM350x250 9 14 20 10150 21700 3650 HM400x300 10 16 24 13670 38900 7210 HM450x300 11 18 24 15740 56100 8110 HM500x300 11 18 28 16440 71400 8120 HM600x300 12 20 28 19250 118000 9020 HN200x100 5.5 8 13 2757 1880 134 HN250x125 6 9 13 3787 4080 294 HN300x150 6.5 9 16 4753 7350 508 HN350x175 7 11 16 6366 13700 985 HN400x200 8 13 16 8412 23700 1740 HN450x200 9 14 20 9741 33700 1870 HN500x200 10 16 20 11420 47800 21409HN600x200 11 17 24 13520 78200 2280 HN700x300 13 24 28 23550 201000 10800 HN800x300 14 26 28 26740 292000 11700 HN900x300 16 28 28 30980 411000 12600 HW100×100 6 8 10 2190 383 134HW175×175 7.5 11 13 5143 2900 984HW200×200 8 12 16 6428 4770 1600HW200×200 12 12 16 7228 5030 1700HW250×250 9 14 16 9218 10800 3650HW250×250 14 14 16 10470 11500 3880HW300×300 12 12 20 10830 17000 5520HW300×300 10 15 20 12040 20500 6760HW300×300 15 15 20 13540 21600 7100HW350×350 10 16 20 14600 33300 11200HW350×350 12 19 20 17390 40300 13600HW400×400 15 15 24 17920 49200 16300HW400×400 11 18 24 18760 56400 18900HW400×400 13 21 24 21950 66900 22400HW400×400 18 28 24 29620 93000 31000HW400×400 21 21 24 25150 71100 23800HW400×400 20 35 24 36140 119000 39400HW#200×150 6 9 16 3976 2740 508HW250×175 7 11 16 5624 6120 985HW300×200 8 12 20 7303 11400 1600HW350×250 9 14 20 10150 21700 3650HW400×300 10 16 24 13670 38900 721010HW450×300 11 18 24 15740 56100 8110HW500×300 11 15 28 14640 60800 6770HW500×300 11 18 28 16440 71400 8120HW600×300 12 17 28 17450 103000 7670HW600×300 12 20 28 19250 118000 9020HW600×300 14 23 28 22240 137000 10600HN175×90 5 8 10 2321 1220 97.6 HN#200×100 4.5 7 13 2359 1610 114HN#200×100 5.5 8 13 2757 1880 134HN250×125 5 8 13 3289 3560 255HN250×125 6 9 13 3787 4080 294HN300×150 5.5 8 16 4155 6460 443HN300×150 6.5 9 16 4753 7350 508HN350×175 6 9 16 5319 11200 792HN350×175 7 11 16 6366 13700 985HN400×150 8 13 16 7112 18800 734HN400×200 7 11 16 7216 20000 1450HN400×200 8 13 16 8412 23700 1740HN450×150 9 14 20 8341 27100 793HN450×200 8 12 20 8495 290000 1580HN450×200 9 14 20 9741 33700 1870HN500×150 10 16 20 9823 38500 907HN500×200 9 14 20 10130 41900 1840HN500×200 10 16 20 11420 47800 2140HN500×200 11 19 20 13130 56500 2580HN600×200 10 15 24 12120 69300 198011HN600×200 11 17 24 13520 78200 2280HN600×200 12 20 24 15330 91000 2720HN700×300 13 20 28 21150 172000 9020HN700×300 13 24 28 23550 201000 10800HP200×200 12 12 16 7228 5030 1700HP250×250 11 11 16 8205 8790 2940HP250×250 14 14 16 10470 11500 3880HP300×300 12 12 20 10830 17000 5520HP300×300 10 15 20 12040 20500 6760HP300×300 15 15 20 13540 21600 7110HP350×350 13 13 20 13530 28200 9380HP350×350 16 16 20 16660 35300 11800HP350×350 12 19 20 17390 40300 13600HP350×350 19 19 20 19840 42800 14400HP400×400 15 15 24 17920 49200 16300HP400×400 18 18 24 21520 59900 20000HP400×400 13 21 24 21950 66900 22400HP400×400 18 28 24 29620 93000 31000HP400×400 21 21 24 25150 71100 23800HP400×400 20 35 24 36140 119000 39400其中: 型号--高度(mm)x翼缘宽(mm)d--腹板厚(mm) t--翼缘平均厚(mm) g--重量(kg/m)表1-6 热轧普通工字钢规格及截面特性(GB 706-88)12I——截面惯性矩;W——截面抵抗矩;S——半截面面积矩;t——截面回转半径。
实用标准文档工字型钢、角钢、槽钢、管材、圆钢、方管附录常用型钢规格表普通工字钢符号:h—高度;b—宽度;i —回转半径;Sx—半截面的面积矩;长度:tw —腹板厚度;t —翼缘平均厚度;I —惯性矩;型号10~18,长5~19m;型号20 63 619m~,长~。
W—截面模量尺寸(mm)x-x 轴y-y 轴型号hmmbmmtwmmtmmRmm截面面积(cm2)2)理论重量(kg/m)Ix4cmWx3cmixcmI x/SxcmIy4cmWy3cmIycm10 100 68 4.5 7.6 6.5 14.3 11.2 245 49 4.148.6933 9.61.5112.6 126 74 5 8.4 7 18.1 14.2 488 77 5.1911 4712.71.6114 140 80 5.5 9.1 7.5 21.5 16.9 712 102 5.7512.26416.11.7316 160 88 6 9.9 8 26.1 20.5 1127 141 6.5713.99321.11.8918 180 94 6.5 10.78.5 30.7 24.1 1699 1857.3715.412326.22.020 a 100 7 35.5 27.9 2369 23711.200 94b 102 9 39.5 31.1 2502 2508.167.9517.417.115816931.633.12.112.0722 a 110 7.5 42.1 33 3406 31012.220 9.53b 112 9.5 46.5 36.5 3583 3268.998.7819.218.922624041.142.92.322.2725 a116 848.5 38.1 5017 40125013 10b 118 10 53.5 42 5278 42210.29.9321.721.428029748.450.42.42.3628 a1228.510.5280b 12413.710.555.4 43.5 7115 50861 47.9 7481 53411.311.124.344324 36456.458.72.492.44a 130 9.5 67.1 52.7 11080 69212.827.745970.62.6232 b 320 132 11.51511.573.5 57.7 11626 72712.627.348473.32.57c 134 13.579.9 62.7 12173 76112.326.951076.12.53a 136 10 76.4 60 15796 878 14.431 55581.62.693615.b 360 138 12 12 83.6 65.6 16574 921814.130.658484.62.64c 140 14 90.8 71.3 17351 96413.830.261487.72.640 a 400 142 10.516.512.586.1 67.6 21714 108615.934.466092.92.77文案大全b 144 4.258.7 73.8 22781 11391.9612.796935.2213.1c 146 5.85102 80.1 23847 11925.9313.572717.76.67a 150 14.5102 80.4 32241 143322.711.5855 1148.6945 b 450 152 7.451816.5111 87.4 33759 150027.42.21895 11812.4c 154 8.25120 94.5 35278 15687.10118.6938 12218.9a 158 12 119 93.6 46472 1859 32.734.91122 1422.1750 b 500 160 14 20 14 129 101 48556 1942 13.48.1031171 1468.81c 162 16 139 109 50639 2026 20.119.91224 15143.6a 166 2.45135 106 65576 2342 222.391366 1658.9856 b 560 168 48.652111.5147 115 68503 24479.10622.31424 17022.2c 170 49.5158 124 71430 255151.32.581485 1752.57a 176 13 155 122 94004 2984 11.714.81702 19412.263 b 630 178 15 22 15 167 131 98171 3117 55.5212.21771 19925.5c 780 17 180 141 102339 3249 57.959.61842 205 3.2文案大全H型钢符号:h—高度;b—宽度;i —回转半径;t1 —腹板厚度;Sx—半截面的面积矩。
工字型钢、角钢、槽钢、管材、圆钢、方管附录常用型钢规格表普通工字钢符号:h—高度;b—宽度;tw—腹板厚度;t—翼缘平均厚度;I—惯性矩;W—截面模量i—回转半径;Sx—半截面的面积矩;长度:型号10~18,长5~19m;型号20~63,长6~19m。
型号尺寸(mm)截面面积(cm2)理论重量(kg/m)x-x轴y-y轴hmmbmmt wmmtmmRmmI xcm4W xcm3i xcmI x/SxcmI ycm4W ycm3I ycm10 100 68 4.5 7.6 6.5 14.3 11.2 245 49 4.148.6933 9.61.5112.6 126 74 5 8.4 7 18.1 14.2 488 77 5.1911 4712.71.6114 140 80 5.5 9.1 7.5 21.5 16.9 712 102 5.7512.26416.11.7316 160 88 6 9.9 8 26.1 20.5 1127 141 6.5713.99321.11.8918 180 94 6.5 10.78.5 30.7 24.1 1699 1857.3715.412326.22.020 a200100 711.4935.5 27.9 2369 2378.1617.415831.62.11b 102 9 39.5 31.1 2502 2507.9517.116933.12.0722 a220110 7.512.39.542.1 33 3406 3108.9919.222641.12.32b 112 9.5 46.5 36.5 3583 3268.7818.924042.92.2725 a250116 813 1048.5 38.1 5017 40110.221.728048.42.4b 118 10 53.5 42 5278 4229.9321.429750.42.3628 a280122 8.513.710.555.4 43.5 7115 50811.324.334456.42.49b 12410.561 47.9 7481 53411.124 36458.72.4432 a320130 9.51511.567.1 52.7 11080 69212.827.745970.62.62b 13211.573.5 57.7 11626 72712.627.348473.32.57c 13413.579.9 62.7 12173 76112.326.951076.12.5336 a360136 1015.81276.4 60 15796 87814.431 55581.62.69b 138 12 83.6 65.6 16574 92114.130.658484.62.64c 140 14 90.8 71.3 17351 96413.830.261487.72.640 a 400 142 10.516.512.586.1 67.6 21714 108615.934.466092.92.77H型钢符号:h—高度;b—宽度;t1—腹板厚度;t2—翼缘厚度;I—惯性矩;W—截面模量i—回转半径;Sx—半截面的面积矩。
工字型钢、角钢、槽钢、管材、圆钢、方管之樊仲川亿创作附录经常使用型钢规格表普通工字钢符号:h—高度;b—宽度;tw—腹板厚度;t—翼缘平均厚度;I—惯性矩;W—截面模量i—回转半径;Sx—半截面的面积矩;长度:型号10~18,长5~19m;型号20~63,长6~19m。
型号尺寸(mm)截面面积(cm2)理论重量(kg/m)x-x轴y-y轴hmmbmmt wmmtmmRmmI xcm4W xcm3i xcmI x/S xcmI ycm4W ycm3I ycm10 100 68 245 49 33126 74 5 7 488 77 11 47 14 140 80 712 102 12.2 64 16 160 88 6 8 1127 141 93 18 180 94 1699 185 12320 a200100 792369 237 158 b 102 9 2502 250 16922 a220110 33 3406 310 226 b 112 3583 326 24025 a250116 813 105017 401 280 b 118 10 42 5278 422 29728 a280122 7115 508 344 b 124 61 7481 534 24 36432 a3201301511080 692 459b 132 11626 727 484c 134 12173 761 51036 a360136 101260 15796 878 31 555b 138 12 16574 921 584c 140 14 17351 964 61440 a400142 21714 1086 660b 144 22781 1139 693c 146 102 23847 1192 72745 a45015018102 32241 1433 855 114b 152 111 33759 1500 895 118c 154 120 35278 1568 938 12250 a500158 1220 14119 46472 1859 1122 142 b 160 14 129 101 48556 1942 1171 146H型钢符号:h—高度;b—宽度;t1—腹板厚度;t2—翼缘厚度;I—惯性矩;W—截面模量i—回转半径;Sx—半截面的面积矩。
工字型钢、角钢、槽钢、管材、圆钢、方管
附录常用型钢规格表
普通工字钢
符号:h—高度;
b—宽度;
tw—腹板厚度;
t—翼缘平均厚度;
I—惯性矩;
W—截面模量i—回转半径;
Sx—半截面的面积矩;
长度:
型号10~18,长5~19m;
型号20~63,长6~19m。
H型钢
质量q kg/m
x-x轴
I x W x (cm4) (cm3)
质量q kg/m
x-x轴
I x W x (cm4) (cm3)
符号:
同普通工字钢
但Wy为对应翼缘肢尖长度:
型号5~8,长5~12m;
型号10~18,长5~19m;
型号20~20,长6~19m。
截面积惯性
矩
截面模量iy,当a为下列数值
等边角钢
重心矩截面
积
惯性
矩
截面模量i y,当a为下列数值
不等边角钢
重心矩截面
iy,当a为下列数值iy,当a为下列数值
不等边角钢
截面积质量iy,当a为下列数值iy,当a为下列数值
Zy A ix 8mm 10mm 6mm 8mm 10mm 12mm
注:一个角钢的惯性矩I x=Ai x2,I y=Ai y2;一个角钢的截面个角钢的截面模量W x max=I x/Z x,W x min=I x/(b- Z x); W y ax=I y Z y W x min=I y(b- Z y)。
工字型钢、角钢、槽钢、管材、圆钢、方管之答禄夫天创作创作时间:贰零贰壹年柒月贰叁拾日附录经常使用型钢规格表普通工字钢符号:h—高度;b—宽度;tw—腹板厚度;t—翼缘平均厚度;I—惯性矩;W—截面模量i—回转半径;Sx—半截面的面积矩;长度:型号10~18,长5~19m;型号20~63,长6~19m。
型号尺寸(mm)截面面积(cm2)理论重量(kg/m)x-x轴y-y轴hmmbmmt wmmtmmRmmI xcm4W xcm3i xcmI x/S xcmI ycm4W ycm3I ycm10 100 68 245 49 33126 74 5 7 488 77 11 47 14 140 80 712 102 12.2 64 16 160 88 6 8 1127 141 93 18 180 94 1699 185 12320 a200100 792369 237 158 b 102 9 2502 250 16922 a220110 33 3406 310 226 b 112 3583 326 24025 a250116 813 105017 401 280 b 118 10 42 5278 422 29728 a280122 7115 508 344 b 124 61 7481 534 24 36432 a3201301511080 692 459b 132 11626 727 484c 134 12173 761 51036 a360136 101260 15796 878 31 555b 138 12 16574 921 584c 140 14 17351 964 61440 a400142 21714 1086 660b 144 22781 1139 693c 146 102 23847 1192 72745 a45015018102 32241 1433 855 114 b 152 111 33759 1500 895 118H 型钢符号:h—高度;b—宽度;t1—腹板厚度;t2—翼缘厚度;I—惯性矩;W—截面模量i—回转半径;Sx—半截面的面积矩。