工程部维修服务标准与规范21页PPT
- 格式:ppt
- 大小:2.32 MB
- 文档页数:21
6.0工程维修服务标准6.1仪容、仪表(见图4)•裤子烫直,长及鞋面。
•西装外侧口袋不放物品。
•领带:平整端正,领带大箭头以正好盖过皮带扣为宜。
如佩戴领带夹,需夹在衬衣自上而下第四个扣子处。
•皮鞋:着黑色皮鞋,深色袜子。
保持皮鞋无灰尘。
•饰物:可以佩带结婚戒指一枚、正装手表一只。
6.3 工牌佩戴:6.3.1 一线员工牌佩戴在上衣左胸口袋居中位置,上边缘是口袋上边缘平齐(图4b6.3.2 男职员工牌佩戴上衣口袋上方约0.5CM处位置。
工牌左边缘与上衣口袋左边缘对方,工牌边缘与上衣口袋口平齐6.4 试电笔、对讲机:6.4.1 试电笔、对讲机的佩戴:度电笔不用时插入左侧裤袋对讲机不用时悬挂于右后腰6.4.2 对讲机的使用•对讲机为公共信息沟通工具,只能用于工作内容的的信息沟通,不得作为聊天或其它用途。
•工程管理部实行岗位编号制,各岗位均为定制代号,使用对讲机呼唤同事时,呼叫岗位代号,不得直呼姓名。
•员工在呼叫同事时,重复1次呼叫代号后,应自报代号(以便于工作的对接、跟进或反馈)。
如218、218,202呼叫。
•接收信息员工如信息时,应该回应:先自报代号+收到+请讲;如未听清,则呼叫同事,请求同事重复。
如:218、218,202呼叫——202收至,请讲218、218,202呼叫——218、218,请重复工程管理部经理编号:经理201供配电班组值班编号:主管202班组218水暖班组值班编号:主管205班组237综合班组值班编号:主管206班组230弱电班组值班编号:主管203班组248电梯班组值班编号:主管207班组256二装班组值班编号:主管2086.5 礼貌用语•工作时间内工作语言为普通话,声音清晰、悦耳、自然、友善。
•礼貌用语(十字):您好、请、谢谢、对不起、再见•语速适中,表达清晰,语调平和,态度诚恳。
•当接受别人的帮助或称赞时,应及时致谢。
因自身原因给对方造成不便,应及时道歉6.6 行为礼仪6.6.1 项目对外营业时,无特殊情况,不得占用客用设施。
(售后服务)第九编工程部服务规范及工作标准工程部服务规范及工作标准(部门根据工作需要进行修改)为确保酒店的正常营业运转,动力工程的管理需要有严格的科学性,工程部的工作是直接或间接地和客人联系于壹起,当客人光临酒店时,他们需要得到物质上、精神上的享受,而这种享受很大程度上是依赖完善的服务和优良的设备。
因此,特定出系统性的运行管理,设备维修保养规定。
壹.工程部职责1.负责酒店的电力系统、空调系统、电梯、供水排水、灯光音响系统、蒸汽系统、煤气等的运行管理、设备维护、保养和故障检修;2.负责酒店的工程设备、厨房设备、水暖设备、洗涤设备和康乐设施的维修保养和故障检修;3.负责酒店的电冰箱、高低温雪库、清洁机械、人力推车以及五金构件的维修检修工作;4.负责酒店内外范围的装饰装修设施、家具、装饰灯具的维修保养工作;5.负责酒店动力各系统的完善改造、设备更新和大小项目增改工程施工;6.负责酒店的建筑结构各方面的防水补漏、保养工程的处理;7.负责酒店的油料、煤气的储存和发放及其设备的维修保养(含火锅屋液化石油气系统);8.负责酒店各方面的工程项目对外业务联系。
二.管理职责要求1.确保24小时轮值工作,设簿详细纪录运行情况,如发现疑问必须及时处理和方案上级;2.配电房值班员(有电工证、高压进网证)必须忠于职守,有良好的职业道德和熟练的操作技能;3.全面了解酒店的电力系统和用电量,以便合理使用和调配;4.要求电力系统做到“壹巡二检三维修”;5.要求空调系统月检年修,每15天清洗壹次隔尘网;6.要求电梯运作正常,输送平稳,维修保养包干到人;7.要求供水排水畅顺,加强对泵、阀以及压力检修维修;8.要求煤气、柴油的存放和使用均符合国家有关安全规定,做到定点定人、层层落实、日检年修;9.要求厨房设备做到每天壹小检、十天全面检修、壹个月清洗壹次烟罩,而对消防设施月度检查壹次、季度检修壹次、定期按规定要求更换;10.要求雪库、冰箱、冰粒机(含餐厅、酒吧、客房)每星期检修壹次,温度要适当,以免造成不必要的原材料、半成品和其它饮用料的损失;11.要求洗涤设备和清洁用具设备之维修保养能保证随时投入正常运转;12.要求客房和餐厅的家私用具、灯饰灯具处于正常无损状态;13.要求对酒店营业部门为客提供的液化石油气炉、音响电器设备做到“壹巡二检三维修”;14.要求对酒店各方面的工程项目和对外业务之合同将要发生的费用做到及时和财务部接洽,致使资金预期合理地投入使用,以免影响工程进展;15.要求对酒店各用电用水部门均按酒店已定方针和规定进行日常的监督和检查。
工程维修部服务规范维修处服务宗旨是“主动、热情、耐心、周到”,做到随叫随到,把业主的困难当作自己的困难,方便业主是维修处工作的唯一准则。
具体要求如下;1、报修电话(1)拿到话筒先讲“您好,我是客服部,先生(小姐)有什么事情请讲?”(2)记录好报修内容、栋号,并告诉业主上门维修时间。
(3)应轻轻放下听筒并道声再见。
2、接待报修业主(1)业主来维修处报修,应先说声您好!您有什么事需要帮忙吗?并应起立和业主说话。
(2)用报修单记录业主报修内容,问清业主什么时候可以上门维修,并和业主道别。
3、从接到报修开始,一般无其他特殊情况,应在15分钟内到达业主家。
4、敲门、按门铃(1)到达业主家门口,先轻轻按一下门铃,如无反应,应间歇10秒后再按第二次,不要连续按或按住不放。
(2)如无门铃,敲门应轻轻地敲,先轻轻敲三下,如无反应,间歇10秒再轻敲三下,不要过重或连续不断地敲。
5、业主开门后,应招呼一声您好!说明自己的身份,告诉业主我是来修什么东西的,在业主的认可下:(1)脱鞋,把自己带上的干净拖鞋穿上或者穿上业主指定给你穿的拖鞋进入。
(2)在业主带领下进入维修房间,不随意走动。
6、修理(1)电气修理必须按照“市低压电气标准规定”进行。
(2)在修理当中必须移动有关物品时,应先征得业主同意,并小心轻放。
7、清场(1)在修理过程中为防止渗水、垃圾散落,应事先铺上自己带来的报纸、毛巾,防止渗水、灰尘散落。
(2)电工必须随身携带刷子、小畚箕,把散洛在地上、踢脚线上的墙粉、线头号清扫干净。
(3)工作前移开的物件要帮助业主放回原处。
8、请业主验收不论修水、修电,修理完毕必须请业主验收,取得业主认可,不然不能作为修好。
9、维修完毕,离开业主家,应该做到:(1)和业主说声“有什么需要再帮忙的尽管来维修处联系”,“打扰了”。
(2)出门应面向业主后退几步,到门口转身说再见。
维修处人员除上述直接为业主服务时需达到的服务规范外,在间接方面维修处人员应定期对泵房、卫视房、配电间、电梯、消防设施进行定期巡视,并做好记录,以保证不断电、不停水、不停梯,让业主感受到物业管理的星级服务水平。
工程部维修服务基础作业规程标准及细节要求工程部修理服务基础作业规程标准及细节要求1.0目的规范修理服务基本要求、修理服务作业规程2.0适用范围适用于管理区域内的修理服务。
3.0职责3.1工程部主管应按规程要求检查每一个任务单完成情况及修理服务质量,并作好记录。
3.2客户服务中心应准时完成报修、下单、修理服务回访、记录。
3.3修理技工应严格按规程举行操作。
4.0程序要点 4.1接单派工工程主管(值班主管)接到客服中心填写《业主家庭安装/修理单》或住户报修电话后,应准时落实修理服务人员和上门修理服务时光。
4.2修理人员工具箱配置 4.2.1工具箱由管理处统一配置,应完好无损,外观干净,司标、编号字迹清楚。
4.2.2箱内工具应齐全、完好、无损,每件工具表面应保持清洁,箱内供修理使用的台布、垫布、鞋套、抹布、修理价目表等应配置到位,完好清洁无损。
4.3平安操作a)修理电工应持有效的电工平安操作证上岗。
b)修理电工作业前,应穿绝缘鞋,应确保测电笔和万用电表性能良好。
c)修理电工所使用的扶梯梯脚应用橡皮包扎,具有良好绝缘性能。
d)登高作业使用的扶梯应无断档、开裂,扶梯的保险绳应牢固,登高作业时应有专人护梯。
e)注重作业平安,如遇电气线路故障,应停电作业;如遇水管维修,应实行防止水泄漏的措施;如一人难以操作,应由两人共同作业。
4.4修理服务作业规程 4.4.1上门修理服务1)修理服务人员接到《业主家庭安装/修理单》后,应携带《业主家庭安装/修理单》、通信器具、鞋套、布垫、抹布、工具箱、需要更换的器材和零部件,按商定时光,赶赴需要修理服务的现场。
2)修理服务人员抵达申报修理服务的业户居室门口后,应礼貌地轻按门铃(或轻声敲门三下),如无应答,则再次轻按门铃(轻声敲门三下),不行延续不断地按门铃(或延续不断敲门);如仍无应答,应填写《哀求再次上门修理(服务)单》,粘贴在业户房门的惹眼处。
3)业户开门接待修理服务时,修理服务人员应主动向业户问好,并作自我介绍:“您好,我是美之国物业处的修理人员,应约前来修理服务,我可以进入您家吗?”同时应展示工作牌、《业主家庭安装/修理单》,取得业户认可后,方可进入。
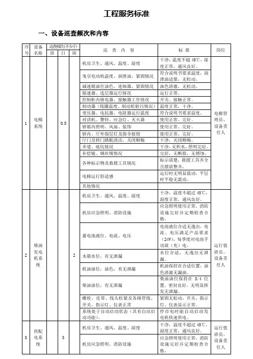
工程维修服务标准1.0目的明确工程人员日常工作服务标准,提升服务质量,以提高业主满意度。
2.0适用范围适用于物业工程设备管理中心、物业各项目工程管家及第三方维修人员。
3.0工作要求3.1仪容仪表3.1.1工作时间内着本岗位规定工程管家制服(第三方维修人员着统一售后维修服装)、工牌,制服干净、平整,无明显污迹、破损并正确佩戴工牌;3.1.2保持良好的个人卫生,头发前不过眉,侧不遮耳清洁无头屑,身体及口腔无异味,牙齿无残留物。
3.1.3工具包统一挎在右肩处(包内需携带工程服务卡、鞋套、携带螺丝刀、钳子、手电筒、活扳手、绝缘胶带、土建专用布等其它常用工具确保工具齐全以及记录本、黑色碳素笔等),并保持整洁。
3.1.4如与业主一同前往问题地点时,要跟随在业主一侧不得超越业主,主动询问业主诉求并进行良好沟通,建立友好关系。
3.1.5微笑服务是指物业服务人员以真诚的笑容向业主提供服务;同时也反映出服务人员的美好心灵和高尚情操。
真正把微笑的意义彻彻底底的在脸上表现出来,会让人倍感亲切。
3.2乘坐电梯礼仪3.2.1着工装时,非工作需要严禁乘坐电梯,特殊情况除外。
3.2.2同行时礼让业主先进先出,中途遇业主乘电梯应主动向业主问好并点头微笑,有条件时主动协助业主按楼层按钮,主动询问:“您好,请问到几楼”。
3.2.3携带大型工具乘坐电梯时,工具应靠边放置避免给业主带来不便。
3.2.4员工之间不应在电梯内交谈与工作无关的话题。
3.3维修时限3.3.1接到报修后应30分钟内上门,紧急维修10分钟到达现场,对于业主诉求提前3-5分钟到达现场。
3.3.2如30分钟内不能到达,应立即通知工程主管或前台客服与业主取得联系,陈述原因征得业主同意并预约服务时间。
3.4接诉、派单与准备工作3.4.1接听电话话术:您好:我是XX小区客户服务中心,很高兴为您服务。
详细记录业主信息与诉求,并与业主约定好上门时间。
3.4.2工程管家接到亲情管家通知,到物业办公室前台拿《客户维修处理单》,并在与业主约定的时间内上门(30分钟以内)。
工程维修服务工作规范和标准————————————————————————————————作者:————————————————————————————————日期:ﻩ工程部维修服务工作规范和标准岗位职责与管理制度一、工程部行为准则1、目的规范工程维修人员的服务行为,树立公司良好形象,为客户提供优质服务。
2、适用范围适用于公司工程维修人员。
3、内容(1)关心公司,热爱本职工作,遵守公司各项规章制度和劳动纪律,维护公司利益和荣誉,爱护公司设备、设施。
(2)认真贯彻公司“开源节流”的方针,在工作中力行节俭,不浪费公司资源。
(3)从全局出发,树立良好的合作意识,团结、真诚协作,达到畅顺、高效率的工作绩效,切实服从领导的工作安排和调度,如有异议,必须做到“先服从后投诉”。
(4)对工作中出现的问题不推诿,勇于承担责任,并从中吸取教训,不断提升工作水平。
(5)公司领导授权或批准,不得以公司名义对外展开业务或在外兼任获取薪酬或间接利益之工作。
(6)获批准,不准将本公司的办公用品、公用工具、设备、设施等擅自赠与、转租、出租、出借、抵押给其它公司、单位或个人。
(7)工作时间须配戴工作证,着装整洁,注意形象、仪表。
(8)禁向业主索取或收受任何礼品酬金。
(9)必须将服务意识,服务态度和服务技巧贯彻落实到言行中,语言文明礼貌,对业主提出的质疑要耐心、细致地回答或解释,不得推脱。
(10)对设备、设施及业主报修项目应及时认真地处理,一般情况由当班员工处理完毕。
(11)对上门服务应注意业主家内卫生,必须穿鞋套,不得损坏业主物品,如移动物品,需经业主同意,收费时应公平、公正、公开、合理,并经业主签字生效,服务完毕,应将工作场所打扫干净。
二、工程部主管岗位职责1、任职资格(1)具有《中华人民共和国特种技术操作许可证》(2)熟练掌握电工基本原理。
(3)具有较强的专业知识,全面了解住宅内各种设备的基本原理。
能够对下属进行技术指导。
(4)基本了解国家有关电工操作规程与技术标准2、工作内容(1)全面管理工程部事务。
工程维修服务标准1、日常维修(1)、业主及各部门报修时,填写《工程维修通知单》,交给工程维修人员。
(2)、工程部24小时设人值班。
值班人员收到《工程维修通知单》时,在值班日志上做好登记。
(3)、维修人员根据维修单的紧急情况,按先后次序进行维修。
(4)、维修单为三联式,白色一联存根,维修人员带上红色、绿色联到维修地点。
(5)、维修人员带好必要的工具,准时到达维修点,按质量标准完成任务后,请报修人及有关部门在红联上签字验收。
如有困难不能按期完成,如实向工程班长或主管汇报,与报修部门协商解决办法。
(6)、完成任务回到值班室时,并在维修单上写上日期、完成时间和姓名。
如果用了材料、配件,也应写清楚。
然后将绿单交工程主管。
(7)、维修人员如有新的维修单,则按照前述办法准备好工具和必要的备件继续下一轮的维修。
(8)、若因业主有事或其它原因未能完成维修任务时,须写明原因。
(9)、工程主管亲自或派人检查维修结果,如发现不合格时,责成有关人员返工。
(10)、按要求继续完成上班人员未完成的维修项目和新的报修项目。
(11)、房屋维修及报修及时率达98%以上,维修合格率达99%以上。
2、设备常规维修保养(1)、工程部主管制定设备的维修养护计划。
内容包括:设备名称,年、季、月、日维修保养内容,次数和时间,主要措施。
报公司批准后实施。
(2)、主管根据要求将设备维修保养任务分别落实到具体维修人员,安排具体时间。
(3)、维修人员按照计划安排的时间、内容和要求对所分管的设备进行正常维修保养工作,准备好维修工具和器材,按照维修保养规程进行调试、紧固、加油,确保设备正常运转。
发现隐患,及时排除。
对电梯、煤气管道、配电室、监控室等要害部位的设备,不管是否有问题,均采用强制维修法,确保安全、完好。
(4)、进行正常维修保养时,要填写设备的正常维修记录,内容有:设备名称、部位、维修保养时间、内容、隐患排除记录及运行情况记录等,报工程主管。
(5)、每次比较重要的设备维修保养完成后,班长和主管要进行检查、验收。
小区物业工程部维修服务标准细节要求小区物业工程部修理服务标准及细节要求1.0目的规范修理服务接待基本要求及修理服务承诺。
2.0适用范围适用于管理区域内的修理服务。
3.0职责3.1工程部实行365天24小时业户报修接待,工程部员工随时按规程接受报修任务。
3.2工程部主管按规程进行监督管理。
3.2品管部按规程进行考核。
4.0程序要点4.1实行全年365天24小时业户报修接待,客户服务中心报修电话5****55负责8:30――17:30,主控室报修电话:52****,负责17:30-8:30。
4.2报修接待人员,应按公司规定统一着装、佩带胸牌,仪表仪容干净端庄。
4.3接待业户报修时应态度和气、用语规范、急躁热忱。
4.4应做到《业主家庭安装/修理单》填写精确、齐全,准时落实任务。
4.5修理服务承诺4.5.1上门修理时限a)水、电急修项目:30分钟内到达现场,当日修复;b)一般修理项目:当日到达现场勘察,三天内修复;c)较大项目的预约修理,应提前一天通知业户,预约修理不误时;d)如接到报修后,上门修理服务时业户不在家,应留条示意业户,另约上门服务日期、时间。
4.5.2修理服务要求a)修理准时率应达到95%以上;b)修理质量合格率应到90%以上;c)被服务业户满足90%以上;k)修理服务回访100%。
4.5.3有偿修理服务收费a)收费标准以经物业所在地物价管理部门核准或备案的价格为准;b)有偿修理服务收费时,应由专职人员开具发票,并在发票上注明材料、人工费用;c)由于修理质量缘由,导致业户损失,应按实赔偿;导致重复修理,不再另行收费。
4.5.4修理服务回访1)下列修理项目应于24小时内回访;a)水、电急修项目;b)涉及邻里间的修理项目;c)具有较大危急性的修理项目(例:室内屋顶天花粉刷层大面积剥落,供水管道爆裂引进室内进水等)。
2)房屋渗漏水修理项目,应在修理后的第一个雨天后回访。
3)一般修理项目和较大修理项目,一周内回访。