无损检测 超声检测工艺题与综合题解析
- 格式:ppt
- 大小:1.31 MB
- 文档页数:117
第一篇超声探伤习题一、是非题1.由于机械波是由机械振动产生的,所以波动频率等于振动频率。
( )2.频率相同的纵波,在水中的波长大干在钢中的波长。
( )3.既然水波能在水面传播,那么超声表面波也能沿液体表面传播。
( )4.材料的声阻抗越大,超声波传播时衰减越大。
( )5.当钢中的气隙(如裂纹)厚度一定时,超声波频率增加,反射波也随着增加。
( )6.探头频率越高,声束扩散角越小。
( )7.超声被波长越长,声柬扩散角就越大,发现小缺陷的能力就越强。
( )8.因为近场区内有多个声压为零的点,所虹探伤时近场区缺陷往往会漏检。
( )9.面积相同.频率相同的圆晶片和方晶片,超声场的近场长度一样。
( )10.同声场理想大平面与平底孔回波声压的地值随频率的提高而减小。
( )11.C型显示能展现工件中缺陷的长度和宽度,但不能屣现深度。
( )12.通用AVG曲线采用的距离是以近场长度为单位的归一化距离,适用于不同规格的探头。
( )13.由于水中只能传播纵波,所以水浸探头只能进行纵波探伤。
( )14.测定“始波宽度时,应将仪器的灵敏度谓至最大。
( )15.为提高分辨力,在满足探伤灵敏度要求下,仪器的发射强度应尽量调得低些。
( )16.软保护膜探头可减小粗糙表面对探伤的影响。
( )17.串列法探伤适用于擒捌垂直于探测面的平面缺陷。
( )18.“灵敏”意味着发现小缺陷的能力,因此超声探伤灵敏度越高越好。
( )19.半波高度法用来测量小于声柬截面的虢陷尺寸。
( )20.采用当量法确定的缺陷尺寸~般小于缺陷的实际尺寸。
( )21.超声波撵伤焊缝时,裂纹类缺粥的反射波幅一般都很高。
( )22.焊缝探伤所用斜探头,当楔块底而前部磨损较大,其K值将变小。
( )23.横渡探伤选掸斜探头K值时,随投厚的增加,K值柑应减小。
( )24.铝焊缝探伤应选用较高频率的横被专用探头。
( )25.裂纹探防时,裂垃的回波出较尖锐,探头转动时,波揠惋鞘失。
工艺题:有一压力管道环向对接焊接接头,尺寸为φ133 mm(外径)×5 mm与φ159 mm(外径)×7mm变径连接,材料为20钢,焊缝宽度10 mm,其结构如图1所示。
要求按NB/T 47013.3-2015《承压设备无损检测第3部分:超声检测》编制超声检测操作指导书,验收级别为Ⅱ级。
现有仪器、探头、试块、耦合剂:(1)超声波检测仪:HS620。
(2)探头:5P9×9K2.5前沿11 mm、5P6×6K2.5前沿5 mm、5P6×6K3前沿6 mm、 5P6×6K2.7前沿7 mm。
(3)对比试块:GS-1、GS-2、GS-3、GS-4。
(4)耦合剂:化学浆糊、机油、水。
工艺关键点分析:由于管道接头靠大径端只有10 mm直边,无法对焊接接头两侧进行检测,因此只能在直管段单侧进行检测,依据NB/T 47013.3-2015标准中6.4.4.1条规定:“一般要求从对接焊接接头两侧进行检测,确因条件限制只能从焊接接头一侧检测时,应采用两种或两种以上的不同K值探头进行检测。
”故需采用两种K值探头进行检测。
探头的选择:考虑到被检管道的曲率半径较小,为获得较好的声耦合,宜选用小尺寸探头,又因管壁较薄,为能扫查到整个断面宜选用短前沿探头(K≥(5+5)/5)=2,按标准表31应从题目给出的探头中选用5P6×6K2.5前沿5 mm和5P6×6K3前沿6 mm的两个探头。
对比试块的确定:按NB/T 47013.3-2015标准表30应选GS-4对比试块,GS -4对比试块适用于管外径范围110~159mm 。
(教材选GS-3试块是不对的)。
灵敏度确定:管壁厚度小于8mm,距离波幅曲线灵敏度按标准表32第一行确定。
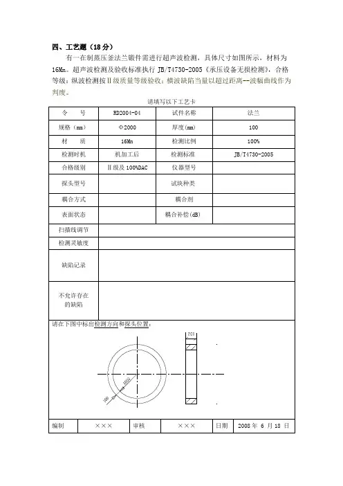
超声检测操作指导书编号:GD-UT2015001令号--试件名称管件连接件规格(mm)φ133 mm(外径)/φ159 mm(外径)厚度(mm)5mm/7mm 材质 20 检测时机打磨后执行标准 NB/T47013.3-2015 合格级别Ⅱ级仪器型号 HS620 表面状态打磨露出金属光泽藕合剂化学浆糊表面补偿3dB探头序号ⅠⅡ探头型号 5P6×6K2.5 前沿5mm 5P6×6K3前沿6mm 试块 GS-4 GS-4灵敏度调节说明用GS-4试块制作距离-波幅曲线用GS-4试块制作距离-波幅曲线扫查灵敏度φ2×20-24dB φ2×20-24dB 评定线φ2×20-24dB φ2×20-24dB 定量线φ2×20-18dB φ2×20-18dB 判废线φ2×20-12dB φ2×20-12dB 扫查示意图:编制(资格) XXX(UT-Ⅱ)审核(资格)XXX(UT-Ⅲ)日期××××年××月××日日期××××年××月××日。
工艺规范问答与计算:1.用2.5P 20K1.5(2.5MHz,Φ20mm,tgβ=1.5)斜探头,检验T=100mm钢板对接焊缝,扫描按深度1:1调节,探伤灵敏度为φ3x40-14dB,探伤中发现一缺陷,深40mm,波高25dB,按GB11345-89标准B级,此缺陷如何评定?(楔中等效横波声程取为10mm)。
解:设x1,x2分别为孔深d1=100mm,d2=40mm时的声程:已知K=1.5,L=10mmx1=d1(K2+1)1/2+L=100x1.8+10=190(mm),x2=d2(K2+1)1/2+L=40x1.8+10=82(mm)两孔反射波高dB差△=30lg(x1/x2)=30lg(190/82)=11dB,∴ d2=40mm,φ3x40孔的波高为:[H2]=[H1]+△=14+11=25dB,判废线灵敏度为φ3-2dB,即23dB,缺陷波高25dB,表明缺陷波高已位于距离波幅曲线的III区,按GB11345-89标准的规定,应评定为IV级。
2.用2.5 P20K1.5(2.5MHz,Φ20mm,tgβ=1.5)斜探头,检验板厚T=100mm钢板对接焊缝,扫描按深度1:1调节,探伤灵敏度为φ3-16dB,探伤中发现一缺陷,深40mm,波高20dB,指示长度35mm,按GB11345-89标准B级,此缺陷如何评定?(楔中等效横波声程取为10mm)。
解:参见1题:d1=100mm,x1=190mm;d2=40mm,x2=82mm, 不同声程φ3横孔反射波高dB差为:△=30lg(x1/x2)=30lg(190/82)=11dB,∴ d2=40mm时,φ3横孔波高为:[H2]=[H1]+△=16+11=27dB缺陷波高20dB,即为φ3-7dB,表明波高位于距离—波幅曲线II区,指示长度△L=35mm,30mm<△L<50mm,按GB11345标准应评定为II级3.检验板厚T=40mm钢板对接焊缝,探伤灵敏度为φ3-16dB,在一段焊缝内依次发现间距小于8mm的缺陷5个,试依据GB11345-89标准A级,评定焊缝质量级别?解:BG11345—89标准A级检验定量灵敏度为φ3-10dB,故4#缺陷不计,因此5#缺陷与3#的间距已大于8mm,应单独评定。
中国船级社无损检测II级超声检测基础理论试卷参考答案一. 是非题正确的画T,错误的画F,每题2.5分,共25分)1.介质能传播超声横波和表面波的必要条件是介质具有切变弹性模量( T )见书P.11图2-9下一行:由于液体和气体不具有剪切弹性,因此它们只能传播纵波,而不能传播横波或具有横波分量的其他型的波.2.由于超声近场区存在一系列的声压极大值和极小值,声压会起伏变化,所以在近场区探伤不能发现缺陷. ( F )近场区内检测可以发现缺陷,但由于近场区内存在一系列的声压极大和极小值,对缺陷定量就很困难.3.超声波在一般固体材料中传播的声速随材料温度的升高而增大. ( F )一般固体中的声速随介质温度升高而降低(特种设备”超声检测”P.22).4.I I W试块和C S K-I A试块的形状、尺寸和功能是完全相同的. ( F )5.中心切槽的半园试块,其反射特点是多次回波总是等距离出现( T )书P.66图3-18a)中心切槽波形.多次回波等距离出现.6.锻件探伤时,如果与探测面平行的底面较粗糙时,利用底波调节的灵敏度一般会偏高. ( T )7.用横波探测单面焊对接焊缝根部未焊透缺陷时,一般不宜选用折射角为60°的横波斜探头( T )因为折射角为60°的超声中心声束,打到根部未焊透时的入射角是30°,小于第三临界角33.2°,有很强的反射纵波,故反射横波的反射率就明显降低,易造成根部未焊透的漏检.8.较薄钢板采用多次底波法进行超声波探伤时,如出现”叠加效应”,说明钢板中的缺陷尺寸一定较大( F )见书P.181中部:当缺陷较小时,如图6-52所示,缺陷回波从第一次开始会出现二次、三次逐渐增高的现象,这是由于小缺陷可产生叠加效应引起的现象.9.采用斜探头对钢管作周向接触法探伤时,钢管内外径之比满足( F )(β-探头折射角r-管子内径R-管子外径)应满足10.一般来说,选用脉冲反射法技术检测管道纵环焊缝,无论直径大小,探头与工件接触面均应修磨成与工件一致的形状,否则不能进行检测. ( F )GB/T11345之9.1.3探伤面曲率半径R小于等于W2/4时,探头楔块应磨成与工件曲面相吻合.(探纵缝时W为探头长度)二. 选择题(将正确答案代号填入括号内,每题2分,共44分)1.超声波的波阵面是指某一瞬间( )的各质点构成的空间曲面( B )A.不同相位振动B.同相位振动C.振动D.波动见书P.12倒二自然段:波阵面是指行波在弹性介质传播时,在同一时刻介质中振动相位相同的所有各点的轨迹.2.超声波在介质中的传播速度就是( A )A.声能的传播速度B.脉冲的重复频率C.脉冲的恢复速度D.物质迁移速度见书P.16/2.4.3之声强度定义:在垂直于声波传播方向上,单位面积上在单位时间内通过的平均声能,称为声强度.从该定义可知,在超声波传播时,伴随着能量传播,声能的传播速度就是超声波的传播速度.3.传播速度略小于横波,不向材料内部传播的超声波是( A )A.表面波B.板波C.莱姆波D.纵波见书P.20表2-2上倒6行:若介质为钢,则σ≈0.28,故Cl/Ct≈1.8;Cr≈0.92 Ct..在固体介质中Cl>Ct>Ct4.在单位时间内通过弹性介质中某点的完整波数的数目称为( D )A.波动的振幅B.波动的波长C.波动的脉冲时间D.波动的频率见书P.9/7行:频率—表示单位时间内质点振动的次数.5.机械波的波速取决于( D )A.机械振动中质点的速度B.机械振动中质点的振幅C.机械振动中质点的振动频率D.弹性介质的特性见书P.20/13行1)介质的弹性性能越好(即E、G越大),密度ρ越小,则声波在介质中的传播速度越高.其中弹性和密度,即是弹性介质的特性.6.同一材料中,晶片厚度与其振动频率之间的关系是( B )A.晶片越薄,频率越低B.晶片越薄,频率越高C.晶片厚度与振动频率无关D.以上均不对见书P.57/③频率常数Nt:是晶片共振频率f与其厚度T的乘积.故T=Nt/f.当晶片材料选定后, Nt是常数,则晶片厚度与频率成反比.7.用试块校正工件的检测灵敏度时,需考虑的主要修正为( D )A.表面粗糙度的修正B.材质衰减的修正C.反射体深度的修正D.以上均是焊缝检测是用试块来校正检测灵敏度的.在试块上作的距离—波幅曲线,就是对反射体深度的修正,测量工件与试块的补偿,就是对工件与试块的表面粗糙度和材质衰减的修正.8.下面哪种参考反射体与入射声束角度无关( D )A. V形槽B.平底槽C.平底孔D.平等于检测面且与声束垂直的横通孔9.晶片直径相同的纵波探头,频率增高时,其声束指向性变化( B )A.指向角变大B.指向角变小C.指向角不变D.与频率无关见书P.38/倒2行: θ0 =70λ /D.当频率增高时, λ变小,θ0就跟着变小.10.当某些晶体受到拉力或压力时,产生形变,从而晶体的表面上出现电荷,这种现象称为( A )效应,这一效应是可逆的A.正压电B.振动C.逆压电D.应变见书P.56/(1)压电效应:某些单晶体和多晶体陶瓷材料,在应力(压缩力和拉伸力)作用下,产生应变时,引起晶体电荷不对称分配,异种电荷向正反两面集中,材料的晶体中就产生电场和极化,这种效应称为正压电效应.11.用单斜探头检测厚焊缝时,最可能漏掉的缺陷是( A )A.与探测面垂直大而平的缺陷B.未焊透或未溶合C.线状夹渣D.密集气孔12.焊缝超声波检测,基本上采用斜探头,这主要是因为( D )A.焊缝表面凹凸不平B.焊缝增强量高于母材C.焊缝中危险性缺陷与表面近似垂直D.以上诸点13.T型焊缝的超声波检对各个方向缺陷较佳的检测方法是( C )A.以翼板为检测面的单直、单斜探头法B.以腹板为检测面的单直、单斜探头法C.以翼板为检测面的单直、单斜探头法和腹板为检测面的单斜探头法D.以上都是见书P.177/图6-46 T型焊缝的一些搜查方式.14.焊缝检测时,未焊透的反射特性是( A )A.反射率较高,波幅较高,探头左右移动时波形较稳定B.探头定点转动时,波幅降低缓慢C.探头作环绕运动时,能获得几乎相同的反射波高度D.以上全部见书P.96/图4-18 焊缝中的动态波形图15.焊缝检测时,在一侧扫查时从反射信号测得的缺陷水平位置处于焊缝区,深度位置与板厚相当,另一侧扫查时,此水平位置未见反射波,一般认为这可能是( D )A.沟槽反射B.咬边反射C.下焊缝宽度较大D.焊缝上下错位见书P.173/图6-42焊缝上下错位.16.焊缝检测中,探头角度的选择与下列有关的因素是( D )A.钢板的厚度B.缺陷方向C.缺陷的部位D.以上都是钢板厚度是探头角度选择中的主要因素.原则是薄板用大折射角,厚板用小折射角;缺陷的方向和部位也是要考虑的因素:如坡口面上的未溶合,应选择超声波中心束与坡口面垂直的折射角;又如根部未焊透不宜选择折射角为60°的斜探头.17.在焊缝检测中,主要可利用下述哪种方法来鉴别缺陷性质( C )A.静态波形图B.动态波形图C.缺陷在工件中的位置D.以上全部可用于明确判断缺陷的性质目前,焊缝检测中缺陷的性质只能估判,主要是根据缺陷在工件中的位置来估判.如缺陷在焊缝中间部位,反射波幅较大,探头沿焊缝纵向移动时在一定距离内波幅变化不大,该焊缝是双面焊,则可估判为中间未焊透.18.厚焊缝斜探头检测时,为提高缺陷定位精度,可采取( D )A.用声束指向性好的探头B.减小检测声程C.提高入射点和折射角测定精度D.以上都是19.对接焊缝超声波检测时,探头扫查方式中下面哪一种说法是错误的( D )A.斜平行扫查是检测横向缺陷B.垂直焊缝扫查是检测纵向缺陷C.定点转动扫查和环绕扫查是测定缺陷的大致形状D.串列式扫查能检测各个方向缺陷见书P.82/○e串列式:…此种探伤方法用来发现与探测面垂直的片状缺陷.20.用横波斜探头检测单面焊对接焊缝根部未焊透时,下面哪种探头检测灵敏度最高( A )A. K1B. K1.5C. K2D. K2.5因为K1的折射角为45°,则超声波中心束打到根部未焊透时的入射角也是45°,则大于第III 临界角,只有横波全反射,横波的反射率最高,检测灵敏度最高.21.焊缝检测时,当在两个探测面或采用两种K值探头,对同一处缺陷测得的结果有差异时,应根据下列哪一项评定该焊缝质量( D )A.两组数据分别B.两组数据平均值C.大K值探头测得的为准D.较严重者检验的原则是:检验从严.故当然应选择D.22.为探出焊缝中不同角度的缺陷,应采取的方法是( C )A.提高检测频率B.修磨检测面C.用多种折射角度的探头D.以上都可以用多种折射角的探头显然对检出焊缝中不同角度的缺陷有利.可明显提高缺陷的检出率.三. 计算题(每题8分,共16分) 1. 用2.5P/14直探头检测外径800㎜,内径300㎜的空心圆轴,问探头在外圆上如何利用内孔定φ2检测灵敏度,材质衰减系数α双=0.04 dB /㎜,仪器时间扫描线作声程1:3调节后,在7格处发现一缺陷,波高为10 dB,问此缺陷的当量为多少?解:工件的SB=800/2-300/2=250缺陷的声程Sf=30×7=210A).检测灵敏度调节答:将工件完好部位的内孔底波调节至基准波高(如80%),再增益35.2dB则灵敏度调节完成.B).缺陷当量答:缺陷的平底孔当量为φ2.7㎜2. 检测板厚为20㎜的对接焊缝,焊缝上下宽度均为30㎜的工件,若探头前沿长度为20㎜,为保证整个焊缝截面的检测,当用一次波和二次波检测时,其探头的折射角应如何选择?解:答:折射角的K值应选用≤2.5四. 问答题(共13分)1. 简述影响超声波在介质中传播速度的因素有哪些?(7分)答:1).与介质的特性(弹性模量和密度)有关;2).与介质的温度有关;3).与介质的应力状况有关;4).与介质的组织均匀性有关;5).与固体介质的尺寸大小有关;6).与超声波的波型有关;7).板波的相速度与f×d有关;板波的群速度也与f×d有关.(可参见特种设备”超声检测”P.20-23)2. 如何选择焊缝探伤中的斜探头折射角或K值?(6分)答:选择原则是:焊缝母材是薄板,用大折射角斜探头;焊缝母材是厚板,用小折射角斜探头. 具体选择折射角时,K值应满足下式:式中:a-焊缝上表面宽度之半;b-焊缝下表面宽度之半;l0-斜探头前沿;T-母材厚度.。
2015年UT3级开卷(部分)工艺分析题综合题一:筒体环缝焊接前,需先把坡口边缘的复合层去除,然后焊接,焊后进行无损检测,合格后再进行补堆焊。
筒体由复合钢板(堆焊层)做的,规格:基板80mm+复合层4mm。
(1)按《TSG R0004-2009 固定式压力容器安全技术监察规程》和JB/T4730.3-2005,写出UT 应采用的检测技术级别和合格级别,确定检测用探头和试块,并画出扫查示意图。
有以下探头2.5Pφ20,2.5Pφ25, 2.5FG4, 2.5FG40,说明所选探头,试块方法和如何调节灵敏度。
复合板:100%UT复合合缝:100%UT+20%RT,B-II级合格。
对复合钢板的UT,采用2.5PFG4探头,从堆焊层侧检测,采用T3b试块。
(2)对该复合板能否按JB/T4730.3-2005 附录F 规定的方法测定声能传输损耗差?如果可以,应如何操作?如果不可以,请说明理由并给出一种可行的方法。
不可以,因为附录F规定的方法是基于同材质进行测定的,而复合板是两种不同声速的材质,在复合界面处声波会产生畸变。
(3)如果检测采用CSK-IIA 试块,请确定其最小所需尺寸,并叙述DAC 曲线的制作方法。
尺寸至少是60X80X200mm,以1/4T和2/1T孔制作DAC曲线,判废线、定量线、评定线分别是:(4)卷成筒体焊接时复合层切开成48°的一个斜面倒角来方便基板的焊接,用k2探头检测时,发现有回波,说明产生原因,该回波应该在示波屏的什么深度位置显示。
复合层异质界面产生的回波,入射到熔合面发生反射、折射和波形转换的假信号,在采用深度2:1定位,约在40mm处显示。
由于粗晶结构对超声波的衰减很大,林状回波的出现也会降低信噪比,当超声波穿过异种金属焊缝界面时所产生的折射会使超声传播路径发生畸变,焊缝的粗大晶粒和各向异性也会使超声传播路径发生畸变,这些因素都会给超声检测和缺陷定位造成困难。
(5)从理论上分析说明该回波的波形有哪些特征。
超声检测工艺题解析1. 概述超声检测技术是将高频声波引入被测物体中,根据声波在物体内的传播情况及反射回来的幅度、时间等特性,来识别物体的缺陷、损伤等信息。
它具有非接触、高灵敏度、高精度等特点,已被广泛应用于制造业、航空航天、石油化工、医疗卫生等领域。
超声检测工艺是指超声检测应用时所需要遵循的各种技术要求和操作规程。
本文将以超声检测工艺为主线,介绍超声检测在实际应用中的一些问题及解决方法。
2. 各种超声检测工艺的特点超声检测技术在应用中需要根据不同的需求和要求选择不同的工艺。
下面我们将介绍常见的几种超声检测工艺的特点。
2.1 传统脉冲回波超声检测传统脉冲回波超声检测是一种最常见的超声检测工艺。
其特点是信号穿透能力强、探伤深度大、检测精度高。
但其缺点是不能检测技术现象,不能快速连续地对被测物体进行检测。
2.2 相控阵超声检测相控阵超声检测是一种高级超声检测技术。
它利用电子束控制多个超声探头发射并聚焦的声波束,可以快速地对被测物体进行扫描。
相控阵超声检测可以实现非接触、连续的快速检测,其缺点是仪器成本昂贵、对操作人员要求高。
2.3 直线阵列超声检测直线阵列超声检测是一种最新的超声检测技术。
它利用多个超声探头排列成一条直线或呈某种形状进行检测。
相对于传统脉冲回波超声检测,它能够提高探测效率和精度,但对于特殊形状的被测物体可能不能达到最佳检测效果。
3. 超声检测工艺中的常见问题与解决方法在超声检测中,常见的问题有误检、漏检、分辨率低等,下面我们将分别介绍并提供解决方法。
3.1 误检误检是指超声检测结果中出现错误的判断,即将没有缺陷的物体误判为有缺陷。
这种问题可能会造成资源浪费、生产效率下降等问题。
解决方法:•按照检测标准进行操作。
在进行超声检测时,按照国家、行业或厂内相关标准进行操作,综合考虑物体材质、缺陷类型、检测仪器等因素,进行检测判断。
•提高操作人员技能水平。
操作人员应该具备专业知识、实践经验,严格按照检测工艺要求进行操作,提高检测准确率。
超声波考试工艺题答案 Company Document number:WUUT-WUUY-WBBGB-BWYTT-1982GT工艺题1对一在制高压容器机加工锻件造封头进行超声波检测,具体尺寸见工艺卡中图,锻件材料牌号:20MnMo;超声检测标准为:JB/-2005;锻件合格等级按Ⅱ级验收。
超声波检测工艺卡1、探头型号:4.2.2条规定:单晶直探头公称频率应选用2MHz~5MHz,探头晶片一般为:φ14~φ25mm。
2、检测时机与表面状态见:4.2.4条规定:检测原则上应安排在热处理后,孔、台等结构机加工前进行,检测面的表面粗糙度Ra≤μm。
3、检测方法见4.2.5.1规定:一般原则:锻件应进行纵波检测,对筒型和环形锻件还应增加横波检测,由于本题锻件不属于筒型和环形锻件,故仅作纵波检测。
4、检测面(检测方向)见4.2.5.2-a)b)图7之d)。
5、灵敏度调节:见P76~77-4.2.6试块:若壁厚δ<45mm;用CSⅡ型试块,若δ≥45mm时则用CSⅠ型试块,本题锻件厚度为350mm>45mm,故可用CSⅠ型试块或用大平底调节灵敏度,但大平底调节灵敏度的前提是检测部位的厚度大于或等于3倍近场区长度且检测面与底面平行。
计算近场区:N=D2/4λ=252/4×=66.2mm,3N=198.6mm<350mm,故可用大平底调节灵敏度。
(1)求350/φ2大平底/平底孔分贝差:△db=20logP350/Pφ2=20log2λX/πφ2=2××350/×22=(db)(2)求600/φ2平底孔/350大平底分贝差:△db=20logP350/Pφ2+40log600/350=20log2λX/πφ2+=2××350/×22+=(db)工艺题2有一块16MnR钢板规格为4200×2700×90mm,用于制作压力容器筒节,下料尺寸为:4000×2700mm,要求进行纵波和横波超声波检测,检测标准为:JB/-2005,Ⅱ级合格。
超声波检测习题集共:630题其中:是非题175题选择题274题计算题90题计算题91题一、是非题1.1 波动过程中能量传播是靠相邻两质点的相互碰撞来完成的。
()1.2 波只能在弹性介质中产生和传播。
()1.3 由于机械波是由机械振动产生的,所以波动频率等于振动频率。
()1.4 由于机械波是由机械振动产生的,所以波长等于振幅。
()1.5 传声介质的弹性模量越大,密度越小,声速就越高。
()1.6 物体作谐振动时,在平衡位置的势能为零。
()1.7 一般固体介质中的声速随温度升高而增大。
()1.8 由端角反射率试验结果推断,使用K≥1.5的探头探测单面焊焊缝根部未焊透缺陷,灵敏度较低,可能造成漏检。
()1.9 超声波扩散衰减的大小与介质无关。
()1.10 超声波的频率越高,传播速度越快。
()1.11 介质能传播横波和表面波的必要条件是介质具有切变弹性模量。
()1.12 频率相同的纵波,在水中的波长大于在钢中的波长。
()1.13 既然水波能在水面传播,那么超声表面波也能沿液体表面传播。
()1.14 因为超声波是由机械振动产生的,所以超声波在介质中的传播速度即为质点的振动速度。
()1.15 如材质相同,细钢棒(直径<λ)与钢锻件中的声速相同。
()1.16 在同种固体材料中,纵、横波声速之比为常数。
()1.17 不同的固体介质,弹性模量越大,密度越大,则声速越大。
()1.18 表面波在介质表面作椭圆振动,椭圆的长轴平行于波的传播方向。
()1.19 波的叠加原理说明,几列波在同一介质中传播并相遇时,都可以合成一个波继续传播。
()1.20 在超声波传播方向上,单位面积.单位时间通过的超声能量叫声强。
()1.21 超声波的能量远大于声波的能量,IMHz的超声波的能量相当于IKHz声波能量的100万倍。
()1.22 声压差2倍,则两信号的分贝差为6dB(分贝)。
()1.23 材料的声阻抗越大,超声波传播时衰减越大。
无损检测试题及答案一、单项选择题(每题2分,共10题)1. 超声波无损检测中,超声波在介质中传播时,其速度与介质的什么性质有关?A. 密度B. 弹性模量C. 温度D. 以上都是答案:D2. 射线检测中,X射线的穿透能力与被检测材料的什么因素有关?A. 原子序数B. 厚度C. 密度D. 以上都是答案:D3. 磁粉检测适用于检测材料表面的哪种缺陷?A. 裂纹B. 孔洞C. 夹杂D. 以上都是答案:A4. 在渗透检测中,渗透剂的主要作用是什么?A. 清洁表面B. 显示缺陷C. 增加表面粗糙度D. 以上都不是答案:B5. 涡流检测中,涡流的产生是由于哪种物理现象?A. 电磁感应B. 静电感应C. 光电效应D. 以上都不是答案:A二、多项选择题(每题3分,共5题)1. 以下哪些因素会影响超声波检测的准确性?A. 探头的选择B. 耦合剂的使用C. 操作者的经验D. 被检测材料的表面状态答案:ABCD2. 射线检测的优点包括哪些?A. 检测结果直观B. 可检测内部缺陷C. 检测速度快D. 可进行定量分析答案:ABD3. 磁粉检测不能检测的材料缺陷有哪些?A. 表面裂纹B. 内部裂纹C. 应力腐蚀裂纹D. 以上都不是答案:BC4. 渗透检测中,渗透剂和显像剂的作用是什么?A. 渗透剂使缺陷开口B. 显像剂显示缺陷C. 渗透剂清洁表面D. 显像剂增加表面粗糙度答案:AB5. 涡流检测中,哪些因素会影响检测结果?A. 被检测材料的电导率B. 检测线圈的频率C. 检测线圈与材料的距离D. 被检测材料的温度答案:ABCD三、判断题(每题1分,共5题)1. 超声波检测可以用于检测材料的内部缺陷。
(对)2. 射线检测只能检测金属材料。
(错)3. 磁粉检测适用于检测非磁性材料的表面缺陷。
(错)4. 渗透检测可以检测材料的内部缺陷。
(错)5. 涡流检测不能用于检测非导电材料。
(对)四、简答题(每题5分,共2题)1. 请简述射线检测的基本原理。
超声波工艺1四、工艺题:(20分)1、请按JB/T4730.3-2005及有关标准要求,审查超声波检测工艺卡中带括号的部分。
你认为正确的在括号内画“O”,认为错误或不足的在括号内填入正确答案。
工艺卡编号:UT-2005-112、检测时,在Z1焊缝中处发现1#长12mm和2#长14mm两个缺陷,缺陷在一条直线上(如下图)深度10mm,缺陷间距为10mm,根据JB/T4730.3-2005《承压设备无损检测》标准,该焊缝应评为几级?(III)四、填写工艺卡(20分)有一在制承压设备—贮气罐,规格:Φ2600×16×9000mm,材质:16MnR,对接焊接接头采用双面自动焊,焊缝宽度均为25mm, 焊接接头要求进行超声波检测,检测标准JB/T4730.3-2005,检测比例 20%,合格级别Ⅱ级。
产品编号为05-30。
填写以下工艺卡超声波检测工艺卡三、工艺题(共20分)1. 请按JB/T4730(2005)及有关标准要求,审查超声波检测工艺卡中带括号的部分。
你认为正确的在括号内画“O”,认为错误或不足的在括号内填入正确答案。
(16分)工艺卡编号:UT-2005-122. 检测时,在Z1焊缝中处发现1#长12mm和2#长20mm两个缺陷,缺陷在一条直线上(如下图)深度20mm,缺陷间距为10mm,根据JB/T4730-2005《承压设备无损检测》标准,该焊缝应评为几级?(II)一、工艺题(共20分。
)1、以下是某锅炉制造厂的锅筒焊缝超声波检验报告,请指出报告填写中的错误并写出正确的答案。
无损检测报告(焊缝)超声检测报告检测报告编号: UT2004-0012、厚度为12mm的钢制压力容器对接焊缝中,存在一条长度为10mm,位于Ⅱ区的条状缺陷,根据JB4730-94标准,用超声波探伤,该缺陷应评为几级?2、某容器制造公司一台卧式容器,规格为Ф4600×12200×40㎜,筒体上有一插入式接管,焊缝为全焊透形式,规格为Ф600×34㎜。
无损检测超声(UT)二级题1、按照 NB/TA7013.3-2015标准的规定,若用2.5P20Z 探头检测厚度为 200mm 的锻件时,仅在30mm深度发现一缺陷,BG/BF=4dB,则该锻件等级评为|级。
对错√2、按照 NB/T 47013.3-2015 标准的规定,超声检测某低合金钢锻件,若已知无缺陷处底波嘉试波高为 40dB,缺陷处底波波高为30dB,则该锻件应判为( )。
迤诚信和A:I级 B:II级√ C:Ill级 D:IV级3、按照 NB/T 47013.3-2015 标准的规定,对奥氏体钢锻件超声波检测时,以下哪种情况需作缺陷记录?()A:由于缺陷的存在,使基准灵敏度下的底波降低为满刻度的 25%以下的部位B:迟到波C:大于基准线高度 25%的信号D:密集草状波信号4、按照 NB/T 47013.3-2015 标准的规定,对于非铁素体类细晶各向同性和低声衰减金属材料制承压设备焊接接头,可参照铁素体钢制承压设备焊接接头的超声检测方法和质量分级进行,但应考虑材料声学特性的变化。
对√错5、NB/T 47013.3-2015 标准不适用于下列哪种工件的超声检测()。
A:不锈钢堆焊层B:铝制压力容器的对接焊缝C:压力容器用铸钢件焊缝√D:材料衰减系数超过 4dB/m 的锻件6、按照 NB/T 47013.1-2015 标准的规定,以下关于超声检测的叙述,错误的是()。
A:超声波穿透能力强,可用于大厚度(大于 100mm)原材料和焊接接头的检测B:能确定缺陷的深度和相对尺寸C:能确定缺陷的反射波幅大小D:能确定缺陷的类型和性质√7、按照 NB/T 47013.3-2015 标准的规定,对板材超声检测时,如能确定板材底面回波与不同深度Φ5平底孔反射波幅度之间的关系,则可采用板材无缺陷完好部位第一次底波来调节基准灵敏度。
()对√错8、按照 NB/T 47013.3-2015 标准的规定,双晶直探头检测时,I 级板材最大允许存在的单个缺陷指示面积应小于()。
无损检测综合试题选择题(选择一个正确答案)1.超声波检测中,产生和接收超声波的方法,通常是利用*些晶体的(c )a.电磁效应b.磁致伸缩效应c.压电效应d.磁敏效应2.目前工业超声波检测应用的波型是(f )a.爬行纵波b.瑞利波c.压缩波d.剪切波e.兰姆波f.以上都是3.工件内部裂纹属于面积型缺陷,最适宜的检测方法应该是(a )a.超声波检测b.渗透检测c.目视检测d.磁粉检测e.涡流检测f.射线检测4.被检件中缺陷的取向与超声波的入射方向(a )时,可获得最大超声波反射:a.垂直b.平行c.倾斜45°d.都可以5.工业射线照相检测中常用的射线有(f ):a.*射线b.α射线c.中子射线d.γ射线e.β射线f.a和d6.射线检测法适用于检验的缺陷是(e )a.锻钢件中的折叠b.铸件金属中的气孔c.金属板材中的分层d.金属焊缝中的夹渣e. b和d7.10居里钴60γ射线源衰减到1.25居里,需要的时间约为(c ):a.5年 b.1年 c.16年 d.21年8.*射线照相检测工艺参数主要是(e ):a.焦距b.管电压c.管电流d.曝光时间e.以上都是9.*射线照相的主要目的是〔c 〕:a.检验晶粒度;b.检验外表质量;c.检验内部质量;d.以上全是10.工件中缺陷的取向与*射线入射方向(b )时,在底片上能获得最清晰的缺陷影像:a.垂直 b.平行 c.倾斜45°d.都可以11.渗透检测法适用于检验的缺陷是(a ):a.外表开口缺陷b.近外表缺陷c.内部缺陷d.以上都对12.渗透检测法可以发现下述哪种缺陷"(c )a.锻件中的剩余缩孔b.钢板中的分层c.齿轮的磨削裂纹d.锻钢件中的夹杂物13.着色渗透探伤能发现的缺陷是(a ):a.外表开口缺陷b.近外表缺陷c.内部未焊透14.下面哪一条不是液体渗透试验方法的优点"(a )a.这种方法可以发现各种缺陷b.这种方法原理简单,容易理解c.这种方法应用比拟简单 d.用这种方法检验的零件尺寸和形状几乎没有限制15.下面哪一条不是渗透探伤的特点"(a )a.这种方法能准确地测量裂纹或不连续性的深度b.这种方法能在现场检验大型零件c.这种方法能发现浅的外表缺陷d.使用不同类型的渗透材料可获得较低或较高的灵敏度 16.下面哪条不是渗透探伤的优点"(d)a.适合于小零件批量生产检验 b.可探测细小裂纹 c.是一种比拟简单的检测方法d.在任何温度下都是有效的17.渗透探伤不能发现(c):a.外表密集孔洞 b.外表裂纹 c.内部孔洞 d.外表锻造折叠18.渗透检验是(d)方法:a.一种用来检查非铁磁性材料近外表缺陷的无损检验方法b.一种用来检查非多孔性材料的近外表缺陷的无损检验方法c.一种用来检查非多孔性材料近的外表和近面缺陷的无损检验方法d.一种用来检查非多孔性材料的外表缺陷的无损检验方法19.(a)类型的材料可用渗透法进展检验a.任何非多孔材料,金属或非金属 b.任何多孔性材料,金属或非金属 c.以上均不能20.渗透探伤的缺点是(d)a.不能检测内部缺陷b.检测时受温度限制,温度太高或太低均会影响检测结果c.与其他无损检测方法相比,需要更仔细的外表清理 d.以上都是21.液体渗透技术适合于检验非多孔性材料的(c):a.近外表缺陷 b.外表和近外表缺陷 c.外表开口缺陷 d.内部缺陷22.渗透探伤检查能指示工件外表缺陷的(e):a.深度 b.长度 c.宽度 d.位置和形状e.b和d23.以下哪种材料不能用通常的渗透探伤法进展检验"(a):a.未涂釉的多孔性陶瓷 b.钛合金 c.高合金钢 d.铸铁24.是否试件上所有外表开口的缺陷均能用液渗检测法检测出来"(b)a.能 b.有时不能c.均不能d.不仅外表,而且包括内部缺陷均能检出25.下面哪种缺陷缺陷不适用于着色检验(e):a.锻件中的偏析 b.弧坑裂纹 c.磨削裂纹 d.非金属夹杂物 e.a和d26.渗透检测是一种非破坏试验方法,这种方法可用于(d)a.探测和评定试件中的各种缺陷b.探测和确定试样中缺陷的长度,深度和宽度c.确定试样的抗拉强度 d.探测工件外表的开口缺陷27.能够进展磁粉探伤的材料是〔a〕:a.碳钢;b.奥氏体不锈钢;c.黄铜;d.铝28.以下哪一条是磁粉探伤优于渗透探伤的地方?〔d〕a.能检出外表夹有外来材料的外表不连续性;b.对单个零件检验快;c.可检出近外表不连续性;d.以上都是29.以下哪种材料能被磁化?〔d〕:a.铁;b.镍;c.钴;d.以上都是30.适合于磁粉探伤的零件是〔b〕:a.静电感应强;b.铁磁性材料;c.有色金属;d.电导体31.磁粉检验是一种无损检测方法,这种方法可以用检测〔c〕:a.外表缺陷;b.近外表缺陷;c.以上都是;d.材料分选32.检测钢材外表缺陷最方便的方法是〔c〕:a.静电法;b.超声法;c.磁粉法;d.射线法33.磁粉探伤对哪种缺陷不可靠?〔b〕:a.外表折叠;b.埋藏很深的孔洞;c.外表裂纹;d.外表缝隙34.以下哪种缺陷能被磁粉探伤检验出来?〔d〕a.螺栓螺纹局部的疲劳裂纹;b.钢质弹簧板的疲劳裂纹;c.钢板外表存在的裂纹和折叠;d.以上都是35.以下哪种缺陷能用磁粉探伤检出?〔c〕a.钢锭中心的缩孔;b.双面焊的未焊透;c.钢材外表裂纹;d.钢板内深为20mm的分层36.以下能够进展磁粉探伤的材料是〔h〕a.碳钢;b.低合金钢;c.18-8不锈钢;d.13铬钼不锈钢;e.铸铁;f.硬铝;g.钛;f.a,b,d和e37.以下能够进展磁粉探伤的材料是〔g〕a.碳钢;b.低合金钢;c.铸铁;d.奥氏体不锈钢;e.钛;f.13铬钼钢;g.除d和e以外都可以38.下述材料中可以进展磁粉检测的是(e):a.铝合金 b.镍基高温合金 c.铜合金 d.钛合金 e.马氏体不锈钢39.磁粉检测技术利用的根本原理是(c):a.毛细现象 b.机械振动波 c.漏磁场 d.放射性能量衰减40.一般认为,在什么情况下磁粉探伤方法优于渗透探伤方法?〔d〕a.受腐蚀的外表;b.阳极化的外表;c.涂漆的外表;d.a和c41.下述材料中可以进展磁粉检测的是(d):a.钛合金 b.铝合金 c.铜合金 d.中碳钢e.玻璃纤维增强塑料42.荧光磁粉或荧光渗透检查使用的辐照光源是(b):a.红外线 b.紫外线 c.白光 d.激光43.磁粉检测中应用的充磁检验的方法主要是(c):a.连续法 b.剩磁法 c.以上都是44.荧光磁粉检测需要(c):a.在太阳光下观察 b.在白炽灯下观察 c.在黑光灯下观察d.以上都可以45.铁磁性材料外表与近外表缺陷的取向与磁力线方向(a)时最容易被发现:a.垂直b.平行c.倾斜45°d.都可以46.涡流检测法最常用于(e):a.构造陶瓷材料 b.黑色金属材料 c.有色金属材料 d.石墨材料 e.b和c47.在涡流检测中,标准试块可用于(a)a.保证仪器调整的重复性与可靠性 b.准确校准缺陷深度 c.降低对震动的敏感性d.测量试验频率48.涡流检测技术利用的根本原理是(c):a.毛细现象 b.机械振动波 c.电磁感应 d.放射性能量衰减49.涡流检测常用的检测方式是(d):a.穿过式线圈法 b.探头式线圈法 c.内探头线圈法 d.以上都是50.对下述工件可采用涡流检测的是(d)a.铝合金锻件的热处理质量 b.碳钢的材料分选 c.导电材料的外表缺陷d.以上都可以51.目视检查可以使用的方法包括(d):a.放大镜 b.直接目视 c.光学内窥镜 d.以上都可以52.对于工件外表腐蚀,在可能的情况下最好采用(c)检测方法a.超声波检测 b.渗透检测 c.目视检测d.磁粉检测 e.涡流检测f.以上都可以53.发现探伤仪调整不正确时(d)a.合格材料应重新检验 b.不合格材料应重新检验c.全部材料都应重新检验d.自上次调整后检验的所有材料都应重新检验54.漏检率和误检率是用来表示探伤仪的什么指标"(d):a.灵敏度 b.效率 c.分辨率d.可靠性55.俗称六大常规工业无损检测方法之一的是(c)a.激光全息检测 b.中子射线检测 c.涡流检测 d.声发射检测 e.红外热成像检测f.以上都是56.对于无损检测技术资格等级人员,有权独立判定检测结果并签发检测报告的是(d)a.高级人员 b.中级人员 c.初级人员 d.a和be.以上都可以57.经过检测发现存在超出验收标准的缺陷之工件应(b)a.立即确定报废 b.立即隔离待处理 c.立即废弃 d.按验收规*的规定处理e.b和c58.检测工艺卡批准人为〔b〕:a.中级人员 b.高级人员 c.委托人 d.不需要初、中级无损检测技术资格人员无损检测概念知识考题汇编填空题1.磁粉探伤主要用于检查〔铁磁性〕材料的〔外表〕及〔近外表〕位置缺陷2.磁粉检测法适用于〔铁磁〕性材料3.磁粉探伤是检测铁磁性材料〔外表〕及〔近外表〕缺陷的一种无损检测方法,适用于〔铁磁〕性材料4.在磁粉检测和渗透检测中,通常规定:线性显示是指长度大于〔三倍〕宽度的显示5.磁粉检测法是通过用磁粉探查(铁磁性材料外表漏磁通)的存在而发现缺陷的6.荧光磁粉检测和荧光渗透检测都需要使用(黑光灯),其(紫外)光中心波长一般都要求为(3650 )7.对于黑色金属材料检查外表裂纹时,最优先考虑的无损检测方法是(MT)8.在磁粉检测法中,根据产生磁力线的方法不同,有(周向)磁化,(纵向)磁化和(复合)磁化三种方式9.在磁粉检测中,外表或近外表缺陷的取向与磁力线方向(垂直)时,才有最良好的磁痕显示10.涡流检测法利用的是(电磁感应)原理,涡流检测法适用于(导电)材料11.涡流检测中的涂层测厚最常见的是利用(提离)效应12.涡流检测常用的探头主要有(线圈穿过式),(探头式),(插入式)三种类型13.在涡流检测中测定导电率常用的单位是(国际退火铜标准-%IACS)14.限制涡流检测法检测材料深度的原因是因为存在(趋肤效应)15.超声波检测法是利用超声波在材料中的(反射),(折射),(透射)等传播特性变化来发现缺陷的16.超声波检测法利用的超声波属于〔机械振动〕波17.在工业超声波检测中最常用的超声波波型有(纵)波,(横)波,(外表)波,(板)波18.在超声检测中,当缺陷的取向与超声波入射方向(垂直)时,能获得最大的超声波反射19.渗透检测法是根据〔毛细〕现象为原理的,渗透检测法适合探查〔外表开口〕缺陷20.渗透检测法主要采用〔荧光渗透检测〕和〔着色渗透检测〕两种,21.对于有色金属材料检查外表裂纹时,最优先考虑的无损检测方法是(PT)22.射线检测利用的放射线属于〔电磁〕波,工业射线检测最常采用的射线源是(*)射线和(γ)射线23.目前工业γ射线检测最常用的两种γ射线源是(Co60)和(Ir192)24.铸件内部缺陷最适**用(射线)检测方法25.*射线照相检测时的工艺参数最重要的是(管电压),(管电流),(曝光时间),(焦距)等26.射线辐射防护的三种根本方式是(距离防护),(屏蔽防护),(时间防护)27.射线照相检测中,缺陷的取向与射线方向(平行)时,可在底片上获得最清晰的缺陷影像28.超声检测适合检测(面积)型缺陷,而射线检测适合检测(体积)型缺陷29.目视检测中最常用的内窥镜主要有(光纤内视镜)和(电子内视镜)两种类型30.工业上最常用的无损检测方法有(超声波检测),(磁粉检测),(涡流检测),(渗透检测),(射线检测),(目视检测)六大类,其英语缩写依次为(UT),(MT),(ET),(PT),(RT),(VT)问答题1.对于初级技术资格等级的无损检测人员的要求有哪些以及其职责包括哪些内容"答:初级技术资格等级的无损检测人员应根本了解所从事检测方法的原理和实际知识,能够按照中高级人员指定的方法和确定的检测规*正确操作,包括熟悉被检件在检测前必要的预处理及做好原始记录,了解和执行有关平安防护的规则等.2.对于中级技术资格等级的无损检测人员的要求有哪些以及其职责包括哪些内容"答:除了具备初级人员水平外,应熟悉该类检测方法的工作原理,实用理论,应用*围和局限性,对其他常规无损检测方法具有根本知识,能够按照检测规*熟练地调整校正与操作检测仪器设备,独立进展检测工作,能正确解释检测结果,熟悉被检件制造与使用过程中可能产生的缺陷情况,按照验收标准评定缺陷,签发检测结果报告,熟悉并执行平安防护规则,而且还能对初级人员进展指导.3.简述磁粉探伤原理答:有外表和近外表缺陷的工件磁化后,当缺陷方向和磁场方向成一定角度时,由于缺陷处的磁导率的变化使磁力线逸出工件外表,产生漏磁场,可以吸附磁粉而产生磁痕显示4.渗透探伤的根本原理是什么"答:渗透探伤的根本原理是利用毛细管现象使渗透液渗入外表开口缺陷,经清洗使外表上多余渗透剂去除,而使缺陷中的渗透剂保存,再利用显像剂的毛细管作用吸附出缺陷中的余留渗透剂,而到达检验缺陷的目的.5.什么是渗透探伤"答:用黄绿色荧光渗透液或有色非荧光渗透液渗入外表开口缺陷的缝隙中去,经过清洗,显像,显示缺陷存在,这种方法称为渗透探伤.6.渗透探伤的优点和局限性是什么"答:渗透检验的优点是设备和操作简单,缺陷显示直观,容易判断,局限性是只能检查非多孔性材料的外表开口缺陷,应用*围较窄.7.就磁粉与渗透两种探伤方法而言,其各自的优点是什么"答:磁粉探伤的优点是:①对铁磁性材料检测灵敏度高,②无毒害,③可检查铁磁性材料近外表(不开口)缺陷,④操作简单,效率高.渗透探伤的优点是:①检查对象不受材质限制,②不受缺陷方向影响,③不受被检工件几何形状影响,④设备简单8.简述渗透探伤的适用*围以及常用的渗透探伤方法的分类答:渗透探伤适用于钢铁材料,有色金属材料和陶瓷,塑料,玻璃等非金属材料的外表开口缺陷的检查,尤其是外表细微裂纹的探伤,但不适用于多孔性材料的探伤.常用的渗透探伤方法分类:着色法--水洗型,后乳化型和溶剂清洗型着色渗透探伤,荧光法--水洗型,后乳化型和溶剂清洗型荧光渗透探伤.9.简述涡流检测原理?答:涡流检测是以电磁感应原理为根底的。