创卫检查记录表格模板
- 格式:docx
- 大小:17.16 KB
- 文档页数:5
小区卫生检查记录表模板
一、基本信息
•小区名称:
•检查日期:
•检查人员:
•记录人:
二、环境卫生
1. 小区内道路、楼道、楼梯、电梯和公共设施的卫生情况
•清洁情况:
•有无污损:
2. 小区内绿化带、花坛、草坪等的卫生情况
•清洁情况:
•有无垃圾、干枯枝叶:
三、垃圾处理
1. 垃圾箱、垃圾房内外卫生情况
•清洁情况:
•有无异味、渗漏情况:
2. 垃圾分类情况
•是否按要求分类投放:
•分类是否正确:
四、病媒生物防治
1. 小区内蚊蝇等病媒生物防治情况
•防治措施是否到位:
•有无蚊蝇等病媒生物孳生情况:
五、其他卫生情况
1. 公共区域卫生设施情况
•卫生间、洗手间卫生情况:
•有无损坏或异味:
2. 小区入口、出口卫生情况
•清洁是否及时:
•有无异味或污染:
六、问题整改情况
•存在的问题:
•整改措施:
•整改时限:
七、备注
•其他需要记录的信息:
以上记录表由检查人员认真填写,记录人员核实无误后生效。
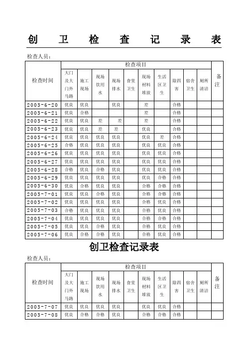
创卫检查记录表检查人员:检查时间检查项目备注大门及大门外马路施工现场现场饮用水现场排水食堂卫生现场材料堆放生活区卫生除四害宿舍卫生厕所清洁2005-6-20优良优良优良差合格2005-6-21优良合格差合格2005-6-22优良优良差差差合格2005-6-23优良优良差差优良合格2005-6-24优良优良优良优良优良差合格2005-6-25合格优良优良优良优良优良合格2005-6-26优良优良优良优良优良优良合格2005-6-27优良优良优良优良优良优良合格2005-6-28合格优良合格优良优良优良合格2005-6-29优良优良优良优良优良合格合格2005-6-30优良合格优良优良合格合格合格2005-7-01优良优良合格优良合格合格合格2005-7-02优良优良优良优良合格优良合格2005-7-03合格优良优良优良合格优良合格2005-7-04优良优良优良优良合格合格合格2005-7-05优良优良合格优良合格优良合格2005-7-06优良合格合格优良合格优良合格创卫检查记录表检查人员:检查时间检查项目备注大门及大门外马路施工现场现场饮用水现场排水食堂卫生现场材料堆放生活区卫生除四害宿舍卫生厕所清洁2005-7-07优良优良优良优良优良优良合格2005-7-08优良合格合格优良合格合格合格2005-7-09优良优良合格优良合格优良合格2005-7-10优良优良合格优良合格合格合格2005-7-11优良优良优良优良合格优良合格2005-7-12合格优良优良优良优良优良合格2005-7-13优良优良优良优良优良优良合格2005-7-14优良优良合格优良合格优良合格2005-7-15优良优良合格优良合格合格合格2005-7-16优良优良优良优良合格优良合格2005-7-17合格优良优良优良优良优良合格2005-7-18优良优良合格优良合格合格合格2005-7-19优良优良优良优良合格优良合格2005-7-20合格优良优良优良优良优良合格合格2005-7-21优良优良优良优良优良优良合格优良优良2005-7-19优良优良优良优良合格优良合格优良优良2005-7-20合格优良优良优良优良优良合格优良优良创卫检查记录表检查人员:检查时间检查项目备注大门及大门外马路施工现场现场饮用水现场排水食堂卫生现场材料堆放生活区卫生除四害宿舍卫生厕所清洁2005-7-21优良优良优良优良优良优良合格合格2005-7-22优良合格合格优良合格合格合格合格2005-7-23优良优良合格优良合格优良合格优良2005-7-24优良优良合格优良合格合格合格合格2005-7-25优良优良优良优良合格优良合格合格2005-7-26合格优良优良优良优良优良合格合格2005-7-27优良优良优良优良优良优良合格合格2005-7-28优良优良优良优良优良优良合格优良2005-7-29优良合格合格优良合格合格合格合格2005-7-30优良优良合格优良合格优良合格合格2005-7-31优良优良合格优良合格合格合格合格2005-8-01优良优良优良优良合格优良合格合格2005-8-02合格优良优良优良优良优良合格合格2005-8-03优良优良优良优良优良优良合格合格2005-8-04优良优良优良优良优良优良合格优良2005-8-05优良优良合格优良合格优良合格合格2005-8-06优良优良合格优良合格合格合格合格创卫检查记录表检查人员:检查日期:检查时间检查项目备注大门及大门外马路施工现场生活用水现场文明食堂卫生现场材料堆放生活区卫生除四害宿舍卫生厕所清洁创卫检查记录表检查人员:检查时间检查项目备注大门及大门外马路施工现场现场饮用水现场排水食堂卫生现场材料堆放生活区卫生除四害宿舍卫生厕所清洁2005-8-21优良优良优良优良优良优良合格合格2005-8-22优良合格合格优良合格合格合格合格2005-8-23优良优良优良优良优良优良合格合格2005-8-24优良合格合格优良合格合格合格合格2005-8-25优良优良合格优良合格优良合格优良2005-8-26优良优良合格优良合格合格合格合格2005-8-27优良优良优良优良合格优良合格合格2005-8-28合格优良优良优良优良优良合格合格2005-8-29优良优良优良优良优良优良合格合格2005-8-30优良优良优良优良优良优良合格优良2005-8-31优良合格合格优良合格合格合格合格2005-9-01优良优良合格优良合格优良合格合格2005-9-02优良优良优良优良优良优良合格合格2005-9-03优良优良优良优良优良优良合格优良2005-9-04优良优良合格优良合格优良合格合格2005-9-05优良优良合格优良合格合格合格合格2005-9-06优良合格合格优良合格合格合格合格创卫检查记录表检查人员:检查时间检查项目备注大门及大门外马路施工现场现场饮用水现场排水食堂卫生现场材料堆放生活区卫生除四害宿舍卫生厕所清洁2005-9-07合格优良优良优良优良优良合格合格2005-9-08优良合格合格优良合格合格合格合格2005-9-10优良优良优良优良优良优良合格合格2005-9-11优良合格合格优良合格合格合格合格2005-9-12优良优良合格优良优良优良合格合格2005-9-13优良优良合格优良优良合格合格合格2005-9-14优良合格优良优良合格优良合格合格2005-9-15合格优良合格优良优良优良合格合格2005-9-16优良优良优良优良优良优良合格合格2005-9-17优良优良优良优良优良优良合格合格2005-9-18优良合格合格优良合格合格合格合格2005-9-19优良优良合格优良合格优良合格合格2005-9-20优良合格优良优良优良优良合格合格2005-9-21优良优良优良优良优良优良合格合格2005-9-22优良优良合格优良合格优良合格合格2005-9-23优良优良优良优良合格合格合格合格2005-9-24优良合格优良优良合格合格合格合格创卫检查记录表检查人员:检查时间检查项目备注大门及大门外马路施工现场现场饮用水现场排水食堂卫生现场材料堆放生活区卫生除四害宿舍卫生厕所清洁2005-9-25优良优良优良优良优良优良合格合格2005-9-26优良合格合格优良合格合格合格合格2005-9-27优良优良合格优良合格优良合格优良2005-9-28优良优良合格优良合格合格合格合格2005-9-29优良优良优良优良合格优良合格合格2005-9-30合格优良优良优良优良优良合格合格2005-10-01优良优良优良优良优良优良合格合格2005-10-02优良优良优良优良优良优良合格优良2005-10-03优良合格合格优良合格合格合格合格2005-10-04优良优良合格优良合格优良合格合格2005-10-05优良优良合格优良合格合格合格合格2005-10-06优良优良优良优良合格优良合格合格2005-10-07合格优良优良优良优良优良合格合格2005-10-08优良优良优良优良优良优良合格合格2005-10-09优良优良优良优良优良优良合格优良。
卫生检查记录表模板检查日期:XXXX年XX月XX日
检查人员:XXX
检查地点:[XXXXX]
以下是我对[XXXXX]的卫生检查记录:
项目标准要求检查结果是否达标
————
地面清洁无垃圾、无污渍
墙面清洁无污渍、无灰尘
窗户清洁无灰尘、透明度良好
卫生间清洁无异味、无污渍、设施完好
垃圾桶清洁无溢出、表面干净
照明设施工作正常、无灰尘
通风设备工作正常、无灰尘
备注:
1. 检查结果为“是”表示该项目达标,“否”表示未达标。
2. 请在对应检查结果栏内填写“是”或“否”。
3. 若发现未达标情况,请在备注栏内注明具体情况。