网带炉产品生产工艺规范
- 格式:doc
- 大小:95.50 KB
- 文档页数:13
QHL-125-12Q网带式保护气氛钎焊炉技术方案书日期:2010年11月17日1、设备主要用途及特点:网带式保护气氛光亮钎焊炉(以下简称网带炉)该炉适用于:航空、电子、家电、汽车行业各种零件在保护气氛中光亮退火或光亮钎焊处理。
该炉最大特点:适用大批量生产,能确保零件品质一致和重复性。
有性能优越、安全可靠、操作简便、节能等优点。
一、有关技术参数:1.额定温度: 1150℃2.工作温度750-1050℃3.钎焊炉膛工作空间: 长4000×宽375×高200mm4.加热功率: 125KW5.控制温区: 3区6.控制方式: 可控硅控制+PID调节7.网带变频传动电机: 1.5KW8.传动速度: 变频调速50-500mm/min9.冷却方式: 7.5M水套冷却10.氨分解保护气体: 20M3/h(3H2+N2混合气),露点≤-60℃氨分解炉加热用功率: 25KW11.安全扫炉气体: 2-4瓶工业普氮(纯度99.5%)12.马弗材料: 10mmSUS310S(南非进口板)13.网带材料: SUS314S/350mm宽(日本进口丝)14.生产线总用电功率: 380V(三相四线制) ≤90KW15.高温加热元件: 0Cr27A17Mo2电阻丝16.冷却水: >5M3/h循环水水温≤28℃17.液氨消耗: 6-8㎏/h18.氮气消耗:1-2瓶/炉19. 钎焊工装料架(特殊焊接时需要辅助支架) 用户自备20.设备总占地:长16000×宽1650×高2000mm21.设备总供电: ∽380V(3相4线) 150KW二、生产线结构具体要求:网带炉由:进料前室、加热炉体、水冷却套、网带传动机构、电器控制柜、氨(NH3)分解保护气供给装置等组成。
炉体:外壳由4-10mmA3普碳钢板和8#型钢焊接而成,水套分别由内壁4mm不锈钢板和外套3mmA3板密封焊接制造。
炉衬:炉底采用高铝砖砌成,炉子顶部采用吊顶式全纤维结构,保温层厚度≥400mm,加热元件:材质:0Cr27Al7Mo2,炉体长度方向分多支炉膛上下布置,以螺旋状搁放于刚玉套管上,拆装方便可不停炉更换。
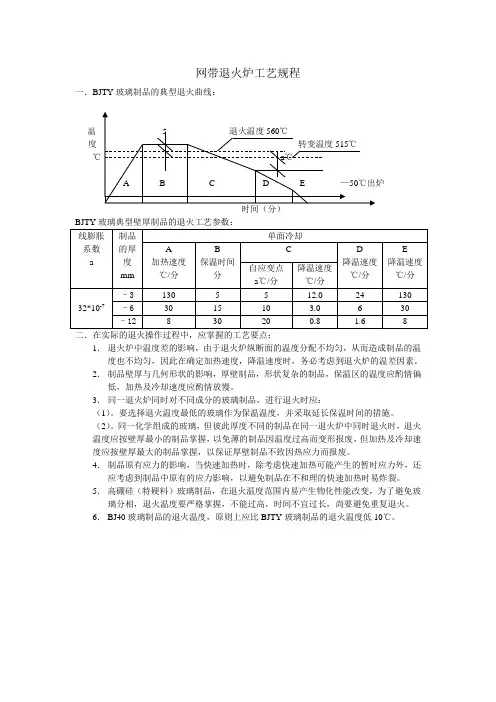
网带退火炉工艺规程
一.BJTY 玻璃制品的典型退火曲线:
温 度 ℃
1. 退火炉中温度差的影响,由于退火炉纵断面的温度分配不均匀,从而造成制品的温
度也不均匀,因此在确定加热速度,降温速度时,务必考虑到退火炉的温差因素。
2. 制品壁厚与几何形状的影响,厚壁制品,形状复杂的制品,保温区的温度应酌情偏低,加热及冷却速度应酌情放慢。
3. 同一退火炉同时对不同成分的玻璃制品,进行退火时应:
(1)。
要选择退火温度最低的玻璃作为保温温度,并采取延长保温时间的措施。
(2)。
同一化学组成的玻璃,但彼此厚度不同的制品在同一退火炉中同时退火时,退火温度应按壁厚最小的制品掌握,以免薄的制品因温度过高而变形报废,但加热及冷却速度应按壁厚最大的制品掌握,以保证厚壁制品不致因热应力而报废。
4. 制品原有应力的影响,当快速加热时,除考虑快速加热可能产生的暂时应力外,还应考虑到制品中原有的应力影响,以避免制品在不和理的快速加热时易炸裂。
5. 高硼硅(特硬料)玻璃制品,在退火温度范围内易产生物化性能改变,为了避免玻璃分相,退火温度要严格掌握,不能过高,时间不宜过长,尚要避免重复退火。
6. BJ40玻璃制品的退火温度,原则上应比BJTY 玻璃制品的退火温度低10℃。
网带炉操作规程
《网带炉操作规程》
一、操作前准备
1. 确保网带炉的所有部件完好无损,没有任何松动或漏气现象。
2. 检查燃料、电力、水等供应系统是否正常。
3. 检查网带炉的控制系统是否能正常工作。
4. 做好安全防护工作,穿戴好必要的防护装备。
二、开机操作
1. 将网带炉所有的开关、阀门调至关闭位置。
2. 根据操作手册的要求,逐步启动网带炉的各部件,注意观察每个部件启动时是否有异常现象。
3. 确认网带炉各部件启动正常后,逐步调整相关参数,将网带炉的工作状态调整到所需状态。
三、生产操作
1. 在网带炉开始运行后,要定期检查燃料、水等供应系统的工作状态,确保供应系统正常。
2. 定期检查网带炉的燃烧情况,确保燃烧稳定且无异常。
如有异常,立即停止网带炉运行,并进行故障排查处理。
3. 定期检查网带炉内的温度、压力、湿度等参数,确保网带炉的工作状态符合要求。
四、关机操作
1. 在生产结束后,逐步将网带炉的各部件停止,并关闭相关开关、阀门。
2. 定期对网带炉的各部件进行检查和维护,确保网带炉的正常运行。
以上是关于网带炉操作规程的一些基本操作步骤,希望能够在操作过程中有所帮助。
在进行操作时一定要严格按照规程进行操作,确保网带炉的安全运行。
网带式电加热生产自动线技术要求一、产品工艺要求1、主要生产品种及规格:链条零件(链板、套筒、滚子、销轴等)、规格08A/B-48A/B;2、工艺方法:渗碳、碳氮共渗、调质;3、气氛控制:正常情况下碳势在0.4%-1.2%C之间可控;4、渗层范围:0.1-0.4mm;5、碳浓度分布:在有效渗层内,表面碳浓度不低于0.85%-1.05%C;6、渗层深度:在有效渗层处,以维氏硬度为检测标准,硬度应不低于HV550;7、淬硬层:有效淬硬层,以维氏硬度为检测标准,硬度应不低于HV450;二、设备概要及技术要求1、设备组成:该设备由上料机、加热炉、冷却槽、清洗机(网带式)、回火炉、温度及工艺控制系统、滴注系统及过程控制系统组成;2、气氛组成:采用甲醇作为载气,丙烷作为富化气,氨气(碳氮共渗);3、碳势控制范围及精度:范围0-1.5%C,精度:≤±0.05%C;;4、碳势控制区段:2区(段)控制;回火炉温度控制为可控硅控制。
三、加热炉1、加热炉规格:8000×800×120(mm)(长×宽×高);2、加热炉加热区(段):采用5区(段)控制,并设置超温显示及报警功能,风机数量:4台3、加热炉控制方法:采用PID连续控制方式及整套生产线工控机(控制及操作面板)集中控制,就地安装一台显示器;4、炉温控制精度及均匀性:炉温控制精度≤1度,炉温均匀性≤±5度(三点测温),炉壳表面温升≤60度(离发热件200mm以上);5、加热炉发热体:采用电热辐射管、辐射管外壳为无缝耐热钢管,材质;Cr25Ni20;6、记录仪采用横河川仪无纸记录仪(配带CF卡)6个通道(2台共12个通道),能连读记录半年以上;7、氧探头在保证精度的前提下,寿命不少于一年(探头在炉膛内长度100-150mm),炉膛(保温层)使用周期不少于5年,辐射管寿命2年,托辊5年;四、油槽及清洗机1、淬火油槽尺寸:4000×2000×2200(mm)(长×宽×高);2、淬火油(水)槽应具有搅拌、冷却、加热装置;3、油/水槽冷却采用风冷+水冷方式,油温≯60度,水温≯40度;4、油槽及清洗机网带及传动链条均采用不锈钢制造(包括螺丝、螺母等);5、清洗机采用双槽(二道清洗),即浸洗+漂洗(清水喷淋),其喷水孔直径φ5-φ6(mm),清洗后回火应无油烟产生;五、1、淬火介质为水,则不需要清洗机(水槽提升后直接回火);2、生产线配置无特殊要求情况下,均按投标书及技术协议要求执行并验收;以上为网带生产自动线主要技术要求,未尽事宜将在技术协议书中说明。
网带炉安全操作规程范本第一章总则第一条根据《中华人民共和国安全生产法》等法律法规的规定,为保障网带炉操作人员的生命财产安全,规范网带炉的安全操作,制定本规程。
第二条本规程适用于所有使用网带炉的企事业单位及个人。
第三条网带炉操作人员必须熟悉本规程,按照本规程进行操作。
第四条所有操作人员必须经过网带炉操作培训,取得相应的操作证书后方可上岗操作。
第五条网带炉的操作人员必须按照本规程的要求,严格执行相关的安全操作措施,保障操作的安全性。
第二章网带炉的基本要求第六条网带炉的型号、规格必须符合国家标准的要求。
第七条网带炉必须具备完善的安全保护装置,如过热、过载等保护装置。
第八条网带炉的操作人员必须保证设备的正常运行,及时处理设备故障。
第九条网带炉的操作人员必须定期进行设备的维护保养工作,保证设备的正常运行。
第十条网带炉的操作人员必须定期检查维修电气设备,并及时处理设备故障。
第三章网带炉的安全操作第十一条操作人员必须正确使用网带炉的工作操作程序,不得随意改变操作程序。
第十二条操作人员必须在了解炉温、炉压、炉气的情况下进行操作,严禁漫无目的的调试操作。
第十三条操作人员必须提前准备好所需的物料,避免临时补料等情况发生。
第十四条操作人员在启动网带炉前必须检查设备的正常运行,确保所有的连接处接触良好。
第十五条操作人员操作时必须戴好防护用具,如耐高温手套、防护面罩等。
第十六条操作人员必须对网带炉进行定期的清洁,保持炉体内部的清洁。
第十七条操作人员发现网带炉出现异常情况,必须立即停止操作,并向上级汇报。
第十八条操作人员下班前必须对网带炉进行关闭操作,并关闭相关设备的电源。
第四章网带炉的事故处理第十九条操作人员在发生事故时,必须第一时间采取紧急措施,保护好自己和周围的人员。
第二十条操作人员必须及时报警并通知上级领导。
第二十一条在事故处理过程中,必须按照相关规定进行现场保护和证据保护,并配合有关部门进行调查处理。
第二十二条对于造成人员伤亡的事故,必须及时组织救援,并按照相关程序进行处理。
网带炉安全操作规程一、前言为了确保工作顺利进行,维护员工安全,本公司制定了以下网带炉安全操作规程,供工作人员参考、遵守。
二、网带炉的基本情况网带炉属于高温设备,是一种用于熔化金属、陶瓷等器材的设备。
网带炉通过加热和熔化重要的物质,达到高级的工业制造流程。
该设备是企业及行业不可或缺的设备之一。
三、安全操作规程1. 熔炼材料的选择在选择熔炼材料时,应考虑其化学性质、热稳定性、熔点和熔化热。
应按照炉子的承受能力和使用需求选择合适的熔炼材料。
当选择熔炼材料时,应注意以下几个方面:1.避免选用具有强化学反应的材料;2.避免选择挥发性较大的材料;3.避免杂质过多、影响熔炼过程的材料。
2. 熔炼前的准备工作在进行熔炼前,应对电机、电缆、控制柜、电器、传感器等设备进行检测和清洁。
特别地,需要注意以下几个方面:1.在操作之前应检查加热系统是否正常,检查电线电缆是否损坏,检查电气控制部件是否存在过热现象;2.检查管道连接是否紧固;3.检查送水管道是否开启。
3. 熔炼操作在进行熔炼操作时,应注意以下几个方面:1.不得在炉膛内生火或直接往炉内注入燃料;2.避免使用金属或铁质工具进入炉内;3.在加热过程中,应注意控制温度和加热速度;4.避免在炉子压力大的情况下继续加热。
4. 熔炼后的清理在熔炼完成后,应注意以下几个方面:1.通风变换室内空气后再离开机房;2.熔炉的膛内残留物应加以清理;3.切勿直接用双手接触熔膏;4.启动熔脱槽自动卸载,将废钢卸掉;5.将炉体清洁干净。
四、安全注意事项1.未经允许不得私自调整或更改电气或机械设备;2.不得在没有人员看护的情况下停放过重的物品;3.禁止在炉内储存易燃、易爆物品;4.在正常操作的情况下,当发现炉子产生的异常声音、异味或温度等不正常情况时,应立即停机检查,确定故障原因并及时处理;5.使用后应切断电源。
五、结论本公司网带炉安全操作规程遵从“安全第一”的原则,全面、周密地考虑了安全工作中可能出现的风险及应对方法,将人机系统有机结合,让人在把握科学与文明的基础上,有序、高效地完成相关炉冶工作。
网带炉技术设计方案网带炉是一种高温加热设备,主要用于工业生产中的热处理、烘干和焙烧等工艺过程。
下面是一个基本的网带炉技术设计方案:1. 设备选型:根据生产工艺和产品要求,选择适合的网带炉型号和规格。
考虑到炉膛尺寸、最高温度、加热功率等方面的要求。
2. 控制系统设计:设计与网带炉配套的控制系统,常见的控制方式包括温度控制、速度控制、气氛控制等。
可以选择PID控制,PLC 控制或者电脑控制,以实现对温度、速度和气氛的精确控制。
3. 加热方式选择:常见的网带炉加热方式有电阻加热、辐射加热和对流加热等。
根据产品的特性和加热要求,选择合适的加热方式。
4. 炉膛设计:根据产品的尺寸和加热要求,设计合适的炉膛结构。
考虑到炉膛的材料选择、隔热层设计、加热器布置和网带运行方式等。
5. 传送带系统设计:选择合适的传送带材料和结构,确保传送带运行平稳、稳定和可靠。
6. 安全系统设计:设计火焰监控、温度监控、气体检测等安全设备,确保网带炉操作安全可靠。
7. 能源消耗优化:优化设计,提高能源利用率,减少排放,对于炉温控制和气氛控制等方面进行优化。
8. 自动化控制设计:考虑到生产效率和产品质量,设计自动化控制系统,实现自动开关机、自动调温等功能。
9. 定期维护与保养:定期对网带炉进行维护和保养,检查设备的工作状态和关键部件的磨损情况,及时更换和修理。
综上所述,网带炉技术设计方案涉及到设备选型、控制系统设计、加热方式选择、炉膛设计、传送带系统设计、安全系统设计、能源消耗优化、自动化控制设计和定期维护等多个方面。
根据具体的应用和需求,可以进行相应的设计和调整。
网带炉操作规程一.开炉前的准备工作1.打开淬火炉密封水斗的进水阀门,给水斗充水至液面刚溢出为止,然后调节好进水量,随时封住密封口,以防止空气进入炉内。
2.检查淬火槽内液面与水封的高度,使液面起到炉内与外界的密封作用,防止空气进入炉内。
3.检查各种气源是否正常,管路是否畅通,以保证正常工作需要。
4.检查风机冷却水管是否流畅,以保证风机的正常运转。
5.检查电源线路是否正常,以保证炉内的正常升温。
6.检查传动及提升是否发生卡死现象。
二.升温1.将空气开关闭合送电。
2.依次打开各区回路控制开关。
3.观察各区线电流是否平衡,如有误差,应检查好再送电。
4.当炉温升至600℃时,打开网带运行旋钮,按工艺要求调节网带运行速度,同时打开风机运行旋钮,并使冷却系统使其工作。
5.当炉温升至760℃时根据工艺需要允许向炉内送保护气氛,所有量的大小不得超过60ml/min的范围。
6.炉温升到工作温度,炉口火帘形成,即可投件试产。
三.投料1.炉温达到工作条件时,可将工件均匀放在网带上,使网带将工件送入炉内,生产时必须严格控制运载负荷,严禁超负荷工作,以保证工件的质量及设备的使用寿命。
2.投料同时,一定要打开循环泵使冷却水均匀循环,并开启搅拌装置和淬火槽网带运行旋钮。
3.当设备正常运行工作时,严禁工作人员脱岗,应该常对设备的工作状态进行检查,如有异常,应立即停机检修,减少损失。
四.关炉1.首先关闭气源阀门及流量计等。
2.按升温的相反顺序关闭其它运行设备。
3.当炉温降至400℃时,可关闭“控制回路”开关及断开空气开关。
五.安全技术要求1.当炉内温度低于760℃时不允许向炉内送入甲醇。
2.要随时封住淬火炉密封水斗(炉前下方的三角形水斗),防止产生漏气而引起炉口喷火,造成人身安全事故。
3.甲醇罐附近严禁明火,绝不允许当酒钦用,经常检查漏气、漏液,不得使用明火,如有异常情况关闭甲醇罐总阀。
4.按工艺加料均匀,不准直接将工件倾倒在网带上或撞击网带。
网带炉操作细则及注意事项
网带炉操作细则及注意事项
一.开炉前应全面检查电器和传动机械,并做好各种运转部件的加油润滑工作。
二.淬火炉操作
1.当炉温升到300℃时,开动网带传动电机,使网带正常运转。
2.当炉温升到800℃时,方可向炉内滴注酒精赶气。
三.淬火油槽
1.在淬火炉升温同时,开启循环油泵,所有冷却水管,确保各部
位冷却水回路畅通。
2.淬火炉开始进料同时,要开启油槽的提升装置。
四.热清洗烘干机
1.清洗机传动装置应与淬火炉进料机构同时开启。
2.清洗水泵应在淬火炉升温同时开启。
3.在生产过程中,要适时补充清洗介质。
五.回火炉操作
1.根据要处理的产品性能,升温前应设定好回火温度。
2.在预计工件进入回火炉之前2小时开始升温。
先开动网带传动
装置和风扇,再开转换开关升温,同时调整好网速。
六.降温停炉
1.工件全部下入油槽冷却,即需关闭酒精滴注,关闭加热电源,
进行冷却。
2.炉温冷却至200℃以下,方可关闭网带传动。
3.当工件全部提完后,即可关闭淬火油槽提升网带,清洗;淬火
油槽循环泵等到淬火炉温低于300℃时才能关闭。
4.当回火炉工件出完后,即可关闭回火炉电源开关,停止工作。
1.目的:为保证托辊型网带炉生产线安全、可靠、稳定地生产出合格的产品,特制定本规定。
2.适用范围:适用于托辊型网带炉生产线的操作作业。
3.规范内容3.1.设备启动操作程序3.1.1.打开所有冷却水开关,供应冷却水。
3.1.2.打开淬火炉、回火炉天然气阀门,并检查压力。
3.1.3.检查天然气管道是否漏气。
3.1.4.打开主电源开关及依次打开燃烧控制柜、动力控制柜各分路电源开关并打开燃烧控制柜门板上的电源旋钮开关。
3.1.5.分别按下淬火炉、回火炉启动燃烧按钮。
3.1.6.检查各点火装置状态,如有未点燃之点火装置,将仪表设为手动(输出设为50%),并启动该区重点火按钮,正常燃烧后恢复为自动控制状态。
3.1.7.设定温度控制表于所需温度。
3.1.8.当炉内温度达到400℃时,启动:1)热风循环搅拌风扇按钮开关,检查各个马达转动方向(顺时针);2)网带传动开关,并观察网带是否有跑偏现象。
3.1.9.当淬火炉温度达到600℃时,启动:1)油槽循环泵开关,将油温设定在零件所需的工艺温度范围内;2)清洗槽循环泵浦开关。
3.1.10.当淬火炉温度达到800℃时,1)关闭排气马达及阀门;2)将甲醇阀门依次打开(先打开第4、5个阀门,然后每隔10分钟依次打开第3、2、1个阀门)。
甲醇流量计调整为2~4l/min或工艺所需流量。
3)当炉口有火焰时窜出15秒时,打开排气马达和阀门,待排气口有白烟冒出15秒后,点燃排气口排出的废气使之燃烧,并通过调节阀门使火焰高度在20~30厘米高度。
3.1.11.将温度设定在工艺所需温度;3.1.12.开始进行生产并启动生产线其余各部分按钮开关。
3.2.停炉操作3.2.1.确定炉内工件全部淬火、回火完毕,生产线各部分没有零件;3.2.2.当淬火炉降温到800℃前必须先将通入淬火炉内的甲醇、丙烷等气氛阀门全部关闭;3.2.3.油槽关闭吹干风机和输送网带;清洗机停止油水分离器、输送带,发黑槽停止输送网带;3.2.4.关闭淬火炉、回火炉前的天然气阀门开关;3.2.5.分别启动淬火炉停止燃烧、回火炉停止燃烧按钮;3.2.6.当淬火炉温度降到600℃后,可关闭清洗机的循环泵;3.2.7.当淬火炉、回火炉温度降到400℃后,可停止热风循环风机按钮、网带传动开关;3.2.8.当淬火炉温度降到100℃后,停止油槽循环泵开关、冷却水总开关。
2019年 第3期 热加工10网带炉热处理生产线产品质量控制■ 孙钦贺摘要:根据网带炉热处理生产线具有自动化程度高、产品质量稳定等特点,在生产过程中可能会出现混料、漏工序、仪表指示温度、碳势等指标与实际不符,甚至相差较大等问题。
有针对性地采取相应的措施,如设置残留点,利用对残留点的控制,防止混料、漏工序的发生,定期测试炉温、碳势以及淬火介质冷却曲线等,制定紧急情况处理程序,及时发现处理生产过程中出现的问题,确保网带炉热处理生产线产品质量稳定可靠。
关键词:网带炉;热处理生产线;质量控制;处理程序网带炉热处理生产线主要由加热炉(包括淬火炉、回火炉)、冷却系统(淬火油槽、冷却风机)、清洗机(包括热清洗机、冷清洗机)、传动系统、气氛系统和控制系统等组成,其具有良好的维修性,可以方便地更换损坏的零件和机构;同时,加热元件、网带、热电偶、氧探头、风扇等也容易更换。
为适应生产线连续生产的特点,同时采用计算机控制系统及管理系统的网带炉热处理生产线,一般都具有设备故障自诊断功能。
正因为网带炉生产线具有上述优点,被据,排除人为因素,后期分析识别异常波动、无效操作,优化、改进操作过程,告别粗放管理,注重过程细节,持续改进。
铸造行业云平台组成示例四、结语中频感应电炉在熔炼铸铁过程中发挥着巨大作用,随着智能制造的到来,铸造行业既有危机,也有机遇。
铸造企业应迎难而上,根据自身状况,开展相应的智能化铸造系统规划并实施。
铸造云平台作为公众资源,为整个智能铸造系统运行提供了坚实的基础。
专家团队通过强大的网络,可以实现跨地域技术管理与监督,实现智力的共享。
智能制造创新的引入,给铸造行业带来了机会,为铸造企业的发展注入了强劲动力。
参考文献:[1] 章舟,童军. 铸造感应电炉使20190126用指导[M].北京:化学工业出版社,2014.[2] 郝石坚,宋绪丁.球墨铸铁[M ].北京:化学工业出版社,2015[3] 乌尔里希·森德勒.工业4.0:即将来袭的第四次工业革命[M].邓敏,译北京:机械工业出版社,2014.作者简介:杨涛、郭毅、孙永功、李向辉,中国重汽集团济南铸锻中心。
网带炉的工艺流程下载温馨提示:该文档是我店铺精心编制而成,希望大家下载以后,能够帮助大家解决实际的问题。
文档下载后可定制随意修改,请根据实际需要进行相应的调整和使用,谢谢!并且,本店铺为大家提供各种各样类型的实用资料,如教育随笔、日记赏析、句子摘抄、古诗大全、经典美文、话题作文、工作总结、词语解析、文案摘录、其他资料等等,如想了解不同资料格式和写法,敬请关注!Download tips: This document is carefully compiled by theeditor. I hope that after you download them,they can help yousolve practical problems. The document can be customized andmodified after downloading,please adjust and use it according toactual needs, thank you!In addition, our shop provides you with various types ofpractical materials,such as educational essays, diaryappreciation,sentence excerpts,ancient poems,classic articles,topic composition,work summary,word parsing,copy excerpts,other materials and so on,want to know different data formats andwriting methods,please pay attention!网带炉的工艺流程网带炉是一种用于热处理、烘干、烧结等工艺的热处理设备,具有高效节能、自动化程度高等优点。
托辊网带式控温冷却热处置生产线技术方案湖北十堰华丽炉业二0一二年四月托辊网带炉控温冷却生产线技术方案一.大体要求:1.工件名称:曲轴件锻造后余热利用热处置生产线2.工件尺寸: 最大工件长:450mm; 直径:42mm; 重量:15kg3.工作区尺寸:快冷部份: 网带宽720mm; 控温区长:5000mm;缓冷部份: 网带宽720mm; 加热区长:10000mm;低温快冷部份: 网带宽720mm; 加热区长:8000mm;4.热处置要求:正火,热处置后表面光洁, 硬度均匀, 金相组织符合国家行业标准。
二.设备组成:本生产线要紧由托辊网带式正火炉、网带式回火炉、前后工作台等部份组合。
1.正火炉快冷段网带运行采纳托辊同步传动, 使网带运行经受最小张力, 提高利用寿命; 网带运行持续均匀, 与中断进给的传动相较, 排除网带返退缺点和工作通过落料口因时刻不同而引发硬度不均匀的现象。
1.炉顶部装有强力循环风机, 确保炉膛内温度和气氛均匀达到快速均勻冷却效杲。
2.生产线具有完整靠得住的电气自控、平安连锁和报警等功能。
生产线也可单机手动操纵,便于调试和保护。
二.设备要紧技术参:1.托辊网带式正火加热炉:(1)电源内客:3N 380V 50Hz(2)额定加热功率:100kw(3)有效快冷区尺寸:720x5000x100mm(宽x长x高)有效缓冷区尺寸:10000mm(4)最大生产率:3000kg/h(5)控温区数:4区+4区(6)控温元件: 希曼顿产功率模块(固态继电器), 特点:4-20mA输入, 具有过热, 缺相, 过流爱惜, 报警功能。
自动调功。
温控仪表: 日本导电, 具有PID自整定,具有超温断偶爱惜、报警等功能。
(7)控温精度:≤1℃(8)炉温均匀度: ≤±3℃(同一区段)(9)网带传动速度:30∽160mm/min(可调)(10)循环风机: 4台炉温均匀性好, 配有冷却水套。
风扇叶、轴的材质均为ZGCr25NI20Si2(11)缓冷区循环风机: 4台炉温均匀性好。
19-WI-01网带炉工艺调试规程
1 目的
本规程规定了网带炉的工艺调试规程。
2 适用范围
本规程适宜于轴承零件热处理网带炉。
3 职责
热处理操作工负责调试工作。
4 术语(无)
5 过程及要求
▲5.1 气氛,炉温到800℃后,氮气流量为2.75立方米/小时;甲醇流量为2500毫升/小时;丙烷流量为1~1.5升/分钟。
5.2碳势,淬回火温度,淬火油温度,搅拌机速度按工艺卡片上要求的设定。
5.3 装料方式,按工艺卡片的规定。
5.4 加热时间,根据工艺卡片规定值,在触摸屏上分别设定淬火加热时间和回火加热时间;
5.5质量检验,按19-P-01《热处理车间质量控制程序》的规定执行。
6 相关记录(无)
7 参照文件
19-P-01 《热处理车间质量控制程序》。
网带炉安全操作规程标准范本操作规程编号:LX-FS-A96572 网带炉安全操作规程标准范本In The Daily Work Environment, The Operation Standards Are Restricted, And Relevant Personnel Are Required To Abide By The Corresponding Procedures And Codes Of Conduct, So That The Overall BehaviorCan Reach The Specified Standards编写:_________________________审批:_________________________时间:________年_____月_____日A4打印/ 新修订/ 完整/ 内容可编辑网带炉安全操作规程标准范本使用说明:本操作规程资料适用于日常工作环境中对既定操作标准、规范进行约束,并要求相关人员共同遵守对应的办事规程与行动准则,使整体行为或活动达到或超越规定的标准。
资料内容可按真实状况进行条款调整,套用时请仔细阅读。
网带炉安全操作规程(一)开机1、严格遵守电脑程序操作开机运行,分别开启主加热电源(一、二、三、四区加热开关),保持持续升温时间6小时。
既:150度保温1小时,300度保温1小时,450度保温1小时,550度保温1小时,700度保温半小时,800度保温半小时,800度以上每升50度保温半小时。
2、淬火炉炉温达到200度以上时,即应开启炉口冷却水(考虑节约用水,只要有少量流动,出水70度即可)3、淬火炉炉温达到300度以上时开启网带运转。
4、淬火炉炉温达到500度时开启水循环泵,保持出炉口水封槽水帘冷却。
5、淬火炉炉温达到800度时,需供给甲醇,向炉内提供保护气体(注意点燃情况,防止炉内爆炸),调节好流量剂的流量。
根据工艺要求调整网带运行频率。
网带炉热处理工艺规范
网带炉热处理工艺规范
1 适用范围
本标准规定了GCr15、GCr15SiMn、65Mn等钢制轴承零件的淬回火及SPCC、St14、SCM415、20#、10#、08F、20CrMo、20Cr、15CrMo等低碳钢制轴承零件的渗碳淬回火工艺规范。
本标准适用于上述钢制轴承零件的热处理。
2引用标准
下列标准所包含的条文,通过在本标准中引用而构成为本标准的条文。
所引用标准的最新版本适用于本标准。
GB/T338-1992 工业甲醇
SHO553-1993 工业丙烷
GB/T536-1998 液氨
3 要求
3.1 进入托辊炉内的各类零件应清洁、干燥(即无锈、无水、无油、及其它污物、杂物)。
3.2 GCr15钢制套圈和滚针(子)淬火后硬度不小于HRC63,GCr15SiMn钢制套圈和滚针(子)淬火后硬度不小于HRC62;回火后硬度应符合产品图要求;
3.3 65Mn钢制推力垫片淬火后硬度不小于HRC62;回火后硬度应符合产品图要求;内径20mm以上的推力垫片,必须用专用夹具夹平整后回火。
3.4 低碳钢制轴承零件渗碳淬火后硬度应不小于HV700;回火后硬度应符合产品图要求。
4 工艺过程
4.1 准备工作
4.1.1 每周一生产作业前,用直流电子电位差计校验炉温;停炉或大修后开炉时必须校验。
4.1.2每周一生产作业前,检查炉顶甲醇汽化装置罐内是否需要添加52#汽缸油。
4.1.3 每半年清理炉膛一次。
4.1.4 每天每班检查下列项目:
4.1.4.1 四个区三相电流表读数是否平衡。
4.1.4.2 各电机运行是否正常。
4.1.4.3 链传动机构运行是否正常。
4.1.4.4 淬火油槽内油面高度是否合适(能封住落料口为合适)。
4.1.4.5 淬火油温度是否正常(正常使用温度80—100℃)
4.1.4.6 氧探头、碳控仪工作是否正常。
4.1.4.7 前、后循环风机冷却水供应是否正常。
4.1.4.8 甲醇滴管、丙烷滴管是否堵塞。
4.1.4.9 从各仪表至记录仪的通信是否畅通。
4.1.4.10 查看交班记录,了解上班次生产运转情况。
4.1.4.11 变频器工作是否正常。
4.2 温度设定
根据不同材料、不同的零件、不同的热处理方式,参照炉温校验记录,进行炉温设定(详见表1)
表1 网带炉温度设定
4.3 气氛流量(详见表2)
表2 通入网带炉炉内的气氛流量
注1.炉温低于750℃时,不得将甲醇、丙烷通入炉内。
注2.只有当工艺需要时才能通入氨气。
注3.淬火时,甲醇的通入量以火焰能有效封住炉口为最佳。
4.4 碳势设定:
4.4.1套圈滚针淬火时,碳势设定为0.08-1.00C%
4.4.2垫片淬火65Mo碳势设定为0.07-0.08C%
4.4.3 冲压圈渗碳时,碳势设定为1.05-1.35C%
4.4.4 保持架渗碳时,碳势设定为0.9—1.15C%
4.5 加热时间设定:
根据不同零件、不同的热处理要求调整加热时间。
4.5.1 套圈和滚动体加热时间(详见表3)
表3 套圈、滚动体淬火加热时间
4.5.2 65Mn钢制推力片加热时间(详见表4)
表4 65Mn钢制垫片淬火加热时间
4.5.3 低碳钢制冲压圈渗碳加热时间(详见表5)
表5 低碳钢制冲压圈渗碳加热时间
注:特殊产品,则按工艺卡来调整。
4.5.4 低碳钢制保持架加热时间(详见表6)
表6 低碳钢制保持架渗碳加热时间
4.6 清洗、烘干
被加工零件在网带炉连线清洗机、烘干机内清洗、烘干。
清洗剂采用金属清洗剂,防锈介质采用亚硝酸钠溶液,各班在生产时应根据清洗、防锈效果定时、定量添加介质。
4.7 回火
表8 一般淬火零件回火温度与回火时间
表9 渗碳淬火零件回火温度与回火时间
4.8.3 应定期检查套圈和滚子的回火稳定性。
5.淬火油
网带炉淬火油槽内系4#等温淬火油,不允许水、盐和其它杂物混入油槽内;
应定期对淬火油的性能进行分析、测试及调整(每季度送检一次)
6.检查与记录
6.1质量检查过程按热处理检验作业指导书进行。
6.2做好质量检查记录,以备查证和参考。
6.3由于突然停电、机械故障等原因导致工件在炉内停留时间超过了下限加热时间的1.5倍时,需隔离并作明显标识,加倍抽样检查,质量指标符合要求才能转入下道工序。
6.4当班调整工应严格执行工艺规范,并做好每一规格产品热处理时的各项工艺参数记录。
附录A
(资料性附录)
托辊网带炉主要工艺原料技术要求
A1. 甲醇(CH3OH)选用GB/T338-1992标准中的一级品
A1.1 含水量(H2O)≤0.08%
A1.2 游离酸(重量)≤0.003%
A1.3 游离碱(重量)≤0.001%
A2. 工业丙烷(C3H8)符合SHO553-1993标准
A2.1 纯度(C3H8)>98%
A2.2 含氧量(O2)<0.1%
A2.3 含二氧化碳量(CO2)<0.2%
A3. 液氨(NH3)选用GB/T536-1998标准中的一级品
A3.1 氨含量≥99.8%
A3.2 水分、油含量≤0.2%
A4. 扬名等温淬火油,使用标准:SH/T0220
A4.1 闪点(开口),℃≥220
A4.2 含水量无
A4.3 冷却性能(120℃)
A4.3.1 特性温度,℃>650
A4.3.2 最大冷速,℃/s >95
附录B
(资料性附录)
网带炉连线淬回火炉淬回火变频与淬回火时间关系曲线参见图
编制:审核:
Welcome To Download !!!
欢迎您的下载,资料仅供参考!。