094-安全防护设施检查表
- 格式:docx
- 大小:13.36 KB
- 文档页数:1
安全设施日常检查表设施所属部门:检查人员检查时间年月日序号检查项目检查内容及依据检查结果备注1预防事故设施检测、报警设施工艺装置火灾爆炸危险部位,设置超温、超压、报警(声、光)和安全连锁装置,确保完好在用2 可燃气体(蒸气)可能泄漏扩散处,设置可燃气体浓度检测、报警器,定期检测,工作正常3 地上立式储罐设液位计或高、低液位报警器,状态完好。
4 在有毒气体可能泄漏扩散处,应设置有毒气体检测报警,工作正常5 便携式检验检测设备、仪器完好,无缺失6 设备安全防护设施按要求设置防护罩、防护屏、防护栏等安全防护设施,不得随意拆除或弃用7 静电接地设施定期检测,且在有效期内;接地设施完好在用10防爆设施爆炸和火灾危险场所按要求设置相应级别和组别的防爆电气设备11 防爆区域现场设置防爆工具,无缺失12 作业场所防护设施作业场所设置相应的防辐射、防静电、防噪音、通风(除尘、排毒)、防护栏(网)、防滑、防灼烫等设施,运转或使用正常13 安全警示标志作业现场按要求设置包括各种指示、警示作业安全和逃生避难等警示标志,字迹清晰、无脱落14 作业现场按要求设置风向标和逃生避难设施,无损坏缺失15控制事故设施泄压止逆设施可能引起超压的设备设置安全阀,并按标准进行定压,定期校验16 甲、乙、丙类的设备,应有事故紧急排放设施,状态正常17 有突然超压或发生瞬时分解爆炸危险物料的反应设备设报警信号和泄压排放设施及自动或手动遥控的紧急切断进料设施18 按要求设置用于止逆阀门等设施,真空系统的密封设施,设施正常19 处理设施设置紧急停车、仪表联锁等设施,完好在用20减少与消除事故影响设施防止火灾蔓延设施按要求设置阻火器、安全水封、回火防止器、防油(火)堤,防爆墙、防爆门等隔爆设施,设施完好在用21 灭火设施按规定设置水喷淋、蒸气、泡沫释放、消火栓、水枪(炮)、、消防水管网等灭火设施,完好在用22 紧急个体处置设施有毒有害车间(岗位)、设置洗眼、喷淋等冲洗设施,并配备足够适用的急救药品和应急解毒、洗消药品、物品,完好在用23 应急救援设施按要求配置堵漏、工程抢险装备和现场受伤人员医疗抢救装备,完好在用24逃生避难设施建筑物的安全疏散门,应向外开启,其数量符合要求,完好在用25 通道、出入口和通向消防设施的道路应保持畅通26 设备的框架或平台的安全疏散通道布置合理,无堵塞27 疏散通道设置应急照明和疏散标志*公司人员定期开展检查和日常维护保养,检查频次每月不少于一次。
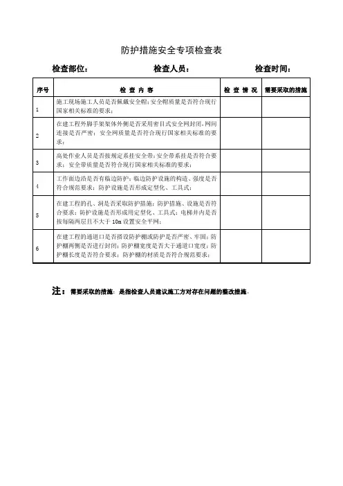
防护措施安全专项检查表
检查部位:检查人员:检查时间:
序号检查内容检查情况需要采取的措施
1施工现场施工人员是否佩戴安全帽;安全帽质量是否符合现行国家相关标准的要求;
2在建工程外脚手架架体外侧是否采用密目式安全网封闭,网间连接是否严密;安全网质量是否符合现行国家相关标准的要求;
3高处作业人员是否按规定系挂安全带;安全带系挂是否符合要求;安全带质量是否符合现行国家相关标准的要求;
4工作面边沿是否有临边防护;临边防护设施的构造、强度是否符合规范要求;防护设施是否形成定型化、工具式;
5在建工程的孔、洞是否采取防护措施;防护措施、设施是否符合要求;防护设施是否形成用定型化、工具式;电梯井内是否按每隔两层且不大于10m设置安全平网;
6
在建工程的通道口是否搭设防护棚或防护是否严密、牢固;防
护棚两侧是否进行封闭;防护棚宽度是否大于通道口宽度;防
护棚长度是否符合要求;防护棚的材质是否符合规范要求;
注:需要采取的措施:是指检查人员建议施工方对存在问题的整改措施。
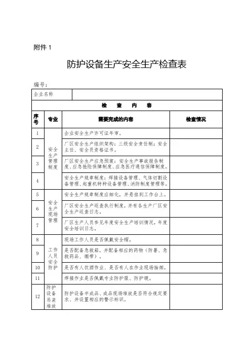
附件1防护设备生产安全生产检查表编号:企业名称检查内容序号专业需要完成的内容检查情况1安全生产管理制度企业安全生产许可证年审。
2 厂区安全生产组织架构:三级安全责任制;安全主任、安全员资格证书。
3 厂区安全生产应急预案:安全生产事故报告制度、应急抢险保障制度、应急医疗通信保障制度。
4 安全生产规章制度:焊接设备管理、气体切割设备管理、起重机特种设备管理、消防制度管理等。
5安全生产现场管理安全生产规章制度应细化,并悬挂到工作台上。
6 厂区安全生产巡查执行制度,并有各生产厂区安全生产巡查日志。
7 厂区生产人员参见年度安全生产培训情况,年度安全培训日志。
8工作人员安全防护现场工作人员是否佩戴安全帽。
9 是否配备急救箱,并配备相应的药物(防暑、急救药品、绷带)。
10 是否有人饮酒作业、是否有人在作业现场抽烟。
11 焊接作业是否佩戴专业防护服、防护镜。
12 防护设备吊装堆放防护设备半成品、成品现场堆放是否符合规定要求、并设置相应的警示标识。
序号专业需要完成的内容检查情况13 防护设备吊装堆放防护设备生产吊装过程中,是否有专业安全人员进行引导,协助保护。
14运输吊装特种设备特种设备操作人员,是否具备专业资格资质证书。
是否参加年度培训。
15 焊接设备、吊装设备是否经过检测、检验,起重机设备是否在检验合格期内。
16 焊接设备、吊装起重设备日常保养记录、保养日志是否齐全。
17易燃易爆物品管理现场焊接乙炔瓶、氧气瓶是否设有安全回火防止器,橡胶管连接处须用扎头固定。
18 现场焊接乙炔瓶、氧气瓶放置要稳固并间隔5米以上的距离。
19 厂区设置灭火器材是否符合规定要求,灭火器材是否在有效期内。
20电力设备管理厂区电缆、电线是否按要求架设,是否有电缆老化现象。
21 焊接设备按规定做好漏电保护措施,金属外壳做好接地或接零,进出线路应有完整的防护罩。
22 厂区电力电缆设备维修检查记录检查人员:检查时间:年月日- 3 -。
安全防护检查记录表1.检查概述本次安全防护检查旨在确保工作场所的安全,预防因安全问题导致的事故和伤害。
以下是针对工作场所安全进行的检查记录。
2.检查内容检查员:[检查员姓名]检查日期:[检查日期]工作场所名称:[工作场所名称]2.1 灭火器检查确认工作场所内的灭火器数量是否符合安全要求。
检查灭火器是否装配在易于接近的位置,并且标示醒目清晰。
检查灭火器是否过期,如果有过期的灭火器,需要及时更换。
2.2 紧急疏散通道检查检查紧急疏散通道是否畅通无阻。
检查通道上的安全标示是否完整清晰。
检查紧急疏散通道是否有杂物、电线等障碍物。
2.3 防护设施检查检查工作场所内的防护设施是否完好。
检查安全网、防护栏杆等设施是否牢固可靠。
检查防护设施使用是否符合操作规程。
3.检查结果3.1 灭火器检查结果灭火器数量符合要求:是 / 否灭火器位置合适且标示清晰:是 / 否灭火器是否过期:是 / 否3.2 紧急疏散通道检查结果紧急疏散通道畅通无阻:是 / 否安全标示完整清晰:是 / 否通道是否有障碍物:是 / 否3.3 防护设施检查结果防护设施完好:是 / 否安全网、防护栏杆是否牢固可靠:是 / 否防护设施使用符合操作规程:是 / 否4.备注备注信息]5.结论根据此次安全防护检查记录,工作场所的安全状况良好,并未发现严重的安全问题。
建议持续进行定期的安全检查和维护,确保工作场所的安全性。
该文档由 [检查员姓名] 于 [检查日期] 完成。
安全设施日常检查表
检查要求
1.消火栓外观是否完好,有无明显漏水或破旧状态。
2.消防手动报警器外观是否完好,巡检指导灯是否处于正常巡检状态(指导灯3秒左右闪烁一次为正常)。
3.灭火器压力表指针是否在绿色区域,有无缺失或破旧。
4.常闭防火门是否处于常闭状态(闭门器、顺序器的安全门都是常闭式防火门,需要保持在关闭状态)。
5.防火卷帘有无自动进行降落等故障,防火卷帘下方有无摆放物品。
6.疏散方向指导标识、安全出口标识是否常亮,有无被其他物品遮挡,有无发出报静音。
7.应急照明是否处于巡检状态,电力供应正常情形有无自动启用现象。
8.如正常在表格内“√”存在问题在表格内打“×”,把问题和在检查进程中发觉的安全隐患填写于下列表中,并注明采取的措施。