混凝土配合比表
- 格式:doc
- 大小:391.50 KB
- 文档页数:22
常用混凝土配合比参考表使用材料:325号水泥\碎石\中砂砼强度石子粒径坍落度每立方米混凝土材料用量(kg)水水泥砂石子C10 5~20 0~10 180 273 672 130510~30 189 286 681 126430~50 198 300 688 12245~40 0~10 165 250 672 136310~30 174 264 681 132130~50 184 279 688 1279C15 5~20 0~10 180 327 596 132710~30 189 344 604 128330~50 198 360 611 124150~70 208 378 617 11975~40 0~10 165 300 596 138910~30 175 318 604 134330~50 184 335 612 129950~70 194 353 618 1255C20 5~20 0~10 180 383 523 134410~30 190 404 530 129630~50 199 423 536 125250~70 209 445 541 120570~90 218 464 547 11675~40 0~10 165 351 522 141210~30 175 372 530 136330~50 184 391 538 131750~70 194 413 544 126970~90 203 432 550 1225使用材料:425号水泥\碎石\中砂砼强度石子粒径坍落度每立方米混凝土材料用量(kg)水水泥砂石子C10 5~20 0~10 180 231 747 127210~30 190 244 755 123130~50 200 256 762 11925~40 0~10 165 212 746 132710~30 175 224 755 128630~50 180 237 763 1246C15 5~20 0~10 180 273 672 130510~30 189 286 681 126430~50 199 302 687 122250~70 208 315 694 11835~40 0~10 165 250 672 136310~30 175 265 680 132030~50 184 279 688 127950~70 194 294 696 1236C20 5~20 0~10 180 316 600 133410~30 190 333 607 129030~50 199 349 614 124850~70 209 367 620 120470~90 218 382 627 11635~40 0~10 165 290 599 139610~30 175 307 607 135130~50 184 323 615 130850~70 194 340 622 126470~90 203 356 629 1222C25 5~20 0~10 180 367 546 133710~30 190 388 553 128930~50 199 406 560 124550~70 209 427 565 119970~90 218 445 570 11575~40 0~10 165 337 545 140310~30 175 357 553 135530~50 184 376 561 130950~70 194 396 567 126370~90 203 414 574 1219C30 5~20 0~10 180 409 479 136210~30 190 432 485 131330~50 199 452 493 126650~70 209 475 498 121870~90 218 495 503 11745~40 0~10 165 375 478 143210~30 175 398 485 138230~50 184 418 494 133450~70 194 441 500 128570~90 203 461 506 1240使用材料:525号水泥\碎石\中砂砼强度石子粒径坍落度每立方米混凝土材料用量(kg)水水泥砂石子C20 5~20 0~10 180 240 724 128610~30 190 253 731 124630~50 199 265 739 120750~70 209 279 746 11665~40 0~10 165 220 723 134210~30 175 233 232 130130~50 184 245 740 126150~70 194 259 748 121910~30 190 333 607 129030~50 199 349 614 124850~70 209 367 620 120470~90 218 383 627 11635~40 0~10 165 290 599 139610~30 175 307 607 135130~50 184 323 615 130850~70 194 340 622 126470~90 203 356 629 1222C30 5~20 0~10 180 353 550 134710~30 190 373 557 130030~50 199 390 565 125650~70 209 410 570 121170~90 218 427 576 11695~40 0~10 165 324 549 141210~30 175 343 557 136530~50 184 361 566 131950~70 194 380 572 127470~90 203 398 579 1230C35 5~20 0~10 181 385 503 136110~30 190 404 511 131530~50 200 426 517 126750~70 210 447 523 122070~90 219 466 529 11765~40 0~10 167 355 501 142710~30 176 374 510 138030~50 185 394 518 133350~70 195 415 525 128570~90 205 436 531 1238C40 5~20 0~10 180 419 476 135510~30 190 442 483 130530~50 199 463 489 125950~70 209 486 494 121170~90 218 507 500 11655~40 0~10 166 386 475 142310~30 175 407 485 137530~50 185 430 490 132550~70 194 451 497 127870~90 204 474 502 1230使用材料:625号水泥\碎石\中砂砼强度石子粒径坍落度每立方米混凝土材料用量(kg)水水泥砂石子10~30 190 297 657 127630~50 199 311 665 123550~70 209 327 671 119370~90 218 341 677 11545~40 0~10 165 258 649 1378 10~30 175 273 657 133530~50 184 288 667 129250~70 194 303 673 125070~90 203 317 680 1210C30 5~20 0~10 180 310 601 1339 10~30 190 328 609 129330~50 199 343 616 125250~70 209 360 623 120870~90 218 376 629 11675~40 0~10 165 285 600 1400 10~30 175 302 609 135430~50 184 317 617 131250~70 194 334 624 126870~90 204 352 630 1224C35 5~20 0~10 181 342 572 1335 10~30 190 358 580 129230~50 200 377 587 124650~70 210 396 592 120270~90 219 413 598 11605~40 0~10 167 315 571 1397 10~30 176 332 580 135230~50 185 349 588 130850~70 195 368 594 126370~90 205 387 601 1281C40 5~20 0~10 180 367 527 1356 10~30 190 388 534 130830~50 200 408 541 126150~70 210 429 546 121570~90 219 447 552 11725~40 0~10 166 339 525 1420 10~30 175 357 534 137430~50 185 378 541 132650~70 195 398 548 127970~90 204 416 556 1235C45 5~20 0~10 180 400 481 1369 10~30 190 422 488 132030~50 200 445 494 127250~70 209 464 501 122670~90 219 487 505 11795~40 0~10 166 369 479 1436 10~30 176 391 487 138630~50 185 411 495 133950~70 195 433 502 129070~90 205 456 507 1242C50 5~20 0~10 180 429 455 1366 10~30 190 452 462 131630~50 200 476 468 126650~70 210 501 473 121770~90 219 522 478 11715~40 0~10 167 398 452 1433 10~30 176 419 461 138430~50 185 440 469 133650~70 195 464 475 128670~90 205 488 481 1236使用材料:625号水泥\碎石\中砂混凝土石子粒径坍落度水水泥砂石子C45 5~20 0~10 180 360 529 1361 10~30 190 380 537 131330~50 200 400 543 126750~70 210 420 549 122170~90 219 438 555 11785~40 0~10 166 332 527 1425 10~30 176 352 535 137730~50 185 370 544 133150~70 195 390 551 128470~90 205 410 556 1239C50 5~20 0~10 181 385 503 1361 10~30 190 404 511 131530~50 200 426 517 126750~70 210 447 523 122070~90 219 466 529 11765~40 0~10 167 355 501 1427 10~30 176 374 510 138030~50 185 394 518 133550~70 195 415 525 128570~90 205 436 531 1238注:石子粒径坍落度单位(mm)。
单位:1m3混凝土
注:
(1)采用细砂配制混凝土时,每立方米混凝土的水泥用量增加4%;
(2)表列各种混凝土标号的水泥用量,系按机器捣固计算,如果用人工捣固时,每立方米混凝土应增加水泥用量25kg;
(3)材料消耗数量已包括场内运输及操作损耗在内;
(4)公路水下构造物每立方米混凝土水泥用量机械捣固不应少于240kg,人工捣固不应少于265kg;
(5)采用输送泵输送混凝土时,混凝土的运输与操作损耗按4%计算;
(6)采用输送泵输送混凝土时,每10m3混凝土拌和与养生用水为:
现浇混凝土基础18m3 现浇混凝土上部构造21m3
现浇混凝土下部构造18m3 预制混凝土22m3。
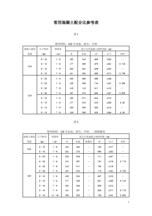
常用混凝土配合比参考表
表1
表2
表3
注:1、本表适用于粗骨料为连续级配的混凝土配合比设计。
若粗骨料为间断级配,则细骨料和粗骨料的比例(重量比)可按3∶7、4∶6的比例配制。
具体情况可根据粗细骨料的级配曲线分析予以试配而定。
2、表中坍落度为4~6cm的混凝土适用于浇筑预制构件;7~9cm适用于一般现场混凝土搅拌浇筑;14~16cm适用于泵送混凝土。
3、配制大流动性泵送混凝土时,砂率应提高为40%~43%(中砂),用水量增加至210~220kg;石子用量应为石子与水泥加砂子之比为103%左右,即石子/水+砂子×100%=103%。
一般为1050kg/m3,不超过1100kg/m3。
4、表中材料均为干料,标准应符合有关技术规程。
预拌混凝土配合比一览表
1. C15混凝土配合比,水泥,砂,骨料=1:2:4,用于一些较小的非承重构件,如地面、台阶等。
2. C20混凝土配合比,水泥,砂,骨料=1:1.5:3,适用于较小的基础、地板、边坡保护砌体等。
3. C25混凝土配合比,水泥,砂,骨料=1:1:2,适用于房屋地板、较小的梁、柱等。
4. C30混凝土配合比,水泥,砂,骨料=1:0.8:1.6,适用于较大跨度的梁、柱、楼板等。
5. C35混凝土配合比,水泥,砂,骨料=1:0.7:1.5,适用于大型工业厂房、大桥、大型水利工程等。
6. C40混凝土配合比,水泥,砂,骨料=1:0.6:1.4,适用于大型水利水电工程、大型混凝土结构等。
需要注意的是,上述配合比仅供参考,实际施工中应根据工程
设计要求、材料特性、施工环境等因素进行调整。
同时,施工过程中还需要严格控制水灰比、搅拌时间、搅拌速度等因素,以保证混凝土的质量和性能。
混凝土配合比表(1)单位:1m3混凝土序号项目单位普通混凝土碎(砾)石最大粒径(mm)20混凝土标号15 20 25 30 35 40 45 50水泥标号325 325 425 325 425 325 425 425 525 425 525 525 5251 2 3 4 5 6 7 8 9 10 11 12 131 水泥kg 294 354 297 412 343 474 390 436 383 482 424 464 5042 中(粗)砂m33 碎(砾)石m34 片石m3 —————————————续上表单位:1m3混凝土序号项目单位普通混凝土碎(砾)石最大粒径(mm)40混凝土标号10 15 20 25 30 35 40水泥标号325 325 425 325 425 325 425 325 425 425 525 425 52514 15 16 17 18 19 20 21 22 23 24 25 261 水泥kg 255 282 255 338 273 390 318 432 365 406 350 447 3872 中(粗)砂m33 碎(砾)石m34 片石m3 —————————————续上表单位:1m3混凝土序号项目单位普通混凝土水下混凝土防水混凝土泵送混凝土片石混凝土碎(砾)石最大粒径(mm)40 80 40 20 80混凝土标号45 50 10 15 20 20 25 25 15 20 15水泥标号525 525 325 325 325 325 425 325 425 425 325 325 32527 28 29 30 31 32 33 34 35 36 37 38 39 1 水泥kg 424 461 255 277 331 446 360 515 420 365 344 411 2352 中(粗)砂m33 碎(砾)石m34 片石m3 ————————————续上表单位:1m3混凝土序号项目单位泵送混凝土碎(砾)石最大粒径(mm)20 40混凝土标号20 25 30 35 40 45 50 10 15水泥标号425 325 425 325 425 425 525 425 525 525 525 325 32540 41 42 43 44 45 46 47 48 49 50 51 521 水泥kg 345 474 395 531 437 484 425 530 466 506 544 300 3302 中(粗)砂m33 碎(砾)石m34 片石m3 —————————————续上表单位:1m3混凝土序号项目单位泵送混凝土碎(砾)石最大粒径(mm)40混凝土标号15 20 25 30 35 40 45 50水泥标号425 325 425 325 425 325 425 425 525 425 525 525 52553 54 55 56 57 58 59 60 61 62 63 64 651 水泥kg 298 392 317 449 366 484 409 451 389 492 426 462 4982 中(粗)砂kg3 碎(砾)石m34 片石m3 —————————————注:(1)采用细砂配制混凝土时,每立方米混凝土的水泥用量增加4%;(2)表列各种混凝土标号的水泥用量,系按机器捣固计算,如果用人工捣固时,每立方米混凝土应增加水泥用量25kg;(3)材料消耗数量已包括场内运输及操作损耗在内;(4)公路水下构造物每立方米混凝土水泥用量机械捣固不应少于240kg,人工捣固不应少于265kg;(5)采用输送泵输送混凝土时,混凝土的运输与操作损耗按4%计算;(6)采用输送泵输送混凝土时,每10m3混凝土拌和与养生用水为:现浇混凝土基础18m3 现浇混凝土上部构造21m3现浇混凝土下部构造18m3 预制混凝土22m3混凝土配合比表(2)中国混凝土网[2009-8-7](1)现浇碎石混凝土配合比(单位:立方米)定额编号 1 2 3 4 5项目C15 C20 C25 C30 C35碎石粒径<16mm材料单位数量数量数量数量数量水泥吨-- 水泥吨-- -- -- --中砂立方米<16mm石子立方米水立方米定额编号 6 7 8 9 10项目C40 C45 C15 C20 C25 碎石粒径<16mm 碎石粒径<20mm材料单位数量数量数量数量数量水泥吨-- --水泥吨-- -- -- --水泥吨-- -- -- -- 中砂立方米<16mm石子立方米-- -- -- <20mm石子立方米-- --水立方米定额编号11 12 13 14 项目C30 C35 C40 C45碎石粒径<20mm材料单位数量数量数量数量水泥吨-- -- --水泥吨-- --水泥吨-- -- --中砂立方米<20mm石子立方米水立方米定额编号15 16 17 18 19项目C15 C20 C25 C30 C35碎石粒径<材料单位数量数量数量数量数量水泥吨-- 水泥吨-- -- -- --中砂立方米<石子立方米水立方米定额编号20 21 22 23 24项目C40 C45 C50 C55 C60碎石粒径<材料单位数量数量数量数量数量水泥吨-- -- -- -- 水泥吨-- -- -- 水泥吨-- -- --中砂立方米<石子立方米水立方米定额编号25 26 27 28 29 项目C15 C20 C25 C30 C35碎石粒径<40mm材料单位数量数量数量数量数量水泥吨-- 水泥吨-- -- -- --中砂立方米<40mm石子立方米水立方米(2)预制碎石混凝土配合比(单位:立方米)定额编号 1 2 3 4 5项目C20 C25 C30 C35 C40碎石粒径<16mm材料单位数量数量数量数量数量水泥吨-- -- 水泥吨-- -- --中砂立方米<16mm石子立方米水立方米定额编号 6 7 8 9 10项目C45 C50 C20 C25 C30 碎石粒径<16mm 碎石粒径<20mm材料单位数量数量数量数量数量水泥吨-- --水泥吨-- -- -- -- -- 水泥吨-- -- -- 中砂立方米<16mm石子立方米-- -- -- <20mm石子立方米-- --水立方米定额编号11 12 13 14项目C35 C40 C45 C50碎石粒径<20mm材料单位数量数量数量数量水泥吨-- -- 水泥吨-- --中砂立方米<20mm石子立方米水立方米定额编号15 16 17 18 19项目C20 C25 C30 C35 C40碎石粒径<40mm材料单位数量数量数量数量数量水泥吨-- -- 水泥吨-- -- --中砂立方米<40mm石子立方米水立方米定额编号20 21项目C45 C50碎石粒径<40mm材料单位数量数量水泥吨中砂立方米<40mm石子立方米水立方米(3)水下灌注碎石混凝土配合比(单位:立方米)定额编号 1 2 3 4 5项目C20 C25 C30 C35 C40碎石粒径<材料单位数量数量数量数量数量水泥吨-- -- -- 水泥吨-- -- -- 水泥吨-- -- -- --中砂立方米<石子立方米水立方米混凝土配合比表(3)水泥砂浆配合比表单位:立方米项目材料单位1:1抹灰用1:2 1:1:3 1:1:4水泥kg 792 544 458 401 350 322砂子kg 1052 1442 1517 1593 1605 1707石灰砂浆配合比表单位:立方米项目材料单位1:1 1:2 1:1:3 1:白灰kg 439 302 258 228 75.41砂子kg 1020 1399 1501 1584 1652混合砂浆配合比表单位:立方米项目材料单位1:1:1 1:1:2 1:1:4 1:1:6 1:2:1 1:3:9 1::1::水泥kg 501 400 263 204 368 122 430 601 白灰kg 285 229 150 116 417 210 25 69 砂子kg 663 1059 1391 1622 488 1457 1420 835 石英砂kg 358混合砂浆配合比续表单位:立方米项目材料单位1::2 1::3 1::1 1::3 1::4 1::5 1::水泥kg 512 366 661 361 284 242 873 白灰kg 58 63 186 103 81 69 249 砂子kg 1364 1453 876 1434 1503 1604 578其它灰浆浆比表单位:立方米项目材料单位1:1:2纸筋混合砂浆1:2:4麻刀混合砂浆1:3石灰麻刀砂浆麻刀灰纸筋灰水泥kg 400 242白灰kg 229 277 228 682 664 砂子kg 1059 1281 1584纸筋kg麻刀kg其它灰浆浆比续表单位:立方米项目材料单位水泥珍珠岩砂浆菱苦土砂浆107胶水泥浆1:1:4107胶水泥彩色胶泥1:::1:8 1:10 1:12 1:4 1::水泥kg 168 143 125 1181 珍珠岩kg 1.16菱苦土粉kg锯沫kg砂子kg107胶kg 209 颜料kg 60水泥石碴(豆石)浆配合比表单位:立方米项目材料单位普通石碴浆水泥豆石类纯水泥浆水磨石剁斧石水刷石1:1:1:(掺30%石屑)1:1:1:2水泥kg 868 723 868 858 848 661 1479 石碴kg 1369 1530石碴kg 1369石屑kg豆石kg 1427 1632豆石砼及灰土配合比表单位:立方米项目材料单位豆石砼(体积比)灰土1:2:4 1:2:3 1:2:2 3:7 2:8水泥kg 267 311 379豆石kg 1432 1256 1022砂子kg 665 776 946白灰kg 226 151 水泥蛭石(珍珠岩)配合比表单位:立方米项目材料单位水泥蛭石水泥珍珠岩1:8 1:10 1:12 1:8 1:10 1:12水泥kg 175 148 131 168 143 125 蛭石M3珍珠岩M3水泥焦渣配合比表单位:立方米项目材料单位水泥焦渣石灰焦渣水泥石灰焦渣1:6 1:8 3:7 1:1:8 1:1:10水泥kg 236 191 167 139 焦渣M3白灰kg 212 65 54 砌筑砂浆配合比表单位:立方米项目材料单位混合砂浆水泥砂浆勾缝水泥砂浆M10 M5 M1 M10 M5 1:1水泥kg304 248 190 129 79 346 274 209 826 白灰kg31 53 81 103 130砂子kg1631 1631 1631 1631 1631 1631 1631 1631 1090 陶粒砼配合比表单位:立方米项目材料单位陶粒砼CL10 CL15 CL20 CL25 CL30水泥Kg 318 372 424 492 518 陶粒Kg砂子Kg 652 639 628 562 549 普通砼配合比表单位:立方米项目材料单位砼(石子粒径)C10 C15 C20 C25 C30 C35 C40水泥Kg 231 280 330 388 432 474 463 水泥525# Kg 596 砂子Kg 849 785 723 683 629 559石子Kg 1243 1251石子Kg 1256石子kg 1237 1245 1272 1236普通砼配合比续表单位:立方米项目材料单位普通砼(石子粒径)豆石砼(石子粒径)C45 C50 C10 C15 C20 C25 1:1:1水泥Kg 237 295 347 408水泥525# Kg 499 535 788 砂子Kg 548 543 824 755 674 614 811 石子Kg 1257 1255 1276 1273 796 石子Kg 1246 1187特种砂浆、砼配合比表单位:立方米项目材料单位水玻璃耐酸砂浆1:::1:水玻璃胶泥1:::环氧树脂胶泥1::2环氧酚醛胶泥:::环氧呋喃胶泥:::水玻璃Kg 409 649氟硅酸钠Kg 63 98石英粉Kg 453 777 1294 1121 1190 石英砂Kg 1071铸铁粉Kg 411 712环氧树脂Kg 652 475 495乙二胺Kg 52 41 35丙酮Kg 65 68 42酚醛树脂Kg 204糖醇树脂Kg 214特种砂浆、砼配合比续表 1 单位:立方米项目单耐碱砂浆钢屑砂浆不发火砂浆不发火沥青砂浆材料位1:1 1:2 1::1:1:::水泥Kg 950 694 1099 458石灰石砂Kg 960 1403中(粗)砂Kg 353金属屑Kg 1660石油沥青30# Kg 408 硅藻土Kg 224 温石棉Kg 219 白云石砂Kg 1581 1320特种砂浆、砼配合比续表 2 单位:立方米项目材料单位重晶石砂浆耐酸砂浆沥青砼重晶石砼1:2:1 1::4水泥Kg 540 470 342 砂子Kg 562 878石子Kg 876白灰Kg 93重晶石粉Kg 1087重晶石砂Kg 1885 1144 重晶石Kg 348 1867 水玻璃(泡花碱)Kg 57氟奎酸钠Kg 699石英粉Kg 1258石英砂Kg石油沥青Kg 152滑石粉Kg 381特种砂浆、砼配合比续表 3 单位:立方米项目材料单位水玻璃耐酸砼沥青耐酸胶泥耐酸沥青砂浆石英石kg 926石英砂kg 696 1239石英粉kg 257 1230 460水玻璃kg 283氟硅酸钠kg 42铸石粉kg 284石油沥青30# kg 487 439石棉kg 90特种砂浆、砼配合比续表 4 单位:立方米项目材料单位抗渗砼C25 C30 C35 C40水泥kg 349 389 427水泥kg 417 中(粗)砂kg 683 629 559 596 石子kg 1237 1245 1272 1236 抗渗剂kg摘自北京市建设工程概算定额建筑工程第一册土建(下册)。
单位:1m3混凝土
注:
(1)采用细砂配制混凝土时,每立方米混凝土的水泥用量增加4%;
(2)表列各种混凝土标号的水泥用量,系按机器捣固计算,如果用人工捣固时,每立方米混凝土应增加水泥用量25kg;(3)材料消耗数量已包括场内运输及操作损耗在内;
(4)公路水下构造物每立方米混凝土水泥用量机械捣固不应少于240kg,人工捣固不应少于265k g;
(5)采用输送泵输送混凝土时,混凝土的运输与操作损耗按4%计算;
(6)采用输送泵输送混凝土时,每10m3混凝土拌和与养生用水为:
现浇混凝土基础 18m3 现浇混凝土上部构造 21m3
现浇混凝土下部构造 18m3 预制混凝土 22m3
精品文档word文档可以编辑!谢谢下载!。
混凝土配合比表(1)采用细砂配制混凝土时,每立方米混凝土的水泥用量增加4%;(2)表列各种混凝土标号的水泥用量,系按机器捣固计算,如果用人工捣固时,每立方米混凝土应增加水泥用量25kg;(3)材料消耗数量已包括场内运输及操作损耗在内;(4)公路水下构造物每立方米混凝土水泥用量机械捣固不应少于240kg,人工捣固不应少于265kg;(5)采用输送泵输送混凝土时,混凝土的运输与操作损耗按4%计算;(6)采用输送泵输送混凝土时,每10m3混凝土拌和与养生用水为:现浇混凝土基础18m3 现浇混凝土上部构造21m3现浇混凝土下部构造18m3 预制混凝土22m3混凝土配合比表(2)中国混凝土网中国混凝土与水泥制品网[2009-8-7](1)现浇碎石混凝土配合比(单位:立方米)定额编号 1 2 3 4 5项目C15 C20 C25 C30 C35碎石粒径<16mm材料单位数量数量数量数量数量32.5Mpa水泥吨0.307 0.400 0.460 0.530 -- 42.5Mpa水泥吨-- -- -- -- 0.460中砂立方米0.511 0.411 0.362 0.348 0.362<16mm石子立方米0.830 0.870 0.879 0.845 0.879 水立方米0.220 0.220 0.220 0.220 0.220 定额编号 6 7 8 9 10项目C40 C45 C15 C20 C25 碎石粒径<16mm 碎石粒径<20mm材料单位数量数量数量数量数量32.5Mpa水泥吨-- -- 0.286 0.372 0.428 42.5Mpa水泥吨0.530 -- -- -- -- 52.5Mpa水泥吨-- 0.472 -- -- --中砂立方米0.348 0.360 0.507 0.409 0.359 <16mm石子立方米0.845 0.873 -- -- -- <20mm石子立方米-- -- 0.860 0.903 0.914 水立方米0.220 0.220 0.200 0.200 0.200 定额编号11 12 13 14 项目C30 C35 C40 C45碎石粒径<20mm材料单位数量数量数量数量32.5Mpa水泥吨0.493 -- -- --42.5Mpa水泥吨-- 0.428 0.493 --52.5Mpa水泥吨-- -- -- 0.437中砂立方米0.346 0.359 0.346 0.370<20mm石子立方米0.883 0.914 0.883 0.897 水立方米0.200 0.200 0.200 0.200定额编号15 16 17 18 19项目C15 C20 C25 C30 C35碎石粒径<31.5mm材料单位数量数量数量数量数量32.5Mpa水泥吨0.271 0.352 0.406 0.467 -- 42.5Mpa水泥吨-- -- -- -- 0.406中砂立方米0.499 0.402 0.353 0.342 0.353 <31.5mm石子立方米0.884 0.930 0.943 0.913 0.943水立方米0.190 0.190 0.190 0.190 0.190 定额编号20 21 22 23 24项目C40 C45 C50 C55 C60碎石粒径<31.5mm材料单位数量数量数量数量数量42.5Mpa水泥吨0.467 -- -- -- -- 52.5Mpa水泥吨-- 0.415 0.456 -- -- 62.5Mpa水泥吨-- -- -- 0.415 0.444中砂立方米0.342 0.351 0.344 0.351 0.346 <31.5mm石子立方米0.913 0.939 0.919 0.939 0.924水立方米0.190 0.190 0.190 0.190 0.190 定额编号25 26 27 28 29项目C15 C20 C25 C30 C35碎石粒径<40mm材料单位数量数量数量数量数量32.5Mpa水泥吨0.260 0.333 0.384 0.442 -- 42.5Mpa水泥吨-- -- -- -- 0.384中砂立方米0.491 0.394 0.346 0.336 0.346 <40mm石子立方米0.909 0.958 0.973 0.943 0.973 水立方米0.180 0.180 0.180 0.180 0.180(2)预制碎石混凝土配合比(单位:立方米)定额编号 1 2 3 4 5项目C20 C25 C30 C35 C40碎石粒径<16mm材料单位数量数量数量数量数量32.5Mpa水泥吨0.381 0.439 0.505 -- -- 42.5Mpa水泥吨-- -- -- 0.439 0.505中砂立方米0.418 0.369 0.355 0.369 0.355 <16mm石子立方米0.883 0.893 0.862 0.893 0.862 水立方米0.210 0.210 0.210 0.210 0.210 定额编号 6 7 8 9 10项目C45 C50 C20 C25 C30 碎石粒径<16mm 碎石粒径<20mm材料单位数量数量数量数量数量32.5Mpa水泥吨-- -- 0.352 0.406 0.467 42.5Mpa水泥吨-- -- -- -- -- 52.5Mpa水泥吨0.448 0.493 -- -- --中砂立方米0.367 0.358 0.415 0.365 0.354 <16mm石子立方米0.889 0.867 -- -- -- <20mm石子立方米-- -- 0.916 0.931 0.900 水立方米0.210 0.210 0.190 0.190 0.190定额编号11 12 13 14项目C35 C40 C45 C50碎石粒径<20mm材料单位数量数量数量数量42.5Mpa水泥吨0.406 0.467 -- -- 52.5Mpa水泥吨-- -- 0.415 0.456中砂立方米0.365 0.354 0.364 0.356 <20mm石子立方米0.931 0.900 0.926 0.906 水立方米0.190 0.190 0.190 0.190 定额编号15 16 17 18 19项目C20 C25 C30 C35 C40碎石粒径<40mm材料单位数量数量数量数量数量32.5Mpa水泥吨0.314 0.362 0.416 -- -- 42.5Mpa水泥吨-- -- -- 0.362 0.416中砂立方米0.400 0.352 0.342 0.352 0.342 <40mm石子立方米0.972 0.989 0.962 0.989 0.962 水立方米0.170 0.170 0.170 0.170 0.170 定额编号20 21项目C45 C50碎石粒径<40mm材料单位数量数量52.5Mpa水泥吨0.371 0.406中砂立方米0.351 0.344<40mm石子立方米0.985 0.967 水立方米0.170 0.170(3)水下灌注碎石混凝土配合比(单位:立方米)定额编号 1 2 3 4 5项目C20 C25 C30 C35 C40碎石粒径<31.5mm材料单位数量数量数量数量数量32.5Mpa水泥吨0.441 0.501 -- -- -- 42.5Mpa水泥吨-- -- 0.411 0.501 -- 52.5Mpa水泥吨-- -- -- -- 0.469中砂立方米0.545 0.527 0.544 0.527 0.536<31.5mm石子立方米0.692 0.70 0.691 0.70 0.682水立方米0.234 0.234 0.234 0.234 0.234混凝土配合比表(3)水泥砂浆配合比表单位:立方米项目材料单位1:1抹灰用1:21:2.51:31:3.51:4水泥kg 792 544 458 401 350 322 砂子kg 1052 1442 1517 1593 1605 1707石灰砂浆配合比表单位:立方米项目材料单位1:1 1:21:2.51:3 1:3.5白灰kg 439 302 258 228 75.41砂子kg 1020 1399 1501 1584 1652混合砂浆配合比表单位:立方米项单1:1:1:1:1:1:1:1:目材料位1:1 1:2 1:4 1:6 2:1 3:9 0.1:2.50.2:1.5水泥kg 501 400 263 204 368 122 430 601 白灰kg 285 229 150 116 417 210 25 69砂子kg 663 1059 13911622488 14571420 835石英砂kg 358 混合砂浆配合比续表单位:立方米项目材料单位1:0.2:21:0.3:31:0.5:11:0.5:31:0.5:41:0.5:51:0.5:0.5水泥kg 512 366 661 361 284 242 873 白灰kg 58 63 186 103 81 69 249 砂子kg 1364 1453 876 1434 1503 1604 578其它灰浆浆比表单位:立方米项目材料单位1:1:2纸筋混合砂浆1:2:4麻刀混合砂浆1:3石灰麻刀砂浆麻刀灰纸筋灰水泥kg 400 242白灰kg 229 277 228 682 664 砂子kg 1059 1281 1584 37.6 纸筋kg 16.6麻刀kg 16.6 6.1 12.2其它灰浆浆比续表单位:立方米项目材料单位水泥珍珠岩砂浆菱苦土砂浆107胶水泥浆1:1:4107胶水泥彩色胶泥1:0.17:0.05:0.41:8 1:101:121:4 1:1.4:0.6水泥kg 168 143 125 200.5 1181 珍珠岩kg 1.16 1.23 1.30菱苦土粉kg 411.12 565.29锯沫kg 1.51 0.73砂子kg 494.71107胶kg 208.43 209 颜料kg 60 水泥石碴(豆石)浆配合比表单位:立方米项目材料单位普通石碴浆水泥豆石类纯水泥浆水磨石剁斧石水刷石1:1.251:1.251:1.25(掺30%石屑)1:1.251:1.251:2水泥kg 868 723 868 858 848 661 1479 石碴kg 1369 1530石碴kg 958.3 1369石屑kg 410.7豆石kg 1427 1632豆石砼及灰土配合比表单位:立方米项目材料单位豆石砼(体积比)灰土1:2:41:2:31:2:23:72:8水泥kg 267 311 379豆石kg 1432 1256 1022砂子kg 665 776 946白灰kg 226 151 水泥蛭石(珍珠岩)配合比表单位:立方米项目材料单位水泥蛭石水泥珍珠岩1:8 1:10 1:12 1:8 1:10 1:12水泥kg 175 148 131 168 143 125 蛭石M3 1.20 1.28 1.34珍珠岩M3 1.16 1.23 1.30水泥焦渣配合比表单位:立方米项目材料单位水泥焦渣石灰焦渣水泥石灰焦渣1:6 1:8 3:7 1:1:81:1:10水泥kg 236 191 167 139 焦渣M3 1.18 1.28 1.07 1.12 1.17 白灰kg 212 65 54砌筑砂浆配合比表单位:立方米陶粒砼配合比表单位:立方米项目材料单位陶粒砼CL10 CL15 CL20 CL25 CL30水泥Kg 318 372 424 492 518 陶粒Kg 0.94 0.91 0.89 0.89 0.88 砂子Kg 652 639 628 562 549普通砼配合比表单位:立方米项目材料单位砼(石子粒径0.5-3.2)C10 C15 C20 C25 C30 C35 C40水泥 Kg 231 280 330 388 432 474 463 水泥525#Kg 596 砂子 Kg 849 785 723 683 629 559 石子 Kg 1243 1251 石子 Kg 1256石子 kg1237 1245 1272 1236普通砼配合比续表 单位:立方米项目 材料单位普通砼 (石子粒径0.5-3.2)豆石砼(石子粒径0.5-1.2)C45 C50 C10 C15 C20 C25 1:1:1水泥 Kg237 295 347 408 水泥525#Kg 499 535788砂子 Kg 548 543 824 755 674 614 811 石子 Kg1257 1255 1276 1273 796石子Kg 1246 1187特种砂浆、砼配合比表单位:立方米特种砂浆、砼配合比续表 1 单位:立方米项目材料单位耐碱砂浆钢屑砂浆不发火砂浆不发火沥青砂浆1:1 1:2 1:0.3:1.51:2.5 1:0.533:0.533:3.121水泥Kg 950 694 1099 458石灰石砂Kg 960 1403中(粗)砂Kg 353金属屑Kg 1660石油沥青30#Kg 408 硅藻土Kg 224 温石棉Kg 219 白云石砂Kg 1581 1320特种砂浆、砼配合比续表 2 单位:立方米项目单重晶石砂浆耐酸砂沥青砼重晶石砼材料位 1:2:11:0.2:4浆水泥Kg 540 470 342 砂子Kg 562 878石子Kg 876白灰Kg 93重晶石粉Kg 1087重晶石砂Kg 1885 1144 重晶石Kg 348 1867 水玻璃(泡花碱)Kg 57氟奎酸钠Kg 699石英粉Kg 1258石英砂Kg石油沥青Kg 152滑石粉Kg 381特种砂浆、砼配合比续表 3 单位:立方米项目材料单位水玻璃耐酸砼沥青耐酸胶泥耐酸沥青砂浆石英石kg 926石英砂kg 696 1239 石英粉kg 257 1230 460 水玻璃kg 283氟硅酸钠kg 42铸石粉kg 284石油沥青30#kg 487 439 石棉kg 90特种砂浆、砼配合比续表 4 单位:立方米项目材料单位抗渗砼C25 C30 C35 C40水泥kg 349 389 427水泥kg 417 中(粗)kg 683 629 559 596砂石子kg 1237 1245 1272 1236 抗渗剂kg 38.8 43.2 47.4 46.3摘自北京市建设工程概算定额建筑工程第一册土建(下册)。