原始检查记录表
- 格式:doc
- 大小:558.00 KB
- 文档页数:51
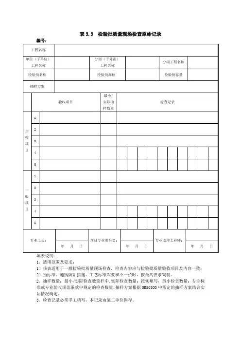
表3.3 检验批质量现场检查原始记录
编号:
填表说明:
1、适用范围及要求:
1)该表适用于一般检验批质量现场检查,检查内容应与检验批质量验收项目及内容一致;2)当标准、通病防治措施、工艺标准库要求不一致时,按最高要求编制。
2、抽样数量:最小/实际检查数量栏中,实际检查数量:按实填写,最小检查数量:专业标准或专业验收规范条款中规定的检查数量,抽样方案根据GB50300中规定的抽样方案结合实际情况确定。
3、检查记录必须手工填写,本记录由施工单位保存。
表号:GQL-ES20焊缝外观质量检查原始记录本第册共册项目名称:标段:开始时间:年月日结束时间:年月日施工单位:(盖章)监理单位:(盖章)说明1、本记录本共100页,不得撕毁、缺页,严禁不合规定的涂改。
按照施工的时间顺序填写,不得补记。
2、本表分别对应系统表格ES20《焊缝外观质量检查记录表》。
3、有监理旁站时,检查完后监理当场签名,没有监理旁站时,在监理栏划上“/”。
4、施工原始数据实时填写在记录本上,严禁在草稿纸上先记录再转抄记录本上。
5、根据本记录本的数据可以直接出具电脑打印的检测报告,检测报告上要注明数据在记录本的位置。
6、将数据录入系统计算后,如发现现场检测结果不合格时,应在原始记录的下一行注明“作废”、“重做”、“追加”、“返工处理”等处理情况,并说明整改、重做的序号。
7、本记录本作为竣工资料移交归档,永久保存。
焊缝外观质量检查记录表表号:GQL-ES20工程名称港珠澳大桥主体工程桥梁工程CB05-G1 标钢主梁及索塔钢结构制作工程部件编号报验日期序号项目简图质量要求(mm)实测结果1 咬边△△横、纵向受拉对接焊缝不允许横向受压对接焊缝Δ≤0.3主要角焊缝Δ≤0.5其它焊缝Δ≤1.02 气孔对接焊缝不允许主要角焊缝直径小于1.0 每m不多于3个,其间距不小于20㎜其它焊缝直径小于1.53 焊脚尺寸主要角焊缝K+20;其他角焊缝K+2-1,手弧焊全长10%范围内允许K+3-14 焊波h≤2(任意25mm范围内)5余高(对接)b≤15时,h≤3;15<b≤25时,h≤4;b>25时,h≤4b/25单面焊接的横向对接焊缝背面余高h≤26余高铲磨(对接)△△Δ1≤ 0.5Δ2≤ 0.3表面粗糙度Ra50μm7 裂纹、未熔合、未填满、焊瘤结论备注检查人员日期监理工程师日期。
机械式停车设备验收检验原始记录表1. 设备信息•设备名称:机械式停车设备•设备型号:[型号]•厂家名称:[厂家名称]•设备编号:[设备编号]•验收单位:[验收单位]•验收日期:[验收日期]2. 验收标准•设备外观应无划痕、变形等明显缺陷;•设备操作应平稳、顺畅,无异常声音;•设备控制系统应正常工作;•设备安全保护措施应完善;•设备负载能力应符合设计要求;•设备电气系统应符合国家标准;•设备工作环境温度、湿度等符合要求;3. 验收结果验收项目验收结果外观检查操作检查控制系统检查安全保护措施检查负载能力检查电气系统检查工作环境检查4. 验收过程和结果说明4.1 外观检查•检查设备外观是否有明显划痕、变形等缺陷;•若有缺陷,请注明具体描述。
4.2 操作检查•进行设备操作,检查操作过程是否平稳、顺畅;•检查设备是否产生异常声音;•若操作过程不符合要求或有异常声音,请注明具体描述。
4.3 控制系统检查•检查设备控制系统是否正常工作;•检查各个控制按钮是否灵敏、可靠;•若控制系统存在异常情况,请注明具体描述。
4.4 安全保护措施检查•检查设备的安全保护措施是否完善,如限位开关、防坠落装置等;•检查设备的防护栏杆、安全门等是否齐全;•若安全保护措施不完善,请注明具体描述。
4.5 负载能力检查•施加负载测试,检查设备的负载能力是否符合设计要求;•若负载能力不符合设计要求,请注明具体描述。
4.6 电气系统检查•检查设备的电气系统是否符合国家标准;•检查电气线路是否正常接地;•若电气系统不符合国家标准,请注明具体描述。
4.7 工作环境检查•检查设备的工作环境温度、湿度、噪声等是否符合要求;•若工作环境不符合要求,请注明具体描述。
5. 验收结论根据以上验收结果及说明,经验收单位认真检查和评定,判定该机械式停车设备符合验收标准,验收合格。
6. 验收人员验收单位代表:_____________________日期:_____________________________。
绵竹市谷王米粉厂
净含量及允许短缺量计量检验原始记录表
检验日期:质管_()样品名称标注净含量批量
样本量检验依据检验方法
测量设备名称规格型号准确度等级量程最小分度值设备编号检定有效期1.净含量标注检查
标注正确、清晰计量单位字符高度多件包装标注检查结论
2.实际含量检验
皮重抽样数平均皮重允许短缺量
修正因子相对湿度温度
编号 1 2 3 4 5 6 7 8 9 10 11 12 13 总重(g)
实际重量(g)
偏差(g)
编号14 15 16 17 18 19 20 21 22 23 24 25 26 总重(g)
实际重量(g)
偏差(g)
编号27 28 29 30 31 32 33 34 35 36 37 38 39 总重(g)
实际重量(g)
偏差(g)
编号40 41 42 43 44 45 46 47 48 49 50
总重(g)
实际重量(g)
偏差(g)
平均实际含量标准偏差修正值实际含量修正结果
大于1倍,小于或者等于2倍允许短缺量件数大于2倍允许短缺量件数
检验结论
3. 总体结论
检验人(签字):核验人员(签字):
日期:日期:。
模板安装检验批现场验收检查原始记录检验批容量:柱件,墙间
山东省建设工程质量监督总站监制
模板安装检验批现场验收检查原始记录
检验批容量:梁件,板间,楼梯4间
山东省建设工程质量监督总站监制
现浇结构外观及尺寸偏差检验批现场验收检查原始记录
检验批容量:柱件,墙间,电梯井4间
现浇结构外观及尺寸偏差检验批现场验收检查原始记录
检验批容量:梁件,板间 ,楼梯4间
山东省建设工程质量监督总站监制
钢筋安装检验批现场验收检查原始记录
检验批容量:柱件,墙件
山东省建设工程质量监督总站监制
钢筋安装检验批现场验收检查原始记录检验批容量:梁件,板间 ,楼梯4间
山东省建设工程质量监督总站监制钢筋连接工程直螺纹接头检验批现场验收检查原始记录
鲁
山东省建设工程质量监督总站监制钢筋加工检验批现场验收检查原始记录
检验批容量:HRB400Φ8、Φ10、Φ12、Φ14、Φ16
钢筋加工检验批现场验收检查原始记录
检验批容量:HRB400Φ8、Φ10、Φ12、Φ14、Φ16、Φ18、Φ19、Φ20、Φ22、Φ25
山东省建设工程质量监督总站监制。