变压器绕组的局部放电定位研究_罗旖旎
- 格式:pdf
- 大小:360.14 KB
- 文档页数:4
局部放电信号在干式变压器绕组中的传播特性研究的开题报告一、选题背景及意义干式变压器是一种常见的电力配电设备,它具有体积小、重量轻、易于安装、运行可靠等特点,在电力系统中被广泛应用。
然而,干式变压器在长时间运行过程中,由于各种因素的影响,容易出现绕组局部放电现象,引起设备的损坏和安全隐患。
因此,如何准确、及时地监测和诊断干式变压器的绕组局部放电信号,成为了当前研究的热点之一。
本文以干式变压器绕组为研究对象,旨在探究不同参数下局部放电信号在干式变压器绕组中的传播特性,为干式变压器的监测和诊断提供参考。
二、研究内容和方法本文将选择干式变压器绕组内的局部放电信号为研究对象,通过仿真、实验和分析等方法,研究局部放电在干式变压器绕组中的传播特性。
具体内容包括以下几个方面:1. 对干式变压器绕组内不同参数下的电场分布情况进行仿真模拟,并确定峰值电场强度。
2. 根据确定的电场强度,结合实验研究,测量局部放电信号在不同参数下在干式变压器绕组中的传播特性,并对传播规律进行分析3. 通过分析实验数据和仿真结果,综合从材料、结构、内部缺陷等角度进行分析,深入探究干式变压器绕组中局部放电信号的形成机理,并为现有的检测和诊断技术提出改进和优化建议。
三、预期能够达到的研究目标1. 探究干式变压器绕组内局部放电信号在不同参数下的传播特性。
2. 分析干式变压器绕组内局部放电信号的形成机理。
3. 为干式变压器的监测和诊断技术提供参考,为日后的工程应用提供理论指导。
四、拟采用的论文结构本文计划采用以下结构:第一章:绪论。
介绍选题背景、研究意义、国内外研究进展和主要内容,明确研究目的和意义。
第二章:干式变压器局部放电的形成机理和检测技术。
介绍干式变压器绕组内局部放电信号的形成机理,概述常用的局部放电检测技术和干式变压器的缺陷分类。
第三章:模拟电场分布情况。
通过计算机仿真,定量研究不同参数下干式变压器绕组内电场的分布情况。
第四章:局部放电信号在干式变压器绕组中的传播规律。
变压器局部放电的研究摘要:局部放电试验作为变压器验收投运前的最后一项试验,是变压器生产、运输、安装质量的一个综合性考验。
本文通过对局部放电的特点的讲述,论述了局部放电的特征及检测方法。
关键词:变压器;局部放电;一、局部放电的产生及其特征一般认为局部放电是指在电场作用下,绝缘系统中只有部分区域发生放电而没有贯穿施加电压的整个系统,即没有击穿的现象。
产生局部放电的条件取决于绝缘装置中的电场分布和绝缘的电气物理性能。
大型电力变压器基本采用油一纸复合绝缘及油一屏障绝缘结构,局部放电一般发生在绝缘薄弱或电场强度偏高的部位。
按部位来分,变压器局部放电主要发生在引线接线处、纸板、压板、围屏、端部油道、金属尖端、变压器油以及套管等部位。
电力变压器内部局部放电主要以下面几种情况出现:(1)绕组中部油-纸屏障绝缘中油通道击穿;(2)绕组端部油通道击穿;(3)紧靠着绝缘导线和电工纸(引线绝缘、搭接绝缘、相间绝缘)的油间隙击穿;(4)线圈间(匝间、饼间)纵绝缘油通道击穿;(5)绝缘纸板围屏等的树枝放电;(6)其他固体绝缘的爬电;(7)绝缘中渗入的其他金属异物放电等。
因此,对已出厂的变压器,有以下几种情况须进行局部放电试验:(1)新变压器投运前进行局部放电试验,检查变压器出厂后在运输、安装过程中有无绝缘损伤。
(2)对大修或改造后的变压器进行局部放电试验,以判断修理后的绝缘情况。
(3)对运行中怀疑有绝缘故障的变压器作进一步的定性诊断,例如油中气体色谱分析有放电性故障,以及涉及到绝缘其他异常情况。
(4)作为预防性试验项目或在线检测内容,监测变压器运行中绝缘情况。
二、局部放电检测方法的研究局部放电检测是以发生局部放电时产生的电、光等现象为依据,来判断局部放电的状态,包括放电点的定位和放电的程度等。
目前,国内外常见的检测方法有脉冲电流法、超声波检测法、光测法、化学检测法等方法。
1.脉冲电流法脉冲电流法是通过检测阻抗、检测变压器套管末屏接地线、外壳接地线、铁心接地线以及绕组中由于局部放电引起的脉冲电流,获得视在放电量。
变压器绕组局部放电量测量误差计算及其修正方法研究
杨玥坪;树婷;吴玖汕;张容浩;赵壮民;孟旋;张轩瑞;李军浩
【期刊名称】《西安交通大学学报》
【年(卷),期】2022(56)10
【摘要】为分析IEC60270标准下电力变压器局部放电测量时因绕组分布纵向电容及衰减特性所带来的视在放电量测量误差并进行修正,提出了包含耦合电容的变压器局部放电分布电容网络模型。
通过解析方法,量化了变压器绕组端部的局部放电量测量值随放电位置的变化情况,基于绕组等效RLC网络智能反演算法,提出了一种绕组局部放电频谱定位方法及局部放电量测量误差修正算法,介绍了算法的理论基础与基本思路。
以一台变压器绕组电气参数仿真结果,构建了等效RLC网络模型,并以其作为研究算例应用所提修正方法,结果表明,放电量误差随放电位置远离测量端逐渐增大,最大时接近90%,而修正后局部放电量的最大误差比修正前降低了一个数量级,验证了修正算法的可行性,为将其进一步运用于实际变压器建立了一定的基础。
【总页数】8页(P122-129)
【作者】杨玥坪;树婷;吴玖汕;张容浩;赵壮民;孟旋;张轩瑞;李军浩
【作者单位】西安交通大学电力设备电气绝缘国家重点实验室;太原理工大学电气与动力工程学院
【正文语种】中文
【中图分类】TM835
【相关文献】
1.不对称参数三相三绕组变压器仿真模型和计算方法的研究
2.不对称参数三相三绕组变压器仿真模型和计算方法的研究
3.低压配电网变压器增容改造增供电量计算方法的研究
4.片式散热器冷却变压器绕组和油的温升工程计算方法的研究
5.基于控制体—迎风有限元法的变压器绕组二维流体场—温度场耦合计算方法研究
因版权原因,仅展示原文概要,查看原文内容请购买。
电力变压器局部放电故障定位案例分析【摘要】本文通过对一起电力变压器局部放电故障的案例进行分析,探讨了不同的故障检测方法在故障定位中的应用。
通过实验设计与数据采集,结合数据分析和局部放电特征分析,确定了最终的故障位置。
在故障定位方法比较中,对各种方法的优缺点进行评价和比较。
结论部分对故障定位效果进行评价,并指出本研究的意义和未来的发展方向。
通过本文的研究可以为电力变压器的故障检测和定位提供参考,提高电力设备的安全性和可靠性。
【关键词】电力变压器、局部放电、故障定位、案例分析、故障检测方法、实验设计、数据分析、特征分析、方法比较、效果评价、研究意义、展望未来。
1. 引言1.1 背景介绍电力变压器是电力系统中非常重要的设备,用于实现电能的输送与转换。
在变压器运行中,由于各种原因可能导致局部放电故障的产生,对变压器的安全运行造成威胁。
局部放电是指在电气设备中由于电场强度超过介质击穿强度而形成的放电现象,会导致设备绝缘破坏,进而引发设备故障。
为了及时准确地发现和定位变压器中的局部放电故障,需要采用有效的故障检测方法和定位技术。
目前,常用的故障检测方法包括超声波检测、红外热像检测、电磁波检测等。
这些方法可以从不同角度揭示故障的存在并进行初步定位。
本文将结合实际案例进行电力变压器局部放电故障定位的研究,通过对不同故障检测方法的应用和数据分析,探讨局部放电特征以及故障定位方法的比较,从而评价不同方法的效果并展望未来在该领域的研究意义。
通过本文的研究,希望能为电力变压器局部放电故障的预防和处理提供一定的理论参考和实践指导。
1.2 问题提出在电力系统中,电力变压器是一个至关重要的设备,它承担着电能的输送和调节功能。
由于变压器长期运行和环境因素的影响,局部放电故障可能会发生,给电网运行稳定性带来潜在风险。
问题的提出在于如何准确、快速地定位电力变压器的局部放电故障。
局部放电故障是变压器的常见故障之一,其发生会导致设备的损坏和甚至全面故障,影响电网的正常运行。
变压器局部放电检测与定位技术随着电力行业的飞速发展,变压器作为电力系统重要设备之一,在电力传输、分配中起着至关重要的作用。
然而,由于长期运行、不可避免的维护不善等原因,变压器局部放电问题往往会影响变压器的运行稳定性和寿命。
因此,开发一种高效的变压器局部放电检测与定位技术,保障变压器运行安全和稳定性,对于电力行业的可持续发展至关重要。
一、什么是变压器局部放电?在变压器内部,由于绝缘的老化、变形破损等原因,电界强度分布不均匀,导致局部放电现象的发生。
局部放电在变压器运行中是一个常见的病症,它会导致电感器铁芯磁通逐渐增大,铁芯温度升高,进而导致变压器主油温度升高,油中有机物分解产生气体,并伴有铁芯不同部位的振动,对变压器的正常运行造成严重危害。
二、变压器局部放电检测技术1.电容式检测技术电容式检测技术是指利用变压器绕组上方或内部敷设传感电极,通过电容效应检测变压器内部放电信号的技术。
电容式检测技术检测器数量少、部署方便,可做到在线检测,不需要将变压器停机,可以实时监测变压器的健康状况。
但只有在特定位置才能检测到局部放电,难以实现放电部位的精确定位。
2.超声波检测技术超声波检测技术是指以变压器表面和内部空气(气体)的散射和反射为基础,检测出变压器内部局部放电的技术。
其最大的优点是可以估测放电的位置,但无法确定放电种类,加之测量数据易受工作环境和声波传播方式的影响,因此适用范围有限。
3.光纤传感监测技术光纤传感技术是指将光纤敷设于变压器的油下,通过捕获油的气体相、电气参数等信息,并将光信号从纤芯传递到传感器上进行处理,对变压器内部局部放电进行监测的技术。
光纤传感监测技术精度高,可实现放电部位的精确定位,但是其价格昂贵,适用于高端变压器监测领域。
三、变压器局部放电定位技术对于变压器局部放电问题,纯粹的检测技术已经无法满足要求,还需要辅助局部放电定位技术。
变压器局部放电定位技术,是指通过测量变压器引起局部放电的光学、声学等信号的传播时间,在特定的接线箱上对信号进行综合分析,得出存在局部放电的点位。
变压器套管局部放电定位技术研究摘要:套管是电力系统内的关键高电压绝缘器件,一旦发生绝缘故障,往往导致局部区域停电。
本文对套管局部放电特高频信号的特征进行了研究,获得套管典型缺陷局部放电特高频的相位谱图,提出定位算法适用的最佳定位距离和最佳定位角度,该技术能够定性分析有无局放并判断局放类型,进行背景噪声的初步识别,自动获取信号间时间差进行定位并展示三维定位结果。
关键词:套管;绝缘故障;局部放电;定位技术引言变压器出线套管结构复杂、设计紧凑,在运行过程中由于设计缺陷、安装不当、外部环境因素等原因产生局部放电,并不断发展,最终导致套管炸裂,变压器停运等严重后果。
局部放电是套管绝缘故障的前期征兆和重要诱因,及时发现局部放电现象、确定放电部位并排除引起局部放电的绝缘缺陷是避免发生套管绝缘故障的有效措施。
套管局部放电定位技术通过对套管产生的特高频信号进行检测,判断被测设备上是否存在局部放电故障,并确定放电位置。
1 典型套管局部放电缺陷为模拟典型套管局部放电缺陷,共设计4种局部放电模型,分别为末屏引线接触不良、下瓷套沿面放电、均压环悬浮放电和顶部悬浮四种放电模型[1]。
(1)套管顶部接触不良放电模型。
将一根细金属丝固定在绝缘纸板上,再将绝缘纸板固定在套管顶部的螺丝上。
金属丝和套管顶部金属不直接相连,二者保持约1mm的空气绝缘距离。
加压时,金属丝处在套管顶部的高电位区,会形成稳定的悬浮放电。
该模型用来模拟套管导电头悬浮放电。
(2)末屏引线接触不良模型。
通过改造末屏防护罩,设计防护罩中心用一颗活动顶丝和接线柱相接触。
顶丝旋紧顶住接线柱时,末屏处良好接地;需要时,将顶丝旋出0.5圈,即顶丝和接线柱分离,即末屏处虚接。
(3)均压环附近悬浮放电模型。
用一小段绝缘绳将垫片绑在均压环上,同时二者之间的距离小于2mm。
加压时,由于垫片距离均压环距离较近,会形成稳定的油中悬浮放电。
该模型用来模拟套管均价球接触不良缺陷。
(4)下瓷套沿面放电模型。
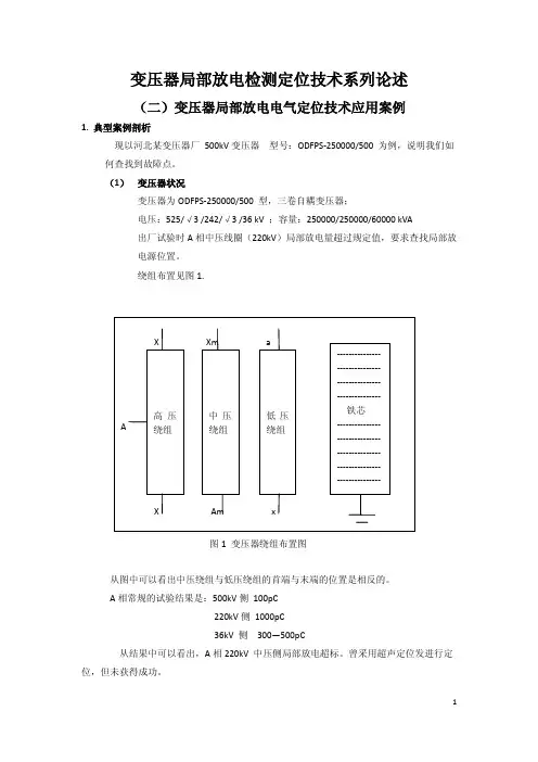
变压器局部放电检测定位技术系列论述(二)变压器局部放电电气定位技术应用案例1. 典型案例剖析现以河北某变压器厂500kV变压器型号:ODFPS-250000/500 为例,说明我们如何查找到故障点。
(1)变压器状况变压器为ODFPS-250000/500 型,三卷自耦变压器;电压:525/√3 /242/√3 /36 kV ;容量:250000/250000/60000 kVA出厂试验时A相中压线圈(220kV)局部放电量超过规定值,要求查找局部放电源位置。
绕组布置见图1.图1 变压器绕组布置图从图中可以看出中压绕组与低压绕组的首端与末端的位置是相反的。
A相常规的试验结果是:500kV侧100pC220kV侧1000pC36kV 侧300—500pC从结果中可以看出,A相220kV 中压侧局部放电超标。
曾采用超声定位发进行定位,但未获得成功。
(2)局部放电定位试验方法采用武汉利捷电子技术有限责任公司HSJ-B型变压器局部放电电气定位装置在A相的220kV绕组Am端的套管末屏,Xm中性点,35kV绕组a端套管末屏,以及中性点x端安装高频电流传感器。
并采用“变压器局部放电检测定位技术系列论述(一)”建立的公式和软件进行数据处理,其结果分别为图2和图3所示。
图中右边为输入的由变压器特性试验所获得的参数,左边为定位结果。
左边上图为故障点位置,横坐标为变压器绕组的位置。
从左到右:“0”是变压器中性点位置,“1”是变压器绕组顶部。
左边下图为相应的视在放电量(pC值)。
(3)试验结果图2为变压器A相中压(220kV)绕组定位结果(10组数据)从图2中看出,在处理的10组数据中,尋找到的“脉冲有效对”67对,其中48对发生在“1”位置,即220kV绕组的顶部。
另有5+8次发生在0.92—1.0之间,而视在放电量则在877pC—1682pC 之间图2 变压器A相中压(220kV)绕组定位结果(10组数图3为变压器A相低压(35kV)绕组定位结果(10组数据)从图3中看出,在处理的10组数据中,尋找到的“脉冲有效对”83对,所有83对发生在“0”位置,即35kV绕组的中性点。
电力变压器绕组对局部放电特高频定位的影响仁 真国网西藏电力有限公司 西藏 拉萨 850000摘 要:绕组是电力变压器的核心部件,绕组中局部放电是引发短路故障的重要诱因,也是故障前的主要征兆。
及时发现绕组中局部放电并确定放电部位,这对于提高检修效率、保证电力变压器可靠运行具有重大意义。
由于超声波信号经过绕组传播时衰减严重,利用现有的超声波探测技术很难检测到绕组中的局部放电。
本文系统研究了绕组中局部放电UHF电磁波的传播过程,针对绕组对UHF电磁波的影响提出了绕组中局部放电UHF检测与定位方法。
关键词:变压器;绕组;局部放电中途分类号: TM41 文献标识码:A正文:1 引言以我国最近几年对输变电设备惊进行的大量研究为依据,可以清晰的知道导致变压器无故不运作的原因是线圈出现问题,经过调查显示,仅在2010年,由于线圈故障引发的变电器停运情况就占到全年所有故障情况的一半,而绝缘遭到破坏是导致事故的又一重要因素,所以,尽可能的避免变压器出现绕组现象,有利于电力系统的正常运行。
2 基于220kV真实变压器的UHF定位试验平台2.1 220kV油浸式电力变压器及其结构试品变压器,也就是三相双绕组油浸式变压器,该变压器的结构是钟罩式,芯体尺寸为:5.40m×2.26m×3.64m,此外,油箱分为上节和下节,下节油箱连接变压器本身,其额定电压为220kv,额定容量为120MVA,在该变压器中,由于高低压绕组结构十分紧密,而且高压绕组厚度为130毫米,低压绕组厚度为113毫米,所以饼间距只有三至五毫米;不仅如此,高、低绕压组各纸筒之间的距离较小(只有十毫米);而低绕压组和地铁芯之间则是用的双油隙厚纸筒,大油隙结构相对小油隙结构相对较宽(约为二十毫米)。
如果以坐标形式表现,建立假设变压器的长度方向是X轴、厚度方向为Y轴、高度方向为Z 轴,并用变压器A相高压侧下端的顶点充当坐标原点O的三维空间直角坐标系。
专利名称:一种变压器局部放电电气定位方法及设备
专利类型:发明专利
发明人:郑一鸣,邵先军,何文林,金玉琪,詹江杨,李晨,金凌峰,蔺家骏,穆海宝,张博文,张冠军,林浩凡
申请号:CN202110006103.9
申请日:20210105
公开号:CN112834877A
公开日:
20210525
专利内容由知识产权出版社提供
摘要:本发明公开了一种变压器局部放电电气定位方法及设备,其中,在变压器通电的情况下,获取来自示波器的变压器绕组两端的第一脉冲电流组的电流信息。
基于变压器绕组两端的第一脉冲电流组的电流信息,获取第一脉冲电流组的脉冲电流的若干特征值。
其中,若干特征值至少包括以下任意一项或多项:脉冲电流峰值、脉冲电流电荷量、脉冲电流能量、脉冲电流峰值时间。
基于第一脉冲电流组的脉冲电流的若干特征值以及预设规则,得到粒子群算法的初始适应度。
通过粒子群算法,调整适应度,以使粒子群算法的适应度取值最小,从而确定变压器的局部放电点。
本发明通过上述方法,对变压器局部放电位置进行精确地定位。
申请人:国网浙江省电力有限公司电力科学研究院
地址:310014 浙江省杭州市下城区朝晖八区华电弄1号
国籍:CN
代理机构:浙江翔隆专利事务所(普通合伙)
代理人:张建青
更多信息请下载全文后查看。
一种新型变压器局部放电监测装置的研究变压器作为电力系统中重要的电压等级转换工具,变压器的安全稳定运行对整个电力网的运行起着重要作用。
变压器内部绝缘在运行中长期处于工作电压的作用下,特别是随着电压等级的提高,绝缘承受的电场强度值很高,在绝缘薄弱处很容易产生局部放电,产生局部放电的原因是:电场过于集中于某点,或者说某点电场强度过大,如固体介质有气泡,杂质未除净;油中含水、含气、有悬浮微粒;不同的介质组合中,在界面处有严重电场畸变。
局部放电的痕迹在固体绝缘上常常只留下一个小斑,或者是树枝形烧痕。
在油中,则出现一些分解的小气泡。
局部放电时间虽短,能量也很小,但具有很大的危害性,它的长期存在对绝缘材料将产生较大的破坏作用,一是使邻近局部放电的绝缘材料,受到放电质点的直接轰击造成局部绝缘的损坏,二是由放电产生的热、臭氧、氧化氮等活性气体的化学作用,使局部绝缘受到腐蚀老化,电导增加,最终导致热击穿。
运行中的变压器,内部绝缘的老化及破坏,多是从局部放电开始。
由此我们提出一种新型变压器局部放电监测装置。
变压器放电脉冲是沿着绕组传播,起始放电脉冲是按分布电容分布的,经过一段时间后,放电脉冲通过分布电感和分布电容向绕组两端传播,行波分量传播到测量端的检测阻抗以后,有可能发生反射或震荡,所以纵绝缘放电信号在端子上的响应比地绝缘放电小的多,放电脉冲波沿绕组传播的衰减随着频率的增大而增大。
利用暂态地电波(Transient Earth Voltages,简称TEV)技术,实现对变压器局部放电的监测,改变了传统的变压器局部放电试验方法,有效预防变压器由于局部放电造成绝缘缺陷。
二.暂态地电波(TEV)技术的基本理论理论高压电气设备在发生局部放电时候,放电量往往先集中在与接地点相邻的导体附近,产生对地电场,从而会产生对地电流。
电流沿着设备表面传播,对于内部放电,电荷集中在屏蔽层的内表面,屏蔽层连续完整的话,在外表面检测到放电是十分艰难的。
变压器绕组特性对局部放电检测的影响满玉岩1,李忠礼2,潘浩3,高文胜3(1.天津电力科学研究院,天津300022;2.黑龙江省龙凤热电厂发电分厂黑龙江大庆163711;3.清华大学电机系,北京100084)摘要:提出了一种利用绕组两端测量结果对视在放电量进行修正的方法。
关键词:电力变压器;绕组;局部放电中图分类号:TM406文献标识码:B文章编号:1001-8425(2008)01-0062-04InfluenceofTransformerWindingCharacteristicstoPDDetectionMANYu-yan1,LIZhong-li2,PANHao3,GAOWen-sheng3(1.TianjinElectricPowerInstitute,Tianjin300022,ChinaB 2.HeilongjiangLongfengThermalPlant,Daqing163711,ChinaK 3.TsinghuaUniversity,Beijing100084,China)Abstract:Themethodtocorrectapparentdischargequantitieswiththemeasuredresultsattwoterminalsinwindingispresented.Keywords:Powertransformer;Winding;PD1前言电力变压器是电力系统的枢纽,其运行可靠性直接关系到电力系统的安全与稳定。
近年来对我国大型电力设备故障的统计分析表明,局部放电造成的绝缘老化是影响设备正常运行的主要原因[1]。
视在放电量作为表征局部放电水平的主要特征量,在电力设备型式和出厂试验中已成为重要的质量检验标准。
国家标准GB7354-1987中规定,采用以下方法对放电量进行标定[2]:在试品两端瞬时注入定量电荷,使试品端电压的变化和由局部放电本身引起的端电压变化相同,此注入量即为局部放电的视在放电量。
关于电力变压器局部放电问题的研究余志纬【摘要】Combining with his many years of practice, the author first analyzed the causes of the problem of partial discharge in power transformers and then described the various hazards, and finally talked about the measures to prevent and reduce the harm caused by partial discharge and the application of partial discharge monitoring technology in transformer, to provide reference for peer.%本文作者结合自己多年的工作实践,首先针对电力变压器中局部放电问题产生的原因进行分析,进而阐述了局部放电的种种危害,最后谈及了预防降低局部放电危害的相关措施以及局部放电监测技术在变压器的应用,以供同仁参考.【期刊名称】《价值工程》【年(卷),期】2011(030)018【总页数】1页(P51-51)【关键词】高压设备;放电;绝原材料;措施【作者】余志纬【作者单位】广东电网公司,广州510600【正文语种】中文【中图分类】TM40 引言所谓的局部放电,主要就是指互感器、变压器以及其它一些高压电气设备在高电压的作用下,它的内部绝缘发生的放电。
它只发生在绝缘的局部位置,不会马上形成整个绝缘贯通性击穿或闪络,因此称作局部放电。
1 局部放电产生的原因对于高压电工产品,局部放电的产生常常是难以避免的。
原因是绝缘结构或绝缘材料中往往有一些容易击穿的油膜或气隙绝缘介质,其介电常数低于固体介质,所以在电场作用下,往往承受的场强要高于固体介质,而其穿强度又比固体介质低,所以,当外加电压上升到一定值,就会导致油或空气的局部击穿而产生局部放电。
试验研究变压器绕组的局部放电定位研究罗旖旎1,黄超2(1.长沙电力职业技术学院,湖南长沙410000;2.长沙理工大学电气与信息工程学院,湖南长沙410076)摘要:通过ATP-Draw建立了变压器单绕组模型,模拟了局部放电脉冲在绕组中的传播过程,并介绍了基于分段绕组传递函数的局部放电定位方法。
关键词:变压器;绕组;局部放电;传递函数中图分类号:TM406文献标识码:B文章编号:1001-8425(2009)03-0043-04 Research on Partial Discharge Location in Transformer WindingLUO Yi-ni1,HUANG Chao2(1.Changsha Vocational&Technical College of Electricity,Changsha410000,China;2.Changsha University of Science&Technology,Changsha410076,China)Abstract:The model of single phase transformer winding is established by ATP-Draw.The propagation process of partial discharge pulses along the windings is simulated.The method of partial discharge location based on the theory of sectional winding transfer functions is introduced.Key words:Transformer;Winding;Partial discharge;Transfer function1引言变压器的绝缘状况是影响电力系统安全稳定运行的重要因素,而变压器内部产生的局部放电又是导致绝缘劣化的重要原因,因此,局部放电监测对于变压器的安全运行来说是十分必要的。
笔者通过ATP-Draw建立单绕组模型,模拟了局部放电脉冲的传播,分析了局部放电脉冲的传播特性,如信号能量和幅值衰减、波形畸变和延时等。
通过MATLAB程序计算了这些特性与变压器绕组和绝缘结构、脉冲传播的路径和距离存在的关系,并在此基础上进行了研究分析,介绍了基于分段传递函数这一电气定位方法,实现了对变压器单个点局部放电的精确定位。
2仿真分析随着计算机技术的发展,仿真受到了更多学者们的青睐。
由于许多试验是破坏性的、不可逆转的或者是根本无法模拟的,因此无法在现实中进行,而仿真则弥补了这些缺陷。
它具有灵活、适应性强、经济、省时而且能重复进行的特点。
为了对变压器局部放电源进行电气定位,需要了解在不同位置发生的放电脉冲沿绕组传播至测量点的变化规律,探求放电位置不同时脉冲传播的差异,利用ATP-Draw仿真软件结合MATLAB能很好地对此进行研究。
2.1建立单绕组模型变压器绕组实质上是由类似均匀传输线的导线绕制而成,传播局部放电信号的变压器绕组可认为是一个分布参数网络。
在ATP-Draw中变压器单绕组模型如图1所示,其中R、L、C、K分别是绕组单位长度的电阻、主电感、对地电容和纵向电容。
从图1中可见,该模型由N个相同结构的段落组成,并在0123N-1N-2N R LK Cy1y2 x x图1变压器绕组模型Fig.1Model of transformer winding第46卷第3期2009年3月TRANSFORMER Vol.46MarchNo.32009第46卷电路单元段落连接的节点处编号。
模型在一定程度上能反映出变压器绕组在一定频率范围的特性。
绕组模型两端分别表示高压套管末屏接地和中性点接地,上面均接有检测电阻。
当变压器内部发生局部放电时,放电脉冲沿绕组传播到达测量端,从两端的检测电阻上可以得到放电脉冲信号,该放电脉冲包含了丰富的放电特性和局放定位所需的有用信息,通过对放电脉冲进行分析,可以确定局部放电源的位置。
2.2分段传递函数法对于模拟绕组中发生单个局部放电源放电的情况,可以把图1简化为图2来说明。
根据分段传递函数法,把绕组模型分为N 节,那么有(N -1)个节点处可能发生局部放电,假设局部放电发生在K 号节点处,把放电点到两端的传播路径分别看成两个系统,根据信号与系统,检测到的输出信号为输入信号与系统传递函数的卷积。
y 1(t )=x (t )·h 0(t )·h 0(t )…h 00000000K (t )y 2(t )=x (t )·h 0(t )·h 0(t )…h 00000000(N-K )(t ω0ωω)(1)由于仿真中每个段落的元件及参数都是相同的,其中h 0(t )表示每段结构的传递函数的时域形式。
利用MATLAB 进行快速傅里叶变换(FFT ),把输出信号y 1(t )和y 2(t )转换到频域范围后,可得:Y 1(j ω)=X (j ω)·H 0(j ω)·H 0(j ω)…H 0(j ω)=X (j ω)·H K0(j ω)Y 2(j ω)=X (j ω)·H 0(j ω)·H 0(j ω)…H 0(j ω)=X (j ω)·H N -K 0(j ωω00ωω)(2)同样,H 0(j ω)表示每段结构的传递函数的频域形式,也称之为基本传递函数。
对两端采集到的输出信号进行如下计算:H (j ω)=Y 2(j ω)Y 1(j ω)=H 0N-K (j ω)H 0K(j ω)=H 0N -2K(j ω)=H 0(j ω)N -2K(3)式(3)中排除了局部放电源这一输入信号的因素,使得H (j ω)仅仅取决于基本传递函数H 0(j ω)的(N -2K )次方,其中N 是可以在仿真中设置的参数,而且H 0(j ω)曲线可以由输出曲线计算得出,所以局部放电源不同的位置参数K 成为影响H (j ω)曲线的重要因素。
因此,可以根据计算得到H (j ω)的不同来定位局部放电源的具体位置K 。
其中变压器绕组的单位段落如图3所示。
根据图3可以得出基本传递函数如下:H 0(j ω)=U 0U i=1j ωC1j ωC +(R +j ωL )·1j ωK (R +j ωL )+1j ωK=1+j ωRK -ω2LK1+j ωR (K+C )-ω2L (K+C )有:H (j ω)=H 0(j ω)N -2K3单点定位的仿真算例绕组在15节~25节内最能代表实际变压器的绕组特性,在单个局部放电点的ATP-Draw 仿真中,设置变压器绕组模型为N =20节,为电路单元的节点编号从1号~19号。
ATP -Draw 中HEIDLER -Surge function 函数用来模拟局部放电电源,即在图2的变压器绕组某段注入双指数电流脉冲模拟局部放电源,其波形如图4所示。
上升时间为0.002ms ,下降到峰值30%的时间为0.06ms 。
设置绕组模型中的元件参数为:L =220mH 、C =2500pF 、K =450pF 、R =10Ω。
在此算例中设置单个局部放电源x (t )位于在9号节点处时,从两端的检测电阻上可以得到的输出曲线如图5所示。
y 1(t )电流曲线在0.047ms 出现起始电压,0.259ms 到达第一个电流峰值,为0.4822A 。
y 2(t )电流曲线在0.133ms 出现起始电压,0.309ms 到达第一个电流峰值,为0.4675A 。
可以看出,局部放电在传播中信号幅值发生了衰减、波形严重畸变并伴随着时延等现象。
随着局部放电点距离两端检测12KN -3N -2N -1y 2(t )y 1(t )x (t )图2简化的变压器绕组模型Fig.2Simplified model of transformer windingRLKCU o U i+-+-图3变压器绕组的单位段落Fig.3Unit section of transformer winding44罗旖旎、黄超:变压器绕组的局部放电定位研究第3期阻抗位置的远近不同,起始电压出现的时刻有着较大的差别,由于算例中绕组为20节,局部放电位置在9号节点位置,距离左边检测阻抗较近,因此,左边检测阻抗上的输出信号y 1(t )出现起始电压的时间明显较y 2(t )的早。
从ATP-Draw 中检测到的信号是以图的形式,在MATLAB 中以图形:H 9=Y 2(j ω)Y 1(j ω)=H 0N-K(j ω)H 0K (j ω)=H 0(j ω)N -2KN =20,K =9(4)把局部放电源的位置分别放置在绕组模型的1号、2号、3号……19号节点处,根据局部放电位置的不同,通过仿真可以得到19组不同的输出信号y 1(t )和y 2(t )。
在MATLAB 中,仍然通过对信号进行FFT ,得到每组曲线的两条频谱信号Y 1(j ω)和Y 2(j ω),再对这两条频谱曲线进行相除,根据公式(4)可以得到相应的19组传递函数的曲线,相应的标记为H 1、H 2……H 19,这19组曲线可成为局部放电定位的基础数据库,由于它们仅仅决定于变压器绕组模型的参数,因此也可以通过计算的方法得出,不过通过仿真计算程序得出的比较直观,而且也利于后续的分析。
得到H 1、H 2……H 19后,开始利用它们来进行定位。
假设单个局部放电源发生在Y 号节点处,同时局部放电源的波形曲线都是未知的,这很符合实际中变压器发生故障的情况。
放电在绕组模型中传播,测到两端检测信号y Y 1(t )和y Y 2(t )的电流曲线,将y Y 1(t )和y Y 2(t )用MATLAB 进行FFT 后,得到相应的Y Y 1(j ω)和Y Y 2(j ω)的频谱曲线,仍然根据公式(4)计算得到曲线H Y ,再对H Y 与先前得到的H 1、H 2……H 1919个图形相关系数分析,会发现相关系数在-1~1之间.利用模糊数学的原理可以认为相关系数为0.5以下的两条曲线基本上不相关,0.5及以上则认为相关性很大。
从某局部放电监测装置上得到输出信号,根据H Y =Y Y 2(j ω)Y 1=H 020-2Y ,并对H Y 与先前得到的H 1、H 2……H 19这19个图形进行相关分析,得到的相关系数如表1所示。
从表1中可以看出H Y 与H 14的系数在所有曲线里最大,那么可以认为局部放电发生在14号节点处。
利用分段函数法对单个局部放电点的定位经过了多次的仿真验算,证明了定位的可靠性。
4结论对于变压器制造厂家和现场监护人员来说,在确定变压器内部存在局部放电的同时,需要快速准确地对局部放电进行定位,这对于迅速排除故障、保障电力系统的正常运行具有重要意义。