危险源辨识清单
- 格式:doc
- 大小:30.50 KB
- 文档页数:11
主要危险源辨识清单一、引言危险源辨识是一个关键的过程,旨在识别和评估潜在的危险源并采取相应的控制措施,以确保工作场所的安全和健康。
本文档旨在提供一个主要危险源辨识清单,以帮助企业或组织识别可能存在的危险源。
二、主要危险源辨识清单以下是一些常见的主要危险源,企业或组织应该密切关注并进行辨识和评估:1. 物理危险源- 电气设备:检查电路、插座和电源线是否正常运作,避免电气火灾和触电风险。
- 机械设备:确保设备操作安全,防止危及工人身体的机械伤害。
- 噪音:评估工作区域的噪音水平,采取必要的隔音措施,减少对工人听力的影响。
- 手动搬运操作:确保员工用正确的姿势进行搬运工作,避免扭伤和拉伤的风险。
2. 化学危险源- 危险化学品:分类和标记化学品,提供必要的安全数据表和个人防护用品,控制和管理危险化学品的储存和使用。
- 气体排放:评估并控制工作场所的气体排放,确保空气质量符合安全标准。
3. 生物危险源- 传染病:教育员工保持个人卫生,建立良好的卫生条件,确保预防措施得到有效实施。
- 生物污染物:识别潜在的生物污染源,采取适当的清洁和消毒措施。
4. 人为危险源- 人为错误:对员工进行培训,以减少人为错误带来的潜在危险。
- 不当操作:确保员工遵守操作规程,避免不当操作引发事故。
5. 环境危险源- 能源消耗:识别并采取节能措施,减少对环境的负面影响。
- 废弃物管理:规划妥善的废弃物处理方式,减少对环境和公共健康的影响。
三、结论危险源辨识是确保工作场所安全和健康的关键步骤。
通过使用主要危险源辨识清单,企业或组织可以更好地识别潜在的危险源并采取相应的控制措施。
然而,这个清单只是一个参考,企业或组织应根据其特定情况进行适当的辨识和评估工作。
危险源辨识风险评价清单下面是一个危险源辨识和风险评价的清单。
这个清单仅作为参考,根据具体的工作环境和情况,可能需要进行适当的修改和补充。
1.劳动安全类:-工作高度超过2米,是否需要使用安全带或其他防护设备?-是否存在埋藏在地下的管道或电缆,需要进行标识和保护?-是否有高温、低温、有害气体等环境因素对工人的健康造成潜在危害?-是否需要进行紧急撤离和救援的应急预案?2.机械设备类:-设备是否有安全护罩和停止装置?-是否需要定期检修和维护设备以确保其正常运行?-机械设备是否符合相关的安全标准和规范?3.电气设备类:-电气设备是否接地良好,防止触电危险?-是否需要检查电气线路和设备是否有漏电和过载的风险?-是否需要对电气设备进行定期检修和维护?4.化学品类:-使用的化学品是否有毒性、腐蚀性或易燃性等潜在危险?-是否有相关的安全措施和设备用于储存、使用和处理化学品?-是否需要进行化学品泄漏和事故的应急预案?5.劳动强度类:-工作岗位是否存在长时间、高强度的体力劳动?-是否需要安排轮班工作来减轻工人的劳动强度?-是否需要提供适当的人机工程设计来减少工人的劳动负荷?6.心理因素类:-工作环境是否存在高度紧张和压力的因素?-是否需要提供心理健康支持和辅导服务?-是否需要进行工作满意度和心理健康的调查和评估?7.环境污染类:-工作环境是否存在噪音、振动、粉尘等污染因素?-是否需要采取相应的措施来控制和减少环境污染?-是否需要进行环境监测和评估?通过对以上危险源的辨识和风险评价,可以制定相应的控制措施和安全规范,确保工作环境的安全性和健康性。
同时,还需要定期对危险源进行复评和改进,以保持工作环境的安全和稳定。
《危险源辨识风险评价和控制措施》清单危险源辨识、风险评价和控制措施是在工作场所中用来识别潜在危险源、评估对健康和安全可能造成的风险,并采取相应控制措施预防和减少这些风险的方法。
以下是一个包含危险源辨识、风险评价和控制措施的清单,供参考和学习使用。
危险源辨识清单:1.机械设备:检查机械设备是否存在缺陷、结构松动、磨损以及电气故障等情况;2.化学品:识别工作场所中可能存在的有害化学品及其储存方式;3.高处作业:辨识可能存在的高处作业风险,如坠落、滑倒等;4.物理因素:辨识可能存在的噪声、振动、辐射等物理因素对员工健康的潜在影响;5.火灾和爆炸:辨识火灾和爆炸危险源,如易燃物质、不安全的电气设备等;6.人为因素:辨识员工可能犯错的地方,如疏忽、疲劳等。
风险评价清单:1.根据危险源辨识结果,评估潜在的危害和概率;2.依据工作环境,对可能造成的损害进行评估;3.考虑员工接触的频率、时间和强度,评估与危害相关的风险级别;4.分析可能导致事故和职业病的因素,并进行合理的风险评估。
控制措施清单:1.工程控制:通过改变工作环境和设备设计来减少或消除潜在危险源;2.行政控制:制定明确的工作流程和操作规范,以减少人为因素带来的风险;3.个体保护:为员工提供适当的个人防护装备,如呼吸器、防护手套等;4.安全培训:进行定期的危险源辨识和风险评价培训,提高员工安全意识和风险识别能力;5.定期检查和维护:定期检查设备、工作环境和个人防护装备的状况,及时修复或更换损坏的设备和装备;6.紧急应急预案:制定和实施紧急应急预案,确保在事故发生时能够及时、有效地应对。
以上是一个包含危险源辨识、风险评价和控制措施的清单。
危险源辨识和风险评价是保证工作场所健康安全的基础,而控制措施的实施能够减少或消除潜在的风险。
企业应根据自身情况和行业特点,制定适合的危险源辨识、风险评价和控制措施,并根据实际情况进行调整和改进,以确保员工安全,减少事故和职业病的发生。
危险源辨识清单危险源辨识清单是指针对一个特定的工作环境,列出所有可能存在的危险源的清单。
通过对危险源进行识别和分析,有针对性地采取措施来防范和减少事故的发生。
接下来,本文将从几个方面来介绍危险源辨识清单。
一、危险源分类在进行危险源辨识清单之前,我们需要先了解危险源的分类。
危险源的分类通常有以下几种:1. 物理危险源:例如高温、低温、强电场、弱电场等。
2. 化学危险源:例如有毒、易燃、易爆等。
3. 生物学危险源:例如病原体、生物毒素等。
4. 机械危险源:例如机器设备、工具、钢筋等。
5. 心理危险源:例如压力、心理紧张、抑郁等。
6. 社会危险源:例如盗窃、恐怖袭击等。
以上几种危险源都可能存在于不同的工作环境当中。
二、危险源辨识清单的编制危险源辨识清单是指对一个特定工作环境、特定工程或特定生产过程中的危险源进行识别和分析,从而减少或消除事故可能带来的危害。
以下是编制危险源辨识清单的步骤:1. 初步了解工作环境:对工作环境进行整体了解,包括工作区域、环境因素、工作设备等。
2. 辨识潜在危险源:通过对工作环境的观察和分析,辨识出潜在的危险源。
3. 评估危险源:针对每个潜在的危险源进行评估,判断其类型、等级和影响范围。
4. 制定应对措施:根据评估的结果,制定相应的应对措施,防范和消除危险源的影响。
5. 实施和监控:实施应对措施,并对其效果进行监控,确保其有效性和长期性。
三、危险源辨识清单注意事项在编制危险源辨识清单的过程中,需要注意以下几个方面:1. 系统性:辨识危险源的清单需要全面、系统地考虑所有可能存在的潜在危险源。
2. 具体性:危险源辨识清单需要具体找出危险源,并评估其具体性质和可能的危害。
3. 实践性:危险源辨识清单需要具备实践性,能够给出可行的应对方案和实施措施。
4. 动态性:危险源辨识清单需要具备动态性,随着工作环境的变化和新技术的引入,周期性地对危险源进行更新和修订。
5. 整合性:危险源辨识清单需要与其他相关管理体系进行整合,例如安全生产管理体系、环境管理体系等。
一般危险源辨识清单一般危险源辨识清单是指为了确保企业工作场所安全,预防事故发生,需从工作环境、工作条件、从业人员行为等方面进行危险源的辨识和评估。
以下是一份可能参考内容的一般危险源辨识清单:1. 工作场所布局:识别可能存在的阻挡物、狭窄通道、堆积物等会增加跌倒或碰撞风险的因素。
确保紧急出口和疏散路径畅通。
2. 电气安全:识别潜在的电气危险,包括老化的电线、不符合标准的插头插座、未经维护的电气设备等。
3. 机械设备:识别可能存在的机械设备引发的伤害风险,包括旋转部件、传送带、切割设备等。
4. 化学品储存和使用:识别可能存在的有害化学品或气体泄漏、化学品混合的风险,以及贮存和使用化学品的不当方式。
5. 火灾风险:识别可能引发火灾的因素,包括存在易燃物品、不正确的电气安装和使用、缺乏消防设备等。
6. 高处作业:识别高处作业可能导致的坠落和失衡风险,包括工作台、梯子、楼梯和升降机等。
7. 人为行为:识别可能引发事故的人为行为,包括疏忽、不规范的操作、使用不当的工具设备等。
8. 紧急情况和逃生:识别灾难性事件发生时可能产生的紧急情况,如火灾、爆炸等,以及可能发生的逃生困难和救援困难。
9. 个人防护措施:评估工作场所是否提供适当的个人防护装备,并确保从业人员正确佩戴和使用。
10. 安全培训和沟通:评估企业是否提供必要的安全培训和交流机制,以确保员工了解危险源、预防措施和紧急救援程序。
11. 环境风险:识别潜在的环境风险,如噪音、振动、气味等,评估对员工身体健康的潜在影响。
12. 安全记录和事故调查:评估企业是否有健全的安全记录和事故调查机制,以便记录事故、识别根本原因并采取改进措施。
以上仅为一般危险源辨识清单的一部分参考内容,企业可根据实际情况进行进一步的细化和调整。
同时,对于危险源的辨识和评估只是第一步,企业还需制定相应的预防和控制措施,并不断强化安全培训、监督和管理,确保工作场所的安全与健康。
危险源辨识与风险评价清单1.个人因素:-缺乏充分的培训和教育-不合适的个人保护装备-缺乏必要的技能和知识-不遵守安全操作规程和程序-对危险源的不敏感性或过于自信2.物理环境因素:-不安全的工作场所和设备-不稳定的结构和设备-不合规的电气设备和线路-缺乏紧急逃生通道和逃生设备-不充足的照明和通风-噪音、震动等有害环境-潜在的火灾、爆炸和化学泄漏风险-不安全的物料储存和堆放方式3.组织管理因素:-缺乏明确的安全政策和程序-不充分的资源和预算用于安全管理-缺乏监管和检查机制-不合理的工作时间和任务安排-缺乏有效的沟通和信息流动-不合理的工作压力和心理健康问题-人员不合理数量和分配问题4.操作过程因素:-不规范的工作操作和程序-缺乏充分的风险评估和管理措施-不良的工艺和操作控制-作业手册和操作程序不清晰-缺乏恰当的监测和检修程序-不合理的物料和化学品管理5.环境因素:-天气条件的不利影响-自然灾害(如地震、洪水、台风等)-环境污染和有害物质的存在-社会和政治不稳定因素以上仅为危险源辨识与风险评价的一些常见因素示例,具体的清单应根据具体的组织和行业进行定制。
清单应包括所有与组织或工作活动相关的潜在危险源,并识别可能的风险等级和可能的风险后果。
这些清单不仅可以帮助组织发现和识别危险源,还可以帮助组织评估和优先级不同风险,并制定相应的风险管理策略和措施。
危险源辨识与风险评价清单的应用对组织的安全管理非常重要,帮助组织识别和评估可能的风险,以采取预防和控制措施来减少人员和财务损失。
因此,组织应定期进行危险源辨识与风险评价,并根据评估结果制定相关的风险管理计划和行动方案。
学校危险源辨识清单介绍本文档旨在识别和记录学校中的各类危险源,以提高学校的安全管理和应急响应能力。
危险源的准确辨识是建立安全环境的基础,它有助于保护学生、教职员工和校园财产的安全。
危险源辨识清单以下是我们对学校危险源的初步辨识清单。
请注意,该清单并不是详尽无遗的,仍需进一步的研究和完善。
辨识到的危险源应采取相应的措施来降低风险。
1. 实验室危险源- 化学品储存:审核化学品的类型和数量,确保合适的储存和标识。
- 科学实验:评估科学实验的风险,制定安全实验室操作指南。
- 化学废物处置:确保废物分类和正确的处置方法。
2. 体育运动危险源- 运动场设施:检查设施的安全状况,包括球场、跑道、器械等。
- 运动训练:评估运动项目和训练计划的安全性,提供适当的保护措施。
- 急救措施:培训教练和工作人员进行急救和应急处理。
3. 校园建筑危险源- 消防设备:确保消防设备的完好性和操作性。
- 建筑物安全:检查建筑物的结构、电气设备和通风系统的安全性。
- 安全逃生路线:为建筑物规划和标识安全逃生路线。
4. 食品卫生危险源- 食品加工和存储:制定食品安全管理标准,确保食品的卫生质量。
- 食品过敏:了解学生的食物过敏情况,并采取相应的预防措施。
- 食品中毒:建立食品中毒的监测和报告机制。
5. 安全管理危险源- 公共区域监控:安装和维护安全摄像监控系统。
- 现场安保:制定安全巡逻和堵截措施,确保校园的出入口安全。
- 突发事件应急响应:制定应急预案,组织演练和培训。
请注意,以上清单仅供参考,并非详尽无遗。
学校应根据实际情况进行具体辨识和改进,并定期更新和审查危险源清单。
结论学校危险源的准确辨识对于创造安全的学习和工作环境至关重要。
通过定期辨识和管理这些危险源,学校可以有效预防事故的发生,并及时应对突发事件。
我们鼓励学校持续改进危险源管理,确保校园的安全和健康。
全套危险源辨识清单1. 什么是危险源辨识?危险源辨识是指对某一工艺过程、设备装置、职业环境、劳动行动等进行识别、分析危险因素的过程。
通过辨识危险源,识别潜在的危险因素,有助于防范事故的发生,确保生产安全。
2. 危险源辨识的重要性在现代化工业生产过程中,危险源无处不在。
危险源应当早期识别和有效管理,以确保作业环境安全,预防工伤和职业病发生,也是保障正常生产的一项基本工作。
危险源辨识工作的重点是确定危险源,并采取合理的措施进行管理,防范潜在的危险风险,促进企业的可持续发展。
3. 危险源辨识清单危险源辨识清单是辨识危险源的重要工具,它有助于将危险源辨识的工作系统化、科学化、规范化,把握危险源的分布和特点,加强管理,确保作业安全。
以下是一份全套危险源辨识清单,供参考:3.1 工艺过程危险源辨识清单•物料储存:物料储存场所是否堆放整齐,是否存在堆垛不稳定、太高等情况,物料转运设备是否正常运转。
•物料加工:设备是否开启前都经过检查,是否存在设备异响以及物料输送管路是否通畅。
•分离、提取、浓缩、蒸发等过程:排气管道是否完整并与设备良好连接,是否存在回喷现象,设备运行时是否有明显振动或噪音。
•反应器操作:反应器是否正常运转,反应液位高低是否符合要求,采取的增压措施是否足够。
•传感器:是否存在误差,是否放置正确,是否及时维护,是否需要更换。
3.2 设备装置危险源辨识清单•机械设备: 机械设备是否有缺陷,是否经过定期检查、维修、保养、升级后再使用。
•管道系统:管路系统是否有是否有漏损、堵塞、故障,管道是否正常及可靠。
•电气设备:设备是否正常,连接是否严实,接地是否合格,电缆绝缘是否完好。
•消防设施:灭火器、疏散通道、烟雾探测器等消防设施是否齐全、强度是否够、使用是否方便。
3.3 职业环境危险源辨识清单•环境噪声:工作区域内噪声是否超标。
•人员密度:工人密集型的工作区域内是否有合适的安全通道和避难室。
•光照、通风、温度、湿度等职业环境参数是否符合标准,是否有对人体有害的气体和颗粒。
危险源辨识风险评价及控制措施清单危险源辨识是指对工作场所的环境、工艺、设备、材料等因素进行识别与评估,以确定潜在的危险源和可能带来的风险。
在识别危险源的基础上,根据风险评价结果,采取相应的控制措施来降低风险,确保工作场所的安全和健康。
以下是针对不同工作场所的危险源辨识、风险评价及控制措施的清单:1.办公场所:-危险源辨识:电源插座、电缆、电线、电器设备、办公设备、摄像头、网络设备等。
-风险评价:触电、火灾、设备故障、数据泄露等风险。
-控制措施:保证设备安全可靠;设立应急疏散通道;进行定期检查和维护。
2.工业生产车间:-危险源辨识:机械设备、危险化学品、高温、高压等。
-风险评价:机械伤害、火灾、爆炸等风险。
-控制措施:安装机械防护装置;对危险化学品进行分类、标识和储存;设置防爆设施等。
3.建筑工地:-危险源辨识:高空作业、起重机械、坑道、建筑材料等。
-风险评价:坠落、物体打击、坍塌等风险。
-控制措施:设置安全网、安全扣具、护栏等;配备个人防护装备;定期检查和维护建筑材料及设备。
4.医疗机构:-危险源辨识:感染源、手术器械、药品、放射性物质等。
-风险评价:传染病传播、手术事故、药品误用等风险。
-控制措施:建立感染控制制度;严格执行手术操作规程;合理使用药品和放射性物质。
5.交通运输:-危险源辨识:车辆、道路、天气、物流等。
-风险评价:交通事故、员工安全等风险。
-控制措施:加强驾驶员培训和监控;定期检查和维护车辆;提供安全保护设施等。
通过危险源辨识和风险评价,企业可以了解工作场所可能存在的危险和风险,并采取相应的控制措施来预防和减少事故的发生。
此外,应定期进行风险评估和控制措施的检查,确保措施的有效性和及时调整。
综上所述,危险源辨识、风险评价及控制措施清单对于确保工作场所安全和健康非常重要。
企业应按照相关法规和标准,结合实际情况,制定相应的清单,并加强培训和管理,不断提升工作场所的安全性和健康性。
危险源辨识及控制措施清单1.物理危险源-电器设备:使用具有防护措施的电器设备,并定期检查维护。
-高处作业:使用防护栏杆、安全网等保护设施,并提供合适的个人防护装备。
-机械设备:加装安全护罩、安全开关和紧急停止装置。
-运输设备:确保驾驶员合格,车辆安全,并进行定期检查维护。
-气体、液体和固体:使用正确的存储和处理方法,并提供合适的个人防护装备。
2.化学危险源-有害物质储存:储存有害物质应符合相关法规要求,并采取防火防爆措施。
-适当通风:确保有害物质处理区域有足够的通风,减少对工人健康的影响。
-个人防护装备:提供适当的呼吸防护、防护手套、防护眼镜等个人防护装备。
3.生物危险源-预防传染病:保持工作场所的清洁和卫生,定期进行消毒和清理。
-接触动物:采取个人防护装备,如手套、防护服等,避免直接接触动物或其排泄物。
-废物管理:正确处理和处置生物危险废物,包括正确分离、包装和储存。
4.火灾危险源-火灾预防:设置灭火器、灭火器等灭火设备,并进行定期检查和维护。
-防火构造:使用防火材料和结构设计,确保建筑和设备具备耐火性能。
-火灾逃生:制定灭火和逃生计划,并进行定期演练。
5.人为因素-培训和教育:向工人提供必要的培训和教育,使其了解危险源和相应的控制措施。
-安全标志和警示:在工作场所明显位置设置安全标志和警示,提醒工人注意安全。
-管理监督:建立有效的管理体系,监督和检查危险源的控制措施的执行情况。
以上是一个危险源辨识及控制措施清单的应用版,根据实际情况,可以根据所处行业或工作环境进行调整和补充。
然而,危险源辨识及控制措施的制定和实施应该与经过专业培训和有相关资质的人员合作,以确保其有效性和合规性。
危险源辨识清单模板危险源识别清单是企业开展安全管理工作的重要工具之一,其包含了一系列常见的安全隐患,帮助企业识别和预防可能造成事故的危险源,从而加强对生产过程的控制,防止事故的发生。
以下是一份常用的危险源辨识清单模板供参考。
1. 机械设备类1.1 机械设备操作过程中的安全风险1.1.1 操作误操作导致的机械设备故障和人员伤亡1.1.2 操作区域的环境因素,如临时电缆、混乱的场地等导致的危险1.2 机械设备所固有的风险1.2.1 机械设备使用过程中出现意外停机或故障导致的危险1.2.2 机械设备的主要零部件以及液压、气压系统等导致的潜在危险2. 物料及仓储类2.1 物料的处理、存储和运输过程中的安全风险2.1.1 物料的易燃、易爆及其他有毒有害特性2.1.2 物料的堆放和堆垛方式及处理方法2.1.3 物料的运输和装卸方式2.2 仓储设备及系统的固有风险2.2.1 仓储设备的日常检查和保养2.2.2 仓储设备的防灾管理,如消防系统、泄露控制系统等3. 环境及设施类3.1 生产场地的环境风险3.1.1 有毒有害气体、液体等的排放3.1.2 地震、火灾等自然灾害3.2 设施设备的固有风险3.2.1 电气线路的安全3.2.2 燃气管道的安全4. 人员行为类4.1 人员操作风险4.1.1 人员误操作4.1.2 保养和维修过程中的人员安全风险4.2 人员劳动保障风险4.2.1 高温、低温、噪声等环境因素造成的健康风险4.2.2 劳动强度过大造成的人员伤害风险以上是一份常见的危险源辨识清单模板,企业可以根据自身实际情况进行参考和修订。
同时,企业在使用此模板时,应注意具体科学,结合相关专业人员的建议和实际工作经验,形成适合企业特点的危险源辨识清单,并持续不断地进行落实和优化,确保企业的生产和管理安全。
危险源辨识风险评价和控制措施清单危险源辨识、风险评价和控制措施清单是一份重要的文件,用于识别和评估工作场所中的潜在危险源,并提供相应的控制措施,以保障员工的安全和健康。
以下是一份包含1200字以上的危险源辨识、风险评价和控制措施清单的样例:1.物理危险源1.1高处坠落风险-高处工作台、楼梯、天桥等。
-盖房、搭建脚手架等需要高处作业的工作。
风险评价:-人员可能从高处坠落导致骨折、伤残或死亡。
-高处作业可能导致物品掉落伤及低处的人员。
控制措施:-使用符合标准的安全带、安全绳等个体防护装备。
-建立高处作业安全规程,包括禁止脱帽、翻越护栏等行为。
-提供必要的防护设施,如安全护栏、固定下方的防护网等。
1.2电气危险风险-插头、插座等电源设备。
-剥线机、电焊机等电动工具。
-电线、电缆等。
风险评价:-电击、电火灾等风险可能导致人员伤害、设备损坏等。
控制措施:-使用符合安全标准的电源设备和工具。
-定期对电气设备进行维护和检修。
-提供员工必要的电气安全培训。
2.化学危险源2.1危险化学品风险-各种化学品,如溶剂、酸碱等。
-配制区、储存区、使用区等涉及化学品的工作区域。
风险评价:-吸入或接触有害物质可能导致中毒、化学灼伤等。
-化学品泄漏可能导致火灾、爆炸等事故。
控制措施:-根据化学品的危险性采取相应的防护措施,如佩戴防护手套、护目镜等。
-定期检查化学品容器的完整性,并做好泄漏应急预案。
2.2气体泄漏风险-液化气、煤气、氨气等气体储存设备。
-管道、阀门等气体输送设备。
风险评价:-气体泄漏可能导致中毒、窒息等。
控制措施:-定期维护和检修气体设备,确保其安全性。
-设置气体泄漏报警装置,并进行定期测试和检查。
-建立紧急疏散计划,并进行培训和演练。
3.人为因素危险源3.1劳动强度过大风险-高强度、高频率的劳动任务。
-无法合理安排工作和休息时间。
风险评价:-长时间高强度劳动可能导致疲劳、肌肉损伤等。
控制措施:-合理安排工作和休息时间,避免连续长时间高强度劳动。
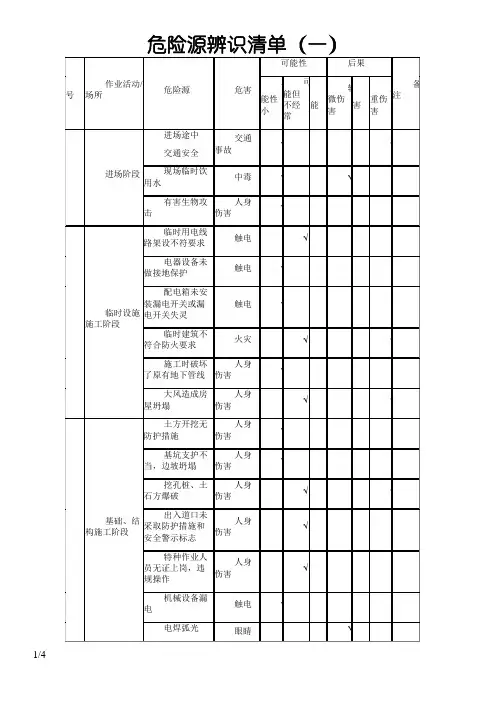
危险源辨识清单部门:公司所有部门汇总暴露于风险伤害的伤害严风险是否重风险控序号业务活动危险源辨识风险时态状态备注中的人员可能性重程度级别大风险制措施灭火器使用不正确火灾消防人员过去现在异常有可能一般 3 B1.2. 灭火器失效火灾全体人员过去现在异常有可能一般 3 B3. 灭火器配置不合理火灾全体人员过去现在异常有可能一般 3 B 应急处理4. 消防器材不合格火灾全体人员过去异常有可能一般 3 B5. 消防通道堵塞不畅通火灾全体人员过去现在异常有可能一般 3 B6. 灭火器数量不够,更换不及时火灾全体人员过去现在异常有可能一般 3 B7. 消防栓水压不够火灾全体人员过去现在异常有可能一般 4 B8. 消防箱内枪带配置不全火灾全体人员过去现在异常不可能一般 4 B9. 未进行消防安全培训火灾消防人员过去异常不可能一般 4 B 10. 紧急情况发生时处理不当火灾爆炸等消防人员将来紧急有可能一般 3 B 11. 安全标识不明确,设置不全火灾爆炸等消防人员过去现在异常有可能一般 3 B 12. 检修无标志及修理电器未设监护人触电操作相关人员过去现在异常有可能严重 2 B 配13. 油表、电表失效火灾操作相关人员过去现在异常有可能一般 3 B 电过去现在将来 14. 房高压线下吊物火灾操作相关人员异常不可能严重3 B/发过去现在 15. 安全装置损坏火灾触电操作相关人员异常有可能一般3 B电过去现在 16. 无禁火标志引起火灾火灾操作相关人员紧急不可能严重 2 B识别人识别日期 2014年4月19日确认人确认日期 2014年4月19日注:风险控制措施:A运行控制 B目标指标管理方案 C应急计划是否重大风险:Y 是,空白表示不是重大风险。
危险源辨识清单部门:公司所有部门汇总暴露于风险伤害的伤害严风险是否重风险控序号业务活动危险源辨识风险时态状态备注中的人员可能性重程度级别大风险制措施机触电火灾泄露等将来操作相关人员异常不可能严重 3 B 17. 与高压电线距离小、无防护措施过去现在将来 18. 发电机示采取隔声、消声降噪声防护噪声聋操作工异常可能一般 2 B过去现在将来 19. 发电机操作工未进行噪声防护噪声聋操作工异常可能一般 2 B 20. 水管、水箱、油管破裂泄露操作相关人员将来异常有可能一般 3 B 21. 柴油机飞车火灾爆炸操作相关人员将来异常不可能严重 3 B 22. 操作工未经培训上岗爆炸操作相关人员过去现在异常有可能一般 3 B 23.压力表、安全阀失效爆炸操作相关人员过去现在异常不可能一般 4 B 24.空压机作业修理时杂物掉入汔缸储气罐爆炸操作相关人员将来异常不可能一般 4 A 25. 发现异常未及时修理爆炸操作相关人员过去现在异常不可能一般 4 A 26. 房内存放易燃物爆炸火灾操作相关人员过去现在异常不可能严重 3 B 27. 工作场所照明不良机械伤害操作人员过去现在异常有可能一般 3 B 28. 操作不当或误触操作开关机械伤害操作人员过去现在异常有可能一般 3 A 29. 机械设备的磨损、松动机械伤害操作人员过去现在异常有可能一般 3 B 30. 未按设备操作规范操作机械伤害操作人员过去现在异常有可能一般 3 B对正在运转、通电或加热的机械装置进行清31. 机械伤害操作人员过去现在异常有可能一般 3 B 扫、加油或检修32. 突然启动机器,无信号机械伤害操作人员过去现在紧急有可能严重2 B 通用设备操作33. 使用有缺陷的机械装置机械伤害操作人员过去现在异常不可能一般4 B 34. 在机器运转状态下离开机械伤害操作人员将来异常有可能一般 3 B 35. 拆除安全装置,使安全装置失效机械伤害操作人员将来异常不可能一般4 B跳上或跳下车辆或机器,用手代替规定的工36. 机械伤害操作人员过去异常不可能一般 4 A 具作业37. 拆除安全标志机械伤害操作人员过去异常不可能一般 4 A识别人识别日期 2014年4月19日确认人确认日期 2014年4月19日注:风险控制措施:A运行控制 B目标指标管理方案 C应急计划是否重大风险:Y 是,空白表示不是重大风险。
危险源辨识清单部门:公司所有部门汇总暴露于风险伤害的伤害严风险是否重风险控序号业务活动危险源辨识风险时态状态备注中的人员可能性重程度级别大风险制措施38. 未使用合适的护具和工具机械伤害操作人员过去异常有可能一般 3B 39. 检修时未进行合闸、切断电源触电操作人员将来异常不可能严重 3 A40. 运输易燃易爆品未防护爆炸火灾操作人员将来异常有可能严重 2 C 41. 登高时未检查梯子的牢固高空坠路作业人员现在过去异常有可能一般 3 B42. 梯子支撑的角度超过75度高空坠路作业人员现在过去异常有可能一般3 B 43. 支靠时,梯子顶端伸出去长度太小高空坠路作业人员现在过去异常有可能一般 3 B 维修时登高作44. 梯子下部分的绳索未固定牢高空坠路作业人员现在过去异常有可能一般 3 A 业 45. 登高时未使用安全防护高空坠路作业人员现在过去异常有可能一般 3 A 46. 2米以上作业未设工作平台高空坠路作业人员过去现在异常不可能一般 4 B 47. 高空焊接火星溅到易燃物高空坠路作业人员过去异常不可能严重 3 A 48. 相关方铲车超载作业起重伤害叉车工过去现在异常有可能一般 3 B 49. 相关方铲车工酒后驾车起重伤害叉车工将来异常不可能一般 4 B 50. 相关方铲件高度超过全车的2/3起重伤害叉车工将来异常有可能一般 3 B 51. 相关方运行时铲件高度大于0.5米起重伤害叉车工将来异常有可能一般 3 B 52. 相关方插车倒行速度过快机械伤害叉车工过去异常有可能一般 3 A 53. 相关方人工搬运重物受伤机械伤害叉车工将来异常有可能一般 3 A搬运作业 54. 相关方插车未在规定的车道上行驶机械伤害叉车工将来异常有可能一般 3 A 55. 吊笼安全装置失效机械起重伤害施工人员将来异常有可能严重 2 B 56. 门连锁装置失效机械起重伤害施工人员将来紧急不可能严重 3 B 57. 钢丝绳断裂机械起重伤害施工人员将来异常不可能严重 3 B 58. 地面吊笼出入口没有防护棚机械起重伤害施工人员将来异常不可能一般 4 B 59. 有护门但不使用机械起重伤害施工人员将来异常有可能一般 3B 60. 货用电梯电气不符合要求机械起重伤害施工人员将来异常有可能严重2 B识别人识别日期 2014年4月19日确认人确认日期 2014年4月19日注:风险控制措施:A运行控制 B目标指标管理方案 C应急计划是否重大风险:Y 是,空白表示不是重大风险。
危险源辨识清单部门:公司所有部门汇总暴露于风险伤害的伤害严风险是否重风险控序号业务活动危险源辨识风险时态状态备注中的人员可能性重程度级别大风险制措施61. 联络信号不清晰、不准确机械起重伤害施工人员将来异常有可能一般 3 B 62. 多层作业无防护顶板或顶板不符要求高处坠落施工人员过去异常不可能严重 3 B 63. 公司潜在的地震地震施工人员将来紧急不可能严重 3 B 64. 公司潜在的汛期洪水施工人员将来紧急不可能严重 3 B 自然灾害 65. 潜在的台风台风施工人员将来异常可能一般 3 B 66. 公司建筑物、设备未设避雷针装置火灾施工人员将来异常不可能严重 3 B过去现在异常有可能一般 3 B 67. 工作场所照明不良机械伤害裁断工68. 未进行接零保护触电裁断工过去现在异常有可能严重 2 Y B 69.电线接头未进行绝缘保护触电裁断工过去现在异常有可能严重 2 B 70. 未采用一机一闸触电裁断工过去现在异常有可能严重 2 B 71. 操作时,手等部位伸入辊台机械伤害裁断工过去现在异常有可能严重 2 Y B 72. 操作不当或误触操作开关机械伤害裁断工过去现在异常有可能一般 3 A 73. 机械设备的磨损、松动机械伤害裁断工过去现在异常有可能一般 3 B 74. 未按设备操作规范操作机械伤害裁断工过去现在异常有可能一般 3 B 对正在运转、通电或加热的机械装置进行清75. 机械伤害裁断工过去现在异常有可能一般 3 B 覆膜作业扫、加油或检修76. 突然启动机器,无信号机械伤害裁断工过去现在紧急有可能严重 2B 77. 使用有缺陷的机械装置机械伤害裁断工过去现在异常不可能一般 4 B78. 在机器运转状态下离开机械伤害裁断工将来异常有可能一般 3 B 79.拆除安全装置,使安全装置失效机械伤害裁断工将来异常有可能一般 4 B80. 紧急情况发生时处理不当机械伤害裁断工将来紧急有可能一般 3 B 81. 用手代替规定的工具作业机械伤害裁断工过去异常有可能一般 4 A 82. 拆除安全标志机械伤害裁断工过去异常不可能一般 4 A 83. 未使用合适的护具和工具机械伤害裁断工过去异常有可能一般 3 B识别人识别日期 2014年4月19日确认人确认日期 2014年4月19日注:风险控制措施:A运行控制 B目标指标管理方案 C应急计划是否重大风险:Y 是,空白表示不是重大风险。
危险源辨识清单部门:公司所有部门汇总暴露于风险伤害的伤害严风险是否重风险控序号业务活动危险源辨识风险时态状态备注中的人员可能性重程度级别大风险制措施将来异常有可能严重 3 A 84. 检修时未进行合闸、切断电源触电裁断工85. 制动开关失灵机械伤害裁断工过去现在异常有可能严重 2 Y B 86. 未戴防毒口罩职业病裁断工过去将来正常可能严重 2 Y B 87. 长期从事印刷作业职业病裁断工过去将来正常可能严重 2 Y B 88. 未做好防护措施职业病裁断工过去将来正常可能严重 2 Y B 89. 未戴护耳器职业病裁断工过去将来正常可能严重 2 Y B 90. 未按规定年检职业病裁断工过去现在异常有可能严重 2 Y B 91. 过去现在异常有可能一般 3 B 工作场所照明不良机械伤害针车工92. 未进行接零保护触电针车工过去现在异常有可能严重 2 Y B 93.电线接头未进行绝缘保护触电针车工过去现在异常有可能严重 2 B 94. 未采用一机一闸触电针车工过去现在异常有可能严重 2 B 95. 操作时,手等部位伸入机台机械伤害针车工过去现在异常有可能严重 2 Y B 96. 操作不当或误触操作开关机械伤害针车工过去现在异常有可能一般 3 A 97. 机械设备的磨损、松动机械伤害针车工过去现在异常有可能一般 3 B 98. 未按设备操作规范操作机械伤害针车工过去现在异常有可能一般 3 B 裱纸作业对正在运转、通电或加热的机械装置进行清99. 机械伤害针车工过去现在异常有可能一般 3 B 扫、加胶或检修100. 突然启动机器,无信号机械伤害针车工过去现在紧急有可能严重2 B 101. 使用有缺陷的机械装置机械伤害针车工过去现在异常不可能一般4 B 102. 在机器运转状态下离开机械伤害针车工将来异常有可能一般 3 B 103. 拆除安全装置,使安全装置失效机械伤害针车工将来异常有可能一般4 B 104. 拆除安全标志机械伤害针车工过去异常不可能一般 4 A 105. 检修时未进行合闸、切断电源触电针车工将来异常有可能严重 3 A 106. 制动开关失灵机械伤害针车工过去现在异常有可能严重 2 Y B 识别人识别日期 2014年4月19日确认人确认日期 2014年4月19日注:风险控制措施:A运行控制 B目标指标管理方案 C应急计划是否重大风险:Y 是,空白表示不是重大风险。