QY形轴用密封圈
- 格式:doc
- 大小:134.00 KB
- 文档页数:2
y型密封圈轴用
Y型密封圈是一种常见的密封元件,通常用于轴向密封。
它的形状像字母“Y”,可以在轴和壳体之间形成一个密封环,防止液体或气体泄漏。
在轴用的应用中,Y型密封圈通常被安装在轴的端部,以防止润滑油或其他液体从轴的端部泄漏。
Y型密封圈的材料通常是橡胶或聚氨酯等弹性材料,这些材料具有良好的密封性能和耐磨性,可以适应不同的工作环境和工作条件。
在轴用的应用中,Y型密封圈通常需要承受高速旋转和高温的工作条件,因此需要选择耐磨、耐高温的材料,并进行适当的润滑和维护。
Y型密封圈的安装需要注意以下几点:
1. 确保轴和壳体的配合尺寸符合要求,避免出现间隙或过紧的情况。
2. 在安装前,应将密封圈放入热水中浸泡,使其变软,以便更容易安装。
3. 在安装时,应将密封圈的“Y”形部分朝向轴的方向,并确保密封圈的安装位置正确。
4. 在安装后,应进行润滑和检查,确保密封圈的密封性能良好。
总之,Y型密封圈是轴向密封中常见的密封元件,具有良好的密封性能和耐磨性,可以适应不同的工作环境和工作条件。
在轴用的应用中,需要注意密封圈的材料选择、安装和维护,以确保其正常工作和延长使用寿命。
∙公司名称:∙上海左泰工贸有限公司∙详细说明:∙YX-D密封件(孔用) 材质:PU聚氨脂产品用途:用于往复运动液压油缸中活塞的密封适用范围:TPU:一般液压缸;通用设备液压缸CPU:工程机械用液压缸及高温、高压用油缸材质:聚氨酯PU, 可以安装要求订做:丁晴橡胶,氟橡胶,硅胶.材质产品硬度:HS85±2°A 工作温度:TPU:- 40~ +80℃CPU:-40~ +120℃工作压力:≤32Mpa 工作介质:液压油、乳化液、水标准来源:JB/ZQ4264-97 JB/ZQ4264-86 取代Q/ZB248-77型号尺寸单价YX-D-16 16 × 10 × 8 0.60YX-D-18 18 × 12 × 8 0.60YX-D-20 20 × 14 × 8 0.60YX-D-22 22 × 16 × 8 0.60YX-D-25 25 × 19 × 8 0.60YX-D-28 28 × 22 × 8 0.68YX-D-30 30 × 22 × 10 0.68YX-D-32 32 × 24 × 10 0.68YX-D-35 35 × 27 × 10 0.68YX-D-40 40 × 32 × 10 0.95YX-D-45 45 × 37 × 10 0.95YX-D-50 50 × 42 × 10 1.28YX-D-55 55 × 47 × 10 1.28YX-D-60 60 × 48 × 14 1.88YX-D-63 63 × 51 × 14 1.88YX-D-65 65 × 53 × 14 1.98YX-D-70 70 × 58 × 14 2.18YX-D-75 75 × 63 × 14 2.18YX-D-80 80 × 68 × 14 2.4YX-D-85 85 × 73 × 14 2.4YX-D-90 90 × 78 × 14 2.6YX-D-95 95 × 83 × 14 3.6YX-D-100 100 × 88 × 14 3.6YX-D-105 105 × 89 × 14 4.8YX-D-110 110 × 94 × 14 4.98 YX-D-115 115 × 99 × 14 4.98 YX-D-120 120 × 104 × 14 4.98 YX-D-125 125 × 109 × 14 6.6YX-D-130 130 × 114 × 14 6.6YX-D-135 135 × 119 × 14 6.9YX-D-140 140 × 124 × 14 6.9YX-D-145 145 × 129 × 14 6.95 YX-D-150 150 × 134 × 14 6.95 YX-D-155 155 × 139 × 14 6.95 YX-D-160 160 × 144 × 14 9.44型号尺寸单价YX-D-165 165 × 149 × 14 9.44 YX-D-170 170 × 154 × 18 9.88 YX-D-175 175 × 159 × 18 9.88 YX-D-180 180 × 164 × 18 11.53 YX-D-185 185 × 169 × 18 11.53 YX-D-190 190 × 174 × 18 11.53 YX-D-195 195 × 179 × 18 11.53 YX-D-200 200 × 184 × 18 11.87 YX-D-210 210 × 194 × 18 11.87 YX-D-220 220 × 204 × 18 11.87 YX-D-230 230 × 214 × 18 15.62 YX-D-240 240 × 224 × 18 15.62 YX-D-250 250 × 234 × 18 18.2 YX-D-260 260 × 244 × 18 20.83 YX-D-265 265 × 249 × 18 20.83 YX-D-270 270 × 254 × 18 20.33 YX-D-275 275 × 259 × 18 20.83 YX-D-280 280 × 264 × 18 20.83YX-D-290 290 × 274 × 18 21.37YX-D-300 300 × 284 × 18 21.37YX-D-320 320 × 296 × 24 42.87YX-D-340 340 × 316 × 24 43.64YX-D-350 350 × 326 × 24 43.64YX-D-360 360 × 336 × 24 43.64YX-D-380 380 × 356 × 24 46.55YX-D-400 400 × 376 × 24 46.55YX-D-410 410 × 386 × 24 60.25YX-D-420 420 × 396 × 24 60.25YX-D-440 440 × 416 × 24 61.5YX-D-450 450 × 426 × 24 61.5YX-D-480 480 × 456 × 24 63YX-D-500 500 × 476 × 24 65.8YX-D-560 560 × 536 × 24 69.5YX-D-600 600 × 576 × 24 90YX-d 密封件(轴用) 材质:PU聚氨脂产品用途:用于往复运动液压油缸中活塞的密封适用范围:TPU:一般液压缸;通用设备液压缸CPU:工程机械用液压缸及高温、高压用油缸材质:聚氨酯PU 可以安装要求订做:丁晴橡胶,氟橡胶,硅胶.材质产品硬度:HS85±2°A 工作温度:TPU:- 40~ +80℃CPU:-40~ +120℃工作压力:≤32Mpa 工作介质:液压油、乳化液、水标准来源:JB/ZQ4264-97 JB/ZQ4264-86 取代Q/ZB248-77型号尺寸单价尺寸(内径×外径×高) 批价YX-d - 8 8 × 14 × 8 0.83YX-d - 10 10 × 16 × 8 0.83YX-d - 12 12 × 18 × 8 0.83YX-d - 14 14 × 20 × 8 0.83YX-d - 16 16 × 22 × 8 0.83YX-d - 18 18 × 24 × 8 0.83YX-d - 20 20 × 28 × 8 0.83YX-d - 22 22 × 30 × 8 0.83YX-d - 24 25 × 33 × 8 0.83YX-d - 25 28 × 36 × 8 0.83YX-d - 28 30 × 38 × 10 0.95YX-d - 30 32 × 41 × 10 0.95YX-d - 32 35 × 43 × 10 0.95YX-d - 35 40 × 48 × 10 1.28YX-d - 40 45 × 53 × 10 1.28YX-d - 45 50 × 58 × 10 1.48YX-d - 50 55 × 63 × 10 1.48YX-d - 55 60 × 72 × 14 2.19YX-d - 60 63 × 75 × 14 2 .19YX-d - 65 65 × 77 × 14 2.19YX-d - 70 70 × 82 × 14 2.44YX-d - 75 75 × 87 × 14 2.44YX-d - 80 80 × 92 × 14 3.25YX-d - 85 85 × 97 × 14 3.25YX-d - 90 90 × 102 × 14 3.88YX-d - 95 95 × 107 × 14 3.88YX-d - 100 100 × 112 × 14 3.88 YX-d - 105 105 × 121 × 14 6.65 YX-d - 110 110 × 126 × 14 6.65 YX-d - 115 115 × 131 × 14 6.65 YX-d - 120 120 × 136 × 14 6.9 YX-d - 125 125 × 141 × 14 6.9 YX-d - 130 130 × 146 × 14 8.12 YX-d - 140 140 × 156 × 14 8.12 YX-d - 145 145 × 161 × 14 8.12 YX-d - 150 150 × 166 × 14 8.8 YX-d - 155 155 × 171 × 14 8.8 YX-d - 160 160 × 176 × 14 10.53 YX-d - 165 165 × 181 × 14 11.53 YX-d - 170 170 × 186 × 18 11.53 YX-d - 175 175 × 191 × 18 11.53YX-d - 180 180 × 196 × 18 13.65 YX-d - 185 185 × 201 × 18 13.65 YX-d - 190 190 × 206 × 18 15.93 YX-d - 200 200 × 216 × 18 15.93 YX-d - 210 210 × 226 × 18 15.93 YX-d - 220 220 × 236 × 18 15.93 YX-d - 230 230 × 246 × 18 15.25 YX-d - 235 235 × 251 × 18 15.25 YX-d - 240 240 × 256 × 18 15.25 YX-d - 250 250 × 266 × 18 20 YX-d - 260 260 × 276 × 18 20 YX-d - 270 270 × 286 × 18 20.75 YX-d - 280 280 × 296 × 18 21.5 YX-d - 290 290 × 306 × 18 21.5 YX-d - 300 300 × 316 × 18 21.5 YX-d - 320 320 × 344 × 24 42.5 YX-d - 340 340 × 364 × 24 44.57 YX-d - 360 360 × 384 × 24 45.75 YX-d - 380 380 × 404 × 24 49 YX-d - 400 400 × 424 × 24 49 YX-d - 420 420 × 444 × 24 49.85 YX-d - 450 450 × 474 × 24 49.85 YX-d - 500 500 × 524 × 24 64.58 YX-d - 520 520 × 544 × 24 68 YX-d - 560 560 × 584 × 24 69 YX-d - 600 600 × 624 × 24 81.6一产品用途适用于油为介质的管路系统中,供焊接,卡套,扩大管接头,螺塞及机械装置的压力系统密封,为防止油液,燃料,水和药品等泄露,公称压力至40Mpa,工作温度为﹣25℃~﹢100℃。
旋转轴唇形密封圈结构尺寸系列
旋转轴唇形密封圈是一种常用的传动机械密封件,主要用于旋转轴的封闭,防止润滑油、水以及其他介质的泄漏。
它由橡胶和硬质塑料制成,具有高硬度、高强度、高弹性、高耐磨性,使用寿命长的特点,能够在较低压力下连续工作,因此广泛应用于汽车、摩托车、船舶、机床等工业设备上。
1.外径分类:
(1) 标准型:35mm-1000mm;
(2) 超标型:1200mm-4000mm;
2.厚度分类:
(1) 标准型:3mm-20mm;
(2) 超标型:1.5mm-25mm;
旋转轴唇形密封圈的安装方向主要有水平安装和垂直安装两种,同时要求密封圈的唇部面朝外,以保证密封效果。
安装时,应在安装前进行试装,以保证安装后不会受到外力的影响,从而有效地去除活动部件的振动及输出轴的压力。
由于旋转轴唇形密封圈具有表面光滑、不易损坏、可靠性高的特点,因此在使用时,应特别注意观察安装场合的情况。
气缸毕业设计西安航空职业技术学院毕业设计论文西安航空职业技术学院毕业设计,论文,论文题目:气缸驱动的直线和摆动复合运动机构所属系部:航空制造工程系指导老师:白亚琼职称: 助教学生姓名:张红刚班级、学号: 10101517专业: 机械制造与自动化西安航空职业技术学院制2012年 11月 17 日1西安航空职业技术学院毕业设计论文西安航空职业技术学院毕业设计,论文,任务书题目: 气缸驱动的直线和摆动复合运动机构任务与要求:1.气缸的行程为300——500毫米。
2.时间: 年月日至年月日共周所属系部:航空制造工程系学生姓名:张红刚学号:10101517 专业: 机械制造与自动化指导单位或教研室:指导教师: 白亚琼职称:助教西安航空职业技术学院制2012年 11月 17日2西安航空职业技术学院毕业设计论文题目气缸驱动的直线和摆动复合运动机构的PLC控制【摘要】随着科技的迅速发展,各种机械设备脱颖而出。
气缸驱动在人们的生活中占据了很重要的地位。
气缸驱动是实现机械传动的机构,它是由气缸与换向阀组成。
气缸驱动系统由于系统构成简单,易于获得稳定速度,而且元器件价格低廉,比较容易维护等特点在工业自动化领域得到广泛的应用。
与电动机相比,气缸更擅长做往复直线运动。
而且仅仅调节安装在气缸两侧的单向节流阀就可简单的实现稳定的速度控制。
也成为气缸驱动系统最大的特征和优势。
现在,气缸驱动系统已成为工业生产领域中的主流。
这几十年气动技术的快速发展甚至也可以说很大程度上得益于气缸的迅速普及。
本文阐述了由PLC控制的气动元件工作,一个气动系统是由方向控制阀、气动执行元件、各种气动辅助元件以及气源净化元件所组成。
各个电磁阀用来作为相应动作单元上压缩空气通断的控制,电磁阀则由PLC控制器来实现逻辑上的控制,气缸的选用根据具体机械动作的实现来确定,气缸的运动速度根据相应的节流阀来进行调节。
关键词:气缸驱动、PLC控制、电磁阀3西安航空职业技术学院毕业设计论文前言近年来,气动技术发展很迅速,是实现工业自动化的重要手段。
QY-1.1U液压矿车清车机安装使用说明书一、用途QY-1.1U清车机,是为U型矿车清理粘底而设计的专用设备。
本机具有结构简单、安全可靠、操作方便、工作无冲击等特点,是提高清车效率,减轻工人劳动强度,实现矿车机械化清理粘底的一种高效专用设备。
二、技术特征及型号的意义1、技术特征(1)电动机:型号YX3-160M-4(功率11KW 电压380V)(2)液压系统:压力16MPa 流量25ml/r(3)工作机构:横向移动1100mm垂直移动1150mm(4)外形尺寸(长×宽×高):2860×1440×27902 、型号代表的意义Q Y —1.1U1.1m3 U型固定矿车专用液压传动清车机三、工作原理及结构特征1、工作原理本机由泵站提供动力,由升降油缸、推移油缸调整工作机构位置,使工作机构处于矿车的正上方,然后开启升降油缸及挖掘油缸,使铲板沿矿车侧板下降并合拢,铲除粘底物,从而达到清车的目的。
2、结构特征该机主要由基座、立柱、滑柱、横梁、工作机构、液压系统及电器等部分组成(见附图一)。
(1)基座:固定在混凝土基础上,其上连接立柱和钢轨。
(2)主柱:固定在基座上。
(3)滑柱:通过升降油缸、滑块、滚轮、滑柱连接在立柱内侧,通过升降油缸活塞杆伸缩,推动滑柱在立柱内侧上下滑动。
(4)横梁:固定在滑柱上。
(5)工作机构:安放在横梁上。
工作机构和横梁跑车通过推移油缸连接,使工作机构随推移油缸活塞杆的伸缩而横向移动。
工作机构内安装挖掘油缸,用于开闭铲板。
(6)液压系统:它是该设备工作的动力源,主要由泵站、油缸、管路及控制元件等部分组成。
液压原理图见附图二。
四、清车机的安装1、将该机安放在基础上,用水平尺调整横梁的水平和立柱的垂直度,调整好以后,再用混凝土灌注。
该机主机与泵站分体安装,亦可整体安装。
主机各部分连接必须牢固可靠。
该机基础必须用规定的地脚螺栓安装在牢固的混凝土基础上。
O形圈是广泛用于各种行业和应用的机械密封件。
它们是由弹性材料制成的圆环,设计用于在两个表面之间压缩以形成密封,防止气体或液体逸出。
O形圈是许多机器和设备的重要组成部分,因为它们提供可靠、经济高效的密封解决方案。
而今天,小编则要为大家推荐一些在国内口碑还算不错的十大O型圈厂家,现在就请大家跟着小编一起来看看吧。
国内最好O型圈规格表密封圈十大厂家1、永嘉旭丽橡塑科技有限公司永嘉旭丽橡塑科技有限公司中国泵阀之乡永嘉,专业生产各种类型不同材质O型圈产品的生产厂家,产品主要用于水泵,阀门,机械液压,汽车电子,石油化工,塑料模具,医疗器械,食品,航空以及国防军工等中高端领域。
2、廣西梧州元華密封科技有限公司廣西梧州元華密封科技有限公司,地處廣西省梧州市龍圩區,總投資人民幣三千萬元,占地面積50畝,藉其優越的地理環境、豐盛的人力資源,生產橡膠製品與相關行業(如:汽車、摩托車、衛浴、農用機械、液壓空壓機械、空調、電子、食品、醫療等)配套。
公司主要從事橡膠零件及橡膠模具的設計、開發、製造,以生產密封件、O型圈及雜件為主,產品用於油路密封、氣路密封、水路密封和緩衝作用等,可根據客戶來樣來圖自行設計和製造,也根據AS568、DIN3771、JIS B2401、GB 245201、ISO3601等標準生產,並於2012年10月首次通過ISO/TS16949 2009版國際認證、於2015年通過美國UL認證。
3、太仓市明宇密封件有限公司明宇密封(太仓)成立于1995年,为中国液压气动密封件工业协会常务理事单位,江苏省高新技术企业、江苏省民营科技企业,苏州市知名产品称号。
主要从事各类液压、气动密封件以及汽车密封件的设计、研发、制造和销售,并为客户提供技术咨询、技术培训、密封件的安装方法等全方位技术服务。
公司分别于2001年通过了ISO 9001质量管理体系认证,2012年通过了IATF16949质量管理体系的认证,2022年通过了ISO14001环境体系认证;具备国家所规定颁发的O形密封圈、旋转轴唇形密封圈、往复密封圈工业生产许可证。
密封圈规格型号大全密封圈是一种常见的密封元件,广泛应用于机械设备、汽车、航空航天、化工等领域。
它的作用是防止液体或气体泄漏,保护机械设备的正常运行。
密封圈的规格型号种类繁多,不同的设备需要选择适合的密封圈规格型号,以确保密封效果和使用寿命。
下面将介绍一些常见的密封圈规格型号,以便大家在选择和使用时能够更加方便和准确。
1. O型密封圈。
O型密封圈是最常见的一种密封圈,它的截面呈圆形,被广泛应用于静态密封和低压动态密封。
O型密封圈的规格型号通常用内径和横截面直径来表示,如,10×2、20×3等。
在选择O型密封圈时,需要根据密封圈的工作压力、工作温度、介质等条件来确定合适的规格型号。
2. Y型密封圈。
Y型密封圈是一种特殊的密封圈,其截面呈Y形,适用于高压密封和高速旋转密封。
Y型密封圈的规格型号一般用内径、横截面直径和厚度来表示,如,20×15×3。
在选择Y型密封圈时,需要考虑其耐压性能、耐磨性能和密封效果。
3. U型密封圈。
U型密封圈是一种用于活塞密封的密封元件,其截面呈U形。
U型密封圈的规格型号通常用内径、外径和厚度来表示,如,40×50×5。
在选择U型密封圈时,需要考虑其耐磨性能、耐高温性能和密封效果。
4. V型密封圈。
V型密封圈是一种用于轴密封的密封元件,其截面呈V形。
V型密封圈的规格型号通常用内径、外径和厚度来表示,如,30×40×6。
在选择V型密封圈时,需要考虑其耐油性能、耐高温性能和密封效果。
5. 非标密封圈。
除了常见的O型、Y型、U型、V型密封圈外,还有一些非标密封圈,其规格型号不固定,需要根据具体的使用要求来定制。
非标密封圈通常用于特殊的密封场合,如特殊介质、特殊温度、特殊压力等条件下的密封。
总之,密封圈的规格型号种类繁多,选择合适的规格型号对于保证密封效果和使用寿命至关重要。
在选择密封圈时,需要充分考虑设备的工作条件、工作环境和介质特性,以确保选择到合适的密封圈规格型号。
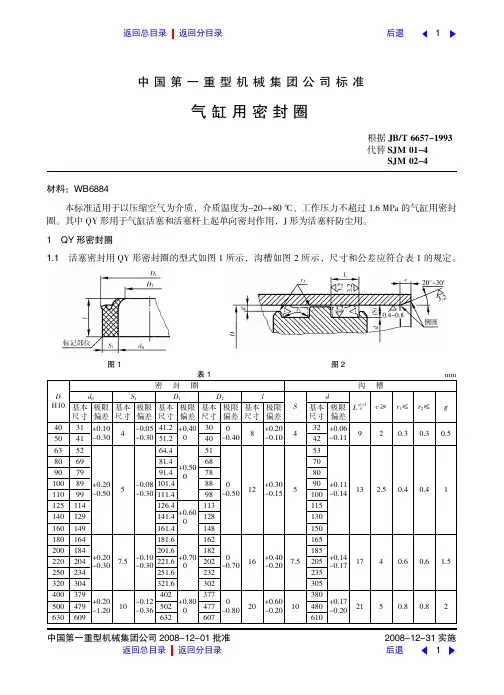
材料:WB6884本标准适用于以压缩空气为介质,介质温度为-20~+80℃、工作压力不超过1.6MPa 的气缸用密封圈。
其中QY 形用于气缸活塞和活塞杆上起单向密封作用,J 形为活塞杆防尘用。
1QY 形密封圈1.1活塞密封用QY 形密封圈的型式如图1所示,沟槽如图2所示,尺寸和公差应符合表1的规定。
中国第一重型机械集团公司标准气缸用密封圈根据JB/T 6657-1993代替SJM 01-4SJM 02-4图1图2表1mmDH10密封圈沟槽d 0S 1D 1D 2lS d c ≥r 1≤r 2≤g 基本尺寸极限偏差基本尺寸极限偏差基本尺寸极限偏差基本尺寸极限偏差基本尺寸极限偏差基本尺寸极限偏差4031+0.10-0.304-0.05-0.3041.2+0.400300-0.408+0.20-0.10432+0.06-0.11920.30.30.5504151.240426352+0.20-0.505-0.08-0.3064.4+0.500510-0.5012+0.30-0.15553+0.11-0.1413 2.50.40.41806981.46870907991.4788010089101.4889011099111.498100125114126.4+0.600113115*********.4128130160149161.4148150180164+0.20-0.307.5-0.10-0.30181.6+0.7001620-0.7016+0.40-0.207.5165+0.14-0.171740.60.6 1.5200184201.6182185220204221.6202205250234251.6232235320304321.6302305400379+0.20-1.2010-0.12-0.36402+0.8003770-0.8020+0.60-0.2010380+0.17-0.202150.80.82500479502477480630609632607610L +0.2501后退返回分目录返回总目录1.2活塞杆密封用QY形密封圈的型式如图3所示,沟槽如图4所示,尺寸和公差应符合表2的规定。
∙公司名称:∙上海左泰工贸有限公司∙详细说明:∙YX-D密封件(孔用) 材质:PU聚氨脂产品用途:用于往复运动液压油缸中活塞的密封适用范围:TPU:一般液压缸;通用设备液压缸CPU:工程机械用液压缸及高温、高压用油缸材质:聚氨酯PU, 可以安装要求订做:丁晴橡胶,氟橡胶,硅胶.材质产品硬度:HS85±2°A 工作温度:TPU:- 40~ +80℃CPU:-40~ +120℃工作压力:≤32Mpa 工作介质:液压油、乳化液、水标准来源:JB/ZQ4264-97 JB/ZQ4264-86 取代Q/ZB248-77型号尺寸单价YX-D-16 16 × 10 × 8 0.60YX-D-18 18 × 12 × 8 0.60YX-D-20 20 × 14 × 8 0.60YX-D-22 22 × 16 × 8 0.60YX-D-25 25 × 19 × 8 0.60YX-D-28 28 × 22 × 8 0.68YX-D-30 30 × 22 × 10 0.68YX-D-32 32 × 24 × 10 0.68YX-D-35 35 × 27 × 10 0.68YX-D-40 40 × 32 × 10 0.95YX-D-45 45 × 37 × 10 0.95YX-D-50 50 × 42 × 10 1.28YX-D-55 55 × 47 × 10 1.28YX-D-60 60 × 48 × 14 1.88YX-D-63 63 × 51 × 14 1.88YX-D-65 65 × 53 × 14 1.98YX-D-70 70 × 58 × 14 2.18YX-D-75 75 × 63 × 14 2.18YX-D-80 80 × 68 × 14 2.4YX-D-85 85 × 73 × 14 2.4YX-D-90 90 × 78 × 14 2.6YX-D-95 95 × 83 × 14 3.6YX-D-100 100 × 88 × 14 3.6YX-D-105 105 × 89 × 14 4.8YX-D-110 110 × 94 × 14 4.98 YX-D-115 115 × 99 × 14 4.98 YX-D-120 120 × 104 × 14 4.98 YX-D-125 125 × 109 × 14 6.6YX-D-130 130 × 114 × 14 6.6YX-D-135 135 × 119 × 14 6.9YX-D-140 140 × 124 × 14 6.9YX-D-145 145 × 129 × 14 6.95 YX-D-150 150 × 134 × 14 6.95 YX-D-155 155 × 139 × 14 6.95 YX-D-160 160 × 144 × 14 9.44型号尺寸单价YX-D-165 165 × 149 × 14 9.44 YX-D-170 170 × 154 × 18 9.88 YX-D-175 175 × 159 × 18 9.88 YX-D-180 180 × 164 × 18 11.53 YX-D-185 185 × 169 × 18 11.53 YX-D-190 190 × 174 × 18 11.53 YX-D-195 195 × 179 × 18 11.53 YX-D-200 200 × 184 × 18 11.87 YX-D-210 210 × 194 × 18 11.87 YX-D-220 220 × 204 × 18 11.87 YX-D-230 230 × 214 × 18 15.62 YX-D-240 240 × 224 × 18 15.62 YX-D-250 250 × 234 × 18 18.2 YX-D-260 260 × 244 × 18 20.83 YX-D-265 265 × 249 × 18 20.83 YX-D-270 270 × 254 × 18 20.33 YX-D-275 275 × 259 × 18 20.83 YX-D-280 280 × 264 × 18 20.83 YX-D-290 290 × 274 × 18 21.37 YX-D-300 300 × 284 × 18 21.37YX-D-320 320 × 296 × 24 42.87YX-D-340 340 × 316 × 24 43.64YX-D-350 350 × 326 × 24 43.64YX-D-360 360 × 336 × 24 43.64YX-D-380 380 × 356 × 24 46.55YX-D-400 400 × 376 × 24 46.55YX-D-410 410 × 386 × 24 60.25YX-D-420 420 × 396 × 24 60.25YX-D-440 440 × 416 × 24 61.5YX-D-450 450 × 426 × 24 61.5YX-D-480 480 × 456 × 24 63YX-D-500 500 × 476 × 24 65.8YX-D-560 560 × 536 × 24 69.5YX-D-600 600 × 576 × 24 90YX-d 密封件(轴用) 材质:PU聚氨脂产品用途:用于往复运动液压油缸中活塞的密封适用范围:TPU:一般液压缸;通用设备液压缸CPU:工程机械用液压缸及高温、高压用油缸材质:聚氨酯PU 可以安装要求订做:丁晴橡胶,氟橡胶,硅胶.材质产品硬度:HS85±2°A 工作温度:TPU:- 40~ +80℃CPU:-40~ +120℃工作压力:≤32Mpa 工作介质:液压油、乳化液、水标准来源:JB/ZQ4264-97 JB/ZQ4264-86 取代Q/ZB248-77型号尺寸单价尺寸(内径×外径×高) 批价YX-d - 8 8 × 14 × 8 0.83YX-d - 10 10 × 16 × 8 0.83YX-d - 12 12 × 18 × 8 0.83YX-d - 14 14 × 20 × 8 0.83YX-d - 16 16 × 22 × 8 0.83YX-d - 18 18 × 24 × 8 0.83YX-d - 20 20 × 28 × 8 0.83YX-d - 22 22 × 30 × 8 0.83YX-d - 24 25 × 33 × 8 0.83YX-d - 25 28 × 36 × 8 0.83YX-d - 28 30 × 38 × 10 0.95YX-d - 30 32 × 41 × 10 0.95YX-d - 32 35 × 43 × 10 0.95YX-d - 35 40 × 48 × 10 1.28YX-d - 40 45 × 53 × 10 1.28YX-d - 45 50 × 58 × 10 1.48YX-d - 50 55 × 63 × 10 1.48YX-d - 55 60 × 72 × 14 2.19YX-d - 60 63 × 75 × 14 2 .19YX-d - 65 65 × 77 × 14 2.19YX-d - 70 70 × 82 × 14 2.44YX-d - 75 75 × 87 × 14 2.44YX-d - 80 80 × 92 × 14 3.25YX-d - 85 85 × 97 × 14 3.25YX-d - 90 90 × 102 × 14 3.88YX-d - 95 95 × 107 × 14 3.88YX-d - 100 100 × 112 × 14 3.88 YX-d - 105 105 × 121 × 14 6.65 YX-d - 110 110 × 126 × 14 6.65 YX-d - 115 115 × 131 × 14 6.65 YX-d - 120 120 × 136 × 14 6.9 YX-d - 125 125 × 141 × 14 6.9 YX-d - 130 130 × 146 × 14 8.12 YX-d - 140 140 × 156 × 14 8.12 YX-d - 145 145 × 161 × 14 8.12 YX-d - 150 150 × 166 × 14 8.8 YX-d - 155 155 × 171 × 14 8.8 YX-d - 160 160 × 176 × 14 10.53 YX-d - 165 165 × 181 × 14 11.53 YX-d - 170 170 × 186 × 18 11.53 YX-d - 175 175 × 191 × 18 11.53 YX-d - 180 180 × 196 × 18 13.65 YX-d - 185 185 × 201 × 18 13.65 YX-d - 190 190 × 206 × 18 15.93 YX-d - 200 200 × 216 × 18 15.93YX-d - 210 210 × 226 × 18 15.93YX-d - 220 220 × 236 × 18 15.93YX-d - 230 230 × 246 × 18 15.25YX-d - 235 235 × 251 × 18 15.25YX-d - 240 240 × 256 × 18 15.25YX-d - 250 250 × 266 × 18 20YX-d - 260 260 × 276 × 18 20YX-d - 270 270 × 286 × 18 20.75YX-d - 280 280 × 296 × 18 21.5YX-d - 290 290 × 306 × 18 21.5YX-d - 300 300 × 316 × 18 21.5YX-d - 320 320 × 344 × 24 42.5YX-d - 340 340 × 364 × 24 44.57YX-d - 360 360 × 384 × 24 45.75YX-d - 380 380 × 404 × 24 49YX-d - 400 400 × 424 × 24 49YX-d - 420 420 × 444 × 24 49.85YX-d - 450 450 × 474 × 24 49.85YX-d - 500 500 × 524 × 24 64.58YX-d - 520 520 × 544 × 24 68YX-d - 560 560 × 584 × 24 69YX-d - 600 600 × 624 × 24 81.6一产品用途适用于油为介质的管路系统中,供焊接,卡套,扩大管接头,螺塞及机械装置的压力系统密封,为防止油液,燃料,水和药品等泄露,公称压力至40Mpa,工作温度为﹣25℃~﹢100℃。
轴用YX型密封圈及挡圈内容来源网络,由“深圳机械展(11万㎡,1100多家展商,超10万观众)”收集整理!更多cnc加工中心、车铣磨钻床、线切割、数控刀具工具、工业机器人、非标自动化、数字化无人工厂、精密测量、3D打印、激光切割、钣金冲压折弯、精密零件加工等展示,就在深圳机械展.轴用YX型密封圈:产品用途:用于往复运动液压油缸中活塞杆的密封适用范围:TPU:一般液压缸、通用设备液压缸。
CPU:工程机械用液压缸及高温、高压用油缸。
材质:聚氨酯TPU、CPU、橡胶产品硬度:HS85±2°A工作温度:TPU:- 40~+80℃CPU:-40~+120℃工作压力:≤32Mpa工作介质:液压油、乳化液155 171 155 171160 176 160 176165 181 165 181注:工作压力﹥16MPa时,建议使用挡圈。
轴用YX型挡圈:产品用途:本标准适用于油缸工作压力大于16MPa时配合YX型密封圈使用,或油缸偏心受力时,起保护密封圈的作用.工作温度:-40~+100℃工作介质:液压油、乳化液、水产品硬度:HS 92±5A材质:聚四氟乙烯根据:企业标准YX轴用密封圈公称内径挡圈d D H基本尺寸公差基本尺寸公差基本尺寸公差8 8+0.050 140-0.05 1.5 +0.10010 10 16 12 12 18 14 14 20 16 16 22 18 18 24内容来源网络,由“深圳机械展(11万㎡,1100多家展商,超10万观众)”收集整理!更多cnc加工中心、车铣磨钻床、线切割、数控刀具工具、工业机器人、非标自动化、数字化无人工厂、精密测量、3D打印、激光切割、钣金冲压折弯、精密零件加工等展示,就在深圳机械展.。