干砌石护坡施工工艺
- 格式:doc
- 大小:44.00 KB
- 文档页数:8
干砌石护坡施工方案1、干砌石护坡施工工艺流程2、干砌石护坡施工方法(1)原材料控制石料材质坚实新鲜,无风化剥落层或裂纹,石料表面无污垢、水锈等杂物,用于表面的石料必须具有一个用作砌体表面的平整面且色泽均匀,物理力学指标符合施工图纸的要求。
砌石体可采用毛石砌体和卵石砌体,各种石料外形规格如下:毛石砌体:毛石应呈块状,中部厚度不应小于15cm。
规格小于要求的毛石(又称片石),可以用于塞缝,但其用量不得超过该处砌体重量的10%。
卵石砌体:卵石厚度不大于30cm,长度与厚度之比不得大于1.5。
(2)干砌石体砌筑的一般要求干砌石使用材料按施工图纸要求和监理人批示采用料石或毛石砌筑料。
石料使用前表面洗除泥土和水锈杂质。
干砌石砌体铺砌前,先铺设一层厚为100~200mm的砂砾垫层。
铺设垫层前,将地基平整夯实,砂砾垫层厚度度均匀,其密实度大于90%。
坡面上的干砌石砌筑,在夯实的砂砾石垫层上,以一层与一层错缝锁结方式铺砌,砂砾垫层料的粒径不大于50mm,含泥量小于5%,垫层与干砌石铺砌层配合砌筑,随铺随砌。
护坡表面砌缝的宽度不大于25mm,砌石边缘顺直、整齐牢固。
砌体外露面的坡顶和侧边,选用较整齐的石块砌筑平整。
为使沿石块的全长有坚实支承,所有前后的明缝均应小片石料填塞紧密。
(3)干砌石护坡施工方法1)施工准备干砌石护坡施工准备即挑选、运输原材料,采用人工配合20t自卸车运至工作面。
2)测量放样安排测量队进行测量放样,严格控制坡面平整度。
3)削坡整平对已填筑到一定高程的坡面进行平整夯实,将坡面修整平顺。
4)块石干砌将选好并已运至工作面的块石人工运送到填料部位,人工砌筑,超出3m范围,每1m站一人,转运至填料部位。
块石砌筑应满足平整、稳定、密实、错缝等基本要求,此外还应符合下列几点要求:①坡面应有均匀的颜色和外观。
②坡面上的干砌石砌筑,以一层与一层错缝锁结方式铺砌。
护坡表面砌缝的宽度不应大于25mm,砌石边缘应顺直、整齐牢固,严禁出现通缝、叠砌和浮塞。
干砌石护坡工法
施工准备对原坡面进行横断面测量,每20米一个断面。
然后施放设计坡面顶面线,用木桩和线绳标注。
再用挖掘机将凹凸的坡面找平,人工进行修整,达到设计要求的坡度,然后进行无纺布铺设,备足碎石和毛石料。
1.材料质量:
①无纺布:按设计要求采购,现场检验合格,经监理、业主同意
后方可使用。
②碎石:粒径为2—10cm.
③石料:强度应达到MU40,石料要新鲜、坚硬、无风化、无裂纹、
粒径要符合技筑术。
要求。
毛石每块重量为15~30kg,,中部厚
度大于15cm。
2.反滤层铺筑
先铺碎石,厚度为20cm,经检查合格后再砌筑。
质量控制主要有两项,一是材料要符合设计要求;二是铺筑厚度偏差要小于规范规定的允许值。
4.砌筑工艺
砌筑时石块要挤靠紧密,不得有对缝、空洞,通缝连续缝的长度不得大于0.5,米表面不准有浮石,无松动石块。
缝宽和角缝的偏差应符合施工规范的要求,砌筑的几何尺寸满足设计要求,厚度偏差不得超过设计厚度的±10%。
表面要平整,用2米靠尺检测凹凸处不得超过5cm。
干砌石护坡施工方案1、干砌石护坡施工工艺流程2、干砌石护坡施工方法(1)原材料控制石料材质坚实新鲜,无风化剥落层或裂纹,石料表面无污垢、水锈等杂物,用于表面的石料必须具有一个用作砌体表面的平整面且色泽均匀,物理力学指标符合施工图纸的要求。
砌石体可采用毛石砌体和卵石砌体,各种石料外形规格如下:毛石砌体:毛石应呈块状,中部厚度不应小于15cm。
规格小于要求的毛石(又称片石),可以用于塞缝,但其用量不得超过该处砌体重量的10%。
卵石砌体:卵石厚度不大于30cm,长度与厚度之比不得大于1.5。
(2)干砌石体砌筑的一般要求干砌石使用材料按施工图纸要求和监理人批示采用料石或毛石砌筑料。
石料使用前表面洗除泥土和水锈杂质。
干砌石砌体铺砌前,先铺设一层厚为100~200mm的砂砾垫层。
铺设垫层前,将地基平整夯实,砂砾垫层厚度度均匀,其密实度大于90%。
坡面上的干砌石砌筑,在夯实的砂砾石垫层上,以一层与一层错缝锁结方式铺砌,砂砾垫层料的粒径不大于50mm,含泥量小于5%,垫层与干砌石铺砌层配合砌筑,随铺随砌。
护坡表面砌缝的宽度不大于25mm,砌石边缘顺直、整齐牢固。
砌体外露面的坡顶和侧边,选用较整齐的石块砌筑平整。
为使沿石块的全长有坚实支承,所有前后的明缝均应小片石料填塞紧密。
(3)干砌石护坡施工方法1)施工准备干砌石护坡施工准备即挑选、运输原材料,采用人工配合20t自卸车运至工作面。
2)测量放样安排测量队进行测量放样,严格控制坡面平整度。
3)削坡整平对已填筑到一定高程的坡面进行平整夯实,将坡面修整平顺。
4)块石干砌将选好并已运至工作面的块石人工运送到填料部位,人工砌筑,超出3m范围,每1m站一人,转运至填料部位。
块石砌筑应满足平整、稳定、密实、错缝等基本要求,此外还应符合下列几点要求:①坡面应有均匀的颜色和外观。
②坡面上的干砌石砌筑,以一层与一层错缝锁结方式铺砌。
护坡表面砌缝的宽度不应大于25mm,砌石边缘应顺直、整齐牢固,严禁出现通缝、叠砌和浮塞。
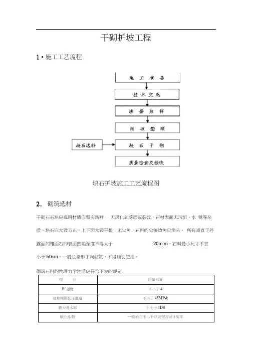
干砌护坡工程1•施工工艺流程块石护坡施工工艺流程图2.砌筑选材干砌石石块应选用材质应坚实新鲜,无风化剥落层或裂纹,石材表面无污垢、水锈等杂质。
块石应大致方正,上下面大致平整,无尖角,石料的尖锐边角应凿去。
所有垂直于外露面的镶面石的表面凹陷深度不得大于20m m。
石料最小尺寸不宜小于50cm。
一般长条形丁向砌筑,不得顺长使用。
砌筑石料的物理力学性质应符合下表的规定:块石护坡和大块石抛填质量检查项目与标准3.砌筑要求3.1砌石的基本要求平整:砌体的外露面应平顺和整齐。
要求块石大面朝外,其外缘与设计坝坡线误差不超过土10cm。
稳定:石块的安置必须自身稳定。
密实:砌体以大石为主,选型配砌,必要时可以小石搭配,干砌石应相互卡紧。
错缝:同一砌层内相邻的及上下相邻的砌石应错缝。
3.2块石砌筑应符合下列要求⑴坡面应有均匀的颜色和外观,不要求加水和碾压。
下游坡面块石护坡应随坝体上升逐层砌筑。
⑵干砌石砌体铺砌前,应将地基平整夯实。
坡面修整平顺;大块石抛填前,将基础表面浮渣清理干净并夯实处理,分层抛填;⑶砌石应垫稳填实,与周边砌石靠紧,严禁架空;⑷坡面上的干砌石砌筑,以一层与一层错缝锁结方式铺砌。
护坡表面砌缝的宽度不应大25mm,砌石边缘应顺直、整齐牢固,严禁出现通缝、叠砌和浮塞,抛填大块石表面应人工修面,表面质量标准同坝后块石护坡;⑸砌体外露面的坡顶和侧边,应选用较整齐的石块砌筑平整。
⑹不得在外露面用块石砌筑,而中间以小石填心;不得在砌筑层面以小块石、片石找平;护坡顶应以大石块压顶;⑺为使沿石块的全长有坚实支承,所有前后的明缝均应用小片石料填塞紧密。
⑻应由低向高逐步铺砌,要嵌紧、整平,铺砌厚度应达到设计要求;4.检定标准坝后块石护坡单元工程质量评定标准应符合以下规定:合格标准:检查项目达到标准,检测项目合格率不小于70%。
优良标准:检查项目达到标准,检测项目合格率不小于90%。
2 干砌石的质量要求(1)块石料应质地坚硬,无裂痕的新鲜花岗岩,表面色泽均匀。
“两竖三横”干砌石护坡施工工法“两竖三横”干砌石护坡施工工法一、前言“两竖三横”干砌石护坡施工工法是一种常用的护坡工法,通过合理的排列方式,将石块按一定规则堆砌而成,形成坚固的护坡结构,既能美化环境,又能保护土壤,有效避免坡体的岩石滑落,具有很高的实用性和广泛的适应范围。
二、工法特点1. 结构简单:使用两根竖向排列的石块作为支撑点,再依次水平排列粘结的三层横向石块,构成一个均衡稳定的护坡结构。
2. 施工简单:不需要粘结材料,直接将石块堆砌在坡面上,节省了时间和成本。
3. 良好的适应性:可以根据坡面的形状和限制条件进行灵活的调整,适用于各种护坡需求。
4. 良好的美观效果:石块具有天然的美观性,干砌石护坡不需要外部涂料或装饰,能够自然融入周围环境。
三、适应范围“两竖三横”干砌石护坡施工工法适用于各种土质的坡面,包括土、砂、石等。
适用范围广泛,如公路、铁路、水利、园林以及民用建筑等工程护坡。
四、工艺原理该工法的原理依据于对施工工法与实际工程间的联系,并采取相应的技术措施进行实际应用。
首先根据护坡的需求和土壤条件,在坡面上确定两根竖向排列的石块,作为整个护坡结构的基础支撑点。
然后,按照一定的规则,将石块分层堆砌,形成均匀的护坡结构。
通过石块的重力和摩擦力,使得整个护坡结构能够承受土壤的侧向压力,保持稳定,并有效抵抗坡体滑动。
五、施工工艺 1. 坡面准备:清理坡面上的杂物、植被等,并进行必要的平整。
2. 基础石块安装:将两根竖向排列的石块按设计要求固定在坡面上,作为基础支撑点。
3. 横向石块分层堆砌:按照设计要求,将石块分层水平堆砌在基础石块上,每层之间通过重叠、交错等方式进行连接,形成均匀的护坡结构。
4. 背填土加固:在每一层横向石块堆砌完成后,进行背填土加固,填补石块之间的空隙,增加护坡的稳定性。
5. 石面修整:完成横向石块的堆砌后,对石面进行修整,使其平整美观。
六、劳动组织根据工地实际情况,合理组织施工人员,制定施工计划,明确各项工作任务和责任,保证施工进度和质量的同时,确保施工安全。
干砌石护坡施工方案1.背景简介干砌石护坡是一种常见的土石坡面保护方法,通过将石材垒砌在坡面上,能够有效地防止坡面的侵蚀和崩塌。
本文档将介绍一种简单且可行的干砌石护坡施工方案。
2.施工步骤2.1 准备工作在进行干砌石护坡施工前,需要进行以下准备工作:- 清理坡面上的杂草、垃圾等;- 根据设计要求,确定石材的种类和尺寸,并进行清洗;- 准备施工所需的工具和设备,如铁锹、锤子、水平仪等。
2.2 基底处理- 对坡面进行必要的修整和打磨,确保基底平整且干燥;- 如有需要,可以进行基底防水处理,以增加坡面的稳定性。
2.3 石材垒砌- 将清洗过的石材按照设计要求逐层垒砌在坡面上;- 在垒砌过程中,要确保石材之间的间隙均匀,不可过大或过小;- 使用水平仪等工具进行调整和校正,以保证石材的水平和垂直度。
3.质量控制点3.1 石材选择- 选择质量良好、坚硬耐用的石材;- 避免使用破碎、有裂纹或难以固定的石材。
3.2 垒砌稳固性- 确保石材之间有充足的垫砂,以增加稳固性;- 在垒砌过程中,及时修正和调整不稳定的石材,避免造成后续施工质量问题。
3.3 施工图纸和要求- 按照设计要求进行施工,并与设计人员进行沟通和协调;- 确认施工图纸和要求,并按图施工,避免施工偏差。
4.安全注意事项- 在施工过程中,保证作业区域的安全,设置警示标志和隔离措施;- 确保操作人员佩戴必要的个体防护装备,如安全帽、手套等;- 注意石材的搬运和处理过程中的安全,避免发生意外事故。
5.施工总结干砌石护坡施工是一项需要准备工作、注意质量和安全的工程,通过本文档中的施工步骤和质量控制点,可以保证施工质量和工程安全。
在实际施工中,应严格按照设计要求进行操作,并及时与设计人员进行沟通,以确保施工结果满足要求。
干砌石护坡工艺:
1、坡面清理:采用人工精确削坡至设计土坝边坡线,人工开挖脚槽土方,并清除坡面杂物。
2、反滤层铺筑:采用人工由下至上铺筑,振动碾进行碾压,边角处蛙式打夯机补边夯,确保反滤层达到设计厚度及质量标准。
3、干砌石护坡:
1)精确测量定位,沿坝轴线方向每隔10m设一道坡顶、坡中及坡脚的纵向护坡表面高程控制桩,用22号铁线进行拉线控制护坡铺砌。
铺筑时横向采用两道纵向控制线之间挂线控制砌石表面平整度(用2m靠尺量测不超过±5cm)。
2)干砌石砌体铺砌前,先铺设碎石垫层,垫层与砌体相配合随铺随砌。
干砌石护坡以一层与一层错缝锁结方式砌筑,石块咬合紧密,石块前后的明缝用小片石料镶嵌添塞平稳。
3)护坡表面砌缝的宽度不应大于25mm,砌石边缘应顺直、整齐牢固。
砌体外露面选用较整齐的石块砌筑平整。
块石无风化,岩石表面新鲜,砌筑后表面平整度2m直尺不超过±5cm,无通缝,缝宽不超过2.5cm。
干砌片石护坡施工工艺流程下载温馨提示:该文档是我店铺精心编制而成,希望大家下载以后,能够帮助大家解决实际的问题。
文档下载后可定制随意修改,请根据实际需要进行相应的调整和使用,谢谢!并且,本店铺为大家提供各种各样类型的实用资料,如教育随笔、日记赏析、句子摘抄、古诗大全、经典美文、话题作文、工作总结、词语解析、文案摘录、其他资料等等,如想了解不同资料格式和写法,敬请关注!Download tips: This document is carefully compiled by theeditor.I hope that after you download them,they can help yousolve practical problems. The document can be customized andmodified after downloading,please adjust and use it according toactual needs, thank you!In addition, our shop provides you with various types ofpractical materials,such as educational essays, diaryappreciation,sentence excerpts,ancient poems,classic articles,topic composition,work summary,word parsing,copy excerpts,other materials and so on,want to know different data formats andwriting methods,please pay attention!干砌片石护坡施工工艺流程详解干砌片石护坡是一种常见的土木工程防护措施,主要用于防止山坡、河岸等地区的土壤侵蚀和滑坡。
干砌石护坡施工方案一、引言干砌石护坡是一种常见且有效的护坡方式,适用于各种类型的土坡,如公路、铁路、水利工程等。
它不仅能够保护土坡的稳定性,还具有美观、经济、环保等优点。
本文将详细介绍干砌石护坡的施工方案,以帮助施工人员高效而安全地完成工程。
二、施工前的准备工作1. 方案设计在开始施工之前,需要进行详细的方案设计。
根据土坡的坡度、长度、高度等参数,确定砌石的数量和布置方式。
同时考虑到地质条件、水土保持要求等因素,综合分析选择合适的干砌石类型。
2. 土地准备在施工前,需要对土坡进行适当的整理和处理。
清除杂草、疏松土壤,确保土地表面平整且坚实。
若土坡存在明显的裂缝或有较大的不平整现象,需进行填平和修复。
3. 材料准备准备好施工所需的材料,包括砌石、沙子、水泥等。
选择优质的砌石材料,确保其质量和尺寸符合要求。
同时,根据设计方案确定所需的材料数量,避免施工过程中材料的不足或浪费。
三、施工步骤1. 基底处理首先,在土坡的基底位置进行处理。
在土地表面上铺设一层厚度约为10厘米的碎石,用以增加基底的稳定性和承重能力。
碎石层的表面要平整,并且用压路机进行压实处理。
2. 石垫层施工在基底上铺设一层厚度约为15厘米的石垫层,用以增加砌石的稳定性和抗压能力。
石垫层的材料选择应符合设计要求,例如使用适当粒度的砾石混合物。
3. 砌石施工根据设计方案,在石垫层上开始进行砌石施工。
将砌石按照规定的布置方式进行堆砌,砌石之间用适当的缝隙进行连接。
砌石的选择应符合设计要求,并注意保持砌石的平整度和垂直度。
4. 砌缝处理在砌石堆砌完成后,需要对砌缝进行处理。
一般采用适量的水泥砂浆填充砌缝,以增加砌石的稳定性和整体强度。
填充时要注意控制填充的浆料量,避免过度填充导致砌缝凹凸不平。
5. 补正与清理完成砌缝处理后,需要对整体施工进行补正和清理工作。
检查施工质量,修整错位的砌石,清除多余的浆料和杂物,以保持施工界面的美观和整洁。
四、施工安全注意事项1. 施工人员必须佩戴好相应的个人防护用具,如安全帽、安全鞋等,确保人身安全。
干砌石护坡施工方案工艺一、准备工作:1.了解工程规划和设计要求,确定砌石护坡的尺寸、坡度和高度等参数。
2.挖掘坡面土方,并按照设计要求进行土方整平和坡面处理。
3.清理坡面的杂草、杂物和大型岩石。
4.按照设计要求进行排水系统的布置和管道的安装。
二、砌石前的处理:1.水泥浆涂抹:在坡面上涂抹一层稀薄的水泥浆以增强石块之间的粘结力。
2.砌石基础:在护坡底部铺设一层厚度为10-15cm的碎石层作为基础,以提高地基稳定性和排水效果。
三、砌石施工:1.选材:根据设计要求,选择适合的石材,石块应具有足够的坚固度和耐久性。
2.砌石方法:从坡脚开始,依次砌筑每一层石块。
一般采用直砌法,即将石块依次水平放置在护坡面上,堆砌时注意石块之间的间隙均匀一致,以保证整体的稳定性。
3.石块摆放:根据设计要求,根据石块的尺寸和形状进行组合,使石块之间形成稳定的结构。
大石块应该放置在下方,小石块放在上方以增加稳定性。
4.填缝:石块砌完后,用石块碎片和石膏等材料填补石块之间的缝隙,以增强石块之间的粘结力,并提高整体的稳定性。
5.修整:用敲石锤等工具对砌好的石块进行修整,使表面平整、均匀。
同时检查石块是否牢固,必要时可进行调整和加固。
四、施工结束:1.清理:清理施工现场的垃圾和工具。
2.检查:检查护坡的稳定性和安全性,如果有问题应及时进行修复。
3.验收:按照设计要求和相关标准进行工程验收。
总结:干砌石护坡是一种较为常见的护坡工程技术,通过选择合适的石材和砌石方法,能够有效地抵御坡面冲击力和土壤的侵蚀,提高护坡工程的稳定性和安全性。
在施工过程中,需严格按照设计要求进行工程测量和工艺操作,并及时清理现场,做好验收工作。
干砌石护坡工程施工一、前期准备工作1.1 设计方案根据工程要求和现场实际情况,设计出适合的干砌石护坡方案。
设计方案要考虑护坡高度、坡度、材料选择、结构形式等因素,确保护坡工程符合工程要求和安全规范。
1.2 采购材料根据设计方案确定所需的石料规格、数量,选择质量合格的石材供应商进行采购。
石材的选材要符合工程要求,保证护坡工程的质量和美观度。
1.3 施工设备准备准备必要的施工设备和工具,包括挖土机、装载机、砂石运输车、石材切割机、起重机等。
确保施工设备完好无损,保证施工进度和质量。
1.4 施工人员培训对施工人员进行专业的培训,确保他们具备必要的技能和安全意识。
培训内容包括石材的分类、切割、拼接等技术要点,以及施工现场安全规范和应急措施。
二、施工过程2.1 现场勘测在施工开始前,对工程现场进行勘测,了解地形地貌情况、土壤性质、坡体稳定性等。
根据勘测结果调整设计方案,确定具体施工方案。
2.2 地基处理在护坡工程施工前,需要对地基进行处理,确保坡体稳定。
对于软土地基,需要进行加固处理,以增强整体稳定性。
2.3 石材加工根据设计要求,对购买的石材进行切割、刨平等加工处理,使之符合设计尺寸和形状要求。
石材的加工应精准、便捷,以保证施工质量和进度。
2.4 石材拼接将加工好的石材按照设计方案进行拼接,并用专用的胶水或水泥进行粘接,保证护坡结构的牢固性和稳定性。
拼接过程中要注意材料的选用和施工的精准度,确保护坡的美观度和耐久性。
2.5 护坡施工根据设计方案,按照从下至上、自上而下的顺序进行护坡石材的铺垫,确保每层石块的平整度和牢固性。
在施工过程中要定期对护坡结构进行检验,及时发现和处理问题。
2.6 辅助工程在护坡施工过程中,可能需要进行其他辅助工程,如设置排水系统、种植绿化植物等。
这些工程可以提高护坡的安全性和美观度,确保护坡工程的整体效果。
2.7 完工验收在护坡工程完成后,进行完工验收。
验收内容包括结构的稳定性、施工质量、美观度等方面。
干砌石护坡工程施工重点一、前期准备工作1. 土地勘测:在进行干砌石护坡工程前,需要进行土地勘测,确定地形地貌、地质构造、水文地质等情况,为后续的设计和施工提供依据。
2. 设计方案:根据土地勘测结果,设计专业的护坡工程方案,包括护坡结构、石材选用、工程量清单等内容。
3. 石料采购:确定设计方案后,需要进行石料的采购工作,选择质量好、规格合适的石料作为施工材料。
二、施工工艺1. 基础处理:在进行干砌石护坡工程施工前,需要对基础进行处理,包括清理地表、夯实基础等工作,为后续的石料铺设和固定提供坚实的基础支撑。
2. 石料选用:在选择石料时,需要考虑石头的质量、规格、形状等因素,确保石料的质量符合设计要求,能够稳固地堆叠在一起。
3. 石料铺设:将选好的石料按照设计方案一层一层地铺设在基础上,保证石料之间的交错、紧密排列,同时注意避免出现缝隙和错位现象。
4. 石料固定:在铺设完石料后,需要进行石料的固定工作,可以使用专用的锤子、夯实机器等工具将石料压实固定,确保整体结构的稳定性。
5. 边坡处理:在进行干砌石护坡工程时,需要注意处理边坡的结构,通过设置防护栏杆、植被覆盖等方式,增加护坡结构的稳定性和美观性。
6. 施工质量控制:在整个施工过程中,需要进行质量控制,包括材料质量、施工质量等方面,确保护坡工程的稳固性和安全性。
三、施工安全措施1. 安全防护设施:在施工现场设置安全警示标志,保证施工人员和过往行人的安全;2. 作业人员安全:对施工人员进行专业培训,提高其安全意识和施工技能,避免发生意外事故;3. 施工设备安全:对施工设备进行定期检查和维护,保证设备的正常运转,避免设备故障引发安全事故;4. 施工现场环境:保持施工现场整洁、有序,减少施工垃圾对环境的污染,确保施工环境的安全。
四、施工验收和维护1. 施工验收:在完成干砌石护坡工程后,需要进行验收工作,通过检查石料的固定情况、护坡结构的稳固性等方面,确保工程质量符合设计要求。
干砌护坡工程2.砌筑选材干砌石石块应选用材质应坚实新鲜,无风化剥落层或裂纹,石材表面无污垢、水锈等杂质;块石应大致方正,上下面大致平整,无尖角,石料的尖锐边角应凿去;所有垂直于外露面的镶面石的表面凹陷深度不得大于20mm;石料最小尺寸不宜小于50cm;一般长条形丁向砌筑,不得顺长使用;3.砌筑要求3.1砌石的基本要求平整:砌体的外露面应平顺和整齐;要求块石大面朝外,其外缘与设计坝坡线误差不超过±10cm;稳定:石块的安置必须自身稳定;密实:砌体以大石为主,选型配砌,必要时可以小石搭配,干砌石应相互卡紧;错缝:同一砌层内相邻的及上下相邻的砌石应错缝;3.2 块石砌筑应符合下列要求⑴坡面应有均匀的颜色和外观,不要求加水和碾压;下游坡面块石护坡应随坝体上升逐层砌筑;⑵干砌石砌体铺砌前,应将地基平整夯实;坡面修整平顺;大块石抛填前,将基础表面浮渣清理干净并夯实处理,分层抛填;⑶砌石应垫稳填实,与周边砌石靠紧,严禁架空;⑷坡面上的干砌石砌筑,以一层与一层错缝锁结方式铺砌;护坡表面砌缝的宽度不应大25mm,砌石边缘应顺直、整齐牢固,严禁出现通缝、叠砌和浮塞,抛填大块石表面应人工修面,表面质量标准同坝后块石护坡;⑸砌体外露面的坡顶和侧边,应选用较整齐的石块砌筑平整;⑹不得在外露面用块石砌筑,而中间以小石填心;不得在砌筑层面以小块石、片石找平;护坡顶应以大石块压顶;⑺为使沿石块的全长有坚实支承,所有前后的明缝均应用小片石料填塞紧密;⑻应由低向高逐步铺砌,要嵌紧、整平,铺砌厚度应达到设计要求;4.检定标准坝后块石护坡单元工程质量评定标准应符合以下规定:合格标准:检查项目达到标准,检测项目合格率不小于70%;优良标准:检查项目达到标准,检测项目合格率不小于90%;2 干砌石的质量要求1块石料应质地坚硬,无裂痕的新鲜花岗岩,表面色泽均匀;块石要求上下两面大致平行且平整,形状大致方正,宽度为厚度的1~1.5倍,长度为厚度的1.5~3倍;2干砌石砌体铺筑前,应按设计图纸要求先铺设垫层或反滤层,垫层或反滤层与干砌石铺砌层配合砌筑,随铺随砌;3干砌石护坡铺筑须自底部向上进行,错缝竖砌,原则上要求单层砌筑,坡脚与封边均应使用较大块石料;4砌石与岸坡接触处,应开挖成适合块石形状,使块石与岸坡结合紧密,护坡面砌缝的宽度不应大于25㎜,砌石边缘应顺直,整齐牢固,砌体外露面的坡顶和侧边,应选用较整齐的石块砌筑平整;5为使砌石块的全长有坚实支撑,所以有前后的明缝均用小片石料填塞密实;6坝坡块石护坡的砌筑应做到:认真挂线,自下而上,错缝竖砌,紧靠密实,塞垫稳固,大块封边,表面平整;7砌筑表面要求平整,相邻块石之间高差最大不应超过5㎝,且不得有递增或递减现象,表面不得有明显的凹凸不平;8上、下游护坡砌筑时,新旧护坡应紧密结合,交接处不得形成明显的分界线;3干砌石容易出现的质量问题干砌石的施工虽工序简单,但质量控制难度大,容易出现的质量问题的点多、面广;容易出现的质量问题有:1 石料质量达不到要求,石料形状不规则,砌筑不能够成面,鹅卵石料严禁使用;2 建基面的平整度决定着干砌石结构的平整度,建基面平整度达不到设计及规范要求是存在质量问题之一;3 干砌石结构中块石之间缝隙过大,甚至产生空洞;4 块石砌筑表面凹凸不平,平整度不符合要求;5 反滤料或垫层铺筑不规范,不均匀,铺筑不到位;6 干砌石块石松动,不牢固,块石不紧密;7 块石大小搭配不均,小石集中,外观质量差;8 浮石砌筑,砌石厚度不合要求;9 新旧石料混用,颜色不一致,不美观;10使用风化石料,影响干砌石结构质量;4解决干砌石质量问题的主要措施1 块石原材质量是干砌石质量的基础,严把石料进货关;干砌石施工前要由甲方、监理、施工三方联合对石料场进行考察,对石料的形状,硬度,颜色等进行综合考察,货比三家后,选定质量合格的石料场作为货源;2 做好砌石人员的选配工作;干砌石结构工序较为简单,人们往往认为只要有力气就能从事干砌石的施工,这种认识是严重错误的,是对干砌石施工的一种误解;要使干砌石砌体施工达到质量要求,如果没有多年砌石施工经验是难以完成的;在进行干砌石结构施工前,要选定试验块,考察工人的砌石操作能力,根据考察情况,组成一支有经验、负责任、会操作的砌石队伍;3 相互交流学习;今年卢龙县15座小型水库除险加固工程中,每座水库干砌石项目均是重点,这就给干砌石施工提供了很好的交流平台;对未开始进行干砌石施工的水库工程项目,组织施工人员到正在施工的工程项目学习取经;并认真总结容易出现的质量问题,研究制订避免质量问题的办法,不断提高操作能力,保证干砌石质量;4 加大质量抽查力度;干砌石一块或几块石料的砌筑,就会影响干砌石结构的整体质量,当大面积干砌石砌筑完成后,再进行检查,拆除难度大,工人情绪受影响,干砌石质量检查及时性非常重要;所以,必须加大质量检查力度,要做到全过程的质量检查,及时发现问题,及时改正,对不合格的干砌石立即拆除,不留隐患;5 做好测量工作,从干砌石建基面施工到干砌石结构砌筑,全过程跟踪测量,目测、靠尺、仪器要同时进行,及时检查干砌石平整度;6 做好施工组织安排;干砌石施工看似施工组织非常简单,其实科学合理的施工组织安排对工程质量、进度、投资影响很大;首先,在干砌石施工前,要按设计要求铺筑反滤料或垫层,反滤料或垫层完成后再进行干砌石砌筑,往往因反滤料或垫层厚度小使干砌石沉陷,反滤料或垫层厚度过厚干砌石不稳定,增加干砌石施工难度;其次,进料要有序,先进反滤料,后进石料,进料要合理安排,讲究进料顺序,有的石料和反滤料混在一起,质量不能得到保证,工人也无法施工;第三,石料尽量堆放在施工现场,减少工人施工场地搬运工作量,如果施工场地工人搬运石料工作量大,会影响工人的体力,也势必影响干砌石质量;5干砌石施工质量控制的细节1 需配备必要的工具,小锤、大锤、钎子等工具要备齐;大锤将大石分块,以使石料符合结构要求的尺寸和形状;在砌筑过程中,用小锤敲掉块石不规则的棱角,以保证块石砌筑紧凑;2用钢线在纵横两个方向挂工程线,钢线挂紧、不松动、不下垂,给砌石工人一个标准的砌石结构线;3 干砌石护坡等结构要横向分块,宽度不宜大于5㎝,合理安排每一个砌石工人工作面,这样砌石工人自身能够及时控制砌石平整度;4 砌石过程块石之间难免有空隙,要利用小石塞缝,并用大石将小石卡紧,这样既避免了块石之间过大缝隙,又使块石不松动;5 砌石过程中,控制较小块石集中砌筑的现象,大、小块石均匀分布砌筑,这样既牢固又美观;6 排水棱体及护坡坡脚砌筑前,要在地基处开挖0.5m左右的基槽,将第一层块石埋入地基中,并挂工程线检查是否顺直,以保证砌石体的稳定性;7 变坡线砌筑时,先砌筑第一层块石,检查是否顺直,再进行第二层砌筑,以保证砌石体外观质量;8 石料中难免有一部分厚度达不到要求的块石,将块石竖向砌筑,以保证砌石体的结构厚度;9 根据干砌石结构及地形情况,制定合理的承包费用,要保证砌石工人合理的工资;由于石料的不规则性以及干砌石结构自身特点,干砌石施工质量控制一直是人们头疼的一件事,但只要我们端正工作态度,抓住质量控制要点,实行科学的施工方法,认真进行质量检查,及时整改质量问题,干砌石结构会以美观,亮丽的形象呈现在我们前面的;。
干砌石护坡施工方案砌石护坡是一种常见的土木工程施工方案,通过将石块垒砌成坡体,起到保护和加固坡体的作用。
下面将详细介绍一种干砌石护坡的施工方案。
1.施工前准备工作:-确定施工的坡度和高度,根据需求计算所需石块的数量。
-清理施工现场,清除杂草、碎石和杂物,确保施工区域整洁平整。
-开设施工通道,为施工机械和人员进出提供便利。
2.材料准备:-石材:选择质地坚硬、无裂纹、平整的石块,常用材料有花岗巖、砂岩等。
-石灰浆:用于填充石缝和加强石块之间的粘结力。
-基础材料:常用砂石和碎石作为垫层和基底。
3.施工步骤:-地基处理:清理完施工现场后,对施工区域进行一定的挖掘和整平,确保地基的稳固。
- 填充垫层:在地基上铺设一层砂石垫层,厚度约为20-30cm,用于填充不平整的地表。
-条石固定:在垫层上开设冲击孔,将条石嵌入孔内,用橡胶锤轻敲使其固定。
-石块垒砌:根据设计的坡度和高度,从地基开始逐层垒砌。
首先选择较大的石块,放在基底上,并用水平仪调整平整度。
在垒砌过程中,尽量选择形状规则、大小适中的石块,以确保整体的牢固性和美观度。
-填缝固结:石块垒砌完成后,使用石灰浆填充石缝,提高石块之间的粘结强度。
填缝时要注意均匀填充,并使用批刀将多余的灰浆刮平。
-护面处理:经过一段时间的风蚀和水力冲刷,石块的表面容易变得不平整。
为了提高护坡的效果,可以使用钢丝刷等工具将石块表面清理干净,使其光滑平整。
-固结养护:施工完成后,对砌体进行固结养护。
根据气候条件和石材特性,进行局部浇水或浸水养护,以提高石块的粘结强度。
4.安全措施:-施工现场要划出明显的禁止通行区域,并设置警示标志,确保施工安全。
-施工人员应佩戴安全防护用具,如安全帽、手套和防滑鞋等,避免意外伤害。
-进行必要的施工交底和教育,提高工作人员的安全意识和技能。
干砌石护坡施工方案是一种经济、实用、美观的护坡方式,通过石块的自重和干砌技术,可以有效地抵御坡体的滑坡和侵蚀,保护生态环境。
干砌石护坡工程施工一、前言在我国,河流、湖泊众多,水岸线漫长,水利工程中的护坡施工是保障工程安全、延长工程使用寿命的重要环节。
干砌石护坡工程作为一种传统的护坡方式,具有结构稳定、抗冲刷能力强、施工工艺简单等优点,因此在水利工程中得到了广泛的应用。
本文将对干砌石护坡工程施工的相关技术要求及注意事项进行详细介绍。
二、干砌石护坡工程施工技术要求1. 施工准备在干砌石护坡工程施工前,首先要进行现场勘查,了解地质、水文、气象等情况,为施工方案的制定提供依据。
同时,要准备好所需的施工材料、设备及人员,确保施工顺利进行。
2. 基础处理干砌石护坡工程的基础处理至关重要,直接影响到护坡的稳定性和使用寿命。
基础处理包括清除基础表面的杂物、松散土层,对基础面进行平整、压实,以确保干砌石体与基础紧密接触。
3. 砌石施工干砌石护坡的施工顺序一般从底部开始,逐层向上进行。
施工过程中要注意以下几点:(1)块石的选择:块石应具有足够的强度、抗冲刷能力和稳定性,表面要求大致平整,以便于块石之间的嵌合。
(2)层与层之间的缝隙处理:干砌石护坡的层与层之间应保持适当的缝隙,以适应地基的变形和温度变化。
缝隙宽度一般为2-5cm,填充材料可选用碎石、砂等。
(3)砌石坡度:干砌石护坡的坡度应符合设计要求,确保护坡的稳定性和抗滑性能。
(4)块石稳固性:砌筑过程中,要确保块石间连接牢固,无松动现象。
块石稳固性检查可通过人工敲击或振动试验来进行。
4. 施工质量控制施工过程中,要严格按照设计要求和施工规范进行操作,确保干砌石护坡的施工质量。
质量控制主要包括以下几个方面:(1)施工工艺:遵循正确的施工顺序和操作方法,确保干砌石体的稳定性。
(2)施工厚度:干砌石护坡的厚度应符合设计要求,确保护坡的抗冲刷能力和稳定性。
(3)坡度控制:通过测量和检查,确保干砌石护坡的坡度符合设计要求。
(4)砌筑质量:对砌筑完成的干砌石体进行验收,检查块石稳固性、缝隙宽度等指标,确保合格。
干砌石护坡施工工艺首先我们先了解干砌石护坡施工工艺基本方法:①坡面上的干砌石砌筑,应在夯实的砂砾层上,以一层与一层错缝锁结方式铺砌,砂砾垫层的粒径应不大于50mm,含泥量小于5虬垫层应与代砌石铺砌层配合砌筑,应自下而上分层铺设,并随砌石面的增高分段上升。
②护坡表面砌缝的宽度不应大于25mm,砌石边缘应顺直、整齐牢固。
③砌体外路面的坡顶和侧边,应选用较整齐的石块砌筑平整。
④为使沿石块的全长有坚实支撑,所有前后的明缝均应用小片石料填塞严密。
干砌石护坡施工方法:干砌块石常采用的施工方法主要有花缝砌筑法和平缝砌筑法两种。
花缝砌筑法多用于干片(毛)石砌筑。
砌筑时,依石块原有形状尖对拐或拐对尖联系砌成。
砌石不分层,一般多将大面朝上,如图7-1所示。
这种砌法的优点是表面平整,缺点是底部空虚,容易被水流淘刷变形,稳定性较差,一般多用于流速不大、不承受风浪淘刷的渠道护坡工程。
平缝砌筑法是将石块宽面与坡面竖向垂直,与横向平行,如图7-2所示。
砌筑前,安放石块必须先开展试放,不合适处应用小锤修整,使石缝严密。
最好不塞或少塞石子来固定石料。
这种砌法横向没有通缝,但竖向直缝必须错开。
如砌缝底部或块石拐角处有空隙,则应选用适当的片石塞满填紧,以防止底部砂砾垫层由缝隙淘出,造成坍塌。
不管是花缝砌筑法还是平缝砌筑法,由于干砌块石是依靠块石之间的摩擦力来维持其整体稳定性的,若砌体发生局部移动或变形,则会导致其整体破坏,而干砌块石砌体的边口部位是最易损坏的地方,因此,干砌块石砌体的封边工作十分重要。
对护坡水下部分的封边,常采用大块石单层或双层干砌封边,然后将边外部分用黏土回填夯实,有时也可采用浆砌石开展封边;对护坡水上部分的顶部封边,常采用比较大的方正块石砌成40cm左右宽度的平台,平台后所留的空隙用黏土回填夯实,如图7-3所示;对于挡土墙、闸翼墙等重力式墙身顶部,一般用混凝土封闭。
3.干砌石的砌筑要点干砌石施工缺陷主要有缝口不紧、底部空虚、鼓心凹肚、重缝、飞口(即用很薄的砌石且未经砸实便砌在坡口)、悬石(两石相接不是面的接触,而是点的接融)、浮塞、叠砌和蜂窝等问题,如图7-4所示。
干砌石护坡工程施工方案概述干砌石护坡,也称干式护坡,是一种义式石墙,主要用于支撑坡面。
过去常用于矿山、铁路以及公路等陡峭的地形。
随着现代建筑的发展,干砌石护坡逐渐走进现代城市的日常生活中。
本文将介绍干砌石护坡工程施工方案。
工程资料1.干砌石护坡设计方案2.施工图纸及操作规程3.墙石及其配料4.手工工具施工步骤一、准备工作划定施工区域和标高线。
对坡面进行清理,挖掉表土并整平坡面。
确定护坡墙的高度和厚度,并按照设计要求来准确的放样。
同时,保证施工过程中的安全。
二、准备材料选用石材要经过质量检验,保证石头的质量、规格和品种符合设计要求。
按照指定的配比摆放各种型态的石头,并采取钻孔压合技术进行加固。
三、基础工程按设计要求先在基座处打底,基础层的高度视护坡墙的高度和稳定度而定,而且还要按照坡面的不同形态来设计,为保持其平稳。
首先在基础层用混凝土打硬出台,然后再砌筑第二层墙体,一道一道递次向上建造。
四、石墙的建造砌筑第二层墙体时,要按照设计要求放石头,先放靠近底部的大石头,石与石之间要加垫子,使他们能更好地连接,以保证墙体结实可靠。
之后再采用锤子和凿台技术将石头裁割成所需要的形态,并将锤头轻敲,使其紧密的连结起来。
在施工过程中坚持修建“石桥”、“石碗”、“鱼鳞”、“石鏟”等不同的造型,创造出独特的护坡效果。
五、墙体的完善石墙建好后,要进行后续的清理和处理。
主要是用带水的毛刷刷洗墙面,然后再用棉布或者尘布轻擦干净。
涂刷防水材料以进行基础层保护,提高护坡工程年限。
在基础部分还要进行基础回填,对坡面进行修整。
安全注意事项1.护坡施工须要有专业施工人员进行操作,不可私自施工。
2.操作者需穿戴防护设施,保证安全。
3.护坡施工过程中,应避免扰动周边环境,并注意环保和文物保护等,保持工地整洁,不随意乱扔垃圾。
总结整个干砌石护坡工程的建设是一个高难度操作,需要指定的专业人士来操作,并始终保持施工过程的安全和环保。
如此建造的石头护坡将大大增加城市的美观性和功能性,还能防止雨水侵蚀斜坡下方地面等作用。
干砌护坡工程
1.施工工艺流程
块石护坡施工工艺流程图
2.砌筑选材
干砌石石块应选用材质应坚实新鲜,无风化剥落层或裂纹,石材表面无污垢、水锈等杂质。
块石应大致方正,上下面大致平整,无尖角,石料的尖锐边角应凿去。
所有垂直于外露面的镶面石的表面凹陷深度不得大于20mm。
石料最小尺寸不宜小于50cm。
一般长条形丁向砌筑,不得顺长使用。
砌筑石料的物理力学性质应符合下表的规定:
块石护坡和大块石抛填质量检查项目与标准
3.砌筑要求
3.1砌石的基本要求
平整:砌体的外露面应平顺和整齐。
要求块石大面朝外,其外缘与设计坝坡线误差不超过±10cm。
稳定:石块的安置必须自身稳定。
密实:砌体以大石为主,选型配砌,必要时可以小石搭配,干砌石应相互卡紧。
错缝:同一砌层内相邻的及上下相邻的砌石应错缝。
3.2 块石砌筑应符合下列要求
⑴坡面应有均匀的颜色和外观,不要求加水和碾压。
下游坡面块石护坡应随坝体上升逐层砌筑。
⑵干砌石砌体铺砌前,应将地基平整夯实。
坡面修整平顺;大块石抛填前,将基础表面浮渣清理干净并夯实处理,分层抛填;
⑶砌石应垫稳填实,与周边砌石靠紧,严禁架空;
⑷坡面上的干砌石砌筑,以一层与一层错缝锁结方式铺砌。
护坡表面砌缝的宽度不应大25mm,砌石边缘应顺直、整齐牢固,严禁出现通缝、叠砌和浮塞,抛填大块石表面应人工修面,表面质量标准同坝后块石护坡;
⑸砌体外露面的坡顶和侧边,应选用较整齐的石块砌筑平整。
⑹不得在外露面用块石砌筑,而中间以小石填心;不得在砌筑层面以小块石、片石找平;护坡顶应以大石块压顶;
⑺为使沿石块的全长有坚实支承,所有前后的明缝均应用小片石料填塞紧密。
⑻应由低向高逐步铺砌,要嵌紧、整平,铺砌厚度应达到设计要求;
4.检定标准
坝后块石护坡单元工程质量评定标准应符合以下规定:
合格标准:检查项目达到标准,检测项目合格率不小于70%。
优良标准:检查项目达到标准,检测项目合格率不小于90%。
2 干砌石的质量要求
(1)块石料应质地坚硬,无裂痕的新鲜花岗岩,表面色泽均匀。
块石要求上下两面大致平行且平整,形状大致方正,宽度为厚度的1~1.5倍,长度为厚度的1.5~3倍。
(2)干砌石砌体铺筑前,应按设计图纸要求先铺设垫层或反滤层,垫层或反滤层与干砌石铺砌层配合砌筑,随铺随砌。
(3)干砌石护坡铺筑须自底部向上进行,错缝竖砌,原则上要求单
层砌筑,坡脚与封边均应使用较大块石料。
(4)砌石与岸坡接触处,应开挖成适合块石形状,使块石与岸坡结合紧密,护坡面砌缝的宽度不应大于25㎜,砌石边缘应顺直,整齐牢固,砌体外露面的坡顶和侧边,应选用较整齐的石块砌筑平整。
(5)为使砌石块的全长有坚实支撑,所以有前后的明缝均用小片石料填塞密实。
(6)坝坡块石护坡的砌筑应做到:认真挂线,自下而上,错缝竖砌,紧靠密实,塞垫稳固,大块封边,表面平整。
(7)砌筑表面要求平整,相邻块石之间高差最大不应超过5㎝,且不得有递增或递减现象,表面不得有明显的凹凸不平。
(8)上、下游护坡砌筑时,新旧护坡应紧密结合,交接处不得形成明显的分界线。
3干砌石容易出现的质量问题
干砌石的施工虽工序简单,但质量控制难度大,容易出现的质量问题的点多、面广。
容易出现的质量问题有:
(1)石料质量达不到要求,石料形状不规则,砌筑不能够成面,鹅卵石料严禁使用。
(2)建基面的平整度决定着干砌石结构的平整度,建基面平整度达不到设计及规范要求是存在质量问题之一。
(3)干砌石结构中块石之间缝隙过大,甚至产生空洞。
(4)块石砌筑表面凹凸不平,平整度不符合要求。
(5)反滤料或垫层铺筑不规范,不均匀,铺筑不到位。
(6)干砌石块石松动,不牢固,块石不紧密。
(7)块石大小搭配不均,小石集中,外观质量差。
(8)浮石砌筑,砌石厚度不合要求。
(9)新旧石料混用,颜色不一致,不美观。
(10)使用风化石料,影响干砌石结构质量。
4解决干砌石质量问题的主要措施
(1)块石原材质量是干砌石质量的基础,严把石料进货关。
干砌石施工前要由甲方、监理、施工三方联合对石料场进行考察,对石料的形状,硬度,颜色等进行综合考察,货比三家后,选定质量合格的石料场作为货源。
(2)做好砌石人员的选配工作。
干砌石结构工序较为简单,人们往往认为只要有力气就能从事干砌石的施工,这种认识是严重错误的,是对干砌石施工的一种误解。
要使干砌石砌体施工达到质量要求,如果没有多年砌石施工经验是难以完成的。
在进行干砌石结构施工前,要选定试验块,考察工人的砌石操作能力,根据考察情况,组成一支有经验、负责任、会操作的砌石队伍。
(3)相互交流学习。
今年卢龙县15座小型水库除险加固工程中,每座水库干砌石项目均是重点,这就给干砌石施工提供了很好的交流平台。
对未开始进行干砌石施工的水库工程项目,组织施工人员到正在施工的工程项目学习取经。
并认真总结容易出现的质量问题,研究制订避免质量问题的办法,不断提高操作能力,保证干砌石质量。
(4)加大质量抽查力度。
干砌石一块或几块石料的砌筑,就会影响
干砌石结构的整体质量,当大面积干砌石砌筑完成后,再进行检查,拆除难度大,工人情绪受影响,干砌石质量检查及时性非常重要。
所以,必须加大质量检查力度,要做到全过程的质量检查,及时发现问题,及时改正,对不合格的干砌石立即拆除,不留隐患。
(5)做好测量工作,从干砌石建基面施工到干砌石结构砌筑,全过程跟踪测量,目测、靠尺、仪器要同时进行,及时检查干砌石平整度。
(6)做好施工组织安排。
干砌石施工看似施工组织非常简单,其实科学合理的施工组织安排对工程质量、进度、投资影响很大。
首先,在干砌石施工前,要按设计要求铺筑反滤料或垫层,反滤料或垫层完成后再进行干砌石砌筑,往往因反滤料或垫层厚度小使干砌石沉陷,反滤料或垫层厚度过厚干砌石不稳定,增加干砌石施工难度;其次,进料要有序,先进反滤料,后进石料,进料要合理安排,讲究进料顺序,有的石料和反滤料混在一起,质量不能得到保证,工人也无法施工;第三,石料尽量堆放在施工现场,减少工人施工场地搬运工作量,如果施工场地工人搬运石料工作量大,会影响工人的体力,也势必影响干砌石质量。
5干砌石施工质量控制的细节
(1)需配备必要的工具,小锤、大锤、钎子等工具要备齐。
大锤将大石分块,以使石料符合结构要求的尺寸和形状。
在砌筑过程中,用小锤敲掉块石不规则的棱角,以保证块石砌筑紧凑。
(2)用钢线在纵横两个方向挂工程线,钢线挂紧、不松动、不下垂,给砌石工人一个标准的砌石结构线。
(3)干砌石护坡等结构要横向分块,宽度不宜大于5㎝,合理安排每一个砌石工人工作面,这样砌石工人自身能够及时控制砌石平整度。
(4)砌石过程块石之间难免有空隙,要利用小石塞缝,并用大石将小石卡紧,这样既避免了块石之间过大缝隙,又使块石不松动。
(5)砌石过程中,控制较小块石集中砌筑的现象,大、小块石均匀分布砌筑,这样既牢固又美观。
(6)排水棱体及护坡坡脚砌筑前,要在地基处开挖0.5m左右的基槽,将第一层块石埋入地基中,并挂工程线检查是否顺直,以保证砌石体的稳定性。
(7)变坡线砌筑时,先砌筑第一层块石,检查是否顺直,再进行第二层砌筑,以保证砌石体外观质量。
(8)石料中难免有一部分厚度达不到要求的块石,将块石竖向砌筑,以保证砌石体的结构厚度。
(9)根据干砌石结构及地形情况,制定合理的承包费用,要保证砌石工人合理的工资。
由于石料的不规则性以及干砌石结构自身特点,干砌石施工质量控制一直是人们头疼的一件事,但只要我们端正工作态度,抓住质量控制要点,实行科学的施工方法,认真进行质量检查,及时整改质量问题,干砌石结构会以美观,亮丽的形象呈现在我们前面的。