机械制造机械制造基础试题二考试卷模拟考试题.docx
- 格式:docx
- 大小:26.03 KB
- 文档页数:14
机械制造基础考试模拟题及参考答案一、单选题(共68题,每题1分,共68分)1.以下不属于夹紧机构的基本要求是()。
A、可靠性要好B、夹紧过程要平稳C、夹紧力大D、工艺性要好正确答案:C2.浮动铰孔、珩磨内孔、无心磨削外圆等都是采用()A、互为基准原则B、基准统一原则C、自为基准原则D、基准重合原则正确答案:C3.碱性焊条的渣性比酸性焊条的胶渣性()。
A、差B、一样C、略好D、好正确答案:A4.铸件有()缺陷,在承受气压、液压时会产生渗漏。
A、渣眼B、粘砂C、缩松D、夹砂正确答案:C5.使坯料高度缩小,横截面积增大的锻造工序是()A、拔长B、弯曲C、镦粗D、冲孔正确答案:C6.铸造时冒口的主要作用是()A、补偿热态金属,排气及集渣B、提高流动性C、增加局部冷却速度正确答案:A7.中心架或跟刀架的主要作用是()。
A、增强刀具的强度B、增强刀具的刚性C、增强工件的强度D、增强工件的刚性正确答案:D8.用碱性焊条焊接时,焊接内的气体主要是()。
A、CO2和COC、O水蒸汽D、H和O正确答案:A9.在切削加工中,刀具与工件之间的相对运动称为()A、主运动B、进给运动C、合成运动D、切削运动正确答案:D10.在立式钻床上钻孔,其主运动和进给运动()。
A、均由工件来完成B、均由刀具来完成C、分别由工件和刀具来完成D、分别由刀具和工件来完成正确答案:B11.金属切削过程中,切屑的形成主要是()的材料剪切滑移变形的结果。
A、第Ⅰ变形区B、第Ⅱ变形区C、第Ⅲ变形区D、第Ⅳ变形区正确答案:A12.切削三要素中不包括()A、切削用量B、切削速度C、进给量D、切削深度正确答案:A13.用钻头钻孔时,产生很大轴向力的主要原因是()A、主切削刃的作用B、钻头顶角太大C、切屑的摩擦和挤压D、横刃的作用正确答案:D14.下列是模锻特点的是( )A、效率低B、尺寸精度高C、操作复杂D、成本低正确答案:B15.铸件质量受浇注位置影响很大,铸件在铸型中()质量较好。
《机械制造基础》模拟试卷二参考答案及评分标准一、填空题(每空1分,共30分)1.根据铳刀和工件相对位置的不同,它可分为对称铳和不对称铳两种不同的铳削方式。
2•在钢的普通热处理里,其中退火和正火属于预先热处理。
3•强度是指金属材料在静态载荷作用下,抵抗塑性变形和断裂的能力。
4.常见金属的晶格类型有体心立方晶格、面心立方晶格和密排六方晶格。
5.合金中具有相同化学成分、相同晶体结构的均匀部分称为相。
6•钢的热处理是指钢在固态下采用适当方式进行理轻、血壷和冷却以获得所需组织结构和性能的工艺。
7.钢的淬透性越高,则其C曲线的位置越靠右,说明临界冷却速度越/E。
8•镇床上常用的镇刀有单刃镇刀和多刃镇刀两种。
多刃镇刀不能纠正孔的位置误差。
9•衡量金属材料塑性好坏的指标有断后伸长率和断面收缩垒两个。
I0•生产中控制晶粒大小的的方法有增加过冷度、变质处理、附加振动等三种。
II•刀具磨损的过程可分为初期磨损阶段、正常磨损阶段和急剧磨损阶段三个阶段。
1 2•精度要求高的小锥孔(通孔,未淬火)应用餃孔加工方法,箱体零件上尺寸与位置精度都要求较高、尺寸较大的孔应用镇孔方法加工,直径较大且淬过火、精度要求高的孔应用昼孔方法加工。
二、判断题(在题号前括号内作记号“厂或“X”,每小题1.5分,共15分)(P ) 1•机器零件或构件工作时,通常不允许发生塑性变形,因此多以6作为强度设计的依据。
(P ) 2.在其它条件相同时,铸成薄件的晶粒比铸成厚件的晶粒更细。
(P )3•—般地说合金中的固溶体塑性较好,而合金中的化合物硬度较高。
(x )4.钢中碳的质量分数越高,则其淬火加热的温度便越高。
(x ) 5.奥氏体向马氏体开始转变温度线Ms与转变终止温度线Mf的位置,主要取决于钢的冷却速度。
(P )6.车削长径比L/D> 10的细长轴类零件,再没有使用中心架和跟刀架时,由于径向力的作用,会使车削后的工件成为中凸形。
(x ) 7.当以很大的刀具前角、很大的进给量和很低的切削速度切削钢等塑性金属时形成的是节状切屑。
《机械制造基础》模拟试题 (二)一、单项选择题:1、金属的锻造性是指金属材料锻造的难易程度,以下材料锻造性较差的是[ A]。
A.含碳量较高的钢B.纯金属C.单相固溶体D.组织均匀的低碳钢6、当作用在工件上的切削分力垂直向上且造成机床工作稳定性较差的铣削方式是[C ]。
A.周铣B.端铣C.逆铣D.顺铣8、加工塑性材料或精加工时,可选择[ B]的车刀前角。
A.较小B.较大9、在正交平面中测量的后刀面与切削平面之间的夹角是[B ]。
A.前角B.后角C.主偏角D.刃倾角10、工人在一个工作地点连续加工完成零件一部分的机械加工工艺过程称为[B]。
A.安装B.工序C.工步D.工作行程11、砂轮的硬度是指[D ]A.磨料的硬度B.砂轮组织的松紧程度C.结合剂的硬度D.磨粒脱落的难易程度12、车削细长轴时,为防止工件产生弯曲和振动,应尽量减少[D ]A.轴向力B.前角C.主偏角D.径向力13、用车削方法加工端面,主要适用于[A]。
A.轴、套、盘、环类零件的端面B.窄长的平面14、加工大中型工件的多个孔时,应选用的机床是[D]A.卧式车床B.台式钻床C.立式钻床D.摇臂钻床15、一般滚齿加工可以达到的精度等级是[C ]A.3~5B.5~7C.7~10D.10~1216、工件定位时,过定位[B ]A.是绝对不允许的B.有时也存在有利的一面C.对较复杂工件是必须的D.是不可避免的17、用V形架对工件外圆柱面定位可限制[D ]A.一个自由度B.二个自由度C.三个自由度D.四个自由度18、在钻床上钻孔时,孔的位置精度不便用[B ]A.钻膜获得B.块规、样板找正获得C.划线法获得D.试切法获得19、先将工件在机床或夹具中定位,调整好刀具与定位元件的相对位置,并在一批零件的加工过程中保持该位置不变,以保证工件被加工尺寸的方法称为[B ]A.试切法B.调整法C.定尺寸刀具法D.自动控制法20、拉孔属于[ C]A.粗加工阶段B.半精加工阶段C.精加工阶段D.光整加工阶段答: 1、A 2、D 3、B 4、C 5、B 6、C 7、C 8、B 9、B 10、B11、D 12、D 13、A 14、D 15、C 16、B 17、D 18、B 19、B 20、C二、填空题。
《机械制造基础复习题二》考试时间:120分钟 考试总分:100分遵守考场纪律,维护知识尊严,杜绝违纪行为,确保考试结果公正。
1、端铣刀的主要几何角度包括前角后角、________、________和副 偏角。
( )2、轴类零件一般采用________作定位基准。
( )3、用压板夹紧工件时,螺栓应尽量靠近________;压板的数目一般不少于________。
( )4、铣床夹具一般要有________和________,以确保在铣床工作台上安装准确以及加工的尺 寸精度。
( )姓名:________________ 班级:________________ 学号:________________--------------------密----------------------------------封 ----------------------------------------------线-------------------------5、为了降低切削温度,目前采用的主要方法是________。
切削液的作用包括冷却作用、________、________和清洗作用。
()6、用以确定工件在机床上或夹具中正确位置所依据的基准,称________。
()7、用圆柱销定位时,必须有少量________。
()8、切削用量是切削加工过程中________、________和背吃刀量(切削深度)的总称。
()9、切削过程中零件会形成三个面________、________、过渡面。
()10、工序集中表现为________,每个工序中加工内容很很多,工艺路线________。
()11、程序段的顺序号,根据数控系统的不同,在某些系统中可以省略的。
()12、绝对编程和增量编程不能在同一程序中混合使用。
()13、车削中心必须配备动力刀架。
()14、非模态指令只能在本程序段内有效。
()15、顺时针圆弧插补(G02)和逆时针圆弧插补(G03)的判别方向是:沿着不在圆弧平面内的坐标轴正方向向负方向看去,顺时针方向为 G02,逆时针方向为 G03。
机械制造机械制造设计基础试题二考试卷模拟考试题考试时间:120分钟 考试总分:100分遵守考场纪律,维护知识尊严,杜绝违纪行为,确保考试结果公正。
1、V 带的截面形状是三角形 ,两侧面是工作面,其夹角φ等于40度。
( )( )2、为了保证V 带的工作面与带轮轮槽工作面之间的紧密贴合 ,轮槽的夹角应略小于带的夹角。
( )( )3、V 带型号的确定,是根据计算功率和主动轮的转速来选定的 。
( )( )4、在成组的 V 带传动中,如发现有一根不能使用时 ,应立即更新那根不能使用的V 带。
( )( )5、带型号共有七种,其中A 型的截面面积最大,F 型的截面面积最小。
( )( )6、与带传动相比,链传动有准确的平均传动比准确 ,传动功率较大。
( )( )7、链传动能保证准确的平均传动比 ,因此它特别适用于要求传动平稳的场合。
( )( )8、链传动具有准确的的平均传动比和瞬时传动比 。
( )( )9、套筒滚子链的 12B -2×60 GB12431-83,其链节数等于 120。
( )( )10、链传动水平布置时 ,松边应位于下方 ,否则松边容易与紧边相碰 。
( )( )11、链节距越大,承载能力越大,但相应会引起较大的冲击和振动 ,因此高速重载时,可选用小节距的多排链。
( )( )姓名:________________ 班级:________________ 学号:________________--------------------密----------------------------------封 ----------------------------------------------线----------------------12、链传动与齿轮传动同属啮合传动,两种传动的瞬时传动比都能保持恒定。
()()13、链传动传动平稳,一般布置在高速级。
()()14、滚子链“05B-1×48 GB12431-83”,表示链条的排数为 5排。
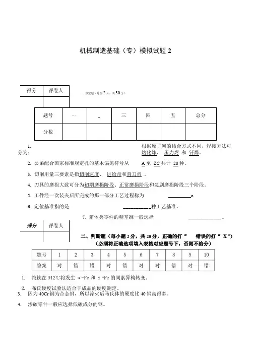
得分评卷人一、填空题(每空2分,共30分)得分评卷人机械制造基础(专)模拟试题2题号—・- 三四五总分分数1.根据原了河的结合方式不同,焊接方法可分为:熔化炸、压力烬和钎焊。
2.公弟配合国家标准规定孔的基木偏羌符号从 A 至ZC 共计28 种。
3.切削用量三要素是指切削速度、进给帚和背刀帚。
4.刀具的磨损大致可分为初期磨损阶段、正常磨损阶段和急剧磨损阶段三个阶段。
5.工件经一次装夹后所完成的那一部分工艺过程称为_________ o6.定位基准指的是 __________ _种工艺基准。
7.箱体类零件的精基准一般选择_____________ 。
二、判断题(每小题2分,共20分,正确的打“错误的打“ X ”)(必须将正确选项填入表格对应题号下,否则不给分)3.因为40Cr钢为合金钢,所以淬火后马氏体的硬度比40钢高得多。
4.渗碳零件一般应选择低碳成分的钢。
5.内浇道的主要作用是控制金属液流入型腔的速度和方向,控制铸件的凝固顺序。
6.手弧焊时,为了使电弧稳定燃烧,对电源主要有下列要求:①具有一定的空载电压;②具有下降的外特性;③有适当的短路电流;④电流大小可以调节。
7.不完全互换性是指一批零件屮,一部分零件具有互换性,而另一部分零件必须经过修配才有互换性。
8.基木尺寸不同的零件,只是它们的公差值相同,就可以说明它们的精度要求相同。
9.切削加工屮的变形和摩擦所消耗的功,转换为热能,即切削热。
10.前角增加切削变形减小,故切削温度始终是随前角的增加而降低。
三、选择题(每小题2分,共20分)(必须将正确选项填入表格对应题号下,否则不给分)1.固态物质按内部微粒的排列方式,可分为(C )A.金属与非金属B.纯金属和合金C、晶体与非晶体2.在设计机械零件进行强度计算时,一般用(B )作为设计的主要依据。
A. o bB. o sC. o -13.通常材料的驶度在(B )时,切削加工性能良好。
A. 200"300HBSB. 170~2:30HBSC. 40~45HRC4.200 钢的淬透性( B ) 20CrMnTi oA.优于B.低于C.相当于5.淬火冷却时先将丁•件浸入一种冷却能力强的介质中,随麻取出放入另一种冷却能力弱的介质屮冷却的淬火工艺称( B )。
机械制造《机械基础》自测练习题二考试卷模拟考试题考试时间:120分钟 考试总分:100分遵守考场纪律,维护知识尊严,杜绝违纪行为,确保考试结果公正。
1、圆柱销与销孔之间必须采用过盈配合。
( ) 2、挤压就是压缩。
( )3、受弯矩的杆件,弯矩最大处最危险。
( )4、仅传递扭矩的轴是转轴。
( )5、一般应使轴颈的耐磨性和硬度大于轴瓦。
( )6、低速重载下工作的滑动轴承应选用粘度较高的润滑油。
( )7、代号为6310的滚动轴承是角接触球轴承。
( )8、对载荷小,而工作平稳的轴可选用球轴承。
( )9、用联轴器时无需拆卸就能使两轴分离。
( ) 10、用离合器时无需拆卸就能使两轴分离。
( ) 11、凸缘联轴器属于固定式刚性联轴器。
( ) 12、花键联接只能传递较小的扭矩。
( )13、弹簧是弹性元件,能产生较大的弹性变形,所以采用低碳钢丝制造。
( )14、机器与机构的主要区别是什么?( ) 15、构件与零件的主要区别是什么?( )16、何谓标准件?它最重要的特点是什么?试列举出五种标准件。
( ) 17、什么叫二力杆?( )18、某刚体受平面力系作用,问哪一图是平衡力系?哪一图有合力?合力是哪姓名:________________ 班级:________________ 学号:________________--------------------密----------------------------------封 ----------------------------------------------线----------------------一个? (题2-11)()19、什么是自锁?()20、何谓“截面法”,它与静力学中的“分离体”有何区别?()21、杆件有哪些基本变形?()22、杆件在怎样的受力情况下才会发生拉伸 (压缩)变形?()23、根据构件的强度条件,可以解决工程实际中的哪三方面的问题?()24、圆轴扭转时,横截面上产生什么应力?怎样分布?怎样计算?()25、何谓中性层、中性轴?()26、直梁弯曲时,横截面上产生什么应力?怎样分布?怎样计算?()27、受弯矩的杆件,弯矩最大处是否一定是危险截面?为什么?()28、工程中常见的交变应力有哪几种?()29、疲劳破坏有哪些特点?()30、何为材料的持久极限?()31、为什么空心圆截面比实心圆截面的抗扭性能好?()32、何谓脆性材料及塑性材料?如何衡量材料的塑性?比较脆性材料及塑性材料的力学性质。
《机械制造设计基础试题二》考试时间:120分钟 考试总分:100分遵守考场纪律,维护知识尊严,杜绝违纪行为,确保考试结果公正。
1、 V 带的截面形状是三角形 ,两侧面是工作面,其夹角φ等于40度。
( )( )2、 为了保证V 带的工作面与带轮轮槽工作面之间的紧密贴合 ,轮槽的夹 角应略小于带的夹角。
( )( )3、 V 带型号的确定,是根据计算功率和主动轮的转速来选定的 。
( )( )4、在成组的 V 带传动中,如发现有一根不能使用时 ,应立即更新那根不 能使用的V 带。
( )( )姓名:________________ 班级:________________ 学号:________________--------------------密----------------------------------封 ----------------------------------------------线-------------------------5、带型号共有七种,其中A型的截面面积最大,F型的截面面积最小。
()()6、与带传动相比,链传动有准确的平均传动比准确,传动功率较大。
()()7、链传动能保证准确的平均传动比,因此它特别适用于要求传动平稳的场合。
()()8、链传动具有准确的的平均传动比和瞬时传动比。
()()9、套筒滚子链的 12B-2×60 GB12431-83,其链节数等于 120。
()()10、链传动水平布置时,松边应位于下方,否则松边容易与紧边相碰。
()()11、链节距越大,承载能力越大,但相应会引起较大的冲击和振动,因此高速重载时,可选用小节距的多排链。
()()12、链传动与齿轮传动同属啮合传动,两种传动的瞬时传动比都能保持恒定。
()()13、链传动传动平稳,一般布置在高速级。
()()14、滚子链“05B-1×48 GB12431-83”,表示链条的排数为 5排。
《《机械制造基础》考试试卷二》考试时间:120分钟 考试总分:100分遵守考场纪律,维护知识尊严,杜绝违纪行为,确保考试结果公正。
1、任何表面的形成都可以看作是__沿着__运动而形成的。
( )2、刀具的主偏角是__和__之间的夹角。
( )3、刀具一般都由__部分和__部分组成。
( )4、后角主要作用是减少刀具后刀面与工件表面间的__,并配合前角改变切削刃的__与__。
( )姓名:________________ 班级:________________ 学号:________________--------------------密----------------------------------封 ----------------------------------------------线-------------------------5、选用你认为最合适的刀具材料。
低速精车用__;高速铣削平面的端铣刀用__。
()6、选用你认为最合适的刀具材料。
高速精车钢件用__;拉削的拉刀用__。
()7、刀具前角是在__面中测量,是__与__之间的夹角。
()8、车刀的后角是在__平面中,__与__之间的夹角。
()9、切削过程中切削力的来源主要是__和__。
()10、切削用量对切削力的影响程度由小到大的顺序是:__.()11、切削用量对切削温度的影响程度由大到小的顺序是:__()12、金属切削过程中主要产生__、__、__等物理现象。
()13、减小切屑变形的措施主要有:__。
()14、影响切削力大小的首要因素是__。
()15、常见的切屑种类有:__()16、切削液的主要作用是__和__。
()17、切削用量中对切削功率影响最大的因素是__。
()18、刀具耐用度是指__。
()19、当切削面积不变时,增加切削深度,减小进给量会使切削力__,切削温度__,刀具耐用度__。
()20、当切削面积相等时,主偏角越小,背向力越__。
机械制造《机械制造基础》习题集二考试卷模拟考试题 考试时间:120分钟 考试总分:100分遵守考场纪律,维护知识尊严,杜绝违纪行为,确保考试结果公正。
1、在Fe-Fe3C 合金中,含有二次渗碳体最多的合金是含碳为____________________________%的钢,其二次渗碳体的最大含量为____________________________%.( ) 2、冷变形金属在加热时发生的三个过程依次为____________________________,____________________________和____________________________。
( ) 3、对刃具钢的性能要求主要有三个方面 ,即____________________________,____________________________和____________________________。
( ) 4、1Cr18Ni9Ti 是____________________________钢,需采用____________________________处理,以获得单相奥氏体,为了阻止(CrFe)23C6沿晶界析出,还应进行____________________________热处理.( ) 5、高速钢锭经锻造退火后的组织为____________________________,淬火后的组织为____________________________,淬火后再经多次回火后的组织为____________________________。
( ) 6、灰铸铁能否充分石墨化 ,主要决定于其碳当量和铸后冷却速度 ,一般而言,碳当量越____________________________,越有利于石墨化,冷却速度越____________________________,越容易形成白口.( ) 7、球墨铸铁件可通过热处理来调整其基本组织, ____________________________热处理能得到F+G 基,____________________________热处理能得到F+P+G 基,而正火能获得P+G 基( )姓名:________________ 班级:________________ 学号:________________ --------------------密----------------------------------封 ----------------------------------------------线----------------------8、所谓巴氏合金是指____________________________基和____________________________基轴承合金()9、线型无定型高聚物在不同温度下表现出的三种力学状态:____________________________,____________________________态和粘流态。
《《机械制造基础》习题集二》考试时间:120分钟 考试总分:100分遵守考场纪律,维护知识尊严,杜绝违纪行为,确保考试结果公正。
1、在Fe-Fe3C 合金中,含有二次渗碳体最多的合金是含碳为________% 的钢,其二次渗碳体的最大含量为________%.( )2、冷变形金属在加热时发生的三个过程依次为________,________和________。
( )3、对刃具钢的性能要求主要有三个方面 ,即________,________和 ________。
( )4、1Cr18Ni9Ti 是________钢,需采用________处理,以获得单相奥 氏体,为了阻止(CrFe)23C6沿晶界析出,还应进行________热处理.( )姓名:________________ 班级:________________ 学号:________________--------------------密----------------------------------封 ----------------------------------------------线-------------------------5、高速钢锭经锻造退火后的组织为________,淬火后的组织为________,淬火后再经多次回火后的组织为________。
()6、灰铸铁能否充分石墨化 ,主要决定于其碳当量和铸后冷却速度 ,一般而言,碳当量越________,越有利于石墨化,冷却速度越________,越容易形成白口.()7、球墨铸铁件可通过热处理来调整其基本组织, ________热处理能得到 F+G 基,________热处理能得到F+P+G基,而正火能获得P+G基()8、所谓巴氏合金是指________基和________基轴承合金()9、线型无定型高聚物在不同温度下表现出的三种力学状态:________, ________态和粘流态。
1 .好大2.热冷3.冷却慢拉应冷却快压应4.过热区正火区部分正火区5.轮卿算术平均偏差Ra微观不平度十点高度Rz6.尺寸精度形状精度位置稱度7.切削速度Vc进给量f切深或背吃刀量ap二、1.(3)2. (3)3. (1)(3)4. (2)(3)5. (2)(3)6. (1)7. (3)8. (3)9. (2)10. (3)1.焊缝区的应力性质是在加热和冷却时均受圧。
(X )改正:焊缝区的应力性质是在加热时受压应力,冷却时均拉应力。
2.|11|柄压力机的滑块行程一定,模锻是一次成形,且金属变形杲不宜过大,故Illi柄压力机适合大批杲生产o (7 )3.拉深模的凸凹模间隙与冲裁模相同。
(x )改正:拉深模的凸1»1模间隙与冲裁模不相同。
4.埋弧焊适合薄捲长直焊缝和环形焊缝的焊接。
(x )改正:埋弧焊适合好樂长直焊缝和环形焊缝的焊接。
5.铸件内外壁厚度一样时,会产生热应力。
(Q )6.铸件的分型面总是选择在铸件的最小截面处。
(x )改正:铸件的分型面总是选择在铸件的垠人截面处。
7.车床上钻孔产生的“引偏”导致孔径扩大和孔不圆。
(<)8.逆铳的上台力大,振动严重,表面粗糙度大。
(d)9.机械加王应遵循基准先行的原则。
(7 )10.粗基准只能使用一次。
(d )四、1.落料模是以凹模为基准,通过缩小凸模的方法设计(1分):而冲孔模是以凸模为基准,通过扩大凹模的方法设计(1分)。
因此,如果用<p50的落料模具來冲制(p50的孔,其孔径将小于50 (2分)。
所以不能用<p50的落料模具来冲制<p50的孔(1分)。
2.因为埋弧焊时,在引弧和熄弧时的冶金反应不充分(1分),易产生夹渣(1分),缩孔和裂纹等缺陷(1 分)。
因此,要在引弧和熄弧处安装另外的板即引弧板和引出板,以防止焊缝中出现缺陷(2分)。
3.细长轴车削加工时因刚度差,常常因工件变形而,产生腰鼓型和竹节型的形状误差(1分)。
因此,为改善细长轴车削加工的蒂度应采取以下工艺方法:1)改善工件的装夹:采用一端在尾架的弹性顶尖和另一端绕上细钢丝装在三爪卡盘中的装夹方法,在刀具附近装上跟刀架防止工件的变形和震动。
机械制造基础模拟试题+答案一、单选题(共40题,每题1分,共40分)1.三坐标测量系统不能测量零件的()。
A、位置公差B、几何尺寸C、形状公差D、表面粗糙度正确答案:D2.焊接下列材料,焊接应力小的是()。
A、铜合金B、铝合金C、低碳钢D、铸铁正确答案:C3.分离工序中用剪刀或模具切断板材使其分离,切断线不封闭的是()工艺。
A、剖切B、切边C、切断D、切口正确答案:C4.深孔的粗加工工艺是()。
A、深孔铰削B、深孔钻削C、深孔镗削D、浮动镗削正确答案:B5.大厚度钢件的焊接应采用()。
A、激光焊B、质量最低C、气焊D、电弧焊正确答案:B6.窄长平面粗加工应选用()。
A、车削B、刨削C、磨削D、铣削正确答案:B7.用麻花钻钻孔的精度可达(),表面质量()。
A、IT8-IT7、Ra1.6-0.8B、IT4-IT6、Ra0.2-0.4C、IT10-IT9、Ra12.5-6.3D、IT13-IT11、Ra25-12.5正确答案:D8.锻造毛坯由于硬度高,因此切削前需要()。
A、淬火B、退火C、调质D、渗碳正确答案:B9.定位的目的是()。
A、确定工件在工艺系统中的正确位置B、保证加工时工件的位置不变C、保证加工时工件不产生振动D、以上都是正确答案:A10.数控铣床可以()联动加工零件。
A、2轴B、4轴C、3轴D、1轴正确答案:C11.选绞孔A、扩孔B、钻孔C、拉孔D、铰孔正确答案:D12.切割机用砂轮片采用的结合剂是()。
A、橡胶B、树脂C、陶瓷D、金属正确答案:B13.()可以穿过透明物焊接。
A、电弧焊B、激光焊C、电渣焊D、气焊正确答案:B14.套类零件的主要表面是()。
A、外圆表面B、内圆表面C、端面D、所有表面正确答案:B15.将金属加热到某一温度并保持一段时间后,再快速冷却的热处理工艺是()。
A、调质B、淬火C、渗碳D、时效正确答案:B16.不完全互换法中各有关零件公差平方之和应()装配公差的平方。
机械制造基础模拟题(附答案)一、单选题(共40题,每题1分,共40分)1.轴类零件外圆表面精加工通常选用()。
A、锯床B、数控车床C、车床D、外圆磨床正确答案:D2.下列线切割加工方法中,加工出的零件外轮廓的形状精度较好的是()。
A、两次切割加工法B、直接切割法C、由内向外顺序切割法D、夹持部分最后切割法正确答案:C3.关于特种加工,下列表述中错误的是( )。
A、特种加工时,宏观切削力很小B、特种加工改变了工件的加工工艺流程C、特种加工时,工具的硬度较工件低D、特种加工可以全面替代传统加工正确答案:D4.分离工序中用剪刀或模具切断板材使其分离,切断线不封闭的是()工艺。
A、切边B、切断C、切口D、剖切正确答案:B5.宽大平面粗加工应选用()。
A、刨削B、铣削C、车削D、磨削正确答案:B6.车削较长的刚性轴应采用()装夹。
A、两顶尖、中心架B、一夹一顶C、两顶尖、跟刀架D、顶尖、卡箍正确答案:B7.对于轴套类内孔的精度,下列说法中错误的是 ( )。
A、气缸IT9B、一般轴套IT7C、有密封圈的轴套IT5D、精密轴套IT6正确答案:C8.零件数较少、批量很大、零件可用经济精度加工时选()装配。
A、修配装配B、不完全互换C、分组选配D、完全互换正确答案:D9.磨削高速钢使用磨料为()的砂轮。
A、白刚玉B、棕刚玉C、黑碳化硅D、绿碳化硅正确答案:A10.冷冲压的生产对象大多是不同规格的()。
A、棒料B、板料C、管料D、以上都是正确答案:B11.加工后表面为暗光泽面的表面粗糙度数值大约为()。
A、Ra0.1B、Ra6.3C、Ra25D、Ra1.6正确答案:A12.以下关于万能外圆磨床的说法正确的是()。
A、经济精度是IT7-5,Ra0.4-0.01B、主运动为主轴带动工件作回转运动C、其使用的刀具只有内圆磨头D、不可以加工轴肩、圆锥面和内圆柱面。
正确答案:A13.套类零件()与其轴线有垂直度要求。
A、外圆B、内孔C、端面D、以上都是正确答案:C14.线切割加工时,工件接在脉冲电源的(),电极丝接()。
金属材料及热处理部分(一)1.工业用的金属材料可分为两大类。
A.铁和铁合金B.钢和铸铁C.钢铁材料和非铁金属D.铁和钢2.铜、铝、镁以及它们的合金等,称为。
A.铁碳合金B.钢铁材料C.非铁金属D.复合材料3.在热加工中常常利用金属的不同来去除液态金属中的杂质。
A.热膨胀性B.熔点C.导热性D.密度4.一般情况下常用的金属,制造散热器、热交换器等零件。
A.导电性好B.导电性差C.导热性好D.导热性差5.的金属称难熔金属(如钨、钼、钒等),常用于制造耐高温零件,例如选用钨做灯丝。
A.熔点高B.熔点低C.密度大D.导热性差6.工业上常用的金属做高电阻材料,如电热元件或电热零件。
A.导电性好B.导电性差C.密度小D.导热性好7.合金钢的导热性都比碳素钢。
A.好B.差C.差不多D.好一些8.金属材料在常温下对大气、水蒸气、酸及碱等介质腐蚀的抵抗能力称为。
A.耐腐蚀性B.抗氧化性C.化学性能D.物理性能9.对于长期在高温下工作的机器零件,应采用高的材料来制造。
A.疲劳强度B.硬度C.耐腐蚀性D.抗氧化性10.拉伸试验时,试样在拉断前所能承受的最大应力称为材料的。
A.弹性极限B.抗拉强度C.屈服点D.抗弯强度11.大小不变或变化过程缓慢的载荷称为。
A.静载荷B.冲击载荷C.交变载荷D.循环载荷12.一般情况下多以作为判断金属材料强度高低的判据。
A.疲劳强度B.抗弯强度C.抗拉强度D.屈服强度13.材料的表示材料所能允许的最大工作应力,是机械设计的主要依据,也是评定材料优劣的重要指标。
A.弹性极限B.屈服点C.抗拉强度D.疲劳强度14.金属材料在做疲劳试验时,试样所承受的载荷为。
A.静载荷B.冲击载荷C.交变载荷D.无规律载荷15.金属材料在外力作用下,对变形和破裂的抵抗能力称为。
A.强度B.塑性C.韧性D.硬度16.金属材料在外力作用下产生塑性变形而不破裂的能力称为。
A.弹性B.强度C.韧性D.塑性17.金属材料的伸长率(δ)和断面收缩率(ψ)的数值越大,则表示该材料的越好。
机械制造《机械制造基础》工程材料习题二考试卷模拟考试题考试时间:120分钟 考试总分:100分遵守考场纪律,维护知识尊严,杜绝违纪行为,确保考试结果公正。
1、含碳量小于____________________________的钢为低碳钢,含碳量为____________________________的钢为中碳钢,含碳量大于0.6%钢为____________________________钢。
( )2、45钢按用途分类属于____________________________,按质量分类属于____________________________,按含碳量分类属于____________________________钢。
( )3、T12A 钢按用途分类属于____________________________钢,按含碳量分类属于____________________________钢,按质量分类属于____________________________级优质钢。
( )4、钢的热处理是通过钢在固态下的____________________________、保温和冷却,使其获得所需的____________________________与____________________________的一种工艺方法。
( )5、根据工艺的不同, 钢的热处理方法可分为____________________________、____________________________、淬火、回火及表面热处理五种。
( )6、45钢在室温时的组织为____________________________,当加热到____________________________线时,珠光体转变为奥氏体,温度继续升高, 铁素体不断转变为奥氏体,直至____________________________线以上,才全部转变成单相的奥氏体组织。
《《机械制造基础》工程材料习题二》考试时间:120分钟 考试总分:100分遵守考场纪律,维护知识尊严,杜绝违纪行为,确保考试结果公正。
1、含碳量小于________的钢为低碳钢,含碳量为________的钢为中碳钢,含碳量大 于0.6%钢为________钢。
( )2、45钢按用途分类属于________,按质量分类属于________,按含碳量分类属于________钢。
( )3、T12A 钢按用途分类属于________钢,按含碳量分类属于________钢,按质量分类属于________ 级优质钢。
( )姓名:________________ 班级:________________ 学号:________________--------------------密----------------------------------封 ----------------------------------------------线-------------------------4、钢的热处理是通过钢在固态下的________、保温和冷却,使其获得所需的________与________ 的一种工艺方法。
()5、根据工艺的不同,钢的热处理方法可分为________、________、淬火、回火及表面热处理五种。
()6、45钢在室温时的组织为________,当加热到________线时,珠光体转变为奥氏体,温度继续升高,铁素体不断转变为奥氏体,直至________线以上,才全部转变成单相的奥氏体组织。
()7、T10钢在室温时的组织为________,当时热到Ac 1线时,珠光体转变为奥氏体,温度继续升高,渗碳体逐渐溶解到奥氏体中,直至Ac cm 线以上,才全部转变成单相的________。
()8、共析钢的等温转变曲线中,__在A 1__~550°C温度范围内转变产物为珠光体、索氏体和托氏体;在550 °C~M S 温度范围内,转变产物为 ________和________。
《机械制造基础试题二》考试时间:120分钟 考试总分:100分遵守考场纪律,维护知识尊严,杜绝违纪行为,确保考试结果公正。
1、引起锻件晶粒粗大的主要原因之一是 ( )。
( ) A.过热; B.过烧; C.变形抗力大; D.塑性差;2、金属的锻造性是指金属材料锻造的难易程度,以下材料锻造性较差的是 ( ) 。
( )A.含碳量较高的钢;B.纯金属;C.单相固溶体;D.组织均匀的低碳钢3、锤锻模的模块安装是 ( )( )A.用螺栓螺帽固定;B.用铆钉固定;C.用楔铁燕尾固定;D.用销钉固定;4、锻件在加热过程中,若出现了( )缺陷,则只能报废。
( ) A.氧化 B.脱碳 C.过热 D.过烧5、自由锻件结构设计允许使用的结构是 ( )。
( )姓名:________________ 班级:________________ 学号:________________--------------------密----------------------------------封 ----------------------------------------------线-------------------------A.锥度和斜面;B.敷料;C.相贯;D.肋板和凸台;6、下列冲压基本工序中,属于变形工序的是 ( )()A.拉深;B.落料;C.冲孔;D.切口;7、板料在冲压弯曲时,弯曲线应与板料的纤维方向 ( ) 。
()A.垂直;B.斜交;C.一致;D.随意;8、需多次拉深的工件,在多次拉深的中间应进行 ( ) 。
()A.球化退火;B.淬火;C.再结晶退火;D.渗碳;9、摩擦压力机上模锻的特点是 ( ) 。
()A.生产率高;B.承受偏心载荷能力差;C.滑块行程固定;D.导轨对滑块的导向精确;10、冲孔时,所取凸模刃口的尺寸应靠近孔的公差范围内的 ( )。
()A.最大极限尺寸;B.最小极限尺寸;C.基本尺寸;D.不限制;11、焊条药皮中加入淀粉和木屑的作用是( )。
()A.脱氧;B.造渣;C.造气;D.增加透气性12、焊接薄板时,为防止烧穿可采用( )。
()A.交流电源;B.直流正接;C.任意电源;D.直流反接13、在焊接接头中,综合性能最好的区域是( )。
()A.熔合区;B.过热区;C.正火区;D.部分相变区14、对铝合金最合适的焊接方法是 ( )()A.电阻焊B.电渣焊C.氩弧焊D.手工电弧焊15、闪光对焊的特点是 ( )()A.焊接前先将被焊件接触B.焊接前把被焊件安装好并保持一定距离C.闪光对焊焊缝处很光滑D.只能焊接相同的材料16、与埋弧自动焊相比,手工电弧焊的突出优点在于 ( )。
()A.焊接后的变形小B.适用的焊件厚C.可焊的空间位置多D.焊接热影响区小17、容易获得良好焊缝成形的焊接位置是( )。
()A.平焊B.立焊C.横焊D.仰焊18、焊接厚度大于40mm的大件,可采用( )焊接方法。
()A.焊条电弧焊B.电阻焊C.钎焊D.电渣焊19、1mm钢板对接时,一般应采用( )焊接方法。
()A.埋弧焊B.电阻焊C.气焊D.电渣焊20、下列几种焊接方法中属于熔化焊的是( )。
()A.点焊B.气焊C.缝焊D.摩擦焊21、用气焊焊接低碳钢时应选用的焊接火焰是( )。
()A.中性焰B.氧化焰C.碳化焰D.任意火焰22、具有良好的焊接性能的材料是( )。
()A.Q195B.HT200C.T12AD.9SiCr23、缝焊接头型式一般多采用( )。
()A.对接B.角接C.T字接D.搭接24、钢的焊接性常用评价指标是 ( )。
()A.钢含碳量B.钢的合金元素含量C.钢的碳当量D.钢的合金元素总含量25、下列焊接质量检验方法,属于非破坏性检验的是 ( )。
()A.金相检验B.密封性检验C.拉伸试验D.断口检验26、常见的金属晶格类型有____________、____________、____________。
()27、控制金属结晶晶粒大小的方法有____________、____________和____________。
()28、按照几何形态特征,晶体缺陷分____________、线缺陷、____________。
()29、在铁碳合金相图上,按含碳量和室温平衡组织的不同,将铁碳合金分为六种,即________、________、________、________、____、____________。
()30、奥氏体是碳在____________中的固溶体,它的晶体结构是____________。
()31、铁素体是碳在α-Fe 中的固溶体,它的晶体结构是____________。
()32、各种热处理工艺过程都是由____________、____________、____________三个阶段组成。
()33、普通热处理分为______________、正火、________________和____________。
()34、钢的淬火方法包括____________、双液淬火________________和____________。
()35、钢常用的回火方法有____________、________和________等。
()36、常见钢的退火种类有____________、________和________。
()37、钢的淬硬性是指钢经过淬火后所能达到的最高硬度,它取决于____________。
()38、金属材料的机械性能主要包括____________、塑性、硬度、____________、____________。
()39、金属材料的常用的强度指标主要有____________和____________。
()40、强度是指金属材料在静态载荷作用下,抵抗____________和断裂的能力。
()41、金属材料的塑性指标主要有____________和____________两种。
()42、金属材料的强度和塑性一般可通过____________来测定。
()43、常用的硬度测量方法有____________、____________、____________。
()44、常用的洛氏硬度测量标尺有____________、____________、____________。
()45、金属材料常用的冲击韧性指标是____________。
()46、影响合金充型能力的因素很多,其中主要有____________、铸型的____________及__________三个方面。
()47、在铸件内部或表面有大小不等的光滑孔洞的铸件缺陷被称为____________。
()48、液态合金本身的__________,称为流动性。
()49、铸件各部分的壁厚差异过大时,在厚壁处易产生____________缺陷,铸件结构不合理,砂型和型芯退让性差易产生____________缺陷。
()50、影响铸铁石墨化的主要因素是____________和__________。
()51、铸造内应力是产生__________的基本原因。
()52、控制铸件凝固过程采取的工艺原则是____________和__________。
()53、铸铁按照断口形貌可以分为__________、__________、__________等三大类。
()54、在铸造生产中所用的造型材料是由__________、________、水和__________所组成的。
()55、在铸造生产中,金属液进行变质处理的目的是获得______________。
()56、可锻铸铁的组织为钢基体加______________状石墨。
()57、按模型特征分,常用的手工造型方法主要有____________、__________、__________、__________、__________、__________。
()58、型芯砂应满足的基本性能要求是____________、__________、透气性、__________、__________。
()59、浇注系统一般由四部分组成,即____________、__________、__________、__________。
()60、金属的塑性变形会导致其____________、硬度提高,________、韧性下降,这种现象称为加工硬化。
()61、在再结晶温度以下进行的变形称为____________;在再结晶温度以上进行的变形称为____________。
()。