化粪池(钢筋混凝土11号)图纸
- 格式:docx
- 大小:1.44 MB
- 文档页数:2
03S702《钢筋混凝土化粪池》国家建筑标准设计图集03S702《钢筋混凝土化粪池》国家建筑标准设计图集,系在92S214(一)~(五)钢筋混凝土化粪池基础上,由中国航天建筑设计研究院修编的。
本图集适用一般工业建筑和民用建筑生活污水的局部处理。
化粪池选用表给出了不同建筑物、不同用水量、不同清掏期、不同污泥量、不同污水停留时间,粪便污水与生活废水合流及粪便污水单独排入化粪池等情况,计算得出的化粪池设计总人数,设计人可以直接按表选用。
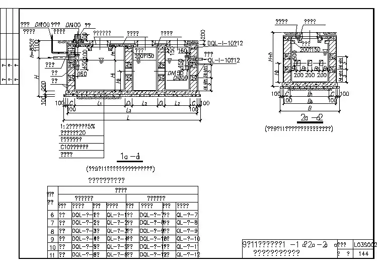
00000化粪池分格计算。
当采用三格化粪池时,其第一格的容积为总容积的60%,第二格和第三格各为有效总容积的20%。
000000化粪池新增加了通气管,将化粪池中的废气排入空气中,管径为DNl00。
00000由于建筑物密集,本图集增加了钢筋混凝土沉井式化粪池。
00000钢筋混凝土化粪池结构计算,均按建设部新颁布的有关结构规范执行。
其中主要应用规范有《混凝土结构设计规范》(GB50010-2002)、《给水排水工程构筑物结构设计规范》(GB50069-2002)、《建筑地基基础设计规范》(GB50007-2002)以及《给水排水工程钢筋混凝土沉井结构设计规程》(CECS137:2002)。
00000化粪池有效容积,当单池双格时,有效容积为2、4、6、9、12m3。
当单池三格时,有效容积为16、20、30、40、75、100m3。
当双池三格时,有效容积为75、l00m3。
00000沉井式化粪池有效容积,当单池双格时,有效容积为6、12m3,当单池三格时,有效容积为20、30m3。
00000化粪池分无覆土和有覆土两种情况,当有效容积为2~50m3以及沉井式化粪池有效容积为6~30m3,按无覆土和有覆土两种情况设计。
当有效容积为75~100m3时,单池、双池均按有覆土设计。
00000化粪池顶面不过车时的活荷载标准值为10KN/m2,当顶面可过汽车时,其活荷载为汽车—超20级重车。
92S214(一)(五) 钢筋混凝土化粪池.pdf 【范本一】【内容详细,每个章节进行细化】1. 引言1.1 目的本文档旨在提供钢筋混凝土化粪池(编号92S214(一)(五))的详细设计说明,包括结构设计、施工要求和使用说明等方面的内容。
1.2 背景钢筋混凝土化粪池是一种常见的污水处理设施,用于处理居民和工业排放的污水。
本文档将对该化粪池进行全面的设计和描述,以确保其安全、可靠、持久的运行。
2. 结构设计2.1 基本参数2.1.1 型号:92S214(一)(五)2.1.2 长度:5米2.1.3 宽度:3米2.1.4 深度:2.5米2.1.5 材质:钢筋混凝土2.2 结构要求2.2.1 耐久性:化粪池需经得住长期的酸碱腐蚀和压力载荷,具备优异的耐久性。
2.2.2 密封性:化粪池应具备良好的密封性,以防止污水泄漏和异味扩散。
2.2.3 承载能力:化粪池顶部需能够承受一定的外力压力,以满足施工和使用要求。
3. 施工要求3.1 地基准备3.1.1 清理:清除工地上的杂物和障碍物,保持地面平整清洁。
3.1.2 加固:根据化粪池的尺寸和设计要求,对地基进行加固处理。
3.2 浇筑混凝土3.2.1 材料准备:准备好混凝土原材料,按照设计比例进行搅拌。
3.2.2 浇筑工艺:根据施工图纸,将混凝土均匀地倒入化粪池模板内,确保浇筑均匀。
4. 使用说明4.1 安装4.1.1 确认地基:在安装前,确保地基平整坚固,能够承受化粪池的重量。
4.1.2 定位:根据设计要求,将化粪池准确地定位在地基上,确保位置正确无误。
4.2 污水处理4.2.1 导入污水:将污水通过入口管道导入化粪池内,注意不要将异物和固体废物导入。
4.2.2 混合处理:化粪池内的微生物会对污水进行分解和处理,确保排出的水质达到标准要求。
【范本二】【内容详细,每个章节进行细化】1. 概述本文档是针对92S214(一)(五)钢筋混凝土化粪池的设计说明,包括结构设计、施工要求和使用说明等方面的内容。
钢筋混凝土化粪池尺寸对照表注:本表格为有地下水,池顶有覆土,可过车化粪池化粪池型号长(mm )宽(mm )有效容积(m3)型号代号1号295013502G1-2SQF2号480013504G2-4SQF3号480016006G3-6SQF4号480021009G4-9SQF5号4800210012G5-12SQF6号6000260016G6-16SQF7号6000310020G7-20SQF8号6000310025G8-25SQF9号6000310030G9-30SQF10 号7400310040G10-40SQF11 号9000310050G11-50SQF12 号12000320075G12-75SQF 13号化粪池应按每人多大设计《化粪池标准图集》注明适应于一般民用建筑生活用的化粪池型号确定如下:住宅类型的:1--15 人选用1#化粪池;16--30 人的选用2#化粪池;31--45 人的选用3#化粪池;46--65 人的选用4# 化粪池;66--95 人选用5#化粪池;96--120 人的选用6#化粪池;121--200 人的选用7#化粪池;201--260 人的选用8# 化粪池;261--330 人的选用9#化粪池;331--450 人选用10# 化粪池。
至于楼主选用多大的化粪池,请对号入座。
强烈建议楼主按照化粪池标准图集中的施工。
顺便提醒下,化粪池通常分为:砖砌化粪池、钢筋砼化粪池、预制化粪池(造价低廉)等。
还要区分化粪池上面是否行车,采取加固处理。
1#化粪池容积 1.71 立方米 2.73*1.49*1.3(0.5--0.8) 2#化粪池容积 3.12 立方米 3.98*1.54*1.3(0.5--0.8) 3# 化粪池容积 4.81 立方米 4.68*1.74*1.3(0.5--0.8)应该参照《化粪池标准图集》制作。
设计的化粪池清掏周期是多长时间,小区一栋楼设计多少户,合流系数0.7 升/ 人.天,停留时间12--24 小时。
化粪池施工方案化粪池定位及结构轮廓尺寸1、G12-75SQF 化粪池的定位及轮廓尺寸见下图:进水口方向标高2、G11-50SQF 化粪池的定位及轮廓尺寸见下图四、施工顺序测量定位 — 土方开挖 — 边坡支护 — 垫层浇筑 — 外侧砖模砌筑、抹灰 — 砖模外侧回填 — 化粪池池体结构施工 — 模板支架搭设 — 现浇盖板施工。
五、主要施工技术措施(一)、测量放线1、施工测量的基本原则: ①、整体控制局部; ②、高精度控制低精度;③、长方向、长边控制短方向、短边。
2、在测量放线之前,测量工应熟悉图纸,明确化粪池的定位及化粪池构造尺寸。
(二)、土方开挖1、土方开挖以机器为主,人力为辅,一次开挖到位;2、开挖出的土,作为地下室的回填用土,不进行第二次倒运;3、边坡开挖时按支护原始放坡坡度开挖;4、机械开挖时,不得挖至设计标高以下,应预留设计标高以上100暂留土层,人工进行清土。
人工清土时,应清理至设计标高以下100,留作垫层施工。
5、由于化粪池的池体部分位于边坡上,化粪池土方的开挖将会对边坡产生一定的影响,为了保证边坡的安全,在土方开挖后应立即对边坡坡脚进行加固,加固办法为间距500打入2米长钢管,钢管入土深度1m,坡脚内侧用模板围挡,防止松土滑落伤人及影响施工。
同时,为保证边坡的稳定,边坡开挖完成后,立即用塑料布将边坡覆盖,防止雨水浸湿坡土造成塌方。
在进行化粪池池体结构施工时,测量人员应对边坡加强观测,如有边坡变形应立即通知项目部及监理单位进行处理。
边坡支护及坡脚加固见下图:(三)、垫层、砖模施工1、基坑土方开挖后应立即进行垫层施工,避免基土受到地下水及雨水侵泡。
2、由于砖模砌筑高度较高,砖模厚度由下至上宽度递减,底部1.5m砖模厚度480,中间1.5m厚度360,上部砖模厚度240,同时每4m设置一个480*480的墙垛,防止砖模倾覆。
(四)、钢筋施工化粪池的钢筋施工应按照《钢筋混凝土化粪池》03S702图集来进行钢筋加工、安装。
钢筋混凝土化粪池尺寸对照表欧阳光明(2021.03.07)注:本表格为有地下水,池顶有覆土,可过车化粪池化粪池型号长(mm)宽(mm)有效容积(m³)型号代号1号 2950 1350 2 G1-2SQF2号 4800 1350 4 G2-4SQF3号 4800 1600 6 G3-6SQF4号 4800 2100 9 G4-9SQF5号 4800 2100 12 G5-12SQF6号 6000 2600 16 G6-16SQF7号 6000 3100 20 G7-20SQF8号 6000 3100 25 G8-25SQF9号 6000 3100 30 G9-30SQF10号 7400 3100 40 G10-40SQF11号 9000 3100 50 G11-50SQF12号 12000 3200 75 G12-75SQF 13号化粪池应按每人多大设计《化粪池标准图集》注明适应于一般民用建筑生活用的化粪池型号确定如下:住宅类型的:1--15人选用1#化粪池;16--30人的选用2#化粪池;31--45人的选用3#化粪池;46--65人的选用4#化粪池;66--95人选用5#化粪池;96--120人的选用6#化粪池;121--200人的选用7#化粪池;201--260人的选用8#化粪池;261--330人的选用9#化粪池;331--450人选用10#化粪池。
至于楼主选用多大的化粪池,请对号入座。
强烈建议楼主按照化粪池标准图集中的施工。
顺便提醒下,化粪池通常分为:砖砌化粪池、钢筋砼化粪池、预制化粪池(造价低廉)等。
还要区分化粪池上面是否行车,采取加固处理。
1#化粪池容积1.71立方米 2.73*1.49*1.3(0.5--0.8)2#化粪池容积3.12立方米 3.98*1.54*1.3(0.5--0.8)3#化粪池容积4.81立方米 4.68*1.74*1.3(0.5--0.8) 应该参照《化粪池标准图集》制作。
钢筋混凝土化粪池尺寸对照表(总1页)-CAL-FENGHAI.-(YICAI)-Company One1-CAL-本页仅作为文档封面,使用请直接删除钢筋混凝土化粪池尺寸对照表?注:本表格为有地下水,池顶有覆土,可过车化粪池?化粪池型号长(mm)宽(mm)有效容积(m3)型号代号1号 2950 1350 2 G1-2SQF2号 4800 1350 4 G2-4SQF3号 4800 1600 6 G3-6SQF4号 4800 2100 9 G4-9SQF5号 4800 2100 12 G5-12SQF6号 6000 2600 16 G6-16SQF7号 6000 3100 20 G7-20SQF8号 6000 3100 25 G8-25SQF9号 6000 3100 30 G9-30SQF10号 7400 3100 40 G10-40SQF11号 9000 3100 50 G11-50SQF12号 12000 3200 75 G12-75SQF13号化粪池应按每人多大设计?《化粪池标准图集》注明适应于一般民用建筑生活用的化粪池型号确定如下:住宅类型的:1--15人选用1#化粪池;16--30人的选用2#化粪池;31--45人的选用3#化粪池;46--65人的选用4#化粪池;66--95人选用5#化粪池;96--120人的选用6#化粪池;121--200人的选用7#化粪池;201--260人的选用8#化粪池;261--330人的选用9#化粪池;331--450人选用10#化粪池。
至于楼主选用多大的化粪池,请对号入座。
强烈建议楼主按照化粪池标准图集中的施工。
顺便提醒下,化粪池通常分为:砖砌化粪池、钢筋砼化粪池、预制化粪池(造价低廉)等。
还要区分化粪池上面是否行车,采取加固处理。
1#化粪池容积1.71立方米2.73*1.49*1.3(0.5--0.8)2#化粪池容积3.12立方米?3.98*1.54*1.3(0.5--0.8)3#化粪池容积4.81立方米4.68*1.74*1.3(0.5--0.8)应该参照《化粪池标准图集》制作。