大学采煤概论考试重点
- 格式:docx
- 大小:27.03 KB
- 文档页数:14
1由于自然动力引起地壳物质组成内部构造和地表形态变化与发展的作用称为地质作用地质作用分内力地质作用和外力地质作用内力地质作用包括地壳运动岩浆运动变质作用和地震作用2 岩石包括岩浆岩变质岩沉积岩其中煤属于沉积岩3煤的形成条件古植物条件古气候条件古地理环境古构造条件4煤系的概念煤系是指含有煤层的沉积岩系,它们彼此间大致连续沉积,并在成因上有密切联系。
5薄煤层0.5-1.3中厚煤层1.3-3.5厚煤层3.5以上!6产状要素有走向倾角倾向!7缓斜煤层8度-25 倾斜煤层25-45急斜煤层45-90! 8断层可分为正断层逆断层平推断层!9煤田地质勘探工作划分为煤田普遍矿区详查和井田精查!10矿井储量可分为矿井地质资源,矿井工业储量,矿井设计储量,矿井设计可采储量!11等高线特点等高线是连续闭合曲线如果不在图内闭合就一定在图外闭合,等高线上任一点相邻等高线可以作很多线段其中最短的一天线段称为最大倾斜线,等高线稠密表示陡坡等高线稀疏表示缓坡!12煤矿床的开采方法有露天开采和地下开采!13在一个井田范围内主要巷道的总体布置及其有关参数的确定叫井田开拓!14井田开拓的划分的原则①井田范围储量煤层赋存及开采条件要与矿井生产能力相适应②保证井田有合理的尺寸③充分利用自然条件等条件划分井田④合理规划矿井开采范围处理好相邻矿井之间的关系!12井田境界的划分方法①垂直划分②水平划分③按煤组划分!13矿井设计服务年限矿井生产能力和矿井储存量之间的关系T=Zk/(AK)式中T-矿井设计服务年限,a;A-矿井设计生产能力,t/a;Zk-矿井设计可采储量;K-储量备用系数。
其范围一般为1.3-1.5!14在矿井范围内,沿煤层倾斜方向,按一定标高将井田划分成若干长条,每一个叫阶段。
15布置有井底车场和主要运输大巷,并担负水平开采范围内的主要运输和提升任务的水平叫开采水平或生产水平!16矿井巷道可分为开拓巷道准备巷道回采巷道!17开拓方式立井开拓斜井开拓平硐开拓综合开拓!18平硐开拓主要布置方式有走向平硐和垂直平硐!19综合开拓形式①立井-斜井综合开拓②斜井-立井综合开拓③平硐-立井综合开拓④平硐-斜井综合开拓!20根据运输大巷所服务的煤层数,它的布置形式有分层运输大巷集中运输大巷和分组集中运输大巷。
《采煤概论》综合复习资料一、填空题1、矿山井巷种类很多,根据井巷的长轴线与水平面的关系,可以分为、和三类。2、地球由表往里分为、、三个圈层。3、岩石按其生成的方式可以分、、和三大类。4、煤质的主要指标包括: 、、、、、、以及等。5、矿井开拓方式划分为、、和四种。6、地质构造的形态多种多样,较为常见的有等。、、、、等。7、按巷道作用和服务的范围不同,可将矿山井巷分为、、三种类型。8、我国目前长壁采煤工作面采用、、三种采煤工艺方式。9.煤(岩)层的产状要素是指、、。10.我国根据开采技术的特点,将煤层按厚度不同分为、、11.阶段(水平)运输大巷的布置方式主要有、、和。12.掘进工作面的炮眼,按其作用和位置可分为、、和三种;其爆破顺序为、、。13.半煤岩巷掘进时,其采石位置有、、三种情况,但条件允许情况下应优先考虑选择的方式。14.依据煤层赋存条件不同,放顶煤走向长壁采煤法主要类型有、、。15.矿井通风方式主要有、、。16.井下常用的通风设施有、、、、。17.矿井瓦斯等级划分为、、。18.煤矿开采后造成地表塌陷,其整治方法有、、、、。19.根据断层两盘相对运动的方向,断层分为、、。20.煤层根据倾角分为、、、。21. 矿井服务年限是指矿井从到的开采年限。22.根据工作面推进方向不同,长壁采煤法又可分为______和_____两大类。23.阶段内采用连续式布置时,采煤工作面可由井田中央沿走向向井田边界推进,也可由井田边界向井田中央推进。前者称为式,后者称为式。一般采用较多的是式。24.自移式液压支架有______、______和________三种基本类型。25.根据顶板岩层和煤层的相对位置、顶板岩层垮落的难易程度及其对采煤的影响,可将煤层的顶板分为_____、______和______三种。二、名词解释1.单斜构造2.光面爆破3.走向长壁采煤法4. 井田开拓5. “三量”6.矿山压力显现7.矿尘三、单项选择题1、回采巷道服务年限较短,一般在( )左右。A、 0.5~2.0年 B、 0.5~1.0年 C、0.5~3.0年D、1.0~3.0年2、当阶段的走向长度和倾斜长度都较大时,在阶段范围内,沿走向把阶段划分为若干部分,每一部分称为一个采区,这种布置方式称为( )。A 、分带式布置B 、盘区式布置 C、分区式布置 D、连续式布置3、组成地壳的物质主要是( )。A、矿物 B、晶体 C、岩石 D 、变质岩4、目前把含灰份( )的煤暂不列入可采煤层。A、10% B、20% C 、 30% D 、40%5、中厚煤层是指厚度在( )的煤层。A 、1.3~3.5mB 、1.3~3.0m C、1.0~3.5m D、1.3~2.5m6、一般采1 m3的实体煤炭,需要充填( )的砂石。A、0.75~0.8m3 B、0.8~0.9m3 C 、0.75~0.9m3 D、0.9~1.0m37、断层面两侧的岩体称为( )A 、断距B 、断裂面C 、断层面 D、断盘8、按照《煤矿安全规程》的规定:矿井的主水泵必须包括工作、备用和检修的水泵。其中工作水泵的能力,应能在20小时内排出矿井( )小时的正常涌水量。A、8 B、12 C 、24 D、369、《煤矿安全规程》规定采掘工作面及其他作业地点风流中瓦斯浓度达到( )时,必须停止用电钻打眼。A、1.0% B、2.0% C 、1.5% D、1.6%10、分带式布置主要用于倾角小于( )的近水平煤层。A 、8°B 、12°C、25° D、45°11、采煤工作就从开切巷开始,向井筒方向连续推进,一直采到靠井筒附近,留( )煤柱保护井筒为止。A 、20m~40mB 、30m~40mC、30m~50m D、20m~50m12、上、下山同时布置的单水平开拓系统,使用于倾角在( )以下倾斜长度不大的井田。A 、10°B 、15°C、20° D、25°13、开拓巷道是从地面到采区的通路,这些通路在一个较长时期内为全矿井或阶段服务,服务年限一般在( )以上。A、10~30 年 B、20~30 年 C、10~40 年 D 、20~40年14、通常又把α<8°以下的煤层称作( )。A、缓倾斜煤层 B 、倾斜煤层 C、近水平煤层 D、急倾斜煤层15、落差在( )之间的称为中型断层。A 、20~50mB 、30~50m C、20~40m D、30~60m16、在开采水平的各个煤层中均单独开掘运输大巷,并用主要石门(或主要溜煤井)与井底车场相通,这条运输大巷称为( )。A 、集中运输大巷B 、分组集中运输大巷C、分层运输大巷 D、运输大巷17、煤电钻适用于煤层和( )岩石中钻眼。A、f≤4~6 B、f≤5~6 C 、f≤4~7 D、f≤5~718、老顶初次来压一般要持续( )天,在这期间易于发生事故。A、1~2 B、1~3 C 、2~3 D、2~419、爆破装煤是把输送机安设在距煤壁0.2m处,并在输送机靠近采空区侧安设挡板,防止煤炭抛向采空区。一般爆破装煤效果可达( )左右。A、31%~38% B、31%~40% C 、31%~58% D、25%~48%20、( )的使用是综采的标志性设备。A、刮板输送机 B、采煤机C 、破碎机D、自移支架21、采煤工作面必须及时( ),控顶距离超过作业规程时,禁止采煤。A、推移输送机 B、维修采煤机C 、回柱放顶或填充 D、移液压泵站22、上盘相对下降,下盘相对上升的断层称为( )a 、正断层 b、逆断层 c、平推断层23、井底车场运输路线包括存车线、行车线及( )a 、空车线 b、调车线 c、辅助线路24、运输大巷的布置方式可分为分层运输大巷、集中运输大巷和( )三种。a 、分组运输大巷 b、分组集中运输大巷 c、分层集中运输大巷25、矿井生产的“大动脉”是指( )。a、水平运输大巷 b、水平回风大巷 c、区段运输平巷 d、区段回风平巷26、服务年限较长的开拓巷道,多用( )断面。a、梯形 b、圆形 c、拱形 d、矩形27、沿空护巷所砌矸石带(石墙)的宽度为( )。a、2-3 b、3-5 c、4-6 d、6-8四、多项选择题1、下列巷道属于准备巷道的是:( )。A、采区上下山 B、采区车场 C、采区硐室 D、井底车场2、厚煤层采煤法常用的分层方法( )三种形式。A、垂直分层 B、倾斜分层C 、水平分层D、斜切分层3、常见的沉积岩有( )等。A、玄武岩 B、砂岩 C、页岩 D、石灰岩4、形成有开采价值的煤层,必须具备以下( )条件:A、繁茂的植物条件 B、温湿的古气候条件C、积水沼泽的古地理条件 D、缓慢沉降的地壳运动条件。5、构成煤系的岩层主要有( )。A、泥岩 B、页岩 C、粉砂岩 D、砂岩及煤层。6、活塞式空压机按气缸的布置方式分为( ) 三类。A、立式 B、卧式C 、角度式 D、联合式7、挥发份指煤与空气隔绝后加热到900℃左右时所排除的气态物质,主要成分为( )。A、沼气 B、氢及其它碳氢化合物 C、氧气 D、二氧化碳8、根据断层两盘相对运动的方向,断层可分为以下( )类型。A 、走向断层B 、正断层C、逆断层 D、平推断层9、根据断层的组合形式不同,分别可以构成( )等断层组。A 、地堑B 、地垒 C、阶梯构造 D、平推断层10、通风设施按其作用可分为三类:( ) 。A、临时性通风设施B、隔断风流的设施C 、引导风流的设施 D、调节风量的设施11、按支架与围岩的相互作用方式可分为( )液压支架三种基本类型。A、支撑式 B、掩护式 C 、支撑掩护式D、自移式12、按照水平的数目不同,矿井开拓方式还可划分为( )。A 、斜井开拓B 、立井开拓立井开拓C、单水平开拓 D、多水平开拓13、下列巷道属于回采巷道的是:( )。A、区段运输平巷 B、区段回风平巷 C、运输大巷 D、开切眼14、煤的化学组成主要是( )两大类。A、矿物 B、有机质 C、无机质 D、碳15、计算“三量”是指( ),主要用以检查合理开采煤炭资源情况。A 、开拓煤量B 、准备煤量 C、回采煤量 D、年产量16、采掘工程图是( )的综合。A 、煤层垂直断面图B 、矿井的地质图 C、测量图 D、煤层底板等高线图17、矿井储量可以分为( )两类,是矿井生产能力的重要因素。A 、工业储量B 、远景储量 C、可采储量 D、年产量18、旋转式钻眼机械有( )。A、电动 B、风动 C 、液压驱动 D、气动19、爆破参数主要是指( )。A、单位炸药消耗量 B、炮眼直径 C 、炮眼数目 D、炮眼深度20、顶板按相对于煤层的位置及垮落的难易程度分( )。A、伪顶 B、直接顶C 、坚硬顶板D、老顶五、判断题1、变质岩又称为火成岩,它是由岩浆冷凝而成。2、直接位于煤层上,是一层及易垮落的薄岩层叫做直接顶。3、巷道的长轴线与水平面有一定夹角的巷道时水平巷道。4、《煤矿安全规程》第285条规定:矿井必须作好水害分析预报,坚持“有疑必探,先探后掘”的探放水原则。5、褶曲中煤层和岩层向上凸起的部分称作背斜。6、上盘相对下降,下盘相对上升叫逆断层。7、煤是一种沉积岩。8.我国开采急斜厚煤层,常用水平分层和斜切分层采煤法。9.跳汰选煤是入选煤炭借助变速、变向水流,利用密度差异进行分选的方法。10.煤层厚度决定于植物遗体堆积的速度与地壳沉降速度间的关系。11.煤的发热量主要与炭化程度有关,但水分和灰分含量的增加,会导致煤的发热量降低。12.确定矿井年产量时必须保证矿井有合理的服务年限。13.煤层埋藏比较深,表土层厚度较大,地质条件复杂时适合斜井开拓。14.石材整体支护坚固、耐用,是一种积极主动的支护形式。15.半煤岩巷施工时,掏槽眼应尽量布置在岩层中。16.老顶初次来压一般比较突然,顶板下沉速度会急增。17.仰斜开采适用于顶板破碎,煤质较硬或顶板淋水较大的煤层。18.伪倾斜柔性掩护支架采煤法适用于开采急斜中厚煤层和厚煤层。19.重介洗选是利用介质与物料各组分密度上的差异,达到分选的目的。20、当泥炭沼泽中植物遗体堆积速度大于地壳沉降速度时,就会形成厚煤层。21、当岩石(煤)面积占掘进断面面积的1/5—4/5之间时,称为煤岩巷(又称半煤岩巷)。22、耙斗装岩机适用于净高2.2米,宽2米以上的水平巷道或倾角小于300的倾斜巷道,也可用于弯道,既能装岩又可装煤或半煤岩。23、初次来压一般要持续2—3天,在这期间不易发生事故。24、支撑压力带的范围由工作面前方2—3米起直至10—45米。25、仰斜开采使用于煤层厚度较大,煤质松软、易片帮或瓦斯含量较大的煤层。26、含有夹石的煤层称为简单结构煤层。六、简答题1.何谓综采?包括哪些设备?2.瓦斯爆炸条件有哪些?3.简述综合机械化采煤工作面的回采工艺。4.简述综放开采工艺中的初采和末采、放煤步距和放煤方式。5.简述瓦斯爆炸的预防措施。6.简述锚喷支护。7.简述倾斜分层下行垮落走向长壁采煤法回采工艺。8.综采工作面使用的设备有哪些?9.瓦斯爆炸必须具备哪些条件?预防瓦斯爆炸应从哪些方面着手?10.采煤工作面冒顶事故,如何处理?11.及时支护和滞后支护各指什么?七、看图填空1.看图填空。(1)图5-1为( )采煤工艺示意图。(2 ) 该工艺适应于( )的煤层。图5-12.看图填空。(1)图5-2为( )采煤工艺示意图。(2) 该工艺适应于( )区段条件。图5-23.按要求填写内容。(1)该巷道采用何种断面形状?(2)该巷道采用什么支护方式?答:该巷道采用了( )。(3)对图中的数字进行注释。答:1—( ) 3—( ) 2—( ) 4—( )图5-3八、识图回答下列问题图6-11、在图中用符号标出并用巷道序号说明运煤路线。2、在图中用符号标出并用巷道序号说明通风路线。参考答案一、填空题1、直立巷道、水平巷道、倾斜巷道2、地壳、地幔、地核3、岩浆岩、沉积岩、变质岩4、水份(W)、灰份(A)、挥发份(V)、固定炭(C)、胶质层厚度(Y)、发热量(Q)、硫和磷的含量、含矸率5、斜井开拓方式、立井开拓方式、平硐开拓方式、综合开拓方式6、褶皱、单斜、断裂、冲蚀、岩溶塌陷、岩浆侵入7、开拓巷道、准备巷道、回采巷道8、炮采、普采、综采9. 走向、倾向、倾角。10. 薄煤层<1.3m 、中厚煤层1.3—3.5m 、厚煤层>3.5m11.分层运输大巷、集中运输大巷、分组集中运输大巷。12. 掏槽眼、辅助眼、周边眼。先掏槽眼、其次辅助眼、最后周边眼。13. 挑顶、挖底(卧底)、挑顶兼挖底挖底(卧底) 。14.. 一次采全厚放顶煤开采、预采顶分层网下放顶煤开采、倾斜分段放顶煤开采。15. 中央式通风、对角式通风、混合式通风。16. 风门、密闭、风桥、风窗、风障。17. 低瓦斯矿井、高瓦斯矿井、煤(岩)与瓦斯(二氧化碳)突出矿井。18..排矸复田造地、电厂排灰充填、挖深垫浅综合治理、改造水面、美化环境、改造成绿化林带19. 正断层、逆断层、平推断层20.近水平煤层<8°、缓倾斜煤层8°~25°、倾斜煤层25°~45°、急倾斜煤层>45°21. 投产,报废。22.走向长壁、倾斜长壁23.前进式,后退式,后退式。24.支撑式、掩护式、支撑掩护式25.伪顶、直接顶、老顶二、名词解释1.单斜构造------当一个向斜构造或背斜构造的范围较大时,它的一翼又称为单斜构造。2.光面爆破------爆破后的巷道轮廓线规整,围岩保持稳定,不产生或很少产生炮震裂隙。3.走向长壁采煤法--------长壁工作面沿煤层倾斜布置,沿煤层走向方向推进。4. 井田开拓答:从地面开掘一系列井巷(开拓巷道)通达煤层,叫井田开拓。5.“三量”:开拓煤量、准备煤量、回采煤量。6.矿山压力显现答:在矿山压力作用下,采动空间和支架呈现出来的压力现象称为矿山压力显现。如采煤工作面和巷道中看到煤壁片帮,顶板下沉、冒落,底板鼓起,支架被压缩或折断等。7.矿尘答:矿尘是指煤矿生产过程中产生的煤尘、岩尘和水泥粉尘的总称。三、单项选择题1、B 2、C 3、C 4、D 5、A 6、A 7、D 8、C 9、A 10、B 11、B 12、C 13、A 14、C 15、A 16、C 17、A 18、C 19、A 20、D21、C 22、 a 23、c 24、b 25、a 26、c 27、 c三、多项选择题1、A B C 2、B C D 3、B C D 4、A B C D 5、A B C D6、A B C 7、A B 8、B C D 9、A B C D 10、B C D11、A B C 12、C D 13、ABD 14、B C 15、AB C16、B C 17、 A B 18、 A B C 19、A B C D 20、A B D五、判断题1、×2、×3、×4、√5、√6、×7、√8、√9、√10、√11、×12、×13、×14、√15、√16、√17、√18、√19、√20、×21、√22、√23、×24、√25、×26、×六、简答题1.何谓综采?包括哪些设备?所谓综采就是以大功率采煤机落煤、装煤,大功率运输机运煤,自移式液压支架支护顶板和处理采空区的回采工艺方式。综采工作面的设备配置工作面设备:采煤机、自移式液压支架,刮板输送机;平巷设备:转载机,破碎机,可伸缩胶带机。2.瓦斯爆炸条件是:瓦斯爆炸必须具备三个条件:即必需具有一定的瓦斯浓度、引火温度和氧的浓度, 这三者缺一都不会发生瓦斯爆炸。研究结果表明, 只有当空气中的瓦斯浓度在5~16% 的范围内遇火才爆炸, 当浓度为9.5% 时, 爆炸威力最强, 瓦斯的最低点燃温度为650~750 °C 。当氧气浓度减少到12%以下时,瓦斯混合气即失去爆炸性。3.答:1)落煤与装煤: 由滚筒采煤机完成2)运煤: 采用输送能力大、强度高的重型输送机3)支护: 可采用支撑式、掩护式、支撑掩护式液压支架。液压支架的支护方式可分为①及时支护方式:割煤→移架→移输送机②滞后支护方式:割煤→移输送机→移架4)刮板输送机和支架的推移: 支架的形式不同,则移架和推移输送机的方式也不同。5)采空区处理主要用垮落法处理采空区4.答:1)初采和末采放煤工艺目前大多数工作面,推出开切眼后即做到及时放煤。停采时一般要提前10m左右停止放煤并铺顶网。2)放煤步距在采煤工作面的推进方向上,两次放顶煤之间的推进距离称循环放煤步距。实际工作中可采用两采一放或三采一放。3)放煤方式①多轮、分段、顺序、等量放煤②单轮、多口、顺序、不等量放煤③多轮、间隔、顺序、等量放煤④单轮、间隔、多口放煤。5.答:1)防止瓦斯积聚的措施①加强通风②加强瓦斯检查③及时处理积聚的瓦斯④对瓦斯涌出量大的煤层或采区,要及时进行瓦斯抽放,这是防止瓦斯积聚和突出的最经济最有效的方法。2)防止瓦斯引燃的措施①防止明火②防止出现电火花③防止出现炮火。严禁使用变质或不合格的炸药,只能使用与该矿井瓦斯等级相适应的安全炸药;放炮作业要符合《煤矿安全规程》要求,要使用水炮呢,炮眼封泥要装满填实,防止打筒;禁止放明炮、糊炮;禁止使用明接头或裸露的放炮母线等④防止摩擦火花⑤防止其他火源出现。6.答:(1)锚杆支护。就是在巷道掘进后向围岩中钻锚杆眼,然后将锚杆安设在锚杆眼内,对巷道围岩予以人工加固,从而维护巷道的稳定。1)钢筋或钢丝绳砂浆锚杆;2)倒楔式锚杆;3)木锚杆;4)树脂锚杆;5)快硬水泥锚杆;6)管缝式锚杆;7)可伸缩锚杆(2)喷射混凝土支护。是将一定比例的水泥、砂子、石子和速凝剂混合搅拌均匀后,装入喷射机,以压缩空气为动力,使拌和料沿管路送至喷嘴处与水混合,并以较高速度将喷射物黏附到岩壁和楔入岩石的裂缝中,经凝结、硬化后,与围岩紧密结合,防止围岩风化和松动,并组成一个共同承压的支护结构。(3)锚喷支护及锚喷网联合支护。在喷射混凝土之前敷设金属网,喷后成钢筋混凝土层,提高了喷层的整体性,改善了喷层的抗拉性能。(4)组合锚杆支护。主要有锚网支护、锚梁(带)网支护和锚杆桁梁支护。7.答:第一分层工作面的回采工艺与单一长壁采煤法基本相似,只是增加了为下分层铺设人工假顶的工序。1)人工假顶的铺设材料可采用荆笆、竹笆和金属网等。铺设时,可先铺底梁或不铺底梁。为铺网方便和铺网后不留网卷以免影响采煤机运行,网的长边应平行于工作面展开铺设。2)采空区处理采用全部垮落法处理3)工作面支护工作面顶板管理主要是增加支架的稳定性及防止漏矸。8.综采工作面使用的设备有哪些?答:综采工作面使用的设备主要有:滚筒式采煤机(常用双滚筒采煤机)或刨煤机、可弯曲刮板输送机、自移式液压支架、乳化液泵站、移动变电站、转载机、可伸缩胶带输送机等。9.瓦斯爆炸必须具备哪些条件?预防瓦斯爆炸应从哪些方面着手?答:瓦斯爆炸必须具备的条件是:一是瓦斯达到一定的浓度,二是有高温火源,三是风流中必须有足够的氧气(>12%),三者缺一都不可能产生爆炸。预防瓦斯爆炸,应从以下几个方面入手:①加强通风。②坚持瓦斯检查制度。③对于采用一般通风方法不能解决瓦斯超限问题的矿井,最好预先抽放瓦斯。④井下禁止使用明火和吸烟。⑤有瓦斯和有煤与瓦斯突出危险的矿井,应按规定选用适当类型的电气设备。⑥严格执行《煤矿安全规程》中关于放炮工作的各项规定。10、采煤工作面冒顶事故,如何处理?答:(1)局部冒顶一般采用掏梁窝,使用单腿棚或悬挂金属顶梁处理。(2)大冒顶整巷法处理冒顶或开补巷绕过冒顶区。11、及时支护和滞后支护各指什么?答:(1)及时支护方式:割煤→移架→移输送机。(2)滞后支护方式:割煤→移输送机→移架。七、看图填空1.看图填空。(1)上图为( 综采放顶煤)采煤工艺示意图。(2 ) 该工艺适应于( 煤层厚度变化大煤质中硬以下)的煤层。2.看图填空。(1) 该图为(炮采)采煤工艺示意图。(2 ) 该工艺适应于(工作面不太规则即工作面长度变化较大的)区段条件。3.按要求填写内容(1)该巷道采用何种断面形状?答:该巷道采用了拱形断面。(2)该巷道采用什么支护方式?答:该巷道采用了喷浆支护方式。(3)对图中的数字进行注释。答:1—拱顶2—拱墙3—水沟4—双轨运输的轨道八、识图回答下列问题答:1、运煤路线:工作面→区段运输平巷10→运输机上山5→采区煤仓14→采区运输石门1。2、通风线路:采区运输石门1→采区下部材料车场4→轨道上山6→采区中部车场8→下区段回凤平巷11→联络眼12→区段运输平巷10→采煤工作面→区段回风平巷13(或运输上山5→采区上部车场9→采区回风石门)。。
1.地质作用:由于自然动力引起地壳物质组成、内部构造和地表形态变化与发展的作用。
地质作用也分为:内力地质作用和外力地质作用。
内力地质作用:①地壳运动②岩浆活动③变质作用④地震作用外力地质作用:①风化和剥蚀②搬运和沉积③固结成岩2.岩石可分为岩浆岩、沉积岩、变质岩三大类。
3煤是由古代植物遗体演化而形成的。
地壳的发展历史简称地史。
4煤层形成的条件:①古植物条件②古气候条件③古地理环境④古构造条件5成煤作用可分为:泥炭化和煤化两个阶段。
6评价煤质的主要指标:水分W、灰分A、挥发分V、胶质层厚度Y、发热量Q、硫和磷的含量、含矸率。
7煤层的厚度分为:薄煤层(0.5~1.3m)→采区采出率≥85%,工作面采出率≥97%中厚煤层(1.3~3.5m)→采区采出率≥80% ,工作面采出率≥95%厚煤层(3.5m以上)→采区采出率≥75%,工作面采出率≥93%8根据煤层厚度对开采的影响,煤层分为:稳定煤层、较稳定煤层、不稳定煤层、极不稳定煤层。
9根据煤层中有无较稳定的夹石层,煤层可分为简单结构煤层和复杂结构煤层。
10地质构造:在地壳运动下,煤和岩层改变了原始埋葬状态,所产生的变形或变位的形迹。
11地质构造可分为:①单斜构造②褶皱构造(背斜和向斜)③断裂构造12根据断层两盘运动方向,断层可分为:正断层、逆断层、平推断层。
13根据断层走向与岩层走向相对关系,断层分为:走向断层、倾向断层、斜交断层。
14岩层的产状要素有:走向、倾向和倾角。
15煤层按倾角可分为:缓斜煤层(8°~25°)、倾斜煤层(25°~45°)、急斜煤层(45°~90°)、近水平煤层(小于8°)16煤田地质勘探的任务:了解煤炭储量、井田地质条件、煤层赋存条件、水文地质条件、开采技术条件、煤种煤质等矿井资源条件。
17煤炭工业建设分为:远景规划、矿区总体设计、矿井设计。
18煤田地质勘探工作划分为:煤田普查、矿区详查、井田精查。
《采煤概论》复习题一. 1.开采水平:布置有主要运输大巷和井底车场,并担负该水平开采范围内的主、要运输和提升任务的水平。
2.采煤方法:是采煤系统与采煤工艺的综合及其在时间和空间上的相互配合。
3.井底车场:是连接井筒和主要运输巷道和硐室的总称。
是井下运输和井筒提升两大环节之间的枢纽,担负煤炭、矸石、设备及人员的运转,并为矿井的供电、排水、通风等服务。
4、采煤工艺:在采煤工作面内按照一定顺序完成各项工序的方法及其配合,称为采煤工艺。
5、石门:没有直接通达地面的出口,布置在岩层中和岩层走向开掘的水平巷道。
6、走向长壁采煤法:长壁工作面可沿煤层倾斜布置,沿煤层走向推进,上下回采巷道基本上是水平布置,且与采区上山相连。
7、矿井通风系统:是矿井通风方法、通风方式和通风网络的总称。
8、水平:为开采缓斜、倾斜和急倾斜煤层时,通常沿煤层倾斜方向,按一定标高将井田划分为若干个平行于走向的长条部分,每个长条部分称为阶段。
阶段与阶段之间是以水平面分界,分界面又称为水平。
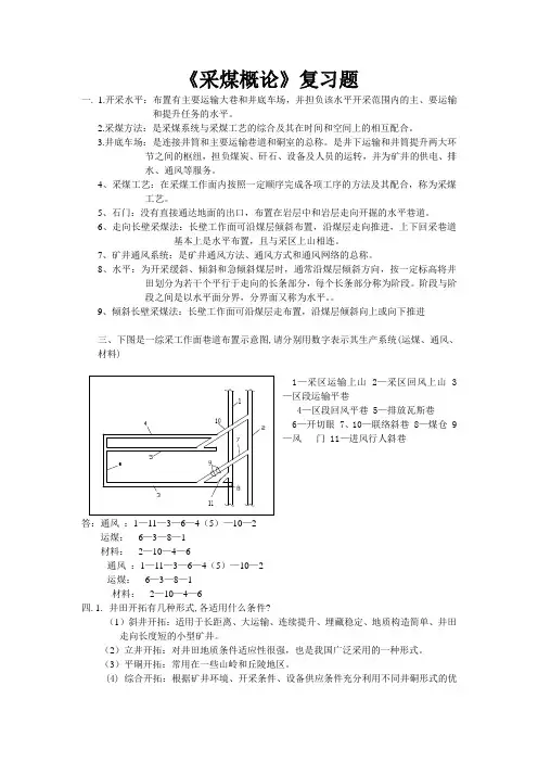
9、倾斜长壁采煤法:长壁工作面可沿煤层走布置,沿煤层倾斜向上或向下推进三、下图是一综采工作面巷道布置示意图,请分别用数字表示其生产系统(运煤、通风、材料)—区段运输平巷4—区段回风平巷 5—排放瓦斯巷6—开切眼 7、10—联络斜巷 8—煤仓 9—风门 11—进风行人斜巷答:通风:1—11—3—6—4(5)—10—2运煤:6—3—8—1材料:2—10—4—6通风:1—11—3—6—4(5)—10—2运煤:6—3—8—1材料:2—10—4—66四. 1.井田开拓有几种形式,各适用什么条件?(1)斜井开拓:适用于长距离、大运输、连续提升、埋藏稳定、地质构造简单、井田走向长度短的小型矿井。
(2)立井开拓:对井田地质条件适应性很强,也是我国广泛采用的一种形式。
(3)平硐开拓:常用在一些山岭和丘陵地区。
(4) 综合开拓:根据矿井环境、开采条件、设备供应条件充分利用不同井硐形式的优势,按照实际情况对井胴形式进行最佳组合,适应矿井生产的需要。
采煤概论复习概要1、地质作用:由于自然动力引起地壳物质组成、内部构造和地表形态变化与发展的作用。
2、内力地质作用包括:地壳运动、岩浆运动、变质作用和地震作用等。
3、煤层的形成受古植物、古气候、古地理及古构造等条件的控制。
4、成煤作用大致可分为泥炭化和煤化两个阶段。
5、评价煤质的主要指标包括:水分W、灰分A、挥发分V、发热量Q、胶质层厚度Y、含矸率等。
6、产状要素:走向、倾向、倾角。
7、根据开采技术的特点,煤层按倾角可分为缓斜煤层(8°~25°)、倾斜煤层(25°~45°)、急斜煤层(45°~90°)3类。
通常又把倾角在8°以下的煤层称为近水平煤层。
8、井田境界的划分方法:有垂直划分、水平划分、按煤组划分及按自然条件形状划分几种。
9、矿井的服务年限:一个矿井从投产到报废的开采年限。
10、井田再划分方式:井田划分为阶段、井田划分为盘区、井田分区域划分、阶段内再划分。
11、阶段:在井田范围内,沿煤层倾斜方向,按一定标高将井田划分成的若干长条。
12、开采水平:布置有井底车场和主要运输大巷,并担负该水平开采范围内的主要运输和提升任务的水平。
13、阶段内再划分的几种形式:分区式、分带式布置、分段式、整阶段布置。
14、下行开采顺序:由于煤层在地下大多为倾斜赋存,对同一层煤一般都是由上而下(由浅入深)地逐步开采。
反之,称为煤层的上行开采顺序。
15、煤层沿走向的开采顺序有前进式和后退式。
16、巷道按空间特征分为垂直巷道、水平巷道、倾斜巷道几种。
17、矿井巷道按其在生产中的重要性还可以分为开拓巷道、准备巷道、回采巷道3种。
开拓巷道:为全矿井、一个开采水平或阶段服务的巷道,如井筒、井底车场、阶段(或水平)运输大巷和回风大巷等。
准备巷道:为整个采区服务的巷道,如采区上(下)山、采区上下车场、采区石门等。
回采巷道:为工作面采煤直接服务的巷道,如区段上下平巷和开切眼等。
煤炭储量:经煤田地质勘探查明的煤炭资源量。
石门:垂直或斜交于煤层走向,与地面不直接相通的水平岩石巷道;锚喷支护:由锚杆和混凝土组成的围岩支护方式;走向长壁采煤法:采煤工作面沿煤层倾向布置,沿走向推进的采煤方法选矿:把矿石加以破碎,使之彼此分离,然后将有用矿物加以富集,无用的脉石抛弃,这样的工艺过程称为选矿。
岩石碎胀系数:岩石垮落破碎后体积与破碎前体积之比;采煤循环:采煤工作面从破煤、装煤、运煤、支护和采空区处理,周而复始地完成一整套工序的过程;采煤方法:采煤工艺与回采巷道布置及其在时间、空间上的配合;浮选:根据矿物颗粒表面性质的不同,从矿石中分离有用矿物的技术方法,即按矿物可浮性的差异进行分选的方法;采掘工程图是反映采掘工程、地质和测量信息的综合性图纸锚杆支护是一种主动支护技术,主要通过层状岩层悬吊作用、不稳定岩层的组合梁作用和拱形巷道中的锚杆组合拱作用来加固岩层。
炮采工艺所用设备简单、投资省对复杂地质条件的适应性强。
防治矿井水患必须坚持“预测预报,有疑必探,先探后掘,先治后采”的原则。
综采工作面采煤机往返割煤常采用斜切式进刀方式。
简答题1.简述成煤的必要条件(4分)①植物条件,植物是成煤的原始物质②气候条件,潮湿、温暖的气候是成煤的有利条件之一。
③地理条件,地理条件是成煤场所④地壳运动条件泥炭层的积聚要求地壳缓慢下沉,下沉速度最好是与植物遗体堆积的速度大致平衡。
综上所述,植物、气候、地理、地壳运动都是成煤的必要条件,缺一不可。
2.简述瓦斯爆炸需同时具备的条件?(3分)第一,瓦斯浓度达到爆炸界限范围内(通常为5%~16%);第二,据哟高温热源(一般为650~750℃);第三,有足够的氧气(浓度大于12%)。
3.简述公式T=KA Z k 表示的意义。
(5分) T ——矿井服务年限;Zk ——可采储量;A ——矿井设计生产能力;K ——储量备用系数;该公式表明矿井服务年限取决于矿井可采储量和设计生产能力。
第一章:煤矿地质知识(1)地质作用:在漫长的地质年代中,由于自然动力引起地壳物质组成,内部构造和地表形态变化与发展的作用称为地质作用。
地质作用案进行的场所及能源的不同,可分为内力地质作用和外力地质作用。
内力地质作用包括地壳运动、演讲运动、变质作用和地震作用等。
(2)岩石:岩石是矿物的集合体,组成地壳的岩石种类繁多,按生成原因可以将岩石划分为岩浆岩、沉积岩、变质岩三大类别。
(3)古植物从死亡、堆积到转化为煤要经过一系列的演化过程,这一过程称为煤作用。
成煤作用大致可分为泥炭化和煤化两个阶段。
(4)煤层的厚度可以划分为以下三类:(I)薄煤层0.5-1.3米,(II)中厚煤层:1.3-3.5米(III)厚煤层:厚度在3.5米以上(5)在地壳运动的作用下,煤和岩层改变了原始埋藏状态,所产生的变形或变位的形迹称为地质构造。
可以分为单斜构造、褶曲构造和断裂构造。
岩层的位置及特征通常用产状要素来描述。
产状要素有走向、倾向和倾角。
(6)断距:根据断层两盘相对运动的方向,断层可以分为三种基本类型:(i)正断层:上盘相对下降,下盘相对上升。
(ii)逆断层:上盘相对上升,下盘相对下降。
(iii)平推断层:断层两盘沿水平方向相对平移。
正断层’逆断层在煤矿中最常见。
(7)煤田地质勘探工作可划分为煤田普查、矿区详查和井田精查三个阶段,并依次进行。
(8)矿井储量煤炭资源是煤田地质勘探工作中最终成果的集体表现,它是指地下埋藏着的具有工业价值的煤炭资源量。
对勘探成果进行可行性评价和按经济意义分类,矿井储量可分为矿井地质资源量、矿井工业储量、矿井设计储量和矿井设计可采储量四种。
(i)矿井地质资源量:详查地质报告提供的查明煤炭资源的全部(ii)矿井工业储量:地质资源中控制的资源量,经分类得出的经济基础储量、边际经济储量连同地质储量中推断资源量的大部,归类为矿井工业储量。
(iii)矿井设计储量:矿井工业资源/储量减去设计计算的断层煤柱、防水煤柱、井田境界煤柱、地面建(构)筑物煤柱等永久煤柱损失量的资源/储量,称为矿井设计储量。
河南理工大学采煤概论重点(共五则)第一篇:河南理工大学采煤概论重点一、题型填空(1分×20题=20分)名词解释(2分×5题=10分)简答(6分×5题=30分)问答(10分×4题=40分)二、复习题1.填空2.名词解释地质作用、煤系、井田开拓、阶段、石门、上(下)山、井底车场、普氏系数、最小抵抗线、迎山角、支承压力、初次(周期)来压、采场、采煤工艺、采煤系统、采煤方法、通风阻力、3、简答及问答煤形成的条件及类别;地质作用;井田开拓形式比较;矿井运输、通风、运料等。
掘进作业线、巷道断面确定过程、常用的巷道支护形式;巷道断面如何确定、特殊凿井;常见的巷道支护形式上下山位置及优缺点、适用条件;工作面回采横三区和竖三带、回采工艺、回采工作面主要设备及用途、初次来压、放顶煤开采的优缺点、支架的形式;支承压力、周期来压;煤矿五大灾害及其预防措施;煤矿通风方式、风机类型等、矿井瓦斯类别及判断标准、矿井火灾过程、矿井水特点及治理方法等。
通风构筑物煤矿电器设备、压风设备、矿井提升与运输装备第二篇:河南理工大学测绘专业采煤概论第一章1.内力地质作用分类:包括地壳运动、岩浆运动、变质运动和地震作用等。
2.外力地质作用分类:按其作用方式可分为风化和剥蚀、搬运和沉积、以及固结成岩。
3.岩石分类:按生成原因分为岩浆岩、沉积岩、变质岩。
4.煤层厚度分类:薄煤层(煤层厚度0.5~1.3m);中厚煤层(1.3~3.5m);厚煤层(煤层厚度3.5m以上)5.煤层的稳定性分类(根据煤层厚度变化情况及对开采的影响分):稳定煤层、较稳定煤层、不稳定煤层、极不稳定煤层。
6.煤层结构分类(根据煤层中有无较稳定的夹石层分):简单结构煤层和复杂结构煤层。
7.煤层按倾角分:缓斜煤层(8~25°);倾斜煤层(25~45°);急斜煤层(45~90°)。
第二章1.等高线的特征:(1)等高线是连续的闭合曲线,如果不在图内闭合,就一定要在图外闭合。
采煤概论复习1、煤层按倾角的划分种类及标准?答:缓斜煤层(80—250)、倾斜煤层(250—450)、急斜煤层(450—900),通常把8度以下的煤层叫近水平煤层。
1、煤层按稳定性分类?答:稳定煤层、较稳定煤层、不稳定煤层、极不稳定煤层。
见书本(P12)。
2、煤田井田的概念以及井田再划分的三种形式,阶段再划分的四种形式?答:由于煤田范围相当广阔,因此在开发一个煤田时,应将煤田划分成诺干较小的部分,由诺干个矿井进行开发,划归一个矿井开采的那部分煤田称为一个井田。
井田再划分有三种形式,分别是垂直划分,水平划分和按煤组划分。
见书本(P34)。
阶段再划分具有四种形式:分区式、分带式布置、分段式、整阶段布置。
见书本(p40)。
3、什么是综合开拓以及常见的种类?立井开拓的优缺点以及适用条件?答:有时因某些条件的限制,采用同种井硐形式会带来技术上的困难或影响矿井的经济效益,此时主、副井可采用不同的井硐形式,称为综合开拓。
立井开拓的优缺点:这种开拓方式的生产系统比较简单,运输环节少,建井速度快,投产早,但由于上山阶段的分带风巷是下行风,应采取措施防止分带回风巷中瓦斯积累。
(P53)适用条件:这种开拓方式一般适用于煤层倾角小于12度,地质构造简单,煤层埋藏较深的矿井。
4、运输大巷的布置方式及优缺点?答:根据运输大巷所服务的煤层数,它的布置方式有分层运输大巷,集中运输大巷和分组集中运输大巷3种。
见书本(P64)。
在开采水平各煤层中分别开掘运输大巷,并用阶段石门或溜井与井底车场相通的叫分层运输大巷,分层运输大巷可以沿煤层掘进,也可以在煤层地板中开掘,在煤层中开掘施工容易,掘进速度快,成巷费用低,并有助于进一步探明煤层赋存状况,补充地质资料。
但巷道掘进工程量大,采区生产能力低,生产分散,管理十分不便,不利于矿井生产能力和劳动生产率的进一步提高,不利于安全生产,同时还容易受采动影响,巷道维护困难,煤柱损失大。
在开采水平内只开一条运输大巷为各煤层服务,这条运输大巷叫做集中运输大巷,它通过采区石门与各煤层相联系。
采煤概论重点内容复习1.地质作用:由于自然动力引起地壳物质组成、内部构造和地表形态变化与开展的作用.地质作用也分为:内力地质作用和外力地质作用.内力地质作用:1地壳运动2岩浆活动3变质作用4地震作用外力地质作用:1风化和剥蚀2搬运和沉淀3固结成岩2.岩石可分为岩浆岩、沉积岩、变质岩三大类.3煤是由古代植物遗体演化而形成的.4煤层形成的条件:1古植物2古气候3古地理4古构造5成煤作用可分为泥炭化和煤化两个阶段.6煤质的主要指标:水分、灰分、挥发分、胶质层厚度、发热量、硫和磷的含量、含肝率.7煤层的厚度分为:薄煤层〔0.5〜1.3m〕、中厚煤层〔1.3〜3.5m〕、厚煤层〔3.5〜8m〕、巨厚煤层〔8m 以上〕8煤层厚度对开采的影响,煤层分为:稳定煤层、较稳定煤层、不稳定煤层、极不稳定煤层.9煤层中有无较稳定的夹石层,煤层可分为简单结构煤层和复杂结构煤层.10地质构造:在地壳运动下,煤和岩层改变了原始埋葬状态,所产生的变形或变位的形11地质构造可分为:1单斜卞^造2褶皱构造〔背斜和向斜〕3断裂构造12断层两盘运动方向,断层可分为:正断层、逆断层、平推断层.13断层走向与岩层走向相对关系,断层分为:走向断层、倾向断层、斜交断层.14岩层的产状要素有走向、倾向和倾角.15煤层按倾角可分为:缓斜煤层〔8*~25*〕、倾斜煤层〔25*~45*〕、急斜煤层〔45*~90*〕、近水平煤层〔小于8*〕 16煤田地质勘探的任务:了解煤炭储量、井田地质条件、煤层赋存条件、水文地质条件、开采技术条件、煤种煤质等矿井资源条件.17煤炭工业建设分为:远景规划、矿区总体设计、矿井设计.18煤田地质勘探工作划分为:煤田普查、矿区详查、xx精查.19矿井储量可分为:矿井地质资源量、矿井工业储量、矿井设计储量、矿井设计可采储量.20坐标系统:1地理坐标系2平面直角坐标3高程〔绝对高程和相对高21在煤矿地质图中,采用方位角和象限角表示煤层、断层、巷道的走向和倾角.方位角范围:0*~360*.象限角范围:0*~90*.22等高线特点:(1)等高线是连续的闭合曲线,不能相交或重合.(2)等高线任意一点向相邻等高线可作很多线段,最短一条线段称最大倾斜线,与等高线成直角.(3)等高线稠密表示陡坡、稀疏表示缓坡、均匀表示坡度一致.23xx开拓:划归煤矿开采的范围称井田,在井田范围内,主要巷道的总体布置及其有关参数确实定叫xx开拓.24煤矿床的开采方法有露天开采和地下开采两类.25煤田划分为xx的原那么:(1)井田范围、储量、煤层赋存及开采条件要与矿井生产水平相适应(2)保证xx有合理的尺寸(3)充分利用自然等条件划分xx(4)合理规划矿井开采范围,处理好相邻矿井之间的关系.26xx境界划分方法:垂直划分、水平划分、按煤组划分27大型矿井(1.2、1.5、1.8、2.4、3.0、4.0、5.0、6.0 及以上〕Mt/a中型矿井〔0.45 0.6、0.9〕 Mt/a小型矿井〔0.3及以下〕Mt/a28.T=Zk/〔AK〕T-T井设计效劳年限,a A---T井设计生产水平,t/aZk---r井设计可采储量K---储量备用系数29开采水平:布置有井底车场和主要运输大巷,并负担该水平开采范围内的主要运输和升任务的水平.30巷道按空间特征分为:垂直巷道、水平巷道、倾斜巷道.31矿井巷道按在生产的重要性可分为:开拓巷道、准备巷道、回采巷道.32开拓方式:在一定的井田地质、开采技术条件下,矿井开拓巷道的布置方式叫开拓方33井田开拓方式按井筒(碉)分为:立井开拓、斜井开拓、平碉开拓、综合开拓.34解决井田开拓问题,应遵循的原那么:(1)贯彻执行国家有关煤炭工业的技术政策,在保证生产可靠和平安的条件下减少开拓工程量.(2)简化生产系统、预防生产分散、合理集中生产(3)合理开发国家资源,减少煤炭损失(4)贯彻执行煤矿平安生产有关规定,建立完善的通风、运输、供电系统,使主要巷道保持良好状态.(5)适应国家的技术水平和设备供给,为开展采煤机械化、综合机械化、自动化创造条件(6)不同煤质和煤层要分别开采,以及其他有益矿物的综合开采.35矿井倾角只要依据装备的提升设备确定,符合的范围:串车提升(a不大于25*)、箕斗提升(a=20*~30*)、无极绳提升(a不大于10*)、胶带输送机提升(a不大于17*) 36立井开拓方式的优缺点(特点):此开拓方式生产系统简单、运输环节少、建井速度快、投产早,但上山阶段的分带风巷是下行风.37平碉开拓的布置方式:走向平碉和垂直平碉.38综合开拓分为:1立井---斜井综合开拓2斜井---立井综合开拓3平碉---立井综合开通4平碉---斜井综合开拓39井筒位置主要指1是井口和井底沿井田走向和倾斜方向的位置;2是井筒通过的岩层层位40选择井筒位置:1地面因素2 地下因素3技术经济因素41采区上山开采与采区下山开采在运输、排水、通风、掘进都有各自特点:(1)运输方面:采区上山开采时,运输水平大、动力消耗少、运输费用低,假设煤向上运输,费用比下山开采费用大.(2)排水方面:采区上山开采排水系统简单,下山开采排水复杂,要增加排水设备和费用(3)通风方面:采区上山开采不易漏风;下山开采通风效率低,建筑物多,通风治理困难,对高瓦斯矿井更不利(4)掘进方面:采区下山掘进的通风比上山掘进容易,装载、运输、排水都比上山困难(5)只有煤层倾角小于16*、瓦斯含量低、涌水量小时,既可用上山开采也可用下山开采.42阶段大巷包括阶段运输大巷和回风大巷.43我国阶段大巷运输方式:轨道运输和带式输送机运输.44运输大巷布置形式有:分层运输大巷、集中运输大巷、分组集中运输大巷.45井底车场:是井筒与井下主要巷道连接处的一组巷道和碉室的总称.它负担着矿井煤研、物料、设备、人员的转运任务,又为矿井的通风、排水、供电效劳,是连接井下运输和井筒提升的枢纽.46井底车场形式分为:环行式(卧式、斜式、立式)和折返式.47选择井底车场形式时的原那么:(1)运输系统和调车方式要简单(2)车场通过水平较矿井实际生产水平富裕30%以上(3)减少巷道开拓工程量(4)减少巷道交叉点,减少施工困能、提升行车速度,增大井底车场的通过水平(5)车场碉室和巷道,应布置在稳定的容易维护的岩层中.48矿井延伸的原那么:(1)利用老矿原有设备、设施,挖掘现有生产潜力(2)力求生产系统简单,缩短新旧开采水平交替生产时间(3)减少投资、缩短工期、降低生产费用(4)采用先进技术,适应现代化生产的需要.49矿井延伸方案的选择:1主、副井直接延伸2采用暗立井或暗斜井延伸3新开一个井筒,延伸一个井筒50f=Rc/10f---为普氏岩石巩固性系数Rc--岩石的单轴抗压强度,MPa51破岩方法:机械破岩和爆破破岩.52炮眼又称掏梢眼崩落眼分为:辅助眼和周边眼53炸药按其成分分为:硝甘炸药和硝镂炸药.54巷道围岩压力:围岩变形受阻而作用在支护结构物上的挤压力或塌落岩石的重力.巷道围岩压力的组成:松动围岩压力、变形围岩压力、膨胀围岩压力、撞击围岩压力.55巷道矿压限制的方法:1巷道保护2巷道支护3巷道维护对付矿压的原理来看包括:抗压、让压、躲压、移压.56准备方式包括:上(下)山采区式准备方式、盘曲式与条带式准备方式57采区布置两条上、下山(运输上山、轨道上山),除满足运输、通风、行人需要,需增加的上山数目:(1)生产水平大的特厚煤层采区和联合布置采区(2)产量大、瓦斯多的采区,特别是下山采区(3)上下区段同时生产,需要简化通风系统的采区(4)提前掘进其他采区巷道的采区.58上山的布置方式:1两条煤层上山2一岩一煤上山3两条岩石上山4两岩一煤上山5三条岩石上山59采区车场:是采区上〔下〕山与区段平巷或阶段运输大巷连接处一组巷道和碉室的总称,是采区巷道的组成局部.根据所处位置,分为:上部车场〔甩车场和平车场〕、中部车场和下部车场.60采区采出率:厚煤层不低于75%,中厚煤层不低于80%,薄煤层不低于85%工作面采出率:厚煤层分层工作面不低于93%,中厚煤层不低于95%,薄煤层不低于97%61矿山压力:应力分布中,使围岩产生变形、移动、破坏,从而对工作面、巷道及围岩产生压力,这种因围岩移动而产生的压力称矿山压力.62矿山压力显现:在矿山压力下,出现冒顶、低鼓、煤岩片帮、支架破坏、煤和瓦斯突出等破坏现象,称矿山压力现象或压力显现.63煤层围岩分类:直接顶和根本顶〔老顶〕.64支承压力:当在煤体内开掘开切眼后,破坏了应力的平衡状态,引起应力重新分布,开切眼两帮煤体中,产生了应力集中现象,这种应力集中称支承压力.支承压力可分为3个区:减压区、增压区、稳压区.65初次来压步距:根本顶初次垮落时,工作面距开切眼煤壁的距离称初次垮落步距.66顶板下沉自下而上分为三带:冒落带、裂隙带、弯曲下沉带.67按支架组合形式,支架分为:单体支架和液压自移式支架.自移式液压支架分为:1支撑式液压支架2掩护式液压支架3支撑掩护式液压支架68采场:用来直接大量采取煤炭的场所.采煤工作面:在采场内进行回采的煤壁.69采煤工作:在采场内,为了采取煤炭所进行的一系列工作.煤的破、装、运是回采工作中的根本工序.70采煤工艺:煤层的自然条件和采用的机械不同,完成这些工序的方法也不同,在进行顺序、时间和空间上,根据一定顺序完成各项工作的方法及其配合,称为〜.71采煤系统:采煤巷道的掘进和采煤工作在时间上的配合以及空间上的位置关系,称〜C 72采煤方法:是采煤工艺与采煤系统在时间、空间相互配合的总称.73采煤方法分为壁式体系和柱式体系两大类.74 (长)壁式体系采煤方法的特点:(1)采煤工作面长度较长,在80m以上(2)随着顶板暴露面积增大,矿山压力强烈(3)用爆破、滚筒式或刨煤机破、装煤,用刮板输送机运煤,用支架支护工作空间,用垮落法或充填法处理采空区(4)至少有一条回采巷道,以构成完整的生产系统.75柱式体系采煤方法的特点:(1)煤层内布置煤房,成短工作面向前推进,房与房之间留有煤柱,隔一定距离用联络巷贯穿,构成生产系统,形成条或块状煤柱支撑顶板(2)矿山压力比拟和缓,用锚杆支护,支护简单(3)采煤用爆破或连续采煤机配套设备,在房内交替作业(4)采掘合一,使用同一种类型的采煤配套设备76液压支架的移架方式:1单架依次顺序式2分组间隔交错式3成组整体依次顺序式77综采面割煤、移架、推移输送机3个工序.按不同顺序分及时支护方式和滞后支护方式.78放顶煤采煤法的优点、适用条件及应注意的问题:优点:(1)在工作面采高不大情况下,可增加一次开采的厚度,用于特厚煤层开采(2)简化巷道布置,减少巷道掘进工作量(3)提升采煤工效(4)降低吨煤生产费用.适用条件:适用于煤层厚度5~20m或更厚煤层;煤层倾角由缓倾斜到急倾斜厚煤层;煤质松软易垮落、顶板也易垮落.应注意的问题:(1)采取举措提升煤炭采出率(2)预防煤的自燃和瓦斯爆炸(3)完善顶煤下放技术举措79矿井通风的主要任务:1提供新鲜空气供人员呼吸2稀释瓦斯、排出井下有毒害气体和矿尘3保证适合的的气候条件,以利于工人劳动和机器运转.80矿井通风阻力分为摩擦阻力和局部阻力两类.81降低通风阻力的举措:1减少井巷摩擦阻力系数2保证有足够大的井巷断面3尽量缩短通风路线长度4降低局部阻力82矿用通风机按其构造分为离心式通风机和轴流式通风机.83矿井通风系统:是矿井主要通风机的工作方式、通风方式和通风网路的总称,是矿井生产系统的重要组成局部.84矿井通风方式分为中央式、对焦式、混合式三种根本类型.85矿井通风构筑物及作用:1风门(切断风流保证行人通车)2风墙(切断风流、封闭采空区,预防瓦斯向巷道扩散) 3风桥(预防风流短路、使进回风分离)4井口封闭装置(预防井内风流和地面大气短路).86瓦斯存在状态:游离状态和吸着状态.瓦斯的涌出形式:普通涌出和特殊涌出.矿井瓦斯等级:低瓦斯矿井、高瓦斯矿井、煤(岩)和瓦斯(CO0突出矿井瓦斯爆炸条件:1瓦斯浓度、引火温度、氧的浓度87预防瓦斯爆炸举措:1预防瓦斯积聚.(1)增强通风(2)及时处理局部积聚的瓦斯(3)增强瓦斯监测2预防瓦斯引燃(1)在井口禁止使用明火(2)在瓦斯矿井,使用防爆型或平安火花型电器设备(3)严格执行爆破制度(4)严格治理火区、预防密闭墙漏风,定期测定火区内温度3限制瓦斯爆炸范围扩大(1)各工作面都有独立的通风系统(2)通风系统力求简单,不用的巷道要封闭(3)装有通风机的井口必须设置防爆门(4)矿井主要通道必须装有反风设备(5)相邻采区、煤层的巷道设置岩粉棚或水梢,预防煤尘参与爆炸(6)编制周密的灾害预防和处理预案.88引火原因分为内因火灾和外因火灾.89矿井灭火方法:直接灭火法、隔绝灭火法、联合灭火法.90外因火灾的预防主要采取预防为主、消防结合〞的方针.防火的主要举措有:1技术举措(确定发火危险区,增强治理与限制、预防火源产生,消除可燃物质,预防火源与可燃物接触;安装保护举措,预防潜在热源转化为显热源;预防火灾扩大)2教育举措(从知识、技术和态度上进行教育)3治理举措(制定各种规程、标准和标准且强制执行)91矿井水源按来源分为:地面水和地下水两类.92井下水的防治举措:(1)掌握矿井的水文地质资料(2)井下探水(3)井下放水(4)井下堵水。
采煤概论复习资料导言:作为煤炭行业的重要环节之一,采煤是指通过各种开采手段将地下煤矿资源进行开采和利用的过程。
采煤作业涉及到矿山工程、煤炭地质、机械工程等多个学科领域,具有重要的经济和社会意义。
本文将介绍采煤概论的基本知识和相关复习资料,旨在帮助读者加深对采煤过程、技术、安全等方面的理解。
一、采煤的基本概念1. 采煤定义:采煤是指以各种开采手段将地下煤矿资源提取到地面,并进行后续的加工和利用的过程。
2. 采煤的分类:根据采煤方法的不同,采煤可以分为传统煤矿采煤和综合采煤两种类型。
3. 采煤的步骤:采煤一般包括开拓和准备工作、开采和支护工作、矿井排水和通风、安全监控等步骤。
二、采煤方法与技术1. 长壁采煤:长壁采煤是一种主要适用于煤厚大、煤层稳定的煤矿采煤方法,通过设置支护设备来保证煤层的稳定性。
2. 短壁采煤:短壁采煤是一种适用于煤厚小、煤层不稳定的煤矿采煤方法,通过切割煤壁并进行支护,实现采煤目的。
3. 混合采煤:混合采煤是根据煤矿实际情况,结合传统的长壁采煤和短壁采煤技术,采用不同的开采方式进行煤炭的开采。
4. 其他采煤方法:除了上述常见的采煤方法外,还有抽采法、盘岗采煤法、割缝采煤法等多种采煤方法,根据实际情况选择合适的方法进行采煤作业。
三、采煤安全与环保1. 采煤安全措施:采煤过程中,安全是至关重要的,需要采取一系列的安全措施,包括防火、通风、排水、支护等。
2. 采煤安全技术:为保障采煤作业人员的安全,还需要采用一系列的安全技术手段,比如瓦斯抽放、矿山监测、防尘等。
3. 采煤环保问题:采煤过程中会产生大量的废渣和废水,对环境造成一定的污染。
为此,需要采取相应的环保措施和技术,减少对环境的影响。
四、采煤概论的复习方法与注意事项1. 复习方法:针对采煤概论的复习,建议将课本知识进行整理,制作复习提纲,并进行有针对性的复习和讨论。
2. 复习重点:重点复习采煤的基本概念、分类、步骤,以及常见的采煤方法和技术,特别是采煤安全和环保方面的知识。
采煤概论复习题采煤概论复习题采煤是指将煤炭从地下矿井中采出并进行加工利用的过程。
它是煤炭工业的核心环节之一,对于国家的能源供应和经济发展具有重要意义。
在这篇文章中,我们将回顾一些与采煤相关的重要知识点,并通过复习题来巩固我们的学习成果。
1. 煤炭形成于哪个时代?它是如何形成的?煤炭形成于古生代时代。
它是由古代植物经过长时间的压缩和降解而形成的。
当时的地球气候湿润,植物繁茂,死去的植物堆积在沼泽地和湖泊中,随着地壳运动,这些地区逐渐沉降并被沉积物覆盖。
经过数百万年的地质作用,植物残体逐渐转化为煤炭。
2. 采煤的主要方法有哪些?它们各有什么特点?采煤的主要方法包括露天开采和井下开采两种。
露天开采是指在煤炭露天矿井中直接将煤炭开采出来,适用于煤炭储量较大、煤层较浅的情况。
它具有开采效率高、成本低的特点,但对环境影响较大。
井下开采是指通过井巷系统进入地下矿井,将煤炭从煤层中采出。
它适用于煤层较深、煤炭储量较小的情况。
井下开采具有保护环境、提高安全性的优势,但成本较高。
3. 请简要介绍一下采煤的主要工艺流程。
采煤的主要工艺流程包括开拓工程、支护工程、采掘工程和运输工程。
开拓工程是指开挖矿井的过程,包括钻探、爆破、掘进等工作。
支护工程是为了保证矿井的稳定性和安全性,包括矿井支护、巷道支护等工作。
采掘工程是将煤炭从煤层中采出的过程,包括采煤机的使用、煤炭的装载等工作。
运输工程是将采出的煤炭从井下运送到地面的过程,包括运输带、提升机等设备的使用。
4. 请简要介绍一下煤炭的分类和用途。
煤炭根据其含碳量和热值的不同可以分为无烟煤、烟煤、褐煤和泥炭等。
无烟煤是最高级别的煤炭,含碳量高、热值大,适用于发电、冶金等行业。
烟煤是常见的煤炭,含碳量和热值适中,广泛用于发电、钢铁等行业。
褐煤是含水量较高的煤炭,热值较低,主要用于发电和供热。
泥炭是最低级别的煤炭,含水量极高,主要用于园艺和土壤改良。
5. 请简要介绍一下采煤对环境的影响。
采煤概论考点摘要绪论一,我国煤矿开采带来了哪些问题?如何解决?1,给环境带来了较大的破坏2,地下水的破坏3,安全事故大,重,多4,开采区向西部延伸5,塌陷区难以处理6,矸石多,废气废渣多解决方法:煤与瓦斯共采第一章煤矿地质基本知识一,构造的基本概念岩石变形或变位的产物二,煤岩层的产状如何表示?煤岩层的产状由走向,倾向,倾角的表示走向:岩层层面与水平面交线的方位角倾向:垂直走向倾斜面向下引出一条直线,此直线在水平面的投影的方位角倾角:岩层层面与水平面所夹角(锐角)三,地下开采中按厚度,倾角如何分类?按煤层倾角分类按煤层厚度分类近水平煤层<8°薄煤层 <1.3m缓斜煤层 8°~25°中厚煤层 1.3m~3.5m中斜煤层 25°~45°厚煤层 >3.5m急斜煤层 >45°四,煤田地质勘探法?遥感地质调查,地质填图,坑探工程,钻探工程,地球物理勘查技术五,矿井储量的分类经济的:地质可靠程度已达到探明或控制程度,其数量和质量是依据符合市场价格确定的煤炭工业指标计算的。
边际经济的:地质可靠程度已达到探明或控制程度次边际经济的:地质可靠程度已达到探明或控制程度,其收益率小于零,净现值小于零内蕴经济的:地质可靠程度已达到探明或控制程度,推断,预测程度补充:分为矿井地质储量,工业储量,可采储量第二章矿图一,煤矿地质图地质图:地质工作者通过现场地质编录和地质勘探等方法获得了大量的地质资料,通过对这些资料进行系统分析和综合整理,用规定的符号,色谱将各种地质现象投绘在平面图上所形成的图件。
煤矿地质图:在矿山生产中应用的地质图二,煤层等(底,顶板)高线图煤层等高线图:把煤层层面上的等高线用标高投影的方法投影到水平面上,得到的图形。
煤层(底,顶板)等高线图:绘出底,顶层面的等高线三,采掘工程平面图将井下各类巷道和采掘工程,用标高投影的方法投影到一个水平面上,按比例绘出的图纸。
1. 井田开拓方式按井筒(硐)形式可分为:立井开拓、斜井开拓、平硐开拓、综合开拓等类型。
2.采煤工作面按照支护与割煤、推移输送机与移架的先后关系,采煤工作面的支护方式分:及时支护、滞后支护两种。
3. 煤矿五大灾害: 瓦斯、煤尘、水、火、顶板事故。
4. 采煤工作面回采工序包括:破煤、装煤、运煤、支护和处理采空区。
5. 根据煤层赋存条件,准备方式分为:采区式、盘区式、条带式三种。
6.厚煤层开采根据分层方法的不同分为:倾斜分层、水平分层、斜切分层三种,前者用于缓斜、倾斜厚煤层,后两种主要用于急斜厚煤层。
7,。
我国单一长壁采煤法根据工作面布置的不同分为:走向长壁和倾斜长壁两种,顶板管理一般采用垮落法处理采空区,故造成了地面下陷。
8.矿井巷道按其作用和服务范围作以下分类:开拓巷道、准备巷道、回采巷道1、地质作用:由于自然动力引起地壳物质组成、内部构造和地表形态变化与发展的作用称为地质作用。
2、煤层底板等高线:煤层层面有上下之分,上层面是每层与顶板的交面,下层面是煤层与底板的交面。
下层面等高线图又称为煤层底板等高线图。
3、阶段:在井田范围内,沿煤层倾斜方向,按一定标高把煤层划分为若干个平行于走向的长条部分,每个长条部分具有独立的生产系统,称之为一个阶段。
4、矿井压力显现:在矿山压力作用下,会引起各种力学现象,如围岩的变形、破坏、冒顶、底鼓、煤岩片帮、支护物破坏、折损等等,通常把这些由于矿山压力作用使巷硐周围岩体和支护物产生的种种力学现象称为矿山压力显现5、下山:没有出口直通地面,位于开采水平以下,连接阶段运输平巷和回风平巷的倾斜巷道。
6、开采水平:布置有井底车场和主要运输大巷,并担负该水平开采范围内的主要运输和提升任务的水平。
7、采煤方法:是采煤工艺与采煤系统在时间上、空间上相互配合的总称。
8、采煤工艺:按照一定顺序完成各项工作的方法及其配合,称为采煤工艺。
9、井底车场:—是连接井筒和主要运输大巷的一组巷道和硐室的总称。
《采煤概论》复习资料一、填空题1、组成地壳的固体物质是岩石,岩石是矿物的集合体,而矿物又是由自然元素或化合物组成的,因此,组成地壳最基本的物质是化学元素。
2、“一炮三检”是指装药前、放炮前、和放炮后三个时期分别检查爆破地点瓦斯和粉尘情况。
3、自然界的三大岩石有岩浆岩、沉积岩、变质岩。
4、在巷道掘进过程中,炮眼按用途分掏槽眼、辅助眼、和周边眼三种。
5、矿井的五大灾害是指瓦斯、水、火、煤尘、顶板事故等。
6、采煤工作的五个主要工序是:破煤、装煤、运煤、支护、采空区处理。
7、煤由(有机物)和(无机物)混合组成。
8、瓦斯爆炸的浓度范围 5%~16% 。
9、煤岩层的产状要素有走向、倾向、倾角。
10、常见的地质构造有单斜构造、褶皱构造、断裂构造等。
11、煤炭形成经过泥炭化阶段和煤化阶段。
12、煤炭地质勘查工作可划分为预查、普查、详查和勘查四个阶段。
13、选择采煤方法必须满足安全、经济、采出率高的基本原则。
14、在矿井生产过程中,主要通风机最常使用的工作方式抽出式。
15、煤田地质勘探常用的方法有地质测量、探掘工程、钻探工程和物探工程四种。
16、选择采煤方法必须满足安全、经济、采出率高的基本原则。
17、在巷道掘进过程中,炮眼按用途分掏槽眼、辅助眼、和周边眼三种。
18、矿井的五大灾害是指瓦斯、水、火、煤尘、顶板事故等。
19、“一炮三检”是指装药前、放炮前、和放炮后三个时期分别检查爆破地点瓦斯和粉尘情况。
20、组成地壳的岩石很多,按其生成的原因,可将岩石分为岩浆岩、沉积岩、变质岩,其中煤属于沉积岩。
21、我国矿井采煤工艺方式主要有___爆破采煤工艺__、普通机械化采煤工艺、____综合机械化采煤工艺____和水力采煤工艺。
22、由植物演变成煤需要经历____泥炭化阶段____和____煤化阶段___两个阶段。
二、判断题1、地层只有新型空间关系,没有时间概念。
( × )2、煤的光泽会随煤化程度的增高而加深。
(√)3、瓦斯在煤体中存在的状态可分为两类:即游离状态和吸着状态。
《采煤概论》一、名词解释地质作用P3定义:由自然动力促使地壳物质组成、地壳构造和地表形态发生变化与发展的过程称为地质作用。
按力源不同分为内力地质作用(包括地壳运动、地震作用、岩浆作用、变质作用等)和外力地质作用(主要由太阳能、日月引力等引起,包括风化作用、剥蚀作用、搬运作用、沉积作用、固结成岩作用等)。
岩石P4定义:岩石是天然产出的由一种或多种矿物组成,具有一定结构构造的集合体。
按其成因可划分为三大类:岩浆岩(如花岗岩、玄武岩)、沉积岩(如砂岩、页岩、石灰岩)、变质岩(如石灰岩变质成大理岩)。
煤是一种沉积岩。
在煤矿生产中遇到的岩石也几乎全是沉积岩,仅有在局部地带遇到岩浆岩的侵入,属于变质岩。
直接顶P14指位于伪顶之上或直接位于煤层之上的岩层,多为粉砂岩或泥岩,厚度为1~2m左右。
它不易垮塌,但采煤工作面回柱后一般能自行垮落,有的经人工放顶后也比较容易垮落。
直接顶跨落后都直接充填在采空区内。
煤田、井田、矿区P74煤田定义:在地质历史发展过程中,有含炭物质沉积形成的连续的大面积含煤地带称为煤田。
井田定义:一般煤田或矿区的范围和储量都很大,需要划分成若干较小的部分,划归为一个矿井开采的那部分煤田或矿区称为井田。
矿区定义:因开发煤田而形成的生产企业与社会组织称为矿区。
阶段P77采区上山P81采区上山是指位于开采水平以上,为本水平或采区服务的倾斜巷道。
井田开拓方式P83井底车场P105工作面P110采煤工作面是直接采取煤炭的场所,有时又称为采场,也是为采取煤炭所进行的一系列工作的地点。
采煤工艺P110矿井通风P157矿井通风就是指对矿井不断输入新鲜空气和排除污浊空气的作业过程,是研究矿井空气流动规律及矿井通风方式、方法的一门科学。
矿井水灾、瓦斯爆炸P170.177辅助运输P184露天开采P202为开采煤炭资源,从地表建立起来的各种揭露煤层和坑道的矿山工程总体通称为露天煤矿开采。
它是先将覆盖在煤层之上的土壤和岩石全部清除,露出煤层,在进行采掘工作的一种开采方法。
山东科技大学非采矿专业采煤概论复习模拟题一、名词解释1.地质作用:由自然动力引起的使地壳或岩石圈甚至整个地球的物质组成、内部结构和地表形态发生变化和发展的作用称为地质作用2.井田:在矿区内划归某一个矿井开采的那一部分煤田。
3.采区上山:自开采水平向上倾斜的巷道称为采区上山。
4.井底车场:井硐与井下主要巷道连接处一组巷道和硐室的统称。
担负矿井内煤田,矸石,物料人员的转运,又为通风排水供电等服务,是连接井下运输和井筒提升的枢纽。
5.采煤工艺:在采煤工作面内按照一定顺序完成各项工序的方法及其配合称为采煤工艺。
6.矿井涌水量:流入巷道内地表水,盐溶水,裂隙水等水的总量7.矿井辅助运输:在矿井运输系统中,除了煤炭运输以外的,矸石、物料、通风及人员等运输系统统称辅助运输。
8.冒顶:在地下开采中,由于岩石原有应力平衡遭受破坏,导致上部煤层崩塌陷落的现象称为冒顶。
9.采场和采区:用来直接采取大量煤炭的场所称为采场。
在阶段范围,沿着走向把阶段划分为若干个具有独立生产系统的块段称为采区。
10.矿区:统一规划或者开采的煤田称为矿区。
11.工作面:采场内进行回采的煤壁称为采煤工作面。
12.井田开拓:地表进入煤层为开采水平服务所进行的井巷布置及开掘过程13.采煤系统:采煤巷道在时间上的配合及在空间上的相互位置关系14.沿空掘巷:沿着已采工作面的采空区边缘掘进的区段平巷。
15.矿井瓦斯:煤炭生成和变质过程中伴生的气体16.地质构造17.岩石的力学性质18.煤田:含碳沉积物质连续沉积形成的大面积含煤地带。
19.露天煤矿开采:为开采煤炭资源从地表建立的各种揭露煤层的坑道的矿山工程。
20.矿井水灾:矿井涌水量超过正常排水能力导致矿井水泛滥成灾的现象。
一、填空题1.读图时的步骤有______、_______、_______和_______.2.根据断层两盘相对运动方向,断层分为______、______和平移断层。
3.井田开拓方式按主要井筒形式分为____________、___________和________三种方式。
采煤概论重点内容复习1.地质作用:由于自然动力引起地壳物质组成、内部构造和地表形态变化与发展的作用。
地质作用也分为:内力地质作用和外力地质作用。
内力地质作用:1地壳运动2岩浆活动3变质作用4地震作用外力地质作用:1风化和剥蚀2搬运和沉淀3固结成岩2.岩石可分为岩浆岩、沉积岩、变质岩三大类。
3煤是由古代植物遗体演化而形成的。
4煤层形成的条件:1古植物2古气候3古地理4古构造5成煤作用可分为泥炭化和煤化两个阶段。
6煤质的主要指标:水分、灰分、挥发分、胶质层厚度、发热量、硫和磷的含量、含矸率。
7煤层的厚度分为:薄煤层(0.5~1.3m)、中厚煤层(1.3~3.5m)、厚煤层(3.5~8m)、巨厚煤层(8m以上)8煤层厚度对开采的影响,煤层分为:稳定煤层、较稳定煤层、不稳定煤层、极不稳定煤层。
9煤层中有无较稳定的夹石层,煤层可分为简单结构煤层和复杂结构煤层。
10地质构造:在地壳运动下,煤和岩层改变了原始埋葬状态,所产生的变形或变位的形迹。
11地质构造可分为:1单斜构造2褶皱构造(背斜和向斜)3断裂构造12断层两盘运动方向,断层可分为:正断层、逆断层、平推断层。
13断层走向与岩层走向相对关系,断层分为:走向断层、倾向断层、斜交断层。
14岩层的产状要素有走向、倾向和倾角。
15煤层按倾角可分为:缓斜煤层(8*~25*)、倾斜煤层(25*~45*)、急斜煤层(45*~90*)、近水平煤层(小于8*)16煤田地质勘探的任务:了解煤炭储量、井田地质条件、煤层赋存条件、水文地质条件、开采技术条件、煤种煤质等矿井资源条件。
17煤炭工业建设分为:远景规划、矿区总体设计、矿井设计。
18煤田地质勘探工作划分为:煤田普查、矿区详查、xx精查。
19矿井储量可分为:矿井地质资源量、矿井工业储量、矿井设计储量、矿井设计可采储量。
20坐标系统:1地理坐标系2平面直角坐标3高程(绝对高程和相对高程)21在煤矿地质图中,采用方位角和象限角表示煤层、断层、巷道的走向和倾角。
方位角范围:0*~360*。
象限角范围:0*~90*。
22等高线特点:(1)等高线是连续的闭合曲线,不能相交或重合。
(2)等高线任意一点向相邻等高线可作很多线段,最短一条线段称最大倾斜线,与等高线成直角。
(3)等高线稠密表示陡坡、稀疏表示缓坡、均匀表示坡度一致。
23xx开拓:划归煤矿开采的范围称井田,在井田范围内,主要巷道的总体布置及其有关参数的确定叫xx开拓。
24煤矿床的开采方法有露天开采和地下开采两类。
25煤田划分为xx的原则:(1)井田范围、储量、煤层赋存及开采条件要与矿井生产能力相适应(2)保证xx有合理的尺寸(3)充分利用自然等条件划分xx(4)合理规划矿井开采范围,处理好相邻矿井之间的关系。
26xx境界划分方法:垂直划分、水平划分、按煤组划分27大型矿井(1.2、1.5、1.8、2.4、3.0、4.0、5.0、6.0及以上)Mt/a中型矿井(0.45、0.6、0.9)Mt/a 小型矿井(0.3及以下)Mt/a28。
T=Zk/(AK)T---矿井设计服务年限,a A---矿井设计生产能力,t/aZk---矿井设计可采储量K---储量备用系数29开采水平:布置有井底车场和主要运输大巷,并负担该水平开采范围内的主要运输和提升任务的水平。
30巷道按空间特征分为:垂直巷道、水平巷道、倾斜巷道。
31矿井巷道按在生产的重要性可分为:开拓巷道、准备巷道、回采巷道。
32开拓方式:在一定的井田地质、开采技术条件下,矿井开拓巷道的布置方式叫开拓方式。
33井田开拓方式按井筒(硐)分为:立井开拓、斜井开拓、平硐开拓、综合开拓。
34解决井田开拓问题,应遵循的原则:(1)贯彻执行国家有关煤炭工业的技术政策,在保证生产可靠和安全的条件下减少开拓工程量。
(2)简化生产系统、避免生产分散、合理集中生产(3)合理开发国家资源,减少煤炭损失(4)贯彻执行煤矿安全生产有关规定,建立完善的通风、运输、供电系统,使主要巷道保持良好状态。
(5)适应国家的技术水平和设备供应,为发展采煤机械化、综合机械化、自动化创造条件(6)不同煤质和煤层要分别开采,以及其他有益矿物的综合开采。
35矿井倾角只要依据装备的提升设备确定,符合的范围:串车提升(a不大于25*)、箕斗提升(a=20*~30*)、无极绳提升(a不大于10*)、胶带输送机提升(a不大于17*)36立井开拓方式的优缺点(特点):此开拓方式生产系统简单、运输环节少、建井速度快、投产早,但上山阶段的分带风巷是下行风。
37平硐开拓的布置方式:走向平硐和垂直平硐。
38综合开拓分为:1立井---斜井综合开拓2斜井---立井综合开拓3平硐---立井综合开通4平硐---斜井综合开拓39井筒位置主要指1是井口和井底沿井田走向和倾斜方向的位置;2是井筒通过的岩层层位40选择井筒位置:1地面因素2地下因素3技术经济因素41采区上山开采与采区下山开采在运输、排水、通风、掘进都有各自特点:(1)运输方面:采区上山开采时,运输能力大、动力消耗少、运输费用低,若煤向上运输,费用比下山开采费用大。
(2)排水方面:采区上山开采排水系统简单,下山开采排水复杂,要增加排水设备和费用(3)通风方面:采区上山开采不易漏风;下山开采通风效率低,建筑物多,通风管理困难,对高瓦斯矿井更不利(4)掘进方面:采区下山掘进的通风比上山掘进容易,装载、运输、排水都比上山困难(5)只有煤层倾角小于16*、瓦斯含量低、涌水量小时,既可用上山开采也可用下山开采。
42阶段大巷包括阶段运输大巷和回风大巷。
43我国阶段大巷运输方式:轨道运输和带式输送机运输。
44运输大巷布置形式有:分层运输大巷、集中运输大巷、分组集中运输大巷。
45井底车场:是井筒与井下主要巷道连接处的一组巷道和硐室的总称。
它负担着矿井煤矸、物料、设备、人员的转运任务,又为矿井的通风、排水、供电服务,是连接井下运输和井筒提升的枢纽。
46井底车场形式分为:环行式(卧式、斜式、立式)和折返式。
47选择井底车场形式时的原则:(1)运输系统和调车方式要简单(2)车场通过能力较矿井实际生产能力富裕30%以上(3)减少巷道开拓工程量(4)减少巷道交叉点,减少施工困能、提高行车速度,增大井底车场的通过能力(5)车场硐室和巷道,应布置在稳定的容易维护的岩层中。
48矿井延伸的原则:(1)利用老矿原有设备、设施,挖掘现有生产潜力(2)力求生产系统简单,缩短新旧开采水平交替生产时间(3)减少投资、缩短工期、降低生产费用(4)采用先进技术,适应现代化生产的需要。
49矿井延伸方案的选择:1主、副井直接延伸2采用暗立井或暗斜井延伸3新开一个井筒,延伸一个井筒50f=Rc/10f---为普氏岩石坚固性系数Rc---岩石的单轴抗压强度,MPa51破岩方法:机械破岩和爆破破岩。
52炮眼又称掏槽眼崩落眼分为:辅助眼和周边眼53炸药按其成分分为:硝甘炸药和硝铵炸药。
54巷道围岩压力:围岩变形受阻而作用在支护结构物上的挤压力或塌落岩石的重力。
巷道围岩压力的组成:松动围岩压力、变形围岩压力、膨胀围岩压力、撞击围岩压力。
55巷道矿压控制的方法:1巷道保护2巷道支护3巷道维护对付矿压的原理来看包括:抗压、让压、躲压、移压。
56准备方式包括:上(下)山采区式准备方式、盘曲式与条带式准备方式57采区布置两条上、下山(运输上山、轨道上山),除满足运输、通风、行人需要,需增加的上山数目:(1)生产能力大的特厚煤层采区和联合布置采区(2)产量大、瓦斯多的采区,特别是下山采区(3)上下区段同时生产,需要简化通风系统的采区(4)提前掘进其他采区巷道的采区。
58上山的布置方式:1两条煤层上山2一岩一煤上山3两条岩石上山4两岩一煤上山5三条岩石上山59采区车场:是采区上(下)山与区段平巷或阶段运输大巷连接处一组巷道和硐室的总称,是采区巷道的组成部分。
根据所处位置,分为:上部车场(甩车场和平车场)、中部车场和下部车场。
60采区采出率:厚煤层不低于75%,中厚煤层不低于80%,薄煤层不低于85%工作面采出率:厚煤层分层工作面不低于93%,中厚煤层不低于95%,薄煤层不低于97%61矿山压力:应力分布中,使围岩产生变形、移动、破坏,从而对工作面、巷道及围岩产生压力,这种因围岩移动而产生的压力称矿山压力。
62矿山压力显现:在矿山压力下,出现冒顶、低鼓、煤岩片帮、支架破坏、煤和瓦斯突出等破坏现象,称矿山压力现象或压力显现。
63煤层围岩分类:直接顶和基本顶(老顶)。
64支承压力:当在煤体内开掘开切眼后,破坏了应力的平衡状态,引起应力重新分布,开切眼两帮煤体中,产生了应力集中现象,这种应力集中称支承压力。
支承压力可分为3个区:减压区、增压区、稳压区。
65初次来压步距:基本顶初次垮落时,工作面距开切眼煤壁的距离称初次垮落步距。
66顶板下沉自下而上分为三带:冒落带、裂隙带、弯曲下沉带。
67按支架组合形式,支架分为:单体支架和液压自移式支架。
自移式液压支架分为:1支撑式液压支架2掩护式液压支架3支撑掩护式液压支架68采场:用来直接大量采取煤炭的场所。
采煤工作面:在采场内进行回采的煤壁。
69采煤工作:在采场内,为了采取煤炭所进行的一系列工作。
煤的破、装、运是回采工作中的基本工序。
70采煤工艺:煤层的自然条件和采用的机械不同,完成这些工序的方法也不同,在进行的顺序、时间和空间上,按照一定顺序完成各项工作的方法及其配合,称为~。
71采煤系统:采煤巷道的掘进和采煤工作在时间上的配合以及空间上的位置关系,称~。
72采煤方法:是采煤工艺与采煤系统在时间、空间相互配合的总称。
73采煤方法分为壁式体系和柱式体系两大类。
74(长)壁式体系采煤方法的特点:(1)采煤工作面长度较长,在80m以上(2)随着顶板暴露面积增大,矿山压力强烈(3)用爆破、滚筒式或刨煤机破、装煤,用刮板输送机运煤,用支架支护工作空间,用垮落法或充填法处理采空区(4)至少有一条回采巷道,以构成完整的生产系统。
75柱式体系采煤方法的特点:(1)煤层内布置煤房,成短工作面向前推进,房与房之间留有煤柱,隔一定距离用联络巷贯通,构成生产系统,形成条或块状煤柱支撑顶板(2)矿山压力比较和缓,用锚杆支护,支护简单(3)采煤用爆破或连续采煤机配套设备,在房内交替作业(4)采掘合一,使用同一种类型的采煤配套设备76液压支架的移架方式:1单架依次顺序式2分组间隔交错式3成组整体依次顺序式77综采面割煤、移架、推移输送机3个工序。
按不同顺序分及时支护方式和滞后支护方式。
78放顶煤采煤法的优点、适用条件及应注意的问题:优点:(1)在工作面采高不大情况下,可增加一次开采的厚度,用于特厚煤层开采(2)简化巷道布置,减少巷道掘进工作量(3)提高采煤工效(4)降低吨煤生产费用。