施工日志表C
- 格式:xls
- 大小:12.00 KB
- 文档页数:1
建筑施工日志怎么写。
第一、要弄懂填写施工日志的规定:1、施工日志应按单位工程填写。
2、统计时间:从开工到竣工验收时止。
3、逐日志载不许中断。
4、准时、真实、具体统计,半途发生人员变动,应当办理交接手续,保持施工日志的持续性、完整性。
施工日志应由栋号工长统计。
第二、要清晰施工日志应统计的内容。
施工日志的内容可分为五类:基本内容、工作内容、检查内容、检查内容、其它内容。
一、基本内容:1、日期、星期、气象、平均温度。
平均温度可记为XX℃—XX℃,气象按上午和下午分别统计。
2、施工部位。
施工部位应将分部、分项工程名称和轴线、楼层等写清晰。
3、出勤人数、操作负责人。
出勤人数一定要分工种统计,并统计工人的总人数。
二、工作内容:1、当天施工内容及实际完毕状况。
2、施工现场有关会议的重要内容。
3、有关领导、主管部门或多个检查组对工程施工技术、质量、安全方面的检查意见和决定。
4、建设单位、监理单位对工程施工提出的技术、质量规定、意见及采纳实施状况。
三、检查内容:1、隐蔽工程验收状况。
应写明隐蔽的内容、楼层、轴线、分项工程、验收人员、验收结论等。
2、试块制作状况。
应写明试块名称、楼层、轴线、试块组数。
3、材料进场、送检状况。
应写明批号、数量、生产厂家以及进场材料的验收状况,后来补上送检后的检查成果。
四、检查内容:1、质量检查状况:当天砼浇注及成型、钢筋安装及焊接、砖砌体、模板安拆、抹灰、屋面工程、楼地面工程、装饰工程等的质量检查和解决统计;砼养护统计,砂浆、砼外加剂掺用量;质量事故因素及解决办法,质量事故解决后的效果验证。
2、安全检查状况及安全隐患解决(纠正)状况。
3、其它检查状况,如文明施工及场容场貌管理状况等。
五、其它内容1、设计变更、技术核定告知及执行状况。
2、施工任务交底、技术交底、安全技术交底状况。
3、停电、停水、停工状况。
4、施工机械故障及解决状况。
5、冬雨季施工准备及方法执行状况。
6、施工中涉及到的特殊方法和施工办法、新技术、新材料的推广使用状况。
表格目次工程开工、竣工报告表施工组织设计审批表注:施工组织设计附后图纸会审记录填表人:年月日设计交底记录注:由建设单位整理、汇总,四方单位保存。
年月日施工技术交底记录注:施工组织设计交底及分项、分部工程交底。
年月日安全交底记录记录人:年月日工程洽商记录年月日施工日志项目负责人:记录人:年月日主要原材料台账记录表注:此表施工、监理共用填表人:年月日施工现场质量管理检查记录津市政C1-12工程质量事故及处理报告表津市政C1-13注:按质量事故等级划分和报告制度执行年月日水泥检验报告检验单位地址::传真:报告日期:预应力混凝土用钢绞线检验报告津市政C2-2检验单位地址::传真:报告日期:钢材检验报告津市政C2-3检验单位地址::传真:报告日期:材料检验报告(通用)津市政C2-4检验单位于址::传真:报告日期:砂检验报告津市政C2-5检验单位地址::传真:报告日期:碎石(卵石)检验报告津市政C2-6检验单位地址::传真:报告日期:津市政C2-7检验单位地址::传真:报告日期:津市政C2-8检验单位地址::传真:报告日期:津市政C2-9检验单位地址::传真:报告日期:混凝土用水检验报告津市政C2-10检验单位地址::传真:报告日期:混凝土路缘(侧)石检验报告津市政C2-11检验单位地址::传真:报告日期:津市政C2-12检验单位地址::传真:报告日期:津市政C2-13检验单位地址::传真:报告日期:小型混凝土预制构件检查记录津市政C2-16年月日混凝土静力受压弹性模量试验报告津市政C2-18检验单位地址::传真:报告日期:沥青混合料用粗集料检验报告津市政C2-19检验单位地址::传真:报告日期:混凝土用粉煤灰检验报告津市政C2-20检验单位地址::传真:报告日期:预应力筋用锚具、夹具和连接器静载锚固性能检验报告津市政C2-21检验单位地址::传真:报告日期:津市政C2-25检验单位地址::传真:报告日期:津市政C2-26检验单位地址::传真:报告日期:津市政C2-27检验单位地址::传真:报告日期:津市政C2-28检验单位地址::传真:报告日期:津市政C2-29检验单位地址::传真:报告日期:津市政C2-30检验单位地址::传真:报告日期:高强度螺栓检验报告津市政C2-31检验单位地址::传真:报告日期:高强度螺栓连接副检验报告津市政C2-32检验单位地址::传真:报告日期:津市政C2-33检验单位地址::传真:报告日期:津市政C2-34检验单位地址::传真:报告日期:津市政C2-35检验单位地址::传真:报告日期:津市政C3-1审核:测量:记录:年月日津市政C3-2审核:测量:记录:年月日津市政C3-3校核:测量:记录:年月日津市政C3-4注:附件亦需三方签字年月日津市政C3-6注:附件亦需三方签字年月日测量复核记录津市政C3-7沉降观测记录津市政C3-8审核:测量:记录:年月日。
钢筋工程施工日志表格施工单位名称:XXX建筑工程有限公司项目名称:XXX大厦钢筋工程施工工程地点:XXX市XXX区施工日期:2021年XX月XX日施工日志:日期:2021年XX月XX日天气:晴施工内容:今天我们按照施工计划,继续进行钢筋工程施工。
主要工作包括搭设钢筋模板、搭设支撑架、搭设脚手架等。
1. 搭设钢筋模板:今天我们先进行了搭设钢筋模板的工作。
由于之前已经完成了施工准备工作,我们很快就完成了模板的搭设工作。
模板搭设完毕后,我们对模板进行了检查,确保没有任何质量问题。
2. 搭设支撑架:随后,我们开始搭设支撑架。
支撑架是整个施工过程中非常重要的一部分,它可以保证钢筋的稳定性和安全性。
我们严格按照施工图纸的要求进行搭设,确保支撑架的牢固和稳定。
3. 搭设脚手架:最后,我们搭设了脚手架,为接下来的施工工作做好准备。
脚手架的搭设需要注意安全,我们严格按照规定的搭设程序进行操作,确保每一个脚手架都牢固可靠。
施工进度:今天的施工进度比较顺利,我们按照计划完成了钢筋模板、支撑架和脚手架的搭设工作。
下一步我们将进行钢筋的绑扎和浇筑混凝土的工作。
安全情况:今天施工过程中没有发生任何安全事故,全体施工人员都严格遵守安全操作规程,确保了施工现场的安全。
总结:今天的施工进度比较顺利,我们按照计划完成了钢筋工程的施工准备工作。
明天我们将继续进行钢筋绑扎和混凝土浇筑的工作,希望能够顺利完成整个钢筋工程施工任务。
签字:施工单位负责人签字以上是本次钢筋工程施工日志的记录内容,如有任何问题或需要修改,请及时反馈。
感谢您的阅读!。
页脚内容关于单位工程施工日志的规定第一条:为了系统地掌握单位工程自准备开工日起至竣工交验日止的全部施工动态,以督促检查工作,总结经验为日后参考。
特规定单位工程施工负责人员,必须遵照本规定记载单位工程施工日志并签名。
第二条:单位工程施工日志,必须妥为保管,不得遗失或损坏,竣工缴还公司存档。
第三条:项目经理应负责督促检查单位工程日志记录正确,及时填写。
第四条:混凝土工程,桩基工程除应单独做砼浇注记录表,另行存档,其主要项目应摘要记录在日记中,土质钻探或荷重试验及高层建筑沉降变形观测等,可根据建设单位需要另作记录,另行存档。
第五条:单位工程施工日记记录内容为:1 、单位工程开工前的准备情况,存在的问题如何解决,摘要记录。
2、部分工程和主要分项工程开工、竣工及中途停工日期,注明停工日期,处理办法及结果。
3、分部工程,分项工程完工数量与出勤人数(各工种班组人数)。
4、单位工程项目经理收到施工图纸技术文件及其他有关施工指示文件之日起。
5、每日气象记录,如风向、雨,温度情况。
6、计划变更事项、日期,负责提出者的姓名。
页脚内容7、因工程质量不合设计要求和其他施工错误而引起返工数量、日期,原因等事项。
8、工伤事故、机械故障及其他意外事件,发生的原因和处理经过。
9、劳动调度,主要技术措施,施工布置及其执行结果。
10、隐蔽工程检查验收日期,并注明其书面文件。
11、基础地下水位,地质情况。
地下水及工程用水化学分析记录文件编号,及其主要结果。
12、主要材料,构件及机具收到日期和数量,送验者、送验日期和试验结果。
13、其他必须记载的事故。
14、工程变更设计的分部分项名称、来文单位及提供施工技术资料日期页脚内容。
一、施工资料建筑与结构工程施工资料施工资料c类表格填写范例注:本表由施工单位填写,施工单位、城建档案馆各保存一份。
工程概况表:工程概况表是对工程基本情况的简要描述,应包括单位工程的一般情况、构造特征、机电系统等。
一般情况:工程名称、建筑用途、建筑地点、建设单位、监理单位、施工单位、建筑面积、结构类型和建筑层数等。
构造特征:地基与基础、柱、内外墙、梁、板、楼盖、内外墙装饰、楼地面装饰、屋面构造、防火设备等。
机电系统名称:工程所含机电等各系统名称。
其他:指特殊需要说明等内容。
施工现场质量管理检查记录:建筑工程项目经理部应建立质量责任制度及现场管理制度;健全质量管理体系;具备施工技术标准;审查资质证书、施工图、地质勘察资料和施工技术文件等。
施工单位应按规定填写《施工现场质量管理检查记录》(表c1-1),报项目总监理工程师(或建设单位项目负责人)检查,并作出检查结论。
注:本表由施工单位填写并保存。
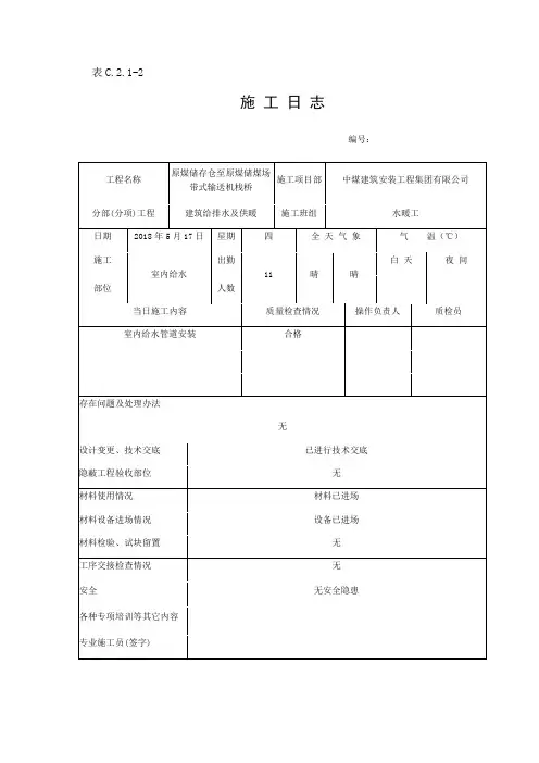
施工日志:施工日志应以单位工程为记载对象,从工程开工起至工程竣工止,按专业指定专人负责逐日记载,并保证内容真实、连续和完整。
注:1、表由施工单位填写,交底单位与接受交底单位各保存一份。
2、做分项工程施工技术交底时,应填写“分项工程名称”栏,其他技术交底可不填写。
技术交底记录:1.技术交底记录应包括施工组织设计交底、专项施工方案技术交底、分项工程施工技术交底、“四新”(新材料、新产品、新技术、新工艺)技术交底和设计变更技术交底。
各项交底应有文字记录,交底双方签认应齐全。
2.重点和大型工程施工组织设计交底应由施工企业等技术负责人把主要设计要求、施工措施以及重要事项对项目主要管理人员进行交底。
其他工程施工组织设计交底应由项目技术负责人进行交底。
3.专项施工方案技术交底应由项目专业技术负责人负责,根据专项施工方案对专业工长进行交底。
4.分项工程施工技术交底应由专业工长对专业施工班组(或专业分包)进行交底。
5.“四新”技术交底应由项目技术负责人组织有关专业人员编制。
工程名称:华丰新一期改造工程电气仪表安装工程名称:华丰新一期改造工程电气仪表安装工程名称:华丰新一期改造工程电气仪表安装工程名称:华丰新一期改造工程电气仪表安装表C1-3 施工日志工程名称:华丰新一期改造工程电气仪表安装工程名称:华丰新一期改造工程电气仪表安装工程名称:华丰新一期改造工程电气仪表安装工程名称:华丰新一期改造工程电气仪表安装工程名称:华丰新一期改造工程电气仪表安装工程名称:华丰新一期改造工程电气仪表安装工程名称:华丰新一期改造工程电气仪表安装工程名称:华丰新一期改造工程电气仪表安装工程名称:华丰新一期改造工程电气仪表安装工程名称:华丰新一期改造工程电气仪表安装工程名称:华丰新一期改造工程电气仪表安装工程名称:华丰新一期改造工程电气仪表安装工程名称:华丰新一期改造工程电气仪表安装工程名称:华丰新一期改造工程电气仪表安装工程名称:华丰新一期改造工程电气仪表安装工程名称:华丰新一期改造工程电气仪表安装工程名称:华丰新一期改造工程电气仪表安装工程名称:华丰新一期改造工程电气仪表安装工程名称:华丰新一期改造工程电气仪表安装工程名称:华丰新一期改造工程电气仪表安装工程名称:华丰新一期改造工程电气仪表安装工程名称:华丰新一期改造工程电气仪表安装工程名称:华丰新一期改造工程电气仪表安装工程名称:华丰新一期改造工程电气仪表安装工程名称:华丰新一期改造工程电气仪表安装工程名称:华丰新一期改造工程电气仪表安装工程名称:华丰新一期改造工程电气仪表安装工程名称:华丰新一期改造工程电气仪表安装工程名称:华丰新一期改造工程电气仪表安装工程名称:华丰新一期改造工程电气仪表安装工程名称:华丰新一期改造工程电气仪表安装工程名称:华丰新一期改造工程电气仪表安装工程名称:华丰新一期改造工程电气仪表安装工程名称:华丰新一期改造工程电气仪表安装工程名称:华丰新一期改造工程电气仪表安装工程名称:华丰新一期改造工程电气仪表安装工程名称:华丰新一期改造工程电气仪表安装工程名称:华丰新一期改造工程电气仪表安装工程名称:华丰新一期改造工程电气仪表安装工程名称:华丰新一期改造工程电气仪表安装工程名称:华丰新一期改造工程电气仪表安装工程名称:华丰新一期改造工程电气仪表安装工程名称:华丰新一期改造工程电气仪表安装工程名称:华丰新一期改造工程电气仪表安装工程名称:华丰新一期改造工程电气仪表安装工程名称:华丰新一期改造工程电气仪表安装。