林业行政处罚立案登记表(范本) - 法律文书
- 格式:docx
- 大小:10.45 KB
- 文档页数:1
林业行政处罚立案登记表询问笔录询问时间:年月日时分至时分询问地点:被询问单位名称:法定代表人(负责人):电话:被询问人姓名:性别:电话:所在单位:住址:与本案关系:询问人:记录人:询问内容:问:答:问:答:--------------------------------------------”------------------------------------------------ --------------------------------------------------------- ------------------------------------------------------------第页共页现场(检查)笔录(首页)被调(检)查人姓名年龄职业被调(检)查单位名称地址券桥乡调(检)查时间年月日时分至时分调(检)查地点调(检)查人员姓名记录人调(检)查记录:被调(检)查人签名或盖章:调(检)查人签名或盖章:年月日行政处罚听证告知书罚听告字[ ]第号:你(单位)于年月日至年月日,因行为,违反了的规定。
本机关依照的规定,拟对你(单位)作出(种类、数额或者期限)行政处罚。
如你(单位)要求听证,应当自收到本告知书之日起三天内向我厅(局)提出申请。
逾期视为放弃听证权利。
联系人:电话:地址:被告知人:年月日(行政机关印章)年月日调查终结报告(首页)当事人的基本情况调查时间年月日至年月日调查人员签名:、。
当事人的违法事实:证据1:证据2:证据3:证据4:处罚依据:处罚意见: 1、2、3、。
林业行政处罚听证权利告知书林听权告字〔〕第〔〕号行政处罚案件结案审批表行政处罚决定书罚决字[ ]第号被处罚人(个人)姓名性别年龄所在单位住址被处罚人(单位)名称地址法定代表人或负责人职务本机关于年月日对一案立案调查。
经查,你(单位)。
违法事实:上述违法行为事实清楚,证据确凿。
根据之规定(××法、××法规、××规章的×条、应将×条的内容写上),决定。
行政处罚文书格式范本河南省住房和城乡建设厅2016年6月目录1.行政处罚托付书 (1)2.案件登记表 (2)3.行政处罚案件立案审批表 (3)4.(行政机关名称)责令停止违法行为通知书 (3)5.询问笔录 (4)6.现场检查(勘验)笔录 (6)7.(行政机关名称)责令(限期)改正通知书 (7)8.抽样取证审批表 (8)9.(行政机关名称)抽样取证通知书 (9)10.(行政机关名称)抽样取证物品处理通知书 (10)11.先行登记保存证据审批表 (11)12.(行政机关名称)先行登记保存证据通知书 (12)13.(行政机关名称)先行登记保存证据物品处理通知书 (13)14.案件调查终结报告 (14)15.行政处罚审批表 (15)16.(行政机关名称)行政处罚事先告知书 (16)17.(行政机关名称)行政处罚听证告知书 (17)18.行政处罚听证申请书 (18)19.(行政机关名称)行政处罚听证通知书 (19)20.行政处罚听证笔录 (20)21.陈述(申辩)笔录 (21)22.(行政机关名称)案件移送函 (22)23.行政处罚决定审批表 (24)24.重大复杂案件集体讨论笔录 (25)25.(行政机关名称)行政处罚决定书 (26)26.行政处罚文书送达回证 (28)27.行政处罚延期(分期)缴纳罚款审批表 (29)28.行政处罚案件结案审批表 (30)29.(行政机关名称)复工通知书 (31)30.(行政机关名称)当场行政处罚决定书 (32)31.(行政机关名称)限期拆除决定书 (32)1.行政处罚托付书委字〔〕第号托付机关:法定代表人:职务:单位地址:受托付单位:法定代表人:职务:单位地址:依照(法律依据名称及条、款、项具体内容)的规定,经研究,现由××(托付机关)××(受托付单位)实施:(处罚事项和实施范围)。
托付期限自年月日至年月日止。
托付期间,受托付单位必须以托付机关的名义,在托付范围内实施行政处罚,并同意托付机关的监督;由此产生的法律后果,由托付机关承担。
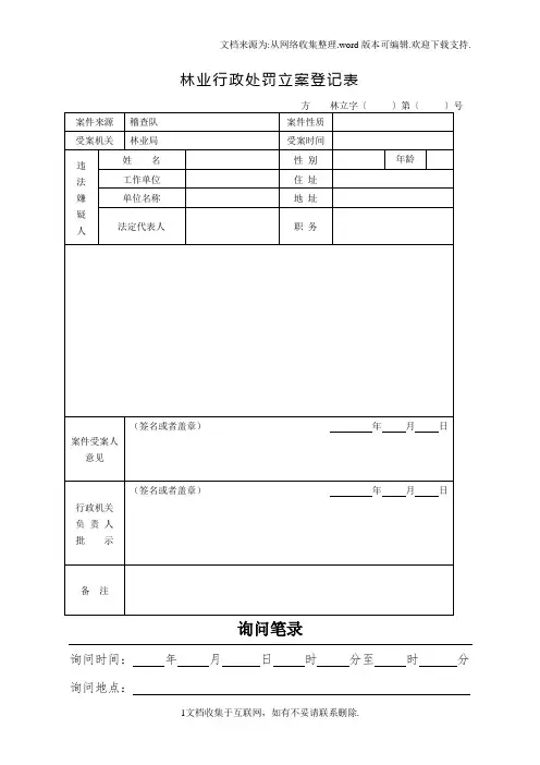
《林业行政处罚立案登记表》的式样及填写方法2、《林业行政处罚立案登记表》的式样及填写方法式样林业行政处罚立案登记表林罚立字[ ]第号《林业行政处罚立案登记表》,是依据法律、法规、规章的规定,对涉嫌违法行为是否立案报送行政机关负责人审批的文书。
它由“标题”、“字号”、“案由”、“案件来源”、“受案时间”、“违法当事人”、“简要案情”、“承办人意见”、“负责人意见”、“备注”等十个要素组成。
其各项要素填写方法如下:(1)“标题”,即《林业行政处罚立案登记表》。
(2)“字号”的填写方法:行政区划名称简称+林罚立字+年号+受理顺序号,如新邵县2017年的第一号,即新林罚立字【2017】第001号。
(3)“案由”栏目,填写对违反林业法律、法规、规章的行为进行定性确认的案件类别,如盗伐林木案件、无木材运输证运输木材案件等。
(4)“案件来源”栏目,按照本机关发现、单位或者群众举报、受害人控告、有关单位移送、上级机关交办和违法行为人主动交代等据实填写。
(5)“受案时间”应署明具体时间,日期应当填写年、月、日。
(6)“违法当事人”的填写方法:如果是自然人(个人)的,应填写姓名、性别、民族、出生年月日、职业、籍贯、单位、住址、联系电话等要素;如果是个体工商户的,应填写营业执照上所记载的户名、注册号、经营者或负责人的姓名;是法人的,应填写单位名称、地址、法定代表人姓名及职务。
(7)“简要案情”栏目,应当根据案件来源材料或者经过初步调查取证、审查认定的情况,用准确、简练的语言文字,将案件发生的时间、地点、当事人和案件事实经过、后果等情况概括清楚;并简明扼要的阐述违法的性质和涉嫌违反的法律法规,表明是否应予处罚。
(8)“承办人意见”应写明“根据《林业行政处罚程序规定》第二十四条第二款之规定,符合立案条件,建议立案查处。
”(9)“负责人意见”:其中“承办部门负责人意见”应填写“同意立为XXXX案查处”;“行政机关负责人意见”应填写“同意”或其他意见。
林业行政处罚立案登记表案件来源稽查队案件性质受案机关林业局受案时间违法嫌疑人姓名性别年龄工作单位住址单位名称地址法定代表人职务案件受案人意见(签名或者盖章)年月日行政机关负责人批示(签名或者盖章)年月日备注询问笔录询问时间:年月日时分至时分询问地点:被询问单位名称:法定代表人(负责人):电话:被询问人姓名:性别:电话:所在单位:住址:与本案关系:询问人:记录人:询问内容:问:答:问:答:--------------------------------------------”------------------------------------------------ --------------------------------------------------------- ------------------------------------------------------------第页共页现场(检查)笔录(首页)被调(检)查人姓名年龄职业被调(检)查单位名称地址券桥乡调(检)查时间年月日时分至时分调(检)查地点调(检)查人员姓名记录人调(检)查记录:被调(检)查人签名或盖章:调(检)查人签名或盖章:年月日行政处罚听证告知书罚听告字[ ]第号:你(单位)于年月日至年月日,因行为,违反了的规定。
本机关依照的规定,拟对你(单位)作出(种类、数额或者期限)行政处罚。
如你(单位)要求听证,应当自收到本告知书之日起三天内向我厅(局)提出申请。
逾期视为放弃听证权利。
联系人:电话:地址:被告知人:年月日(行政机关印章)年月日调查终结报告(首页)当事人的基本情况调查时间年月日至年月日调查人员签名:、。
当事人的违法事实:证据1:证据2:证据3:证据4:处罚依据:处罚意见: 1、2、3、。
林业行政处罚听证权利告知书(当事人姓名或者名称):你(或者你单位)于年月日因违反了根据规定,拟对你(或者你单位)给予如下行政处罚:根据《行政处罚法》第三十一条、第三十二条、第四十二条和的规定,对上述处罚,你(或者你单位)有进行陈述、申辩和申请听证的权利。
一、行政案件立案登记表二、行政案件调查笔录××××××××调查笔录共页第页时间:年月日时分至时分地点:被调查人(单位):性别:出生年月:地址:邮编:证件名称:证件号:工作单位:职务:联系电话:单位名称:法定代表人:地址:联系电话:邮编:被调查人意见:被调查人签名:调查人签名:记录员签名:2、卷内格式卷内文件目录三、行政案件现场检查笔录××××××行政案件现场检查笔录共页第页被检查人:性别:出生年月:地址:邮编:证件名称:证件号:工作单位:职务:联系电话:被检查单位名称:法定代表人:地址:联系电话:邮编:被检查单位代表人:职务:证件号:见证人:职业:证件号:检查时间:年月日时分至时分检查场所:检查情况:被检查单位(人)对检查情况意见:被检查单位(人)签名:见证人意见:签名:检查人(签名):记录人(签名):四、行政处罚立案审批表××××××行政处罚立案审批表发文字号××××××行政处罚案件调查终结报告发文字号案由:受案时间:当事人基本情况姓名:性别:年龄:住址:联系电话:单位名称:法定代表人:单位地址:联系电话:案件调查人员及调查经过:查明的主要违法事实及证据:处理依据:处理意见和建议:签名:年月日承办机构意见:签名:年月日领导审批意见:签名:年月日备注:××××××行政处罚案件调查终结报告发文字号案由:受案时间:当事人基本情况:姓名:性别:年龄:住址:联系电话:单位名称:法定代表人:单位地址:联系电话:案件调查人员及调查经过:查明的主要违法事实及证据:处理依据:处理意见和建议:签名:年月日承办机构意见:签名:年月日领导审批意见:签名:年月日备注:六、行政处罚决定审批表×××××××××行政处罚决定审批表发文字号七、行政处罚事先告知书×××××××××行政处罚事先告知书发文字号:经调查确认,你(单位)的以下行为,违反了《江苏省发展新型墙体材料条例》第条第款和第条第款。
__________ 林检立字()第()号第—次询问第—页共______________ 页林业植物检疫行政处罚询问笔录日时分开始至时分止询问时间:年月询问地点:询问人:工作单位记录人:工作单位被询问人:性别年龄民族文化程度户籍所在地联系电话身份证号工作单位单位地址邮编家庭住址邮编口头传唤的被询问人月日时分到达,月日时分离开,本人签名确认:___________________________________________ 问:我们是______________ 森林病虫防治检疫站执法人员(出示证件),现依法对你进行询问,你应当如实回答,与本案无关的问题,你有拒绝回答的权利,同时、你有申请办案人员回避的权利,你听清楚了吗?被询问人签名并按指印:林业植物检疫检查/勘验笔录______ 林检勘字()第()号案件性质:___________________________________________________________工作单位 ____________________________________________ 过程及结果:_________________________________________________________年月日年月日年月日年月日检查/勘验人____________________被检查/勘验人__________________见证人_______________________记录人_______________________林业植物检疫行政处罚事项告知书_____ 林检告字()第()号告知时间:_______ 年月日时分至时分告知地点:_______________________________________________________________ 告知人:姓名_________ 单位________________________ 执法证号______________ 被告知人:姓名_______ 性别年龄身份证号____________________ 电话________ 工作单位__________________ 通讯地址 _____________ 邮编____________________ 告知内容:你(单位)于_____ 年_月_日___________________________________________其行为违反了____________________________________________________________ 应受至H __________________________________________________ ______________________________________ 的处理。
林业行政处罚文书目录1、林业行政处罚当场处罚决定书2、林业行政处罚立案登记表3、林业行政处罚登记保存通知单4、林业行政处罚询问笔录5、林业行政处罚勘验、检查笔录6、林业行政处罚意见书7、林业行政处罚决定书8、林业行政处罚文书送达回证9、林业行政处罚罚没实物收据10、查封暂扣涉案物品通知书11、林业行政处罚委托书12、林业行政处罚听证权利告知书13、林业行政处罚听证申请笔录14、林业行政处罚听证案件不予受理通知书15、林业行政处罚听证通知书16、林业行政处罚听证会笔录17、责令立即(限期)改正违法行为通知书18、解除登记保存通知书19、解除行政强制措施通知书20、林业行政处罚中止通知书21、林业行政处罚案件有关事项审批表22、林业行政处罚涉案物品鉴定委托书23、林业行政处罚告知书—3—(一)林业行政处罚当场处罚决定书注:(1)本决定书一式三联,第一联为附卷,第二联交被处罚人,第三联交收款银行。
(2)本决定书代当场处罚笔录。
—4—(二)林业行政处罚立案登记表—5—(三)林业行政处罚登记保存通知书注:本通知单一式二联,第一联为存根附卷,第二联交被登记保存人。
—6—(四)林业行政处罚询问笔录询问地点:询问时间:年月日时分开始至时分止询问机关:询问人:记录人:被询问人:姓名性别年龄民族文化程度职业工作单位住址问:答:(笔录可附页)(被询问人签名或者盖章)第页,共页—7—第页,共页—8—(五)林业行政处罚勘验、检查笔录林勘字〔〕第〔〕号勘验、检查地点:时间:年月日时分开始至时分止案由:勘验、检查人:姓名职业单位职称记录人:见证人和有关当事人:姓名职业单位勘验检查事项及结果:勘验、检查人(签名或者签章):见证人(签名或者盖章):有关当事人(签名或者盖章):年月日年月日第页,共页—9—(六)林业行政处罚意见书—10—(七)林业行政处罚决定书注:本决定书一式三联,第一联为存根附卷,第二联交被处罚人,第三联交收款银行。
行政处罚文书格式范本河南省住房和城乡建设厅2016年6月目录1.行政处罚委托书 (1)2.案件登记表 (1)3.行政处罚案件立案审批表 (2)4.(行政机关名称)责令停止违法行为通知书 (2)5.询问笔录 (3)6.现场检查(勘验)笔录 (5)7.(行政机关名称)责令(限期)改正通知书 (6)8.抽样取证审批表 (7)9.(行政机关名称)抽样取证通知书 (8)10.(行政机关名称)抽样取证物品处理通知书 (9)11.先行登记保存证据审批表 (11)12.(行政机关名称)先行登记保存证据通知书 (11)13.(行政机关名称)先行登记保存证据物品处理通知书 (12)14.案件调查终结报告 (14)15.行政处罚审批表 (14)16.(行政机关名称)行政处罚事先告知书 (15)17.(行政机关名称)行政处罚听证告知书 (16)18.行政处罚听证申请书 (17)19.(行政机关名称)行政处罚听证通知书 (18)20.行政处罚听证笔录 (19)21.陈述(申辩)笔录 (20)22.(行政机关名称)案件移送函 (21)23.行政处罚决定审批表 (24)24.重大复杂案件集体讨论笔录 (24)25.(行政机关名称)行政处罚决定书 (26)26.行政处罚文书送达回证 (27)27.行政处罚延期(分期)缴纳罚款审批表 (28)28.行政处罚案件结案审批表 (30)29.(行政机关名称)复工通知书 (31)30.(行政机关名称)当场行政处罚决定书 (31)31.(行政机关名称)限期拆除决定书 (31)1.行政处罚委托书委字〔〕第号委托机关:法定代表人:职务:单位地址:受委托单位:法定代表人:职务:单位地址:根据(法律依据名称及条、款、项具体内容)的规定,经研究,现由××(委托机关)××(受委托单位)实施:(处罚事项和实施范围)。
委托期限自年月日至年月日止。
委托期间,受委托单位必须以委托机关的名义,在委托范围内实施行政处罚,并接受委托机关的监督;由此产生的法律后果,由委托机关承担。
林业行政处罚案卷材料排列顺序(一)卷宗封面(二)卷内目录(三)卷内材料1.林业行政处罚案件调查报告2.法律文书林业行政处罚决定书(式样21);不予林业行政处罚决定书(式样20);林业行政当场处罚决定书(式样01);林业行政处罚文书送达回证(式样24);林业行政处罚立案登记表(式样02);林业行政处罚意见书(式样19);责令通知书(式样11);驳回∕批准延期∕分期缴纳罚款申请决定书(式样23)。
3.陈述、辩解材料询问违法嫌疑人(当事人)笔录(式样03);违法嫌疑人(当事人)书面陈述、辩解材料;同案违法人陈述(另案处理的可以是复印件,但要注明原件所在位置);林业行政处罚先行告知书(式样14)林业行政处罚听证权利告知书(式样15);经告知后,违法嫌疑人(当事人)提供的陈述、申辩材料对违法嫌疑人(当事人)的陈述、申辩的复核材料。
对违法嫌疑人(当事人)的身份核实材料。
4.证据材料林业行政处罚案件来源材料(包括:受理报警登记表、受案询问笔录和举报、控告、移送、交办、主动交待及执法人员发现线索的材料)询问被侵害人、证人笔录(式样03);证人证明材料;勘验∕检查笔录(式样05)及附件:现场图、现场照片;先行登记保存证据通知单(式样06);抽样取证通知书(式样07);封存扣押决定书(式样08)解除封存扣押决定书(式样09);暂扣木材决定书(式样12)暂扣木材决定书(式样13);收集、调取书证笔录及其收取的书证原件或者复印件、抄录件、摘录件收集、调取物证笔录及其收取的物证照片与文字说明或者物证原物保存说明调取物品、文件发还凭证林(地)权证或其他法定林(地)权证明木材检尺明细表涉案物品价值证明其他书证;其他物证及物证照片;录音、录像、电子数据等说明件;鉴定、检测、评估聘请/委托书及其结论意见;鉴定、检测、评估人资质证明;5.听证材料听证申请书(听证申请笔录);不予受理听证申请通知书(式样16);举行听证通知书(式样17);听证笔录(式样18);听证报告6.呈批文书先行登记保存呈批表;解除先行登记保存呈批表;对正在营业的生产∕经营场所进行检查呈批表;对违法行为人进行辨认∕指认呈批表;封存∕扣押呈批表;解除封存∕扣押呈批表;暂扣木材呈批表;解除暂扣木材呈批表;鉴定∕检测∕评估聘请/委托呈批表;不予受理听证申请呈批表;移交涉案财物呈批表;延期∕分期缴纳罚款呈批表;延长办案期限呈批表;其他需要呈批的事项。
目录林业行政处罚当场处罚决定书 (2)林业行政处罚登记保存通知单 (3)林业行政处罚登记保存物品处理通知单 (4)林业行政处罚告知笔录 (5)林业行政处罚决定书 (6)林业行政处罚立案登记表 (7)林业行政处罚没收实物收据 (8)林业行政处罚听证案件不予受理通知书 (9)林业行政处罚听证权利告知书 (10)林业行政处罚听证申请笔录 (11)林业行政处罚委托书 (12)林业行政处罚文书送达回证 (13)林业行政处罚现场勘查示意图 (14)林业行政处罚勘验、检查笔录 (15)林业行政处罚询问笔录 (16)林业行政处罚意见书 (19)聘请书 (20)听证通知书 (21)暂扣木材通知单 (22)林业行政处罚当场处罚决定书××林当罚书字【20××】第(××)号林业行政处罚登记保存通知单×林登保字【200××】第(×××)号林业行政处罚登记保存物品处理通知单×林登保处字【200×】第(×××)号林业行政处罚告知笔录告知单位:×市×县林业局(盖单位公章)告知人:贺××哈××被告知人:李××被告知单位名称:法定代表人告知内容:1、根据《中华人民共和国行政处罚法》第三十一条之规定,现将拟作出林业行政处罚决定的事实、理由、依据告知如下:2008年10月6日10时,××县公安局森林派出所民警接到电话报警称:在××县××地有人砍伐树木,接警后,派出所民警贺××、哈××立即出警赶赴现场,当场抓获违法行为人一人,经调查,违法行为人李××未经批准私自砍伐××防护林新疆杨树木3株。
第1篇案号:[行政字号]行立字[年份]第[序号]一、基本情况申请人(原告):[姓名],性别:[性别],出生年月:[出生年月],民族:[民族],住址:[住址],联系电话:[联系电话]。
法定代表人:[姓名],职务:[职务]。
委托代理人:[姓名],性别:[性别],出生年月:[出生年月],民族:[民族],住址:[住址],联系电话:[联系电话]。
被申请人(被告):[姓名],性别:[性别],出生年月:[出生年月],民族:[民族],住址:[住址],联系电话:[联系电话]。
法定代表人:[姓名],职务:[职务]。
委托代理人:[姓名],性别:[性别],出生年月:[出生年月],民族:[民族],住址:[住址],联系电话:[联系电话]。
二、案件来源申请人于[年]月[日]向本机关递交了《[行政案件名称]行政诉讼申请书》,请求撤销被申请人作出的[具体行政行为名称]。
三、立案理由1. 申请人主体资格适格。
申请人与被申请人的具体行政行为有直接的利害关系,符合行政诉讼法第二十五条的规定。
2. 被申请人主体资格适格。
被申请人具有作出具体行政行为的法定职权,符合行政诉讼法第二十六条的规定。
3. 申请人提起诉讼符合法定期限。
申请人于[年]月[日]递交了《[行政案件名称]行政诉讼申请书》,符合《中华人民共和国行政诉讼法》第四十六条的规定。
4. 申请人提起诉讼符合法定形式。
申请人递交的《[行政案件名称]行政诉讼申请书》符合《中华人民共和国行政诉讼法》第四十八条的规定。
5. 申请人提供的证据材料充分。
申请人提供的证据材料能够证明其主张的事实,符合《中华人民共和国行政诉讼法》第三十三条的规定。
6. 被申请人的具体行政行为违法。
被申请人作出的[具体行政行为名称]在程序上存在瑕疵,实体上违反了相关法律法规,损害了申请人的合法权益。
四、立案决定根据《中华人民共和国行政诉讼法》第二十六条、第四十六条、第四十八条以及《最高人民法院关于执行中华人民共和国行政诉讼法若干问题的解释》第二条、第三条的规定,本机关决定立案审查。
林业植物检疫行政处罚立案登记表林检立字()第()号第次询问第页共页林业植物检疫行政处罚询问笔录询问时间: 年月日时分开始至时分止询问地点:询问人:工作单位记录人:工作单位被询问人:性别年龄民族文化程度户籍所在地联系电话身份证号工作单位单位地址邮编家庭住址邮编口头传唤的被询问人月日时分到达,月日时分离开,本人签名确认:问:我们是森林病虫防治检疫站执法人员(出示证件),现依法对你进行询问,你应当如实回答,与本案无关的问题,你有拒绝回答的权利,同时,你有申请办案人员回避的权利,你听清楚了吗?答:被询问人签名并按指印:林业植物检疫检查/勘验笔录林检勘字()第()号案件性质:检查地点/勘验对象:时间:年月日时分至月日时分检查证或者工作证件号码:检查/勘验人:姓名职务工作单位记录人:姓名职务工作单位见证人:姓名职业工作单位过程及结果:检查/勘验人年月日被检查/勘验人年月日见证人年月日记录人年月日林业植物检疫行政处罚事项告知书林检告字()第()号告知时间:年月日时分至时分告知地点: 告知人:姓名单位执法证号被告知人:姓名性别年龄身份证号电话工作单位通讯地址邮编告知内容:你(单位)于年月日其行为违反了应受到的处理。
根据《中华人民共和国行政处罚法》第三十一条规定,你(单位)有申辩和陈述的权利。
如你需要申辩和陈述,请于年月日前来进行申辩和陈述,逾期不申辩和陈述以及本人不需要申辩和陈述的,不影响我单位依法对本案作出处理。
问:对以上告知内容你听清楚了吗?答:问:对上述告知事项,你是否提出陈述和申辩?(听证告知的,无需填写此问答)答:告知人:被告知人:年月日注:一式二份,被告知人一份,单位一份。
林业植物检疫行政处罚案件有关事项审批表林检罚审字〔〕第〔〕号查封、暂扣涉案物品通知书林检罚扣字〔〕第〔〕号注:本通知单一式二联,第一联为存根附卷,第二联交当事人。
林业植物检疫登记保存通知单林检登保字()第()号注:本通知单一式二份,附卷、被登记保存人各一份解除林业植物检疫行政处罚登记保存通知书林检解通字〔〕第〔〕号注:本通知一式二联,第一联交当事人,第二联附卷。