路基路面工程沥青路面课程设计实例
- 格式:doc
- 大小:1.19 MB
- 文档页数:23
第一章新建沥青路面设计1.1路基干湿类型及路基回弹模量的确定资料:路基地属高原西南潮暖区V4区,路段地质组为泥质砂岩,上覆盖亚粘土。
路床顶面距地下水位2.0m。
(1)通过上述资料可查的:V4区粘土路基的临界高度H1=1.7~1.9m,H2=0.9~1.1m,由于H>H1,可判定路基干燥稳定路面强度和稳定性不受地下水和地表积水的影响,路基干湿类型为干燥。
(2)路床表面下80cm深度内平均稠度Wc与分界稠度的关系是Wc>=Wc1,因为路基干湿类型为干燥,可查的分界稠度Wc1=1.1,即Wc>=1.1,估计该段路基上层80cm范围内的平均稠度为1.15左右。
(3)由于路基土的平均稠度为 1.15,所以查设计规范得土基回弹模量E0=47MPa.(4)由于是高等公路,由沥青面设计规范说明,采用重型击实试验时,土基回弹模量E0提高15%~30%,现取提高15%,则E0=47*(1+15%)=54.05MPa。
路基干湿类型为干燥。
1.2沥青路面结构方案的选定与结构层厚度的设计(1)计算累计轴载作用次数,确定路面等级及计算设计弯沉值。
路面设计以双轮组单轴载100KN为标准轴载。
1)以设计弯沉值为指标及验算沥青层层底拉应力时。
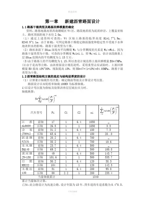
轴载换算:N=∑=⎪⎭⎫⎝⎛k iiiPPncc12135.4汽车型号Pi C1 C2 ni ∑=⎪⎭⎫⎝⎛kiiiPPncc12135.4江淮AL6600 前轴17 1 6.4 1050 _ 后轴26.5 1 1 1050 3.3会客JT6912 前轴31.2 1 6.4 180 7.3 后轴65.6 1 1 180 28..8跃进牌NJ131 前轴20.2 1 6.4 700 _ 后轴38.2 1 1 700 10.6东风牌EQ140 前轴23.7 1 6.4 500 _ 后轴69.2 1 1 500 100.8黄河牌JN-150 前轴49 1 6.4 500 143.7 后轴101.6 1 1 500 535.7日野KB222 前轴50.2 1 6.4 120 38.3 后轴104 1 1 120 142.3太脱拉138 前轴51 1 6.4 280 95.8 后轴80 2.2 1 280 233.4 当量轴载累计1340累计当量轴次计算:已知:此公路设计为高速公路,设计年限为15年,四车道的车道系数为0.4~0.5,在此取0.45。
《路基路面工程》课程设计公路沥青路面设计学校:学院:建筑工程学院班级:姓名:学号:台州某路段高速公路沥青路面设计计算书1.基本资料(1)自然地理条件台州地区计划修建一条双向六车道的高速公路,其中经过调查该路段地处Ⅳ4区,路基为中液限粘土,地下水位离地面高度为1.1m,路基填土高度为0.5m,属于中湿状态;根据我国“沥青及沥青混合料气候分区指标”及相应的“分布图”,得到最热月平均气温>30℃,最低气温低于-9℃,年降雨量>1000mm。
近期双向混合交通量为21000辆/日,交通组成和代表车型的技术参数分别如表1和表2所示,交通量年增长率为8%。
该路线沿线可开采砂砾、碎石,并有丰富的石灰、水泥、粉煤灰、沥青等材料供应。
(2)土基回弹指数的确定设计路段处于Ⅳ4区,路基处于中湿状态,路基土为中液限粘土,稠度为,查表“二级自然区划各土组土基回弹模量参考值(MPa),得土基回弹模量为MPa。
土基回弹模量<40 MPa,所以对地基进行加固处理,进行填土层50cm处外加25cm厚的石灰处理填土层,查表“二级自然区划各土组土基回弹模量参考值(MPa),得土基回弹模量为200MPa。
(3)根据可行性研究报告可知路段所在地区近期交通组成与交通量,见表1-1。
预测交通量年增长率为8%。
沥青路面累计标准轴载次数按15年设计。
(4)设计轴载代表车型的技术参数 表1-2序号 汽车 型号 总重 (kN) 载重 (kN) 前轴重 (kN) 后轴重 (kN) 后轴数 轮组数 1 桑塔纳 21 10 7 14 2 五十铃 42 20 14 28 3 解放CA10B 1 双 4 黄河JN150 1 双 5 黄河JN162 1 双 6交通SH3612×2双轴载换算(弯沉及沥青层弯拉应力分析时) 表1-3车型 i P (kN)i n (辆/d )35.421⎪⎭⎫⎝⎛P P n C C i i (辆/日)五十铃 前轴14 — —— — 后轴2818799 解放CA10B 前轴— — — — 后轴 1 1 4536 黄河JN150 前轴1 后轴 1 1 黄河JN162 前轴1 后轴 1 1 交通SH361 前轴1 后轴2×1∑=⎪⎭⎫⎝⎛=Ki i i P P n C C N 135.421 (次/日)轴载换算(半刚性层弯拉应力分析时) 表1-4车型 i P (kN)i n (辆/d )821⎪⎭⎫⎝⎛P P n C C i i (辆/日)五十铃 前轴14 — — — — 后轴28 — — — — 解放CA10B 前轴— — — — 后轴11 4536 黄河JN150 前轴49 — — — — 后轴 1 1 黄河JN162 前轴1 后轴 1 1 交通SH361 前轴60 1 后轴2×21∑=⎪⎭⎫⎝⎛=Ki i i P P n C C N 1821 (次/日)(5)累计标准轴载作用次数(累计当量轴次)交通量计算详见以下列表,得到累计轴载次数结果见下表,属于重交通等级。
4.35i P P ⎛⎫⎪⎝⎭4.3512i i P C C n P ⎛⎫⎪⎝⎭路基路面工程课程设计混合交通量为30700辆/日 表1某路段混合交通组成表2代表车型的技术参数)确定沥青路面的交通等级1、轴载换算以设计弯沉值为指标及验算沥青层层底拉应力中的累计当量轴次计算时,以双轮组单轴载100KN 为标准轴载。
查常用汽车设计参数表12-3,按式(12-6)进行轴载换算,计算结果列入下表。
轴载换算结果表(弯沉)车型P i (KN)C 1 C 2n i (次/日)(次/日)切贝尔D350前轴 24.00 1 6.4 2.1033×10-3260- 后轴 48.00 1 1 4.1058×10-210.675 日野KF300D 前轴 40.75 1 6.4 2.0140×10-222028.357 后轴79.002.213.5866×10-1173.591()()1511136510.071365935.6880.50.07429.11t e N N γηγ⎡⎤⎡⎤+-⨯+-⨯⨯⨯⎣⎦⎣⎦===万次黄河 JN150 前轴 49.00 1 6.4 4.4911×10-228682.205 后轴 101.60 1 1 1.0715306.449太脱拉 111 前轴 38.70 1 6.4 1.6090×10-248049.428 后轴 74.00 2.2 1 2.6987×10-1284.983 小汽车前轴 - - - - 1000- 后轴----- 合 计4.351121ki i i P N C C n P =⎛⎫= ⎪⎝⎭∑935.688注:轴载小于25 KN 的轴载作用忽略不计。
竣工第一年日当量轴次为:1935.688N = 次/日竣工第一年日当量轴次为:1935.688N = 次/日2、累计当量轴次及交通等级根据一级公路查表12-6得:设计年限T=15年,双向四车道的车道系,查表12-5得车道系数η为0.4~0.5,选用0.5.则累计当量轴次为:3、验算半刚性基层层底拉应力重的累计当量轴次验算半刚性基层层底拉应力的轴载换算公式见式(12-8),计算结果列入下表中。
沥青、混泥土路面课程设计(总16页)-CAL-FENGHAI.-(YICAI)-Company One1-CAL-本页仅作为文档封面,使用请直接删除湘潭大学课程名称: 路基路面工程 学 院: 土木工程与力学学院 专 业: 土 木 工 程 学 号: 2012800118 年 级: 2012级 学生姓名: 陈龙 指导教师: 王志超目录1 基本设计资料 ...................................................................... 0 2 沥青路面设计 . 02.1轴载分析 ................................................................... 0 2.2 结构组合与材料选取 ......................................................... 3 2.3 计算设计弯沉dl 和结构强度系数K (4)2.4 确定设计参数01,,spE E σ ..................................................... 4 2.5 计算确定容许弯拉应力Rσ (5)2.6 计算路表弯沉s l和底层拉应力mσ (6)2.7 厚度计算 ........................................................................................................................................ 6 2.8 防冻层厚度检验............................................................................................................................. 9 2.9 方案技术经济比较 ......................................................................................................................... 9 3 水泥混凝土路面设计 (10)3.1 交通量分析 ................................................................................................................................ 10 3.3 初拟路面结构............................................................................................................................. 12 3.3 确定材料参数............................................................................................................................. 12 3.4计算地基综合回弹模量 (12)3.5 计算荷载疲劳应力 (13)...................................................................................................................... 错误!未定义书签。
《路基路面工程》课程设计专业:道路工程班级:2014级5班学生:周治勇学号:p141914394 指导教师:王睿老师一、新建沥青路面结构设计计算1、设计资料a、地区某新建双向2车道二级公路,拟采用沥青混凝土路面,路基土为中液限粘土,路基填土高度1.2m,地下水位距路床2.3m,属中湿状态;多年最大道路冻深160cm。
b、经过OD调查及论证2012年底的交通组成情况如下表:2013年通车后前五年交通量增长率为4.5%,其后设计年限交通量增长率为6%。
车道系数:二级公路双向两车道在0.6~0.7,取0.7 二级公路设计年限为12年车道数:2车道设计速度:60km/h路基宽度:10m车道宽度:3.5mγ=0.053752、确定交通等级我国沥青路面设计以双轮组单轴载100KN为标准轴载,表示为BZZ-100。
标准轴载的计算参数按下表确定。
(1)、计算标准轴载累计计算交通量NeA.当以设计弯沉值设计指标及沥青基层层底拉应力验算时35.412 1∑=⎪⎭⎫⎝⎛=Kiii PPnCCN式中:N——以设计弯沉值和沥青层层底拉应力为指标时的标准轴载的当量轴次(次/d ) ;ni——被换算车型的各级轴载作用次数(次/d) ;P一一标准轴载(KN);Pi——被换算车型的各级轴载(KN)C1——被换算车型的轴数系数C2——被换算车型的轮组系数 ,双轮组为1.0,单轮组为 6.4,四轮组为 0.38; K 一一被换算车型的轴载级别当轴间距大于3米时,应按单独的一个轴载计算;当轴间距小于3米时,双轴或多轴的轴载系数应按以下公式计算:C1=1+1.2(m-1)设计年限一个车道累计当量轴次:计算公式:累计当量轴次:ηN rr Ne t 365]1)1[(⨯-+=试中: r ——设计年限交通量的平均年增长率% t ——设计年限N ——运营第一年双向日平均当量轴次(次/d ) N ——车道系数车型P i (KN) C 1 C2 n i (辆/日)黄河JN-150前轴49.00 1 6.4820235.69后轴101.60 1 1 878.62 解放CA10B前轴 19.40 1 6.4 15007.66后轴 60.85 1 1 172.83 长征CA160前轴45.20 1 6.4 38076.88后轴83.70 1 1 175.24 耶尔奇315MD3 前轴 57 1 6.4 16075.01后轴 107 1 1 196.83 标准轴载BZZ100前轴 0 1 6.4 200后轴100.11200 轴载小于25KN 的轴载作用可以不计。
路面工程课程设计任务书一、设计资料东北某地(II4)拟建二级公路,全长40km(K0~k40),除由于K31+150~k33+350路段纵坡较大(一般为5%左右),采用水泥混凝土路面外,其余均采用沥青类路面,其中K15+600~k22+440路段为老路改造,采用补强措施,有关资料如下:1.公路技术等级为一级公路,路面宽度为9.0m。
2.交通状况,经调查交通量为4100辆/日,交通组成如表2所示,交通量年平均增长率γ= 4.9%。
交通组成表1 黄河JN150 解放CA10B 东风EQ140 太脱拉138 小汽车25% 50% 15% 3% 7%汽车参数表2车型总重(KN) 载重(KN)前轴重(KN)后轴重(KN)后轴数后轮轮组数前轮轮组数轴距(cm)JN150 150.6 82.6 49 101.6 l 双单CA10B 80.25 40 19.40 60.85 1 双单EQ140 92.90 50.00 23.70 69.20 1 双单太脱拉138 211.4 120.00 51.40 2×80 2 双单132 3.路基土质为粘性土,干湿状态为潮湿,道路冻深为160cm。
4.K15+600~K22+440路段原路面为沥青路面,沥青面层厚度h=3cm,路面实测弯沉值分别为:72、81、78、64、66、65、68、75、72、71、66、73、68、77、74、74、81、82、78、79(0.01mm)等共20测点,弯沉测定采用标准轴载,测定时路表温度为27.5℃,前5小时的平均温度为25℃(注:季节影响系数以k l=1.08,温度影响系数K2=1.0)。
二、设计要求1.交通分析;2.拟定路面结构,并说明选用该种路面结构的原因;确定材料参数及水泥混凝土路面板的平面设计;3.计算或验算路面结构层厚度;①沥青路面可采用手工计算和计算机计算两种方式之一,并分析其结果以及说明理由;②拟定几种沥青路面厚度,采用计算机计算,分析沥青面层变化对基层厚度的影响,基层厚度变化对底基层厚度的影响;③对于水泥混凝土路面采用手工计算;4.绘制路面结构图及水泥混凝土路面平面布置图,接缝构造图;5.编写设计说明书。
路基路面课程设计(沥青路面设计)范例1.1道路等级确定根据调查资料,基年交通量组成如下:由于路线为县级公路,因此道路等级为一级公路以下,则由预测年限规定: 具有集散功能的一级公路及二、三级公路的规划交通量应按n-1N d=N(1+8%)其中: N—规划年交通量(辆/日)15年预测,则由公式: 式1-1)0—基年平均日交通量(辆/ 日)Y—年平均增长率(%—预测年限(年)即:规划年交通量为:Nd=[(150+80+100+120) X 1.5+150 X 2.0+ (120+110)=[345+150+300+180+360+330] X (1+8%)15-1X 3.0] X (1+8%)15-1=4890辆/日由《公路工程技术标准》(JTG B01 —2003)(以下简称《标准》),双车道三级公路应能适应将各种车辆折合成小客车的年平均日交通量为2000〜6000 辆,综合考虑选定道路等级为三级。
P —标准轴载,(KN ; P —被换算车辆的各级轴载, K —被换算车型的轴载级别; C —轴载系数,C i =1+1.2 X (m-1) , m 是轴数。
当轴间距大于3m 时,按单独 的一个轴载计算,当轴轴间距小于3m 时,应考虑轴数系数;C 2—轮组系数,单 轮组为6.4,双轮组为1,四轮组为0.38。
1.2结构设计6.2.1轴载分析路面设计以双轮组单轴轴载lOOkN 为标准轴载。
6.2.1.2.1轴载换算(基本参数见表6.1)轴载换算公式如下:f 、4.35P L f 丿式中:N —标准轴载的当量轴次,(次/ 日);k河 CGN i(式 6-1 )N —被换算车辆的各级轴载, (KN ;(KN );6.2.1.2.2 累计当量轴次根据设计“规范”三级沥青混凝土设计年限取 8年,双车道系数为0.6 — 0.7, 本设计取0.7 。
式中:N e —设计年限内一个车道沿一个方向通过的累计标准当量轴次(次);t —设计年限(年);N 1—路面营运第一年双向日平均当量轴次(次 /日); r —设计年限内交通量平均增长率(%);n —与车道有关的车辆横向分布系数,简称车道系数。
大连大学DALIAN UNIVERSITY路基路面工程课程设计题目名称:沥青混凝土路面设计所在学院:建筑工程学院专业(班级):土木093班学生姓名:指导教师:评阅人:设计题目:沥青混凝土路面的结构设计总计:设计论文 13 页表格 10 表指导教师(职称):评阅人:完成日期: 2012年6月目录1路基路面设计任务书 3 1.1 设计资料 3 1.2 设计内容 3 1.3 主要参考资料 3 2沥青混凝土路面设计 4 2.1 轴载分析 4 2.2 结构组合与材料选取 6 2.3 各层材料的抗压模量和劈裂强度 7 2.4 土基回弹模量的确定 7 2.5 设计指标的确定 7 2.6 设计资料总结 9 2.7 确定石灰层厚度 10 2 8 验算各层层底拉应力 11 3附图(1) 13基路面课程设计任务书1、设计资料湖北宜昌至巴东某新建一级公路,经调查路基土为高液限粘土,地下水位为1米,路基填土高度1.2米,近期交通量如下交通量年平均增长率7%(水泥混凝土路面设计时交通量年平均增长率取4%),沿线可开采碎石、砂砾,并有粉煤灰、石灰、水泥等材料供应。
2、设计内容分别设计水泥混凝土路面和沥青混凝土路面的结构层次,并算出结构层厚度,水泥混凝土路面还需进行接缝设计。
主要包括以下内容:1)、详细的设计计算书(1)沥青混凝土路面:①、确定结构方案;②、确定设计参数;③、计算待求层厚度;④、弯拉应力计算。
(2)、设计图【1】路面结构图【2】相应的计算图3、主要参考资料:路基路面工程公路沥青路面设计规范公路路基设计规范沥青混凝土路面设计一、轴载分析1)路面设计以双轮组单轴载100kN 为标准轴载。
当以设计弯沉值为指标及验算沥青层层底拉应力为设计指标时,轴载换算采用如下的计算公式:35.4211)(P P n C C N i i ki ∑==式中:N ——标准轴载的当量轴次,(次/日);i n ——被换算车辆的各级轴载作用次数,(次/日); P ——标准轴载,(kN );i P ——被换算车辆的各级轴载,(kN ),轴载小于25kN 的轴载作用不计;1C ——轮组系数,单轮组为6.4,双轮组为1,四轮组为0.38。
路基路面课程设计(沥青路面设计)范例1.1 道路等级确定根据调查资料,基年交通量组成如下:表3.1 基年交通量组成由于路线为县级公路,因此道路等级为一级公路以下,则由预测年限规定:具有集散功能的一级公路及二、三级公路的规划交通量应按15年预测,则由公式:Nd =N(1+8%)n-1 (式1-1)其中:Nd—规划年交通量(辆/日)N—基年平均日交通量(辆/日)—年平均增长率(%)n—预测年限(年)即:规划年交通量为:Nd=[(150+80+100+120)×1.5+150×2.0+(120+110)×3.0]×(1+8%)15-1 =[345+150+300+180+360+330] ×(1+8%)15-1=4890辆/日由《公路工程技术标准》(JTG B01—2003)(以下简称《标准》),双车道三级公路应能适应将各种车辆折合成小客车的年平均日交通量为2000~6000辆,综合考虑选定道路等级为三级。
1.2 结构设计6.2.1轴载分析路面设计以双轮组单轴轴载100kN为标准轴载。
6.2.1.2.1轴载换算(基本参数见表6.1)轴载换算公式如下:N=35.4iik1i21ppNCC⎪⎪⎭⎫⎝⎛∑=(式6-1)式中:N—标准轴载的当量轴次,(次/日);Ni—被换算车辆的各级轴载,(KN);P—标准轴载,(KN);Pi—被换算车辆的各级轴载,(KN);K—被换算车型的轴载级别;C 1—轴载系数,C1=1+1.2×(m-1),m是轴数。
当轴间距大于3m时,按单独的一个轴载计算,当轴轴间距小于3m时,应考虑轴数系数;C2—轮组系数,单轮组为6.4,双轮组为1,四轮组为0.38。
表6-1 标准轴载计算参数表6-2 预测交通量组成6.2.1.2.2累计当量轴次根据设计“规范”三级沥青混凝土设计年限取8年,双车道系数为0.6—0.7,本设计取0.7。
N e =[(1)1]365t r N rη+-⨯⋅⋅ (6-2) 式中:N e —设计年限内一个车道沿一个方向通过的累计标准当量轴次(次);t —设计年限(年);N 1—路面营运第一年双向日平均当量轴次(次/日);r —设计年限内交通量平均增长率(%);η—与车道有关的车辆横向分布系数,简称车道系数。
路基路面课程设计计算书(新建沥青路面)(1)基本要求东北某公路部分路段拟建一条4车道的一级公路,设计年限为15年,拟采用沥青路面结构进行路面结构厚度设计,其中需给出三种结构组合方案,并尝试经济技术比较给出最优方案。
(2)气象资料该公路所在地区为V 2区,最低气温为-15℃。
(3)地质资料与筑路材料沿线土质为紫色粉质粘性土,地下水位距地表为 1.2m ,路基填土高平均为0.7m 。
公路沿线有大量碎石集料,筑路材料丰富,有水泥、石灰和粉煤灰等供应。
(4)交通资料据预测该路竣工初年的交通组成如表1所示。
使用年限内交通量的年平均增长率为10%。
(6)新建路面厚度设计a 、根据设计任务书要求按设计回弹弯沉和容许弯拉应力两个设计指标,分别计算设计年限内的标准轴载累计当量轴次,确定交通量等级,面层类型,并计算设计弯沉值d l 和容许弯拉应力R σ。
当量标准轴载数N:以弯沉值和沥青层层底拉应力为设计指标时35.4211)(P Pn C C N i i Ki ∙∙=∑=日)(次/303.1335=i n ——各级轴载作用次数; p ——标准轴载;i p ——被换算车型的各级轴载;1c ——轴数系数,)(1m 2.111-+=c ,其中m 为轴数;2c ——轮组系数,双轮组取为1;设计年限累计当量标准轴载数e N :η∙∙⨯-+=1365]1)1[(N rr N t e)(69745.0303.13351.0365]1)1.01[(15万次=⨯⨯⨯-+=e N路面设计弯沉值d l :)()(mm A A A N l B s c ed 01.067.250.10.10.1106976006002.042.0=⨯⨯⨯⨯⨯==-- 轴载换算结果表(弯沉)表1②当以半刚性材料层底拉应力为设计指标时∑=⎪⎭⎫⎝⎛=Ki i i P P n C C N 18'2'1 )1(21'1-+=m C 2.1834=(次/日) 设计年限累计当量标准轴载数e N :()[](万次)5.53945.0812.10331.0365]1)1.01[(36511151=⨯⨯⨯⨯-+=⋅⋅⨯-+=ηN rr N te)()(mm A A A N l B s c e d 01.002.270.10.10.1105.5396006002.042.0=⨯⨯⨯⨯⨯==--轴载换算结果表(半刚性基层层底拉应力)轴载计算与累计轴载汽车车型前轴重(kN) 后轴重(kN) 后轴数 后轴轮组数 后轴距 交通量(次/日)东风KM340 24.6 67.8 1 2 0 460 江淮HF150 45.1 101.5 1 2 0 400 东风SP9135B 20.172.6 2 2 4 200五十铃EXR18L 60.0 100.0 3 24 400 江淮HF140A 18.9 41.8 1 2 0150五十铃NPR595G 23.5 44.0 1 20 100换算方法 弯沉及沥青层拉应力指标 半刚性层拉应力指标累计交通轴次 697万次 539.5万次表3 交通等级属于中交通 1、土基回弹模量的确定 路基填土高平均为0.7m 。
三明学院建筑工程学院《路基路面工程》课程设计题目:沥青路面设计姓名:郑方麟班级: 20级土木工程3班学号: 20200961242时间:2020.6.12-2021.6.25课题的内容和要求:一、课题内容根据给定设计资料完成路面结构组合设计。
二、课题要求1、依据设计资料,按照相应的规范完成路面结构设计方案,并进行比选。
2、熟练应用路面设计软件,完成设计说明书。
三、设计资料该公路位于福建三明地区,沿线为中液粘性土,稠度1.05,属于中湿状态,年降水量为1300mm,最高温度为40℃,最低温度为-1℃,路面结构采用沥青混凝土路面。
沿线可采集砂、石料、附近有矿渣可以利用,同时可供应石油沥青、水泥、石灰等材料。
据调查,交通量与车辆组成如下:交通量年平均增长率为6%。
本路段设计使用年限为20年。
1基本资料的确定1.1确定公路等级1)计算折算交通量其中折算系数查《公路工程技术指标》(JTG B01 2003),表2.0.2各汽车代表车型与车辆折算系数。
计算结果如下表:表1 折算交通量车型序号车型名称 折算系数交通量(辆/日) 折算后交通量(辆/日)1 红岩CO30290 3 100 3002 南阳NY151JC 2 200 4003 黄河SPP200 3 300 9004 贝利埃GC6×6 2 200 4005 尼龙克2766 3 100 300 6 太脱拉111 2 180 360 7北京BK6512120240 总计2900有上表可知,月平均日交通量为2900辆/日,近似代替年平均日交通量。
2)计算设计交通量1(1)n AADT ADT -=⨯+γ其中:AADT — 设计交通量(pcu/d );ADT — 起始年平均日交通量(pcu/d ); γ — 年平均增长率(%); n — 预测年限故2038年的设计交通量为:)/(8775%)61(2900)1(1201n d pcu ADT ADDT =+⨯=+⨯=--γ3)确定公路等级根据《公路工程技术标准》(JTG B01 2003),将公路根据功能和适应的交通量分为五个等级。
《路面工程》课程设计任务书一、设计资料青海某地拟建一条公路,交通调查如下:解放CA10B车950辆/日,黄河JN150车200辆/日,东风EQ140车250辆/日,交通SH141车800辆/日,交通量平均增长率为7%,土=45MPa,季节性冰冻地区,冰冻深度质为中液限粘土,平均稠度为1.08,土基回弹模量E为1.2米。
详细交通组成表如下:二、设计内容1、根据设计资料要求,确定路面等级和面层等级;2、计算设计年限内一个车道的累计当量轴次和设计弯沉值;3、拟定三种可能的路面结构组合与厚度方案,确定各结构层材料的抗压回弹模量;4、确定抗压强度及设计参数;5、根据设计弯沉值计算路面厚度;6、验算沥青混凝土面层和半刚性材料的基层、底基层拉应力是否满足容许拉应力的要求;7、验算防冻厚度是否符合要求。
三、设计要求1、设计计算条理清晰,内容完整;2、设计步骤合理;3、根据自己的三种路面方案进行技术比较;4、要求用A4纸打印,字体统一(题目为三号黑体,标题用小四黑体,其他为小四宋体)。
四、设计时间要求在一周内独立完成。
五、参考文献[1]邓学钧.路基路面工程【M】.北京:人民交通出版社,20XX.8,第一版[2]邓学钧.路基路面工程【M】.北京:人民交通出版社,20XX.8,第二版[3]中华人民共和国行业标准.公路沥青路面设计规范(JTG D50-20XX)【S】.北京:人民交通出版社,20XX.10A:沥青路面设计 初拟采用两种路面结构(A )半刚性基层沥青路面(B )组合式基层沥青路面根据交通状况,结构层的最小施工厚度等因素考虑,初拟各层厚度如下: A 半刚性基层沥青路面• 细粒式密集配沥青混凝土 4 • 中粒式密集配沥青混凝土 6 • 粗粒式密集配沥青混凝土 8㎝ • 水泥稳定碎石 22㎝ • 二灰土 ? 以二灰为设计层 B 组合式基层沥青路面• 细粒式密集配沥青混凝土 3㎝ • 中粒式密集配沥青混凝土 6㎝ • 大粒式密集配沥青混凝土 12㎝ • 二灰稳定砂砾 ? • 级配碎石 25㎝ 以二灰稳定砂砾为设计层 1.1 计算设计年限内一个车道的累计当量轴次 1) 轴载分析路面设计以双轮组单轴载100KN 为标准轴载 当以设计弯沉为指标及验算沥青层层底拉应力时各级轴载换算采用N=∑=ki 1C 1C 2n i (P i/P)4.35计算,(轴载小于25KN 的不计)计算结果如下表所示日交通量=(950+200+250+800)*2=2200辆/日*2=4400辆/日AADT=ADT*(1+γ)n-1=4400*(1+0.07)20-1=4400*2.58=11352(pcu/d)∴为二级公路二级公路沥青路面的设计年限为12年,双向两车道的车道系数η=0.65则设计试用期累计当量轴次为:N e =γγ365*]1)1[(-+t.N1.η=[]07.0356*1)07.01(12-+×434.01×0.65=1796535次当验算半刚性基层层底拉应力时:各级轴次(轴载小于50KN的不计)则用半刚性基层层底拉应力验算的累计当量轴次为:Ne =γγ365*]1)1[(-+t.N1.η=1796535次1.2 确定路面等级和面层类型根据“沥青路面规范”并结合上面计算,确定路面等级为高级路面:面层为沥青混泥土。
【例11.1】新建路面设计实例本例为安徽境内某条高速公路,整体式路基宽度为28.0m ,设计车速120km 。
⑴设计交通量:设计使用年限15年,根据交通量预测资料,考虑车型发展趋势及经济发展对交通量增长的影响,交通量平均年增长率预测结果如表1-1。
表(1-1) 设计年限内交通量平均年增长率表如下表(1-2)所示。
表(1-2) 代表车型及预测交通量表根据预测交通量资料及代表车型,根据4.351121()Ki i i p N C C n p ==∑=7068Ne=[(1+r )t-1]×365×N1×η/r=2.827166×107将各级轴载换算为标准轴载100KN ,15年内一个车道上的累计当量轴次为2494万次。
设计弯沉:Ld=600×Ne-0.2×Ac ×As ×Ab=19.4 (0.01mm )根据累计当量轴次,本项目设计交通等级为特重交通等级,路面设计弯沉19.4(0.01mm )。
若以半刚性层底拉应力为验算指标时'''8121()Ki i i p N C C n p ==∑1=2494Ne=[(1+r )t-1]×365×N1×η/r = 997587 ⑶路基土干湿类型:根据项目所处地区已有的设计经验及查表综合考虑得出路基临界高度,参考外业中调查的地下水位,确定了路基的最小填土高度来保证路基在不利季节处于干燥或中湿状态。
⑷土基回弹模量:根据规范,全线属于Ⅳ5自然区划,结合沿线地质情况确定土基回弹模量E0。
经过清表回填、碾压,并根据《公路沥青路面设计规范》JTG D50-2006要求,保证上路床30cm,填料CBR值不小于8,下路床50cm填料CBR值不小于5,上路床压实度不小于96%;交通量等级为重型时应保证土基回弹模量>40MPa,故本条道路土基回弹模量取41.0MPa。
《路基路面工程》课程设计一、基本资料新建高速公路地处Ⅳ3区,为双向四车道,沿线土质为中液限粘土,填方路基高3m,地表长期积水距路床0.7m,属干燥状态,E=50MPa。
年降雨量为470mm,最高气温38℃,最低气温-26℃,多年最大冻深为120mm,平均冻结指数为700℃,最大冻结指数1150℃.D。
此地有大量碎石集料,并有石灰水泥供应。
二、交通量资料及轴载分析路面设计以双轮组单轴载100KN为标准轴载。
(1)以设计弯沉值为指标及验算沥青层层底拉应力中的累计当量轴次○1轴载换算采用如下公式:式中:N —以设计弯沉值和沥青层底拉应力为指标时的标准轴载的当量次数n i—被换算车型的各级轴载换算次数(次/日)P—标准轴载(KN)P i—各种被换算车型的轴载(KN)C1—轮组系数,双轮组为1.0,单轮组为18.5,四轮组为0.09C2—轴数系数表 1 轴载换算结果表○2累计当量轴次根据设计规范,高速公路沥青路面的设计年限取20年,四车道的车道系数是0.4~0.5,取0.45累计当量轴次:=[(1+0.094)20-1]×365×5250.32×0.45÷0.094=46149415.19 次(2)验算半刚性基层层底拉应力中的累计当量轴次(3)○1轴载换算采用如下计算公式:式中:N —以设计弯沉值和沥青层底拉应力为指标时的标准轴载的当量次数—被换算车型的各级轴载换算次数(次/日)niP —标准轴载(KN)—各种被换算车型的轴载(KN)Pi—轮组系数,双轮组为1.0,单轮组为18.5,四轮组为0.09C1C—轴数系数2表2 轴载换算结果表○2累计当量轴次车道系数取0.45累计当量轴次:=[(1+0.094)20-1]×365×3878.64×0.45÷0.094=34092582.5 次三、结构组合与材料选取根据《公路沥青路面设计规范》,并考虑公路的沿线有大量碎石集料,并有石灰水泥供应,初拟以下路面结构组合表3 结构组合参数(cm )15℃模量20℃模量(Mpa)1 细粒式沥青混凝土 4 2000 1400 1.42 中粒式沥青混凝土 6 1800 1200 13 粗粒式沥青混凝土8 1200 1000 0.84 水泥稳定碎石待定1500(弯沉计算用)1500(弯沉计算用)0.5 3600(弯拉应力计算用)3600(弯拉应力计算用)5 石灰土35 550(弯沉计算用)550(弯沉计算用)0.225 1500(弯拉应力计算用)1500(弯拉应力计算用)6 土基50 50四、设计指标的确定(1)设计弯沉值l dl d=600N e−0.2A c A s A b 式中:l d—设计弯沉值N e—设计年限内的累计当量年标准轴载作用次数A c—公路等级系数,高速公路取1.0A s—面层类型系数,沥青混凝土面层为1.0A b—基层类型系数,半刚性基层为1.0所以l d=600N e−0.2A c A s A b=600×(4.615×107)−0.2×1.0×1.0×1.0=17.6 (0.01mm)(2)各层材料按容许层底拉应力σR,按下列公式计算:σR =σsK s式中:σR—路面结构材料的极限抗拉强度(Mpa)σs—路面结构材料的容许拉应力,即该材料能承受设计年限N e次加载的疲劳弯拉应力(Mpa)K s—抗拉强度结构系数计算结果表4 各层材料按容许层底拉应力σR五、路基处于干燥状态时路面结构厚度的计算1)按设计弯沉值计算设计层厚度 :(弯沉值按新建路面 F 公式计算)LD= 17.6 (0.01mm)H( 4 )= 250 mm LS= 19.2 (0.01mm)H( 4 )= 300 mm LS= 17.4 (0.01mm)H( 4 )= 294 mm(仅考虑弯沉)2)按容许拉应力计算设计层厚度 :H( 4 )= 294 mm(第 1 层底面拉应力计算满足要求)H( 4 )= 294 mm(第 2 层底面拉应力计算满足要求)H( 4 )= 294 mm(第 3 层底面拉应力计算满足要求)H( 4 )= 294 mm(第 4 层底面拉应力计算满足要求)H( 4 )= 294 mm(第 5 层底面拉应力计算满足要求)3)路面设计层厚度 :H( 4 )= 294 mm(仅考虑弯沉)H( 4 )= 294 mm(同时考虑弯沉和拉应力)4)通过对设计层厚度取整以及对路面厚度进一步的修改,最后得到路面结构设计结果如下:----------------------------------------细粒式沥青混凝土 40 mm----------------------------------------中粒式沥青混凝土 60 mm----------------------------------------粗粒式沥青混凝土 80 mm----------------------------------------水泥稳定碎石 300 mm----------------------------------------石灰土 300 mm----------------------------------------土基六、路基处于中湿状态时路面结构厚度的计算1.按设计弯沉值计算设计层厚度 :(弯沉值按新建路面 F 公式计算)LD= 17.6 (0.01mm)H( 4 )= 300 mm LS= 18.6 (0.01mm)H( 4 )= 350 mm LS= 17.1 (0.01mm)H( 4 )= 333 mm(仅考虑弯沉)2.按容许拉应力计算设计层厚度 :H( 4 )= 333 mm(第 1 层底面拉应力计算满足要求) H( 4 )= 333 mm(第 2 层底面拉应力计算满足要求) H( 4 )= 333 mm(第 3 层底面拉应力计算满足要求) H( 4 )= 333 mm(第 4 层底面拉应力计算满足要求) H( 4 )= 333 mm(第 5 层底面拉应力计算满足要求)3.路面设计层厚度 :H( 4 )= 333 mm(仅考虑弯沉)H( 4 )= 333 mm(同时考虑弯沉和拉应力) 4.验算路面防冻厚度 :路面最小防冻厚度 45cm沥青层厚度18cm,总厚度为 86cm验算结果表明 ,路面总厚度满足防冻要求 .5.通过对设计层厚度取整以及对路面厚度进一步的修改,最后得到路面结构设计结果如下:----------------------------------------细粒式沥青混凝土 40 mm----------------------------------------中粒式沥青混凝土 60 mm----------------------------------------粗粒式沥青混凝土 80 mm----------------------------------------水泥稳定碎石 340 mm----------------------------------------石灰土 350 mm----------------------------------------土基七、材料组成及用量设计参照《沥青路面设计规范》及已建成高速公路实例,初定路面材料如下:⑴表面层(AC13):最佳沥青用量 4.8%⁄密度 2.405 g cm3碎石:砂:石屑:矿粉=38:35:21:6⑵中面层(AC20):最佳沥青用量 4.3%⁄密度 2.45 g cm3碎石(10~20):碎石(5~50):砂:石屑:矿粉=45:16:16:18:5⑶下面层(AC20):最佳沥青用量 3.8%⁄密度 2.44 g cm3碎石(10~30):碎石:(10~20)碎石(5~50):砂:矿粉=13:27:25:29:6⑷水泥稳定碎石:水泥剂量 6%⁄最大干密度 2.31 g cm3(9.5~31.5):(4.75~9.5):(2.36~4.75):(0~2.36)=30:32:16:22⑸石灰土:石灰剂量 11%八、面层施工要求面层施工过程可分为沥青混合料的拌合运输、现场铺筑两个阶段(1)拌合及运输在工厂拌制混合料所用的固定式拌和设备有间歇式和连续式两种。
a沥青路面设计计算案例一、新建路面结构设计流程(1)根据设计要求,按弯沉或弯拉指标分别计算设计年限内一个车道的累计标准当量轴次,确定设计交通量与交通等级,拟定面层、基层类型,并计算设计弯沉值或容许拉应力。
(2)按路基土类与干湿类型及路基横断面形式,将路基划分为若干路段,确定各个路段土基回弹模量设计值。
(3)参考本地区的经验和规范拟定几种可行的路面结构组合与厚度方案,根据工程选用的材料进行配合比试验,测定各结构层材料的抗压回弹模量、劈裂强度等,确定各结构层的设计参数。
(4)根据设计指标采用多层弹性体系理论设计程序计算或验算路面厚度。
如不满足要求,应调整路面结构层厚度,或变更路面结构组合,或调整材料配合比,提高材料极限抗拉强度,再重新计算。
(5)对于季节性冰冻地区应验算防冻厚度是否符合要求。
(6)进行技术经济比较,确定路面结构方案。
需要注意的是,完成结构组合设计后进行厚度计算,厚度计算应采用专业设计程序。
有关公路新建及改建路面设计方法、程序及相关要求详见《沥青路面设计规范》。
二、计算示例(一)基本资料1.自然地理条件新建双向四车道高速公路地处Ⅱ2区,拟采用沥青路面结构进行施工图设计,填方路基高1.8m,路基土为中液限黏性土,地下水位距路床表面2.4m,一般路基处于中湿状态。
2.土基回弹模量的确定该设计路段路基处于中湿状态,路基土为中液限黏性土,根据室内试验法确定土基回弹模量设计值为40MPa。
3.预测交通量预测竣工年初交通组成与交通量,见表9-11.预测交通量的年平均增长率为5.0%.(二)根据交通量计算累计标准轴次Ne ,根据公路等级、面层、基层类型及Ne 计算设计弯沉值。
解:1.计算累计标准当量轴次 标准轴载及轴载换算。
路面设计采用双轮组单轴载100KN 为标准轴载,以BZZ-100表示,根据《沥青路面设计规范》规定,新建公路根据交通调查资料,主要以中客车、大客车、轻型货车、中型货车、大型货车、铰链挂车等的数量与轴重进行预测设计交通量,即除桑塔纳2000外均应进行换算。
《路基路面工程》课程设计说明书
目录
轴载计算 (2)
1.1代表轴载见2-1表 (2)
1.2轴载换算 (2)
1.2.1当以设计弯沉值为指标和沥青层的层底拉力验算 (2)
n i—各种被换算车辆的作用次(次/日) (2)
1.3计算设计年限内一个车道上累计当量轴次 (2)
2初拟路面结构 (2)
3路面材料配合比设计和设计参数的确定 (2)
3.1材料的确定 (2)
3.2路面材料抗压回弹模量的确定 (2)
3.2.1沥青材料抗压回弹模量的确定 (2)
3.2.2半刚性极其他材料抗压回弹模量的确定 (2)
3.3材料劈裂强度的测定 (2)
4验算拟定方案 (2)
4.1计算各方案的弯沉值 (2)
4.2抗拉强度结构系数Ks及容许拉应力σR计 (2)
4.3设计方案验算 (2)
中湿路段E0=35MPa (2)
潮湿路段E0=25MPa (2)
5验算防冻层厚度 (2)
6 方案比选 (2)
致谢 (2)
主要参考资料 (2)
1轴载计算
1.1代表轴载见2-1表
1.2轴载换算
轴载换算以弯沉值和沥青层的层底拉力和半刚性材料的层底拉力为设计标准
1.2.1当以设计弯沉值为指标和沥青层的层底拉力验算
35
.421
1⎪⎪⎭
⎫ ⎝⎛•=∑=P P n C C i i K
i N
式中:N —标准轴载的当量轴次(次/日)
n i
—各种被换算车辆的作用次(次/日)
P —标准轴载(kN ) P i
—各种被换算车型的轴载(kN )
C 1
—轴数系数
C
2
—论组系数,双轮组为1,单轮组为6.4,四轮组为0.38
当轴间距大于3m 时,按单独的一个轴计算,此时轴系数为1,当轴间距小于3m 时,双轴或多轴按C 1+1.2(m-1)计算,m 为轴数。
5686.29
1.2.2当进行以半刚性层底拉应力为设计指标
8
'21
'
1
⎪⎪⎭⎫ ⎝⎛•=∑=P P n C C i i K
i N '
C
1
—轴数系数
'C 2—轮组系数,双轮组为1.0,单轮组18.5,四轮组0.09 对于轴间距小于3m 的双轴或多轴的轴数系数按)1(11
-+=m C 计算,m 为轴数
黄海DD680 1 2 1 1 35091.5 100 171.964江淮AL6600 1 2 1 1 50026.5 100 0.012160累计7021.753
N1’=314.05+7021.75=7335.8
1.3计算设计年限内一个车道上累计当量轴次
年份增长系数η*365*第一年到本年份增长系数的积
1 1 182.5
2 1.08 197.1
3 1.08 212.868
4 1.08 229.8974
5 1.08 248.2892
6 1.0
7 265.6695
7 1.07 284.2663
8 1.07 304.165
9 1.07 325.4565
10 1.07 348.2385
11 1.05 365.6504
12 1.05 383.9329
13 1.05 403.1296
14 1.05 423.2861
15 1.05 444.4504
合计:4618.9
Ne=N1×4618.9=2.63×107
换算方法沥青层的层底拉力验算时半刚性材料的层底拉力验算时
累计交通轴次 2.63×107 3.39×107
2初拟路面结构
结合已有工程经验与经典构造,拟定了两个结构方案,根据结构层的最小施工厚度、材料、水文、交通量以及施工机具的功能因素,初步确定路面结构组
合与各厚度如下:
方案一:4cm细粒式SMA
7cm 中粒式AC
10cm 粗粒式AC
? 粗粒式ATB基层
18cm级配碎石
以沥青稳定碎石基层为设计层。
方案二:5cm 细粒式AC
6cm中粒式AC
9cm粗粒式ATB
25cm水泥稳定碎石
?水泥石灰砂砾土
以水泥石灰砂砾土为设计层。
3路面材料配合比设计和设计参数的确定3.1材料的确定
刚性材料、柔性材料取自沿线料场集合料沥青选自A级90号,技术指标符合《公路沥青路面施工技术规范》(JTG F40—2004)相关规定。
3.2路面材料抗压回弹模量的确定
3.2.1沥青材料抗压回弹模量的确定
拟定20℃和15℃的抗压回弹模量,见表3-1
3.2.2半刚性极其他材料抗压回弹模量的确定
拟定材料抗压回弹模量,见表3-2
3.3材料劈裂强度的测定
根据路基路面表14-15和表14-16确定材料劈裂强度,见表3-3
4验算拟定方案
4.1计算各方案的弯沉值
路面的弯沉值
l
d
由下式求出
A
A A N l B
S
C
e
d 2
.0600-=
式中:
l
d
—设计弯沉值(mm )
N
e
—设计年限内一个车道累计当量标准轴载通过次数
A
C
—公路等级系数,高速公路、一级公路取1.0,二级公路为1.1,
三四级公路为1.2
A S
—面层类型系数,沥青混凝土面层为1.0,热拌沥青碎石、冷拌沥
青碎石、上拌下贯或灌入式路面、理清处治为1.1
A B
—路面结构系数,刚性基层、半刚性基层沥青路面为1.0,柔性基
层沥青路面为1.6,若基层由柔性材料和半刚性材料组合而成,。