中国移动代维单位资格要求细则(2010年修订)
- 格式:doc
- 大小:85.50 KB
- 文档页数:7
附件1:通信网络代维企业资质等级评定办法第一章总则第一条为了适应通信信息产业发展和通信网络所有人对通信网络代维的需要,规范通信网络代维服务市场秩序,保证通信网络代维服务质量和网络的安全畅通,制订本办法。
第二条通信网络代维服务是指通信网络所有人委托相关企业对通信网络中的设备或系统进行的运行维护活动或管理服务,包括以维持通信网络性能和保障网络安全畅通为目的、按照规定的周期和标准进行的维护管理活动,也包括为排除网络故障而进行的修复作业。
第三条通信网络代维企业资质是承担通信网络代维的企业从事通信网络代维综合能力的体现,包括对代维企业的基本要求、绩效要求及企业的管理和认证要求等。
第四条从事通信网络代维服务的企业,按照本办法取得通信网络代维企业资质等级证书后,承接相应范围的通信网络代维服务项目。
第五条通信网络的所有人,应优先选择持有相应通信网络代维企业资质等级证书的企业承担通信网络代维服务项目。
第二章组织管理第六条中国通信企业协会负责通信网络代维企业资质等级评定办法的发布和通信网络代维企业资质等级证书的批准颁发。
第七条中国通信企业协会通信网络运营专业委员会(以下简称运营专委会)负责资质等级评定的总体组织和管理工作,包括资质等级评定的总体规划、体系建设、起草发布实施文件和资质等级标准、人员资格评定、资质证书审核等工作。
第八条运营专委会组建成立运维服务企业资质评定中心(以下简称评定中心),负责受理企业的资质等级申请、评定、证书和档案管理、获证企业监督审查、证书发放等具体工作。
第九条工业和信息化部电信研究院认证机构(以下简称认证机构)根据资质等级评定办法和标准负责对申请代维企业资质等级证书的企业进行审查和获证企业监督审查的具体实施。
第十条从事资质等级评定的相关工作人员应具有胜任本岗位工作的能力,坚持公正、公平、科学、实事求是的原则。
第三章资质等级第十一条通信网络代维企业资质等级分为正式和临时等级。
正式等级包括甲、乙、丙三个等级;新设立的或条件不满足正式等级标准的代维企业可申请临时等级。
中国移动网络代维考核规范(2018年版)中国移动通信集团公司网络部目录第一章总则 (1)第二章代维考核管理职责 (1)第三章代维考核架构 (2)第四章代维考核内容 (4)4.1月度考核 (4)4.1.1基础管理 (4)4.1.2维护质量 (6)4.1.3现场站点抽查 (6)4.1.4扣分项............................................. 错误!未定义书签。
4.1.5加分项 (7)4.2.年度代维考核 (9)4.2.1现场检查-管理检查 (9)4.2.2现场检查-现场站点抽查 (9)4.2.3年度网络质量考核 (10)4.2.4月度考核成绩年度平均 (10)4.2.5加分项 (10)4.2.6扣分项 (11)第五章代维考核流程 (11)第六章代维考核结果管理 (12)6.1代维考核结果与代维费用结算挂钩方式 (13)6.2退出机制 (14)6.3交接考核要求 (16)第一章总则第一条为全面衡量代维公司的代维能力和管理水平,提高网络代维的工作质量和服务质量,保证代维工作的有序竞争和良性发展,特制订本考核规范。
第二条网络代维考核的对象为参与各省网络代维工作的所有代维公司,代维考核是对代维公司工作质量的监督和审查,也是对代维公司各项工作完成情况的评判,代维考核管理工作需遵循严格、规范、公平、精细的要求开展。
第三条本考核规范适用于中国移动通信集团公司(以下简称集团公司)开展网络代维工作的各省(市、区)级公司(以下简称省公司),本考核规范的解释权和修改权属于集团公司网络部,自下发之日起实施。
第二章代维考核管理职责第四条集团公司网络部职责1.负责制定网络代维管理的考核规范。
2.负责指导、监督、考核各子公司代维考核工作的开展情况。
3.负责对网络代维重大事件进行通报和对严重违规代维公司的处理,负责各省代维考核结果信息的共享。
第五条省公司网络部门职责1.负责贯彻、落实集团公司的网络代维考核管理规范,制定本省网络代维考核实施细则。
移动基站设备代维(参考)一为规范移动基站设备代维管理工作,有效控制成本开支,提高整体工作效率,建立和完善基站设备代维管理体系,特制定本细则。
第1条该细则明确了移动基站设备各级维护部门在运行维护工作中应承担的维护管理职责,第三方维护单位的维护职责,代维公司工作管理等内容。
第2条基站设备维护包括基站及室内分布系统的维护工作,基本任务和目标是:设备的稳定运行,设备完好,运行质量指标满足考核要求,优化整改及时到位,提升用户感知的质量。
具体目标如下:1.保证设备的完好,设备的电气性能、机械性能、维护技术指标及各项服务指标符合集团公司的相关标准;2.保证服务区内有良好的通信质量和各项通信考评指标的达标;3.迅速准确地排除各种通信故障,保证通信畅通;4.做好主动性巡检工作,主动发现用户感知质量的问题。
5.基站管理是公司基础管理的重要内容之一,它直接关系到通信网的畅通与安全,与所在地区物业以及居民关系的和谐改善,都关系到公司对外形象的树立。
第3条本实施细则适用于是实施移动基站代维的市分公司。
第二章维护工作内容及职责分工第4条基站设备的维护工作根据统一领导、分级管理的原则,按照集团公司、省公司、本地网三级分层管理。
具体参照集团公司下发的《基站设备代维管理办法》。
第5条基站及室内分布系统的代维工作内容包括:动力发电、巡检(含机房设施及环境、基站设备、动力配套设备、天馈系统)、机房环境告警处理、基站障碍处理、天馈系统整治、铁塔维护、应急通信保障、物业协调以及用户投诉处理。
各地市分公司可根据实际情况,综合维护人员配置、成本等因素确定外包项目。
第6条省分运行维护部负责组织全省代维企业的入围工作,制定统一单价,签订框架协议,各市分公司负责本地网内的代维招标工作,签订具体的执行合同。
第7条省分公司运维部对代维管理工作检查,年终对全省各代维单位进行年度评定,对不合格的代维单位,终止代理协议,取消代维资格。
第8条省分运行维护部负责制定全省统一代维考核标准,市分公司负责执行月度考核,其中月度应包括日常管理和现场抽查。
集团客户专线代维质量考核办法一、考核办法1.考核每月进行一次,考核形式采取量化评分制。
考核评分办法见东莞移动公司《2009年集团客户专线代维量化考核表》。
2.对于存在问题未按甲方要求完成处理或未作改进措施,以致同类问题仍有发生的,按相关问题的条款加倍扣分。
3.代维量化基本考核分为95分,采用扣分制,奖励分为5分,采用加分制,每月考核总得分不超过100分,考核得分为95分(含95分)以上为合格。
4.如果代维公司全年累计三次代维考核得分低于80分,或者连续两次代维考核得分低于80分,或者一次代维考核得分低于75分,东莞移动公司有权调整代为公司的代维量或者单方面解除代维合同。
5.如果代维公司一个月的故障处理及时率低于60%(含60%),移动公司有权终止代维合同。
6.如果代维公司连续两个月的故障处理及时率低于70%(含70%),移动公司有权终止代维合同。
7.如果代维公司连续三个月的故障处理及时率低于80%(含80%),移动公司有权终止本协议。
8.每月量化考核的成绩作为支付代维费的依据,移动公司应将每月考核得分情况及时通报代维公司,并根据当月代维考核情况支付该月的代维费用。
9.以每月代理维护费用中的30%作为考核基数对代维公司服务质量进行量化考核,根据量化考核得分付给相应款项。
10.对代维公司连续三个月得分在75分以下,全年累计四个月得分在75分以下,移动公司可自行解除合同。
11.移动公司将每月考核得分情况在每月的代维总结会议上通报。
12.详细的扣分情况和扣分原因在每月的代维量化考核表列出。
13.对于代理维护质量超过协议规定的,可适当给予奖励;对损坏设备及仪表的,应予惩罚及赔偿。
14.对代维公司在一年代维工作中服务质量好,工作积极主动,能力较强的,使得网络质量大大超过代维前的,东莞移动公司将向上级主管部门申报,经审核属实的,可给予一定的奖励。
二、代理维护工作量化考核表集团客户专线代理维护工作量化考核表代理维护公司:考核月份:年月项目内容考核标准扣(加)分标准扣分备注人员管理(10分)人员稳定性更换项目经理(A、B角)必须提前一个月向甲方申请并且得到甲方同意,原项目经理必须完成工作交接并得到甲方确认-5分/次更换持证技术人员需提前一个月通知甲方,并得到甲方认可后才能进行,同一时间需安排新人加入项目组-2分/人更换维护人员需提前一周通知甲方,并得到甲方认可后才能进行,同一时间需安排新人加入项目组-1分/人全年人员更换基本要求:技术员的变动比例不超过30%(三个月内只允许申请更换比例不超过15%)、核心人员不超过10%。
代维工作总体要求一、代维工作职责乙方在代维工作中应当遵循以下基本工作职责:1、严格执行国家行业主管部门以及中国移动的有关维护规程、工程规范,以及《中国移动网络代维管理办法》和相关代维管理规章制度,按时、保质、保量地完成代维工作任务,确保网络质量指标和服务质量。
《中国移动网络代维管理办法》如下:中国移动网络代维管理办法(2014年版)2、严格遵守安全生产条例,做好防火防盗等安全生产工作,确保代维工作中网络、设备、设施、车辆和人身的安全。
3、严格遵守保密协议,确保移动公司各种商业秘密安全。
4、制定代维工作作业计划,按时向甲方递交工作总结、报表和巡检记录,要求各项数据齐全、真实、准确,分析详尽,记录符合规范要求。
5、配合甲方进行抢险救灾和应急保障工作,服从移动公司的统一调度。
6、配合进行工程竣工验收交接,接收移动公司提供的维护原始资料,及时对维护过程中的网络变更资料和资源数据信息进行收集上报。
7、负责代维公司内部员工技能的培养和提升,按时参加移动公司组织的技能认证。
8、加强对代维工作信息化平台的使用和维护,确保系统和信息安全。
9、设立7*24小时热线电话,并落实专人及时响应。
二、代维基础管理1、乙方应建立完善的代维资料管理机制,代维资料包括代维网元、站点和线路段落的资料清单、代维考核资料、代维人员资料、代维车辆、仪表、工具资料等,各类资料应分门别类,准确无误,定期更新、归档。
2、代维工作应按照相关规范和合同要求开展,形成闭环管理。
故障处理、随工、整改、异常情况处理等代维工作的安排应按照甲方要求通过工单的形式落实,实现任务、故障等各项工作的电子化派单和统一归口派单。
3、乙方应按照《中国移动网络代维质量规范》的要求,建立健全对代维质量管理的各项制度流程。
代维质量管理是指对代维的维护质量和维护过程的控制和管理,管理项目包括工程配合、交维验收、日常巡检、故障处理、维护管理。
同时加强代维质量的定期分析与问题跟踪、解决的闭环管理,应按照《中国移动网络代维质量规范》等相关要求定期或不定期向甲方上报相应代维质量报表、报告。
附件四河北移动光缆线路代维公司准入条件一、代维公司必须是在中华人民共和国境内工商局登记注册、具有独立法人资格、根据中华人民共和国有关法律合法成立并存在的公司。
二、代维公司必须满足下列条件中的至少一项:1、一年以上从事通信光缆线路维护;2、两年以上在光缆线路代维当地从事中国移动基站及相关设备的代维经验;3、三年以上线路施工工程的专业经验。
三、代维公司的硬件要求:1、代维公司在维护区域内必须设有固定办公地点,设立专用于代维的固定热线电话和传真。
代维公司应设有固定的7×24小时值班室。
通信抢险车(装备抢修工具和仪表)应在固定地点实时待命,随时做好障碍抢修的准备,做到在任何时间、任何情况下都能迅速出发抢修。
2、代维公司必须对维护区段进行划分并合理设置维护站和抢修站。
维护站和抢修站的设置原则是:每县、市(区)应设置1个维护站,若该县、市(区)线路少于100公里,可同邻近县合置1个维护站,但该维护站的地理位置应能兼顾到两个县。
抢修站可以由代维公司根据自身情况设置,但必须保证在接到故障通知后能在60分钟内到达故障地点。
3、代维公司必须设立代维项目专人负责制,并A、B角互为备份;负责人必须同时配备专用联络手机及其他通信手段,手机和其他通信手段均应7×24小时开机并保证可以随时联系;该负责人应保证在出现故障时能及时赶赴现场指挥,如不在当地或有其他事务,应将指定B角为临时负责人,并通知移动公司。
不能出现A、B角同时不能到达现场的情况。
4、代维公司在代维地区应自行配备能完成代维工作所需的工具、仪器、仪表和车辆及零小易耗品(配置标准参附后)。
5单位公司应有条件和能力储存、管理用于代维工作所需的备品和备料。
6、线路维护用主要仪表、机具等的配置要求如下表:56671014注:以上仪表、机具在代维工作量每增加一千管程/杆程公里时应按照上表所列的配置标准的50%相应增加配置。
四、人员要求1、代维公司必须配置完成代维工作所需的具有专业资质的维护人员及其他人员。
中国移动甘肃公司宽带业务代维管理办法(试行)中国移动甘肃公司网络部2010年4月=======目录=======第一章总则 (3)第二章代维组织和相关职责 (4)第三章宽带业务代维服务范围 (6)第四章宽带业务代维日常管理要求 (7)第五章代维机构及人员配置管理要求 (10)第六章仪器仪表配置要求 (12)第七章备品备件管理要求 (13)本办法用于规范宽带业务代维相关工作流程和要求,细化宽带业务代维故障分类及管理要求,明确工作职责与分工界面、明确合作维护队伍选择标准,保障宽带业务维护服务质量。
第一章总则第1条为明确宽带业务维护工作内容,规范宽带业务管理流程和管理要求,特制定此办法。
第2条本办法中所指的宽带业务指移动公司自建宽带,拥有驻地网及相关为客户提供宽带业务的终端设备产权,包含有线接入类宽带业务,和无线接入类(WLAN、无线网桥、微波等接入)宽带业务。
第3条本办法中所指的宽带业务综合代维范围包括:移动公司拥有产权的,宽带业务传输接入类设备与应用终端类设备两部分。
传输接入类设备指为宽带业务提供语音、互联网(含带有移动公司宽带客户的商务楼宇接入)、数据等专线业务的传输通信设备;应用终端类设备指客户端业务实现的终端设备。
第4条对非移动公司产权的宽带业务端设备或网络原因造成的故障,我公司可协助其进行故障的排查和定位,原则上不参与对客户自有设备的维护。
第二章代维组织和相关职责第5条省公司网络部牵头制定全省宽带业务综合代维管理办法,制定宽带业务综合代维工作规范和标准,制定代维队伍选用和费用标准,对宽带业务综合代维整体工作进行管理、指导和检查工作。
第6条省公司信息集成部协助网络部共同做好宽带业务代维的管理、指导和检查工作。
第7条各市、州分公司网络部负责本地区宽带业务代维的管理工作,其主要职责如下:1.负责本地区宽带业务综合代维管理工作,做到责任落实、人员落实。
2.制定本地区宽带业务代维管理实施细则。
3.在省公司统一要求下,开展本地区宽带业务代维公司的选择和合同签订。
代维公司_移动通信基站代维管理办法(总4页)--本页仅作为文档封面,使用时请直接删除即可----内页可以根据需求调整合适字体及大小--代维公司_移动通信基站代维管理办法为适应网络维护体制改革的需要,提高工作效率,优化经营成本结构,特制订移动通信基站代维管理办法,以指导并规范我公司基站维护社会化工作的开展。
第一章总则第1条基站代维工作是指将一部分基站维护工作通过择优选择交由社会上的专业公司所进行的一项基站日常维护工作。
第2条代维工作的主要目的是进一步提高网络质量,优化维护队伍结构及维护成本,提高工作效率,确保网络安全、稳定、高效运行。
第3条各市公司在做好代维管理工作的同时,要保证自维护力量充分发挥作用,并保持应有的技术、技能水平。
第4条对代维工作及代维队伍要实施严格、规范、精细的管理,通过电子化、自动化等手段对代维工作的效果进行细致分析及有效控制,不断提高代维工作效率,保证代维工作的质量。
第5条各市公司维护人员重点维护市区和县城及一些重要传输节点基站;铁塔天馈系统、边缘基站交由社会上的专业公司进行维护,市公司对其进行管理和考核。
第二章代维工作范围及内容第6条可以委托代维的设备主要包括:l基站主设备及天馈线系统、铁塔。
l基站机房的所有配套设施,如:电源电池、传输设备、空调、照明等。
l机房安全如:房屋修缮(机房漏雨修补等)、门窗封堵、门锁修理、消防设备等。
第7条可开展的代维及网络测试工作包括:l可代维设备及机房的日常巡查、维护、检测及配合故障处理。
l配合设备调整和割接,电路开通测试。
l日常例行测试,其它临时性测试任务。
l配合网络优化进行的天馈线调整、设备搬迁、配置调整等工作。
l交流供电故障时的发电工作。
l费用代缴。
l配合相关工程项目的验收工作。
l其他临时性配合工作。
具体参见附件一:《各单项维护工作内容及要求》。
第8条直放站及室内分布系统原则上由设备供应商根据合同代理维护。
第9条参与代维工作的公司既可承担某一单项维护工作(基站主设备及附属设备、发电,铁塔天馈线系统),又可总体承包维护工作。
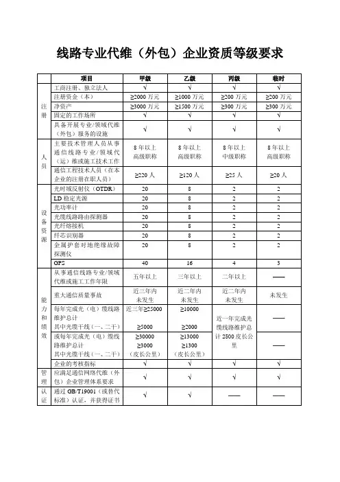
附件4 :通信网络代维企业资质等级标准——基站专业/ 领域通信网络代维企业资质等级标准是根据“《通信网络代维企业资质等级评定办法》”制订,按专业/领域提出了通信网络代维企业资质正式等级(包括甲、乙、丙三个等级)和临时等级的企业注册、人员、设备、能力和绩效、管理和认证等六个方面的要求。
适用于中国通信企业协会对申请通信网络代维企业资质等级证书的企业进行评定。
本部分是通信网络代维企业资质等级标准的第二部分,是对申请移动通信基站代维企业资质等级证书的要求。
本标准把基站维护分为主设备、配套设备、附属设备三类,企业三类设备都维护时方为基站全业务,如果只维护其中部分设备,将在企业资质等级证书上予以注明,本标准对仪表配备的要求也按三类设备加以区分。
三类设备具体定义如下:主设备:指收、发信机配套设备:包括传输设备、电源设备、天馈线附属设备:包括环境监控系统、照明、空调、铁塔等一、甲级资质等级要求1.企业注册要求应为在中华人民共和国工商注册、具有独立法人资格的企业(外国企业应具备类似条件),注册资金(本)不少于3000 万元人民币(下同),净资产不少于5000 万元人民币。
企业应有固定的工作场所,并具备开展基站专业/ 领域代维服务的设施。
2.人员基本要求负责通信网络代维服务的主要技术领导应从事通信基站专业/ 领域代(运)维或施工技术工作8 年以上,并具有相关专业的高级职称;通信工程技术人员(指具体从事维护工作的技术人员,下同)不少于220 人,并持有国家或中国通信企业协会认可的相关资格证书。
上述人员均应是本企业的注册在职人员。
3.设备资源基本要求企业应根据通信基站代维工作量设置必要的维护网点,并具备不少于附表中所列的仪器、设备及数量。
4.能力和绩效要求企业已从事通信基站专业/ 领域代维或施工5 年以上,具备维护基站全专业的能力,在近三年内所承担的代维服务没有发生重大通信质量事故(不可抗拒力除外),且在资质等级公告时没有发生重大反对意见。
代维资源配置要求一、基站专业(一)代维人员资源配置要求代维人员配置的质量和数量应以能够满足代维工作正常开展和保证网络质量为前提。
1、代维人员资源配置要求(1)设备维护人员资源配置要求根据在所属地市分公司承接的基站代维服务规模,每100个基站配2 人,每余40个基站及以上应增配1 人。
(2)发电人员资源配置要求根据在所属地市分公司承接的站点发电代维服务规模(包括宏基站、传输汇聚节点等),每80 个站点配2 人,每余40 个站点及以上应增配1 人。
2、代维人员技能要求(1)所有代维人员均应通过由中国移动通信集团公司或代维所在地省公司或集团公司、省公司认可的其它机构组织的基站设备及配套专业代维人员技能认证。
(2)所有涉及基站动力配套设备维护(除高压输变电线路、变压器外)、基站发电的代维人员均应具备国家或省安全生产监督管理部门颁发的低压电工特种作业操作证。
(3)涉及高压输变电线路、变压器的代维人员均应具备国家或省安全生产监督管理部门颁发的高压电工特种作业操作证。
(4)涉及基站空调制冷设备维护的代维人员均应具备国家或省安全生产监督管理部门颁发的空调制冷特种作业操作证。
(5)涉及基站天馈系统维护或其他登高作业的代维人员均应具备国家或省安全生产监督管理部门颁发的登高特种作业操作证。
(二)代维车辆资源配置要求代维车辆配置的质量和数量应以能够满足代维工作正常开展和保证网络质量为前提。
1、设备维护车辆配置标准根据在所属地市分公司承接的基站代维服务规模,每150个基站配1 辆车,每余60个基站及以上应增配1 辆车。
2、发电车辆配置标准根据在所属地市分公司承接的站点发电代维服务规模(包括宏基站、传输汇聚节点等)每80个点配置车辆1辆,每余35个点及以上应增配车辆1辆。
(三)代维仪表工器具配置要求1、设备维护仪表工器具配置要求常用仪表工器具按照每辆设备维护车辆配置一套,具体如下:2、发电仪表工器具配置要求常用仪表工器具按照每辆发电车辆配置一套,具体如下:乙方还应甲方托管的基站发电油机规模,对每市、县代维驻点配备适量油机三滤、机油等备品备件,以满足油机日常维护保养工作的需求。
生活需要游戏,但不能游戏人生;生活需要歌舞,但不需醉生梦死;生活需要艺术,但不能投机取巧;生活需要勇气,但不能鲁莽蛮干;生活需要重复,但不能重蹈覆辙。
-----无名TD-SCDMA NODEB及天馈线系统TD-SCDMA NODEB及天馈线系统维护考试分为以下四类:(1)TD-SCDMA NODEB及天馈线系统(中兴):通过该考试的代维人员,可承担中兴NODEB及天馈线系统的维护工作。
(2)TD-SCDMA NODEB及天馈线系统(华为):通过该考试的代维人员,可承担华为NODEB及天馈线系统的维护工作。
(3)TD-SCDMA NODEB及天馈线系统(大唐):通过该考试的代维人员,可承担大唐NODEB及天馈线系统的维护工作。
(4)TD-SCDMA NODEB及天馈线系统(爱立信):通过该考试的代维人员,可承担爱立信NODEB及天馈线系统的维护工作。
TD-SCDMA系统基础理论(1)了解TD-SCDMA系统的特性、支持的典型业务、网络结构和各组成部分实现的功能;(2)掌握TD-SCDMA系统的无线接口,传输信道、物理信道、时隙等概念,熟悉TD-SCDMA系统关键技术;(3)熟悉系统的各种业务处理过程,漫游、位置更新、寻呼、UE的主叫和被叫、定位、切换等流程;(4)了解TD-SCDMA增强型技术的原理及后续演进策略。
NODEB部分(含中兴B326、B328、B8300、R08i、R11、R8918、R8918A、R21、R21A)(1)掌握B326、B328和B8300三种BBU的硬件结构,工作原理及各单板的功能特性;(2)了解不同BBU的规格差别和性能差异;(3)了解不同BBU的传输连接方式;(4)了解NODEB配套设备的概念,室内防雷箱、室外防雷箱、外部环境监控;(5)掌握R08i、R11、R8918、R8918A、R21和R21A六种RRU的使用场景和功能特性;(6)了解不同RRU的规格差别和性能差异;(7)了解各种常见BBU+RRU组网配置,了解射频拉远的概念;(8)熟悉BBU和RRU的软件下载和激活过程;(9)理解系统前、后台的工作方式,了解各类型指示灯的含义;(10)熟练使用后台OMM网管进行NODEB的调测和操作维护,如数据配置修改、单板工作状态查询、RRU工作状态查询等,清楚整表同步和增量同步的区别;(11)能够使用LMT进行前台数据配置开站、调测和故障处理;(12)能够根据告警码进行故障分析和定位,更换坏件;(13)理解A+B组网配置,A+B共小区的概念。
中国移动通信集团浙江有限公司代维企业资质基本标准和资源配置要求V2.0中国移动通信集团浙江有限公司代维企业资质基本标准和资源配备要求⼀、公司资质要求从事中国移动通信集团浙江有限公司(以下简称:中国移动浙江公司)⽹络代维⼯作的代维企业应具备如下资质条件:1.必须是在中华⼈民共和国境内⼯商局登记注册、具有独⽴法⼈资格、根据中华⼈民共和国有关法律合法成⽴并存在的企业。
2.其经营范围须含有计算机或通信⽹络的⼯程施⼯(系统集成)或维护,空调设备的安装和维护,铁塔、桅杆的安装许可证和建筑企业的安全资格证书,并具备电信⼯程专业承包三级以上资质。
此外,代维企业还须具备2年以上相关专业维护或3年以上相关专业施⼯经验。
3.公司注册资⾦在1000万以上。
⼆、组织架构要求从事中国移动浙江公司⽹络代维⼯作的代维企业必须按以下组织架构图建⽴代维⼯作的组织架构。
1.设⽴代维事业部,并明确分管事业部⼯作的公司主管领导,指派合适⼈选担任事业部负责⼈。
2.在代维事业部下设质量管理⼩组和技术⽀撑队伍,质量管理⼩组负责全省代维⼯作的职能管理、质量控制和安全⽣产,技术⽀撑队伍负责全省重⼤和疑难故障处理的技术⽀持,以及⼈员培训和技能鉴定。
3.在移动分公司、县市区分公司所在地,以及重要乡镇、⼤客户聚集地和⾼校园区分别设⽴代维办事处、代维维护中⼼和代维维护站点,并指派合适⼈选担任驻地负责⼈。
具体每类驻地的办公条件和现场管理要求参见《中国移动通信集团浙江有限公司代维驻地机构标准化建设规范》相关内容。
4.在代维办事处和代维维护中⼼下设综合管理⼩组,分别负责所属范围内代维⼯作的职能管理和⽣产管理。
5.在代维维护中⼼和代维维护站点下设⼀定数量的代维⼩组,⼀般情况下,⼀辆⽣产⽤车对应⼀个代维⼩组,⼩组的类型则根据专业⼯作要求,可分为“综合巡检组”、“专业巡检组”、“综合抢修组”和“快速响应⼩组”(负责属地⼤客户故障和投诉处理的快速响应,以及重⼤和疑难故障的技术⽀持)等类型,具体每类⼩组的⽐例由代维企业和属地移动分公司商议确定。
廊坊移动BOSS、OA网络代维技术要求一、代维区域廊坊全区分为四个区域进行代维:1、北三县区域:三河、燕郊、香河、大厂;2、市区郊区区域:市区、郊区、公司本部;3、永固霸区域:永清、固安、霸州、胜芳;4、文安大城区域:文安、左各庄、大城。
代维营业厅数量(截止到2010年8月份,仅做参考)二、代维内容代维内容主要包括办公、营业的终端、网络系统的日常维护、障碍处理、工程配合和巡检等。
1、代维公司主要维护对象:(1)BOSS网中中兴3928汇聚交换机往下所有网络设备、线路及软硬件维护,以及新开营业厅(设备的安装、调试及网络的调测);(2)OA网中核心CISCO3750汇聚交换机往下所有网络设备、线路及软硬件维护;(3)营业厅内UPS及稳压器。
2、巡检代维公司巡检内容主要是检查维护保养各自辖区下营业厅和办公楼的网络情况,设备设施运行情况,软硬件运行情况。
并且,代维公司要对辖区内所有的营业厅每月巡检一次,以营业厅人员签字、日期为准。
如果业务支撑中心对当月代维巡检提出要求,代维公司要听从业务支撑中心安排。
巡检内容:1、所有设备除尘、表面清洁;2、打印机维护(调整、增加润滑、组件检查);3、复印机维护(性能调整、组件检查);4、微机维护(含键盘、鼠标的灵活性检查,病毒检查、软件调整、组件检查);5、网络设备维护(外观、电源、接口、组件检查),终端设备规范、调整;6、传真机的性能调整、组件检查;7、电源系统安全性检查;8、终端系统所有线缆的规范性检查;9、所有微机、自助终端、网络设备的的网络连通性检测;10、对所有终端设备的易耗部件的使用情况进行检查;11、对电话、验钞机等附属设备进行可用性检查;12、信息安全检查;a、办公终端是否设置了延时屏保及密码;b、办公终端是否有私自开启USB端口情况;c、办公终端是否存在非授权共享情况;d、终端是否安装杀毒软件且防毒库日期是否实时更新;e、终端是否安装其他娱乐游戏软件;f、计算机补丁是否及时更新;g、是否关闭“自动播放”功能。
代维单位资格要求细则
一、代维单位必须是在中华人民共和国境内登记注册,具有独立法人资格,根
据中华人民共和国有关法律合法成立并存在的企业;并在广东省内有固定的办公地点。
二、代维单位的硬件要求
1.应有固定办公地点,设立专用于代维的固定热线电话和传真,24小时
必须有人值班。
2.设立代维项目专人负责制,负责人必须配备专用联络手机,专用联络
手机要求24小时开机;该负责人应保证在出现故障时能及时赶赴现
场指挥,如外出或不在当地,应指定临时负责人,并通知当地市公司,
同时专用联络手机应留给临时负责人,以便联络。
三、人员要求
1.总体而言,对国家和有关部门要求持证上岗作业的专业(如电工、高
空作业等),代维单位内从事相应维护工作的人员,应持有相关的资
格证书。
2.代维人员在专业资格、数量方面,要达到省公司规定的要求,具体如
下:
1)机房安全、环境及照明
交换、综合机房由各市公司根据实际机房数量及工作量核定,
必须有一人以上持有电工证。
2)动力电源
●交换、网管系统的动力设备代维人员数量由各市公司根据实际
机房数量及工作量核定。
●从事动力设备代维的技术人员必须持有电工作业操作证要求
参加过相应的设备操作维护及仪表操作培训,并通过由省公司
组织的资格认证考试。
考试内容包括所维护电源设备、UPS
和电池的操作维护。
●若进行交换局的高低压配电设备的代维,必须同时持有国家颁
发的高低压操作专业证书
3)基站主设备及配套设备(含网络测试)
●以每180个物理站为基本单位,要求配置:1名基站巡检人员、
1名动力巡检人员、2.5名基站抢修人员、2名动力抢修人员、
2名网络测试人员、1名制冷作业人员、1名高空作业人员。
●以上从事动力设备代维的技术人员必须持有电工作业操作证
要求参加过相应的设备操作维护及仪表操作培训,并通过由省
公司组织的资格认证考试。
考试内容包括所维护电源设备、
UPS和电池的操作维护。
●以上从事基站主设备代维人员要求参加过相应的设备操作维
护及仪表操作培训,并通过由省公司组织的资格认证考试。
考
试包括RBS200、RBS2000基本理论及操作维护、相关仪表
(见下表)的使用。
●以上从事网络测试的代维人员要求参加过相应的设备操作维
护及仪表操作培训,并通过由省公司组织的资格认证考试。
●以上从事制冷作业、高空作业的人员要求参加过相应职业培
训,并通过相关部门组织的职业资格认证考试。
4)直放站及室内分布系统(含WLAN)
●持直放站证人员:按物理站计算,基本人数:从事直放站及室
内分布系统维护的专业人员至少2人,代维51~100个站点
至少3人,101~200个站点至少4人,201个站点以上,每
增加一个站点增配0.02人。
●持WLAN证人员:按物理站计算,基本人数:从事直放站及
室内分布系统维护的专业人员至少2人,代维51~100个站
点至少3人,101~200个站点至少4人,201个站点以上,
每增加一个站点增配0.02人。
●以上人员要求参加过相应的设备操作维护及仪表操作培训,并
通过由省公司组织的内部资格认证考试。
5)光缆线路
●专业维护人员的数量应视本地传送网骨干部分和接入部分等
具体情况配置。
原则上,日常维护的专业维护人员数量按每百管程/杆程公里不得少于2人,抢修时投入的专业维护人员不少于6人。
并必须达到能完成维护合同所规定的维护内容及指标的要求
设立代维项目专人负责制,并设立A、B角互为备份;负责人应保证在出现故障时能及时赶赴现场指挥,不能出现A、B角同时不能到达现场的情况。
本地传送网线路维护用主要仪表、机具等的配置要求(数量由各市公司按需要求代维单位配置)
6)汇聚层/接入层传输设备
A、汇聚层传输设备
●人数由各市公司根据设备实际数量及工作量核定。
●基本人数:专业人员至少2人,且不少于50%。
(专业人
员以传输设备维护中级证书为准)
B、接入层传输设备
●人数由各市公司根据设备实际数量及工作量核定。
●基本人数:专业人员至少2人,代维51~100个接入点至
少3人。
101~200个接入点至少4人,200个以上,每
增加150个接入点增配1人。
(接入点数量按物理站点
计);且持证人数不少于30%
补充:对以下工作的代维资格要求为:
1、光缆线路修缮、割接,
由广东移动工程建设部门认同合格的线路(管道、光缆)施工单位、广东移动长途线路的代维单位、本地网线路代维单位、我公司使
用的长途线路管道的合建和出售单位
2、传输线缆布放,电路开通测试
由广东移动工程建设部门认同合格的传输设备施工单位和本地网汇聚层/接入层传输设备代维单位、长途线路的代维单位、本地网线路
代维单位
3、传输资源数据录入
广东移动传输资源管理系统的供应商、长途线路的代维单位、本地网线路代维单位、本地网汇聚层/接入层传输设备代维单位
以上人员要求为各代维单位开展各项代维工作的最基本人数,当1个代维技术人员拥有多个资格卡时,在承担代维工作时,只能同时使用一个资格卡,对应一个合同。
各市公司可根据维护工作量的需求与代维单位友好协商适当增加代维
人数,但不得减少。