不锈钢理论重量计算公式(全面)
- 格式:docx
- 大小:15.49 KB
- 文档页数:8
304不锈钢重量计算公式304不锈钢重量计算公式是根据不锈钢的密度和尺寸大小来计算的。
塑壳不锈钢管材(壁厚小于1.5毫米)的密度为7.93克/立方厘米,壁厚大于1.5毫米的密度为7.98克/立方厘厘米。
下面是具体的计算公式及说明:1.不锈钢板材重量计算公式:重量(克)=长度(厘米)×宽度(厘米)×厚度(厘米)×密度(克/立方厘米)2.不锈钢管材重量计算公式:重量(克)=(外径(厘米)-壁厚(厘米))×壁厚(厘米)×长度(厘米)×密度(克/立方厘厘米)3.不锈钢圆棒重量计算公式:重量(克)=π×半径(厘米)×半径(厘米)×长度(厘米)×密度(克/立方厘厘米)4.不锈钢方棒重量计算公式:重量(克)=边长(厘米)×边长(厘米)×长度(厘米)×密度(克/立方厘厘米)需要注意的是,以上计算公式仅适用于304不锈钢。
如果是其他型号的不锈钢材料,需要根据其具体密度进行计算。
例如,假设有一块304不锈钢板材,尺寸为100厘米×50厘米×0.5厘米。
根据上述计算公式:重量(克)=100(厘米)×50(厘米)×0.5(厘米)×7.93(克/立方厘米)=19,825克=19.825千克因此,该304不锈钢板材的重量为19.825千克。
同样地,如果有一个304不锈钢管材,外径为10厘米,壁厚为1厘米,长度为100厘米。
根据上述计算公式:重量(克)=(10(厘米)-1(厘米))×1(厘米)×100(厘米)×7.98(克/立方厘厘米)=7980克=7.98千克因此,该304不锈钢管材的重量为7.98千克。
不锈钢钢管重量计算公式表一、不锈钢钢管重量计算公式。
1. 基本公式。
- 不锈钢钢管重量(kg)=(外径 - 壁厚)×壁厚×0.02491×长度(m)。
- 这里的0.02491是不锈钢的密度系数(单位为:kg/mm²·m),此公式适用于计算一般不锈钢钢管的重量。
2. 公式推导原理。
- 我们计算钢管的体积。
钢管的体积可以看作是外圆柱体积减去内圆柱体积。
- 设外径为D(mm),壁厚为t(mm),长度为L(m)。
- 外圆柱体积V_1=π×((D)/(2))^2× L×1000(单位为mm^3,乘以1000是将长度单位m转换为mm)。
- 内圆柱直径为D - 2t,内圆柱体积V_2=π×((D - 2t)/(2))^2× L×1000。
- 钢管体积V = V_1-V_2=π× L×1000×[(D^2)/(4)-((D - 2t)^2)/(4)]- 化简可得V=π× L×1000× t×(D - t)。
- 已知不锈钢的密度ρ = 7.93g/cm^3 = 7.93×10^- 6kg/mm^3,质量m=ρ× V。
- 将V=π× L×1000× t×(D - t)代入质量公式,并且取近似值(π≈3.14),经过单位换算后就得到重量公式(外径 - 壁厚)×壁厚×0.02491×长度(m)。
3. 示例。
- 例如,有一根不锈钢钢管,外径为50mm,壁厚为3mm,长度为2m。
- 根据公式,重量=(50 - 3)×3×0.02491×2- 先计算(50 - 3)×3 = 47×3 = 141。
- 再计算141×0.02491×2- 141×0.02491 = 3.51231。
不锈钢理算计重公式(值得收藏)卷价=平板价格*理论厚度/实际厚度—开平费例如,4*1535*C,参考厚度3.5mm,卷重9876公斤的卷,当日平板价格18500元/吨,开平费80元/吨,计算其成本?公式:毛边卷成本价=市场基价*实际厚度/理论厚度+开平费+边丝成本=18500*3.5/4+80+200=16467.53平板价平板价=卷价*实际厚度/理论厚度+开平费4圆钢圆钢=(直径×直径)0.00623=Kg/M5不锈钢管不锈钢管=(外径—壁厚)×壁厚×0.02491=Kg /m二、理论计算公式1卷板理重=过磅重量÷参厚(实际厚度)×理论厚度2卷板开平板理重=长宽×宽度×厚度×比重3中板理重=长度×宽度×理论厚度×比重4卷长卷长=实际重量÷宽度÷厚度(参厚)÷比重例如,304/NO1,10*1500*C,参考厚度9.5mm,卷重8682公斤的卷,比重为7.93,现在要开平出10*1500*8.195平板,能开多少块,剩下多长的尾板?公式:总长=总重/宽/实际厚度/比重=8682/1.5/9.5/7.93=76.83公式:块数=总长/块长=76.83/8.195=9.37块取整剩下尾板:(9.37-9)*8.195*1500*10=10*1500*35切边卷的实际厚度切边卷=卷重÷宽度÷卷长÷比重例如,6*1500*C,参考厚度5.6,卷重8566公斤的卷,当日市场价格18700元/吨,开平费60元/吨,计算每吨成本价?公式:切边卷成本价=市场基价*实际厚度/标厚度+开平费=18700*5.6/6+60=17513.336毛边卷的实际厚度毛边卷=(卷重—边丝重)÷宽度÷卷长÷比重例如,304/NO1,10*1500*C,,卷重8682公斤的卷,比重为7.93,现在开平出,10*1500*8.195,三块;10*1500*6200,一块;10*1500*7.85,两块;10*1500*6000,五块;10*1500*2050尾板一块,现在计算实际厚度?公式:实际厚度=总重/宽/总长/比重=8682/1.5/78.54/7.93=9.297平板价格平板价格=(卷重*市场基价—边丝金额+开平费)/开平板总重来源:我的钢铁不锈钢网。
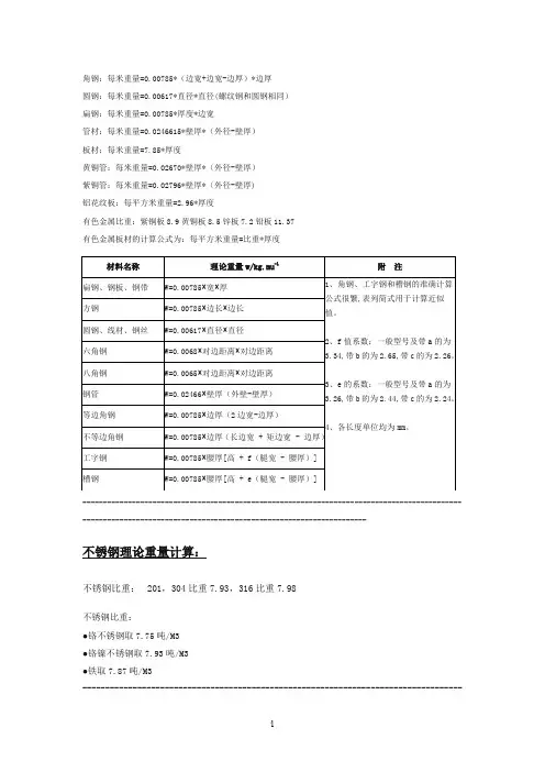
材料名称理论重量 w/kg.mu -1附 注扁钢、钢板、钢带方钢圆钢、线材、钢丝六角钢 八角钢钢管 等边角钢 不等边角钢 工字钢槽钢W=0.00785×宽×厚W=0.00785×边长×边长W=0.00617×直径×直径 W=0.0068×对边距离×对边距离W=0.0065×对边距离×对边距离W=0.02466×壁厚〔外壁-壁厚〕 W=0.00785×边厚〔2 边宽-边厚〕 W=0.00785×边厚〔长边宽 + 矩边宽 - 边厚〕W=0.00785×腰厚[高 + f 〔腿宽 - 腰厚〕] W=0.00785×腰厚[高 + e 〔腿宽 - 腰厚〕]1、角钢、工字钢和槽钢的准确计算公式很繁,表列简式用于计算近似值。
2、f 值系数:一般型号及带 a 的为 3.34,带b 的为 2.65,带 c 的为 2.26。
3、e 的系数:一般型号及带a 的为 3.26,带b 的为 2.44,带 c 的为 2.24。
4、各长度单位均为 mm 。
不锈钢理论重量计算:不锈钢比重:● 铬不锈钢取 7.75 吨/M3 ● 铬镍不锈钢取 7.93 吨/M3 ● 铁取 7.87 吨/M3角钢:每米重量=0.00785*〔边宽+边宽-边厚〕*边厚圆钢:每米重量=0.00617*直径*直径(螺纹钢和圆钢一样〕 扁钢:每米重量=0.00785*厚度*边宽管材:每米重量=0.0246615*壁厚*〔外径-壁厚〕 板材:每米重量=7.85*厚度黄铜管:每米重量=0.02670*壁厚*〔外径-壁厚〕 紫铜管:每米重量=0.02796*壁厚*〔外径-壁厚) 铝花纹板:每平方米重量=2.96*厚度有色金属比重:紫铜板 8.9 黄铜板 8.5 锌板 7.2 铅板 11.37有色金属板材的计算公式为:每平方米重量=比重*厚度不锈钢板理论重量计算公式钢品理论重量重量〔kg〕=厚度〔mm〕×宽度〔mm〕×长度〔mm〕×密度值密度钢种7.93 201,202,301,302,304,304L,305,3217.75 405,410,4207.98 309S,310S,316S,316L,347不锈钢元棒,钢丝,理论计算公式★直径×直径×0.00609=kg/m〔适用于410 420 420j2 430 431〕例如:¢50 50×50×0.00609=15.23Kg/米★直径×直径×0.00623=kg/m〔适用于301 303 304 316 316L 321〕例如:¢50 50×50×0.00623=15.575Kg/米不锈钢型材,理论计算公式◆六角棒对边×对边×0.0069=Kg/米◆方棒边宽×边宽×0.00793=Kg/米不锈钢管,理论计算公式○〔外径-壁厚〕×壁厚×0.02491=Kg/米例如¢57×3.5 (57-3.5)×3.5×0.02491=4.66Kg/米各种钢管(材)重量计算通用公式钢管的重量=0.25×π×(外径平方-内径平方)×L×钢铁比重其中:π = 3.14 L=钢管长度钢铁比重取7.8 所以,钢管的重量=0.25×3.14×(外径平方-内径平方)×L×7.8 * 假设尺寸单位取米〔M〕,则计算的重量结果为公斤〔Kg〕钢的密度为:7.85g/cm3钢材理论重量计算钢材理论重量计算的计量单位为公斤〔kg 〕。
角钢:每米重量=0.00785*(边宽+边宽-边厚)*边厚圆钢:每米重量=0.00617*直径*直径(螺纹钢和圆钢相同)扁钢:每米重量=0.00785*厚度*边宽管材:每米重量=0.0246615*壁厚*(外径-壁厚)板材:每米重量=7.85*厚度黄铜管:每米重量=0.02670*壁厚*(外径-壁厚)紫铜管:每米重量=0.02796*壁厚*(外径-壁厚)铝花纹板:每平方米重量=2.96*厚度有色金属比重:紫铜板8.9黄铜板8.5锌板7.2铅板11.37有色金属板材的计算公式为:每平方米重量=比重*厚度-----------------------------------------------------------------------------------------------------------------------------------------------------------------不锈钢理论重量计算:不锈钢比重: 201,304比重7.93,316比重7.98不锈钢比重:●铬不锈钢取7.75吨/M3●铬镍不锈钢取7.93吨/M3●铁取7.87吨/M3---------------------------------------------------------------------------------------------------------------------------------------------------------------------------------------------不锈钢板理论重量计算公式钢品理论重量重量(kg)=厚度(mm)×宽度(mm)×长度(mm)×密度值密度钢种7.93 201,202,301,302,304,304L,305,3217.75 405,410,4207.98 309S,310S,316S,316L,347---------------------------------------------------------------------------------------------------------------------------------------------------------------------------------------------不锈钢元棒,钢丝,理论计算公式★直径×直径×0.00609=kg/m(适用于410 420 420j2 430 431)例如:¢50 50×50×0.00609=15.23Kg/米★直径×直径×0.00623=kg/m(适用于301 303 304 316 316L 321)例如:¢50 50×50×0.00623=15.575Kg/米---------------------------------------------------------------------------------------------------------------------------------------------------------------------------------------------不锈钢型材,理论计算公式◆六角棒对边×对边×0.0069=Kg/米◆方棒边宽×边宽×0.00793=Kg/米---------------------------------------------------------------------------------------------------------------------------------------------------------------------------------------------不锈钢管,理论计算公式○(外径-壁厚)×壁厚×0.02491=Kg/米例如¢57×3.5 (57-3.5)×3.5×0.02491=4.66Kg/米---------------------------------------------------------------------------------------------------------------------------------------------------各种钢管(材)重量计算通用公式钢管的重量=0.25×π×(外径平方-内径平方)×L×钢铁比重其中:π = 3.14 L=钢管长度钢铁比重取7.8 所以,钢管的重量=0.25×3.14×(外径平方-内径平方)×L×7.8 * 如果尺寸单位取米(M),则计算的重量结果为公斤(Kg)---------------------------------------------------------------------------------------------------------------------------------------------------------------------------------------------钢的密度为: 7.85g/cm3钢材理论重量计算钢材理论重量计算的计量单位为公斤( kg )。
角钢:每米重量=0.00785*(边宽+边宽-边厚)*边厚圆钢:每米重量=0.00617*直径*直径(螺纹钢和圆钢相同)扁钢:每米重量=0.00785*厚度*边宽管材:每米重量=0.0246615*壁厚*(外径-壁厚)板材:每米重量=7.85*厚度黄铜管:每米重量=0.02670*壁厚*(外径-壁厚)紫铜管:每米重量=0.02796*壁厚*(外径-壁厚)铝花纹板:每平方米重量=2.96*厚度有色金属比重:紫铜板8.9黄铜板8.5锌板7.2铅板11.37 有色金属板材的计算公式为:每平方米重量=比重*厚度例如:¢50 50×50×0.00609=15.23Kg/米★直径×直径×0.00623=kg/m(适用于301 303 304 316 316L 321)例如:¢50 50×50×0.00623=15.575Kg/米---------------------------------------------------------------------------------------------------------------------------------------------------------------------------------------------不锈钢型材,理论计算公式◆六角棒对边×对边×0.0069=Kg/米◆方棒边宽×边宽×0.00793=Kg/米---------------------------------------------------------------------------------------------------------------------------------------------------------------------------------------------不锈钢管,理论计算公式○(外径-壁厚)×壁厚×0.02491=Kg/米例如¢57×3.5 (57-3.5)×3.5×0.02491=4.66Kg/米---------------------------------------------------------------------------------------------------------------------------------------------------各种钢管(材)重量计算通用公式钢管的重量=0.25×π×(外径平方-内径平方)×L×钢铁比重其中:π = 3.14 L=钢管长度钢铁比重取7.8 所以,钢管的重量=0.25×3.14×(外径平方-内径平方)×L×7.8 * 如果尺寸单位取米(M),则计算的重量结果为公斤(Kg)---------------------------------------------------------------------------------------------------------------------------------------------------------------------------------------------钢的密度为:7.85g/cm3钢材理论重量计算钢材理论重量计算的计量单位为公斤(kg )。
不锈钢理论重量计算公式
不锈钢是指具有耐酸、耐碱、耐腐蚀等性能的合金钢,主要成分是铁、铬和碳等元素的合金。
不锈钢的重量计算公式与一般的金属重量计算公式
类似,但需要考虑不锈钢的特殊成分和含量。
不锈钢的理论重量计算公式如下:
其中,断面积是指不锈钢截面的面积,长度是指材料的长度,密度是
指不锈钢的密度。
需要注意的是,密度一般由不同的不锈钢材料所决定,
不同材料的密度可能有所差异,需要根据实际情况进行具体计算。
以常用的304不锈钢为例,其密度约为7.93 g/cm³。
假设有一根304
不锈钢材料,截面积为100 mm²,长度为1 m,可以通过以上公式进行计算:
同样的,若是316不锈钢材料,其密度约为8.00 g/cm³,可以通过
以上公式进行计算:
需要注意的是,以上公式只适用于一维直线结构的不锈钢材料,如果
不锈钢材料为复杂结构或曲面形状,则需要进行更为精确的计算。
不锈钢的密度可以通过实验测定、文献查询或材料供应商提供的技术
资料进行确定。
此外,还可以通过不同牌号的不锈钢材料的密度范围进行
估算。
总之,不锈钢的理论重量计算公式是根据不锈钢的断面积、长度和密
度来计算的。
通过该公式,可以方便地计算不锈钢材料的重量,并用于工
程设计、材料采购等方面。
不锈钢的计算公式不锈钢的计算公式,这可真是个有趣但又有点复杂的话题。
咱们先来说说为啥要了解不锈钢的计算公式。
就拿我前阵子遇到的一件事儿来说吧,我家厨房的水槽坏了,打算换一个新的不锈钢水槽。
去市场挑的时候,发现价格差别还挺大。
我就好奇啊,这到底是怎么定的价?这才发现,原来了解不锈钢的计算公式能帮咱搞清楚这里面的门道。
那不锈钢的重量计算公式是啥呢?一般来说,不锈钢板的重量(kg)=厚度(mm)×宽度(m)×长度(m)×密度(7.93)。
比如说,一块厚度为 5mm,宽度为 1.5m,长度为 2m 的不锈钢板,它的重量就是5×1.5×2×7.93 = 118.95kg 。
不锈钢管的重量计算公式又不一样啦。
不锈钢管的重量(kg)=(外径 - 壁厚)×壁厚×0.02491×长度(m)。
打个比方,一根外径为50mm,壁厚为 3mm,长度为 6m 的不锈钢管,它的重量就是(50 - 3)×3×0.02491×6 ≈ 21.38kg 。
再说说不锈钢棒的重量计算公式,不锈钢棒的重量(kg)=直径(mm)×直径(mm)×0.00623×长度(m)。
假设一根直径为 20mm,长度为 3m 的不锈钢棒,那它的重量就是20×20×0.00623×3 ≈ 7.48kg 。
在实际生活中,这计算公式用处可大了。
就像我朋友开了个小加工厂,专门做不锈钢制品的。
有一次接到一个大订单,要做一批不锈钢的架子。
他一开始没算好材料的用量,结果买多了,浪费了不少钱。
后来他学聪明了,每次接订单都先用这些公式算得清清楚楚,再也没出过这种亏本钱的事儿。
还有啊,我之前去一个工厂参观,看到工人们在那认真地计算不锈钢材料的用量。
他们拿着尺子量,拿着计算器按,那专注的劲儿,让我深深感受到这些计算公式的重要性。
角钢:每米重量=0.00785*(边宽+边宽-边厚)*边厚圆钢:每米重量=0.00617*直径*直径(螺纹钢和圆钢相同)扁钢:每米重量=0.00785*厚度*边宽管材:每米重量=0.0246615*壁厚*(外径-壁厚)板材:每米重量=7.85*厚度黄铜管:每米重量=0.02670*壁厚*(外径-壁厚)紫铜管:每米重量=0.02796*壁厚*(外径-壁厚)铝花纹板:每平方米重量=2.96*厚度有色金属比重:紫铜板8.9黄铜板8.5锌板7.2铅板11.37 有色金属板材的计算公式为:每平方米重量=比重*厚度----------------------------------------------------------------------------------------------------------不锈钢板理论重量计算公式钢品理论重量重量(kg)=厚度(mm)×宽度(mm)×长度(mm)×密度值密度钢种7.93 201,202,301,302,304,304L,305,3217.75 405,410,4207.98 309S,310S,316S,316L,347---------------------------------------------------------------------------------------------------------------------------------------------------------------------------------------------不锈钢元棒,钢丝,理论计算公式★直径×直径×0.00609=kg/m(适用于410 420 420j2 430 431)例如:¢50 50×50×0.00609=15.23Kg/米★直径×直径×0.00623=kg/m(适用于301 303 304 316 316L 321)例如:¢50 50×50×0.00623=15.575Kg/米---------------------------------------------------------------------------------------------------------------------------------------------------------------------------------------------不锈钢型材,理论计算公式◆六角棒对边×对边×0.0069=Kg/米◆方棒边宽×边宽×0.00793=Kg/米---------------------------------------------------------------------------------------------------------------------------------------------------------------------------------------------不锈钢管,理论计算公式○(外径-壁厚)×壁厚×0.02491=Kg/米例如¢57×3.5 (57-3.5)×3.5×0.02491=4.66Kg/米---------------------------------------------------------------------------------------------------------------------------------------------------各种钢管(材)重量计算通用公式钢管的重量=0.25×π×(外径平方-内径平方)×L×钢铁比重其中:π = 3.14 L=钢管长度钢铁比重取7.8 所以,钢管的重量=0.25×3.14×(外径平方-内径平方)×L×7.8 * 如果尺寸单位取米(M),则计算的重量结果为公斤(Kg)---------------------------------------------------------------------------------------------------------------------------------------------------------------------------------------------钢的密度为: 7.85g/cm3钢材理论重量计算钢材理论重量计算的计量单位为公斤( kg )。
不锈钢管理论重量计算公式不锈钢的重量可以通过以下公式计算:重量=面积×密度×厚度在这个公式中,面积是指不锈钢材料的表面积,密度是指不锈钢材料的密度,厚度是指不锈钢材料的厚度。
面积的计算方法取决于不同的形状和尺寸。
例如,在矩形形状的不锈钢板上,可以通过将长度与宽度相乘来计算面积。
在圆形形状的不锈钢管道上,可以通过将π乘以半径平方来计算面积。
不锈钢的密度也是一个重要的参数,它通常以克/立方厘米或克/毫升为单位。
不同的不锈钢材料具有不同的密度值,从而影响到重量的计算。
厚度是不锈钢材料的另一个关键参数,通常以毫米或英寸为单位。
厚度的值取决于具体的设计要求和应用场景,例如在建筑和航空领域中,不锈钢材料的厚度要求可能会不同。
举例来说,假设有一块矩形不锈钢板的尺寸为2米×1米,厚度为3毫米,密度为7.93克/立方厘米。
首先,我们可以计算出面积:面积=2×1=2平方米然后,我们可以将面积、密度和厚度代入公式进行计算:重量=2平方米×7.93克/立方厘米×3毫米=47.58克通过这个计算,我们可以得到这块不锈钢板的重量为47.58克。
当然,对于复杂形状的不锈钢材料,面积的计算可能会更加复杂。
在这种情况下,我们可以将不锈钢材料分解为更小的几何形状,并分别计算它们的面积,最后将它们的重量相加得到最终的结果。
总之,不锈钢管理论涉及到不锈钢材料的各种性质和管理方法。
重量计算是其中重要的内容之一,它可以通过面积、密度和厚度的关系进行计算。
对于不同形状和尺寸的不锈钢材料,我们可以根据具体的计算需求选择合适的公式和方法进行计算。
角钢:每米重量=0.00785*(边宽+边宽-边厚)*边厚圆钢:每米重量=0.00617*直径*直径(螺纹钢和圆钢相同)扁钢:每米重量=0.00785*厚度*边宽管材:每米重量=0.0246615*壁厚*(外径-壁厚)板材:每米重量=7.85*厚度黄铜管:每米重量=0.02670*壁厚*(外径-壁厚)紫铜管:每米重量=0.02796*壁厚*(外径-壁厚)铝花纹板:每平方米重量=2.96*厚度有色金属比重:紫铜板8.9黄铜板8.5锌板7.2铅板11.37 有色金属板材的计算公式为:每平方米重量=比重*厚度例如:¢50 50×50×0.00609=15.23Kg/米★直径×直径×0.00623=kg/m(适用于301 303 304 316 316L 321)例如:¢50 50×50×0.00623=15.575Kg/米---------------------------------------------------------------------------------------------------------------------------------------------------------------------------------------------不锈钢型材,理论计算公式◆六角棒对边×对边×0.0069=Kg/米◆方棒边宽×边宽×0.00793=Kg/米---------------------------------------------------------------------------------------------------------------------------------------------------------------------------------------------不锈钢管,理论计算公式○(外径-壁厚)×壁厚×0.02491=Kg/米例如¢57×3.5 (57-3.5)×3.5×0.02491=4.66Kg/米---------------------------------------------------------------------------------------------------------------------------------------------------各种钢管(材)重量计算通用公式钢管的重量=0.25×π×(外径平方-内径平方)×L×钢铁比重其中:π = 3.14 L=钢管长度钢铁比重取7.8 所以,钢管的重量=0.25×3.14×(外径平方-内径平方)×L×7.8 * 如果尺寸单位取米(M),则计算的重量结果为公斤(Kg)---------------------------------------------------------------------------------------------------------------------------------------------------------------------------------------------钢的密度为:7.85g/cm3钢材理论重量计算钢材理论重量计算的计量单位为公斤(kg )。
各种不锈钢产品的理论重量计算公式304不锈钢方管的理论重量计算公式(边宽Χ4÷3.14-厚度)Χ厚度Χ0.02491 (密度)密度值7.93 适用于201 202 301 302 304 304L 305 321密度值7.75适用于405 410 420密度值7.98适用于309S 310S 316S 316 316L 347不锈钢元棒,钢丝,理论计算公式★直径×直径×0.00609=kg/m(适用于410 420 420j2 430 431)例如:¢50 50×50×0.00609=15.23Kg/米★直径×直径×0.00623=kg/m(适用于301 303 304 316 316L 321)例如:¢50 50×50×0.00623=15.575Kg/米不锈钢型材,理论计算公式◆六角棒对边×对边×0.0069=Kg/米◆方棒边宽×边宽×0.00793=Kg/米不锈钢管,理论计算公式○(外径-壁厚)×壁厚×0.02491=Kg/米例如¢57×3.5 (57-3.5)×3.5×0.02491=4.66Kg/米无氧退火丝--计算方法每米重(kg)=0.00617×丝径×丝径板材重量计算方法板材:每米重量=7.85*厚度金属计算重量计算公式1. 铁线:直径mm*直径mm*0.00617*长度mm/1000=重量(kg)2. 铁板:厚度mm*宽度mm*长度mm*0.00785/1000=重量(kg)3. 圆管:(外径mm-厚度mm)*厚度mm*长度mm*0.02466/1000=重量(kg)4. 长方管:[(长边+短边)*2/3.1416-厚度]mm*厚度mm*长度mm*0.02466/1000=重量(kg)5. 正方管:(边长*4/3.1416-厚度)mm*厚度mm*长度mm*0.02466/1000=重量(kg)以上重量X材料单价为材料费.加上表面处理+每个工艺流程的工时费+包装材料+出货费+税金+利率= 报价(FOB钢材重量计算方法角钢:每米重量=0.00785*(边宽+边宽-边厚)*边厚圆钢:每米重量=0.00617*直径*直径(螺纹钢和圆钢相同)扁钢:每米重量=0.00785*厚度*边宽管材:每米重量=0.02466*壁厚*(外径-壁厚)板材:每米重量=7.85*厚度黄铜管:每米重量=0.02670*壁厚*(外径-壁厚)紫铜管:每米重量=0.02796*壁厚*(外径-壁厚)铝花纹板:每平方米重量=2.96*厚度有色金属比重:紫铜板8.9黄铜板8.5锌板7.2铅板11.37有色金属板材的计算公式为:每平方米重量=比重*厚度一米宽两米长,厚1毫米的铝板重量是多少啊?怎样算的啊?首先算体积咯,把铝板看做一个柱体体积V=长*宽*高=1*2*0.001=0.002 立方米然后算质量质量m=体积V*密度=0.002*密度(看你用的具体是哪种铝,纯铝、还是铝合金?如果是纯铝(如果是这是一道中学物理题目,不然纯铝不适合)的话就是2700千克每立方米。
不锈钢理论重量计算公式全面不锈钢的理论重量可以通过以下公式计算:重量(kg)= 钢材密度(g/cm³)× 断面积(cm²)× 长度(cm)其中,钢材密度是根据具体的不锈钢材料确定的。
以下是一些常见不锈钢材料的密度:- 不锈钢304的密度为7.93 g/cm³- 不锈钢316的密度为7.98 g/cm³- 不锈钢430的密度为7.7 g/cm³断面积是指钢材的横截面积,可以通过以下公式计算:断面积(cm²)= π × (外径² - 内径²)/ 4其中,外径和内径是钢材的外径和内径,如果是圆柱形的钢材,则外径和内径相等。
长度是指钢材的长度,通常以厘米为单位。
举例来说,假设我们要计算一根不锈钢304材料的圆柱形管子的重量,其外径为10 cm,内径为8 cm,长度为100 cm。
首先计算断面积:断面积(cm²)= π × (10² - 8²)/ 4 = π × (100 - 64) /4 = 36π / 4 = 9π ≈ 28.27 cm²然后根据不锈钢304的密度计算重量:重量(kg)= 7.93 g/cm³ × 28.27 cm² × 100 cm ÷ 1000 =18.82 kg所以,这根不锈钢304材料的圆柱形管子的理论重量为18.82 kg。
注意,以上公式是针对常见形状的不锈钢材料的重量计算公式,对于其他复杂形状的不锈钢材料,需要根据具体情况使用相应的公式进行计算。
不锈钢理论重量计算公式全面
不锈钢的理论重量计算公式是根据不锈钢的密度和几何参数进行计算的。
不锈钢的密度一般为7.93克/立方厘米。
根据不锈钢的几何参数,可以计算出其理论重量。
不锈钢的几何参数主要包括厚度、宽度、长度和形状等。
不同形状的不锈钢可以使用不同的计算公式。
1.矩形不锈钢板的重量计算公式:
重量=密度×厚度×宽度×长度
例如一块厚度为5毫米、宽度为1000毫米、长度为2000毫米的矩形不锈钢板的重量可以计算为:
2.圆形不锈钢管的重量计算公式:
重量=密度×(外径^2-内径^2)×长度×π/4
例如一根外径为50毫米,内径为40毫米,长度为3000毫米的圆形不锈钢管的重量可以计算为:
重量=7.93克/立方厘米×((5厘米)^2-(4厘米)^2)×30厘米
×π/4=4153.04克=4.15千克
3.不锈钢板带洞的重量计算公式:
重量=密度×((长×宽)-(n×洞的面积))×厚度
例如一块厚度为3毫米,长为1000毫米,宽为2000毫米,带有10个直径20毫米的圆洞的不锈钢板的重量可以计算为:
需要注意的是,上述计算公式是理论计算,实际重量还需要考虑到不
锈钢表面的粗糙度、氧化层等因素,所以实际重量可能会有所偏差。
此外,不同地区的不锈钢标准和牌号也可能会有不同的密度数值,所以需要根据
具体情况进行调整。
各种不锈钢产品的理论重量计算公式304不锈钢方管的理论重量计算公式(边宽Χ4÷3.14-厚度)Χ厚度Χ0.02491 (密度)密度值7.93 适用于201 202 301 302 304 304L 305 321密度值7.75适用于405 410 420密度值7.98适用于309S 310S 316S 316 316L 347不锈钢元棒,钢丝,理论计算公式★直径×直径×0.00609=kg/m(适用于410 420 420j2 430 431)例如:¢50 50×50×0.00609=15.23Kg/米★直径×直径×0.00623=kg/m(适用于301 303 304 316 316L 321)例如:¢50 50×50×0.00623=15.575Kg/米不锈钢型材,理论计算公式◆六角棒对边×对边×0.0069=Kg/米◆方棒边宽×边宽×0.00793=Kg/米不锈钢管,理论计算公式○(外径-壁厚)×壁厚×0.02491=Kg/米例如¢57×3.5 (57-3.5)×3.5×0.02491=4.66Kg/米无氧退火丝--计算方法每米重(kg)=0.00617×丝径×丝径板材重量计算方法板材:每米重量=7.85*厚度金属计算重量计算公式1. 铁线:直径mm*直径mm*0.00617*长度mm/1000=重量(kg)2. 铁板:厚度mm*宽度mm*长度mm*0.00785/1000=重量(kg)3. 圆管:(外径mm-厚度mm)*厚度mm*长度mm*0.02466/1000=重量(kg)4. 长方管:[(长边+短边)*2/3.1416-厚度]mm*厚度mm*长度mm*0.02466/1000=重量(kg)5. 正方管:(边长*4/3.1416-厚度)mm*厚度mm*长度mm*0.02466/1000=重量(kg)以上重量X材料单价为材料费.加上表面处理+每个工艺流程的工时费+包装材料+出货费+税金+利率= 报价(FOB钢材重量计算方法角钢:每米重量=0.00785*(边宽+边宽-边厚)*边厚圆钢:每米重量=0.00617*直径*直径(螺纹钢和圆钢相同)扁钢:每米重量=0.00785*厚度*边宽管材:每米重量=0.02466*壁厚*(外径-壁厚)板材:每米重量=7.85*厚度黄铜管:每米重量=0.02670*壁厚*(外径-壁厚)紫铜管:每米重量=0.02796*壁厚*(外径-壁厚)铝花纹板:每平方米重量=2.96*厚度有色金属比重:紫铜板8.9黄铜板8.5锌板7.2铅板11.37有色金属板材的计算公式为:每平方米重量=比重*厚度一米宽两米长,厚1毫米的铝板重量是多少啊?怎样算的啊?首先算体积咯,把铝板看做一个柱体体积V=长*宽*高=1*2*0.001=0.002 立方米然后算质量质量m=体积V*密度=0.002*密度(看你用的具体是哪种铝,纯铝、还是铝合金?如果是纯铝(如果是这是一道中学物理题目,不然纯铝不适合)的话就是2700千克每立方米。
各种不锈钢产品的理论重量计算公式304不锈钢方管的理论重量计算公式(边宽Χ4÷3.14-厚度)Χ厚度Χ0.02491 (密度)密度值7.93 适用于201 202 301 302 304 304L 305 321密度值7.75适用于405 410 420密度值7.98适用于309S 310S 316S 316 316L 347不锈钢元棒,钢丝,理论计算公式★直径×直径×0.00609=kg/m(适用于410 420 420j2 430 431)例如:¢50 50×50×0.00609=15.23Kg/米★直径×直径×0.00623=kg/m(适用于301 303 304 316 316L 321)例如:¢50 50×50×0.00623=15.575Kg/米不锈钢型材,理论计算公式◆六角棒对边×对边×0.0069=Kg/米◆方棒边宽×边宽×0.00793=Kg/米不锈钢管,理论计算公式○(外径-壁厚)×壁厚×0.02491=Kg/米例如¢57×3.5 (57-3.5)×3.5×0.02491=4.66Kg/米无氧退火丝--计算方法每米重(kg)=0.00617×丝径×丝径板材重量计算方法板材:每米重量=7.85*厚度金属计算重量计算公式1. 铁线:直径mm*直径mm*0.00617*长度mm/1000=重量(kg)2. 铁板:厚度mm*宽度mm*长度mm*0.00785/1000=重量(kg)3. 圆管:(外径mm-厚度mm)*厚度mm*长度mm*0.02466/1000=重量(kg)4. 长方管:[(长边+短边)*2/3.1416-厚度]mm*厚度mm*长度mm*0.02466/1000=重量(kg)5. 正方管:(边长*4/3.1416-厚度)mm*厚度mm*长度mm*0.02466/1000=重量(kg)以上重量X材料单价为材料费.加上表面处理+每个工艺流程的工时费+包装材料+出货费+税金+利率= 报价(FOB钢材重量计算方法角钢:每米重量=0.00785*(边宽+边宽-边厚)*边厚圆钢:每米重量=0.00617*直径*直径(螺纹钢和圆钢相同)扁钢:每米重量=0.00785*厚度*边宽管材:每米重量=0.02466*壁厚*(外径-壁厚)板材:每米重量=7.85*厚度黄铜管:每米重量=0.02670*壁厚*(外径-壁厚)紫铜管:每米重量=0.02796*壁厚*(外径-壁厚)铝花纹板:每平方米重量=2.96*厚度有色金属比重:紫铜板8.9黄铜板8.5锌板7.2铅板11.37有色金属板材的计算公式为:每平方米重量=比重*厚度一米宽两米长,厚1毫米的铝板重量是多少啊?怎样算的啊?首先算体积咯,把铝板看做一个柱体体积V=长*宽*高=1*2*0.001=0.002 立方米然后算质量质量m=体积V*密度=0.002*密度(看你用的具体是哪种铝,纯铝、还是铝合金?如果是纯铝(如果是这是一道中学物理题目,不然纯铝不适合)的话就是2700千克每立方米。
不锈钢管理论重量表大全
不锈钢管理论重量表大全是一个包括不同规格、材质、厚度的不锈钢管、板、棒材等制品的重量数据表。
以下是相关参考内容:
1. 不锈钢管的重量计算公式:
不锈钢管的重量 = 外径(mm) ×外径(mm) × 0.02491 ×长度(m)
2. 不锈钢管的标准重量:
常用不锈钢管的标准重量为每米长度的千克数,如A312
TP316L不锈钢无缝管(6mm×1mm)的标准重量为0.123kg/m。
3. 不锈钢板的重量计算公式:
不锈钢板的重量 = 宽度(mm) ×长度(mm) ×厚度(mm) × 7.93 / 1000000
4. 不锈钢板的标准重量:
常用不锈钢板的标准重量为每平方米的千克数,如304不锈钢板(2B面)的标准重量为22.42kg/m²。
5. 不锈钢棒材的重量计算公式:
不锈钢棒材的重量 = 直径(mm) ×直径(mm) ×长度(m) ×
0.00617
6. 不锈钢棒材的标准重量:
常用不锈钢棒材的标准重量为每米长度的千克数,如304不锈钢棒材(直径25mm)的标准重量为3.85kg/m。
以上是不锈钢管理论重量表大全的相关参考内容,希望对您有所帮助。
角钢:每米重量=0.00785* (边宽+边宽-边厚)*边厚
圆钢:每米重量=0.00617*直径*直径(螺纹钢和圆钢相同)扁钢:每米重量=0.00785*厚度*边宽
管材:每米重量=0.0246615*壁厚* (外径-壁厚)
板材:每米重量=7.85*厚度
黄铜管:每米重量=0.02670*壁厚* (外径-壁厚)
紫铜管:每米重量=0.02796*壁厚* (外径-壁厚)
铝花纹板:每平方米重量=2.96*厚度
有色金属比重:紫铜板8.9黄铜板8.5锌板7.2铅板11.37有色金属板材的计算公式为:每平方米重量=比重*厚度
不锈钢理论重量计算:
不锈钢比重:201,304比重7.93,316比重7.98
不锈钢比重:
•铬不锈钢取7.75吨/M3
•铬镍不锈钢取7.93吨/M3
•铁取7.87吨/M3
不锈钢板理论重量计算公式
钢品理论重量重量(kg )=厚度(mm )x宽度(mm )x长度(mm )x密度值密度钢种7.93 201,202,301,302,304,304L,305,321
7.75 405,410,420
7.98 309S,310S,316S,316L,347
不锈钢元棒,钢丝,理论计算公式
★ 直径X直径>0.00609 = kg/m (适用于410 420 420j2 430 431 )
例如:C 50 50 X50X0.00609=15.23Kg/ 米
★直径 >直径X0.00623 = kg/m (适用于301 303 304 316 316L 321 )
例如:C 50 50 X50X0.00623=15.575Kg/ 米
不锈钢型材,理论计算公式
♦六角棒对边X对边X).0069=Kg/米
♦方棒边宽X边宽X).00793=Kg/米
不锈钢管,理论计算公式
O (外径—壁厚) X壁厚X0.02491 = Kg/米
例如C 57X3.5 (57 — 3.5) X.5 X0.02491 = 4.66Kg/ 米
各种钢管(材)重量计算通用公式
钢管的重量=0.25 XnX外径平方-内径平方)X_X钢铁比重其中:n = 3.14 L=钢管长度钢铁比重取7.8所以,钢管的重量=0.25 X3.14 X外径平方-内径平方)X_X7.8 *如果尺寸单位取米(M ),则计算的重量结果为公斤(Kg)
钢的密度为:7.85g/cm3
钢材理论重量计算
钢材理论重量计算的计量单位为公斤(kg )。
其基本公式为:
W (重量,kg )=F(断面积mm2X L(长度,m)Xp 密度,g/cm3)X1/1000
各种钢材理论重量计算公式如下:
圆钢盘条(kg/m )
W= 0.006165 X dXd
d =直径mm
直径100 mm 的圆钢,求每m 重量。
每m 重量=0.006165 x i002=61.65kg
螺纹钢(kg/m )
W= 0.00617 X d X d
d=断面直径mm
断面直径为12 mm 的螺纹钢,求每m重量。
每m重量=0.00617 X12 X12=0.89kg
方钢(kg/m )
W= 0.00785 X a Xa
a=边宽mm
边宽20 mm 的方钢,求每m 重量。
每m 重量=0.00785 X202=3.14kg
扁钢(kg/m )
W= 0.00785 X b X
b=边宽mm
d=厚mm
边宽40 mm,厚5mm 的扁钢,求每m 重量。
每m 重量=0.00785 X40 X5= 1.57kg 六角钢(kg/m )
W= 0.006798 X s X s
s=对边距离mm
对边距离50 mm 的六角钢,求每m重量。
每m重量=0.006798 x502=17kg
八角钢(kg/m )
W= 0.0065 X s X
s=对边距离mm
对边距离80 mm 的八角钢,求每m重量。
每m重量=0.0065 X302=41.62kg
等边角钢(kg/m )
=0.00785 X d (2b —d ) +0.215 (R2 —2r 2 )]
b=边宽
d=边厚
R=内弧半径
r=端弧半径
求20 mm X 4mm 等边角钢的每m重量。
从冶金产品目录中查出4mm X 20 mm 等边角钢的R为3.5 , r 为1.2 ,则每m 重量=0.00785 X X 2 X0 -4 ) +0.215 X( 3.52 -2 X2 2 ) ]=1.15kg
不等边角钢(kg/m )
W= 0.00785 X [d ( B+b -d ) +0.215 ( R2 -2 r 2 )]
B=长边宽
d=边厚
R=内弧半径
r=端弧半径
求30 mm x 20mm X 4mm 不等边角钢的每m重量。
从冶金产品目录中查出30 X20 >4不等边角钢的R 为 3.5」为 1.2,则每m 重量=0.00785 >4 X 30+20 -4 )+0.215 x(3.52 -2 X.2 2 ) ]=1.46kg
槽钢 (kg/m )
W=0.00785 X [hd+2t ( b -d ) +0.349 (R2 -r 2 )]
h=高
b=腿长
d=腰厚
t=平均腿厚
R=内弧半径
r=端弧半径
求80 mm x 43mm x 5mm的槽钢的每m重量。
从冶金产品目录中查出该槽钢t为8 ,R为8 ,r为
4,则每m 重量=0.00785 >80 X+2 X3 x(43 -5 ) +0.349 x(82 -4 2 ) ]=8.04kg
工字钢(kg/m )
W= 0.00785 X [hd+2t (b -d ) +0.615 ( R2 -r 2 )]
h=高
b=腿长
t=平均腿厚
R=内弧半径
r=端弧半径
求250 mm x 118mm x 10mm 的工字钢每m重量。
从金属材料手册中查出该工字钢t为13 , R为10 , r 为5 ,则每m 重量=0.00785 X50 X0+2 X3 x(118 -0)+0.615 x(102 七2 )]=42.03kg
钢板(kg/m2 )
W= 7.85 X d
d=厚
厚度4mm 的钢板,求每m2 重量。
每m2 重量=7.85 >4=31.4kg
钢管(kg/m )(圆管)包括无缝钢管及焊接钢管
W= 0.0246615 X S (D -S )
D=外径
S=壁厚
外径为60 mm 壁厚4mm 的无缝钢管,求每m 重量。
每m 重量=0.02466 X4 (60 ^4 )
=5.52kg
方矩管计算公式:(正方形和长方形(矩形)截面碳钢管计算公式)
每米重量单位:kg/m(千克/米)公式:kg/m = (Oc - 4Wt) * Wt * 0.00785
其中:Oc是外周长,Wt是壁厚;正方形Oc=4*a 长方形Oc=2a+2b a,b是边长。