职业卫生技术服务机构出具虚假证明文件应承担的法律责任
- 格式:docx
- 大小:9.89 KB
- 文档页数:1
一、填空题(请在括号内填写正确答案,每空1分,共10分)1.化学有害因素的职业接触限值包括(时间加权平均容许浓度)、(短时间接触容许浓度)和(最高容许浓度)三类。
(注:请写出汉语全称)2.采样对象中必须包括(有代表性的工作地点)、接触有害物质浓度最高和(接触时间最长)的劳动者。
3.矽尘是指游离二氧化硅含量(大于10% )的粉尘。
4.采集金属性烟尘首选的滤料是(微孔滤膜),采集有机化合物气溶胶选用(玻璃纤维滤膜),采集粉尘选用(过氯乙烯滤膜)。
5.标准采样体积是指在气温为(20 )℃,大气压为101.3kPa下,采集空气样品的体积。
二、判断题(正确打“√”;错误打“×”。
每题1分,共10分)1.活性炭属于非极性吸附剂,吸附非极性和弱极性的有机气体和蒸气,吸附容量大,吸附力强。
(对)2.专职技术人员可以同时在两个以上职业卫生技术机构从业。
(错)3.色谱分析中,柱温升高,柱效升高,但是如果柱温过高,便会影响柱子的分离度。
(对)4.一个有代表性的工作场所内有多台同类生产设备时,1-10台设置1个采样点;10台以上,至少设置2个采样点。
(错)5.按照GBZ159 规定,进行8小时时间加权平均浓度采样检测时可以进行长时间或短时间采样检测。
(对)6.采样过程中应保持采样流量稳定。
长时间采样时应记录采样前后的流量,计算时用采样终止时的流量。
(错)7.呼吸性粉尘浓度采用滤膜称重法进行测定。
(对)8.职业接触限值是指劳动者在职业活动过程中任意一次接触均不引起有害作用的容许接触水平。
(对)9.空白样品的操作同样品采集,但不连接采样器,空白样品同样品同样运输和分析。
(对)10.粉尘采样前后,滤膜称量可以分别使用两台不同的分析天平,只要精度满足要求即可。
(错)三、选择题(每题有一个或一个以上正确答案,每题2分,共20分)1.空气中气溶胶态锰及其化合物用()采集。
A.硅胶管B.过氯乙烯滤膜C.玻璃纤维滤纸D.微孔滤膜2.常用气袋采集以下哪种化合物()。
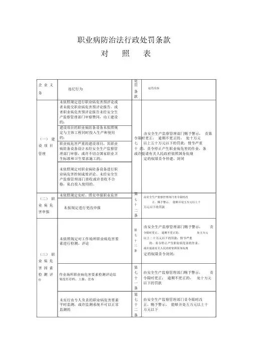
职业病防治法行政处罚条款对照表企业义违纪行为务未依照规定进行职业病危害预评论或者未提交职业病危害预评论报告,或者职业病危害预评论报告未经安全生产监察管理部门审察赞同,动工建设的;建设项目的职业病防备设备未依照规定与主体工程同时投入生产和使用(一)建的;职业病危害严重的建设项目,其职业设项目病防备设备设计未经安全生产监察管管理理部门审察,或许不切合国家职业卫生标准和卫生要求施工的;未依照规定对职业病防备设备进行职业病危害控制成效评论、未经安全生产监察管理部门查收或许查收不合格,私自投入使用的。
(二)职未依照规定实时、照实申报职业危害业病危未按规定进行更改申报害申报未依照规定对工作场所职业病危害要素进行检测、评论(三)职业病危害因素检测评作业场所职业病危害要素检测评论结价果没有存档、上报、宣布未实行由专人负责的职业病危害要素平时监测,或许监测系统不可以正常监测的处罚处罚内容条款由安全生产监察管理部门赐予警示,责第令限时更正;逾期不更正的,处十万元七以上五十万元以下的罚款;情节严重十的,责令停止产生职业病危害的作业,条或许提请有关人民政府依照国务院规定的权限责令停建、封闭第由安全生产监察管理部门责令限时改七正,赐予警示,能够并处五万元以上十十万元以下的罚款二条由安全生产监察管理部门赐予警示,责第令限时更正,逾期不更正的,处五万元七以上二十万元以下的罚款;情节严重十的,责令停止产生职业病危害的作业,三或许提请有关人民政府依照国务院规条定的权限责令封闭:第七由安全生产监察管理部门赐予警示,责十令限时更正;逾期不更正的,处十万元一以下的罚款条第七由安全生产监察管理部门责令限时改十正,赐予警示,能够并处五万元以上十二万元以下条工作场所职业病危害要素的强度或浓度超出国家职业卫生标准工作场所职业病危害要素经治理仍旧达不到国家职业卫生标准和卫生要求(四)作时,未停止存任职业病危害要素的作业场所业的职业卫生条件不切合以下要求:对可能发生急性职业伤害的有毒、有害工作场所,用人单位应该设置报警装置,配置现场抢救用品、冲刷设备、应急撤退通道和必需的泄险区。
职业卫生考试题一、填空题(请在括号内填写正确答案)1.化学有害因素的职业接触限值包括(短时间接触容许溶度)、(时间加权平均容许溶度)和(最高容许溶度)三类。
(注:请写出汉语全称)2.局部排风系统主要由(吸气罩)、(通风管道)、(净化装置)和风机构成。
3.矽尘是指游离二氧化硅含量(超过10%)的粉尘。
4.按通风系统的动力分类,通风系统可分为(机械通风)和(自然通风)。
5.对某工作场所的噪声强度进行测量,声级波动为2dB(A),该噪声属于(稳态噪音)。
6.在同一工业区内布置不同卫生特征的工业企业时,宜避免不同有害因素产生(相互作用)和联合作用。
二、判断题(正确打“√”;错误打“×”)1.国家安全监管总局51号令根据建设项目可能产生职业病危害的风险程度,将其分为职业病危害轻微、一般和严重的建设项目。
(×)2.全面通风的效果与气流组织无关。
(×)3.工业企业的生产区宜选在大气污染物扩散条件好的地段,布置在当地全年最小频率风向的下风侧。
(×)4.专职技术人员可以同时在两个以上职业卫生技术机构从业。
(×)5.噪声和振动较大的生产设备应安装在单层厂房或多层厂房的底层。
(√)6.TWA浓度不能采用定点采样方法进行测定。
(×)7.事故通风风量宜根据工艺设计要求计算确定,但换气次数不宜<10次/h。
(×)8.作业场所内要求的卫生条件比其外界环境的卫生条件高时,应保持作业场所内为负压状态。
(×)9.一氧化氮属于《高毒物品目录》中的物质。
(×)10.一个有代表性的工作场所内有多台同类生产设备时,1-10台设置1个采样点;10台以上,至少设置2个采样点。
(×)三、选择题(每题有一个或一个以上正确答案)1.活性碳管可用来采集下列空气中那种物质( A D )。
A.甲苯B.一氧化碳C.氨气D.乙酸丁酯2.职业卫生技术服务机构超出资质认可或者批准范围从事职业卫生技术服务的,违法所得五千元以上的,并处违法所得( C )的罚款。
职业卫生考试题一、填空题(请在括号内填写正确答案)1.化学有害因素的职业接触限值包括(短时间接触容许溶度)、(时间加权平均容许溶度)和(最高容许溶度)三类。
(注:请写出汉语全称)2.局部排风系统主要由(吸气罩)、(通风管道)、(净化装置)和风机构成。
3.矽尘是指游离二氧化硅含量(超过10%)的粉尘。
4.按通风系统的动力分类,通风系统可分为(机械通风)和(自然通风)。
5.对某工作场所的噪声强度进行测量,声级波动为2dB(A),该噪声属于(稳态噪音)。
6.在同一工业区内布置不同卫生特征的工业企业时,宜避免不同有害因素产生(相互作用)和联合作用。
二、判断题(正确打“√”;错误打“×”)1.国家安全监管总局51号令根据建设项目可能产生职业病危害的风险程度,将其分为职业病危害轻微、一般和严重的建设项目。
(×)2.全面通风的效果与气流组织无关。
(×)3.工业企业的生产区宜选在大气污染物扩散条件好的地段,布置在当地全年最小频率风向的下风侧。
(×)4.专职技术人员可以同时在两个以上职业卫生技术机构从业。
(×)5.噪声和振动较大的生产设备应安装在单层厂房或多层厂房的底层。
(√)6.TWA浓度不能采用定点采样方法进行测定。
(×)7.事故通风风量宜根据工艺设计要求计算确定,但换气次数不宜<10次/h。
(×)8.作业场所内要求的卫生条件比其外界环境的卫生条件高时,应保持作业场所内为负压状态。
(×)9.一氧化氮属于《高毒物品目录》中的物质。
(×)10.一个有代表性的工作场所内有多台同类生产设备时,1-10台设置1个采样点;10台以上,至少设置2个采样点。
(×)三、选择题(每题有一个或一个以上正确答案)1.活性碳管可用来采集下列空气中那种物质( A D )。
A.甲苯B.一氧化碳C.氨气D.乙酸丁酯2.职业卫生技术服务机构超出资质认可或者批准范围从事职业卫生技术服务的,违法所得五千元以上的,并处违法所得( C )的罚款。
【安全生产监管人员】考试题及答案1、【单选题】()是评价机构安全评价工作的核心,表明了安全评价机构从事安全评价工作的发展方向和行动纲领。
(A)A、安全评价过程控制方针B、评价过程控制目标C、安全技术文件2、【单选题】()管理的工作中心是防止人的不安全行为,消除机械或物质的危害。
(A)A、安全B、设备C、生产3、【单选题】《中华人民共和国突发事件应对法》(以下简称《突发事件应对法》)由中华人民共和国第十届全国人民代表大会常务委员会第二十九次会议通过,于2007年()起施行。
(B)A、8月30日B、11月1日C、1月1日4、【单选题】《危险化学品重大危险源辨识》(GB18218-2009)将危险化学品定义为()、有毒、有害等特性,会对人员、设施、环境造成伤害或损害的化学品。
(C)A、放射性B、腐蚀性C、易燃、易爆5、【单选题】《生产安全事故报告和调查处理条例》规定,事故调查中发现涉嫌犯罪的,事故调查组应当及时将有关材料或者其复印件移交()处理。
(C)A、上级机关B、地方政府C、司法机关6、【单选题】《职业病防治法》所指的职业病是()。
(B)A、劳动者因接触粉尘及有毒有害物质而引起的疾病B、用人单位的劳动者在职业活动中,因接触粉尘、放射性物质和其他有毒、有害物质等因素而引起的疾病C、劳动者在工作中所患的疾病7、【单选题】一旦发现有人晕倒在有限/密闭容器内,下面最适合的急救方法是()。
(B)A、第一时间跳下去,把中毒者背上来B、配戴防毒面具或空气呼吸器,在有人监护的情况下施救C、腰上系上绳子,第一时间跳下去,把中毒者拉上来8、【单选题】下列关于安全生产法律体系的基本框架描述不正确的是()。
(C)A、安全生产行政规章分为部门规章和地方政府规章B、上位法没有规定,可以适用下位法。
下位法的数量一般多于上位法C、从法的内容上,可以分综合性法与单一法9、【单选题】为减少爆破对边坡稳定的影响,除严格控制同时爆破炸药量外,还应采用()爆破方式。
(一)1、用人单位及其作业场所符合相关规定,并取得(C.职业卫生安全许可证),方可从事使用有毒物品的作业。
2、粉尘中游离二氧化硅含量10%~﹤50%,呼吸性粉尘最高允许浓度为(A.1)mg/m3。
3、硅尘是指含游离二氧化硅在(B.0.1)以上的粉尘。
4、职业病危害严重的用人单位,应当委托具有相应资质的职业卫生技术服务机构,每(D.三年)年至少进行一次职业病危害现状评价。
5、局部振动监测每年至少测定(A.1)次。
6、对可能发生急性职业损伤的有毒、有害工作场所,用人单位应当设置报警装置,配置现场急救用品、冲洗设备、应急撤离通道和必要的(B.泄险区)。
7、做过实验的安全护具(B.不准)再使用。
8、非法用工单位对其患职业病的职工(C.依法承担赔偿责任)。
9、用人单位的主要负责人和职业卫生管理人员应当接受(D.职业卫生)培训,遵守职业病防治法律、法规,依法组织本单位的职业。
10、尘肺病人进入第(C.三)期时,人们做一般工作甚至休息时时,感觉呼吸困难、胸痛、连续带痰咳嗽,甚至咳血和行动困难。
11、下列哪种气味具有臭鸡蛋气味(C.硫化氢)。
12、下列哪个工种的矿灯带使用期限不超过12个月。
(C.采煤工)13、医疗卫生机构发现疑似职业病病人时,应当告知劳动者本人并及时通知用人单位,(C.用人单位)应当及时安排对疑似职业病人进行诊断。
14、(A.矿尘)是指煤矿生产过程中所产生的各种矿物细微颗粒的总称。
15、尘肺病中(C.煤硅肺病)占的比重最大。
16、职业卫生法律、法规和标准的制定部门是(A.卫生部门)。
17、尘肺病人的临床表现主要有(D.咳嗽咯痰胸痛呼吸困难)症状,此外一些病人可有喘息、咯血以及某些全身症状。
18、工作场所的设备、工具、用具等设施应(B.符合保护劳动者生理、心理健康的要求)。
19、手臂振动病是(A.长期)从事手持振动工具作业而引起的以手部末梢循环和手臂神经功能障碍为主的疾病,并能引起手臂骨关节骨质改变。
最新职业卫生模拟试卷1(共2页)--本页仅作为文档封面,使用时请直接删除即可----内页可以根据需求调整合适字体及大小--1、硅肺病是由于吸入(.游离二氧化硅 )粉尘引起的。
2、出具虚假证明文件的职业卫生服务机构,卫生行政部门对直接负责的 ( 主管人员 )和其他直接责任人员,依法给予降级、撤职或者开除的处分;构成犯罪的,依法追究刑事责任。
3、最高容许接触浓度是指工作地点在(1)个工作日内任何时间均不得超过的浓度。
4、国际劳工组织和世界卫生组织联合发起的全球消除尘肺病的规划,远期目标是到( 2030)年全球消除尘肺病。
5、工作场所的设备、工具、用具等设施应( 符合保护劳动者生理、心理健康的要求)。
6、健康教育的核心问题是( 促使个体或群体改变不健康的行为和生活方式,尤其是改变组织行为 )。
7、《职业病防治法》规定( 劳动者 )依法享有职业卫生保护的权利。
8、矿尘危害主要表现在三个方面:具有燃烧爆炸性,污染环境,(引起职业病)。
9、承担职业病诊断的医疗卫生机构在进行职业病诊断时,应当组织( 3名 )以上取得职业病诊断资格的执业医师集体诊断。
10、任何单位和个人( 不得 )将产生职业病危害的作业转移给不具备职业病防护条件的单位和个人。
11、矿井所用凿岩机、气锤属于(活塞式捶打)工具。
12、煤矿安全监察机构,依照( 《使用有毒物品作业场所劳动保护条例》 )发放职业卫生安全许可证。
13、下列不属于高温作业的是(露天)。
14、《煤矿安全规程》规定,煤矿作业场所的噪声大于(85 )dB(A)时,需配备个体防护用品。
15、工会组织依法对职业病防治工作履行( 监督 )职责,维护劳动者的合法权益。
16、劳动者接触煤尘浓度符合国家卫生标准的健康检查周期是(3)年一次。
17、尘肺病是我国人数最多的一种职业病,目前世界各国尚无有效的治疗方法,因此( 预防 )尤其重要。
18、《煤矿安全规程》规定,井下空气中一氧化碳的最高允许浓度为( % )。
编订:__________________审核:__________________单位:__________________职业卫生技术服务机构违反职业病防治法的法律责任(正式)Deploy The Objectives, Requirements And Methods To Make The Personnel In The Organization Operate According To The Established Standards And Reach The Expected Level.Word格式 / 完整 / 可编辑文件编号:KG-AO-7614-46 职业卫生技术服务机构违反职业病防治法的法律责任(正式)使用备注:本文档可用在日常工作场景,通过对目的、要求、方式、方法、进度等进行具体的部署,从而使得组织内人员按照既定标准、规范的要求进行操作,使日常工作或活动达到预期的水平。
下载后就可自由编辑。
一、未取得职业卫生技术服务资质认可擅自从事职业卫生技术服务的,或者医疗卫生机构未经批准擅自从事职业健康检查、职业病诊断的,由安全生产监督管理部门和卫生行政部门依据职责分工责令立即停止违法行为,没收违法所得;违法所得五千元以上的,并处违法所得二倍以上十倍以下的罚款;没有违法所得或者违法所得不足五千元的,并处五千元以上五万元以下的罚款;情节严重的,对直接负责的主管人员和其他直接责任人员,依法给予降级、撤职或者开除的处分。
二、从事职业卫生技术服务的机构和承担职业健康检查、职业病诊断的医疗卫生机构,有下列行为之一的,由安全生产监督管理部门和卫生行政部门依据职责分工责令立即停止违法行为,给予警告,没收违法所得;违法所得五千元以上的,并处违法所得二倍以上五倍以下的罚款;没有违法所得或者违法所得不足五千元的,并处五千元以上二万元以下的罚款;情节严重的,由原认可或者批准机关取消其相应的资格;对直接负责的主管人员和其他直接责任人员,依法给予降级、撤职或者开除的处分;构成犯罪的,依法追究刑事责任:(一)超出资质认可或者批准范围从事职业卫生技术服务或者职业健康检查、职业病诊断的;(二)不按照本法规定履行法定职责的;(三)出具虚假证明文件的。
一、单选题(共 30 题,每题 1 分)1. 全国各地区、各部门把安全生产与经济社会发展各项工作同步规划、同步部署、同步推进,大力推进三项行动,即大力推进安全生产执法、治理和( A)行动。
A、宣传教育B、严打C、惩罚D、惩处2. 《生产安全事故报告和调查处理条例》规定,任何单位和个人不得(C)对事故的报告和依法调查处理。
A、影响B、强迫C、阻挠和干涉3. 《安全生产法》规定,承担安全评价、认证、检测、检验工作的机构,出具虚假证明的,给予(B )处罚。
A、罚款B、没收违法所得、吊销相应资质C、罚款、撤销相应资质4. 《安全生产法》规定,两个以上生产经营单位在同一作业区域内进行可能危及对方安全生产的生产经营活动,( A)签订安全生产管理协议。
A、应当B、必须C、需要5.《安全生产法》规定,承担安全评价、认证、检测、检验工作的机构,出具虚假证明,给他人造成损害的,(C )A、安全评价、认证、检测、检验机构负责B、生产经营单位负责C、与生产经营单位承担连带赔偿责任6. 《安全生产法》规定,发生较大生产安全事故,对负有责任的生产经营单位除要求其依法承担相应的赔偿等责任外,由安全生产监督管理部门处(B )的罚款。
A、上一年年收入百分之四十B、五十万元以上一百万元以下C、一百万元以上两百万元以下7. 《安全生产法》规定,从业人员发现直接危及人身安全的紧急情况时,有权( C)。
A、拒绝违章指挥和强令冒险作业B、批评、检举、控告C、停止作业或者在采取可能的应急措施后撤离作业场所8. 《安全生产法》规定,生产经营单位的决策机构、主要负责人或者个人经营的投资人不依照本法规定保证安全生产所必须的资金投入,导致发生生产安全事故的,对生产经营单位的主要负责人给予(A )处分。
A、撤职B、降职C、停职9. (B)是针对某种具体的、特定类型的紧急情况,如危险物质泄漏、火灾、某一自然灾害等而制定的计划或方案。
明确具体的应急求援程序。
《职业病防治法》(2016修订版)法律责任对应条款摘要第69条违法行为执法检查对应条款行政专家委中行专行技行专技建设单位违反本法规定,有下列行为之一的,由安全生产监督管理部门和卫生行政部门依据职责分工给予警告,责令限期改正;逾期不改正的,处十万元以上五十万元以下的罚款;情节严重的,责令停止产生职业病危害的作业,或者提请有关人民政府按照国务院规定的权限责令停建、关闭(一)未按照规定进行职业病危害预评价的;《职业病防治法》第17条(二)医疗机构可能产生放射性职业病危害的建设项目未按照规定提交放射性职业病危害预评价报告,或者放射性职业病危害预评价报告未经卫生行政部门审核同意,开工建设的;《职业病防治法》第17条第2款(三)建设项目的职业病防护设施未按照规定与主体工程同时设计、同时施工、同时投入生产和使用的;《职业病防治法》第18条第1款(四)建设项目的职业病防护设施设计不符合国家职业卫生标准和卫生要求,或者医疗机构放射性职业病危害严重的建设项目的防护设施设计未经卫生行政部门审查同意擅自施工的;《职业病防治法》第18条第2款(五)未按照规定对职业病防护设施进行职业病危害控制效果评价的;《职业病防治法》第18条第3款(六)建设项目竣工投入生产和使用前,职业病防护设施未按照规定验收合格的。
《职业病防治法》第18条第3款备注《职业病防治法》法律责任对应条款摘要第70条违法行为执法检查对应条款行政专家委中行专行技行专技违反本法规定,有下列行为之一的,由安全生产监督管理部门给予警告,责令限期改正;逾期不改正的,处十万元以下的罚款:(一)工作场所职业病危害因素检测、评价结果没有存档、上报、公布的;《职业病防治法》第26条第2款(二)未采取本法第二十条规定的职业病防治管理措施的;《职业病防治法》第20条(三)未按照规定公布有关职业病防治的规章制度、操作规程、职业病危害事故应急救援措施的;《职业病防治法》第24条第1款(四)未按照规定组织劳动者进行职业卫生培训,或者未对劳动者个人职业病防护采取指导、督促措施的;《职业病防治法》第34条第2款(五)国内首次使用或者首次进口与职业病危害有关的化学材料,未按照规定报送毒性鉴定资料以及经有关部门登记注册或者批准进口的文件的。
Live your life with your heart, and don't take the eyes of others as the yardstick.通用参考模板(页眉可删)违反《职业病防治法》的法律责任有哪些?导读:建设单位违反本法规定,有下列行为之一的,由安全生产监督管理部门和卫生行政部门依据职责分工给予警告,责令限期改正。
逾期不改正的,处十万元以上五十万元以下的罚款。
情节严重的,责令停止产生职业病危害的作业,或者提请有关人民政府按照国务院规定的权限责令停建、关闭1、未按照规定进行职业病危害预评价的等行为。
《职业病防治法》的出台是为了预防、控制和消除职业病危害,防治职业病,保护劳动者健康及其相关权益,促进经济社会发展。
用人单位应当加强劳动者日常工作中,职业危害因素的产生,坚持预防为主、防治结合的方针。
第六章法律责任第六十九条建设单位违反本法规定,有下列行为之一的,由安全生产监督管理部门和卫生行政部门依据职责分工给予警告,责令限期改正;逾期不改正的,处十万元以上五十万元以下的罚款;情节严重的,责令停止产生职业病危害的作业,或者提请有关人民政府按照国务院规定的权限责令停建、关闭:(一)未按照规定进行职业病危害预评价的;(二)医疗机构可能产生放射性职业病危害的建设项目未按照规定提交放射性职业病危害预评价报告,或者放射性职业病危害预评价报告未经卫生行政部门审核同意,开工建设的;(三)建设项目的职业病防护设施未按照规定与主体工程同时设计、同时施工、同时投入生产和使用的;(四)建设项目的职业病防护设施设计不符合国家职业卫生标准和卫生要求,或者医疗机构放射性职业病危害严重的建设项目的防护设施设计未经卫生行政部门审查同意擅自施工的;(五)未按照规定对职业病防护设施进行职业病危害控制效果评价的;(六)建设项目竣工投入生产和使用前,职业病防护设施未按照规定验收合格的。
第七十条违反本法规定,有下列行为之一的,由安全生产监督管理部门给予警告,责令限期改正;逾期不改正的,处十万元以下的罚款:(一)工作场所职业病危害因素检测、评价结果没有存档、上报、公布的;(二)未采取本法第二十条规定的职业病防治管理措施的;(三)未按照规定公布有关职业病防治的规章制度、操作规程、职业病危害事故应急救援措施的;(四)未按照规定组织劳动者进行职业卫生培训,或者未对劳动者个人职业病防护采取指导、督促措施的;(五)国内首次使用或者首次进口与职业病危害有关的化学材料,未按照规定报送毒性鉴定资料以及经有关部门登记注册或者批准进口的文件的。
职业卫生考试题一、填空题(请在括号内填写正确答案)1.化学有害因素的职业接触限值包括(短时间接触容许溶度)、(时间加权平均容许溶度)和(最高容许溶度)三类。
(注:请写出汉语全称)2.局部排风系统主要由(吸气罩)、(通风管道)、(净化装置)和风机构成。
3.矽尘是指游离二氧化硅含量(超过10%)的粉尘。
4.按通风系统的动力分类,通风系统可分为(机械通风)和(自然通风)。
5.对某工作场所的噪声强度进行测量,声级波动为2dB(A),该噪声属于(稳态噪音)。
6.在同一工业区内布置不同卫生特征的工业企业时,宜避免不同有害因素产生(相互作用)和联合作用。
二、判断题(正确打“√”;错误打“×”)1.国家安全监管总局51号令根据建设项目可能产生职业病危害的风险程度,将其分为职业病危害轻微、一般和严重的建设项目。
(×)2.全面通风的效果与气流组织无关。
(×)3.工业企业的生产区宜选在大气污染物扩散条件好的地段,布置在当地全年最小频率风向的下风侧。
(×)4.专职技术人员可以同时在两个以上职业卫生技术机构从业。
(×)5.噪声和振动较大的生产设备应安装在单层厂房或多层厂房的底层。
(√)6.TWA浓度不能采用定点采样方法进行测定。
(×)7.事故通风风量宜根据工艺设计要求计算确定,但换气次数不宜<10次/h。
(×)8.作业场所内要求的卫生条件比其外界环境的卫生条件高时,应保持作业场所内为负压状态。
(×)9.一氧化氮属于《高毒物品目录》中的物质。
(×)10.一个有代表性的工作场所内有多台同类生产设备时,1-10台设置1个采样点;10台以上,至少设置2个采样点。
(×)三、选择题(每题有一个或一个以上正确答案)1.活性碳管可用来采集下列空气中那种物质(AD )。
A.甲苯B.一氧化碳C.氨气D.乙酸丁酯2.职业卫生技术服务机构超出资质认可或者批准范围从事职业卫生技术服务的,违法所得五千元以上的,并处违法所得( C )的罚款。
法律法规中的职业卫生处罚项《职业病防治法》第七十条建设单位违反本法规定,有下列行为之一的,由安全生产监督管理部门给予警告,责令限期改正;逾期不改正的,处十万元以上五十万元以下的罚款;情节严重的,责令停止产生职业病危害的作业,或者提请有关人民政府按照国务院规定的权限责令停建、关闭:(一)未按照规定进行职业病危害预评价或者未提交职业病危害预评价报告,或者职业病危害预评价报告未经安全生产监督管理部门审核同意,开工建设的;(二)建设项目的职业病防护设施未按照规定与主体工程同时投入生产和使用的;(三)职业病危害严重的建设项目,其职业病防护设施设计未经安全生产监督管理部门审查,或者不符合国家职业卫生标准和卫生要求施工的;(四)未按照规定对职业病防护设施进行职业病危害控制效果评价、未经安全生产监督管理部门验收或者验收不合格,擅自投入使用的。
第七十一条违反本法规定,有下列行为之一的,由安全生产监督管理部门给予警告,责令限期改正;逾期不改正的,处十万元以下的罚款:(一)工作场所职业病危害因素检测、评价结果没有存档、上报、公布的;(二)未采取本法第二十一条规定的职业病防治管理措施的;(三)未按照规定公布有关职业病防治的规章制度、操作规程、职业病危害事故应急救援措施的;(四)未按照规定组织劳动者进行职业卫生培训,或者未对劳动者个人职业病防护采取指导、督促措施的;(五)国内首次使用或者首次进口与职业病危害有关的化学材料,未按照规定报送毒性鉴定资料以及经有关部门登记注册或者批准进口的文件的。
第七十二条用人单位违反本法规定,有下列行为之一的,由安全生产监督管理部门责令限期改正,给予警告,可以并处五万元以上十万元以下的罚款:(一)未按照规定及时、如实向安全生产监督管理部门申报产生职业病危害的项目的;(二)未实施由专人负责的职业病危害因素日常监测,或者监测系统不能正常监测的;(三)订立或者变更劳动合同时,未告知劳动者职业病危害真实情况的;(四)未按照规定组织职业健康检查、建立职业健康监护档案或者未将检查结果书面告知劳动者的;(五)未依照本法规定在劳动者离开用人单位时提供职业健康监护档案复印件的。
《职业卫生技术服务机构管理办法》(卫生部第31号令)中华人民共和国卫生部令第31号《职业卫生技术服务机构管理办法》已于2002年7月19日经卫生部部务会讨论通过,现予发布,自2002年9月1日起施行。
部长张文康二○○二年七月三十一日职业卫生技术服务机构管理办法第一章总则第一条为了规范职业卫生技术服务行为,加强对职业卫生技术服务机构的管理,根据《中华人民共和国职业病防治法》,制定本办法。
第二条本办法所称职业卫生技术服务机构是指为实施职业病防治法服务的职业卫生技术机构。
职业卫生技术服务包括建设项目职业病危害评价、职业病危害因素的检测与评价、化学品毒性鉴定、放射卫生防护检测与评价、职业病防护设施与个人职业病防护用品效果评价、放射防护器材和含放射性产品检测等项目。
第三条凡从事职业卫生技术服务的机构,必须取得卫生部或者省级卫生行政部门颁发的《职业卫生技术服务资质证书》,并按照资质证书规定的项目,从事职业卫生技术服务工作。
第四条卫生部负责对从事下列项目的职业卫生技术服务机构进行资质审定:(一)化学品毒性鉴定;(二)职业病防护设施与职业病防护用品的效果评价;(三)放射防护器材和含放射性产品检测;(四)建设项目职业病危害评价(甲级)。
第五条省级卫生行政部门负责对从事下列项目的职业卫生技术服务机构进行资质审定:(一)职业病危害因素的检测与评价;(二)放射卫生防护检测与评价;(三)建设项目职业病危害评价(乙级)。
第六条取得建设项目职业病危害评价资质(甲级和乙级)的技术服务机构可以承担职业病危害评价工作,但下列建设项目的职业病危害评价应当由取得甲级资质的机构承担:(一)国务院及其职能部门审批的国家重点建设项目;(二)核设施等特殊性质的建设项目;(三)卫生部规定由甲级资质机构承担的其他建设项目。
第七条取得建设项目职业病危害评价资质(甲级和乙级)的技术服务机构,同时取得职业病危害因素检测与评价的资质。
取得建设项目职业病危害评价甲级资质的技术服务机构,不再重复申请乙级资质。
职业卫生技术服务机构监督管理暂行办为了加强对职业卫生技术服务机构的监督管理,制定了职业卫生技术服务机构监督管理暂行,下面是办法的详细内容,欢迎阅读。
职业卫生技术服务机构监督管理暂行办法(2012年4月27日国家安全监管总局令第50号公布,根据2015年5月29日国家安全监管总局令第80号修正)第一章总则第一条为了加强对职业卫生技术服务机构的监督管理,规范职业卫生技术服务行为,根据《中华人民共和国职业病防治法》,制定本办法。
第二条在中华人民共和国境内申请职业卫生技术服务机构资质,从事职业卫生检测、评价等技术服务以及安全生产监督管理部门实施职业卫生技术服务机构资质认可与监督管理,适用本办法。
第三条本办法所称职业卫生技术服务机构,是指为建设项目提供职业病危害预评价、职业病危害控制效果评价,为用人单位提供职业病危害因素检测、职业病危害现状评价、职业病防护设备设施与防护用品的效果评价等技术服务的机构。
第四条国家对职业卫生技术服务机构实行资质认可。
职业卫生技术服务机构应当依照本办法取得职业卫生技术服务机构资质得职业卫生技术服务机构资质的,不得从事职业卫生检测、评价等技术服第五条职业卫生技术服务机构的资质从高到低分为甲级、乙级、丙级三个等级。
甲级资质由国家安全生产监督管理总局认可及颁发证书乙级资质由省、自治区、直辖市人民政府安全生产监督管理部门(以F简称省级安全生产监督管理部门)认可及颁发证书,并报国家安全生产丙级资质由设区的市级人民政府安全生产监督管理部门简称市级安全生产监督管理部门)认可及颁发证书,并报省级安全生产监督管理部门备案,由省级安全生产监督管理部门报国家安全生产监督管理总局进行登记。
第六条国家安全生产监督管理总局根据社会经济发展水平、区域经济结构和职业卫生技术服务工作的需要,对职业卫生技术服务机构的设置实行统筹规划、合理布局和总量控制。
第七条取得甲级资质的职业卫生技术服务机构,可以根据认可的业务范围在全国从事职业卫生技术服务活动。