“三宝四口五临边”检查表
- 格式:docx
- 大小:9.05 KB
- 文档页数:1
临边洞口防护验收表
工程名称:工程形象:验收日期:
序
号
验收项目验收标准检验结果
1 资料有临边和洞口防护方案,做到防护规范化、标准化、工具化
实际防护与图纸或方案相同
2 楼梯口楼梯口设置二道栏杆,上杆1.2米下杆0.5-0.6米,楼梯井空间距较大应每二层设隔离防坠网(棚)
3 预留洞口楼地面短边尺寸大于2.5米的预留洞口,必须使用工具化定型化的盖板,较大的利用结构配筋网,洞口周边设二道防护栏杆,强度符合要求,栏杆主杆间距不起过2cm,口下方设安全网
4 通道口底层人员进出通道口,临街建筑的外人行道,搭设牢固可靠的防坠防护棚,抗10KN·㎡冲击力,强度不够的设置双层防护棚,中间隔开0.7米
5 电梯井、口电梯口必须装置1.5—1.8米高固定棚栏门,并挂醒目警示标志。
电梯井内随建筑物的增高每二层或不大于10m设一道安全平网或逐层满铺竹笆等材封严。
6
阳台边
楼层周边
屋面周边
基坑过沟槽边
阳台边、楼层周边设置二道栏杆,高度1.2米、0.6
米,屋面周边外脚手架高处檐口1.5米,用密目网
封闭,基坑边、沟槽边设置直道防护栏,高度1.2
米、0.6米,夜间设置红灯警示。
所有防护栏杆必
须涂红白相同或黄黑相间的安全色
项目部验收意见:
专职安全员:生产经理:年月日项目监理部验收意见:
监理员:专业监理工程师:年月日。
三宝四口五临边
1、“三宝”是建筑工人安全防护的三件宝,即安全帽、安全带、安全网;
2、“四口”防护即在建工程的预留洞口、电梯井口、通道口、楼梯口的安全防护设施;
3、“五临边”防护即在建工程的楼面临边、屋面临边、阳台临边、升降口临边、基坑临边的安全防护设施。
“三宝、四口、五临边”防护的具体做法一般是:
现场人员坚持使用“三宝”。
进入现场人员必须戴安全帽并系紧帽带,穿胶底鞋,不得穿硬底鞋、高跟鞋、拖鞋或赤脚、高处作业必须系安全带。
做好“四口”的防护工作。
在楼梯口、电梯口、预留洞口设置围拦、盖板、架网,正在施工的建筑物出人口和井字架,门式架进出料口,必须搭设符合要求的防护棚,并设置醒目的标志。
做好“五临边”的防护工作。
五临边指阳台周边,屋面周边,框架工程楼层周边,跑道,斜道两侧边,卸料平台的外侧边。
“五临边“必须设置1.0M以上的双层围栏或搭设安全网。
“三宝”,“四口”防护检查表正式
资料doc
正式版文档资料可直接使用,可编辑,欢迎下载
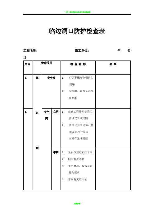
临边洞口防护检查表
整理和整顿活动检查表
编号:部门:班组:检查日期:检查组长:
清扫、清洁活动检查表
编号:部门:班组:检查日期:检查组长:
节约、安全活动检查表
编号:部门:班组:检查日期:检查组长:
素养及修养活动检查表
编号:
整理和整顿效果检查表
编号:
清扫、清洁效果检查表
编号:
清扫、清洁效果检查表
编号:
节约、安全效果检查表
编号:部门:班组:检查日期:检查组长:
修养及素养效果检查表
编号:HHDZ-JC-08-1
部门:班组:检查日期:检查组长:
修养及素养效果检查表
编号:部门:班组:检查日期:检查组长:
5S检查表(现场使用)
5S检查表(仓库使用)。