电子电路图及工作原理
- 格式:doc
- 大小:161.00 KB
- 文档页数:10
三极管开关电路图原理及设计详解晶体管开关电路(工作在饱和态)在现代电路设计应用中屡见不鲜,经典的74LS,74ALS等集成电路内部都使用了晶体管开关电路,只是驱动能力一般而已。
TTL晶体管开关电路按驱动能力分为小信号开关电路和功率开关电路;按晶体管连接方式分为发射极接地(PNP晶体管发射极接电源)和射级跟随开关电路。
1. 发射极接地开关电路1.1 NPN型和PNP型基本开关原理图:上面的基本电路离实际设计电路还有些距离:由于晶体管基极电荷存储积累效应使晶体管从导通到断开有一个过渡过程(当晶体管断开时,由于R1的存在,减慢了基极电荷的释放,所以Ic不会马上变为零)。
也就是说发射极接地型开关电路存在关断时间,不能直接应用于中高频开关。
1.2 实用的NPN型和PNP型开关原理图1(添加加速电容):解释:当晶体管突然导通(IN信号突然发生跳变),C1瞬间短路,为三极管快速提供基极电流,这样加速了晶体管的导通。
当晶体管突然关断(IN信号突然发生跳变),C1也瞬间导通,为卸放基极电荷提供一条低阻通道,这样加速了晶体管的关断。
C通常取值几十到几百皮法。
电路中R2是为了保证没有IN输入高电平时三极管保持关断状态;R4是为了保证没有IN输入低电平时三极管保持关断状态。
R1和R3是基极电流限流用。
1.3 实用的NPN型开关原理图2(消特基二极管钳位):解释:由于消特基二极管Vf为0.2至0.4V比Vbe小,所以当晶体管导通后大部分的基极电流是从二极管然后通过三极管到地的,这样流到三极管基极的电流就很小,积累起来的电荷也少,当晶体管关断(IN信号突然发生跳变)时需要卸放的电荷少,关断自然就快。
1.4 实际电路设计在实际电路设计中需要考虑三极管Vceo,Vcbo等满足耐压,三极管满足集电极功耗;通过负载电流和hfe (取三极管最小hfe来计算)计算基极电阻(要为基极电流留0.5至1倍的余量)。
注意消特基二极管反向耐压。
逆变触发电路图:脉冲及时序板原理图:IGBT逆变电焊机工作原理及输出特性本机采用三相交流380V电压经三相桥式整流、滤波后供给以新型IGBT为功率开关器件的逆变器进行变频(20KC)处理后,由中频变压器降压,再经整流输出可供焊接所需的电源,通过集成电路构成的逻辑控制电路对电压、电流信号的反馈进行处理,实现整机闭环控制,采用脉宽调制PWM为核心的控制技术,从而获得快速脉宽调制的恒流特性和优异的焊接工艺效果。
DC/AC逆变器的制作-------------------------------------------------------------------------------- 江苏电子网QQ:99296827这里介绍的逆变器(见图)主要由MOS 场效应管,普通电源变压器构成。
其输出功率取决于MOS 场效应管和电源变压器的功率,免除了烦琐的变压器绕制,适合电子爱好者业余制作中采用。
下面介绍该逆变器的工作原理及制作过程。
--拓普电子1.电路图2.工作原理这里我们将详细介绍这个逆变器的工作原理。
方波信号发生器(见图3)图3这里采用六反相器CD4069构成方波信号发生器。
电路中R1是补偿电阻,用于改善由于电源电压的变化而引起的振荡频率不稳。
电路的振荡是通过电容C1充放电完成的。
其振荡频率为f=1/2.2RC。
图示电路的最大频率为:fmax=1/2.2×3.3×103×2.2×10-6=62.6Hz;最小频率fmin=1/2.2×4.3×103×2.2×10-6=48.0Hz。
由于元件的误差,实际值会略有差异。
其它多余的反相器,输入端接地避免影响其它电路。
场效应管驱动电路。
图4由于方波信号发生器输出的振荡信号电压最大振幅为0~5V,为充分驱动电源开关电路,这里用TR1、TR2将振荡信号电压放大至0~12V。
如图4所示。
桥式整流电路图及工作原理介绍桥式整流电路如图1所示,图(a)、(b)、(c)是桥式整流电路的三种不同画法。
由电源变压器、四只整流二极管D1~4 和负载电阻RL组成。
四只整流二极管接成电桥形式,故称桥式整流。
图1 桥式整流电路图桥式整流电路的工作原理如图2所示。
在u2的正半周,D1、D3导通,D2、D4截止,电流由TR次级上端经D1→ RL →D3回到TR 次级下端,在负载RL上得到一半波整流电压。
在u2的负半周,D1、D3截止,D2、D4导通,电流由Tr次级的下端经D2→ RL →D4 回到Tr次级上端,在负载RL 上得到另一半波整流电压。
这样就在负载RL上得到一个与全波整流相同的电压波形,其电流的计算与全波整流相同,即UL = 0.9U2IL = 0.9U2/RL流过每个二极管的平均电流为ID = IL/2 = 0.45 U2/RL每个二极管所承受的最高反向电压为什么叫硅桥,什么叫桥堆目前,小功率桥式整流电路的四只整流二极管,被接成桥路后封装成一个整流器件,称"硅桥"或"桥堆",使用方便,整流电路也常简化为图Z图1(c)的形式。
桥式整流电路克服了全波整流电路要求变压器次级有中心抽头和二极管承受反压大的缺点,但多用了两只二极管。
在半导体器件发展快,成本较低的今天,此缺点并不突出,因而桥式整流电路在实际中应用较为广泛。
二极管整流电路原理与分析半波整流二极管半波整流电路实际上利用了二极管的单向导电特性。
当输入电压处于交流电压的正半周时,二极管导通,输出电压v o=v i-v d。
当输入电压处于交流电压的负半周时,二极管截止,输出电压v o=0。
半波整流电路输入和输出电压的波形如图所示。
二极管半波整流电路对于使用直流电源的电动机等功率型的电气设备,半波整流输出的脉动电压就足够了。
但对于电子电路,这种电压则不能直接作为半导体器件的电源,还必须经过平滑(滤波)处理。
各种电源滤波电路图及工作原理在滤波电路中,主要使用对交流电有特殊阻抗特性的器件,如:电容器、电感器。
本文将对各种形式的滤波电路进行分析。
一、滤波电路种类滤波电路主要有下列几种:电容滤波电路,这是最基本的滤波电路;π型RC滤波电路;π型LC滤波电路;电子滤波器电路。
二、滤波原理1.单向脉动性直流电压的特点图1(a)所示是单向脉动性直流电压波形,从图中可以看出,电压的方向性无论在何时都是一致的,但在电压幅度上是波动的,就是在时间轴上,电压呈现出周期性的变化,所以是脉动性的。
但根据波形分解原理可知,这一电压可以分解成一个直流电压和一组频率不同的交流电压,如图1(b)所示。
在图1(b)中,虚线部分是单向脉动性直流电压U o中的直流成分,实线部分是U o中的交流成分。
图1:单向脉动性电压的分解2.电容滤波原理根据以上的分析,由于单向脉动性直流电压可分解成交流和直流两部分。
在电源电路的滤波电路中,利用电容器的“隔直通交”的特性和储能特性,或者利用电感“隔交通直”的特性可以滤除电压中的交流成分。
图2所示是电容滤波原理图。
图2(a)为整流电路的输出电路。
交流电压经整流电路之后输出的是单向脉动性直流电,即电路中的Uo图2(b)为电容滤波电路。
由于电容C1对直流电相当于开路,这样整流电路输出的直流电压不能通过C1到地,只有加到负载R L上。
对于整流电路输出的交流成分,因C1容量较大,容抗较小,交流成分通过C1流到地端,而不能加到负载R L。
这样,通过电容C1的滤波,从单向脉动性直流电中取出了所需要的直流电压+U。
滤波电容C1的容量越大,对交流成分的容抗越小,使残留在负载R L上的交流成分越小,滤波效果就越好。
图2:电容滤波原理图3.电感滤波原理图3所示是电感滤波原理图。
由于电感L1对直流电相当于通路,这样整流电路输出的直流电压直接加到负载R L上。
对于整流电路输出的交流成分,因L1电感量较大,感抗较大,对交流成分产生很大的阻碍作用,阻止了交流电通过C1流到负载R L。
各种电源滤波电路图及工作原理在滤波电路中,主要使用对交流电有特殊阻抗特性的器件,如:电容器、电感器。
本文将对各种形式的滤波电路进行分析。
一、滤波电路种类滤波电路主要有下列几种:电容滤波电路,这是最基本的滤波电路;兀型RC滤波电路;H型LC滤波电路;电子滤波器电路。
二、滤波原理1•单向脉动性直流电压的特点图1(R所示是单向脉动性直流电压波形,从图中可以看出,电压的方向性无论在何时都是一致的,但在电压幅度上是波动的,就是在时间轴上,电压呈现出周期性的变化,所以是脉动性的。
但根据波形分解原理可知,这一电压可以分解成一个直流电压和一组频率不同的交流电压,如图1 (b)所示。
在图1 (b)中,虚线部分是单向脉动性直流电压U。
中的直流成分,实线部分是U。
中的交流成分。
图1:单向脉动性电压的分解2.电容滤波原理根据以上的分析,由于单向脉动性直流电压可分解成交流和直流两部分。
在电源电路的滤波电路中,利用电容器的“隔直通交”的特性和储能特性,或者利用电感“隔交通直”的特性可以滤除电压中的交流成分。
图2所示是电容滤波原理图。
图2 (a)为整流电路的输岀电路。
交流电压经整流电路之后输出的是单向脉动性直流电,即电路中的Uo 图2 (b)为电容滤波电路。
由于电容CI对直流电相当于开路,这样整流电路输出的直流电压不能通过Cl到地,只有加到负载RL上。
对于整流电路输出的交流成分,因Cl 容量较大,容抗较小,交流成分通过Cl流到地端,而不能加到负载R L。
这样,通过电容Cl的滤波,从单向脉动性直流电中取出了所需要的直流电压+U。
滤波电容Cl的容量越大,对交流成分的容抗越小,使残留在负载RL上的交流成分越小,滤波效果就越好。
(a)(b)图2:电容滤波原理图3.电感滤波原理图3所示是电感滤波原理图。
由于电感Ll对直流电相当于通路,这样整流电路输出的直流电压直接加到负载R二上。
对于整流电路输出的交流成分,因Ll电感量较大,感抗较大,对交流成分产生很大的阻碍作用,阻止了交流电通过Cl流到负载Rx这样,通过电感Ll的滤波,从单向脉动性直流电中取出了所需要的直流电压+U。
电路图详解大全用电路元件符号表示电路连接的图,叫电路图。
电路图是人们为研究、工程规划的需要,用物理电学标准化的符号绘制的一种表示各元器件组成及器件关系的原理布局图,可以得知组件间的工作原理,为分析性能、安装电子、电器产品提供规划方案。
电路图是电子工程师必学的基本技能之一,本文集合了稳压电源、DCDC转换电源、开关电源、充电电路、恒流源相关的经典电路资料,为工程师提供最新鲜的电路图参考资料一、稳压电源1、3~25V电压可调稳压电路图此稳压电源可调范围在3.5V~25V之间任意调节,输出电流大,并采用可调稳压管式电路,从而得到满意平稳的输出电压。
工作原理:经整流滤波后直流电压由R1提供给调整管的基极,使调整管导通,在V1导通时电压经过RP、R2使V2导通,接着V3也导通,这时V1、V2、V3的发射极和集电极电压不再变化(其作用完全与稳压管一样)。
调节RP,可得到平稳的输出电压,R1、RP、R2与R3比值决定本电路输出的电压值。
元器件选择:变压器T选用80W~100W,输入AC220V,输出双绕组AC28V。
FU1选用1A,FU2选用3A~5A。
VD1、VD2选用6A02。
RP选用1W左右普通电位器,阻值为250K~330K,C1选用3300µF/35V电解电容,C2、C3选用0.1µF独石电容,C4选用470µF/35V电解电容。
R1选用180~220Ω/0.1W~1W,R2、R4、R5选用10KΩ、1/8W。
V1选用2N3055,V2选用3DG180或2SC3953,V3选用3CG12或3CG80。
2、10A3~15V稳压可调电源电路图无论检修电脑还是电子制作都离不开稳压电源,下面介绍一款直流电压从3V到15V连续可调的稳压电源,最大电流可达10A,该电路用了具有温度补偿特性的,高精度的标准电压源集成电路TL431,使稳压精度更高,如果没有特殊要求,基本能满足正常维修使用,电路见下图。
电子开关电路图全集一.自锁式可控硅开关电路图:好下图,电路工作原理如下:IC的信号加至BG1,当A为高电位时,BG 1导通后,PUT约10KHZ频率振荡,所以BG1也随之反复通断。
当BG2截止时,C2通过R8,R9充电。
二.单按钮控制开关:电路由降压整流电路,双稳态触发电路和可控硅控制电路等组成,由一个按扭控制电源的通或断,降压整流电路提供直流电压。
· [图文] 电子定时开关电路图· [图文] 电锁定时自停报信电路图· [图文] 电脑控制风扇电路图· [图文] 电风扇自动控制器· [图文] 长时间高精度定时器· [图文] 长定时自然风电路图· [图文] 暗室定时器· [图文] 自动喷雾控制器· [图文] 延时开关电路· [图文] 延时关灯电路图· [图文] 延时关灯电路· [图文] 无静态耗能延时开关电路图· [图文] 无触点定时器· [图文] 通用定时控制器· [图文] 通断电时间独立可调定时器· [图文] 矿井除尘延时光电控制器电路图 · [图文] 交流触发延时控制电路· [图文] 简单的延时关灯器电路图· [图文] 间歇工作的长时间定时器· [图文] 电饭锅双定时控制器· [图文] 触摸式延时开头电路图· [图文] 长时间可调定时器· [图文] 长时间定时器· [图文] 3分钟到4小时定时器· [组图] 定时再触发发生器· [图文] 电冰箱节电器电路图· [图文] 综合控制器· [图文] 自然风定时发生器· [图文] 自动爆光定时器· [图文] 应用PUT的调压及定时器· [图文] 停电自锁开关· [图文] 随机自然风模拟器· [图文] 数字钟定时控制器· [图文] 食品加工机械定时自动开关电路图 · [图文] 实用吊扇控制器· [图文] 轻触式定时开关电路图· [图文] 模拟自然风电路图· [图文] 模拟自然风电路· [图文] 简易自然风模拟电路· [图文] 简单实用的阵风电路图· [图文] 高性能定时器· [图文] 风速程控器· [图文] 放大机定时器· [图文] 仿真自然风控制器· [图文] 多用途家电定时控制器 · [图文] 多用家电控制器· [图文] 多功能控制器· [图文] 多功能家电插座· [图文] 多功能电子控制器电路图 · [图文] 多功能电路图· [图文] 多功能电风扇控制器 · [图文] 定时开关电路图· [图文] 定时交流开关电路图 · [图文] 调压定时两用器。
开关电源工作原理及电路图本文开关电源工作原理是电子开关电源工程师全力整理的原理分析,以丰富的开关电源案例分析,介绍单端正激式开关电源,自激式开关电源,推挽式开关电源、降压式开关电源、升压式开关电源和反转式开关电源。
随着全球对能源问题的重视,电子产品的耗能问题将愈来愈突出,如何降低其待机功耗,提高供电效率成为一个急待解决的问题。
传统的线性稳压电源虽然电路结构简单、工作可靠,但它存在着效率低(只有40% -50%)、体积大、铜铁消耗量大,工作温度高及调整范围小等缺点。
为了提高效率,人们研制出了开关式稳压电源,它的效率可达85% 以上,稳压范围宽,除此之外,还具有稳压精度高、不使用电源变压器等特点,是一种较理想的稳压电源。
正因为如此,开关式稳压电源已广泛应用于各种电子设备中,本文对各类开关电源的工作原理作一阐述。
一、开关式稳压电源的基本工作原理开关式稳压电源接控制方式分为调宽式和调频式两种,在实际的应用中,调宽式使用得较多,在目前开发和使用的开关电源集成电路中,绝大多数也为脉宽调制型。
因此下面就主要介绍调宽式开关稳压电源。
调宽式开关稳压电源的基本原理可参见下图。
对于单极性矩形脉冲来说,其直流平均电压Uo取决于矩形脉冲的宽度,脉冲越宽,其直流平均电压值就越高。
直流平均电压U。
可由公式计算,即Uo=Um×T1/T式中Um为矩形脉冲最大电压值;T为矩形脉冲周期;T1为矩形脉冲宽度。
从上式可以看出,当Um 与T 不变时,直流平均电压Uo 将与脉冲宽度T1 成正比。
这样,只要我们设法使脉冲宽度随稳压电源输出电压的增高而变窄,就可以达到稳定电压的目的。
二、开关式稳压电源的原理电路1、基本电路图二开关电源基本电路框图开关式稳压电源的基本电路框图如图二所示。
交流电压经整流电路及滤波电路整流滤波后,变成含有一定脉动成份的直流电压,该电压进人高频变换器被转换成所需电压值的方波,最后再将这个方波电压经整流滤波变为所需要的直流电压。
电子镇流器知识(一)一、电子镇流器知识1、概述:20世纪70年代出现了世界性的能源危机,节约能源的紧迫感使许多公司致力于节能光源和荧光灯电子镇流器的研究,随着半导体技术飞速发展,各种高反压功率开关器件不断涌现,为电子镇流器的开发提供了条件,70年代末,国外厂家率先推出了第一代电子镇流器,是照明发展史上一项重大的创新。
由于它具有节能等许多优点,引起了全世界的极大关注和兴趣,认为是取代电感镇流器的理想产品,随后一些著名的企业都投入了相当的人力、物力来进行更高一级的研究与开发。
由于微电子技术突飞猛进,促进了电子镇流器向高性能高可靠性方向发展,许多半导体公司推出了专用功率开关器件和控制集成电路的系列产品,1984年,西门子公司开发出了TPA4812等有源功率因数校正电器IC,功率因数达到0.99。
随后一些公司相继推出集成电子镇流器,89年芬兰赫尔瓦利公司又成功推出可调光单片集成电路电子镇流器,电子镇流器目前在全世界特别是发达国家已全国推广应用。
我国对电子镇流器的研究开发起步较晚,技术起点低,早期对这一产品的难度和复杂性认识不足,专用半导体器件开发未跟上,产品质量过不了关,而且市场极不规范,大量的低价劣质品被抛向市场,使消费者蒙受损失,严重损害了电子镇流器的形象。
90年代后期,由于生产水平有了迅速发展和提高,从电路设计到了电子器件的配套都进入了较成熟阶段,优质产品进入建筑工程,随着我国绿色照明工程的实施,为电子镇流器推广应用铺平了道路,国产电子镇流器必将迅速赶上国际先进水平,在竞争的国际市场中占有一席之地。
2、电感镇流器和电子镇流器的工作原理:为了使荧光灯正常工作,必须满足三个条件:a、灯丝的预热电流或灯丝电流b、高电压启动c、限制工作电流电子镇流器知识(二)当开关闭合电路中施加220V 50HZ的交流电源时,电流流过镇流器,灯管灯丝启辉器给灯丝加热(启辉器开始时是断开的,由于施压了一个大于190V以上的交流电压,使得启辉器内的跳泡内的气体弧光放电,使得双金属片加热变形,两个电极靠在一起,形成通路给灯丝加热),当启动器的两个电极靠在一起,由于没有弧光放电,双金属片冷却,两极分开,由于电感镇流器呈感性,当电路突然中断时,在灯两端会产生持续时间约1ms的600V-1500V的脉冲电压,其确切的电压值取决于灯的类型,在放电的情况下,灯的两端电压立即下降,此时镇流器一方面对灯电流进行限制作用,另一方面使电源电压和灯的工作电流之间产生55。
望采纳本文由守望明天的搜罗了稳压电源、DCDC转换电源、开关电源、充电电路、恒流源相关的经典电路资料,为工程师提供最新鲜的电路图参考资料,他是电子工程师的智慧背囊。
一、稳压电源1、3~25V电压可调稳压电路图此稳压电源可调范围在3.5V~25V之间任意调节,输出电流大,并采用可调稳压管式电路,从而得到满意平稳的输出电压。
工作原理:经整流滤波后直流电压由R1提供给调整管的基极,使调整管导通,在V1导通时电压经过RP、R2使V2导通,接着V3也导通,这时V1、V2、V3的发射极和集电极电压不再变化(其作用完全与稳压管一样)。
调节RP,可得到平稳的输出电压,R1、RP、R2与R3比值决定本电路输出的电压值。
元器件选择:变压器T选用80W~100W,输入AC220V,输出双绕组AC28V。
FU1选用1A,FU2选用3A~5A。
VD1、VD2选用6A02。
RP选用1W左右普通电位器,阻值为250K~330K,C1选用3300μF/35V 电解电容,C2、C3选用0.1μF独石电容,C4选用470μF/35V电解电容。
R1选用180~220Ω/0.1W~1W,R2、R4、R5选用10KΩ、1/8W。
V1选用2N3055,V2选用3DG180或2SC3953,V3选用3CG12或3CG80传输文件进行PCB打样2、10A3~15V稳压可调电源电路图无论检修电脑还是电子制作都离不开稳压电源,下面介绍一款直流电压从3V到15V连续可调的稳压电源,最大电流可达10A,该电路用了具有温度补偿特性的,高精度的标准电压源集成电路TL431,使稳压精度更高,如果没有特殊要求,基本能满足正常维修使用,电路见下图。
传输文件进行PCB打样其工作原理分两部分,第一部分是一路固定的5V1.5A稳压电源电路。
第二部分是另一路由3至15V连续可调的高精度大电流稳压电路。
第一路的电路非常简单,由变压器次级8V交流电压通过硅桥QL1整流后的直流电压经C1电解电容滤波后,再由5V三端稳压块LM7805不用作任何调整就可在输出端产生固定的5V1A稳压电源,这个电源在检修电脑板时完全可以当作内部电源使用。
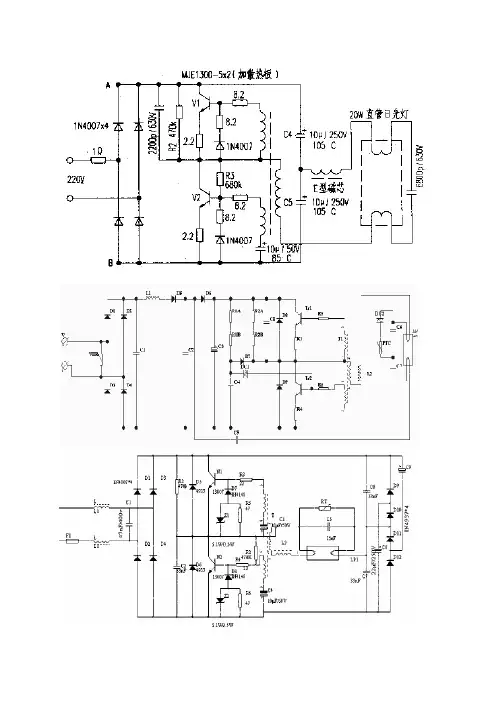
日光灯电子整流器电路工作原理及电路图日光灯为什么必须使用整流器?由于日光灯具有负系数的阻抗特性:电流越大,电阻越小,灯管两端电压逐渐减小。
而电源电压恒定,则多余的电压会损坏灯管。
所以必须在电路上串联一个具有正系数阻抗特性的原件——整流器,来分担多余的电压。
第一种电路简介:D1~D4,整流电路 C1~C2/R1,稳压电路 R2~R3/C3,充放电电路Q1~Q2/L1~L3,锯齿波振荡发生电路 L4,起辉/限流C6,灯管运行中通过微小电流,辅助加热灯丝。
图表1I原理1.市电经D1~D4整流后,由C1、C2稳压、滤波后,得到±150V左右的电源。
2.电源经R3、R2对C3充电,当C3两端电压达到18V后,D7导通,Q2正偏导通。
3.当Q2一旦导通,C3通过Q2、R6放电,为Q2由导通变为截止作准备。
4.L2上部电位迅速降低,由于电感线圈特性——维持电流稳定:所以,L2上产生继续向下流动电流,即产生自感电势:上负下正。
5.同特芯耦合线圈作用,L1上产生一个上正下负感应电势,R7电位上升,Q1由截止变为导通。
6.C3放电使得R8电位降低,和L2共同作用,使得Q2截止。
7.Q1导通、Q2截止后,C3又恢复充电,为Q2导通作准备。
8.这样Q1、Q2交替工作形成振荡状态,在L1、L2上形成锯齿波形信号。
9.振荡信号经L3耦合、并由L4放大升压输出:10.Q2导通、Q1截止时:电流回路:C2上端为正——经过下灯丝——C6——上灯丝——L4——L3——Q2——R6——C2下端。
11.Q1导通、Q2截止时:电流回路:C1上端为正——Q1——R5——L3——L4——经过上灯丝——C6——下灯丝——C1下端。
12.使L4、C6组成的串联谐振电路谐振,产生较高的脉冲谐振电压使灯管燃亮,灯点燃后,由于大部分电流流经灯管,C6电流很小,串联谐整停止,L4起到限流的作用,Q1、Q2继续交替导通,将300V直流电源逆变为25KHZ左右的锯齿波形电流(灯管正常后,灯管两端约为110V电压,其余电压由整流器承担)。
日光灯电子整流器电路工作道理及电路图日光灯为什么必须应用整流器?因为日光灯具有负系数的阻抗特征:电流越大,电阻越小,灯管两头电压逐渐减小.而电源电压恒定,则过剩的电压会破坏灯管.所以必须在电路上串联一个具有正系数阻抗特征的原件——整流器,来分管过剩的电压.第一种电路简介:D1~D4,整流电路C1~C2/R1,稳压电路R2~R3/C3,充放电电路Q1~Q2/L1~L3,锯齿波振荡产生电路L4,起辉/限流C6,灯管运行中经由过程渺小电流,帮助加热灯丝.图表 1道理1.市电经D1~D4整流后,由C1.C2稳压.滤波后,得到±150V 阁下的电源. 2.电源经R3.R2对C3充电,当C3两头电压达到18V 后,D7导通,Q2正偏导通. 3. 当Q2一旦导通,C3经由过程Q2.R6放电,为Q2由导通变成截止作预备.I4.L2上部电位敏捷降低,因为电感线圈特征——保持电流稳固:所以,L2上产生持续向下贱动电流,即产生自感电势:上负下正.5.同特芯耦合线圈感化,L1上产生一个上正下负感应电势,R7电位上升,Q1由截止变成导通.6.C3放电使得R8电位降低,和L2配合感化,使得Q2截止.7.Q1导通.Q2截止后,C3又恢复充电,为Q2导通作预备.8.如许Q1.Q2瓜代工作形成振荡状况,在L1.L2上形成锯齿波形旌旗灯号.9.振荡旌旗灯号经L3耦合.并由L4放大升压输出:10.Q2导通.Q1截止时:电流回路:C2上端为正——经由下灯丝——C6——上灯丝——L4——L3——Q2——R6——C2下端.11.Q1导通.Q2截止时:电流回路:C1上端为正——Q1——R5——L3——L4——经由上灯丝——C6——下灯丝——C1下端.12.使L4.C6构成的串联谐振电路谐振,产生较高的脉冲谐振电压使灯管燃亮,灯点燃后,因为大部分电流流经灯管,C6电流很小,串联谐整停滞,L4起到限流的感化,Q1.Q2持续瓜代导通,将300V直流电源逆变成25KHZ阁下的锯齿波形电流(灯管正常后,灯管两头约为110V电压,其余电压由整流器承担).在图2中:电源经R3.R6对C5充电,当C5充电达到0.7V阁下时Q2导通,其余跟图1电路一样就不再反复.其他类型的电子镇流器的工作道理大同小异第二种电路简介:图表 2图2中:电源经R3.R6对C5充电,当C5充电达到0.7V阁下时Q2导通,其余跟图1电路一样就不再反复.第三种电路:图表 3图中BR及C1构成整流滤波电路.R1.C2及VD2构成半桥逆变器的启动电路.开关晶体管VT1.VT2,电容器C3.C4及T1构成振荡电路.同时VT1.VT2兼作功率开关,VT1和VT2为桥路的有源侧,C3.C4是无源歧路,L1.C5及FL构成电压谐振收集.工作道理在给电子镇流器加市电后,经BR整流C1滤波后,得到约300V的直流电压.电流流经R1对启动电容C2充电.当C2两头电压升高到VD2的转折电压值后,双向二极管VD2导通;C2则经由过程VT2的基极-发射极放电,VT2导通.在VT2导通时代半桥上的电流路径为:+VDc-C3-灯丝FL1-C5-灯丝FL2-振流圈L1-T1初级线圈Tla-VT2-地.电流随VT2导通程度的变更而变更.同时,流过Tla的电流在T1的两个次级线圈T1b和T1c两头产生感应电势.极性是各绕组同名端为负.T1c上的感应电势使得VT2基极的电位进一步升高.V12集电极电流进一步增大,这个正反馈进程,使VT2敏捷进入饱和导通状况.V12导通后.C2将经由过程VD1和VT2放电.T1c.T1b的感应电势逐渐减小至零.VT2基极电位呈降低趋向,IC2减小,T18中的感应电势将阻拦IC2削减,极性是同名端为正.于是VT2基极电位降低,VT1基极电位升高,这种持续的正反馈使VT2敏捷由饱和变到截止.而VT1则由截止跃变到饱和导通,半桥上的电流路径为:+VDc—VT1-T1a-L1-灯丝FL2-C5-灯丝FL1-C4-地.与VT2情形雷同,正反馈又使得VT1敏捷退出饱和变成截止状况.VT2由截止跃变成饱和导通状况.如斯周而复始,VT1和V12轮流导通,流过C5的电流偏向不竭转变.由C5.L1及灯丝构成的LC收集产生串联谐振.C5两头产生高压脉冲,施加到灯管上,使灯点燃.灯点燃后L1起到了限流的感化.其他罕有整流器电路图:1.2.该荧光灯电子镇流器电路由电源电路.高频振荡器和LC串联输出电路构成.电路中,电源电路由熔断器FU.电子滤波变压器T1.电容器C1.C2.压敏电阻器RV 和整流二极管VD1 - VD4构成;高频振荡器电路由晶体管V1.V2,二极管VD5.V D6.电阻器R1一R6.电容器C3一C5和高频变压器TZ构成;LC串联输出电路由限流电感器L.电容器C6.C7和荧光灯管EL构成.接通电源,交换220V电压经T1和C1高频滤波.VD1一VD4整流及C2腻滑滤波后,为高频振荡器供给300V阁下的直流工作电压.在刚接通电源的刹时,V1和V2中某只晶体管优先导通,在高频变压器T2的藕合和反馈感化下,V1和V2瓜代导通与截止,使高频振荡电路进人自激振荡状况,并经由过程L和C6为EL供给启辉电压.当C7两头电压达到EL 的放电电压时,EL启辉点亮.3.两只13005(NPN三极管)构成的电路三极管极脚b c e检测:用万用表检测,只能大致断定(如要配对用最好用图示仪),简略讲就是将万用表打到R*1K档,黑表笔随意率性测一个管脚,红表笔测剩下的别的两管脚,比较读数,找出当黑表笔接触一个固定脚,而红表笔测得别的的两脚的电阻均最小时(大约5—10K),黑表笔所接的脚为基极b,别的两脚为集电极.发射极.在找出基极的情形下,分离将两表笔用手指捏在别的南北极上,用舌头舔一下基极,交换两表笔再舔一下基极,将两次测量时表针偏转较大(阻值较小)的一次,做为基准:黑表笔所接的脚为集电极c,另一边的脚为发射极e.4.5.图表 46.图表 57.图表 68.图表 79.图表 810.图表 911.40W日光灯电子镇流器电道理图图表 1012.图表 11讲一下罕有的易损器件,启动回路的R3,C3和R4,一般R3和R4 较易开路.谐振主回路的C6较易因质量问题耐压不敷击穿,上面的器件破坏一般导致镇流器不工作.CI和C2 电解电容容量削减,将导致启动艰苦.并且C5和C6容量削减也将导致启动不好,灯光闪耀.。
电路图工作原理
电路图是一种图形化表示电子元件和连接方式的工具,用于描述电路的结构和工作原理。
在电路图中,电子元件通过线段和连接点进行连接,表示它们之间的电气连接关系。
电路图的工作原理是将电路中的元件和连接关系以图形的方式表达出来,使得人们能够直观地理解电路的结构和功能。
通过电路图,我们可以清楚地看到电子元件之间的连接方式,以及它们的相互作用和功能。
电路图一般包括电源、电子元件(如电阻、电容、电感、二极管、晶体管等)、连接线和连接点等要素。
电源提供电路所需的电能,电子元件根据其特性和连接方式实现不同的功能,连接线用于连接电子元件,连接点表示元件之间的电气连接关系。
电路图可以分为原理图和布局图两种类型。
原理图主要描述电路的逻辑结构和工作原理,不考虑元件的物理位置和布局情况;布局图则考虑元件的物理位置和布局情况,用于实际的电路设计和制造。
通过仔细观察电路图,我们可以理解电流、电压、电阻、电容、电感等参数在电路中的传递和变化规律,进而推导出电路的功能和性能。
电路图是电子技术领域中非常重要的工具,广泛应用于电路设计、电路分析和故障排除等方面。
日光灯电子整流器电路工作原理及电路图发布:2011-09-06 | 作者: | 来源: zhaofanguo | 查看:3632次 | 用户关注:电子整流器电路工作原理D1~D4和电容C2、C3等构成整流滤波电路,向镇流器提供直流用电;开关功率三极管BG1、BG2和双向触发二级管ST、变压器T等构成高频开关波(方波)电路,其中R1、C4和ST组成锯齿波发生器,用于启动振荡电路;方波振荡电路将直流电变为高频交流电,用于点燃日光灯,BG1、BG2工作在开关,故可获得很高效率。
电感L2和C8、C9等构成串联谐振电路,其作用是起辉日光灯管和限制灯管工作电流。
本文由整理提供,部分内容电子整流器电路工作原理D1~D4和电容C2、C3等构成整流滤波电路,向镇流器提供直流用电;开关功率三极管BG1、BG2和双向触发二级管ST、变压器T等构成高频开关波(方波)电路,其中R1、C4和ST组成锯齿波发生器,用于启动振荡电路;方波振荡电路将直流电变为高频交流电,用于点燃日光灯,BG1、BG2工作在开关,故可获得很高效率。
电感L2和C8、C9等构成串联谐振电路,其作用是起辉日光灯管和限制灯管工作电流。
本文由整理提供,部分内容来源于网络,如有侵犯到你的权利请与我们联系更正。
接通电源,220V交流电经整流滤波后,输出约300V直流电压,该直流电压经R1对C4进行充电。
当C4两端充电电压超过ST的转折电压(约32V)时,ST导通,给BG2管基极提供一个窄电流脉冲使BG2首先导通。
直流电源通过日光灯管灯丝、 L2和T 的绕组n1等形成回路,给C8、C9充电,脉冲变压器T的线圈n1对n2和反向线圈n3的感应耦合作用,n2产生的感应电压将使BG1导通,而n3上的感应电压将使BG2截至。
故C8、C9又通过L2、n1和BG1形成放电回路。
如此反复循环,BG1、BG2轮流导通,很快形成频率约25kHz的自动激振荡。
本文由整理提供,部分内容来源于网络,如有侵犯到你的权利请与我们联系更正。
桥式整流电路图及工作原理介绍桥式整流电路如图1所示,图(a)、(b)、(c)是桥式整流电路的三种不同画法。
由电源变压器、四只整流二极管D1~4 和负载电阻RL组成。
四只整流二极管接成电桥形式,故称桥式整流。
图1 桥式整流电路图桥式整流电路的工作原理如图2所示。
在u2的正半周,D1、D3导通,D2、D4截止,电流由TR次级上端经D1→ RL →D3回到TR 次级下端,在负载RL上得到一半波整流电压在u2的负半周,D1、D3截止,D2、D4导通,电流由Tr次级的下端经D2→ RL →D4 回到Tr次级上端,在负载RL 上得到另一半波整流电压。
这样就在负载RL上得到一个与全波整流相同的电压波形,其电流的计算与全波整流相同,即UL = 0.9U2IL = 0.9U2/RL流过每个二极管的平均电流为ID = IL/2 = 0.45 U2/RL每个二极管所承受的最高反向电压为什么叫硅桥,什么叫桥堆目前,小功率桥式整流电路的四只整流二极管,被接成桥路后封装成一个整流器件,称"硅桥"或"桥堆",使用方便,整流电路也常简化为图Z图1(c)的形式。
桥式整流电路克服了全波整流电路要求变压器次级有中心抽头和二极管承受反压大的缺点,但多用了两只二极管。
在半导体器件发展快,成本较低的今天,此缺点并不突出,因而桥式整流电路在实际中应用较为广泛。
二极管整流电路原理与分析半波整流二极管半波整流电路实际上利用了二极管的单向导电特性。
当输入电压处于交流电压的正半周时,二极管导通,输出电压v o=v i-v d。
当输入电压处于交流电压的负半周时,二极管截止,输出电压v o=0。
半波整流电路输入和输出电压的波形如图所示。
二极管半波整流电路对于使用直流电源的电动机等功率型的电气设备,半波整流输出的脉动电压就足够了。
但对于电子电路,这种电压则不能直接作为半导体器件的电源,还必须经过平滑(滤波)处理。
平滑处理电路实际上就是在半波整流的输出端接一个电容,在交流电压正半周时,交流电源在通过二极管向负载提供电源的同时对电容充电,在交流电压负半周时,电容通过负载电阻放电。
电容输出的二极管半波整流电路仿真演示通过上述分析可以得到半波整流电路的基本特点如下:(1)半波整流输出的是一个直流脉动电压。
(2)半波整流电路的交流利用率为50%。
(3)电容输出半波整流电路中,二极管承担最大反向电压为2倍交流峰值电压(电容输出时电压叠加)。
(3)实际电路中,半波整流电路二极管和电容的选择必须满足负载对电流的要求。
全波整流当输入电压处于交流电压的正半周时,二极管D1导通,输出电压V o=v i-V D1。
当输入电压处于交流电压的负半周时,二极管D2导通,输出电压V o=v i-V D2。
二极管全波整流电路由上述分析可知,二极管全波整流电路输出的仍然是一个方向不变的脉动电压,但脉动频率是半波整流的一倍。
通过与半波整流相类似的计算,可以得到全波整流输出电压有效值V o rsm=0.9U rsm。
全波整流输出的直流脉动电压仍然不能满足电子电路对直流电源的要求,必须经过平滑(滤波)处理。
与半波整流相同,平滑处理电路是在全波整流的输出端接一个电容。
电容在脉动电压的两个峰值之间向负载放电,使输出电压得到相应的平滑。
电容输出的二极管半波整流电路仿真演示通过上述分析可以得到半波整流电路的基本特点如下:(1)半波整流输出的是一个直流脉动电压。
(2)半波整流电路的交流利用率为50%。
(3)电容输出半波整流电路中,二极管承担最大反向电压为2倍交流峰值电压(电容输出时电压叠加)。
(3)实际电路中,半波整流电路二极管和电容的选择必须满足负载对电流的要求。
全波整流当输入电压处于交流电压的正半周时,二极管D1导通,输出电压V o=v i-V D1。
当输入电压处于交流电压的负半周时,二极管D2导通,输出电压V o=v i-V D2。
二极管全波整流电路仿真演示由上述分析可知,二极管全波整流电路输出的仍然是一个方向不变的脉动电压,但脉动频率是半波整流的一倍。
通过与半波整流相类似的计算,可以得到全波整流输出电压有效值V o rsm=0.9U rsm。
全波整流输出的直流脉动电压仍然不能满足电子电路对直流电源的要求,必须经过平滑(滤波)处理。
与半波整流相同,平滑处理电路是在全波整流的输出端接一个电容。
电容在脉动电压的两个峰值之间向负载放电,使输出电压得到相应的平滑。
电容输出的二极管全波整流电路仿真演示通过上述分析可以得到全波整流电路的基本特点如下:(1)全波整流输出的是一个直流脉动电压。
(2)全波整流电路的交流利用率为100%。
(3)电容输出全波整流电路,二极管承担的最大反向电压为2倍交流峰值电压(电容输出时电压叠加)。
(4)实际电路中,全波整流电路中二极管和电容的选择必须满足负载对电流的要求。
桥式整流所谓桥式整流电路,就是用二极管组成一个整流电桥。
当输入电压处于交流电压正半周时,二极管D1、负载电阻R L、D3构成一个回路(图5中虚线所示),输出电压V o=v i-V D1-V D3。
输入电压处于交流电压负半周时,二极管D2、负载电阻R L、D4构成一个回路,输出电压V o=v i-V D2-V D4。
图中滤波电容的工作状态。
二极管桥式整流电路仿真演示由上述分析可知,二极管桥式整流电路输出的也是一个方向不变的脉动电压,但脉动频率是半波整流的一倍。
与半波整流输出电压有效值计算相类似,可以得到桥式整流输出电压有效值V o rsm=0.9U rs m。
通过上述分析,可以得到桥式整流电路的基本特点如下:(1)桥式整流输出的是一个直流脉动电压。
(2)桥式整流电路的交流利用率为100%。
(3)电容输出桥式整流电路,二极管承担的最大反向电压为2倍的交流峰值电压(电容输出时电压叠加)。
(4)桥式整流电路二极管的负载电流仅为半波整流的一半。
(5)实际电路中,桥式整流电路中二极管和电容的选择必须满足负载对电流的要求。
各种整流电路及工作原理介绍各种整流电路及工作原理介绍本文介绍一下利用二极管组成的各种整流电路及工作原理一、半波整流电路图5-1、是一种最简单的整流电路。
它由电源变压器B、整流二极管D和负载电阻R fz,组成。
变压器把市电电压(多为220伏)变换为所需要的交变电压e2,D再把交流电变换为脉动直流电。
下面从图5-2的波形图上看着二极管是怎样整流的。
变压器砍级电压e2,是一个方向和大小都随时间变化的正弦波电压,它的波形如图5-2(a)所示。
在0~K时间内,e2为正半周即变压器上端为正下端为负。
此时二极管承受正向电压面导通,e2通过它加在负载电阻R fz上,在π~2π时间内,e2为负半周,变压器次级下端为正,上端为负。
这时D承受反向电压,不导通,R fz,上无电压。
在π~2π时间内,重复0~π时间的过程,而在3π~4π时间内,又重复π~2π时间的过程…这样反复下去,交流电的负半周就被"削"掉了,只有正半周通过R fz,在R fz上获得了一个单一右向(上正下负)的电压,如图5-2(b)所示,达到了整流的目的,但是,负载电压Usc。
以及负载电流的大小还随时间而变化,因此,通常称它为脉动直流。
这种除去半周、图下半周的整流方法,叫半波整流。
不难看出,半波整说是以"牺牲"一半交流为代价而换取整流效果的,电流利用率很低(计算表明,整流得出的半波电压在整个周期内的平均值,即负载上的直流电压Usc =0.45e2 )因此常用在高电压、小电流的场合,而在一般无线电装置中很少采用。
二、全波整流电路如果把整流电路的结构作一些调整,可以得到一种能充分利用电能的全波整流电路。
图5-3 是全波整流电路的电原理图。
全波整流电路,可以看作是由两个半波整流电路组合成的。
变压器次级线圈中间需要引出一个抽头,把次组线圈分成两个对称的绕组,从而引出大小相等但极性相反的两个电压e2a、e2b,构成e2a、D1、R fz与e2b、D2、R fz,两个通电回路。
全波整流电路的工作原理,可用图5-4 所示的波形图说明。
在0~π间内,e2a对Dl 为正向电压,D1导通,在R fz上得到上正下负的电压;e2b对D2为反向电压,D2不导通(见图5-4(b)。
在π-2π时间内,e2b对D2为正向电压,D2导通,在R fz上得到的仍然是上正下负的电压;e2a对D1为反向电压,D1不导通(见图5-4(C)。
如此反复,由于两个整流元件D1、D2轮流导电,结果负载电阻R fz上在正、负两个半周作用期间,都有同一方向的电流通过,如图5-4(b)所示的那样,因此称为全波整流,全波整流不仅利用了正半周,而且还巧妙地利用了负半周,从而大大地提高了整流效率(Usc=0.9e2,比半波整流时大一倍)。
图5-3所示的全波整滤电路,需要变压器有一个使两端对称的次级中心抽头,这给制作上带来很多的麻烦。
另外,这种电路中,每只整流二极管承受的最大反向电压,是变压器次级电压最大值的两倍,因此需用能承受较高电压的二极管。
图5-5(a )为桥式整流电路图,(b)图为其简化画法。
三、桥式整流电路桥式整流电路是使用最多的一种整流电路。
这种电路,只要增加两只二极管口连接成"桥"式结构,便具有全波整流电路的优点,而同时在一定程度上克服了它的缺点。
桥式整流电路的工作原理如下:e2为正半周时,对D1、D3和方向电压,Dl,D3导通;对D2、D4加反向电压,D2、D4截止。
电路中构成e2、Dl、R fz、D3通电回路,在R fz,上形成上正下负的半波整洗电压,e2为负半周时,对D2、D4加正向电压,D2、D4导通;对D1、D3加反向电压,D1、D3截止。
电路中构成e2、D2R fz、D4通电回路,同样在R fz上形成上正下负的另外半波的整流电压。
上述工作状态分别如图5-6(A)(B)所示。
如此重复下去,结果在R fz,上便得到全波整流电压。
其波形图和全波整流波形图是一样的。
从图5-6中还不难看出,桥式电路中每只二极管承受的反向电压等于变压器次级电压的最大值,比全波整洗电路小一半!四、整流元件的选择和运用需要特别指出的是,二极管作为整流元件,要根据不同的整流方式和负载大小加以选择。
如选择不当,则或者不能安全工作,甚至烧了管子;或者大材小用,造成浪费。
表5-1 所列参数可供选择二极管时参考。
"另外,在高电压或大电流的情况下,如果手头没有承受高电压或整定大电滤的整流元件,可以把二极管串联或并联起来使用。
图5-7 示出了二极管并联的情况:两只二极管并联、每只分担电路总电流的一半口三只二极管并联,每只分担电路总电流的三分之一。
总之,有几只二极管并联,"流经每只二极管的电流就等于总电流的几分之一。