EQD-QC-007镀铜钢线检验规范
- 格式:pdf
- 大小:226.75 KB
- 文档页数:3
铜线检验规范1、检验条件:温度:23℃(+5,-5)相对湿度:60%(+15%,-10%)距离:人眼与产品表面的距离为300—350mm。
或灯光垂直产品距离1米,使用40W日光灯时间:检测量面和其它不超过8s;每件检查总时间不超过30s(除首件)。
位置:检视面与桌面成45°;上下左右转动15°照明:100W冷白荧光灯,距离产品表面500-- 550mm(照度达500~550Lux)。
2、铜线检验规范序号检验项目检验标准缺失分类允收水平检验工具检验地点1 规格检验品名规格依物料确认书要求CRI AC=0 RE=1 目视检验区2 线径及公差(mm)单支铜及绞合铜:0.020<d≤0.025 ±0.0020.026<d≤0.125 ±0.0030.126<d≤0.400 ±0.0040.401<d≤4.00+0.02/-0.01MAJ AC=0 RE=1 千分尺检验区3伸长率(﹪) 0.05<d≦0.08 15%0.09<d≦0.40 18%0.41<d≦2.60 20%2.61<d≦4.00 25%MAJ AC=0 RE=1铜线伸长率测试机检验区4 条数依物料确认书要求MAJ AC=0 RE=1 目视检验区5 绞距依采购订购单之要求MAJ AC=0 RE=1 钢尺检验区6 外观1.锡铜:无锡块,无锡粉,无油污,无露铜,表面应光滑.2.裸铜:无氧化,无变色,无黑点,无油污3.包装轴:无变形轴,无扁平电缆不良,无撞伤破损等.4.扁平电缆:视觉均匀,平坦,紧密,对称MIN AC=0 RE=1目视放大镜检验区7 包装内用PE膜包裹严密,外用牛皮纸包装MIN AC=0 RE=1 目视检验区8 环境数据每批进料时均按RoHs之要求供货商附送COC,具体依IQC环保资料对照表MAJ AC=0 RE=1 目视检验区备注:1.IQC进料之抽样计划依本公司C=0抽样方案,根据来料之批量依(轴,卷,袋装材料抽样表)执行抽样,不再对每个检验项目定出样本.2.将各项目检验的相应结果填入在《铜线检验报告》中.3.铜线径公差及伸长率要求亦可参考工程部发行的《QB-IE-048单股裸铜线材料规范》.。
镀层性能检验标准文件号:格式号:版本号:共 6 页第 1 页1.目的:为了使公司生产的及外托加工的部件符合产品标准;2.适用范围:所有的电镀部件;3.定义:(无)4.要求:5. 相关文件:(无)6.附件及表单:(无)7. 发行范围:事业一二部品管部、事业一二部技术设备部、采购部、技术开发中心生技部及开发部附录A镀层外观检验方法1. 本方法适用于钢铁为基体的镀层外观的检验;2. 试样:已电镀的工件;3. 仪器: 6倍放大镜4. 测试方法:灯光照度要求大于500LX,观在天然光或混合照明条件,其中天然光照度要求不小于300Lx,观察方向与水平成45度,眼睛距工件的距离为30CM处目视,采光系数最底值为2%;具体检验标准如下表:注意:A级—工件主视面的外观要求B级—工件可视面的外观要求C级—工件不可视面的外观要求依不同的工件在现场作具体的样本示范;附录B镀层光泽的测定1. 本方法适用于钢铁为基体的镀层光泽的测量;2. 试样:电镀的工件;3. 仪器: a、光泽计b、标准板4. 测试方法:每次操作开始,先将仪器调整,并校准光泽计使其能正确读出高光泽工作标准板的光泽值,然后再读出低光泽工作标准板的光泽值,光泽计校准以后,在试漆膜的平行于涂布方向的不同位置取得3个读数,再用高光泽的工作标准板校准仪器以确保读数没有偏差,如结果误差范围小于5个单位,其记录其平均值作为镜面光泽值,否则再进行3次测定,记录全部6个值的平均值及极限值;注意:本法仅在平整性好的表面上测定漆膜光泽才有效;5. 要求: 镀层光泽的要求为亚光(6--30)%,半光(30--70)%,高光泽(70%以上);附录C镀层磁性测厚仪法1. 本方法适用于钢铁为基体的镀层厚度的测量;2. 试样:电镀的工件;3. 仪器: 磁性测厚仪:精确度为0.1um;4. 测定方法:先将测厚仪在标准样板上调零,接着选择相应的标准值进行校正,在进行测量过程中,取距样品边缘不少于1CM的上、中、下3个位置进行测量,记录其测量值并计算平均值;5. 要求:工件的平面镀层厚度为3--15um;附录D镀层显微硬度的测定1.本方法适用于钢铁为基体的镀层显微硬度的测定;2. 试样:电镀的工件;3.测试设备: 检验镀层显微硬度的设备是专用显微硬度计:国产有设备如631 型、71型、HX-1000型等多种,显微硬度计的技术要求如下:A.放大倍率600倍以上;B. 测微目镜分度值0.01mm;C. 负荷重量10--200g;D. 工作台调节范围10--40mm;4. 测试条件4.1使用环境测试应在室温20±1℃,周围介质干燥,无灰尘及腐蚀性气体的环境中进行, 仪器放在稳固,无震动的工作台上,并保持水平位置;4.2 试样表面状态受检测试样表面应是洁净,平整,光滑状态,表面粗糙度Ra<0.4;4.3 测试位置受检测的试样部位可以是镀层表面或剖面,在镀层表面测试时,应以主表面中心为宜(防止电流密度和边缘影响),并避免镀层表面缺陷对测试的干扰,试样同一测试部位中,压痕之间的距离应在压痕对角线长度2.5倍以上;4.4 负荷重量载荷大小应根据试样表面镀层厚度和硬度不同来选择,通常载荷大小可按下式估算:m = HV.δ^2/7.4176式中 m----载荷质量(g);HV----估计镀层硬度值(kg/mm2);δ----镀层厚度(um);4.5 加荷速度一般要求尽量在接近静压状态下选择合适的速度,通常选用30s左右完成加荷;5. 试验方法5.1 试样准备试样测试部位应平整、光滑、无油污,测量剖面时,则按金相测厚法制备试样;5.2 仪器检查及校正按仪器说明书进行,使仪器工作正常、压痕清晰、并符合标准硬度值范围;5.3 选择载荷和速度根据被测镀层金属的性质和厚度选择好载荷质量和加荷速度,在可能范围内尽量选用较大负荷和最小的速度;5.4 加荷将试样置于硬度计的物镜下,选择压痕合适位置后,缓慢地移至金刚石压头下方,均匀缓慢地进行加荷,直至仪器指示灯指示加荷结束,立即卸去负载;5.5 观察压痕重新将试样移至物镜下,若工作正常,通过硬度计目镜可以清晰地看出正方形角锥体压痕及压痕的对角线;5.6 测量压痕的长度准确测出压痕两条对角线的长度,若两条对角线长度相等或接近时,说明测量有效,然后计算对角线长度平均值,并计算镀层的硬度值;5.7 对于同一试样,应在相同条件下测量三次以上,以算术平均值作为镀层的测量结束;附录E镀层结合力的测定1. 本方法适用于钢铁为基体的镀层结合力的测量;2. 试样:电镀的工件;3. 仪器: 刃口为30°的硬质划刀4. 测试方法:4.1 用一刃口为30°的硬质划刀,划两条相距为2mm的平行线,划线时,应施以足够的压力,使划刀一次就能划破镀层达到基体金属,如果两条划线之间的镀层有任何部分脱离基体金属,则认为结合力不好;4.2本试验的另一划法是:划边长为1mm的正方形格子,观察格子内的镀层是否从基体上剥落;附录F镀层孔隙率滤纸测定法1. 本方法适用于在钢铁上的镀层孔隙率的测定;2. 仪器:a、150ml烧杯 b、分析天平:感量为0.1mg c、滤纸;3. 试样:经电镀的工件;配制时所用试剂均为化学纯,溶剂为蒸馏水;5. 测定方法:5.1试样表面用有机溶剂或氧化镁仔细除净油污,经蒸馏水清洗后用滤纸吸干,如试样在镀后立即检验,可不必除油;5.2将浸润相应试液紧贴在被测试样表面上,滤纸与试样间不得有气泡残留,至规定时间后,揭下滤纸,用蒸馏水小心冲洗,置于解决6的玻璃板上凉干;5.3为显示直至铜或黄铜基体上的孔隙,可在带有孔隙斑点的滤纸上滴加4%的亚铁氰化钾溶液,这时滤纸上原已显示试液与镍层作用的黄色斑点消失,剩下至钢铁基体的蓝色斑点和至铜或铜底层作用的红色斑点,冲洗后贴于玻璃板上干燥;5.4为显示直至镍层的孔隙,可将带有孔隙斑点的滤纸,放在清洁的玻璃板上,并在滤纸上平均滴加溶度为500ml/L25%的氨水含二甲基二醛亏2g/L的溶液,这时滤纸上显示镍层的黄色斑点转为玫瑰红色,而原显示至铜层及钢铁基体的有色斑点转为无色,因而更有利于判别至镍层孔隙的结果;5.5检验外层为落层的多层镀层时,应在镀后放置30min ,进行,在镀铜的钢件,铜及铜合金基体上的镀层,测定至铜层的孔隙时,其有色斑点不完全印在滤纸上,应计算试样上呈现的红褐色斑点;5.6孔型的计算:在自然光或荧光灯下直接观察相应镀层孔隙的有色斑点,将刻有平方厘米方格的有机玻璃板,放在印有孔隙痕迹的滤纸上,分别计算一平方厘米方格内的各种有色斑点数目,并将所得点数相加,最后根据滤纸与试样接触面积,计算镀层的孔隙率:孔隙率 = n/s (个/cm^2)式中: n--孔隙斑点总数(个)s--所测试样面积(cm^2)一般以三次试验的算术平均值作为检验的结果;6. 要求:镀层的孔隙率要求为2—5个/cm^2;附录H镀层耐中性盐雾的测定(NSS)1.本方法适用于钢铁为基体的镀层耐试蚀性的测定;2. 试样:2.1试样的数量一般规定为3件,也可按有关方面协商确定;2.2试验前必须对试样进行洁净处理,但不得损坏镀层和镀层的钝化膜;2.3试样在盐雾箱中一般有垂直悬挂或垂直线成15°--30°角两种放置方式,试样间距不得小于20mm,试样支架用玻璃或塑料等材料制造,支架上的液滴不得落在度样上;2.4试验后用流动冷水冲洗试样表面上沉积的盐雾,干燥后进行外观检查和评定等级;3. 试验药品与设备:3.1将化学纯的氯化钠溶于蒸馏水中或去离子水中,其浓度为50±5g/L;3.2溶液的pH值为6.5-7.2,使用前须过滤;3.3用于制造试验设备的材料,必须抗盐雾腐蚀和不影响试验结果;3.4箱的容积不小于0.2m3,最好不大于0.4m3,聚积在箱顶的液滴不得落在试样上;3.5要能保持箱内各个位置的温度达到规定的要求。
电镀产品品质检验规范电镀产品品质检验规范常驻的检验项目为:1.膜厚;2.装配检查3.镀层附着力;4.硬度测试;5.耐磨测试6.耐酒精测试;7.高温高湿测试8.冷热冲击测试;9.盐雾测试;10.排汗测试;11外观;12包装;一.膜厚:1.膜厚为电镀检测基本项目,使用基本工具为萤光膜厚仪(X-RAY),其原理是使用X 射线照射镀层,收集镀层返回的能量光谱,膜厚一般为0.02mm,最大不超过0.03mm.2.检查周期:每批;3.测试数量:n>5pcs二.装配检查:1.确认是否符合图面标出的重要尺寸;装配后有否影响外观及功能,手感;2.检查周期:每批;3.测试数量:n>2pcs ;二.镀层附着力:1.将3M胶纸粘贴在刀切100格(每小格为1MM*1MM)的电镀层表面,用橡皮擦在其上面来回磨擦,使其完全密贴后,以45度方向迅速撕开,镀层需无脱落现象。
如目视无法观察清楚,可使用10倍显微镜观察;a) 不可有掉落金属粉末及补胶带粘起之现象。
b) 不可有金属镀层剥落之现象。
d) 不可有起泡之现象2.检查周期:每批;3.测试数量:n>2pcs ;四.硬度测试:1.用中华铅笔以45度角并且以1mm/s的速度向前推进,擦试后镀层不能有划痕;其中:UV镀测试:3H铅笔,500g力真空镀:2H铅笔,500g力水镀测试:1H铅笔,200g力2.检查周期:每批;3.测试数量:n>2pcs ;五.耐磨测试:1.头施500g力,用于被测产品来回试擦50次,往返为一次,不能变色,脱镀及露底材;2.检查周期:一次/3个月3.数量:n>2pcs ;六.耐酒精测试:1.用500g砝码外包8层棉布,再将白棉布沾湿浓度为95%的乙醇,以不下滴为宜,将砝码与镀层面垂直,在同一位置往退,移动距离1英寸为一次,共100次,镀层不能有反应;2.检查周期:一次/3个月;3.测试数量:n>5pcs ;七.高温高湿测试:1.ABS底材温度设定为60度,PC底材温度设定为90度,湿度90%-95%,测试时间6小时,看镀层有无拱起,起泡或脱落;2.检查周期:一次/3个月;3.测试数量:n>5pcs ;八.冷热冲击测试:1.零下1度30分钟,常温2分钟,70度30分钟为一个回合,看镀层有无拱起,起泡或脱落;2.检查周期:一次/3个月;3.测试数量:n>5pcs;其中:UV镀测试:5回合;真空镀:2回合;水镀测试:1回合;九.盐雾测试:1.温度35度,浓度5%的盐水,喷雾8小时,共3回;看镀层有无起反应;2.检查周期:一次/3个月;3.测试数量:n>5pcs;十.排汗测试:1.常温下5%Nacl,10%乳酸,85%蒸镏水,浸泡24小时,看镀层有无反应;2.检查周期:一次/3个月;3.测试数量:n>5pcs;4.排汗测试只限定人体与镀层经常接触之电镀零件适用;十一.外观检查:1.检验条件:在40W-60W日光灯相当照明度条件下,距离30-50cm:2.表面镀层符合规定要求,光滑、平整、均匀光亮,同批产品无色差(注:色差包括颜色和光泽度);3..镀层表面不得有如下缺陷:(1)起泡:镀层与基体因局部剥离致表面呈气泡现象;(2)脱皮:镀层与基体有剥离现象;镀层成片状脱离基体材料的现象(3)烧焦:在过高电流下形成的颜色黑暗、粗糙、松散等质量不佳的沉积物,其中常含有氧化物或其它杂质。
线材外观检验规范Wire Visual Specification1.0 目的1.1建立外观检验标准,使外观检验与判定更加标准化,规范化,更好满足品质控制与客户的需要。
2.0范围2.1本程序内容及附图应于本公司内所生产的线材或来料线材验收的外观标准及判定。
2.2 在本程序中所附的图片及图片的式样仅为示意图,其它产品均可以此为参照的依据。
3.0 职责3.1 QA部对本程序进行制定,修改和解释,并对相关人员进行本程序内容的培训与指导。
3.2 QC督导此标准的要求在生产线或其它需依据本标准作业处的实施。
3.3 OQC及IQC应根据本标准及AQL抽样水准进行产品出货检验和来料收货检验。
3.4 生产部门依据本标准进行产品生产,产品检验或产品返工。
3.5 当依本标准不能作出准确判定或对本标准存异议时,由QC人员提交至QA工程师级以上决定。
4.0定义4.1 除特别规定外,目检时应用正常视力,在自然的光线下对产品或所抽取的样品进行检验。
目视时间约为5~7秒,样品的长度为2.0~2.2米。
4.2 除特别规定外,对于长度的测量应采用精度达0.02mm以上的测量工具,如游标卡尺,千分卡尺,投影仪等。
对于面积的测量应采用面积为1:1的透明对比膜或能达到同等效果的测量方法。
4.3 本料:线材生产时,所具有相同成分和相同颜色的胶料,颜色式样与色板相一致。
4.4 杂质:胶料中混有与本料不一致或与本料颜色不相同的其它物质,如线材押出后出现牛皮纸、小石子等非胶料物质或白色料中出现黑料、黑点等。
4.5 染色:线材押出后表面粘有与本料颜色不同的其它颜色(表面印字与注条除外)。
4.6 压伤:线材在生产、运输、贮存等各个环节中,由于外力的机械作用导致线材表面的挤扁变形或绝缘破损等。
4.7 刮伤:线材在生产、运输、贮存等各个环节中,由于外力连续机械作用导致线材表面有摩擦的压痕。
4.8 破洞:线材在生产、运输、贮存等各个环节中,由于外力的机械作用导致线材绝缘的破损出现导体、屏蔽等露出。
技术部制作审核批准批准大连太平洋电子有限公司制作部门电镀镀铜厚度取样检测规范DPEC 检验标准版本N/C 制作日期文件编号Q/IS-0502011-8-20文件更改履历初版发行N/C作成年月日版本更改内容文件名称电镀镀铜厚度取样检测规范文件编号N/C2011-8-20版本Q/IS-050目 录1. 概述--------------------------------------12. 使用仪器和材料----------------------------13. 检测频率 ----------------------------24. 取样位置 ----------------------------35. 镀铜厚度检测要求 ------------------------36. 测量位置要求 ------------------------57. 检验流程图--------------------------------7版本N/C文件名称电镀镀铜厚度取样检测规范文件编号Q/IS-0501. 概述印制板的可接收性IPC-6012刚性印制板之资格认可与性能检验规范 Q/DPEC.S.001-2006DPEC 企业标准刚性多层印制板规范时,应按下列顺序:——订单要求 ——客户标准 ——IPC 标准——DPEC 企业标准 ——本标准4. 使用仪器和材料4.1 金相显微镜:放大倍数50X 、100X 、200X 、500X 、1000X ,检测 化镀背光使用100X 、观察孔状态使用200X 、检测铜厚使用500X 。
4.2 表面铜厚测试仪:过程抽检使用该仪器检测表面总铜厚度,然后 对比首件记录,推测切片厚度。
4.3 冲切机(冲切切片) 冲切机使用注意事项:A. 检查冲头有无油污、杂物,避免造成生产板污染或划伤板面;B. 冲切时首先使用手动调整对位,采用点动方式接触到板面然 后使用自动完成冲切;C. 冲切完检查库方区域有无毛刺大现象,如有少许毛刺要求使 用平锉将边缘打磨干净,避免造成因毛刺过大划伤贴膜滚轮。
电镀成品检验标准一、目的及适用范围1、为了体现公平、公正、公开的原则,独立检验标准、提高工作效率、保证产品质量而制定此标准。
2、本标准适用于电镀成品的检验。
3、依据本标准及《一分厂生产加工单》和客户特殊要求检验本产品二、工作程序1、核对入检产品与《一分厂生产加工单》无误后,称重量、点件数、开收料票,双方签字确认。
2、有盐雾要求时,通知理化室作盐雾试验或PCT试验。
3、抽测尺寸公差和形位公差。
4、外观检验。
5、抽测取向方向。
6、充磁。
7、包装入库。
三、检验标准的分类1、A类:指出口订单及国内一些价格高、质量要求严的订单。
2、B类:指一般常规订单。
3、C类:指一些对质量无要求,有磁即可的订单。
四、检验方法和标准㈠、A类1、尺寸公差和形位公差的检验方法和标准。
①、检验方法a、径千分尺、卡尺、内测千分尺或专用量具测量尺寸公差,圆片必须抽测其直径方向和厚度方向,方块三个方向全部抽测要,每一方向至少测三点。
b、垂直度:用直角尺或万能角度尺测量,角度最大值作为测量结果。
c、平行度:用千分尺或百分表测量切削平面(用百分表时被测产品必放在平台上),找最大值与最小值,两者之差作为测量结果。
d、同轴度:用卡或管壁千分尺测量相对壁厚尺寸,两者最大差值为同轴度。
e、圆度:用百分表在V形槽中测量。
百分表最大值与最小值之差作为测量结果。
②、检验标准和抽测比例。
a、按《一分厂生产加工单》要求执行,未注明时以下表执行。
b、按表2要求比例抽测及判定。
表22、外观检验方法和标准①、检验方法a、目测检验产品外观b、产品放在玻璃板上单层捕开,检验大面,检完一面,用另一块玻璃板翻面,再检验另一面。
c、侧面用手排行检验,必要时可用磁铁吸串检验。
d、深孔或环用手拿着用光线目测,浅孔可在玻璃板上目测。
②、检验标准a、外观无缺陷、黄斑、镀层脱边、起泡、带胶、孔锈、划痕、刀痕为返修品。
b、表面水印、黄斑、砂眼、麻点、氧化、超过表3规定崩边以及打孔台阶、孔螺纹等为废品。
电镀产品品质检验规范和方法电镀端子的检验是电镀完成后不可缺少的工作,只有检验合格的产品才能交给下一工序使用。
通常驻的检验项目为:膜厚(thickness),附着力(adhesion),可焊性(solderability),外观(appearance),包装(package).盐雾实验(salt spray test),对于图纸有特别要求的产品,有孔隙率测试(30U”)金使用硝酸蒸气法,镀钯镍产品(使用凝胶电解法)或其它环境测试。
一膜厚:1.膜厚为电镀检测基本项目,使用基本工具为萤光膜厚仪(X-RAY),其原理是使用X射线照射镀层,收集镀层返回的能量光谱,鉴别镀层厚度及成分。
2.使用X-RAY注意事项:1)每次开机需做波谱校准2)每月要做十字线校准3)每星期应至少做一次金镍标定4)测量时应根据产品所使用的钢材选用测试档案5)对于新产品没有建测试档案,应建立测试档案3.测试档案的意义:例:Au-Ni-Cu(100-221 sn 4%@0.2 cfpAu-Ni-Cu----------测试在铜基材上镀镍打底再镀金的厚度。
(100-221 sn 4%-------AMP铜材编号含锡4%的铜材)二.附着力:附着力检测为电镀基本检测项目,附着力不良为电镀最常见不良现象之一,检测方法有两种:1.折弯法:先用与所需检测端子相同厚度的铜片垫于需折弯处,用平口钳将样品弯曲至180度,用显微镜观察弯曲面是否有镀层起皮,剥落等现象。
2.胶带法:用3M胶带紧牢地粘贴在欲试验样品表面,垂直90度,迅速撕开胶带,观察胶带上有载剥落金属皮膜。
如目视无法观察清楚,可使用10倍显微镜观察。
3.结果判定:a) 不可有掉落金属粉末及补胶带粘起之现象。
b) 不可有金属镀层剥落之现象。
c) 在底材未被折断下,折弯后不可有严重龟裂及起皮之现象。
d) 不可有起泡之现象e) 在底材未被折断下,不可有裸露出下层金属之现象。
4.对于附着力发生不良时应学会区分剥落的层的位置,可用显微镜及X-RAY测试已剥落的镀层厚度来判断,借些找出出问题的工站。
金属电镀件外观检验规范1. 目的:明确了电镀部件的电镀验收准则,对来料及成品外观检验提供作业方法指导2. 适用范围:本标准适用于所有金属电镀部件的检验,生产外观检验时可参照本规范执行。
3. 工作职责:IQC检验员负责按照本规范对相关来料外观进行检验,FQC检验员参照本规范进行外观检验,品质部主管负责监督执行。
4. 外观缺陷检查条件4.1 距离:目视距离一般30~40cm左右;4.2 角度:15-90度范围旋转;4.3 照明:40W日光灯下;4.4视力要求:视力1.0以上,弱视和色肓者不宜进行外观检验。
5 .产品缺陷定义5.1 致命缺陷(critical defect)可能导致危及生命或造成非安全状态的缺陷,或可能损坏重要的最终产品的基本功能的缺陷(产品的极重要质量特性不符合规定,或质量特性极严重不符合规定)。
5.2 严重缺陷(majoy defect)不构成致命缺陷,但可能导致功能失误或降低原有使用功能的缺陷(产品的重要质量特性不符合规定,或质量特性严重不符合规定)。
5.3 轻微缺陷(minor defect)对产品的使用性能没有影响或只有轻微影响的缺陷(产品的一般质量特性不符合规定,或质量特性轻微不符合规定)。
6.其它规定:针对有弹性要求的PIN针、MDC-103、MDC-10-001铜壳若电镀不良第一次可以进行重镀,第二次报废(清洗除外),以防止PIN针弹性失效及铜壳折弯处断裂。
7. 表面分区8. 缺陷分类表9.电镀件外观不良示例9.1起泡---电镀件表面出现小泡点或凸起现象:9.2脏污---产品表面有手印、油污或其它脏污:`9.3划伤、刮花----产品表面有明显的纹路或划痕:9.4斑点---产品表面与明显的凹凸点、麻点、亮点、氧化点:9.5发黑、发白---电镀件有黑色或白色的印记;。
刚性PCB检验标准华为技术有限公司企业技术标准Q/DKBA3178.1-2004代替Q/DKBA3178.1-2003刚性PCB检验标准2004年03月29日发布 2004年04月01日实施华为技术有限公司Huawei Technologies Co., Ltd.版权所有侵权必究All rights reserved密级:秘密 Q/DKBA3178.1-2004目次前言 (10)1 范围 (12)1.1 范围 (12)1.2 简介 (12)1.3 关键词 ........................................................... 12 2 规范性引用文件 (12)3 术语和定义 ............................................................. 12 4 文件优先顺序 ...........................................................13 5 材料品质 (13)5.1 板材 (13)5.2 介质厚度公差 (14)5.3 金属箔 (14)5.4 镀层 (14)5.5 可撕胶(Peelable Solder Mask) ....................................155.6 阻焊膜(Solder Mask) .............................................155.7 标记油墨 (15)5.8 最终表面处理 ...................................................... 15 6 外观特性 (16)6.1 板边 (16)6.1.1 毛刺/毛头(burrs) (16)6.1.2 缺口/晕圈(nicks/haloing) (16)2016-06-06 华为文档,未经许可不得扩散第2页,共58页 Page 2,Total58 密级:秘密 Q/DKBA3178.1-2004板角/板边损伤.............................................. 17 6.1.36.2 板面 (17)6.2.1 板面污渍 (17)6.2.2 水渍 (17)6.2.3 异物(非导体) (17)6.2.4 锡渣残留 (17)6.2.5 板面余铜 (17)6.2.6 划伤/擦花(Scratch) (17)6.2.7 压痕 (18)6.2.8 凹坑(Pits and Voids) (18)6.2.9 露织物/显布纹(Weave Exposure/Weave Texture, (18)6.3 次板面 ............................................................186.3.1 白斑/微裂纹(Measling/Crazing) (19)6.3.2 分层/起泡(Delamination/Blister) (19)6.3.3 外来夹杂物(Foreign Inclusions) (20)6.3.4 内层棕化或黑化层擦伤 (21)6.4 导线 ..............................................................216.4.1 缺口/空洞/针孔 (21)6.4.2 镀层缺损 (21)6.4.3 开路/短路 (21)6.4.4 导线压痕 (21)6.4.5 导线露铜 (21)2016-06-06 华为文档,未经许可不得扩散第3页,共58页 Page 3,Total58 密级:秘密 Q/DKBA3178.1-2004铜箔浮离................................................... 21 6.4.66.4.7 补线 (21)6.4.8 导线粗糙 (22)6.4.9 导线宽度 (23)6.4.10 阻抗 (23)6.5 金手指 ............................................................23 6.5.1 金手指光泽 (23)6.5.2 阻焊膜上金手指 (23)6.5.3 金手指铜箔浮离 (23)6.5.4 金手指表面 (23)6.5.5 金手指接壤处露铜 (24)6.5.6 板边接点毛头 (24)6.5.7 金手指镀层附着力(Adhesion of Overplate)................... 24 6.6 孔 . (25)6.6.1 孔与设计不符 (25)6.6.2 孔的公差 (25)6.6.3 铅锡堵孔 (25)6.6.4 异物(不含阻焊膜)堵孔..................................... 26 6.6.5 PTH导通性.................................................. 26 6.6.6 PTH孔壁不良................................................ 26 6.6.7 爆孔....................................................... 26 6.6.8 PTH孔壁破洞 (26)2016-06-06 华为文档,未经许可不得扩散第4页,共58页 Page 4,Total58 密级:秘密 Q/DKBA3178.1-2004孔壁镀瘤/毛头(Nodules/Burrs).............................. 27 6.6.96.6.10 晕圈(Haloing) (28)6.6.11 粉红圈(Pink Ring) (28)6.6.12 表层PTH孔环(External Annular Ring-Supported Holes) (28)6.6.13 表层NPTH孔环(External Annular Ring-Unsupported Holes) (29)6.7 焊盘 ..............................................................29 6.7.1 焊盘露铜 (29)6.7.2 焊盘拒锡(Nonwetting)..................................... 29 6.7.3 焊盘缩锡,Dewetting,...................................... 30 6.7.4 焊盘损伤................................................... 30 6.7.5 焊盘脱落、浮离............................................. 30 6.7.6 焊盘变形................................................... 31 6.7.7 焊盘尺寸公差............................................... 31 6.7.8 导体图形定位精度........................................... 31 6.8 标记及基准点 ...................................................... 31 6.8.1 基准点不良................................................. 31 6.8.2 基准点漏加工............................................... 31 6.8.3 基准点尺寸公差............................................. 31 6.8.4 字符错印、漏印............................................. 31 6.8.5 字符模糊................................................... 32 6.8.6 标记错位................................................... 32 6.8.7 标记油墨上焊盘 (32)2016-06-06 华为文档,未经许可不得扩散第5页,共58页 Page 5,Total58 密级:秘密 Q/DKBA3178.1-2004其它形式的标记............................................. 32 6.8.86.9 阻焊膜 ............................................................ 32 6.9.1 导体表面覆盖性(Coverage Over Conductors)................. 32 6.9.2 阻焊膜厚度................................................. 33 6.9.3 阻焊膜脱落,Skip Coverage)................................ 33 6.9.4 阻焊膜起泡/分层(Blisters/Delamination).................... 33 6.9.5 阻焊膜入孔(非塞孔的孔)................................... 34 6.9.6 阻焊膜塞孔................................................. 34 6.9.7 阻焊膜波浪/起皱/纹路(Waves/Wrinkles/Ripples).............. 35 6.9.8 吸管式阻焊膜浮空,Soda Strawing,.......................... 35 6.9.9 阻焊膜的套准............................................... 35 6.9.10 阻焊桥..................................................... 36 6.9.11 阻焊膜物化性能............................................. 37 6.9.12 阻焊膜修补................................................. 37 6.9.13 印双层阻焊膜............................................... 37 6.9.14 板边漏印阻焊膜............................................. 37 6.9.15 颜色不均................................................... 37 6.10 外形尺寸 ......................................................... 38 6.10.1 板厚公差................................................... 38 6.10.2 外形尺寸公差............................................... 38 6.10.3 翘曲度..................................................... 38 6.10.4 板软. (38)2016-06-06 华为文档,未经许可不得扩散第6页,共58页 Page 6,Total58 密级:秘密 Q/DKBA3178.1-2004拼板 (38)6.10.56.11 阶梯孔、阶梯板的特殊要求 (39)6.11.1 阶梯孔的要求...............................................396.11.2 阶梯板.....................................................40 6.12 碳浆及银浆(线路及贯孔) .........................................406.12.1 开路/短路..................................................406.12.2 导线宽度...................................................406.12.3 阻值要求...................................................406.12.4 银浆贯孔厚度要求...........................................407 可观察到的内在特性 ..................................................... 41 7.1 介质材料 (41)7.1.1 压合空洞(Laminate Voids) (41)7.1.2 非金属化孔与电源/地层的空距 (41)7.1.3 分层/起泡(Delamination/Blister) (42)7.1.4 过蚀/欠蚀(Etchback) (42)7.1.5 介质层厚度(Layer-to-Layer Spacing) (43)7.1.6 树脂内缩(Resin Recession) (43)7.2 内层导体 (43)7.2.1 孔壁与内层铜箔破裂(Plating Crack-Internal Foil) (44)7.2.2 镀层破裂(Plating Crack) (44)7.2.3 表层导体厚度 (44)7.2.4 内层铜箔厚度 (45)2016-06-06 华为文档,未经许可不得扩散第7页,共58页 Page 7,Total58 密级:秘密 Q/DKBA3178.1-2004地/电源层的缺口/针孔....................................... 45 7.2.57.3 金属化孔 (45)7.3.1 内层孔环(Annular Ring-Internal Layers) (45)7.3.2 PTH孔偏 (46)7.3.3 孔壁镀层破裂 (46)7.3.4 孔角镀层破裂 (46)7.3.5 渗铜(Wicking) (47)7.3.6 隔离环渗铜(Wicking,Clearance Holes) (47)7.3.7 层间分离(垂直切片)(Innerlayer Separation—VerticalMicrosection) ......................................................487.3.8 层间分离(水平切片)(Innerlayer Separation—HorizontalMicrosection) ......................................................487.3.9 孔壁镀层空洞(Plating Voids) (49)7.3.10 盲孔树脂填孔(Resin fill) (50)7.3.11 钉头(Nailheading) (50)8 常规测试 (50)8.1 清洁度实验 .......................................................50 8.2 可焊性实验 .......................................................51 8.3 通断测试 ......................................................519 结构完整性试验 ......................................................... 51 9.1 切片制作要求 ..................................................... 52 9.2 阻焊膜附着强度试验 ............................................... 52 9.3 介质耐电压试验 (52)2016-06-06 华为文档,未经许可不得扩散第8页,共58页 Page 8,Total58 密级:秘密 Q/DKBA3178.1-2004绝缘电阻试验 ..................................................... 53 9.49.5 热应力试验(Thermal Stress) .....................................539.6 热冲击试验(Thermal Shock) ......................................539.7 耐化学品试验 (53)9.8 IST测试 (54)9.9 其他试验 ......................................................... 54 10 品质保证 (54)11 其他要求 (55)11.1 包装 (55)11.2 PCB存储要求 (55)11.3 返修 (55)11.4 暂收 (56)11.5 产品标识 ......................................................... 56 12 附录A 名词术语中英文对照 . (56)2016-06-06 华为文档,未经许可不得扩散第9页,共58页 Page 9,Total58 密级:秘密 Q/DKBA3178.1-2004前言本标准的其他系列规范: Q/DKBA3178.2 高密度PCB(HDI)检验标准Q/DKBA3178.3 柔性印制板(FPC)检验标准与对应的国际标准或其他文件的一致性程度:本标准对应于“IPC-A-600F Acceptability of Printed Boards”和“IPC-6012 Qualification and Performance Specificationfor Rigid Printed Boards”。
1 目的明确产品的检验要求,保证满足客户产品质量要求。
2 适用范围适用于本公司加工的所有产品的检验。
3 定义内控标准:当客户的检验要求不明确或低于我司检验标准时,使用我司的内控标准。
入库检验:由入库检对生产班组已全检的产品进行抽检,合格后方可入库。
出货检验:由出货检验员负责对所有客户入库后的产品进行出货前抽检。
4 管理与控制要求4.1外观抽样方案及检查水平:抽样方案采用GB2828-2003正常检查一次抽样方案,一般检查水平Ⅱ。
严重不合格/AQL=0.65:造成产品后续无法使用、产品内有异物混入等情况。
如:色水不符、褪色、功能性缺陷、产品内有昆虫、毛发等。
一般不合格/AQL=1.5:严重影响视觉感受,但不感影响产品功能的。
如:色差、阴阳面、产品表面有粘附性污染、涂装效果严重桔皮、发黑、划伤露底等。
轻微不合格/AQL=4.0:4.2尺寸和功能抽样方案及检查水平:采用GB2828正常检查一次抽样方案特殊检查水平S-2,AQL=0.65。
4.3规则转移4.3.1从正常检查到加严检查:当进行正常检查时,若同一产品在连续不超过五批中有两批经初次检查(不包括再次提交检查批)不合格,则从下一批检查转到加严检查。
4.3.2从加严检查到正常检查:当进行加严检查时,若同一产品连续五批经初次检查(不包括再次提交检查批)合格,则从下一批检查转到正常检查。
4.3.3若客户有特殊的质量要求,参照客户的特殊要求。
若客户标准高于公司标准,其产品要求则须达到客户标准;若客户标准低于公司标准,其产品要求则按公司标准,此时客户标准只作为让步放行的依据。
4.3通用标准检测方法及标准:精选范本4.4 主要工艺类型产品控制重点4.4.1塑材底色对工艺有影响:(UV上光、UV珠光等工艺)。
工艺不能遮盖或不能完全遮盖白坯底色,加工后产品颜色与底色相关,进检时,需要对比白坯底色与色水板上的底色核对。
若有标准,按标准判定,若没有标准按《白坯检验程序》执行。
文件制修订记录1.0目的建立明确的、统一的检验规范,指导员工规范检验作业,检修补救,降低产品报废率,提高良品率确保制程生产出来的半成品在完全良好的情况下送下制程。
2.0 范围适用于所有经过线路板电镀沉铜的半成品之全检。
3.0 权责3.1 QC:负责所有经过沉铜、电镀工序产品的外观检查。
4.0 相关文件4.1 《MI》4.2 客户特殊要求4.3 《抽样作业指导书》4.4 不合格品控制程序4.5 《工艺标准》5.0 作业内容5.1.作业流程5.2.常见的品质问题:1.铜面三角刮伤2.孔内空洞3.孔内无铜4.孔内氧化5.孔内发红6.板面胶渍7.露基材5.3.在下列时机需要做首件:沉铜电镀的首板只对其加工过程的参数与产品测量的结果进行检验。
A.各产品型号首次生产时;B.生产中停机或不合格品发生后,再生产时;C.设备维修或调整后,再生产时;D.更换材料后,再生产时;E.更换材料规格后,再生产时;F.更换人员后,再生产时。
5.3.1.PQA首件前和生产过程中,生产人员需要做自检,可由QC协助完成,PQA 需要对造制过程的参数稽查、可靠性试验和巡检;其自检、首检与巡检的区别为:A.首件检验:是由生产操作者对外观自检后,交专人(如:QAE、部门PQA)对特性进行检验,首件检验的目的是为避免批量不良的风险。
B.自主检验:是由生产操作者对产品外观,按一定的频率自检,自主检验的目的是为增加操作者在生产过程的质量信心,防止批量外观不良产生。
C.巡检:由专人(如:QAE、部门PQA)按一定的频率来回检验,包括外观,特性。
5.4.板面OK之后,送PQA抽样检查,抽样检查合格则代表该检查的产品完成,每日检查的产量记录入《沉铜检验日报表》内。
5.5.检修发现不良品的处理:用红标签标识,先放在检板桌旁,后集中处理。
5.5.1.进行修补,修补OK在板边写上检板员代号,与良品一起送PQA抽样检查;并在《沉铜检验日报表》记录修理的数量,以利修理产品的追溯,沉铜不良一般不可修理,表面粗糙有个别点可用沙纸磨擦整平即可。
钢材验收检验规程(总4页)--本页仅作为文档封面,使用时请直接删除即可----内页可以根据需求调整合适字体及大小--1操作细则1.1基本流程1.2钢材采购检验标准证明材料检查:进厂钢材,必须具有质量保证书。
质量保证书需要检查的内容有:日期是否是近期、规格是否正确、数量是否正确、材质是否正确、字迹是否清晰、是否有涂改、是否盖红章等;钢材外观检查标准:钢材表面不应有裂纹、结疤、折叠、气泡、夹杂、锈蚀、麻点、划伤等表面缺陷。
如表面有上述缺陷,允许清除,清除的深度不得超过钢材厚度公差的一半。
不得出现严重锈蚀及凹坑。
清除处应圆滑无棱角。
型钢表面缺陷不得横向铲除,其它不影响使用的缺陷允许存在,但应保证钢材的最小厚度。
钢材端边或断口处不应有分层、夹渣等缺陷。
钢材规格尺寸检查标准:一、热轧扁钢规格尺寸检查标准:(GB/T 704-1988)尺寸即允许偏差(mm)二、钢板规格尺寸检查标准:(GB/T 709-1988)钢板厚度偏差(板厚~13㎜)1钢板厚度偏差(板厚>13㎜)三、 角钢规格尺寸检查标准:等边角钢边宽度、边厚度尺寸允许偏差(mm )(GB/T 9787-1988)不等边角钢边宽度、边厚度尺寸允许偏差(mm )(GB/T 9788-1988)注:型号2的尺寸为宽20mm,厚3mm/4mm;型号尺寸为宽56mm,厚3/4/5/8mm;以此类推;四、H型钢规格尺寸检查标准:(GB/T 11263-1998)宽、中、窄翼缘H型钢尺寸允许偏差(mm)五、无缝钢管规格尺寸检查标准:(GB/T 8162-1999)无缝管尺寸允许偏差(mm)2注:⑴对外径不小于351毫米的热扩管,壁厚允许偏差为±18%。
六、直缝焊管规格尺寸检查标准:(GB/T 13793-1993)焊管壁厚及外径允许偏差(mm)七、热轧圆钢规格尺寸检查标准:(GB/T 702-1986)热轧圆钢直径允许偏差(mm)八、方管规格尺寸检验标准:(GB/T 3094-2000)32质量控制2.1检验员需严格按照以上检验标准对采购的钢材进行检验;并填写《钢材采购验收记录》表单;检验完成后,将检验表单及供应商合格证明材料等资料一起交给质量主管;2.2如果外观及规格验收不合格,检验员则应第一时间通知质量主管,由质量主管跟采购、设计、生产、施工等相关部门联系,来决定不合格品是否能够降级使用或者退货处理;2.3如果资料验收不合格,检验员则应及时通知质量主管,由质量主管跟采购部以及供应商联系,来协调解决;2.4质量检验记录的填写,应该及时、清晰、准确,汇报应该及时;对违反该程序的实施人,将按照质量事故责任处理;3附件及表单3.1《钢材采购验收记录》等4 其他事项对于材料允许公差范围较大的工程项目,可适当放宽材料的尺寸公差。
2024年镀铜车间岗位安全检查制度根据车间和班组的要求,为规范镀线各岗点的安全生产工作,尽最大可能的查出工作时存在的问题和不足,促进车间安全管理工作的有条不紊的进行,特制定本制度。
一、检查要求1、安全检查的基本任务是:发现和查明本线工作时存在的各种危险和隐患并及时汇报和整改,监督本镀线员工对安全规章制度和各项操作规程的执行情况,制止“四违”行为。
2、安全检查必须明确的目的、要求、内容,认真填写《镀铜车间岗位安全检查表》。
做到边检查、边整改。
二、检查内容对本镀线工作范围的所有场所进行安全检查,重点检查存在的安全隐患和员工的正规操作情况,同时检查设备完好率和文明生产制度的落实情况等。
主要内容有:1、本岗位的记录、流程卡填写情况。
2、本岗位上岗员工的工作和精神状态。
3、本岗位员工劳动防护用品是否齐备及佩戴使用情况。
4、本岗位所有设备的运转情况(放线机、收线机、牵引机、罗茨风机、槽体、拉拔油池、加酸管路及截门、油加温管路、开关柜、整流器、烘干箱、导轮组等)。
5、本岗位所有设备的防护设施情况(放线机防护门、收线机防护门、牵引机防护网、安全销、槽体上盖、把手等)。
6、各个槽体的挡板瓷嘴、气吹瓷嘴、上下槽液位、温度、PH 值,拉拔油温以及烘干箱的温度情况。
7、电压表、电流表的运转指示及使用情况。
8、工作区域、操作台周围环境卫生情况、工序通道是否畅通,地面和工作台面是否平整。
9、卫生工具、测量器具、对焊机、轧尖机是否齐全、清洁、有无损坏。
10.通风、防暑降温、保暖防冻设施是否齐全和正确使用,消防设施、物品是否齐全、清洁、有无损坏。
11、酸、碱、硫酸铜等化工原料的添加,以及棉纱、拉伸膜的使用情况。
三、安全检查的形式每班进行一次各镀线的安全检查,并认真填写《镀铜车间岗位安全检查表》。
安全检查的方式:自我检查每位员工都要养成重视安全,经常进行自我安全检查的习惯,实现安全生产、防止事故发生。
四、存在问题的整改各项检查中查出的问题要及时向当班班长或值班主任汇报并进行整改,认真填写《镀铜车间岗位安全检查表》。
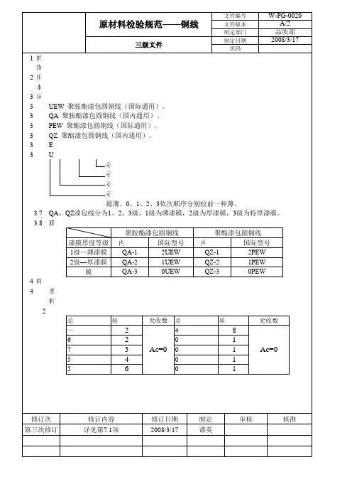
1.目的:
为指导镀铜钢线检验作业活动,制订本规范。
2.范围:
生产用镀铜钢线均适用。
3.检验前的准备:
3.1卷尺,千分尺;
3.2技术标准,来货通知单等。
4.检验频率:依厂家每次到货每一种规格为一个批次,每批次中以卷为单位,按C=0抽样计划表中4.0%抽样判定,其中连续10批合格的放宽检验按6.5%抽样,新厂家或是连续5批不合格的加严检验按
2.5%抽样。
5.检验步骤:
5.1核对外包装的产品信息是否与送货单一致;并确认外包装是否完好、无破损。
5.2核对供应商提供的产品检测报告和材质证明是否符合技术标准的要求。
依厂家每次到货每一种规格为一个批次,每批次中以卷为单位,按C=0抽样计划表中4.0%抽样判定,其中连续10批合格的放宽检验按6.5%抽样,新厂家或是连续5批不合格的加严检验按2.5%抽样。
5.3对产品外观进行抽检。
5.3.1直径0.1mm、0.11mm、0.12mm、0.13 mm 、0.14mm的不是螺纹线,这五种钢线的外观要求为:钢丝颜色均匀光亮,无锈斑,表面无凹凸缺陷。
、
5.3.2直径0.25mm的为螺纹线,其外观要求为:钢丝颜色均匀光亮,无锈斑。
5. 3. 3直径0.305mm的不是螺纹线,其外表灰白,摸起来有明显颗粒感。
5.4将抽取的样品前1m米线剪断,用千分尺量测产品的直径,并确认其线径的均匀程度。
5. 4.1检验完后将线头重新绕回原处,并将包装重新包回原位。
5.4.2如有尺寸超规,则判不合格。
5.5依据供应商出货检验报告核对抗拉强度是否符合技术标准,如不符合则判定不合格。
5.6填写辅材进料检测报告。
6.检验标准要求
7.相关文件
7.1《辅材检验作业指导书》
7.2技术标准。