临时设施情况说明表
- 格式:doc
- 大小:12.50 KB
- 文档页数:2
施工现场平面布置及说明临时设施布置与临时用电安排为了确保施工现场工作的安全有序进行,合理的平面布置以及临时设施的布置和临时用电的安排至关重要。
本文将介绍施工现场的平面布置及说明临时设施布置与临时用电的具体安排。
一、施工现场的平面布置在进行施工现场的平面布置时,需考虑以下几个因素:1. 办公区域:为工程项目提供办公和管理场所,通常会设置临时办公室、会议室、设备室等。
2. 施工区域:根据项目特点划分出不同的施工区域,如基坑开挖区、混凝土浇筑区、钢结构安装区等。
3. 材料堆放区:为了方便材料的储存和调配,需要设置专门的材料堆放区,同时要考虑储存区域的安全和防护措施。
4. 路径和通道:为了保证施工人员和机械设备的顺利通行,需要规划出清晰的路径和通道,同时要设置警示标识和警示标牌。
根据具体施工项目的不同,以上的平面布置要素可能会有所变化,施工方需要根据实际情况进行合理规划和布置。
二、临时设施的布置1. 临时建筑物:根据工程项目需要,可设置临时建筑物如施工工棚、临时宿舍等,以便施工人员的休息和生活。
2. 临时设备:根据项目的具体要求,需要设置临时设备如发电机组、水泵等,以满足施工现场的用电和供水需求。
3. 施工道具和设备:根据施工过程的需要,需要统一规划和储存施工所需的各类道具和设备,确保施工工序的顺利进行。
4. 安全防护设施:在施工现场,安全是最重要的,应设置安全防护设施如安全网、安全标志、防护栏杆等,保障工人的人身安全。
以上是常见的临时设施布置要素,具体的设置需根据项目需要和相关法规进行具体规划。
三、临时用电安排在施工现场的临时用电安排中,需要考虑以下几个方面:1. 供电来源:根据项目的要求和实际情况,选择合适的供电来源,可以是城市电力供应或者使用发电机组提供电力。
2. 临时用电容量:根据施工现场的实际需求,确定临时用电的容量,确保供电负荷的正常运行,避免供电不足或过载的情况。
3. 临时用电线路:进行合理的电力布线,严格按照相关电气安全标准进行施工,确保临时用电线路的安全可靠。
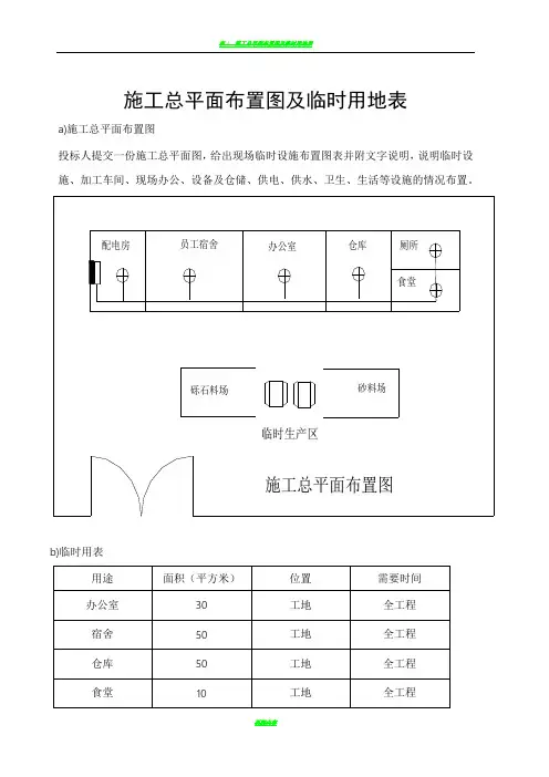
临时设施布置及临时用地表临时设施布置1.1 土建专业现场临建布置该工程施工临建规划按照该工程总体规划,根据节约用地、施工方便、道路畅通、安全适用,以及减少施工污染等基本原则,对本标段进行现场监设布置,同时结合本标段基本施工特点及主要工程量对现场监建进行全面规划。
另外根据专业特点,将集中搅拌楼、试验室、供应科、钢筋加工场布置在二期煤场东侧靠近围墙业主指定的同一施工区内,这样既便于供应科对三大主材的统一管理,又便于对钢筋、水泥砂石料、材质进行检试验。
现就具体方案作如下说明:●集中搅拌站:占地面积9480 平方米,其中砂石料场用C15 混凝土硬化(15cm 厚)①锅炉房:砖混结构建筑面积64 平方米檐高6.5 米②水泥库:砖混结构建筑面积120 平方米檐高3.6 米③办公室及试验室:砖混结构建筑面积150 平方米檐高2.4 米④车库:砖混结构建筑面积86 平方米檐高3.6 米⑤砂子堆放场:砖混结构占地面积800 平方米⑥石子堆放场:砖混结构占地面积1500 平方米●供应科:总占地面积:4930 平方米①办公室(包括租货站办公室):砖混结构建筑面积:150 平方米檐高:2.4 米②五金库、油料库、电料水暖库:砖混结构建筑面积150 平方米檐高:3.6 米③漏天库:占地面积:620 平方米④大工具柱修堆放区:占地面积:2040 平方米●钢筋加工堆放场:总占地面积:9050 平方米①办公室:砖混结构建筑面积:96 平方米檐高:2.4 米②钢筋堆放场:占地面积:4650 平方米㈣临时道路:20mm 厚、396 米长、宽7 米泥结石路面。
1.2 安装专业现场施工临建布置1.21 汽机施工场地布置汽机施工场地布置在#2 机组除氧煤仓间扩建端东侧沿扩建端向东布置。
场地宽32米,长360 米,该场地由西向东设置2 台30t/32m 龙门吊,前期用于钢屋架、钢煤斗制作及组合,后期用于汽机设备、管道的组合及设备堆放等。
1.2.2 锅炉施工场地的布置锅炉施工场地布置在#2 炉扩建端东侧,沿扩建端向东布置,场地宽42 米,长360米,设场地由西向东设置2 台63t/42m 龙门吊两台。
杭州湾跨海大桥工程建设项目(I合同)桩基工程开工报告(滩涂区)承包单位:浙江省交通工程建设集团有限公司监理单位:东北林业大学工程监理部二OO四年二月二十五日杭州湾跨海大桥建设项目承包单位:Ⅰ合同项目经理部监理单位:一合同监理工程师办公室合同号:Ⅰ编号: S01/A9/D/0001/0402 .(A-9)分项工程开工申请单共3份,承包人报送监理工程师1份,经监理工程师批准后送业主1份备案,1份返回承包人存档杭州湾跨海大桥建设项目承包单位Ⅰ合同项目经理部监理单位一合同监理工程师办公室合同号Ⅰ编号S01/A11/D/0001/0402(A-3)施工技术方案报审表共3份,承包人报送监理工程师1份,业主1份,1份返回承包人存档杭州湾跨海大桥建设项目承包单位浙江省交通工程建设集团有限公司监理单位东北林业大学工程监理部合同号01 编号A-4-01-01(A-4)施工放样报验单共2份,承包人报送监理工程师1份,1份返回承包人存档杭州湾跨海大桥建设项目承包单位Ⅰ合同项目经理部监理单位一合同监理工程师办公室合同号Ⅰ编号S01/A6/D/0001/0402(A-6)进场设备报验单共2份,承包人报送监理工程师1份,1份返回承包人存档开工准备工作说明我部陆地区桩基已正常施工,滩涂区桩基前期施工准备工作已基本结束,目前栈桥和施工平台可以满足前期施工需要;导线、水准复测成果已审批;预先开工的桩位施工放样,测量工作已结束;投入本工程的管理人员,施工人员以及其它人员已基本到位;投入本工程的机械设备,材料等均已到位;海工砼配合比试验报告已审批。
本分项工程的施工准备已就绪,具备了开工条件。
具体工程准备情况如下:一、主要施工人员进场情况杭州湾跨海大桥工程I合同项目部自2003年10月28日进场以来,根据招标文件及实际施工需要设置相应的科室及部门,项目部下设工程科、质检科、机料科、财务科、信息科、测量队、安全保卫科、办公室、中心试验室及施工调度室等职能科室和四个直接承担施工任务的施工队,以及拌和站;对工程实施全方位、全过程的管理。
临时设施布置及临时⽤地表临时设施布置及临时⽤地表临时设施布置图20⽶临时⽤地表临时设施搭设⽅案说明1、围挡⼯地进出⼝范围设置围挡,必须沿⼯地连续设置,做到坚固、稳定、整洁、美观。
为减少⼆次污染和安全隐患,在⼯程建设中,采⽤砖砌围墙2.0⽶⾼,采⽤1:3⽔泥砂浆抹⾯、墙⾯上下刷兰⾊边,中间为⽩底红字标语或企业业绩图⽚。
2、⼤门施⼯现场应按规定设置进出⼝⼤门,门头设置企业标志。
⼤门两旁应设置规范标准的六牌⼆图,即⼯程概况、施⼯现场平⾯图、项⽬管理⼈员及监督电话、安全⽣产制度,⽂明施⼯要诀、消防保卫制度、现场平⾯图、建筑效果图。
⼤门内应设置门卫室,固定专职保安⼈员,负责⼤门开关、出⼊车辆和⼈员的管理、治安保卫⼯作等。
门卫应建⽴进出管理制度,并悬挂在门卫室墙上,门卫室应整洁,不得堆放杂物。
3、进出⼝施⼯现场进出⼝地⾯应作硬化处理。
道路上不得堆放设备或建筑材料,场地应有良好的排⽔设施,应有有效措施防⽌泥浆、污⽔、废⽔外流或者堵塞下⽔道和排⽔通道,不允许场地内有积⽔。
出⼊⼝必须设置车辆冲洗装置,进出的车辆必须进⾏冲洗,杜绝车辆带泥上路,《进出⼤门平⽴⾯图》附后。
4、材料堆码现场的建筑材料、构件、料具应按施⼯总平⾯图的布局堆放(施⼯现场办公室内墙应张贴施⼯总平⾯图),并挂有名称、品种、规格的标牌,要求堆放整齐。
⽊材、⽊模板等易燃物品应严格按规定存放。
施⼯过程中,每道⼯序、分项⼯程、分部⼯程完成后,建筑材料、构件及时清检归放原地,建筑垃圾及时清扫集中运⾛,做到⼯完场清。
5、安全标志施⼯现场安全标志总平⾯图要根据⼯程特点、现场环境及《安全⾊标》标准编制。
施⼯现场坑、井、沟和各种孔洞,易燃易爆场所、变压器周围,应设置围栏或盖板及安全标志。
夜间设置红灯⽰警,各种防护设施、警告标志,未经施⼯负责⼈批准,不得移动和拆除。
施⼯现场位于交通主⼲道的,除按要求设置围栏挡板外,还应设置交通安全提⽰牌、反光警⽰标志、路标、警⽰灯等。
现场临时设施方案一、现场临时设施说明根据业主指定,施工区和生活区分开设置。
施工现场。
施工现场大门设置在场地的东侧,场地东、西及北侧采用单层彩钢板搭建___米高临时围墙,南侧利用已建围墙形成场地封闭。
场地内设置___米宽“f”型临时施工道路。
场地内东侧搭建一排一层彩钢板房最为管理办公室,南侧搭建一排一层彩钢板房最为材料库房、机电间及门卫室等。
1#和2#楼之间设置一台qtz63旋转半径___m长塔吊以解决场内材料水平运输问题,各号房均设置一台井架以解决材料的垂直运输。
钢筋和木工加工间分别设置在号房之间的道路侧边。
临设具___置详见《施工现场平面布置图》。
生活区。
生活区出入口设置在场地东侧,场地东、南侧采用单层彩钢板搭建___米高临时围墙,西侧和北侧利用已建围墙形成场地封闭。
场地内共搭建___排工人宿舍,一排管理人员宿舍和一排生活食堂及卫生间等设施,均采用彩钢板房搭设一层。
生活区内卫生间设置一个三级化粪池,化粪池和生活垃圾项目部将定期由环境___部门派车到场清运。
食堂内按规定设置一个隔油池。
临设具___置详见《生活区平面布置图》。
场地内所有活动板房将进行钢管加固处理。
现场用电从业主指定总配电间引出,生活和施工用电分开布设。
现场临时设施方案(2)一、前言在各类场景中,临时设施的设置广泛应用于各种活动、工程项目等临时场所中。
合理、科学的临时设施方案,既可以提高工作效率,又可以保证工作环境的安全和卫生。
本方案就是为了满足特定场景的需要,制定了一套临时设施方案,以确保工作能够顺利进行。
二、目标1.确保临时设施满足工作需求:根据具体工作场景的需要,制定合理、科学的临时设施方案,满足工作的要求。
2.提高工作效率:通过合理的临时设施设置,提高工作效率,缩短工作周期。
3.保证工作环境的安全和卫生:合理设置临时设施,确保工作环境安全、无污染,保障工作人员的身体健康。
三、具体内容1.办公区域1.1 办公楼为了提供良好的工作环境,临时设施方案中需要包括一个临时办公楼,用于提供工作人员的办公区域。
房地产开发的五证:《国有土地使用证》《建设用地规划许可证》《建设工程规划许可证》《建设工程施工许可证》《商品房销售(预售)许可证》二书:住宅质量保证书、住宅使用说明书五证说明:1、国有土地使用权证证明土地的使用者已经缴纳了土地出让金,获得了国有土地使用权的法律凭证,受法律保护。
颁发机关是人民政府或者国土资源局,注意正式的使用证应该同时加盖人民政府公章和房屋土地行政主管部门的公章。
对于普通的商品房土地证上应该是加盖“有偿土地使用证专用章”如果是加盖的是“临时土地使用证专用章”。
表明使用者没有缴足地价款,会给日后办理产权证带来隐患。
土地证不能涂改,载明的土地使用者应该和开发商名称一致。
注意有没有抵押,要求查看开发商支付土地使用金的收据。
2、建设工程规划许可证是确认有关建设活动的合法地位,保证有关建设单位和个人的合法权益。
是符合城市规划要求的法律凭证,也是建设单位建设工程的法律凭证,没有此证其工程建筑属于违章建筑。
开发商在领取了此证后方可申请办理开工手续。
主管机构是各级规划委员会3、建设用地规划许可证是建设单位在向土地管理部门申请征用、划拨土地前,经城市规划行政主管部门确认建设项目位置和范围符合城市规划的法定凭证,是建设单位用地的法律凭证。
法律后果是房地产商即使取得建设用地的批准文件,但如未取得《建设用地规划许可证》而占用土地的,其建设用地批准文件无效。
注意查验开发商所使用的土地在用途上、位置和界限上是否及证上相互一致。
还需要注意:用地许可证不能保证规划不变更,原因是开发商可以申请变更的。
应对办法是明确约定,变更多少日内通知购房者,不通知可以退房。
(商品房销售管理办法)24条明确约定的。
4、建设工程施工许可证标志者建筑施工单位符合各种施工条件、允许开工的批准文件。
没有也是违章建筑。
主管部门主要是建设行政主管部门5、商品房预售许可证指的是期房,如果是现房的话就是直接办理大产权证的审批手续的。
五证办理方法:一、国有土地使用证受理部门:所在的国土局所需资料1、申请(或土地登记申请书)2、土地登记审批表3、征用土地批准材料和红线图4、地籍图或地形图(委托你所在的土地勘察中心测绘,收费按国家规定收费标准收取)5、出让金收据、契税(国有土地使用权出让合同总额的4%)和土地出让业务管理费交付凭证(国有土地使用权出让合同总额的2%)(复印件)6、法人资格证明(或个人身份证明)7、需提供的其他证明材料(包括国有土地使用权出让合同、建设用地规划许可证、建设项目批文、营业执照等复印件)受理地点:所在县(市)国土资源局二、建设工程规划许可证城市规划行政主管部门依法核发的,确认有关建设工程符合城市规划要求的法律凭证。
第1篇一、项目概况项目名称:XX工程项目项目地点:XX市XX区XX路XX号项目业主:XX房地产开发有限公司项目规模:总建筑面积约XX万平方米,其中地上XX万平方米,地下XX万平方米。
项目类型:住宅、商业、办公、酒店等综合性质项目总投资:约XX亿元人民币项目开工日期:2021年3月项目竣工日期:2023年12月二、施工进度1.前期准备阶段(2021年3月-2021年6月)在此阶段,我们完成了项目招投标、施工许可证办理、施工图纸审查、施工现场临时设施搭建等工作。
同时,组织召开了项目启动会,明确了各参建单位的责任和义务。
2.基础施工阶段(2021年7月-2021年12月)基础施工主要包括土方开挖、地基处理、基础筏板施工等。
在此阶段,我们严格按照设计要求,确保了地基承载力满足要求,为后续施工奠定了坚实基础。
3.主体结构施工阶段(2022年1月-2022年6月)主体结构施工主要包括砌体、钢筋混凝土框架、楼梯、电梯井等。
在此阶段,我们严格控制施工质量,确保了主体结构的安全、稳定。
4.装饰装修阶段(2022年7月-2022年12月)装饰装修阶段主要包括室内外墙面、地面、门窗、电梯、消防、给排水、电气等。
在此阶段,我们按照设计要求,精心组织施工,确保了装修质量。
5.竣工验收阶段(2023年1月-2023年3月)竣工验收阶段主要包括工程资料整理、工程验收、工程结算等。
在此阶段,我们积极配合相关部门完成工程验收工作,确保项目顺利交付。
三、施工质量1.加强施工过程管理,严格执行国家相关标准和规范。
2.强化施工现场安全管理,定期开展安全教育培训,确保施工安全。
3.严格材料质量控制,选用优质建筑材料,确保工程质量。
4.加强施工进度控制,合理安排施工计划,确保项目按期完成。
5.积极开展质量检查和验收工作,发现问题及时整改,确保工程质量。
四、施工难点及解决方案1.施工难点:施工场地狭小,周边环境复杂。
解决方案:合理规划施工现场,优化施工流程,确保施工顺利进行。
合同签订前施工情况说明一、工程概况本项目为XXXX工程,位于XX市XX区,工程占地面积XX平方米,总建筑面积XX平方米。
工程主要包括XX栋住宅楼、XX栋商业楼、地下停车场及配套设施。
工程总投资估算为XX亿元,预计工期为XX个月。
二、施工准备在合同签订前,我方已进行了充分的施工准备工作,以确保工程顺利进行。
具体内容包括:1. 施工场地平整:已完成施工场地的平整工作,为工程主体施工创造了良好的基础条件。
2. 施工图纸及技术规范:已收到完整的施工图纸及技术规范,对图纸及规范进行了认真审查,确保无误。
3. 施工组织设计:根据工程特点,编制了合理的施工组织设计,明确了施工顺序、施工方法、施工工艺及质量、安全、环保等措施。
4. 施工队伍及设备:已组织了一支具备相应资质和经验的施工队伍,并对施工人员进行安全教育和技术培训。
同时,已准备好了所需的施工设备及材料。
5. 施工现场管理制度:建立了完善的施工现场管理制度,包括质量管理制度、安全生产管理制度、环保制度等,以确保施工现场的有序、高效运行。
6. 工程质量检测:对工程所需的原材料、构配件进行了质量检测,确保原材料及构配件的质量符合国家标准。
7. 办理施工许可等相关手续:已按照相关规定,办理了施工许可、安全许可等相关手续。
三、合同签订前施工情况在合同签订前,我方已按照施工准备要求,进行了部分施工工作。
具体内容包括:1. 土方工程:已完成施工场地内的土方开挖、运输及回填工作,满足了主体施工的需求。
2. 桩基工程:已完成桩基施工,并对桩基质量进行了检测,合格率达到了规定要求。
3. 临时设施建设:已完成了施工现场的临时设施建设,包括临时办公区、生活区、材料堆放区等。
4. 施工排水及降水:已按照设计要求,完成了施工排水及降水设施的设置,确保施工过程中的水患问题得到有效解决。
5. 施工现场安全防护:已按照相关规定,设置了施工现场的安全防护设施,包括施工现场围挡、安全标志、夜间照明等。
基础 2工程名称层数七层开工时间竣工日期工程总造价260万工程直接费208万安全防护设施提取金额9.18万临时设施提取金额1.9万该层使用金额53422元开工至该层累计金额53422元名称数量金额备注门卫1间1500办公室4间8000保管室、仓库2间6000淋浴室1间2500食堂1间1500总配电箱1台4800分配电箱3台4500开关箱12台8750安全帽60顶480电缆200米10000木工棚1处1500钢筋棚1处1500搅拌机棚2处1000防尘面罩2个175绝缘手套6副90绝缘鞋9双72耳塞4个15钢板围档200米4000电焊帽1个4056422元说明1、每两层填写一次2、根据施工现场实际填写储藏室、一层年9月18日工程名称1#、3#楼层数七层开工时间年6月19日竣工日期2011年1月工程总造价260万工程直接费208万安全防护设施提取金额9.18万临时设施提取金额1.9万该层使用金额3567元开工至该层累计金额56989元名称数量金额备注安全带6付192安全立网100片2800安全平网23片5753567元说明1、每两层填写一次2、根据施工现场实际填写工程负责人:徐庆山制表人:陈彦杰二、三层年10月11日工程名称1#、3#楼层数七层开工时间年6月19日竣工日期2011年1月工程总造价260万工程直接费208万安全防护设施提取金额9.18万临时设施提取金额1.9万该层使用金额3525元开工至该层累计金额60514元名称数量金额备注安全立网100片2800安全立网23片575安全标牌30个1503525说明1、每两层填写一次2、根据施工现场实际填写工程负责人:徐庆山制表人:陈彦杰四、五层年10 月24.日工程名称1#、3#楼层数七层开工时间年6月19日竣工日期2011年1月工程总造价260万工程直接费208万安全防护设施提取金额9.18万临时设施提取金额1.9万该层使用金额2950元开工至该层累计金额63464元名称数量金额备注安全立网100片2800安全标牌30个1502950元说明1、每两层填写一次2、根据施工现场实际填写工程负责人:徐庆山制表人:陈彦杰六层、阁楼层2009年4 月2日工程名称东建德州花园A15#楼层数六层开工时间2008年11月11日竣工日期2009年6月20日工程总造价260万工程直接费208万安全防护设施提取金额9.18万临时设施提取金额1.9万该层使用金额3525元开工至该层累计金额66989元名称数量金额备注安全平网100片2800元安全立网23片575元安全标牌30个150元3525元说明3、每两层填写一次10、根据施工现场实际填写工程负责人:杨文新制表人:徐阳六层、阁楼层2009年4 月2日工程名称东建德州花园A10#楼层数六层开工时间2008年7月27日竣工日期2008年12月30日工程总造价244万工程直接费121万安全防护设施提取金额9.7万临时设施提取金额6.9万该层使用金额3525 开工至该层累计金额66989元名称数量金额备注安全平网100片2800元安全立网23片575元安全标牌30个150元3525元说明4、每两层填写一次5、根据施工现场实际填写工程负责人:杨文新制表人:徐阳。
致成都市天府新区大林小学:
由我方承接“成都市天府新区大林小学玉皇校区内外墙改造工程”;在施工过程中我单位做到了施工现场打围,且随时进行卫生保洁。
故工程结算中关于“临时设施费、文明施工费、环境保护费"应当按照“成建价[2013]16”号文件第二条第1项读取(见附件)。
以上问题望贵方核实解决
四川省诚夏建筑工程有限公司
二0一五年七月三日
致成都市天府新区大林小学:
由我方承接“成都市天府新区大林小学玉皇校区安装防盗门工程”;在施工过程中我单位做到了施工现场打围,且随时进行卫生保洁。
故工程结算中关于“临时设施费、文明施工费、环境保护费"应当按照“成建价[2013]16”号文件第二条第1项读取(见附件)。
以上问题望贵方核实解决
四川兴锐建筑工程有限公司
二0一五年九月三日。
临时设施搭建情况说明表一.临时设施搭建情况说明表二、具体要求按照总体规划要求做好平面布置,主要包括:1)现场办公临建布置,2)现场厕所布置,3)材料堆放场地布置,4)钢筋堆放场地布置,5)现场排水、排污布置。
施工现场要加强场容管理,做到整齐、干净、节约、安全。
力求均衡生产。
施工现场切实做到工完场清,施工垃圾要集中堆放,及时清运,以保持场容的整洁。
(1)生活、办公区临时设施区场地全部用C15砼进行硬化,并按要求设置明沟排水,在大门口处设置洗车槽。
大门整洁醒目,形象设计有特色,“五牌一图”齐全完整。
场区入口及办公室门口设置绿化地带。
生活、办公区公共清洁派专人打扫,各办公室设轮流清洁值班表,并定期检查。
施工现场设立卫生医疗箱,并设置一定数量的开水供应点。
(2)材料堆放场地施工及周转材料按施工进度计划分批进场,并依据材料性能分类堆放,标识清楚,做到分规格码放整齐、稳固,做到一头齐、一条线。
施工现场材料保管,将依据材料的性质采取必要的防雨、防潮、防晒、防火、防爆、防损坏等措施。
贵重物品,易燃、易爆和有毒物品及时入库,专库专管,加设明显标志,并建立严格的领退料手续。
材料堆放场地设置得力的消防设施,消防设施齐全有效,所有施工人员均会正确使用消防器材。
施工现场临时存放的施工材料,须经有关部门批准,材料码放整齐,不得妨碍交通和影响市容;堆放散料时进行围挡,围挡高度不得低于0.6米。
(3)钢筋加工场地1)成型钢筋力求就近建筑单位堆放,并合理布置,排放整齐,方便安装。
2)钢筋半成品必须分类,分规格堆放,并做好标识。
3)各种钢筋加工机械前面必须按要求悬挂安全操作规程。
4)钢筋加工堆放场必须硬化,要求场地平整无积水,并做好明沟排水排污措施。
(4)厕所厕所和浴室内外要求清洁,现场设冲水厕所,粪便经化粪池处理后排水市政污水管道,并派专人打扫,以保证厕所卫生,清洁。
广东天立方建设有限公司2014年10月20日。
总包临时设施与措施费用管理规定
1. 总包临设
1.1 总包临时设施包含但不限于以下内容:临时办公区、临时生活区、临时
材料加工场和堆放场(如场地不够用,也含需在场外租赁的部分)、临时道路、临时供水、临时用电、临时排水、临时大门、临时设施设备。
1.2 现场已完临时之确认与利用,甲方现行已经安排工地的临时围墙。
1.3 总包临设费用已经充分考虑了在临设使用期间的所有费用,包含需要维
护的费用,同时包含了拆除后恢复场地原貌的费用。
1.4 安全文明施工费(包括但不限于文明施工与环境保护费、临时设施费、
安全施工费等)之全部费用分摊至分部分项工程之综合单价内,为固定包干价,不会因工程修改而做出调整,不论实际情况与投标时的估计有多大出入,或工程量清单内的暂定数量与最终实际施工量有多大差别,亦不论设计变更的数量多少,结算时一律不予以调整。
2. 总包临设与甲方独立分包、指定分包之分工表
分工表。
(完整版)标准化临时设施⽅案⽬录⼀、编制说明 (1)1.1 编制依据 (1)1.2 编制原则 (1)⼆、⼯程概况 (1)三、施⼯现场总平⾯布置说明 (1)四、⽣活区主要临时设施 (3)4.1⼯地⼤门 (3)4.2⼯地围墙 (4)4.3 职⼯办公室及⾷堂 (5)4.4 会议室及贵宾室 (6)4.5 办公区卫⽣间 (7)4.6 ⼯⼈宿舍及⾷堂 (8)4.7 主题墙 (8)4.8 旗台、旗杆、旗帜 (9)4.9.盥洗池 (10)4.10办公区室外硬化及⽣产区硬化路⾯ (10)4.11⼟建主要⼯程量 (11)五、施⼯现场临时设施 (11)5.1⼯地试验室 (11)5.2钢筋棚施⼯⼯艺 (12)5.3⽊⼯棚施⼯⼯艺 (13)5.4钢筋原材码放区 (14)5.5⼄炔库房,冬⾬施备料库房、氧⽓库房 (14)5.6现场物资室、值班室、⼩库房、材料房 (15)六、临电施⼯ (15)6.1场地勘察 (15)6.2配电室设置 (15)6.3确定配电系统 (16)七、临⽔⽤⽔施⼯ (17)7.1给⽔系统 (17)7.2⽣活污废⽔系统 (19)7.3⾬⽔系统 (20)⼋、安全⽂明施⼯ (20)8.1施⼯现场防⽕设施: (20)8.2防污染设施: (21)8.3⽂明施⼯设施 (21)8.4宣传栏、公告栏及六版⼀图牌 (21)⼀、编制说明1.1 编制依据⑴中铁西安中⼼⼯程招标设计图⑵中铁航空港建设集团标准化建设(试⾏)⑶现场施⼯技术⼈员测量放样及统计资料等1.2 编制原则⑴施⼯场地不超出招规定的施⼯⽤地范围,以满⾜施⼯⽣产和现场管理为主,尽量减少对道路、交通等公⽤设施的⼲扰;⑵⽅便施⼯组织;⑶⽣活、⽣产区域分开;⑷经济合理、简洁美观,有利于安全⽣产;⑸合理布置临时建筑,避免重复建设;⑹严格遵守业主及西安市有关部门的要求、规定;⼆、⼯程概况本项⽬位于西安⾼新区锦业路与丈⼋⼀路交汇处,地处⾼新区(CRBD)范围内的中国智慧⾕内,智慧⾕为西⾼新区CBD的核⼼区,四周环绕建筑均为超⾼层建筑,智慧⾕定位为具有复合功能的总部基地。