动力电池PACK生产线
- 格式:doc
- 大小:39.50 KB
- 文档页数:3
pack电池生产线流程一、引言pack电池是一种广泛应用于电动汽车、储能系统等领域的重要组件,其生产线流程对于保证产品质量、提高生产效率具有重要意义。
本文将介绍pack电池生产线的整体流程,包括原材料准备、电池模组制造、电池模组测试、装配与封装等环节。
二、原材料准备1. 正极材料准备:包括正极片、集流体等材料的采购、入库,确保其质量符合要求。
2. 负极材料准备:包括负极片、集流体等材料的采购、入库,确保其质量符合要求。
3. 隔膜材料准备:包括隔膜片的采购、入库,确保其质量符合要求。
4. 电解液准备:包括正极材料、负极材料等的混合制备,确保电解液配比准确。
三、电池模组制造1. 正负极片涂布:将正极材料和负极材料分别涂布在集流体上,形成正负极片。
2. 隔膜贴合:将涂布好的正负极片与隔膜片按一定顺序叠压在一起,形成电池模组。
3. 压缩和固化:通过一定的压力和温度条件,使电池模组中的材料紧密结合,提高电池的稳定性和性能。
4. 切割和成品检验:将固化后的电池模组进行切割,形成标准尺寸的电池单体,并进行成品检验,确保电池单体质量合格。
四、电池模组测试1. 电性能测试:对电池模组进行放电和充电测试,检测其电压、电流、容量等参数,以验证其性能是否符合设计要求。
2. 循环寿命测试:对电池模组进行多次充放电循环,模拟实际使用情况,评估其循环寿命和容量衰减情况。
3. 安全性能测试:对电池模组进行过充、过放、短路等安全性能测试,确保其在异常情况下不会发生爆炸或火灾等安全问题。
五、装配与封装1. 电池模组装配:将通过测试的电池模组按照一定的数量和排列方式进行装配,形成pack电池组。
2. 电池组保护:对pack电池组进行保护措施,包括防尘、防水、防震等,确保其在使用过程中能够安全稳定运行。
3. 封装:将装配好的pack电池组进行封装,形成最终的pack电池产品。
4. 成品检验:对封装好的pack电池产品进行成品检验,确保其质量符合要求。
动力电池组PACK流水线生产方案一、概述动力电池组是储存和释放电能的设备,应用于电动汽车、混合动力汽车等领域。
PACK(Power Assemble Configuration Kit)流水线是动力电池组的生产线,用于实现动力电池组的高效、稳定和大规模生产。
本方案旨在介绍PACK流水线的整体架构和关键步骤,以及所需设备和人员配置,以提高动力电池组生产效率和质量。
二、PACK流水线架构PACK流水线的整体架构包括以下几个主要步骤:1.电芯检测与分级:通过检测电芯的电压、电流、内阻等参数,对电芯进行分类,以保证电芯的质量和性能符合要求。
2.电芯组装:将符合要求的电芯按照一定规格和数量进行组装,形成电芯组。
3.电芯组级联:将多个电芯组按照一定电路连接方式进行级联,形成电芯组串。
4.电芯组封装:对电芯组进行封装,以确保电芯组内部结构和连接的牢固性和密封性。
5.电芯组测试与故障排除:对电芯组进行电压、电流、容量等性能测试,并进行故障排查和修复。
6.电芯组整形与装配:对电芯组进行整形和装配,形成最终的动力电池组产品。
7.电池组测试与质检:对动力电池组进行外观、性能和安全性质检,确保产品质量符合标准要求。
三、PACK流水线关键步骤1.电芯检测与分级电芯检测与分级是PACK流水线的第一步,采用自动化测试仪对电芯进行电压、电流、内阻等参数的检测,然后将电芯分为合格品和不合格品两类,以确保后续组装的电芯质量符合要求。
2.电芯组装电芯组装是将符合要求的电芯按照一定规格和数量进行组装,形成电芯组。
此步骤采用自动化组装机械手,根据电芯的规格和要求进行自动化组装,以提高效率和减少人工操作。
3.电芯组级联电芯组级联是将多个电芯组按照一定电路连接方式进行级联,形成电芯组串。
此步骤采用自动化连接设备,将电芯组按照一定的连接方式进行级联,然后进行连接测试,以确保电芯组串的连接质量和稳定性。
4.电芯组封装电芯组封装是对电芯组进行封装,以确保电芯组内部结构和连接的牢固性和密封性。
新能源pack线工艺流程1. 简介新能源pack线工艺流程是指在新能源电池生产过程中,对电池进行组装和测试的一系列步骤。
该工艺流程的目标是确保电池的质量和性能,并最大限度地提高生产效率。
2. 工艺流程步骤2.1 材料准备在开始pack线工艺之前,首先需要准备各种材料和设备。
这些材料包括电池单体、连接件、绝缘垫片、外壳等。
设备包括注液机、焊接机、测试仪器等。
2.2 单体分选单体分选是根据单体的性能参数,将其分类为不同等级。
常见的参数包括电压、内阻、容量等。
这可以帮助确保pack后的电池组具有一致的性能。
2.3 清洁处理清洁处理是为了确保pack线上的各个部件干净无尘,并提供一个良好的工作环境。
这可以通过使用洁净室或清洁设备来实现。
2.4 组装组装是将单体与其他部件连接起来,形成一个完整的电池组。
这包括以下步骤:•将单体放置在固定夹具上。
•使用连接件将单体连接起来,形成串联或并联结构。
•在连接点上进行焊接,确保连接牢固可靠。
•安装绝缘垫片,防止短路和漏电。
2.5 注液注液是将电解液注入电池组中的关键步骤。
这需要使用注液机进行自动或半自动注液。
注液时需要确保注液量准确、均匀,并避免气泡的产生。
2.6 封装封装是将电池组放入外壳中,并密封起来的过程。
这可以通过以下步骤完成:•将电池组放入外壳中。
•使用密封胶或密封垫片将外壳与电池组固定在一起。
•使用焊接机对外壳进行焊接,确保密封性能良好。
2.7 充放电测试充放电测试是对pack后的电池组进行性能评估的重要步骤。
这可以通过以下测试完成:•充电测试:将电池组连接到充电设备,按照指定条件进行充电,并记录充电时间和容量。
•放电测试:将电池组连接到负载设备,按照指定条件进行放电,并记录放电时间和容量。
•性能评估:根据充放电测试结果,评估电池组的性能指标,如容量、循环寿命等。
2.8 整理包装整理包装是将pack后的电池组进行分类、整理和包装的步骤。
这可以通过以下步骤完成:•分类:根据性能参数和质量检验结果,将电池组分为不同等级。
锂电池pack生产线可行性报告材料
一、锂电池pack生产线可行性报告
1.项目概述
锂电池pack生产线是指从原材料采购、生产、装配、检测到最终出厂,把由单体锂电池排构成的蓄电池组完成封装为整体的生产线。
该生产线主要针对蓄电池组封装的一次性完成,主要用于电动车、电力车、航空客机、船舶、建筑工地等储能电池的充放电,以及电子信息产品等领域的安全可靠的能源供应。
2.项目优势
(1)壳体结构紧凑,占用空间小,从而缩短蓄电池组单位容积应用所需时间。
(2)壳体表面处理严格,确保设备稳定性能,可保证蓄电池组在使用中的安全性。
(3)设备能耗小,生产成本低,为企业带来可观的收益。
(4)装配精度高,出厂率高,满足客户对产品要求。
3.项目需求
(1)技术需求
1)设备的技术参数要求:
a.装配速度:每小时可装配500组;
b.装配精度:装配精度应不小于90%;
c.材料精度:材料将在装配过程中使用,应满足设计及使用要求;
d. 可靠性:装配完成的锂电池pack应满足使用及安全要求;
2)根据最终产品要求,设备要求:
a.严格控制容量,平均误差控制在0.5Ah内;。
年产值3000 万锂离子电池pack 生产线工程可行性争辩报告日期:2022 -4-101.总论1.1工程名称年产3000 万元锂电pack 生产线工程1.2工程概况1.2.1建设目标本工程建设的目标是:到2022 年建成年产值3000 万元的锂电pack 生产线,本工程分三期完成,一期2022 年拟建成年产值500 万元的锂电PACK 生产线,二期到2022 年拟建成年产值1000 万元的锂电pack 生产线,三期到2022 年拟建成年产值3000 万元的锂电pack 生产线,通过外购电芯,自行检测包装组合,再到市场推广,逐步积存阅历、培育人才、最终形成市场口碑、优质客户等,为公司进入锂电池的电芯制造打下良好的根底。
1.2.2产品线以及拟建规模建设期产品名称拟建规模—期圆柱(18650) 一般型年产值500 万二期软包装一般型年产值500 万圆柱(18650) 动力型+一般型年产值1000 万三期软包装一般型+动力型年产值1000 万合计(三期建成后) 年产值3000 万建设期内容时间编制一期设备清单厂房规划2022 .4.20 前2022 .4.25设备调研2022 .5.10前—期设备选购2022 .6.1前设备安装调试2022 .7.1前人员培训2022 .7.5前编制二期设备清单2022.1.30 前厂房规划2022.2.5 前设备调研2022.2.20 前二期设备选购2022.3.15 前设备安装调试2022.4.20 前人员培训2022.4.25 前编制三期设备清单厂房规划设备调研2022.2.15 前2022.2.25 前2022.3.25 前三期设备选购2022.4.30 前设备安装调试2022.6.10 前人员培训2022.6.15 前类 别名 称 型 号 用 途单台产 能支 /10h 数量 / 台总产能支/10h单 价 价 格/万元 /万元圆柱锂离子 电池检测柜 盈创 YC-3000JL 512 点 3A 泰斯 MPT04S030A容量检测 1500支/24h3 4500 支39保护板测试仪电脑裁线剥生 产类防静电皮电池综合性能测试仪泰斯 2022 〔20V 〕全检电池 组 10000 组 110000 组0.480.48电 性能备注:一期锂电 pack 生产线、以及人员临时和镍氢检测车间、包装车间借调,一期500万产值,按 2 元/Ah 电池计算,折算日产 4000 支 18650 /2022mAh(1) 一期设备投资估量保护板检测96001 /24h 9600 1.7 1.7 裁切导线 202201202200.80.8---10.06 0.06100.001 0.01工作台面1030 元 0.03 防静电/m2锂离子电池 容量以及 23 6性能测试仪寿命测试合计18 18.08线机点焊机镍氢现有点焊静电手环测试仪 日本 HAKKO498静电手环除静电单台产 能支 /10h 数 量/ 台 总产能支/10h 单 价 价 格/万元 /万元软包锂离子 容量1500生 产类备注:二期软包 500 万产值,按 3 元/AH 电池计算,折算日产 5300 支 1000mAh 的软包 电池,二期锂电检测和包装车间和镍氢的检测和包装分开运作。
一、前言我国在新能源汽车方面投入力度很大,列为科技部重大专项课题,目前已有多种混合动力新能源汽车样车问世,许多汽车企业陆续发布新车上市时间表,国务院近期出台了鼓励发展新能源汽车的扶持政策,显然,发展新能源汽车是国际共识,中国各地都在下大力气研发建设,如天津的电动汽车生产基地,深圳比亚迪的双模铁电池混合汽车,不久前合肥电动汽车已下线上路行驶,当地政府大力支持并特别颁发了上路牌照,此外还有浙江准备大力推出适合农村市场需要的微型电动汽车,价格不到万元人民币,在专家们还在争论我国到底发展哪种新能源结构车型时,各地方政府及企业已经因地制宜、实事求是地发展自己的新能源汽车产业了。
无论是何种新能源汽车,几乎都不排斥电池的作用,包括油电混合动力汽车、燃料电池汽车以及纯电动汽车,而在汽车动力电池方面,除了低成本的铅酸电池外,现在开始使用镍氢电池,近期将陆续推出锂动力电池,锂动力电池的综合性能目前最符合混合动力汽车的要求,世界各国,尤其汽车强国日本和美国,都在大力发展锂电池生产技术规模,我国也一哄而上,生产锂动力电池的企业不下百家。
锂动力电池目前的技术瓶颈是如何提高成品率从而降低成本,在保证单体电芯安全性的前提下实现大规模成组的动态充放电一致性,在足够功率放电的同时具有足够的循环使用寿命。
现有的生产设备、工艺流程、电池管理系统均存在缺陷,换句话说,目前企业尚不能稳定生产合格的锂动力电池组,至少国内企业是这样,有专家明确指出,我国现在还没有一条真正的汽车动力电池PACK生产线,如果不能快速解决这个问题,不但上百家电芯生产企业发展受阻,而且也会严重影响我国相关新能源汽车产业发展,反之,如果实现产业化,不但能满足国内整车市场的需要,更能解决国际庞大的市场之需,业内预计,新能源汽车专用锂动力电池每年需求上亿块,产值数万亿,谁也吃不下,与太阳能电池产业类似,将数年呈供不应求态势,而且订单只会向少数技术拥有企业过分集聚。
我们辛苦钻研八年之久,终于在锂动力电池的生产、控制方面取得了一系列技术突破,并拥有完全自主知识产权,可以整合现有的国内外单体电芯生产技术资源,突出解决电芯与整车用户之间的PACK问题,与地方政府和投资商一起,共同建立我国第一条汽车锂动力电池组PACK生产线。
pack模组自动化生产线工作原理
pack模组自动化生产线是指利用自动化设备和技术对pack模
组进行生产的生产线。
其工作原理如下:
1. 原料准备:将生产pack模组所需的原料准备好,如电池片、分隔膜等。
2. 切割与组装:利用自动化设备对电池片进行切割和组装,形成pack模组的基本结构。
3. 电池片连接:将切割好的电池片用导电铜箔等材料连接在一起,形成pack模组的电路连接。
4. 封装与防护:将pack模组放入封装机器中,利用自动化技
术对pack模组进行封装和防护,以保护模组内部电路。
5. 测试与检验:通过自动化设备对pack模组进行电池活性测试、阻抗测试、外观检验等,确保pack模组的质量和性能符
合标准。
6. 标识与包装:在pack模组上标识产品信息,并将其包装成
成品,以便运输和销售。
整个生产过程中,自动化设备如机器人、传送带、自动装配机等起到关键作用,能够实现自动化、高效率的生产,并提高pack模组的质量和稳定性。
同时,自动化生产线还能够对生
产数据进行实时监控和分析,提供数据支持,以实现生产过程的优化和精细化管理。
动力电池pack产线检查项目
首先,在原材料采购环节,需要检查原材料的质量和供应商的
资质,确保原材料符合要求,并且具有合格的认证。
在生产过程中,需要对每个生产步骤进行检查,包括电池单体的制造、电池模组的
组装、电池管理系统的安装等。
在这些步骤中,需要检查生产设备
的运行状态、操作人员的操作规范以及生产环境的清洁度和安全性。
另外,还需要对动力电池pack的性能进行检测,包括电池的容量、充放电性能、循环寿命等指标的测试,以确保动力电池pack的
性能符合设计要求。
同时,也需要进行安全性能的测试,包括短路、过充、过放等异常情况下的安全性能测试,以确保动力电池pack在
各种极端情况下都能保持安全稳定。
此外,还需要对动力电池pack的外观进行检查,确保外观无损伤、无渗漏等质量缺陷。
最后,在包装和出厂环节,需要对包装方
式和出厂产品进行最终检验,以确保产品符合出厂标准。
总的来说,动力电池pack产线检查项目涉及到原材料采购、生
产过程、性能测试、安全性能测试、外观检查、包装和出厂检验等
多个环节,需要全面细致地进行检查和测试,以确保生产出的动力电池pack的质量和安全性能达到要求。
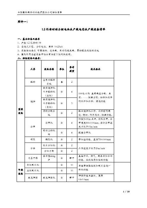
附件一:1.2亿安时动力锂电池生产线电芯生产线设备清单一、基本信息及要求1、产能1.2亿安时/年2、卷绕式工艺,方形电池,单体10-25Ah3、设备档次要求可靠性好,效率高,自动化程度高,最好配在线检测系统4、国内外同类型设备市场占有率前5位的供应商。
二、招标设备及要求:1.2亿安时动力锂电池生产线PECK生产线设备清单日产40万Ah(单体10Ah~25Ah)电芯国轩上海生产线设备清单附件四:百亿产业园1200吨磷酸铁锂材料生产线设备清单一、工艺流程图二、设备要求1.配料系统要求(主材共三种粉料密度分别为1.8、2.1、0.8、一种溶剂密度为0.78) 1)自动化程度高,减少人工操作;2)原料设置料仓存储、管路输送,保证过程无粉尘;3)配料精度要求≥千分之五(单批配料量在50~500kg ,单日批次在8~24批) 2.研磨混料系统要求1)带混合、研磨、循环、冷却功能; 2)产量≥100kg/h ;3)浆料缸≥1000L ,混合缸≥8000L ; 4)材质:304不锈钢内衬陶瓷材料 3.干燥系统要求(酒精体系) 1)产量≥100kg/h ;2)溶剂密闭回收,回收率≥95%; 3)材质:304不锈钢 4.预烧系统要求 1)最高温度750度; 2)炉膛氧含量≤50ppm ;3)单台产量≥20kg/h(烧失率50%~55%);4)出料温度≤35度5.烧结系统要求1)最高温度900度;2)炉膛氧含量≤30ppm;3)产量≥40kg/h(烧失率约5%);4)出料温度≤35度6.粉碎分级系统要求1)细粉比例≤8%;2)处理量≥250kg/h;3)气源采用氮气,并设置氮气回收、净化、循环系统;7.混合包装系统(成品松装密度约0.6)1)单批成品混合量≥5吨;2)混合均匀、出料干净,存料量≤1%;3)包装方式:真空包装,单袋重量20~50kg,包装速率≥100袋/h,放置一个月不漏真空;8.过程控制系统要求1.将全部工序连接起来,采用管道输送、料仓存储,杜绝人工搬运;2.过程物料不与空气接触;9.氮气系统要求1)流量要求≥1000Nm3/h;2)氧含量≤3ppm;3)露点:-70℃;4)出口压力:0.6~0.8 Mpa;10.冷却系统要求需要等其他设备确定下来之后根据设备厂家提供的冷量、流量要求之后才能确定;11.压缩空气系统需要等其他设备确定下来之后根据设备厂家提供的气量要求之后才能确定;12.车间温湿度控制系统1)相对湿度≤30%13.废气处理系统1)主要废气为成分及参数为:氨气、二氧化碳、一氧化碳、氮气、焦油(微量);废气温度:60~80度,压力:微正压(约200帕)2)处理要求:废气处理系统与生产设备实现完全密封的对接,保证生产车间内无废气排出,主要针对氨气的吸收处理,要求处理效率≥95%;如采用吸收的方式进行处理则需要考虑吸收副产物的进一步处理;3)进行系统设计,保证废气达标排放。
Pack生产线是指在电池制造过程中,将多个单体电池组成的电池组进行组装、测试、包装等环节的生产线。
随着科技的发展,锂电池作为一种高效、环保的能源储存方式,越来越受到人们的关注。
而Pack生产线则是将多个单体电池组成的电池组,广泛应用于电动汽车、电动工具、无人机、智能家居等领域。
因此,Pack生产线的重要性也越来越凸显。
具体来说,Pack生产线的背景和意义如下:1. 高度定制化需求:根据整车厂的要求,对不同车型进行针对性研发,具有较强的定制化属性。
当前市场上各家汽车厂商的要求不同,几乎没有两家车企的模组和生产工艺是一样的,这也对自动化产线提出了更多的要求。
2. 高安全高稳定要求:动力电池系统Pack的核心难点在于定制化的市场需求。
优质的动力电池系统Pack能够基于车厂客户不同车型的个性化需求,同时对动力电池BMS方案、热管理、空间尺寸、结构强度、系统接口、IP等级和防护等进行定制化研发与设计,通过各种成熟技术的交互使用实现动力电池组各模块的有机结合,保障核心储能装置电芯的安全性和稳定性,确保产品安全。
3. 整线节拍控制要求:整条自动线节拍是平均到每个工作站的工作时间节拍而非传统意义上见到的流水线。
传统的生产线上,从上个工作站完成后传送到下个工作站,总有工作站在等待,这样就浪费了节拍和效率。
而锂电电池需求的增长,要求生产保持高节拍,高效生产,满足市场供给需求。
4. 兼容性低:高效自动化生产线除了满足以上硬件配置和工艺要求以外,还需要重点关注其兼容性和‘整线节拍’,同时有效提升动力电池系统与不同厂商的不同车型的匹配性和应用性。
由于模组的不固定,所以来料的电芯、壳体、PCB板、连接片等都可能发生变化,生产线的兼容性就显得尤其重要。
总的来说,Pack生产线在锂电池制造过程中扮演着重要角色,对于提高电池组的安全性、稳定性以及生产效率具有关键作用。
Pack电池生产线设计注意事项一、安全措施在Pack电池生产线上,安全是最重要的考虑因素之一。
为了确保操作人员的安全,我们需要采取一系列的安全措施。
例如,在生产线周围设置安全护栏,确保操作人员不会意外跌入生产线;使用防爆电气设备,以防止电池产生的气体引发爆炸;定期对生产线进行安全检查,确保设备运行正常。
二、高效性为了提高Pack电池生产线的效率,我们需要考虑生产线的布局和设备选型。
合理的布局可以减少操作人员移动的距离,提高生产效率。
同时,选择高效的设备也是必要的,例如使用自动化设备代替手动操作,可以大幅提高生产效率。
此外,为了确保设备的持续高效运行,还需要进行定期的维护和保养。
三、自动化自动化是现代制造业的趋势,Pack电池生产线也不例外。
通过自动化设备,可以大幅提高生产效率,减少人工误差。
同时,自动化设备还可以减少对操作人员的技能要求,降低人工成本。
为了实现自动化生产,需要选择可靠的自动化设备,并进行合理的生产线布局。
四、环保设计随着环保意识的提高,越来越多的企业开始重视环保问题。
在Pack 电池生产线上,我们需要采取一系列环保措施。
例如,使用环保材料代替有害材料,减少废气、废水的排放,对废气、废水进行治理后再排放等。
此外,还可以考虑使用太阳能、风能等可再生能源,以减少对环境的负担。
五、品质控制品质是企业的生命线,因此品质控制是Pack电池生产线设计的重要环节。
为了确保品质,我们需要对生产过程中的各个环节进行严格的质量检测和控制。
例如,对原材料进行质量检查,确保原材料的质量符合要求;对生产过程中的各个环节进行质量检测,确保每个环节的质量都符合要求;对成品进行质量检测,确保最终产品的质量符合客户要求。
六、灵活性Pack电池生产线需要具有一定的灵活性,以适应市场需求的变化。
例如,当市场需求发生变化时,我们可以调整生产线的布局和设备配置,以适应新的生产需求。
此外,为了提高生产线的灵活性,我们还可以考虑使用模块化的设备设计,便于设备的组装和拆卸。
动力电池pack生产实用工艺流程动力电池PACK是新能源汽车的重要组成部分,由五大系统构成。
装配工艺类似于传统燃油汽车的发动机装配工艺,通过连接件将五大系统连接起来构成一个总成。
在制造过程中,气密性检测分为热管理系统级和PACK级,必须达到IP67等级。
软件刷写工艺是将BMS控制策略以代码的形式刷入到BMS中的CMU和BMU中,以实现电池状态信息数据的处理和分析。
电性能检测工艺包括静态测试、动态测试和SOC调整,每个公司有自己的标准,但国家对于新能源汽车动力的电性能要求是有规定的。
动力电池PACK是一种技术密集型产业,其组装过程包括贴片、电池焊接、固定和检测等多个环节。
相对于其他电池制造环节,PACK组装难以实现完全自动化,因此成为了劳动密集型的产业。
亚洲成为全球电池PACK组装基地的重要原因之一,而在消费电子电池PACK领域,台湾和大陆占据了全球主要市场份额。
动力电池PACK在自动化程度和技术要求上更高,属于技术密集型产业。
动力电池PACK的生产工艺流程包括电芯、模块、电气系统、热管理系统、壳体和BMS几个部分。
电池PACK是新能源汽车核心能量源,为整车提供驱动电能,主要通过壳体包络构成电池PACK主体。
___在电池PACK自动化生产线上有着非常丰富的经验。
11月24日,___发布了《关于调整GB/T.3-2015审查技术要求的通知》,为减轻企业负担,在保证产品安全前提下尽可能减少实测项目。
经汽车产品技术委员会讨论并得到主管部门批准,现对GB/T.3-2015《电动汽车用锂离子动力蓄电池包和系统第3部分:安全性要求与测试方法》审查技术要求进行调整,新申报的汽车产品自2018年1月1日(公告第304批)开始执行。
据透露,___已成为___在德国之外最大的电池中心。
宁德时代总裁___表示,国家给补贴政策设置门槛是为了保证行业健康稳健的发展。
我国动力电池PACK业务起步较晚,技术水平较落后,但生产规模正在逐年增长。
动力电池组PACK流水线生产方案
本文介绍了一种动力电池组PACK生产方案,包括锂电
芯PACK生产流程、电池组加工工序和设备清单。
锂电芯PACK生产流程包括电芯分选、点焊、BMS焊接、连接线焊接、半成品测试、套PVC、PVC吹塑、收缩机和自
动分选机等工序。
电池组加工工序包括内阻仪、点焊机、成品检测综合测试仪、成品老化柜等设备。
设备清单中包括机器名称、型号、单价、机器数、工位、人数、参考图片和备注等信息。
建议根据实际情况选择购买数量。
针对不同的工厂产量要求,提出了三种不同的方案。
方案一适用于产量要求不高的工厂,主要采用人工操作,设备投入较低。
方案二适用于生产需求大的工厂,可大部分采用自动化
机器。
方案三适用于初步打样阶段,主要为客户制作样品和小批量试产。
需要注意的是,本文中存在一些格式错误,需要进行修改。
另外,部分段落表述不够清晰,需要进行小幅度的改写。
关于筹建动力电池PACK生产线(初稿)
一,动力电池PACK生产线的任务:
负责PT和LEV电池组产品的样品制作及电池组小批量的生产,同时为将来可能的大批量生产做准备。
二,产能规划:
折算成36V/10AH电池组,即100组/天;
折算成6串19.2V/1.1AH电池组,即组/天。
三,工艺流程(讨论):
①LEV:保护板检测(全检)—电池点焊—焊点检测—上支架—焊接保护板—半成品检测—壳体组装—成品老化。
②PT:保护板检测(全检)—电池点焊—焊点检测—焊接保护板—成品检测—成品老化
③相关工艺文件:制定中
四,产能计算:
①以LEV 36V/10AH(3并11串26650)计算:点焊每组需30min,焊接保护板每组需15min,壳体组装每组需30min,所以每台点焊机每天(8小时)能点15组,由此计算共需8台点焊机(产能120组/天)。
②以PT 19.2V/1.1AH(6串18650)计算:点焊每组需7min,焊接保护板每组需5min,所以每台点焊机每天(8小时)能点65组,由此计算8台点焊机的产能520组/天。
五,设备需求:
流水线:每条4台电焊机,共需2条
六,人员配置:
见流水线人员布局图,每条拉13人,共需27
流水线人员布局图
七,PACK产线布局图:见附件“最新布局图”。
关于筹建动力电池PACK生产线(初稿)
一,动力电池PACK生产线的任务:
负责PT和LEV电池组产品的样品制作及电池组小批量的生产,同时为将来可能的大批量生产做准备。
二,产能规划:
折算成36V/10AH电池组,即100组/天;
折算成6串19.2V/1.1AH电池组,即组/天。
三,工艺流程(讨论):
①LEV:保护板检测(全检)—电池点焊—焊点检测—上支架—焊接保护板—半成品检测—壳体组装—成品老化。
②PT:保护板检测(全检)—电池点焊—焊点检测—焊接保护板—成品检测—成品老化
③相关工艺文件:制定中
四,产能计算:
①以LEV 36V/10AH(3并11串26650)计算:点焊每组需30min,焊接保护板每组需15min,壳体组装每组需30min,所以每台点焊机每天(8小时)能点15组,由此计算共需8台点焊机(产能120组/天)。
②以PT 19.2V/1.1AH(6串18650)计算:点焊每组需7min,焊接保护板每组需5min,所以每台点焊机每天(8小时)能点65组,由此计算8台点焊机的产能520组/天。
五,设备需求:
流水线:每条4台电焊机,共需2条
六,人员配置:
见流水线人员布局图,每条拉13人,共需27
流水线人员布局图
七,PACK产线布局图:见附件“最新布局图”。