施工现场检查汇总表表
- 格式:docx
- 大小:16.10 KB
- 文档页数:1
北京市施工现场检查评分记录(汇总表)表AQ-C1-6北京市施工现场检查评分记录(安全管理)表AQ-C1-7施工单位: 北京建工集团有限责任企业工程名称: 实训楼(北京理工大学良乡校区大学生工程实践训练中心)检查员签字: 年月日北京市施工现场检查评分记录(生活区、办公区)表AQ-C1-8检查员签字: 年月日北京市施工现场检查评分记录(绿色施工)表AQ-C1-9检查员签字: 年月日北京市施工现场检查评分记录(脚手架)表AQ-C1-10检查员签字: 年月日北京市施工现场检查评分记录(模板支撑体系)表AQ-C1-11检查员签字: 年月日北京市施工现场检查评分记录(安全防护)表AQ-C1-12北京市施工现场检查评分记录(临时用电)表AQ-C1-13检查员签字: 年月日北京市施工现场检查评分记录(塔式起重机、起重吊装)表AQ-C1-14检查员签字: 年月日北京市施工现场检查评分记录(机械安全)表AQ-C1-15检查员签字: 年月日北京市施工现场检查评分记录(消防保卫)表AQ-C1-16北京市施工现场检查评分原则北京市施工现场检查评分原则(安全管理)表AQ-D1-1北京市施工现场检查评分原则(生活区、办公区)表AQ-D1-2北京市施工现场检查评分原则(绿色施工)表AQ-D1-3评分阐明:1、违反本规程强制性条文旳, 直接鉴定不合格;2.本评分表总得分率低于85%鉴定为绿色施工不达标;3、表中第1-11项为扬尘治理旳专题检查内容, 其中1-5项每项得分率不得低于50%, 6-11参与评分旳子项得分不能为零, 总得分率不得低于85%, 否则本月评价直接鉴定为扬尘治理不达标, 绿色施工也不达标。
北京市施工现场检查评分原则(脚手架)表AQ-D1-4北京市施工现场检查评分原则(模板支撑体系)表AQ-D1-5北京市施工现场检查评分原则(安全防护)表AQ-D1-6北京市施工现场检查评分原则(临时用电)表AQ-D1-7北京市施工现场检查评分原则(塔式起重机、起重吊装)表AQ-D1-8北京市施工现场检查评分原则(机械安全)(少一列)表AQ-D1-9。
《建设工程施工现场五方责任主体履责情况自查表》优质资料(可以直接使用,可编辑优质资料,欢迎下载)(津建安表1)天津市建设工程施工现场安全保证资料安全生产责任制考核表施工企业:工程名称:天津市建设安全监督管理站监制(津建安表2)天津市建设工程施工现场安全保证资料责任目标考核表天津市建设安全监督管理站监制(津建安表3)天津市建设工程施工现场安全保证资料隐患整改及复查结果登记表施工企业:工程名称:天津市建设安全监督管理站监制(津建安表4)天津市建设工程施工现场安全保证资料隐患整改通知单天津市建设安全监督管理站监制(津建安表5)天津市建设工程施工现场安全保证资料隐患整改反馈表天津市建设安全监督管理站监制(津建安表7)天津市建设工程施工现场安全保证资料施工现场违章违纪登记表天津市建设安全监督管理站监制(津建安表8)天津市建设工程施工现场安全保证资料项目部管理人员教育登记表天津市建设安全监督管理站监制(津建安表9)天津市建设工程施工现场安全保证资料生产作业人员教育登记表天津市建设安全监督管理站监制(津建安表10)天津市建设工程施工现场安全保证资料管理人员上岗复印件天津市建设安全监督管理站监制(津建安表11)天津市建设工程施工现场安全保证资料项目三级教育记录天津市建设安全监督管理站监制(津建安表12)天津市建设工程施工现场安全保证资料各工种安全培训记录No:天津市建设安全监督管理站监制(津建安表13)天津市建设工程施工现场安全保证资料班前安全活动记录施工企业:工程名称:天津市建设安全监督管理站监制(津建安表14)天津市建设工程施工现场安全保证资料安全例会记录施工企业:天津市建设安全监督管理站监制(津建安表15)天津市建设工程施工现场安全保证资料伤亡事故登记表施工企业:天津市建设安全监督管理站监制(津建安表16)天津市建设工程施工现场安全保证资料安全标志登记表施工企业:工程名称:天津市建设安全监督管理站监制(津建安表17)天津市建设工程施工现场安全保证资料消防安全专项检查表天津市建设安全监督管理站监制(津建安表18)天津市建设工程施工现场安全保证资料动火作业申请表施工企业:工程名称:No:天津市建设安全监督管理站监制(津建安表19)天津市建设工程施工现场安全保证资料动火监护记录施工企业:工程名称:No:天津市建设安全监督管理站监制(津建安表20)天津市建设工程施工现场安全保证资料施工不扰民群众来访登记施工企业:工程名称:No:天津市建设安全监督管理站监制(津建安表21)天津市建设工程施工现场安全保证资料施工方案变更表天津市建设安全监督管理站监制(津建安表22)天津市建设工程施工现场安全保证资料电工安全技术交底天津市建设安全监督管理站监制(津建安表23)天津市建设工程施工现场安全保证资料脚手架验收表天津市建设安全监督管理站监制(津建安表24)天津市建设工程施工现场安全保证资料模板工程检查记录No:天津市建设安全监督管理站监制(津建安表25)天津市建设工程施工现场安全保证资料作业人员登记表No:年月日天津市建设安全监督管理站监制(津建安表26)天津市建设工程施工现场安全保证资料作业人员操作证复印件No日天津市建设安全监督管理站监制(津建安表27)天津市建设工程施工现场安全保证资料产品登记表天津市建设安全监督管理站监制(津建安表28)天津市建设工程施工现场安全保证资料基坑支护验收表No:(津建安表29)天津市建设工程施工现场安全保证资料No:天津市建设安全监督管理站监制(津建安表30)天津市建设工程施工现场安全保证资料模板工程拆模申请表NO:天津市建设安全监督管理站监制(津建安表31)天津市建设工程施工现场安全保证资料No:(津建安表32)天津市建设工程施工现场安全保证资料“三宝、四口”及临边防护验收表(津建安表33)天津市建设工程施工现场安全保证资料施工用电线路系统验收表天津市建设安全监督管理站监制(津建安表34)天津市建设工程施工现场安全保证资料电气设备安装验收表天津市建设安全监督管理站监制(津建安表35)天津市建设工程施工现场安全保证资料接地电阻测试记录天津市建设安全监督管理站监制(津建安表36)天津市建设工程施工现场安全保证资料漏电保护器测试记录天津市建设安全监督管理站监制(津建安表37)天津市建设工程施工现场安全保证资料电工日巡查维修记录天津市建设安全监督管理站监制(津建安表38)天津市建设工程施工现场安全保证资料进场验收记录机械编号:天津市建设安全监督管理站监制(津建安表39)天津市建设工程施工现场安全保证资料物料提升机安装验收记录No:(津建安表40)天津市建设工程施工现场安全保证资料外用电梯安装验收表(津建安表41)天津市建设工程施工现场安全保证资料塔式起重机安装调试记录No:。
一、施工现场文明施工检查表
表SA-C1-8
工程名称:施工单位:
续表SA-C1-8
:
二、施工现场落地式脚手架检查表
表SA-C1-9-1
施工单位:
工程名称:
续表SA-C1-9-1
检查员签字年月日
表SA-C1-9-2
工程名称:施工单位:
检查员签字年月日
表SA-C1-11 工程名称:施工单位:
五、施工现场"三宝"、"四口 "及"临边惆护检查表
表 SA-C1-12
工程名称:
施工单位:
年 月 日
检查员签字:
:
六、施工现场施工用电检查表
表SA-C1-13
工程名称:施工单位:
续表SA-C1-13
检查员签字:
七、施工现场塔吊检查表
表SA-C1-15
工程名称:施工单位:
:
八、施工现场起重吊装安全检查表
表SA-C1-16
工程名称:
施工单位:
续表SA-C1-16
:
九、施工现场施工机具检查表
表SA-C1-17
工程名称:施工单位:
续表SA-C1-17
年月日检查员签字:。
HSE检查表使用说明HSE检查表是进行现场检查,发现和查明各种危险和隐患、监督各项安全规章制度落实,及时发现并制止违章行为发生的一个有力工具。
HSE检查表是按照作业类别和施工工序编制的一个施工现场基本内容检查表,在实施过程中可根据检查项目的侧重单独使用;此外,由于施工环境、风险因素条件的变化,为便于发现和查明各种问题和隐患,检查人员可根据当日施工现场实际情况自行增加检查内容;检查中发现的隐患或异常现象应及时处理、解决,可直接记录在该表备注栏;对限期整改的问题事项,应下发整改通知单,限期整改并及时对其进行验证。
HSE检查表清单线路施工(扫线)作业HSE检查表线路施工(管材装卸、运输)作业HSE检查表线路施工(管材堆放、布管)作业HSE检查表线路施工(管口组对、焊接)作业HSE检查表线路施工(防腐补口补伤)作业HSE检查表线路施工(管沟开挖)作业HSE检查表线路施工(管道下沟)作业HSE检查表线路施工(回填、地貌恢复)作业HSE检查表线路施工(通球测径)作业HSE检查表线路施工(公路大开挖)作业HSE检查表线路施工(河流大开挖)作业HSE检查表线路施工(顶管操作坑)作业HSE检查表线路施工(顶管顶进)作业HSE检查表线路施工(顶管设备安装与拆除)作业HSE检查表交通管理HSE现场检查表营地管理HSE检查表手持电动工具HSE检查表消防安全检查表电焊机定期检查表吊具、索具检查表库房每月安全检查记录空压机每月安全检查表施工现场HSE综合检查表气瓶安全检查表管道试压HSE检查表线路施工(扫线)作业HSE检查表线路施工(管材装卸、运输)作业HSE检查表线路施工(管材堆放、布管)作业HSE检查表线路施工(管口组对、焊接)作业HSE检查表线路施工(防腐补口补伤)作业HSE检查表线路施工(管沟开挖)作业HSE检查表线路施工(管道下沟)作业HSE检查表线路施工(回填、地貌恢复)作业HSE检查表线路施工(通球测径)作业HSE检查表线路施工(公路大开挖)作业HSE检查表线路施工(河流大开挖)作业HSE检查表线路施工(顶管操作坑)作业HSE检查表线路施工(顶管顶进)作业HSE检查表线路施工(顶管设备安装与拆除)作业HSE检查表交通管理HSE现场检查表营地管理HSE检查表手持电动工具HSE检查表消防安全检查表复查时间: 复查人员:电焊机定期检查表注:每天作业前检查,检查情况反应在班前讲话里面;但是每个月检查、记录本表一次吊具、索具检查表库房每月安全检查记录空压机每月安全检查表施工现场HSE综合检查表气瓶安全检查表管道试压HSE检查表工程名称:检查时间: 检查班组:检查人员:。
一、施工现场隐患排查清单汇总表门式脚手架隐患排查清单序号 项目隐患排查要素参考依据排查方法 注 1 施工方案 未编制专项施工方案或未进行设计计算 2专项施工方案未按规定审核、审批或架体搭设高度超过50m未按规定组织专家论证3 架体基础 架体基础不平、不实、不符合专项施工方案要求4 架体底部未设垫板或垫板底部的规格不符合要求5 架体底部未按规范要求设置底座6 架体底部未按规范要求设置扫地杆7 未设置排水措施8 架体稳定 未按规定间距与结构拉结 9 未按规范要求设置剪刀撑10未按规范要求高度做整体加固11架体立杆垂直偏差超过规定12杆件锁件 未按说明书规定组装,或漏装杆件、锁件13未按规范要求设置纵向水平加固杆14架体组装不牢或紧固不符合要求15使用的扣件与连接的杆件参数不匹配16脚手板 脚手板未满铺或铺设不牢、不稳17脚手板规格或材质不符合要求的18采用钢脚手板时挂钩未挂扣在水平杆上或挂钩未处于锁住状态19交底与验收 脚手架搭设前未进行交底或交底未留有记录20脚手架分段搭设分段使用未办理分段验收21脚手架搭设完毕未办理验收手续22未记录量化的验收内容23架体防护 作业层脚手架外侧未在 1.2m 和 0.6m高度设置上、中两道防护栏杆24作业层未设置高度不小于180㎜的挡脚板 25脚手架外侧未设置密目式安全网封闭或网间不严26作业层未用安全平网双层兜底,且以下每隔10m 未用安全平网封闭2材质杆件变形、锈蚀严重728门架局部开焊2 9构配件的规格、型号、材质或产品质量不符合规范要求3荷载施工荷载超过设计规定31荷载堆放不均匀32通道未设置人员上下专用通道33通道设置不符合要求碗扣式钢管脚手架隐患排查清单序号项目隐患排查要素参考依据排查方法备注1 施工方案未编制专项方式或未进行设计计算2 专项施工方案未按规定审核、审批或架体高度超过50m未按规定组织专家论证3 架体基础未编制专项施工方案或未进行设计计算4 架体基础不平、不实,不符合专项施工方案要求5 架体底部未设置垫板或垫板的规格不符合要求6 架体底部未按规范要求设置底座7 架体底部未按规范要求设置扫地杆8 未设置排水措施9 架体稳定架体与建筑结构未按规范要求拉结1 0架体底层第一步水平杆处未按规范要求设置连墙件或未采用其它可靠措施固定1 1连墙件未采用刚性杆件1 2未按规范要求设置竖向专用斜杆或八字形斜撑1 3竖向专用斜杆两端未固定在纵、横向水平杆与立杆汇交的碗扣结点处1 4竖向专用斜杆或八字形斜撑未沿脚手架高度连续设置或角度不符合要求1 5 杆件锁件立杆间距、水平杆步距超过规范要求1 6未按专项施工方案设计的步距在立杆连接碗扣结点处设置纵、横向水平杆1 7架体搭设高度超过24 m时,顶部24m以下的连墙件层未按规定设置水平斜杆1架体组装不牢或上碗扣紧固不符合要求81 9 脚手板脚手板未满铺或铺设不牢、不稳2 0脚手板规格或材质不符合要求2 1采用钢脚手板时挂钩未挂扣在横向水平杆上或挂钩未处于锁住状态2 2 交底与验收架体搭设前未进行交底或交底未留有记录2 3架体分段搭设分段使用未办理分段验收2 4架体搭设完毕未办理验收手续2 5未记录量化的验收内容2 6 架体防护架体外侧未设置密目式安全网封闭或网间不严2 7作业层未在外侧立杆的1.2m和0.6m的碗扣结点设置上、中两道防护栏杆2 8作业层外侧未设置高度不小于180㎜的挡脚板2 9作业层未用安全平网双层兜底,且以下每隔10m未用安全平网封闭3 0 材质杆件弯曲、变形、锈蚀严重3 1钢管、构配件的规格、型号、材质或产品质量不符合规范要求3 2 荷载施工荷载超过设计规定33荷载堆放不均匀3 4 通道未设置人员上下专用通道3 5通道设置不符合要求附着式钢管脚手架隐患排查清单序号项目隐患排查要素参考依据排查方法备注1 施工方案未编制专项施工方案或未进行设计计算2 专项施工方案未按规定审核、审批3 脚手架提升高度超过150m,专项施工方案未按规定组织专家论证4 安全装未采用机械式的全自动防坠落装置或技术性能不符合规范要求5 防坠落装置与升降设备未分别独立固定在建筑结构处6 防坠落装置未设置在置 竖向主框架处与建筑结构附着7未安装防倾覆装置或防倾覆装置不符合规范要求8 在升降或使用工况下,最上和最下两个防倾装置之间的最小间距不符合规范要求9 未安装同步控制或荷载控制装置10同步控制或荷载控制误差不符合规范要求11架体构造 架体高度大于 5倍楼层高12架体宽度大于 1.2m13直线布置的架体支承跨度大于 7m ,或折线、曲线布置的架体支撑跨度的架体外侧距离大于5.4m14架体的水平悬挑长度大于2m 或水平悬挑长度未大于 2m 但大于跨度1/215架体悬臂高度大于架体高度2/5或悬臂高度大于6m16架体全高与支撑跨度的乘积大于 110㎡17附着支座 未按竖向主框架所覆盖的每个楼层设置一道附着支座18在使用工况时,未将竖向主框架与附着支座固定19在升降工况时,未将防倾、导向的结构装置设置在附着支座处2 0附着支座与建筑结构连接固定方式不符合规范要求2 1 架体安装主框架和水平支撑桁架的结点未采用焊接或螺栓连接或各杆件轴线未交汇于主节点2 2内外两片水平支承桁架的上弦和下弦之间设置的水平支撑杆件未采用焊接或螺栓连接2 3架体立杆底端未设置在水平支撑桁架上弦各杆件汇交结点处2 4与墙面垂直的定型竖向主框架组装高度低于架体高度2 5架体外立面设置的连续式剪刀撑未将竖向主框架、水平支撑桁架和架体构架连成一体2 6 架体升降两跨以上架体同时整体升降采用手动升降设备2 7升降工况时附着支座在建筑结构连接处砼强度未达到设计要求或小于C102 8升降工况时架体上有施工荷载或有人员停留2 9 检查验收构配件进场未办理验收3 0分段安装、分段使用未办理分段验收3 1架体安装完毕未履行验收程序或验收表未经责任人签字3 2每次提升前未留有具体检查记录3每次提升后、使用前未履行验收手续或资料不全33 4 脚手板脚手板未满铺或铺设不严、不牢3 5作业层与建筑结构之间空隙封闭不严3 6脚手板规格、材质不符合要求3 7 防护脚手架外侧未采用密目式安全网封闭或网间不严3 8作业层未在高度1.2m 和0.6m处设置上、中两道防护栏杆3 9作业层未设置高度不小于180㎜的挡脚板4 0 操作操作前未向有关技术人员和作业人员进行安全技术交底4 1作业人员未经培训或未定岗定责4 2安装拆除单位资质不符合要求或特种作业人员未持证上岗4 3安装、升降、拆除时未采取安全警戒44荷载不均匀或超载承插型盘扣式隐患排查清单序号 项目隐患排查要素参考依据排查方法备注1 施工方案 未编制专项施工方案或搭设高度超过 24m 未另行专门设计和计算 2 专项施工方案未按规定审核、审批3架体基础 架体基础不平、不实、不符合方案设计要求 4 架体立杆底部缺少垫板或垫板的规格不符合规范要求5 架体立杆底部未按要求设置底座6 未按规范要求设置纵、横向扫地杆7 未设置排水措施 8 架体稳定 架体与建筑结构未按规范要求拉结9 架体底层第一步水平杆处未按规范要求设置连墙件或未采用其它可靠措施固定10连墙件未采用刚性杆件11未按规范要求设置竖向斜杆或剪刀撑12竖向斜杆两端未固定在纵、横向水平杆与立杆汇交的盘扣结点处13斜杆或剪刀撑未沿脚手架高度连续设置或角度不符合要求1杆架体立杆间距、水平杆步距超过规范要求4 件1 5未按专项施工方案设计的步距在立杆连接盘处设置纵、横向水平杆1 6双排脚手架的每步水平杆层,当无挂扣钢脚手板时未按规范要求设置水平斜杆1 7 脚手板脚手板不满铺或铺设不牢、不稳1 8脚手板规格或材质不符合要求1 9采用钢脚手板时挂钩未挂扣在水平杆上或挂钩未处于锁住状态2 0 交底与验收脚手架搭设前未进行交底或未留有交底记录2 1脚手架分段搭设分段使用未办理分段验收2 2脚手架搭设完毕未办理验收手续2 3未记录量化的验收内容2 4 架体防护架体外侧未设置密目式安全网封闭或网间不严2 5作业层未在外侧立杆的1m和0.5m的盘扣节点处设置上、中两道水平防护栏杆2 6作业层外侧未设置高度不小于180㎜的挡脚板2 7 杆件立杆竖向接长位置不符合要求28接长 搭设悬挑脚手架时,立杆的承插接长部位未采用螺栓作为立杆连接件固定29剪刀撑的斜杆接长不符合要求30架体内封闭 作业层未用安全平网双层兜底,且以下每隔10m 未用安全平网封闭31作业层与主体结构间的空隙未封闭32材质 钢管、构配件的规格、型号、材质或产品质量不符合规范要求33钢管弯曲、变形、锈蚀严重34通道 未设置人员上下专用通道35通道设置不符合要求满堂式脚手架隐患排查清单序项隐患排查要素参考依排查方备注号目据法1 施工方案未编制专项施工方案或未进行设计计算2 专项施工方案未按规定审核、审批3 架体基础架体基础不平、不实、不符合专项施工方案要求4 架体底部未设置垫木或垫木的规格不符合要求5 架体底部未按规范要求设置底座6 架体底部未按规范要求设置扫地杆7 未设置排水措施8 架体稳定架体四周与中间未按规范要求设置竖向剪刀撑或专用斜杆9 未按规范要求设置水平剪刀撑或专用水平斜杆1 0架体高宽比大于2时未按要求采取与结构刚性连结或扩大架体底脚等措施1 1 杆件锁件架体搭设高度超过规范或设计要求1 2架体立杆间距水平杆步距超过规范要求13杆件接长不符合要求1 4架体搭设不牢或杆件结点紧固不符合要求1 5 脚手板脚手板不满铺或铺设不牢、不稳1 6脚手板规格或材质不符合要求1 7采用钢脚手板时挂钩未挂扣在水平杆上或挂钩未处于锁住状态1 8 交底与验收架体搭设前未进行交底或交底未留有记录1 9架体分段搭设分段使用未办理分段验收2 0架体搭设完毕未办理验收手续2 1未记录量化的验收内容2 2 架体防护作业层脚手架周边,未在高度1.2m和0.6m处设置上、中两道防护栏杆2 3作业层外侧未设置180mm高挡脚板2 4作业层未用安全平网双层兜底,且以下每隔10m 未用安全平网封闭2 5 材质钢管、构配件的规格、型号、材质或产品质量不符合规范要求2 6杆件弯曲、变形、锈蚀严重2 7 荷载施工荷载超过设计规定28荷载堆放不均匀2 9 通道未设置人员上下专用通道3通道设置不符合要求高处作业与吊篮隐患排查清单序号项目隐患排查要素参考依据排查方法备注1 施工方未编制专项施工方案或未对吊篮支架支撑处结构的承载力进行验算2 专项施工方案未按规定审核、审批案3 安全装置未安装安全锁或安全锁失灵4 安全锁超过标定期限仍在使用5 未设置挂设安全带专用安全绳及安全锁扣,或安全绳未固定在建筑物可靠位置6 吊篮未安装上限位装置或限位装置失灵7 悬挂机构悬挂机构前支架支撑在建筑物女儿墙上或挑檐边缘8 前梁外伸长度不符合产品说明书规定9 前支架与支撑面不垂直或脚轮受力1 0前支架调节杆未固定在上支架与悬挑梁连接的结点处1 1使用破损的配重件或采用其他替代物1 2配重件的重量不符合设计规定1 3 钢丝绳钢丝绳磨损、断丝、变形、锈蚀达到报废标准1 4安全绳规格、型号与工作钢丝绳不相同或未独立悬挂15安全绳不悬垂1 6利用吊篮进行电焊作业未对钢丝绳采取保护措施1 7 安装使用未经检测或检测不合格的提升机1吊篮平台组装长度不8 符合规范要求1 9吊篮组装的构配件不是同一生产厂家的产品2 0 升降操作操作升降人员未经培训合格2 1吊篮内作业人员数量超过2人2 2吊篮内作业人员未将安全带使用安全锁扣正确挂置在独立设置的专用安全绳上2 3吊篮正常使用,人员未从地面进入篮内2 4 交底与验收未履行验收程序或验收表未经责任人签字2 5每天班前、班后未进行检查2 6吊篮安装、使用前未进行交底2 7 防护吊篮平台周边的防护栏杆或挡脚板的设置不符合规范要求2 8多层作业未设置防护顶板2 9 吊篮稳定吊篮作业未采取防摆动措施3 0吊篮钢丝绳不垂直或吊篮距建筑物空隙过大3 1 荷载施工荷载超过设计规定32荷载堆放不均匀3 3利用吊篮作为垂直运输设备基坑支护、土方作业隐患排查清单序号项目隐患排查要素参考依据排查方法备注1 施工方案深基坑施工未编制支护方案2 基坑深度超过5m未编制专项支护设计3 开挖深度3m及以上未编制专项方案4 开挖深度5m及以上专项方案未经过专家论证5 支护设计及土方开挖方案未经审批6 施工方案针对性差不能指导施工7 临边深度超过2m的基坑施工未采取临边防护措施8 防护临边及其它防护不符合要求9 基坑支护及支撑拆除坑槽开挖设置安全边坡不符合安全要求1 0特殊支护的作法不符合设计方案1 1支护设施已产生局部变形又未采取措施调整1 2砼支护结构未达到设计强度提前开挖,超挖1 3支撑拆除没有拆除方案14未按拆除方案施工1 5用专业方法拆除支撑,施工队伍没有专业资质1 6 基坑降排水高水位地区深基坑内未设置有效降水措施1 7深基坑边界周围地面未设置排水沟1 8基坑施工未设置有效排水措施1 9深基础施工采用坑外降水,未采取防止临近建筑和管线沉降措施2 0 坑边荷载积土、料具堆放距槽边距离小于设计规定2 1机械设备施工与槽边距离不符合要求且未采取措施2 2 上下通道人员上下未设置专用通道2 3设置的通道不符合要求2 4 土方开挖施工机械进场未经验收2 5挖土机作业时,有人员进入挖土机作业半径内2 6挖土机作业位置不牢、不安全27司机无证作业2 8未按规定程序挖土或超挖2 9 基坑支护变形监测未按规定进行基坑工程监测3 0未按规定对毗邻建筑物和重要管线和道路进行沉降观测3 1 作业环境基坑内作业人员缺少安全作业面3 2垂直作业上下未采取隔离防护措施3光线不足,未设置足够照明3模板支架隐患排查清单序号项目隐患排查要素参考依据排查方法备注1 施工方案未按规定编制专项施工方案或结构设计未经设计计算2 专项施工方案未经审核、审批3 超过一定规模的模板支架,专项施工方案未按规定组织专家论证4 专项施工方案未明确混凝土浇筑方式5 立杆基础立杆基础承载力不符合设计要求6 基础未设排水设施7 立杆底部未设置底座、垫板或垫板规格不符合规范要求8 支架稳定支架高宽比大于规定值时,未按规定要求设置连墙杆9 连墙杆设置不符合规范要求1 0未按规定设置纵、横向及水平剪刀撑1 1纵、横向及水平剪刀撑设置不符合规范要求1 2 施工荷载施工均布荷载超过规定值1 3施工荷载不均匀,集中荷载超过规定值1 4 交底与验收支架搭设(拆除)前未进行交底或无交底记录1 5支架搭设完毕未办理验收手续16验收无量化内容1 7 立杆设置立杆间距不符合设计要求18立杆未采用对接连接1立杆伸出顶层水平杆中心线至支撑点的长度大9 于规定值2 0立杆间距不符合设计要求2 1 水平杆设置未按规定设置纵、横向扫地杆或设置不符合规范要求2 2纵、横向水平杆间距不符合规范要求2 3纵、横向水平杆件连接不符合规范要求2 4 支架拆除混凝土强度未达到规定值,拆除模板支架2 5未按规定设置警戒区或未设置专人监护2 6 支架材质杆件弯曲、变形、锈蚀超标2 7构配件材质不符合规范要求28钢管壁厚不符合要求“三宝、四口”及临边防护隐患排查清单序号项目隐患排查要素参考依据排查方法备注1 安全帽作业人员不戴安全帽2 作业人员未按规定佩戴安全帽3 安全帽不符合标准4 安全网在建工程外侧未采用密目式安全网封闭或网间不严5 安全网规格、材质不符合要求6 安全带作业人员未系挂安全带7 作业人员未按规定系挂安全带8 安全带不符合标准9 临边防护工作面临边无防护1 0临边防护不严或不符合规范要求1 1防护设施未形成定型化、工具化1 2 洞口防护在建工程的预留洞口、楼梯口、电梯井口,未采取防护措施1 3防护措施、设施不符合要求或不严密1 4防护设施未形成定型化、工具化1 5电梯井内每隔两层(不大于10m)未按设置安全平网1 6 通道口防护未搭设防护棚或防护不严、不牢固可靠1 7防护棚两侧未进行防护1 8防护棚宽度不大于通道口宽度1 9防护棚长度不符合要求2 0建筑物高度超过30m,防护棚顶未采用双层防护2 1防护棚的材质不符合要求2 2 攀登作业移动式梯子的梯脚底部垫高使用2 3折梯使用未有可靠拉撑装置2 4梯子的制作质量或材质不符合要求2 5 悬空作业悬空作业处未设置防护栏杆或其他可靠的安全设施2 6悬空作业所用的索具、吊具、料具等设备,未经过技术鉴定或验证、验收2 7 移动式操作平台操作平台的面积超过10㎡或高度超过5m2 8移动式操作平台,轮子与平台的连接不牢固可靠或立柱底端距离地面超过80㎜2 9操作平台的组装不符合要求3平台台面铺板不严3 1操作平台四周未按规定设置防护栏杆或未设置登高扶梯3 2操作平台的材质不符合要求3物物料平台未编制专项施工方案或未经设计计算3 料平台 34 物料平台搭设不符合专项方案要求35物料平台支撑架未与工程结构连接或连接不符合要求36平台台面铺板不严或台面层下方未按要求设置安全平网37材质不符合要求38物料平台未在明显处设置限定荷载标牌39悬挑式钢平台 悬挑式钢平台未编制专项施工方案或未经设计计算40悬挑式钢平台的搁支点与上部拉结点,未设置在建筑物结构上41斜拉杆或钢丝绳,未按要求在平台两边各设置两道42钢平台未按要求设置固定的防护栏杆和挡脚板或栏板43钢平台台面铺板不严,或钢平台与建筑结构之间铺板不严44平台上未在明显处设置限定荷载标牌施工用电隐患排查清单序号项目隐患排查要素参考依据排查方法备注1 外电防护外电线路与在建工程(含脚手架)、高大施工设备、场内机动车道之间小于安全距离且未采取防护措施2 防护设施和绝缘隔离措施不符合规范3 在外电架空线路正下方施工、建造临时设施或堆放材料物品4 接地与接零保护系统施工现场专用变压器配电系统未采用TN-S接零保护方式5 配电系统未采用同一保护方式6 保护零线引出位置不符合规范7 保护零线装设开关、熔断器或与工作零线混接8 保护零线材质、规格及颜色标记不符合规范9 电气设备未接保护零线1 0工作接地与重复接地的设置和安装不符合规范1 1工作接地电阻大于4Ω,重复接地电阻大于10Ω1 2施工现场防雷措施不符合规范1 3 配电线路线路老化破损,接头处理不当1 4线路未设短路、过载保护1 5线路截面不能满足负荷电流1 6线路架设或埋设不符合规范17电缆沿地面明敷1 8使用四芯电缆外加一根线替代五芯电缆1 9电杆、横担、支架不符合要求2 0 配电箱与开关箱配电系统未按“三级配电、二级漏电保护”设置2 1用电设备违反“一机、一闸、一漏、一箱”2 2配电箱与开关箱结构设计、电器设置不符合规范2 3总配电箱与开关箱未安装漏电保护器2 4漏电保护器参数不匹配或失灵2 5配电箱与开关箱内闸具损坏2配电箱与开关箱进线和出线混乱62 7配电箱与开关箱内未绘制系统接线图和分路标记2 8配电箱与开关箱未设门锁、未采取防雨措施2 9配电箱与开关箱安装位置不当、周围杂物多等不便操作3 0分配电箱与开关箱的距离、开关箱与用电设备的距离不符合规范3 1 配电室与配电装置配电室建筑耐火等级低于3级3 2配电室未配备合格的消防器材3 3配电室、配电装置布设不符合规范3 4配电装置中的仪表、电器元件设置不符合规范或损坏、失效3 5备用发电机组未与外电线路进行连锁3 6配电室未采取防雨雪和小动物侵入的措施3 7配电室未设警示标志、工地供电平面图和系统图3 8 现场照明照明用电与动力用电混用3 9特殊场所未使用36V 及以下安全电压4 0手持照明灯未使用36V 以下电源供电4 1照明变压器未使用双绕组安全隔离变压器4 2照明专用回路未安装漏电保护器4 3灯具金属外壳未接保护零线4 4灯具与地面、易燃物之间小于安全距离4 5照明线路接线混乱和安全电压线路接头处未使用绝缘布包扎4 6 用电档案未制定专项用电施工组织设计或设计缺乏针对性4 7专项用电施工组织设计未履行审批程序,实施后未组织验收4 8接地电阻、绝缘电阻和漏电保护器检测记录未填写或填写不真实4 9安全技术交底、设备设施验收记录未填写或填写不真实5 0定期巡视检查、隐患整改记录未填写或填写不真实5 1档案资料不齐全、未设专人管理物料提升机隐患排查清单序号 项目隐患排查要素参考依据排查方法备注1 安全装置 未安装起重量限制器、防坠安全器 2 起重量限制器、防坠安全器不灵敏 3 安全停层装置不符合规范要求,未达到定型化4 未安装上限位开关的5 上限位开关不灵敏、安全越程不符合规范要求的 6物料提升机安装高度超过30m ,未安装渐进式防坠安全器、自动停层、语音及影像信号装置7 防护设施 未设置防护围栏或设置不符合规范要求8 未设置进料口防护棚或设置不符合规范要求 9 停层平台两侧未设置防护栏杆、挡脚板,设置不符合规范要求10停层平台脚手板铺设不严、不牢11未安装平台门或平台门不起作用,平台门安装不符合规范要求、未达到定型化12吊笼门不符合规范要求13未设置防护围栏或设置不符合规范要求14附墙附墙架结构、材质、间距不符合规范要求。
建筑施工安全检查评分汇总表企业名称:资质等级:年月日
1
2
表B.1 安全管理检查评分表
表B.2 文明施工检查评分表
表B.3 扣件式钢管脚手架检查评分表
表 B.4 门式钢管脚手架检查评分表
表B.5 碗扣式钢管脚手架检查评分表
表B.6 承插型盘扣式钢管脚手架检查评分表
表B.7 满堂脚手架检查评分表
表B.9 附着式升降脚手架检查评分表
表B.10 高处作业吊篮检查评分表
表B.11 基坑工程检查评分表
表B.15 物料提升机检查评分表
表B.16 施工升降机检查评分表
表B.17 塔式起重机检查评分表
表B.18 起重吊装检查评分表
表B.19 施工机具检查评分表。
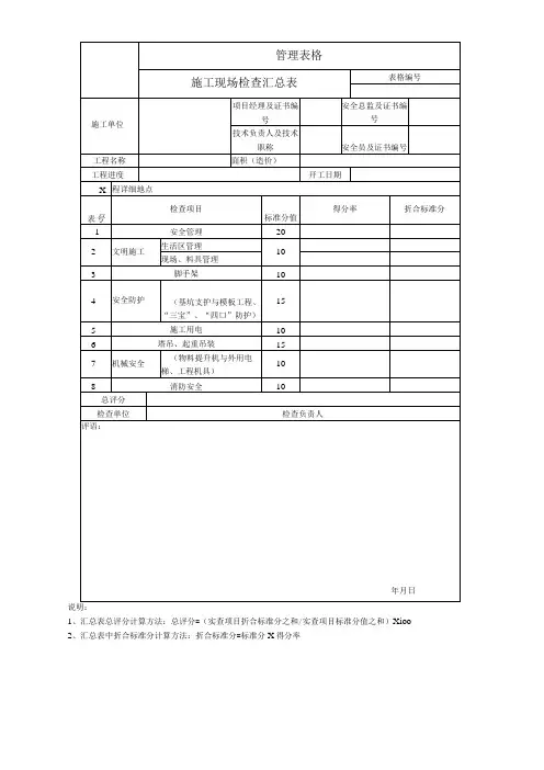
施工现场检查汇总表
施工现场检查评分记录表1
(安全管理)
检查员签字:年月日
施工现场检查评分记录表2-1
(生活区管理)
施工单位工程名称
检查员签字:年月日
施工现场检查评分记录表2-2
(现场、料具管理)
施工单位工程名称
检查员签字:年月日
施工现场检查评分记录表3
(环境保护)
施工单位工程名称
检查员签字:年月日
施工现场检查评分记录表4
(脚手架)
施工单位工程名称
检查员签字:年月日
施工现场检查评分记录表5
(安全防护)
施工现场检查评分记录表6
(施工用电)
施工现场检查评分记录表7
(塔吊、起重吊装)
施工现场检查评分记录表8
(机械安全)
施工现场检查评分记录表9
(保卫消防)。
施工现场安全生产检查情况记录表监督负责人:督查人员:日期: 年月日注:1、监督负责人根据项目实际进展,按照此表“抽检内容及检查项目"进行检查;2、抽检中,应对“检查部位及检查结果"详细记录,内容较多时,可另附页记录,检查结果汇总到“抽查意见通知书”、“工程质量督查通报”中.附件6: 施工现场安全生产检查情况记录表表6—1续监督负责人:督查人员:日期:年月日注:1、监督负责人根据项目实际进展,按照此表“抽检内容及检查项目"进行检查;2、抽检中,应对“检查部位及检查结果"详细记录,内容较多时,可另附页记录,检查结果汇总到“抽查意见通知书”、“工程质量督查通报”中。
附件6:施工现场安全生产检查情况记录表表监督负责人:督查人员:日期:年月日注:1、监督负责人根据项目实际进展,按照此表“抽检内容及检查项目”进行检查;2、抽检中,应对“检查部位及检查结果”详细记录,内容较多时,可另附页记录,检查结果汇总到“抽查意见通知书”、“工程质量督查通报"中。
附件6:监督负责人:督查人员:日期: 年月日注:1、监督负责人根据项目实际进展,按照此表“抽检内容及检查项目”进行检查;2、抽检中,应对“检查部位及检查结果”详细记录,内容较多时,可另附页记录,检查结果汇总到“抽查意见通知书”、“工程质量督查通报”中。
附件6:施工现场安全生产检查情况记录表表日注:1、监督负责人根据项目实际进展,按照此表“抽检内容及检查项目"进行检查;2、抽检中,应对“检查部位及检查结果”详细记录,内容较多时,可另附页记录,检查结果汇总到“抽查意见通知书”、“工程质量督查通报”中。
市政工程施工安全检查评分汇总表企业名称:资质等级:表3.0.1 单位工程(施工现场)名称工程造价结构类型总计得分(满分分值为100分)项目名称及分值安全管理(满分分值为15分)文明施工(满分分值为15分)施工用电(满分分值为15分)土方工程施工(满分分值为15分)桥涵施工(满分分值为10分)隧道施工(满分分值为10分)脚手架与模板工程(满分分值为5分)安全防护(满分分值为8分)施工机具(满分分值为7分)评语检查单位负责人受检项目项目经理安全管理检查评分表序号检查项目扣分标准应得分数扣减分数实得分数1 保证项目安全生产责任制1.企业和项目部未建立健全各级、各职能部门级各类人员安全生产责任制,责任制未装订成册,其中项目部管理人员安全生产责任制未挂墙,扣10分;2.各级各部门未认真执行责任制和管理人员责任制考核不合格扣2分;3.施工现场项目部没有设置专职安全员,产值小于50万元的项目和班组没有兼职安全员,产值伍仟万元以上大型工地没有设置安全部门负责人扣10分;4.施工现场各个工种安全技术操作规程不齐全、未装订成册扣5分;102 保证项目目标管理1.未定制安全管理目标(伤亡控制指标和安全达标,文明施工目标机安全措施)扣5分;2.总分包单位之间、企业和项目部之间、项目部与施工管理人员和班组之间、班组与职工之间不签订安全生产目标责任书,不以责任书形成式把工地总的安全管理目标层层分解,落实到每一个责任单位和责任人,各项经济承包合同安全生产目标责任书中没有明确的安全生产指示,没有制定有针对性的安全保证措施扣5分;3.项目部未制定安全目标责任考核制度和奖罚制度,考核无记录扣5分;4.考核与奖罚制度未落实或落实不好扣5分;103 保证项目施工组织设计1.施工组织设计(施工方案)中没有编写较全面、具体、针对性强的安全技术措施扣3分;2.施工组织设计和专项安全施工组织设计未经企业技术,负责人审批、签名盖公章扣5分;3.专业性较强的工程项目,如易燃易爆有毒作业场所、沉箱、爆破、大型预制构件吊装,水下支拆模、临时施工用电等大型特殊工程没有编制专项安全施工组织设计扣10分;4.安全措施不落实,包括施工过程中更改方案不经原单位审批人员同意形成书面方案扣5分。