钽电容检验标准作业指导书
- 格式:doc
- 大小:48.50 KB
- 文档页数:1
电容器检验作业指导书一、背景介绍电容器是一种储存电荷的设备,广泛应用于电子电路中。
为了确保电容器的质量和性能,进行检验是非常重要的。
本作业指导书旨在提供详细的步骤和要求,以便进行电容器的检验工作。
二、检验设备和材料1. 万用表:用于测量电容器的电容值和漏电流;2. 直流电源:用于给电容器充电;3. 电阻箱:用于接入电容器进行漏电流测试;4. 外观检验工具:用于检查电容器的外观是否完好;5. 温度计:用于测量电容器的工作温度。
三、检验步骤1. 外观检验a. 检查电容器外壳是否完好,无裂纹、变形等;b. 检查电容器引线是否焊接坚固,无松动;c. 检查电容器标识是否清晰可辨,无含糊或者磨损;d. 检查电容器表面是否有污垢、氧化或者腐蚀。
2. 电容值测量a. 将电容器与万用表连接,选择电容测量档位;b. 充电前,先将电容器短路一段时间以放电;c. 将直流电源正极与电容器的正极连接,负极与电容器的负极连接;d. 根据电容器的额定电压,设定直流电源的输出电压;e. 等待电容器充电达到稳定状态;f. 使用万用表测量电容器的电容值,并记录。
3. 漏电流测试a. 将电容器与电阻箱连接,电阻值设定为合适的范围;b. 将直流电源正极与电容器的正极连接,负极与电容器的负极连接;c. 等待电容器充电达到稳定状态;d. 使用万用表测量电容器的漏电流,并记录。
4. 工作温度检验a. 将电容器放置在规定的工作温度环境中;b. 使用温度计测量电容器的表面温度,并记录;c. 确保电容器在规定的工作温度范围内正常工作。
四、检验标准1. 外观检验a. 电容器外壳应完好,无裂纹、变形等;b. 电容器引线应焊接坚固,无松动;c. 电容器标识应清晰可辨,无含糊或者磨损;d. 电容器表面应无污垢、氧化或者腐蚀。
2. 电容值测量a. 电容器的实际电容值应在额定电容值的正负允许偏差范围内;b. 电容器的电容值应稳定,无明显波动或者漂移。
3. 漏电流测试a. 电容器的漏电流应在规定的范围内,不得超过允许的最大值;b. 电容器的漏电流应稳定,无明显波动或者变化。
电容器检验作业指导书一、引言电容器是一种常见的电子元件,用于存储和释放电荷。
为了确保电容器的质量和性能,进行电容器检验是非常重要的。
本作业指导书旨在提供详细的步骤和要求,以确保电容器检验的准确性和可靠性。
二、检验前准备1. 工具准备:- 万用表- 直流电源- 电容器检验仪- 电压表- 温度计- 记录表格2. 环境准备:- 检验环境应保持干燥、无尘、无腐蚀性气体的条件。
- 温度应控制在标准温度范围内。
三、检验步骤1. 外观检验:- 检查电容器外壳是否完好,无明显损坏或者变形。
- 检查电容器引线是否齐全,无断裂或者松动现象。
- 检查电容器标识是否清晰可辨。
2. 容量检验:- 将电容器连接到电容器检验仪。
- 设置合适的电压和频率。
- 测量电容器的容量,并记录在记录表格中。
- 检查测量结果是否符合规定的容量范围。
3. 电压耐受检验:- 将电容器连接到直流电源和电压表。
- 逐渐增加电压,直到达到规定的电压值。
- 检查电容器是否能够正常工作,并记录在记录表格中。
- 检查电容器在规定电压下的泄漏电流是否符合要求。
4. 温度特性检验:- 将电容器置于规定的温度环境中。
- 使用温度计测量电容器的温度。
- 测量电容器的容量,并记录在记录表格中。
- 检查电容器在不同温度下的容量变化是否符合要求。
5. 其他特性检验:- 根据需要,进行其他特性的检验,如频率特性、损耗角正切等。
四、检验结果评定1. 根据检验结果,对电容器进行评定:- 合格:电容器在各项检验指标下均符合要求。
- 不合格:电容器在任何一项检验指标下不符合要求。
2. 记录检验结果:- 将检验结果记录在记录表格中。
- 包括电容器的型号、序列号、检验日期、检验员等信息。
五、检验报告1. 检验报告应包括以下内容:- 检验对象的基本信息和标识。
- 检验的目的和方法。
- 检验结果和评定。
- 检验过程中发现的问题和解决方法。
- 检验员的签名和日期。
2. 检验报告应保存并备查。
电容器检验作业指导书一、引言本作业指导书旨在提供电容器检验的详细步骤和要求,以确保电容器的质量和性能符合相关标准和规范。
本指导书适合于各类电容器的检验,包括固定电容器、可变电容器和电解电容器等。
二、检验准备1. 检验设备和工具准备- 万用表:用于测量电容器的电容值和漏电流等参数。
- 直流电源:用于对电容器进行电压加电和放电操作。
- 外观检查工具:如放大镜、显微镜等,用于检查电容器的外观是否有损坏、变形或者污染等。
- 温度计:用于检测电容器的工作温度。
- 其他辅助工具:如螺丝刀、扳手等,用于拆装电容器。
2. 检验环境准备- 温度:检验环境温度应符合相关标准要求。
- 湿度:检验环境湿度应符合相关标准要求。
- 电源:确保检验设备的电源供应稳定。
三、检验步骤1. 外观检查- 使用外观检查工具子细检查电容器的外观,包括外壳、引线、标识等是否完好无损。
- 检查电容器是否有变形、裂纹、污染等情况。
- 检查电容器的引线是否坚固,焊接是否良好。
2. 电容值测量- 将电容器与万用表连接,选择电容量测量档位。
- 按照电容器的极性正确连接,确保连接稳定。
- 测量并记录电容器的电容值,确保其符合规定的标准范围。
3. 漏电流测量- 将电容器与万用表连接,选择漏电流测量档位。
- 按照电容器的极性正确连接,确保连接稳定。
- 测量并记录电容器的漏电流值,确保其符合规定的标准范围。
4. 绝缘电阻测量- 将电容器与万用表连接,选择电阻测量档位。
- 按照电容器的极性正确连接,确保连接稳定。
- 测量并记录电容器的绝缘电阻值,确保其符合规定的标准范围。
5. 电压加电和放电测试- 使用直流电源对电容器进行电压加电测试,确保其能够承受规定的工作电压。
- 使用直流电源对电容器进行放电测试,确保其能够正常放电并恢复到初始状态。
6. 温度测试- 将电容器置于规定的工作温度环境中,使用温度计测量并记录其工作温度。
- 确保电容器在规定的工作温度下能够正常工作。
钽电容器测试条件、程序和要求1 室温测量1.1 环境条件温度:25±2℃;相对湿度:≤70%。
1.2 测试程序电容量、损耗角正切值等效串联电阻直流漏电流1.3 电容量、损耗角正切值1.3.1 测量方式标称电容量≥1μF时,选择“串联(Cs)”测量方式;标称电容量<1μF时,选择“并联(Cp)”测量方式。
1.3.2 测试条件a. 频率:100Hzb. 加正向极化电压在被检测电容上施加2.2V正向极化电压。
测试前,用三用表检测测试端口的直流电压,是否有2.2V正向电压。
施加2.2V正向极化电压的目的,是为了抑制电容量和损耗角正切值测试时施加的1V交流测试信号的峰值负电压,保证钽电容器在测试时不承受反向电压。
1.3.3 连接导线要求a. 测试端口到钽电容器之间的连接线长度应尽量短,不超过40cm,而导线过长会影响损耗角正切值的测试结果;b. 连接电容器正极的导线,统一以红色绝緣颜色,防止测试时误接。
c. 带校准清零功能的仪表,测试前应进行校准清零处理。
1.3.4 测试频率选择“100Hz”。
1.3.5 测试时,仪表测试端口的“H”端接钽电容器的正极引线,“L”端接钽电容器的负极引线。
1.4 等效串联电阻(ESR)1.4.1 测试夹具用专用夹具,仪表的测试端口到钽电容器引线之间的连接线长度不超过5cm。
1.4.2 测试频率选择“100KHz”,或按钽电容器详细规范的规定。
1.4.3 施加2.2V极化电压。
1.5 直流漏电流1.5.1 测量仪表的充电电流<150mA。
1.5.2 不同电压的钽电容器需连续测量时,应从低电压的钽电容器开始测量。
1.5.3 测量电压应与钽电容器的额定电压一致,或按钽电容器详细规范的规定。
1.5.4 钽电容器测量结束后,应先用1kΩ电阻对其放电,固钽(包括片钽、模压钽)放电时间5~20秒,非固钽放电时间1分钟;带电阻放电完成后再进行短路放电,固钽(包括片钽、模压钽)产品的剩余电压<0.5V,非固钽的剩余电压<0.1V。
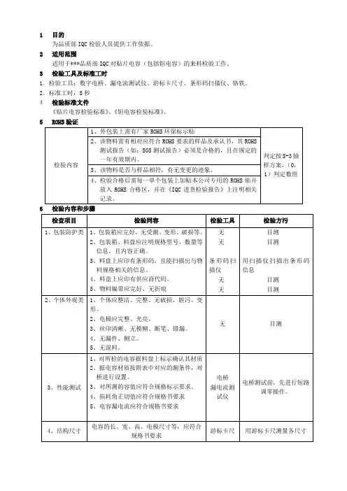
1目的
为品质部IQC检验人员提供工作依据。
2适用范围
适用于***品质部IQC对贴片电容(包括钽电容)的来料检验工作。
3检验工具及标准工时
1. 检验工具:数字电桥、漏电流测试仪、游标卡尺寸、条形码扫描仪、铬铁。
2.标准工时:5秒
4检验标准文件
《贴片电容检验标准》、《钽电容检验标准》。
5ROHS验证
6检验内容和步骤
常见各类电容参数测试条件
1、贴片电容根据尺寸来分,可分为040
2、060
3、0805、1206、1210、2220
2、贴片电容根据瓷介质来分划分为一类瓷(高频-COG或NPO)和二类瓷(低频Y5V和X7Y)
NPO或COG:属于温度补偿性电容,通常不变或很少受温度的影响,性能比较稳定
X7Y:属于温度稳定型
Z5U\Y5V:属于一般型电容,被用于滤波用途。
8、注意事项
1)注意生产厂家是否为公司规定的生产厂家.。
本文部分内容来自网络整理,本司不为其真实性负责,如有异议或侵权请及时联系,本司将立即删除!== 本文为word格式,下载后可方便编辑和修改! ==电容检验指导书篇一:贴片电容检验作业指导书(上传)1 2 3目的为品质部IQC检验人员提供工作依据。
适用范围适用于***品质部IQC对贴片电容(包括钽电容)的来料检验工作。
检验工具及标准工时1. 检验工具:数字电桥、漏电流测试仪、游标卡尺寸、条形码扫描仪、铬铁。
2.标准工时:5秒 4 5检验标准文件《贴片电容检验标准》、《钽电容检验标准》。
ROHS验证6检验内容和步骤常见各类电容参数测试条件1、贴片电容根据尺寸来分,可分为0402、0603、0805、1206、1210、22202、贴片电容根据瓷介质来分划分为一类瓷(高频-COG或NPO)和二类瓷(低频Y5V和X7Y)NPO或COG:属于温度补偿性电容,通常不变或很少受温度的影响,性能比较稳定 X7Y:属于温度稳定型Z5U\Y5V:属于一般型电容,被用于滤波用途。
8、注意事项1)注意生产厂家是否为公司规定的生产厂家.篇二:Y电容检验指导书Y电容检验指导书篇三:X电容检验指导书X电容检验指导书篇四:电容触摸屏检验作业指导书电容触摸屏检验作业指导书(HP-通用-WI-Q099,第A.0版)电容触摸屏检验规范Page 1 of 91、目的为确保本公司IQC检验员对电容触摸屏来料有明确的检验依据及判断基准,而制定本标准。
2、范围适用于本司电容触摸屏的来料检验。
3.职责3.1本标准由质量部IQC组制定,经部门主管/经理核准后交文控发行。
3.2所制定之规格及标准如有修改时,须经原制订部门同意后方可修改。
3.3所有触摸屏经供应商送于来司,IQC均需按此标准检验。
4、抽样水准4.1所有物料均按照GB/T 2828.1-201X 逐步检验抽样计划进行抽样检验。
4.2判定标准:AQL取值AQL:CR=0 MA=0.4 MI=1.04.3 当一个产品含有两个或以上缺点时,以较严重之缺点为判定。
电容器检验作业指导书一、引言电容器是电子设备中常见的元件之一,用于储存和释放电能。
为了确保电容器的质量和性能达到标准要求,进行电容器检验是必要的。
本作业指导书旨在提供详细的步骤和要求,以保证电容器的准确检验。
二、检验设备和工具准备1. 多用途数字万用表2. 直流电源3. 高阻抗电压表4. 标准电阻箱5. 检验夹具6. 温度计7. 记录表格和笔三、检验步骤1. 检查电容器外观- 检查电容器外壳是否有明显的损坏或者变形。
- 检查引线是否完好无损,焊接是否坚固。
2. 测量电容器容量- 将电容器连接到直流电源和多用途数字万用表。
- 设置直流电源的电压,通常为额定电压的70%。
- 使用数字万用表测量电容器的电压和电流。
- 根据公式C = I / (U * 2πf),计算电容器的容量。
- 将测量结果记录在记录表格上。
3. 检验电容器绝缘电阻- 将电容器连接到高阻抗电压表。
- 断开电容器与电源的连接,等待电容器放电。
- 使用高阻抗电压表测量电容器两端的电压。
- 根据公式 R = U / I,计算电容器的绝缘电阻。
- 将测量结果记录在记录表格上。
4. 检验电容器温度特性- 将电容器放置在恒温箱中,设置温度为标准温度。
- 等待电容器达到稳定温度。
- 使用温度计测量电容器的温度。
- 将测量结果记录在记录表格上。
5. 检验电容器损耗角正切- 将电容器连接到标准电阻箱和多用途数字万用表。
- 设置标准电阻箱的阻值,通常为电容器额定容量的10倍。
- 使用数字万用表测量电容器的电压和电流。
- 根据公式tanδ = P / (U^2 * 2πf * C),计算电容器的损耗角正切。
- 将测量结果记录在记录表格上。
四、检验结果评估根据电容器的检验标准和规范,对每一个检验项目的测量结果进行评估。
比较测量结果与标准要求的偏差,判断电容器是否合格。
如果有任何不合格的项目,需要进行进一步的分析和调查,以确定原因并采取相应的措施。
五、检验报告根据检验结果,编写检验报告。
电容器检验作业指导书一、引言电容器是电子电路中常用的元件之一,用于储存和释放电能。
为了确保电容器的质量和性能,进行电容器的检验是必要的。
本作业指导书旨在提供详细的指导,确保电容器的检验过程准确、高效。
二、检验目的本次电容器检验的目的是确保电容器的质量和性能符合规定的标准,以保证电子电路的正常运行。
具体目标包括:1. 检验电容器的外观是否完好,无损坏、变形等情况;2. 测量电容器的容量是否符合要求;3. 检验电容器的绝缘电阻是否达到要求;4. 检验电容器的耐压能力是否符合标准;5. 检验电容器的损耗角正切值是否在允许范围内。
三、检验工具和设备1. 电容器检验仪:用于测量电容器的容量、绝缘电阻、耐压能力和损耗角正切值等参数;2. 万用表:用于测量电容器的电压、电流等参数;3. 直流电源:用于提供电容器的工作电压;4. 温度计:用于测量电容器的温度;5. 外观检查工具:包括放大镜、显微镜等,用于检查电容器的外观。
四、检验步骤1. 外观检查a. 使用外观检查工具子细检查电容器的外观,包括外壳是否完整、无裂纹、变形等;b. 检查电容器的引线是否完好,无断裂、松动等情况;c. 检查电容器的标志和标签是否清晰、准确。
2. 容量测量a. 将电容器连接到电容器检验仪上;b. 设置电容器检验仪的工作模式为容量测量模式;c. 按照电容器检验仪的操作说明进行容量测量;d. 记录测量结果,并与规定的容量范围进行比较。
3. 绝缘电阻测量a. 将电容器连接到电容器检验仪上;b. 设置电容器检验仪的工作模式为绝缘电阻测量模式;c. 按照电容器检验仪的操作说明进行绝缘电阻测量;d. 记录测量结果,并与规定的绝缘电阻要求进行比较。
4. 耐压能力测试a. 将电容器连接到直流电源上;b. 设置直流电源的输出电压为规定的测试电压;c. 测量电容器的电流,并记录;d. 根据测得的电流和规定的测试电压计算电容器的耐压能力,并与规定的要求进行比较。
电容器检验作业指导书引言概述:电容器是电子设备中常见的元件之一,用于储存和释放电能。
为了确保电容器的正常工作和安全使用,进行定期的检验是必要的。
本文将详细介绍电容器检验的作业指导书,包括检验前的准备工作、检验步骤、常见问题及解决方法等内容。
一、检验前的准备工作:1.1 确定检验的目的和范围:在进行电容器检验前,需要明确检验的目的和范围。
目的可以是确保电容器的电容值符合设计要求,范围可以包括电容器的外观检查、电容值测量、绝缘电阻测试等。
1.2 检查检验设备和工具:在进行电容器检验前,需要检查检验设备和工具的完好性和准确性。
例如,检查电容值测量仪器的校准情况,确保其准确度符合要求。
1.3 制定检验计划和安全措施:制定电容器检验计划是确保检验工作有序进行的重要步骤。
根据电容器的数量和种类,合理安排检验时间和人员。
同时,制定安全措施,例如佩戴防静电手套和使用绝缘工具,以防止电容器在检验过程中受到损坏或造成人身伤害。
二、检验步骤:2.1 外观检查:首先,对电容器的外观进行检查。
注意观察电容器是否有明显的物理损坏,例如裂纹、变形等。
同时,检查电容器的连接器和引线是否松动或腐蚀。
2.2 电容值测量:接下来,进行电容值的测量。
使用合适的电容值测量仪器,将测量引线连接到电容器的正负极上。
根据需要,选择适当的测量范围和精度。
记录测量结果,并与设计要求进行比较。
2.3 绝缘电阻测试:最后,进行绝缘电阻测试。
使用绝缘电阻测试仪器,将测试引线连接到电容器的正负极上。
根据需要,选择适当的测试电压和测量范围。
记录测试结果,并与设计要求进行比较。
三、常见问题及解决方法:3.1 电容器外观损坏:如果发现电容器外观有裂纹或变形等损坏情况,应立即停止使用,并更换新的电容器。
3.2 电容值偏离设计要求:如果测量得到的电容值与设计要求有较大偏差,可以考虑以下解决方法:检查测量仪器的准确性,确保其校准正常;检查电容器的连接是否牢固,避免接触不良导致测量不准确;如果电容器老化或损坏,需要更换新的电容器。
电容器检验作业指导书一、背景介绍电容器是一种用来储存和释放电能的装置,广泛应用于各个领域。
为了确保电容器的质量和性能,进行电容器的检验是非常重要的。
本作业指导书旨在提供一套标准的操作流程和要求,以确保电容器的检验工作能够准确、高效地进行。
二、检验准备1. 工具准备:检验电容器所需的工具包括电容器测试仪、万用表、电源、接地导线等。
2. 环境准备:确保检验场所的安全与整洁,以及电源的稳定供应。
3. 检验人员准备:检验人员应熟悉电容器的基本知识,并具备一定的电气安全意识和操作技能。
三、检验流程1. 安全检查:检验人员首先需要检查电容器及其周围环境是否存在安全隐患,如漏电、短路等情况,并采取必要的措施消除隐患。
2. 连接电源:将电容器正确连接到电源,并确保电源的电压和频率与电容器的额定值相匹配。
3. 测试电容器的电容值:使用电容器测试仪,按照其操作说明书的要求,对电容器进行电容值的测试,并记录测试结果。
4. 测试电容器的电阻值:使用万用表,在适当的电压条件下,测量电容器的电阻值,并记录测试结果。
5. 检查电容器的外观:仔细检查电容器外壳的表面是否存在损坏、变形或漏液等情况,并记录检查结果。
6. 检查电容器的引线和连接器:检查电容器的引线和连接器是否完好无损,并确保连接稳固可靠。
7. 检查电容器的标识:检查电容器上的标识是否清晰可读,包括电容值、电压等参数,并记录检查结果。
8. 清洁和维护:检验结束后,对电容器进行清洁,并进行必要的维护保养,以延长其使用寿命。
四、记录和报告1. 记录:在检验过程中,应及时记录每一项的检验结果和相关数据,包括电容值、电阻值、外观检查结果等。
2. 报告:根据检验记录,编写电容器检验报告,详细描述电容器的检验情况和结果,包括电容器的型号、规格、检验日期等信息,并提出必要的建议和改进措施。
五、安全注意事项1. 在进行电容器检验时,务必遵守相关的电气安全操作规范,确保自身和他人的安全。
电容器检验作业指导书标题:电容器检验作业指导书引言概述:电容器是电力系统中常见的电气设备,用于储存和释放电能。
为了确保电容器的正常运行和安全性,进行定期的检验是必要的。
本文将提供一份电容器检验作业指导书,以帮助操作人员正确、高效地进行检验工作。
正文内容:1. 检查电容器外观1.1 检查外壳是否完好:检查电容器外壳是否有裂纹、变形或腐蚀等损坏情况。
1.2 检查连接器:检查电容器连接器是否紧固,无松动或腐蚀现象。
1.3 检查标志和铭牌:检查电容器上的标志和铭牌是否清晰可见,包括额定电压、电容量和制造商信息等。
2. 检测电容器内部2.1 检查绝缘材料:检查电容器内部绝缘材料是否完好,无破损或老化现象。
2.2 检查电极:检查电容器内的电极是否正常,无腐蚀、变形或短路情况。
2.3 检查介质液体:检查电容器内的介质液体是否清澈,无杂质或泡沫。
3. 测量电容器参数3.1 测量电容值:使用适当的测量仪器,测量电容器的电容值,确保其符合额定值。
3.2 测量损耗角正切:测量电容器的损耗角正切,判断其绝缘状况。
3.3 测量电压分布:使用电压分布测量仪器,测量电容器内部的电压分布情况,确保其均匀。
4. 进行绝缘电阻测试4.1 准备测试设备:选择合适的绝缘电阻测试仪器,并进行校准。
4.2 进行测试:将测试仪器连接到电容器的绝缘电阻测量点,进行绝缘电阻测试。
4.3 判断测试结果:根据测试结果,判断电容器的绝缘状况是否符合要求。
5. 完成检验记录5.1 记录检验日期和时间:在检验作业指导书上记录检验日期和时间,以便追溯和参考。
5.2 记录检验结果:将每个检验项目的结果记录下来,包括外观检查、内部检测、参数测量和绝缘电阻测试等。
5.3 提出建议和注意事项:根据检验结果,提出必要的建议和注意事项,以便后续维护和操作。
总结:电容器检验作业是确保电容器正常运行和安全性的重要环节。
通过检查外观、内部、测量参数和绝缘电阻测试等步骤,可以全面了解电容器的状态,并及时采取必要的维护措施。
电容器检验作业指导书1. 引言电容器是一种常见的电子元件,用于存储和释放电荷。
为了确保电容器的质量和性能,进行检验是非常重要的。
本作业指导书旨在提供详细的指导,以确保电容器的检验工作能够准确、高效地进行。
2. 检验目的电容器的检验旨在验证其电气性能和外观质量,确保其符合相关标准和规范要求。
具体目的包括:- 确保电容器的额定电容值符合标准要求;- 检查电容器的绝缘电阻,确保其在正常范围内;- 检查电容器的耐压性能,确保其能够在规定的工作电压下正常工作;- 检查电容器的外观质量,确保其无明显的物理损伤。
3. 检验工具和设备- 万用表:用于测量电容器的电容值、绝缘电阻和耐压性能;- 直流电源:用于提供规定的工作电压;- 目视检查工具:用于检查电容器的外观质量。
4. 检验步骤步骤1:准备工作- 确保检验环境安全,无明火和易燃物品;- 检查检验工具和设备的工作状态和准确性;- 确保电容器处于自然放电状态。
步骤2:电容值检验- 将电容器连接到万用表的电容测量端口;- 选择合适的测量范围,记录电容器的电容值;- 将测得的电容值与标准要求进行比较,确保其在允许范围内。
步骤3:绝缘电阻检验- 将电容器连接到万用表的绝缘电阻测量端口;- 选择合适的测量范围,记录电容器的绝缘电阻值;- 将测得的绝缘电阻值与标准要求进行比较,确保其在允许范围内。
步骤4:耐压性能检验- 将电容器连接到直流电源,设置规定的工作电压;- 检查电容器在规定的工作电压下是否能够正常工作,无明显的漏电现象。
步骤5:外观质量检验- 用目视检查工具检查电容器的外观质量,包括外壳是否完整、无明显的物理损伤;- 检查电容器的标识是否清晰可见,无模糊或磨损。
5. 检验记录和报告在进行电容器检验时,应及时记录检验结果和相关数据,并制作检验报告。
检验记录和报告应包括以下内容:- 电容器的型号和规格;- 检验日期和地点;- 检验人员的姓名和职务;- 检验结果和数据;- 异常情况的描述和处理措施。
电容器检验作业指导书一、任务背景和目的电容器作为电力系统中重要的电气设备之一,其稳定性和可靠性对电力系统的运行起着至关重要的作用。
为了确保电容器的正常运行和安全性能,需要进行定期的检验和维护。
本作业指导书旨在提供一套标准的操作流程和检验要求,以确保电容器的检验工作能够准确、规范地进行。
二、检验前准备1. 检查工作环境:确保检验现场干燥、通风良好,并保持清洁。
2. 检查检验设备:确认检验仪器和设备完好,校准有效,并进行必要的维护和保养。
3. 检查检验人员:确保检验人员具备相关的技术知识和经验,并经过培训合格。
三、检验内容和要求1. 外观检查:- 检查电容器外壳是否完整,无裂纹、变形等损坏情况。
- 检查电容器接线端子是否松动或腐蚀。
- 检查电容器标识是否清晰可读,无模糊、磨损等情况。
2. 内部检查:- 拆卸电容器外壳,检查内部元件是否正常,无破损、漏液等情况。
- 检查电容器内部连接线路是否良好,无断路、接触不良等情况。
- 检查电容器绝缘材料是否老化、破损,如有需要及时更换。
3. 电性能检验:- 使用合适的电容器检验仪器,进行电容值、电压、损耗角正切等参数的测量。
- 检查电容器的电性能是否符合设计要求和标准规定。
4. 安全性能检验:- 检查电容器的绝缘电阻是否达到要求,无漏电现象。
- 检查电容器的过电压保护装置是否正常工作,能够及时切断电源。
- 检查电容器的散热装置是否正常,无过热现象。
四、检验报告和记录1. 检验报告:- 按照规定的格式,记录电容器的检验结果和相关数据。
- 对于不合格的电容器,需详细描述问题和存在的风险,并提出相应的处理建议。
- 对于合格的电容器,可简要总结检验结果,注明下次检验的时间和要求。
2. 检验记录:- 将检验报告进行归档,并建立电容器的检验记录档案。
- 对于重要的电容器,建议建立定期检验计划,确保按时进行检验和维护。
五、安全注意事项1. 检验过程中,严禁在电容器上施加过高的电压,以免引发电击和其他安全事故。
电容器检验作业指导书一、背景介绍电容器是电气设备中常见的一种元件,用于储存和释放电能。
为确保电容器的质量和安全性,需要进行定期的检验。
本作业指导书旨在提供一套标准的操作流程,以确保电容器的检验工作能够准确、高效地进行。
二、检验前准备1. 确认检验的电容器类型和规格,并准备相应的检验设备和工具。
2. 确保检验环境符合安全要求,包括通风良好、无易燃物质等。
3. 根据电容器的使用情况和检验要求,制定相应的检验计划和时间表。
三、检验流程1. 外观检查a. 检查电容器外壳是否有破损、变形等情况。
b. 检查电容器标识是否清晰、完整。
c. 检查电容器接线端子是否松动。
d. 检查电容器的连接线路是否正常。
2. 绝缘电阻测量a. 使用万用表或绝缘电阻测试仪,将测试电极连接到电容器的正负极上。
b. 测量电容器的绝缘电阻值,并与规定的标准进行比对。
c. 若绝缘电阻值低于标准要求,应进行绝缘处理或更换电容器。
3. 容量测量a. 使用电容量测量仪,将测试电极连接到电容器的正负极上。
b. 设置电容量测量仪的相应参数,并进行测量。
c. 测量结果应与电容器的额定容量相符合,若偏差较大,应进行进一步的分析和调整。
4. 损耗角正切测量a. 使用损耗角正切测试仪,将测试电极连接到电容器的正负极上。
b. 设置测试仪的相应参数,并进行测量。
c. 测量结果应符合电容器的技术要求,若偏差较大,应进行进一步的分析和调整。
5. 绝缘电压测量a. 使用绝缘电阻测试仪,将测试电极连接到电容器的正负极上。
b. 设置测试仪的相应参数,并进行测量。
c. 测量结果应符合电容器的技术要求,若偏差较大,应进行进一步的分析和调整。
6. 温度升高试验a. 使用温度升高试验设备,将电容器置于试验槽中。
b. 设置试验设备的相应参数,并进行试验。
c. 观察电容器在试验过程中的温度变化和性能表现,评估其是否符合要求。
7. 其他检验项目根据电容器的具体要求和使用情况,可进行其他相关的检验项目,如振动试验、冲击试验等。
电容器检验作业指导书一、任务背景电容器是电力系统中常见的电气设备,用于储存和释放电能。
为了确保电容器的正常运行和安全使用,需要进行定期的检验工作。
本作业指导书旨在提供详细的操作步骤和要求,以确保电容器的检验工作能够准确、高效地完成。
二、检验目的1. 确保电容器的电气性能符合规定的技术要求;2. 检测电容器的绝缘性能,预防漏电和电击事故的发生;3. 检查电容器的外观和机械结构,确保其完好无损;4. 判断电容器的运行状态,提前发现潜在故障,避免事故的发生。
三、检验内容和要求1. 外观检查a. 检查电容器外壳表面是否有明显的损坏、变形或者腐蚀;b. 检查连接路线是否坚固,无松动或者破损;c. 检查标志和铭牌是否清晰可见。
2. 电气性能检测a. 使用电容器测试仪器,测量电容器的额定电容值是否符合要求;b. 测量电容器的绝缘电阻,确保其在规定范围内;c. 检测电容器的损耗角正切值,判断其绝缘状态是否良好;d. 测量电容器的等效串联电阻,确保其在规定范围内。
3. 绝缘性能检测a. 使用绝缘测试仪器,对电容器的绝缘电阻进行测量;b. 检测电容器的绝缘电阻是否满足规定的要求;c. 检测电容器的绝缘电阻是否存在明显的下降或者波动。
4. 运行状态检查a. 检查电容器的运行温度是否正常;b. 检查电容器的振动情况,确保其无异常;c. 检查电容器的噪音情况,排除异常噪音。
四、检验步骤1. 准备工作a. 确保检验仪器和设备的正常工作;b. 关闭电容器的电源,并确保其处于安全断电状态;c. 根据电容器的额定电压和额定容量,选择适当的检验仪器。
2. 外观检查a. 子细观察电容器的外观,记录任何异常情况;b. 检查连接路线的坚固性和完整性;c. 检查电容器的标志和铭牌是否清晰可见。
3. 电气性能检测a. 连接电容器测试仪器,按照仪器操作说明进行测量;b. 记录电容器的额定电容值、绝缘电阻、损耗角正切值和等效串联电阻;c. 判断测量结果是否符合规定的要求。
电容器检验作业指导书一、背景介绍电容器是一种用于存储电能的电子元件,广泛应用于电子设备、通信系统、电力系统等领域。
为了保证电容器的质量和性能稳定,进行电容器检验是必不可少的环节。
本作业指导书将详细介绍电容器检验的步骤、方法和要求,以确保电容器的质量符合标准。
二、检验步骤1. 准备工作在进行电容器检验之前,需要准备以下工作:a. 检验仪器和设备:包括电容器测试仪、万用表、电压源等。
b. 检验环境:确保检验环境干燥、无尘、无振动,并保持适宜的温度。
c. 检验样品:根据检验要求,准备待检的电容器样品。
2. 外观检查a. 检查电容器外壳是否完整,无明显的损伤、变形或者腐蚀。
b. 检查电容器引线是否坚固,无松动或者断裂现象。
c. 检查电容器标识是否清晰可读,包括型号、规格、生产日期等信息。
3. 容量测量a. 将待检电容器连接至电容器测试仪。
b. 设置测试仪的测量范围和精度。
c. 对电容器进行容量测量,并记录测量结果。
d. 根据电容器的型号和规格,判断测量结果是否符合要求。
4. 绝缘电阻测量a. 将待检电容器与万用表连接。
b. 设置万用表的测量范围和精度。
c. 对电容器进行绝缘电阻测量,并记录测量结果。
d. 根据电容器的型号和规格,判断测量结果是否符合要求。
5. 交流电压耐受测试a. 将待检电容器连接至电压源。
b. 设置电压源的输出电压和频率。
c. 对电容器进行交流电压耐受测试,并记录测试结果。
d. 根据电容器的型号和规格,判断测试结果是否符合要求。
6. 直流电压耐受测试a. 将待检电容器连接至电压源。
b. 设置电压源的输出电压。
c. 对电容器进行直流电压耐受测试,并记录测试结果。
d. 根据电容器的型号和规格,判断测试结果是否符合要求。
7. 温度特性测试a. 将待检电容器放置在恒温箱中。
b. 设置恒温箱的温度范围和稳定时间。
c. 对电容器进行温度特性测试,并记录测试结果。
d. 根据电容器的型号和规格,判断测试结果是否符合要求。