八年级期中精选试卷同步检测(Word版 含答案)
- 格式:doc
- 大小:2.06 MB
- 文档页数:35
八年级上册数学期中精选试卷试卷(word版含答案)一、八年级数学全等三角形解答题压轴题(难)1.在平面直角坐标系中,直线AB分别交x轴,y轴于A(a,0),B(0,b),且满足a2+b2+4a﹣8b+20=0.(1)求a,b的值;(2)点P在直线AB的右侧;且∠APB=45°,①若点P在x轴上(图1),则点P的坐标为;②若△ABP为直角三角形,求P点的坐标.【答案】(1)a=﹣2,b=4;(2)①(4,0);②P点坐标为(4,2),(2,﹣2).【解析】【分析】(1)利用非负数的性质解决问题即可.(2)①根据等腰直角三角形的性质即可解决问题.②分两种情形:如图2中,若∠ABP=90°,过点P作PC⊥OB,垂足为C.如图3中,若∠BAP=90°,过点P作PD⊥OA,垂足为D.分别利用全等三角形的性质解决问题即可.【详解】(1)∵a2+4a+4+b2﹣8b+16=0∴(a+2)2+(b﹣4)2=0∴a=﹣2,b=4.(2)①如图1中,∵∠APB=45°,∠POB=90°,∴OP=OB=4,∴P(4,0).故答案为(4,0).②∵a=﹣2,b=4∴OA=2OB=4又∵△ABP为直角三角形,∠APB=45°∴只有两种情况,∠ABP=90°或∠BAP=90°①如图2中,若∠ABP=90°,过点P作PC⊥OB,垂足为C.∴∠PCB=∠BOA=90°,又∵∠APB=45°,∴∠BAP=∠APB=45°,∴BA=BP,又∵∠ABO+∠OBP=∠OBP+∠BPC=90°,∴∠ABO=∠BPC,∴△ABO≌△BPC(AAS),∴PC=OB=4,BC=OA=2,∴OC=OB﹣BC=4﹣2=2,∴P(4,2).②如图3中,若∠BAP=90°,过点P作PD⊥OA,垂足为D.∴∠PDA=∠AOB=90°,又∵∠APB=45°,∴∠ABP=∠APB=45°,∴AP=AB,又∵∠BAD+∠DAP=90°,∠DPA+∠DAP=90°,∴∠BAD=∠DPA,∴△BAO≌△APP(AAS),∴PD=OA=2,AD=OB=4,∴OD=AD﹣0A=4﹣2=2,∴P(2,﹣2).综上述,P点坐标为(4,2),(2,﹣2).【点睛】本题属于三角形综合题,考查了等腰直角三角形的判定和性质,全等三角形的判定和性质等知识,解题的关键是学会用分类讨论的思想思考问题,学会添加常用辅助线,构造全等三角形解决问题.2.(1)如图1:在四边形ABCD中,AB=AD,∠BAD=120°,∠B=∠ADC=90°.E,F分别是BC,CD上的点.且∠EAF=60°.探究图中线段EF,BE,FD之间的数量关系.小明同学探究的方法是:延长FD到点G.使DG=BE.连结AG,先证明△ABE≌△ADG,再证明△AEF≌△AGF,可得出结论,他的结论是(直接写结论,不需证明);(2)如图2,若在四边形ABCD中,AB=AD,∠B+∠D=180°,E、F分别是BC,CD上的点,且∠EAF是∠BAD的二分之一,上述结论是否仍然成立,并说明理由.(3)如图3,四边形ABCD是边长为5的正方形,∠EBF=45°,直接写出三角形DEF的周长.【答案】(1)EF=BE+DF.(2)成立,理由见解析;(3)10.【解析】【分析】(1)如图1,延长FD到G,使得DG=DC,先证△ABE≌△ADG,得到AE=AG,∠BAE=∠DAG,进一步根据题意得∠EAF=∠GAF,再证明△AEF≌△AGF,得到EF=FG,最后运用线段的和差证明即可.(2)如图2,延长FD到点G.使DG=BE.连结AG,证得△ABE≌△ADG,得到AE=AG,∠BAE=∠DAG,再结合题意得到∠EAF=∠GAF,再证明△AEF≌△AGF,得到EF=FG,最后运用线段的和差证明即可.(3)如图3,延长DC到点G,截取CG=AE,连接BG,先证△AEB≌△CGB,得到BE=BG,∠ABE=∠CBG,结合已知条件得∴∠CBF+∠CBG=45°,再证明△EBF≌△GBF,得到EF=FG,最后求三角形的周长即可.【详解】解答:(1)解:如图1,延长FD到G,使得DG=DC在△ABE和△ADG中,∵DC DGB ADGAB AD=⎧⎪∠=∠⎨⎪=⎩∴△ABE≌△ADG(SAS),∴AE=AG,∠BAE=∠DAG,∵∠EAF=12∠BAD,∴∠GAF=∠DAG+∠DAF=∠BAE+∠DAF=∠BAD-∠EAF=∠EAF,∴∠EAF=∠GAF,在△AEF和△GAF中,∵AE AGEAF GAFAF AF=⎧⎪∠=∠⎨⎪=⎩,∴△AEF≌△AGF(SAS),∴EF=FG,∵FG=DG+DF=BE+DF,∴EF=BE+DF;故答案为:EF=BE+DF.(2)解:结论EF=BE+DF仍然成立;理由:如图2,延长FD到点G.使DG=BE.连结AG在△ABE和△ADG中,∵DG BEB ADGAB AD=⎧⎪∠=∠⎨⎪=⎩,∴△ABE≌△ADG(SAS),∴AE=AG,∠BAE=∠DAG,∵∠EAF=12∠BAD,∴∠GAF=∠DAG+∠DAF=∠BAE+∠DAF=∠BAD-∠EAF=∠EAF,∴∠EAF=∠GAF,在△AEF和△GAF中,∵AE AGEAF GAF AF AF=⎧⎪∠=∠⎨⎪=⎩,∴△AEF≌△AGF(SAS),∴EF=FG,∵FG=DG+DF=BE+DF,∴EF=BE+DF;(3)解:如图3,延长DC到点G,截取CG=AE,连接BG,在△AEB与△CGB中,∵AE CGA BOG AF BF=⎧⎪∠=∠⎨⎪=⎩,∴△AEB≌△CGB(SAS),∴BE=BG,∠ABE=∠CBG.∵∠EBF=45°,∠ABC=90°,∴∠ABE+∠CBF=45°,∴∠CBF+∠CBG=45°.在△EBF与△GBF中,∵BE BGEBF GBF BF BF=⎧⎪∠=∠⎨⎪=⎩,∴△EBF≌△GBF(SAS),∴EF=GF,∴△DEF的周长=EF+ED+CF=AE+CF+DE+DF=AD+CD=10.【点睛】本题主要考查了三角形全等的判定和性质,灵活运用全等三角形的性质和判定是解答本题的关键.但本题分为三问,难度不断增加,对提升思维能力大有好处.3.如图,在ABC ∆中,ACB ∠为锐角,点D 为射线BC 上一动点,连接AD .以AD 为直角边且在AD 的上方作等腰直角三角形ADF .(1)若AB AC =,90BAC ∠=︒①当点D 在线段BC 上时(与点B 不重合),试探讨CF 与BD 的数量关系和位置关系; ②当点D 在线段C 的延长线上时,①中的结论是否仍然成立,请在图2中面出相应的图形并说明理由;(2)如图3,若AB AC ≠,90BAC ∠≠︒,45BCA ∠=︒,点D 在线段BC 上运动,试探究CF 与BD 的位置关系.【答案】(1)①CF ⊥BD ,证明见解析;②成立,理由见解析;(2)CF ⊥BD ,证明见解析.【解析】【分析】(1)①根据同角的余角相等求出∠CAF=∠BAD ,然后利用“边角边”证明△ACF 和△ABD 全等,②先求出∠CAF=∠BAD ,然后与①的思路相同求解即可;(2)过点A 作AE ⊥AC 交BC 于E ,可得△ACE 是等腰直角三角形,根据等腰直角三角形的性质可得AC=AE ,∠AED=45°,再根据同角的余角相等求出∠CAF=∠EAD ,然后利用“边角边”证明△ACF 和△AED 全等,根据全等三角形对应角相等可得∠ACF=∠AED ,然后求出∠BCF=90°,从而得到CF ⊥BD .【详解】解:(1)①∵∠BAC=90°,△ADF 是等腰直角三角形,∴∠CAF+∠CAD=90°,∠BAD+∠ACD=90°,∴∠CAF=∠BAD ,在△ACF 和△ABD 中,∵AB=AC ,∠CAF=∠BAD ,AD=AF ,∴△ACF ≌△ABD(SAS),∴CF=BD ,∠ACF=∠ABD=45°,∵∠ACB=45°,∴∠FCB=90°,∴CF ⊥BD ;②成立,理由如下:如图2:∵∠CAB=∠DAF=90°,∴∠CAB+∠CAD=∠DAF+∠CAD,即∠CAF=∠BAD,在△ACF和△ABD中,∵AB=AC,∠CAF=∠BAD,AD=AF,∴△ACF≌△ABD(SAS),∴CF=BD,∠ACF=∠B,∵AB=AC,∠BAC=90°,∴∠B=∠ACB=45°,∴∠BCF=∠ACF+∠ACB=45°+45°=90°,∴CF⊥BD;(2)如图3,过点A作AE⊥AC交BC于E,∵∠BCA=45°,∴△ACE是等腰直角三角形,∴AC=AE,∠AED=45°,∵∠CAF+∠CAD=90°,∠EAD+∠CAD=90°,∴∠CAF=∠EAD,在△ACF和△AED中,∵AC=AE,∠CAF=∠EAD,AD=AF,∴△ACF≌△AED(SAS),∴∠ACF=∠AED=45°,∴∠BCF=∠ACF+∠BCA=45°+45°=90°,∴CF⊥BD.【点睛】本题考查全等三角形的动点问题,综合性较强,有一定难度,需要熟练掌握全等三角形的判定和性质进行综合运用.4.如图,Rt△ABC≌Rt△CED(∠ACB=∠CDE=90°),点D在BC上,AB与CE相交于点F(1) 如图1,直接写出AB与CE的位置关系(2) 如图2,连接AD交CE于点G,在BC的延长线上截取CH=DB,射线HG交AB于K,求证:HK=BK【答案】(1)AB⊥CE;(2)见解析.【解析】【分析】(1)由全等可得∠ECD=∠A,再由∠B+∠A=90°,可得∠B+ECD=90°,则AB⊥CE.(2)延长HK于DE交于H,易得△ACD为等腰直角三角形,∠ADC=45°,易得DH=DE,然后证明△DGH≌△DGE,所以∠H=∠E,则∠H=∠B,可得HK=BK.【详解】解:(1)∵Rt△ABC≌Rt△CED,∴∠ECD=∠A,∠B=∠E,BC=DE,AC=CD∵∠B+∠A=90°∴∠B+ECD=90°∴∠BFC=90°,∴AB⊥CE(2)在Rt△ACD中,AC=CD,∴∠ADC=45°,又∵∠CDE=90°,∴∠HDG=∠CDG=45°∵CH=DB,∴CH+CD=DB+CD,即HD=BC,∴DH=DE,在△DGH和△DGE中,DH=DEHDG=EDG=45DG=DG⎧⎪∠∠⎨⎪⎩∴△DGH≌△DGE(SAS)∴∠H=∠E又∵∠B=∠E∴∠H=∠B,∴HK=BK【点睛】本题考查全等三角形的判定与性质,利用全等找出角相等,再利用等角对等边判定线段相等是本题的关键.5.(1)问题发现:如图(1),已知:在三角形ABC ∆中,90BAC ︒∠=,AB AC =,直线l 经过点A ,BD ⊥直线l ,CE ⊥直线l ,垂足分别为点,D E ,试写出线段,BD DE 和CE 之间的数量关系为_________________.(2)思考探究:如图(2),将图(1)中的条件改为:在ABC ∆中, ,,,AB AC D A E =三点都在直线l 上,并且BDA AEC BAC α∠=∠=∠=,其中α为任意锐角或钝角.请问(1)中结论还是否成立?若成立,请给出证明;若不成立,请说明理由.(3)拓展应用:如图(3),,D E 是,,D A E 三点所在直线m 上的两动点,(,,D A E 三点互不重合),点F 为BAC ∠平分线上的一点,且ABF ∆与ACF ∆均为等边三角形,连接,BD CE ,若BDA AEC BAC ∠=∠=∠,试判断DEF ∆的形状并说明理由.【答案】(1)DE=CE+BD ;(2)成立,理由见解析;(3)△DEF 为等边三角形,理由见解析.【解析】【分析】(1)利用已知得出∠CAE=∠ABD ,进而根据AAS 证明△ABD 与△CAE 全等,然后进一步求解即可;(2)根据BDA AEC BAC α∠=∠=∠=,得出∠CAE=∠ABD ,在△ADB 与△CEA 中,根据AAS 证明二者全等从而得出AE=BD ,AD=CE ,然后进一步证明即可;(3)结合之前的结论可得△ADB 与△CEA 全等,从而得出BD=AE ,∠DBA=∠CAE ,再根据等边三角形性质得出∠ABF=∠CAF=60°,然后进一步证明△DBF 与△EAF 全等,在此基础上进一步证明求解即可.【详解】(1)∵BD ⊥直线l ,CE ⊥直线l ,∴∠BDA=∠AEC=90°,∴∠BAD+∠ABD=90°,∵∠BAC=90°,∴∠BAD+∠CAE=90°,∴∠CAE=∠ABD ,在△ABD 与△CAE 中,∵∠ABD=∠CAE ,∠BDA=∠AEC ,AB=AC ,∴△ABD ≌△CAE(AAS),∴BD=AE,AD=CE,∵DE=AD+AE,∴DE=CE+BD,故答案为:DE=CE+BD;(2)(1)中结论还仍然成立,理由如下:∠=∠=∠=,∵BDA AEC BACα∴∠DBA+∠BAD=∠BAD+∠CAE=180°−α,∴∠CAE=∠ABD,在△ADB与△CEA中,∵∠ABD=∠CAE,∠ADB=∠CEA,AB=AC,∴△ADB≌△CEA(AAS),∴AE=BD,AD=CE,∴BD+CE=AE+AD=DE,即:DE=CE+BD,∆为等边三角形,理由如下:(3)DEF由(2)可知:△ADB≌△CEA,∴BD=EA,∠DBA=∠CAE,∵△ABF与△ACF均为等边三角形,∴∠ABF=∠CAF=60°,BF=AF,∴∠DBA+∠ABF=∠CAE+CAF,∴∠DBF=∠FAE,在△DBF与△EAF中,∵FB=FA,∠FDB=∠FAE,BD=AE,∴△DBF≌△EAF(SAS),∴DF=EF,∠BFD=∠AFE,∴∠DFE=∠DFA+∠AFE=∠DFA+∠BFD=60°,∴△DEF为等边三角形.【点睛】本题主要考查了全等三角形性质与判定的综合运用,熟练掌握相关概念是解题关键.二、八年级数学轴对称解答题压轴题(难)6.如图,在平面直角坐标系中,已知点A(2,3),点B(﹣2,1).(1)请运用所学数学知识构造图形求出AB的长;(2)若Rt△ABC中,点C在坐标轴上,请在备用图1中画出图形,找出所有的点C后不用计算写出你能写出的点C的坐标;(3)在x轴上是否存在点P,使PA=PB且PA+PB最小?若存在,就求出点P的坐标;若不存在,请简要说明理由(在备用图2中画出示意图).【答案】(1)AB=52)C2(0,7),C4(0,-4),C5(-1,0)、C6(1,0);(3)不存在这样的点P.【解析】【分析】(1)如图,连结AB,作B关于y轴的对称点D,利用勾股定理即可得出AB;(2)分别以A,B,C为直角顶点作图,然后直接得出符合条件的点的坐标即可;(3)作AB的垂直平分线l3,则l3上的点满足PA=PB,作B关于x轴的对称点B′,连结AB′,即x轴上使得PA+PB最小的点,观察作图即可得出答案.【详解】解:(1)如图,连结AB,作B关于y轴的对称点D,由已知可得,BD=4,AD=2.∴在Rt△ABD中,AB=5(2)如图,①以A为直角顶点,过A作l1⊥AB交x轴于C1,交y轴于C2.②以B为直角顶点,过B作l2⊥AB交x轴于C3,交y轴于C4.③以C为直角顶点,以AB为直径作圆交坐标轴于C5、C6、C7.(用三角板画找出也可)由图可知,C2(0,7),C4(0,-4),C5(-1,0)、C6(1,0).(3)不存在这样的点P.作AB的垂直平分线l3,则l3上的点满足PA=PB,作B关于x轴的对称点B′,连结AB′,由图可以看出两线交于第一象限.∴不存在这样的点P.【点睛】本题考查了勾股定理,构造直角三角形,中垂线和轴对称--路径最短问题的综合作图分析,解题的关键是学会分类讨论,学会画好图形解决问题.7.定义:如果一条线段将一个三角形分成2个小等腰三角形,我们把这条线段叫做这个三角形的“好线”:如果两条线段将一个三角形分成3个小等腰三角形,我们把这两条线段叫做这个三角形的“好好线”.理解:(1)如图1,在ABC ∆中,AB AC =,点D 在AC 边上,且AD BD BC ==,求A ∠的大小;(2)在图1中过点C 作一条线段CE ,使BD ,CE 是ABC ∆的“好好线”;在图2中画出顶角为45的等腰三角形的“好好线”,并标注每个等腰三角形顶角的度数(画出一种即可);应用:(3)在ABC ∆中,27B ∠=,AD 和DE 是ABC ∆的“好好线”,点D 在BC 边上,点E 在AC 边上,且AD BD =,DE CE =,请求出C ∠的度数.【答案】(1)36°;(2)见详解;(3)18°或42°【解析】【分析】(1)利用等边对等角得到三对角相等,设∠A=∠ABD=x,表示出∠BDC与∠C,列出关于x的方程,求出方程的解得到x的值,即可确定出∠A的度数.(2)根据(1)的解题过程作出△ABC的“好好线”;45°自然想到等腰直角三角形,过底角一顶点作对边的高,发现形成一个等腰直角三角形和直角三角形.直角三角形斜边的中线可形成两个等腰三角形;第二种情形以一底角作为新等腰三角形的底角,则另一底角被分为45°和22.5°,再以22.5°分别作为等腰三角形的底角或顶角,易得其中作为底角时所得的三个三角形恰都为等腰三角形;(3)用量角器,直尺标准作27°角,而后确定一边为BA,一边为BC,根据题意可以先固定BA的长,而后可确定D点,再分别考虑AD为等腰三角形的腰或者底边,兼顾A、E、C在同一直线上,易得2种三角形ABC;根据图形易得∠C的值;【详解】解:(1)∵AB=AC,∴∠ABC=∠C,∵BD=BC=AD,∴∠A=∠ABD,∠C=∠BDC,设∠A=∠ABD=x,则∠BDC=2x,∠C=°180-2x可得°180-22x x∴x=36°则∠A=36°;(2)如图所示:(3)如图所示:①当AD=AE时,∵2x+x=27°+27°,∴x=18°;②当AD=DE时,∵27°+27°+2x+x=180°,∴x=42°;综上所述,∠C为18°或42°的角.【点睛】本题主要考查了三角形内角、外角间的关系及等腰三角形知识,解题的关键是学会用分类讨论的思想思考问题,属于中考常考题型.8.(问题情境)学习《探索全等三角形条件》后,老师提出了如下问题:如图①,△ABC 中,若AB=12,AC=8,求BC边上的中线AD的取值范围.同学通过合作交流,得到了如下的解决方法:延长AD到E,使DE=AD,连接BE.根据SAS可证得到△ADC≌△EDB,从而根据“三角形的三边关系”可求得AD的取值范围是.解后反思:题目中出现“中点”“中线”等条件,可考虑延长中线构造全等三角形,把分散的已知条件和所求证的结论集合到同一个三角形中.(直接运用)如图②,AB⊥AC,AD⊥AE,AB=AC,AD=AE,AF是ACD的边CD上中线.求证:BE=2AF.(灵活运用)如图③,在△ABC中,∠C=90°,D为AB的中点,DE⊥DF,DE交AC于点E,DF交AB于点F,连接EF,试判断以线段AE、BF、EF为边的三角形形状,并证明你的结论.【答案】(1)2<AD<10;(2)见解析(3)为直角三角形,理由见解析.【解析】【分析】(1)根据△ADC≌△EDB,得到BE=AC=8,再根据三角形的构成三角形得到AE的取值,再根据D为AE中点得到AD的取值;(2)延长AF到H,使AF=HF,故△ADF≌△HCF,AH=2AF,由AB⊥AC,AD⊥AE,得到∠BAE+∠CAD=180°,又∠ACH+∠CAH+∠AHC=180°,根据∠D=∠FCH,∠DAF=∠CHF,得到∠ACH+∠CAD=180°,故∠BAE= ACH,再根据AB=AC,AD=AE即可利用SAS证明△BAE≌△ACH,故BE=AH,故可证明BE=2AF.(3)延长FD到点G,使DG=FD,连结GA,GE,证明△DBF≌△DAG,故得到FD=GD,BF=AG,由DE⊥DF,得到EF=EG,再求出∠EAG=90°,利用勾股定理即可求解.【详解】(1)∵△ADC≌△EDB,∴BE=AC=8,∵AB=12,∴12-8<AE<12+8,即4<AE<20,∵D为AE中点∴2<AD<10;(2)延长AF到H,使AF=HF,由题意得△ADF≌△HCF,故AH=2AF,∵AB⊥AC,AD⊥AE,∴∠BAE+∠CAD=180°,又∠ACH+∠CAH+∠AHC=180°,∵∠D=∠FCH,∠DAF=∠CHF,∴∠ACH+∠CAD=180°,故∠BAE= ACH,又AB=AC,AD=AE∴△BAE≌△ACH(SAS),故BE=AH,又AH=2AF∴BE= 2AF.(3)以线段AE、BF、EF为边的三角形为直角三角形,理由如下:延长FD到点G,使DG=FD,连结GA,GE,由题意得△DBF≌△ADG,∴FD=GD,BF=AG,∵DE⊥DF,∴DE垂直平分GF,∴EF=EG,∵∠C=90°,∴∠B+∠CAB=90°,又∠B=∠DAG,∴∠DAG +∠CAB=90°∴∠EAG=90°,故EG2=AE2+AG2,∵EF=EG, BF=AG∴EF2=AE2+BF2,则以线段AE、BF、EF为边的三角形为直角三角形.【点睛】此题主要考查全等三角形的判定与性质,解题的关键是根据题意作出辅助线,根据垂直平分线与勾股定理进行求解.9.数学课上,同学们探究下面命题的正确性,顶角为36°的等腰三角形我们称之为黄金三角形,“黄金三角形“具有一种特性,即经过它某一顶点的一条直线可以把它分成两个小等腰三角形,为此,请你,解答问题:(1)已知如图1:黄金三角形△ABC中,∠A=36°,直线BD平分∠ABC交AC于点D,求证:△ABD和△DBC都是等腰三角形;(2)如图,在△ABC中,AB=AC,∠A=36°,请你设计三种不同的方法,将△ABC分割成三个等腰三角形,不要求写出画法,不要求证明,但是要标出所分得的每个三角形的各内角的度数.(3)已知一个三角形可以被分成两个等腰三角形,若原三角形的一个内角为36°,求原三角形的最大内角的所有可能值.【答案】(1)见解析;(2)见解析;(3)最大角的可能值为72°,90°,108°,126°,132°【解析】【分析】(1)通过角度转换得到∠ABD=∠BAD,和∠BDC=72°=∠C,即可判断;(2)根据等腰三角形的两底角相等及三角形内角和定理进行解答即可;(3)设原△ABD中有一个角为36°,可分成两个等腰三角形,逐个讨论:①当分割的直线过顶点B时②当分割三角形的直线过点D时情况和过点B一样的,③当分割三角形的直线过点A时,在分别求出最大角的度数即可.【详解】解:(1)证明:∵∠ABC=(180-36)÷2=72;BD平分∠ABC,∠ABD=72÷2=36°,∴∠ABD=∠BAD,∴△ABD为等腰三角形,∴∠BDC=72°=∠C,∴△BCD为等腰三角形;(2)根据等腰三角形的两底角相等及三角形内角和定理作出,如图所示:(3)设原△ABD中有一个角为36°,可分成两个等腰三角形,逐个讨论:①当分割的直线过顶点B时,【1】:第一个等腰三角形ABC以A为顶点:则第二个等腰三角形BCD只可能以C为顶点此时∠A=36°,∠D=36°,∠B=72+36=108°,最大角的值为108°;【2】:第一个等腰三角形ABC以B为顶点:第二个等腰三角形BCD只可能以C为顶点此时:∠A=36°,∠D=18°,∠B=108+18=126°,最大角的值为126°;【3】第一个等腰三角形ABC以C为顶点:第二个等腰三角形BCD有三种情况△BCD以B为顶点:∠A=36°,∠D=72°,∴∠ABD=72°,最大角的值为72°;△BCD以C为顶点:∠A=36°,∠D=54°,∴∠ABD=90°,最大角的值为90°;△BCD以D为顶点:∠A=36°,∠D=36°∴∠ABD=108°,最大角的值为108°;②当分割三角形的直线过点D时情况和过点B一样的;③当分割三角形的直线过点A时,此时∠A=36°,∠D=12°,∠B=132°,最大角的值为132°;综上所述:最大角的可能值为72°,90°,108°,126°,132°.【点睛】本题是对三角形知识的综合考查,熟练掌握等腰三角形的性质和角度转换是解决本题的关键,难度较大,分类讨论是解决本题的关键.10.再读教材:宽与长的比是5-1(约为0.618)的矩形叫做黄金矩形,黄金矩形给我们以协调,匀称的美感.世界各国许多著名的建筑.为取得最佳的视觉效果,都采用了黄金矩形的设计,下面我们用宽为2的矩形纸片折叠黄金矩形.(提示; MN=2)第一步,在矩形纸片一端.利用图①的方法折出一个正方形,然后把纸片展平.第二步,如图②.把这个正方形折成两个相等的矩形,再把纸片展平.第三步,折出内侧矩形的对角线 AB,并把 AB折到图③中所示的AD处,第四步,展平纸片,按照所得的点D折出 DE,使 DE⊥ND,则图④中就会出现黄金矩形,问题解决:(1)图③中AB=________(保留根号);(2)如图③,判断四边形 BADQ的形状,并说明理由;(3)请写出图④中所有的黄金矩形,并选择其中一个说明理由.(4)结合图④.请在矩形 BCDE中添加一条线段,设计一个新的黄金矩形,用字母表示出来,并写出它的长和宽.【答案】(15(2)见解析;(3)见解析; (4) 见解析.【解析】分析:(1)由勾股定理计算即可;(2)根据菱形的判定方法即可判断;(3)根据黄金矩形的定义即可判断;(4)如图④﹣1中,在矩形BCDE上添加线段GH,使得四边形GCDH为正方形,此时四边形BGHE为所求是黄金矩形.详解:(1)如图3中.在Rt△ABC中,AB=22AC BC+=2212+=5.故答案为5.(2)结论:四边形BADQ是菱形.理由如下:如图③中,∵四边形ACBF是矩形,∴BQ∥AD.∵AB∥DQ,∴四边形ABQD是平行四边形,由翻折可知:AB=AD,∴四边形ABQD是菱形.(3)如图④中,黄金矩形有矩形BCDE,矩形MNDE.∵AD=5.AN=AC=1,CD=AD﹣AC=5﹣1.∵BC=2,∴CDBC=51-,∴矩形BCDE是黄金矩形.∵MNDN=15+=51-,∴矩形MNDE是黄金矩形.(4)如图④﹣1中,在矩形BCDE上添加线段GH,使得四边形GCDH为正方形,此时四边形BGHE为所求是黄金矩形.长GH51,宽HE=35点睛:本题考查了几何变换综合题、黄金矩形的定义、勾股定理、翻折变换等知识,解题的关键是理解题意,灵活运用所学知识解决问题,属于中考创新题目.三、八年级数学整式的乘法与因式分解解答题压轴题(难)11.阅读材料:若m2﹣2mn+2n2﹣8n+16=0,求m、n的值.解:∵m2﹣2mn+2n2﹣8n+16=0,∴(m2﹣2mn+n2)+(n2﹣8n+16)=0∴(m﹣n)2+(n﹣4)2=0,∴(m﹣n)2=0,(n﹣4)2=0,∴n=4,m=4.根据你的观察,探究下面的问题:(1)已知x2+2xy+2y2+2y+1=0,求2x+y的值;(2)已知a﹣b=4,ab+c2﹣6c+13=0,求a+b+c的值.【答案】(1)1;(2)3.【解析】【分析】(1)根据题意,可以将题目中的式子化为材料中的形式,从而可以得到x、y的值,从而可以得到2x+y的值;(2)根据a-b=4,ab+c2-6c+13=0,可以得到a、b、c的值,从而可以得到a+b+c的值.【详解】解:(1)∵x2+2xy+2y2+2y+1=0,∴(x2+2xy+y2)+(y2+2y+1)=0,∴(x+y)2+(y+1)2=0,∴x+y=0,y+1=0,解得,x=1,y=−1,∴2x+y=2×1+(−1)=1;(2)∵a−b=4,∴a=b+4,∴将a=b+4代入ab+c2−6c+13=0,得b2+4b+c2−6c+13=0,∴(b2+4b+4)+(c2−6c+9)=0,∴(b+2)2+(c−3)2=0,∴b+2=0,c−3=0,解得,b=−2,c=3,∴a=b+4=−2+4=2,∴a+b+c=2−2+3=3.【点睛】此题考查了因式分解方法的应用:利用因式分解解决求值问题;利用因式分解解决证明问题;利用因式分解简化计算问题.此题解答的关键是要明确:用因式分解的方法将式子变形时,根据已知条件,变形的可以是整个代数式,也可以是其中的一部分.12.先阅读下列材料,然后解后面的问题.材料:一个三位自然数abc(百位数字为a,十位数字为b,个位数字为c),若满足a+c=b,则称这个三位数为“欢喜数”,并规定F(abc)=ac.如374,因为它的百位上数字3与个位数字4之和等于十位上的数字7,所以374是“欢喜数”,∴F(374)=3×4=12.(1)对于“欢喜数abc”,若满足b能被9整除,求证:“欢喜数abc”能被99整除;(2)已知有两个十位数字相同的“欢喜数”m,n(m>n),若F(m)﹣F(n)=3,求m﹣n的值.【答案】(1)详见解析;(2)99或297.【解析】【分析】(1)首先由题意可得a +c =b ,将欢喜数展开,因为要证明“欢喜数abc ”能被99整除,所以将展开式中100a 拆成99a +a ,这样展开式中出现了a +c ,将a +c 用b 替代,整理出最终结果即可;(2)首先设出两个欢喜数m 、n ,表示出F (m )、F (n )代入F (m )﹣F (n )=3中,将式子变形分析得出最终结果即可.【详解】(1)证明:∵abc 为欢喜数,∴a +c =b . ∵abc =100a +10b +c =99a +10b +a +c =99a +11b ,b 能被9整除,∴11b 能被99整除,99a 能被99整除,∴“欢喜数abc ”能被99整除;(2)设m =11a bc ,n =22a bc (且a 1>a 2),∵F (m )﹣F (n )=a 1•c 1﹣a 2•c 2=a 1•(b ﹣a 1)﹣a 2(b ﹣a 2)=(a 1﹣a 2)(b ﹣a 1﹣a 2)=3,a 1、a 2、b 均为整数,∴a 1﹣a 2=1或a 1﹣a 2=3.∵m ﹣n =100(a 1﹣a 2)﹣(a 1﹣a 2)=99(a 1﹣a 2),∴m ﹣n =99或m ﹣n =297.∴若F (m )﹣F (n )=3,则m ﹣n 的值为99或297.【点睛】做此类阅读理解类题目首先要充分理解题目,会运用因式分解将式子变形.13.阅读理解:把两个相同的数连接在一起就得到一个新数,我们把它称为“连接数”,例如:234234,3939…等,都是连接数,其中,234234称为六位连接数,3939称为四位连接数.(1)请写出一个六位连接数 ,它 (填“能”或“不能”)被13整除.(2)是否任意六位连接数,都能被13整除,请说明理由.(3)若一个四位连接数记为M ,它的各位数字之和的3倍记为N ,M ﹣N 的结果能被13整除,这样的四位连接数有几个?【答案】(1)证明见解析(2)abcabc 能被13整除(3)这样的四位连接数有1919,2525,3131,一共3个【解析】分析:(1)根据六位连接数的定义可知123123为六位连接数,再将123123进行因数分解,判断得出它能被13整除;(2)设abcabc 为六位连接数,将abcabc 进行因数分解,判断得出它能被13整除;(3)设xyxy 为四位连接数,用含x 、y 的代数式表示M 与N ,再计算M ﹣N ,然后将13M N -表示为77x +7y +3413x y +,根据M ﹣N 的结果能被13整除以及M 与N 都是1~9之间的整数,求得x 与y 的值,即可求解.详解:(1)123123为六位连接数;∵123123=123×1001=123×13×77,∴123123能被13整除;(2)任意六位连接数都能被13整除,理由如下:设abcabc 为六位连接数.∵abcabc =abc ×1001=abc ×13×77,∴abcabc 能被13整除;(3)设xyxy 为四位连接数,则M =1000x +100y +10x +y =1010x +101y ,N =3(x +y +x +y )=6x +6y ,∴M ﹣N =(1010x +101y )﹣(6x +6y )=1004x +95y ,∴13M N -=10049513x y +=77x +7y +3413x y +.∵M ﹣N 的结果能被13整除,∴3413x y +是整数.∵3x +4y 取值范围大于3小于63,所以能被13整除的数有13,26,39,52,∴x =1,y =9;x =2,y =5;x =3,y =1;x =8,y =7;x =9,y =3;x =5,y =6;x =6,y =2;满足条件的四位连接数的3131,2525,6262,9393,8787,5656,1919共7个.点睛:本题考查了因式分解的应用,整式的运算,理解“连接数”的定义是解题的关键.14.阅读下列材料:1637年笛卡尔在其《几何学》中,首次应用“待定系数法”将四次方程分解为两个二次方程求解,并最早给出因式分解定理.他认为:对于一个高于二次的关于x 的多项式,“x a =是该多项式值为0时的一个解”与“这个多项式一定可以分解为(x a -)与另一个整式的乘积”可互相推导成立.例如:分解因式3223x x +-.∵1x =是32230x x +-=的一个解,∴3223x x +-可以分解为()1x -与另一个整式的乘积.设()()322231x x x ax bx c +-=-++ 而()()()()2321x ax bx c ax b a x c b x c -++=+-+--,则有 1203a b a c b c =⎧⎪-=⎪⎨-=⎪⎪-=-⎩,得133a b c =⎧⎪=⎨⎪=⎩,从而()()32223133x x x x x +-=-++ 运用材料提供的方法,解答以下问题:(1)①运用上述方法分解因式323x x ++时,猜想出3230x x ++=的一个解为_______(只填写一个即可),则323x x ++可以分解为_______与另一个整式的乘积;②分解因式323x x ++;(2)若1x -与2x +都是多项式32x mx nx p +++的因式,求m n -的值.【答案】(1)①:x=-1;(x+1);②3223=(1)(3)x x x x x +++-+;(2)3【解析】【分析】(1)①计算当x=-1时,方程成立,则323x x ++必有一个因式为(x+1),即可作答; ②根据待定系数法原理先设另一个多项式,然后根据多项式乘多项式的计算即可求得结论;(2))设32=(1)(2)x mx mx p x x M +++-+(其中M 为二次整式),由材料可知,x=1,x=-2是方程320x mx nx p +++=的解,然后列方程组求解即可.【详解】解:(1)①323x x ++,观察知,显然x=-1时,原式=0,则3230x x ++=的一个解为x=-1;原式可分解为(x+1)与另一个整式的积.故答案为:x=-1;(x+1)②设另一个因式为(x 2+ax+b ),(x+1)(x 2+ax+b )=x 3+ax 2+bx+x 2+ax+b=x 3+(a+1)x 2+(a+b )x+b∴a+1=0 ,a=-1, b=3∴多项式的另一因式为x 2-x+3.∴3223=(1)(3)x x x x x +++-+.(2)设32=(1)(2)x mx nx p x x M +++-+(其中M 为二次整式),由材料可知,x=1,x=-2是方程320x mx nx p +++=的解, ∴可得108420m n p m n p +++=⎧⎨-+-+=⎩①②, ∴②-①,得m-n=3∴m n -的值为3.【点睛】本题考查了分解因式,正确理解题意,利用待定系数法和多项式乘多项式的计算法则求解是解题的关键.15.阅读材料:要把多项式am+an+bm+bn 因式分解,可以先把它进行分组再因式分解:am+an+bm+bn=(am +an )+(bm +bn )=a (m +n )+b (m +n )=(a +b )(m +n ),这种因式分解的方法叫做分组分解法.(1)请用上述方法因式分解:x 2-y 2+x-y(2)已知四个实数a 、b 、c 、d 同时满足a 2+ac=12k ,b 2+bc=12k .c 2+ac=24k ,d 2+ad=24k ,且a≠b ,c≠d ,k≠0①求a+b+c 的值;②请用含a 的代数式分别表示b 、c 、d【答案】(1)(x −y )(x +y +1);(2)①0a b c ++=;②3b a =-,2c a =,3d a =-【解析】【分析】(1)将x 2 - y 2分为一组,x-y 分为一组,前一组利用平方差公式化为(x+y)(x-y),再提取公因式即可求解.(2)①已知22a ac b bc +=+=12k ,可得220a b ac bc -+-=,将等号左边参照(1)因式分解,即可求解.②由a 2+ac=12k ,c 2+ac=24k 可得2(a 2+ac)= c 2+ac ,即可得出c=2a ,同理得出3b a =-,3d a =-【详解】(1)x 2-y 2+x-y = (x 2 -y 2)+(x-y)=(x+y)(x-y)+(x-y)=(x-y)(x+y+1)故答案为:(x-y)(x+y+1)(2)①22a ac b bc +=+=12k220a b ac bc -+-=()()0a b a b c -++=∵a b∴0a b c ++=②∵a 2+ac=12k ,c 2+ac=24k2(a 2+ac)= c 2+ac∴2a 2+ac- c 2=0得(2a-c)(a+c)=0∵a 2+ac=12k ≠0即a(a+c)≠0∴c=2a ,a 2=4k∵b 2+bc=12k∴b 2+2ba=3a 2则(a −b )(3a +b )=0∵a ≠b∴3b a =-同理可得d 2+ad=24k ,c 2+ac=24kd 2+ad=c 2+ac(d −c )(a +d +c )=0∵c d ≠∴0a d c ++=∴3d a =-故答案为:0a b c ++=;3b a =-,2c a =,3d a =-【点睛】本题考查了用提取公因式法、运用公式法、分组分解法进行因式分解.四、八年级数学分式解答题压轴题(难)16.某小麦改良品种后平均每公顷增加产量a 吨,原来产m 吨小麦的一块土地,现在小麦的总产量增加了20吨.(1)当a =0.8,m =100时,原来和现在小麦的平均每公顷产量各是多少?(2)请直接接写出原来小麦的平均每公顷产量是 吨,现在小麦的平均每公顷产量是 吨;(用含a 、m 的式于表示)(3)在这块土地上,小麦的改良品种成熟后,甲组收割完需n 小时,乙组比甲组少用0.5小时就能收割完,求两组一起收割完这块麦田需要多少小时?【答案】(1)原来和现在小麦的平均每公顷产量各是4吨,4.8吨;(2)20ma ,+2020ma a ;(3)两组一起收割完这块麦田需要2241n n n --小时. 【解析】【分析】(1)设原来小麦平均每公顷产量是x 吨,根据题意列出分式方程求解并验根即可;(2)设原来小麦平均每公顷产量是y 吨,根据题意列出分式方程求解并验根即可;(3)由题意得知,工作总量为m+20,甲的工作效率为:20m n +,乙的工作效率为:200.5m n +-,再由工作总量除以甲乙的工作效率和即可得出工作时间. 【详解】解:(1)设原来平均每公顷产量是x 吨,则现在平均每公顷产量是(x +0.8)吨, 根据题意可得:100100200.8x x +=+ 解得:x =4,检验:当x =4时,x (x +0.8)≠0,∴原分式方程的解为x =4,∴现在平均每公顷产量是4.8吨,答:原来和现在小麦的平均每公顷产量各是4吨,4.8吨.(2)设原来小麦平均每公顷产量是y 吨,则现在玉米平均每公顷产量是(y +a )吨, 根据题意得:20m m y y a +=+ 解得;y =20ma , 经检验:y =20ma 是原方程的解, 则现在小麦的平均每公顷产量是:202020ma ma a a ++=故答案为:20ma ,2020ma a +; (3)根据题意得:()20.5202202020.5410.5n n m n n m m n n n n -+-==++--+- 答:两组一起收割完这块麦田需要2241n n n --小时. 【点睛】本题考查的知识点主要是根据题意列分式方程并求解,找出题目中的等量关系式是解题的关键.17.符号a b c d 称为二阶行列式,规定它的运算法则为:a b ad bc c d =-,请根据这一法则解答下列问题:(1)计算:211111xx x +-;(2)若2121122x xx -=--,求x 的值.【答案】(1)()()111x x +- (2)5 【解析】【分析】 (1)根据新定义列出代数式,再进行减法计算;(2)根据定义列式后得到关于x 的分式方程,正确求解即可.【详解】(1)原式2111x x x =--+ ()()()()11111x x x x x x -=-+-+-()()111x x =+-; (2)根据题意得:21222x x x--=-- 解之得:5x =经检验:5x =是原分式方程的解。
洪山区2023-2024学年度第一学期期中质量检测m/s本试卷中:声在空气中的速度340v声一、选择题(共16小题,每小题3分,共48分,每小题只有一项符合题意,请将答案在答题卡对应字母上用2B铅笔涂黑。
)1.生活中我们常用“估测”这种方法。
下列是几个同学估测的数值,其中最接近实际的是()A.武汉市年平均气温约为37℃B.升国旗时唱国歌的时间大约为5minC.课桌的高度大约是1.5m D.成年人正常步行的速度约为4km/h2.小华利用分度值为1mm的刻度尺测量一个物体的长度,5次测量的数据分别为2.35cm、2.34mm、2.35cm、2.37cm、3.25cm,则测量结果应记为()A.2.36cm B.2.35cm C.2.357cm D.2.53cm3.左图为联合收割机正将收割的稻谷放入拖拉机中,右图为空中加油机正在给战机加油。
对这两幅图的解释,正确的是()A.以拖拉机为参照物,联合收割机是运动的B.以空中加油机为参照物,战机是静止的C.以地面为参照物,拖拉机、联合收割机、空中加油机都是静止的D.选择的参照物不同,同一物体的运动情况一定不同4.如图所示声波的波形图,下列说法正确的是()A.甲、乙的音调和响度相同B.甲、丙的音调和音色相同C.乙、丁的音调和音色相同D.丙、丁的音色和响度相同5.下列四幅图中,有关声现象的描述正确的是()A.甲图中摩托车的消声器是阻止噪声的传播B.乙图中喇叭发出声音时烛焰晃动,说明声可以传递信息C.丙图的实验器材既可研究音调与频率的关系,又可研究响度与振幅的关系D.丁图中的倒车雷达,利用了次声波进行回声定位6.下列实例中,不能说明声波能传递能量的是()A.超声波清洗钟表的精密零件B.孕妇用“B超”检查身体C.外科医生用超声波击碎病人体内的结石D.利用超声波加工高硬度工件7.噪声已成为影响人们生活、工作的一大公害。
下列图片信息反映的不能减弱噪声的是()A.射击时戴耳罩B.双层隔音玻璃C.禁止鸣笛D.噪声检测器8.“频闪摄影”是研究物体运动时常用的一种实验方法。
2023~2024学年度上学期期中阶段质量检测试题八年级生物2023.11注意事项:1.本试卷分第Ⅰ卷(选择题)和第Ⅱ卷(非选择题)两部分,共8页,满分100分,考试时间60分钟。
答卷前,考生务必用0.5毫米黑色签字笔将自己的姓名、准考证号、座号填写在答题卡规定的位置。
考试结束后,将本试卷和答题卡一并交回。
2.答题注意事项见答题卡,答在本试卷上不得分。
第Ⅰ卷(共50分)第Ⅰ卷为选择题,共25道题,每题2分,共50分。
在每题所列出的四个选项中,只有一项是最符合题目要求的。
请将选出的答案用2B铅笔涂到答题卡相应位置。
1.桃花水母又称桃花鱼,是一种最原始、最低等的无脊椎腔肠动物,距今已有6.5亿年,出现时间比恐龙早几亿年。
桃花水母对生存环境有极高的要求,水质不能有任何污染,活体罕见,极难制成标本,被列为世界最高级别的“极危生物”。
下列有关桃花水母的叙述错误的是()A.用刺细胞进行攻击和防御B.身体由内胚层和外胚层两层细胞组成C.身体呈辐射对称D.食物从口摄入,从肛门排出残渣2.在蒙山一条小溪的石块下面,人们发现了一种小动物,它们身体像柳叶,背腹扁平,背面呈褐色,三角形的前端背面有两个黑色眼点。
下列关于这种动物的叙述,错误的是()A.眼点能够感光B.可以通过管状的咽捕食水中的小动物C.属于线形动物,有口无肛门D.身体呈两侧对称,前端感觉器官集中3.建国初,蛔虫病曾在我国大面积肆虐,是由于蛔虫寄生在人体小肠内所引起的,表现出面部白斑、腹痛、生长迟缓等症状,严重时可导致肠梗阻、肠穿孔等,给人民健康造成了巨大伤害。
下列关于蛔虫及蛔虫病说法错误的是()A.体表有角质层,具有保护作用B.消化管结构简单,肠仅由一层细胞组成C.生殖器官和运动器官都很发达D.注意个人饮食卫生,有利于预防蛔虫病4.单环刺缢,俗称海肠,其身体呈长圆筒形,腹部有刚毛,末端有横裂形的肛门。
根据这些特征你认为海肠最可能属于()A.腔肠动物B.线形动物C.环节动物D.软体动物5.在中医学上,蚯蚓被称为地龙。
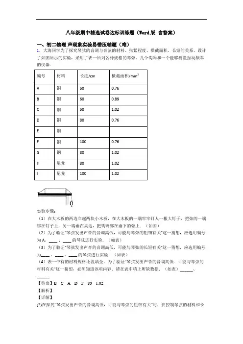
八年级物理期中精选试卷试卷(word版含答案)一、初二物理声现象实验易错压轴题(难)1.大海同学为了探究琴弦的音调与音弦的材料、张紧程度、横截面积、长短的关系,设计了如图所示的实验,采用了表一所列各种规格的琴弦、几个钩码和一个能够测量振动频率的仪器.编号材料长度/cm 横截面积/mm2A 铜60 0.76B 铜60 0.89C 铜60 1.02D 铜80 0.76E 铜F 铜100 0.76G 钢80 1.02H 尼龙80 1.02I 尼龙100 1.02实验步骤:(1)在大木板的两边立起两块小木板,在大木板的一端牢牢钉人一根大钉子,把弦的一端绑在钉子上,另一端垂在桌边,把钩码绑在垂下的弦上.(如图)(2)为了验证“琴弦发出声音的音调高低,可能与琴弦的粗细有关”这一猜想,应选用编号为A、____ 、____ 的琴弦进行实验.(如表)(3)为了验证“琴弦发出声音的音调高低,可能与琴弦的长短有关”这一猜想,应选用编号为____ 、____ 、____ 的琴弦进行实验.(如表)(4)表一中有的材料规格还没填全,为了验证“琴弦发出声音的音调高低.可能与琴弦的材料有关”这一猜想,必须知道该项内容.请在表中填上所缺数据.(如表)______、______【答案】B C A D F80 1.02【解析】【详解】(2)在探究“琴弦发出声音的音调高低,可能与琴弦的粗细有关”时,要控制琴弦的材料和长度相同,故选A. B. C的琴弦进行实验;(3)探究“琴弦发出声音的音调高低,可能与琴弦的长短有关”时,应控制琴弦的材料和横截面积相同,所以选A. D. F的琴弦进行实验;(4)为了验证“琴弦发出声音的音调高低。
可能与琴弦的材料有关”时,应控制琴弦的长度和横截面积相同,材料不同,符合条件的只有G、H,所以D项中应是:80;1.02.2.(1)把正在发声的手机放在玻璃罩内(如图甲所示),逐渐抽出其中的空气听到的声音越来越小,最后几乎听不到铃声,这说明______.(2)图乙是探究“”的实验装置图,把平面镜放在水平桌面上,再把一张可以沿ON 向前或向后折的纸板竖直地立在平面镜上,纸板上的ON垂直于镜面。
八年级上册银川数学期中精选试卷检测题(Word版含答案)一、八年级数学全等三角形解答题压轴题(难)1.(1)已知△ABC是等腰三角形,其底边是BC,点D在线段AB上,E是直线BC上一点,且∠DEC=∠DCE,若∠A等于60°(如图①).求证:EB=AD;(2)若将(1)中的“点D在线段AB上”改为“点D在线段AB的延长线上”,其他条件不变(如图②),(1)的结论是否成立,并说明理由.【答案】(1)证明见解析(2)证明见解析【解析】试题分析:(1)作DF∥BC交AC于F,由平行线的性质得出∠ADF=∠ABC,∠AFD=∠ACB,∠FDC=∠DCE,证明△ABC是等边三角形,得出∠ABC=∠ACB=60°,证出△ADF是等边三角形,∠DFC=120°,得出AD=DF,由已知条件得出∠FDC=∠DEC,ED=CD,由AAS证明△DBE≌△CFD,得出EB=DF,即可得出结论;(2)作DF∥BC交AC的延长线于F,同(1)证出△DBE≌△CFD,得出EB=DF,即可得出结论.试题解析:(1)证明:如图,作DF∥BC交AC于F,则△ADF为等边三角形∴AD=DF,又∵∠DEC=∠DCB,∠DEC+∠EDB=60°,∠DCB+∠DCF=60°,∴∠EDB=∠DCA ,DE=CD,在△DEB和△CDF中,120EBD DFCEDB DCFDE CD,,∠=∠=︒⎧⎪∠=∠⎨⎪=⎩∴△DEB≌△CDF,∴BD=DF,∴BE=AD .(2).EB=AD成立;理由如下:作DF ∥BC 交AC 的延长线于F ,如图所示:同(1)得:AD=DF ,∠FDC=∠ECD ,∠FDC=∠DEC ,ED=CD ,又∵∠DBE=∠DFC=60°,∴△DBE ≌△CFD (AAS ),∴EB=DF ,∴EB=AD.点睛:此题主要考查了三角形的综合,考查等边三角形的判定与性质,全等三角形的判定与性质,等腰三角形的判定与性质,等腰直角三角形的判定与性质,平行线的性质等知识,综合性强,有一定的难度,证明三角形全等是解决问题的关键.2.如图,在ABC ∆中,90C ∠=︒,4cm AC BC ==,点D 是斜边AB 的中点.点E 从点B 出发以1cm/s 的速度向点C 运动,点F 同时从点C 出发以一定的速度沿射线CA 方向运动,规定当点E 到终点C 时停止运动.设运动的时间为x 秒,连接DE 、DF .(1)填空:ABC S ∆=______2cm ;(2)当1x =且点F 运动的速度也是1cm/s 时,求证:DE DF =;(3)若动点F 以3cm /s 的速度沿射线CA 方向运动,在点E 、点F 运动过程中,如果存在某个时间x ,使得ADF ∆的面积是BDE ∆面积的两倍,请你求出时间x 的值.【答案】(1)8;(2)见解析;(3)45或4. 【解析】【分析】(1)直接可求△ABC 的面积;(2)连接CD ,根据等腰直角三角形的性质可求:∠A=∠B=∠ACD=∠DCB=45°,即BD=CD,且BE=CF ,即可证△CDF ≌△BDE ,可得DE=DF ;(3)分△ADF 的面积是△BDE 的面积的两倍和△BDE 与△ADF 的面积的2倍两种情况讨论,根据题意列出方程可求x 的值.【详解】解:(1)∵S △ABC =12⨯AC×BC ∴S △ABC =12×4×4=8(cm 2) 故答案为:8(2)如图:连接CD∵AC=BC ,D 是AB 中点∴CD 平分∠ACB又∵∠ACB=90°∴∠A=∠B=∠ACD=∠DCB=45°∴CD=BD依题意得:BE=CF∴在△CDF 与△BDE 中BE CF B DCA BD CD =⎧⎪∠=∠⎨⎪=⎩∴△CDF ≌△BDE (SAS )∴DE=DF(3)如图:过点D 作DM ⊥BC 于点M ,DN ⊥AC 于点N ,∵AD=BD ,∠A=∠B=45°,∠AND=∠DMB=90°∴△ADN ≌△BDM (AAS )∴DN=DM当S △ADF =2S △BDE .∴12×AF×DN=2×12×BE×DM ∴|4-3x|=2x ∴x 1=4,x 2=45综上所述:x=45或4 【点睛】 本题考查了动点问题的函数图象,全等三角形的性质和判定,利用分类思想解决问题是本题的关键.3.如图,在ABC ∆中,5BC = ,高AD 、BE 相交于点O , 23BD CD =,且AE BE = . (1)求线段 AO 的长;(2)动点 P 从点 O 出发,沿线段 OA 以每秒 1 个单位长度的速度向终点 A 运动,动点 Q 从 点 B 出发沿射线BC 以每秒 4 个单位长度的速度运动,,P Q 两点同时出发,当点 P 到达 A 点时,,P Q 两点同时停止运动.设点 P 的运动时间为 t 秒,POQ ∆的面积为 S ,请用含t 的式子表示 S ,并直接写出相应的 t 的取值范围;(3)在(2)的条件下,点 F 是直线AC 上的一点且 CF BO =.是否存在t 值,使以点 ,,B O P 为顶 点的三角形与以点 ,,F C Q 为顶点的三角形全等?若存在,请直接写出符合条件的 t 值; 若不存在,请说明理由.【答案】(1)5;(2)①当点Q 在线段BD 上时,24QD t =-,t 的取值范围是102t <<;②当点Q 在射线DC 上时,42QD t =-,,t 的取值范围是152t <≤;(3)存在,1t =或53. 【解析】【分析】(1)只要证明△AOE ≌△BCE 即可解决问题;(2)分两种情形讨论求解即可①当点Q 在线段BD 上时,QD=2-4t ,②当点Q 在射线DC 上时,DQ=4t-2时;(3)分两种情形求解即可①如图2中,当OP=CQ 时,BOP ≌△FCQ .②如图3中,当OP=CQ 时,△BOP ≌△FCQ ;【详解】解:(1)∵AD 是高,∴90ADC ∠=∵BE 是高,∴90AEB BEC ∠=∠=∴90EAO ACD ∠+∠=,90EBC ECB ∠+∠=,∴EAO EBC ∠=∠在AOE ∆和BCE ∆中,EAO EBC AE BEAEO BEC ∠=∠⎧⎪=⎨⎪∠=∠⎩∴AOE ∆≌BCE ∆∴5AO BC ==;(2)∵23BD CD =,=5BC ∴=2BD ,=3CD ,根据题意,OP t =,4BQ t =,①当点Q 在线段BD 上时,24QD t =-,∴21(24)22S t t t t =-=-+,t 的取值范围是102t <<. ②当点Q 在射线DC 上时,42QD t =-, ∴21(42)22S t t t t =-=-,t 的取值范围是152t <≤ (3)存在.①如图2中,当OP=CQ 时,∵OB=CF ,∠POB=∠FCQ ,∴△BOP ≌△FCQ .∴CQ=OP ,∴5-4t ═t ,解得t=1,②如图3中,当OP=CQ 时,∵OB=CF ,∠POB=∠FCQ ,∴△BOP ≌△FCQ .∴CQ=OP,∴4t-5=t,解得t=53.综上所述,t=1或53s时,△BOP与△FCQ全等.【点睛】本题考查三角形综合题、全等三角形的判定和性质、三角形的面积等知识,解题的关键是灵活运用所学知识解决问题,属于中考常考题型.4.(1)如图(1),已知:在△ABC中,∠BAC=90°,AB=AC,直线m经过点A,BD⊥直线m,CE⊥直线m,垂足分别为点D、E.求证:DE=BD+CE.(2)如图(2),将(1)中的条件改为:在△ABC中,AB=AC,D、A、E三点都在直线m 上,并且有∠BDA=∠AEC=∠BAC=α,其中α为任意锐角或钝角.请问结论DE=BD+CE是否成立?如成立,请你给出证明;若不成立,请说明理由.(3)如图(3),D、E是D、A、E三点所在直线m上的两动点(D、A、E三点互不重合),点F为∠BAC平分线上的一点,且△ABF和△ACF均为等边三角形,连接BD、CE,若∠BDA=∠AEC=∠BAC,求证:△DEF是等边三角形.【答案】(1)见解析;(2)成立,理由见解析;(3)见解析【解析】【分析】(1)因为DE=DA+AE ,故通过证BDA AEC ≅△△,得出DA=EC ,AE=BD ,从而证得DE=BD+CE.(2)成立,仍然通过证明BDA AEC ≅△△,得出BD=AE ,AD=CE ,所以DE=DA+AE=EC+BD.(3)由BDA AEC ≅△△得BD=AE ,=BDA AEC ∠∠,ABF 与ACF 均等边三角形,得==60BA AC ︒∠F ∠F ,FB=FA ,所以=BA BA AC AC ∠F +∠D ∠F +∠E ,即FBD FAB ≅∠∠,所以BDF AEF ≅△△,所以FD=FE ,BFD AFE ≅∠∠,再根据=60BFD FA BFA =︒∠+∠D ∠,得=60AF FA =︒∠E +∠D ,即=60FE =︒∠D ,故DFE △是等边三角形.【详解】证明:(1)∵BD ⊥直线m ,CE ⊥直线m∴∠BDA =∠CEA=90°,∵∠BAC =90°∴∠BAD+∠CAE=90°,∵∠BAD+∠ABD=90°∴∠CAE=∠ABD ,又AB=AC ,∴△ADB ≌△CEA∴AE=BD ,AD=CE ,∴DE=AE+AD= BD+CE(2)∵∠BDA =∠BAC=α,∴∠DBA+∠BAD=∠BAD +∠CAE=180°—α∴∠DBA=∠CAE ,∵∠BDA=∠AE C=α,AB=AC∴△ADB≌△CEA,∴AE=BD,AD=CE∴DE=AE+AD=BD+CE(3)由(2)知,△ADB≌△CEA, BD=AE,∠DBA =∠CAE∵△ABF和△ACF均为等边三角形,∴∠ABF=∠CAF=60°∴∠DBA+∠ABF=∠CAE+∠CAF,∴∠DBF=∠FAE∵BF=AF,∴△DBF≌△EAF∴DF=EF,∠BFD=∠AFE∴∠DFE=∠DFA+∠AFE=∠DFA+∠BFD=60°∴△DEF为等边三角形.【点睛】利用全等三角形的性质证线段相等是证两条线段相等的重要方法.5.已知点P是线段MN上一动点,分别以PM,PN为一边,在MN的同侧作△APM,△BPN,并连接BM,AN.(Ⅰ)如图1,当PM=AP,PN=BP且∠APM=∠BPN=90°时,试猜想BM,AN之间的数量关系与位置关系,并证明你的猜想;(Ⅱ)如图2,当△APM,△BPN都是等边三角形时,(Ⅰ)中BM,AN之间的数量关系是否仍然成立?若成立,请证明你的结论;若不成立,试说明理由.(Ⅲ)在(Ⅱ)的条件下,连接AB得到图3,当PN=2PM时,求∠PAB度数.【答案】(1)BM=AN,BM⊥AN.(2)结论成立.(3)90°.【解析】【分析】(1)根据已知条件可证△MBP≌△ANP,得出MB=AN,∠PAN=∠PMB,再延长MB交∠=︒,因此有BM⊥AN;AN于点C,得出MCN90(2)根据所给条件可证△MPB≌△APN,得出结论BM=AN;(3)取PB的中点C,连接AC,AB,通过已知条件推出△APC为等边三角形,∠PAC=∠PCA=60°,再由CA=CB,进一步得出∠PAB的度数.【详解】解:(Ⅰ)结论:BM=AN,BM⊥AN.理由:如图1中,∵MP=AP,∠APM=∠BPN=90°,PB=PN,∴△MBP≌△ANP(SAS),∴MB=AN.延长MB交AN于点C.∵△MBP≌△ANP,∴∠PAN=∠PMB,∵∠PAN+∠PNA=90°,∴∠PMB+∠PNA=90°,∴∠MCN=180°﹣∠PMB﹣∠PNA=90°,∴BM⊥AN.(Ⅱ)结论成立理由:如图2中,∵△APM,△BPN,都是等边三角形∴∠APM=∠BPN=60°∴∠MPB=∠APN=120°,又∵PM =PA ,PB =PN ,∴△MPB ≌△APN (SAS )∴MB =AN .(Ⅲ)如图3中,取PB 的中点C ,连接AC ,AB .∵△APM ,△PBN 都是等边三角形∴∠APM =∠BPN =60°,PB =PN∵点C 是PB 的中点,且PN =2PM ,∴2PC =2PA =2PM =PB =PN ,∵∠APC =60°,∴△APC 为等边三角形,∴∠PAC =∠PCA =60°,又∵CA =CB ,∴∠CAB =∠ABC =30°,∴∠PAB =∠PAC +∠CAB =90°.【点睛】本题是一道关于全等三角形的综合性题目,充分考查了学生对全等三角形的判定定理及其性质的应用的能力,此类题目常常需要数形结合,借助辅助线才得以解决,因此,作出合理正确的辅助线是解题的关键.二、八年级数学 轴对称解答题压轴题(难)6.在梯形ABCD 中,//AD BC ,90B ∠=︒,45C ∠=︒,8AB =,14BC =,点E 、F 分别在边AB 、CD 上,//EF AD ,点P 与AD 在直线EF 的两侧,90EPF ∠=︒,PE PF =,射线EP 、FP 与边BC 分别相交于点M 、N ,设AE x =,MN y =.(1)求边AD 的长;(2)如图,当点P 在梯形ABCD 内部时,求关于x 的函数解析式,并写出定义域; (3)如果MN 的长为2,求梯形AEFD 的面积.【答案】(1)6;(2)y=-3x+10(1≤x<103);(2)1769或32【解析】【分析】(1)如下图,利用等腰直角三角形DHC可得到HC的长度,从而得出HB的长,进而得出AD的长;(2)如下图,利用等腰直角三角形的性质,可得PQ、PR的长,然后利用EB=PQ+PR得去x、y的函数关系,最后根据图形特点得出取值范围;(3)存在2种情况,一种是点P在梯形内,一种是在梯形外,分别根y的值求出x的值,然后根据梯形面积求解即可.【详解】(1)如下图,过点D作BC的垂线,交BC于点H∵∠C=45°,DH⊥BC∴△DHC是等腰直角三角形∵四边形ABCD是梯形,∠B=90°∴四边形ABHD是矩形,∴DH=AB=8∴HC=8∴BH=BC-HC=6∴AD=6(2)如下图,过点P作EF的垂线,交EF于点Q,反向延长交BC于点R,DH与EF交于点G∵EF∥AD,∴EF∥BC∴∠EFP=∠C=45°∵EP ⊥PF∴△EPF 是等腰直角三角形同理,还可得△NPM 和△DGF 也是等腰直角三角形∵AE=x∴DG=x=GF,∴EF=AD+GF=6+x∵PQ ⊥EF,∴PQ=QE=QF∴PQ=()162x + 同理,PR=12y ∵AB=8,∴EB=8-x∵EB=QR∴8-x=()11622x y ++ 化简得:y=-3x+10 ∵y >0,∴x <103当点N 与点B 重合时,x 可取得最小值则BC=NM+MC=NM+EF=-3x+10+614x +=,解得x=1∴1≤x <103(3)情况一:点P 在梯形ABCD 内,即(2)中的图形 ∵MN=2,即y=2,代入(2)中的关系式可得:x=83=AE ∴188176662339ABCD S ⎛⎫=⨯++⨯= ⎪⎝⎭梯形 情况二:点P 在梯形ABCD 外,图形如下:与(2)相同,可得y=3x -10则当y=2时,x=4,即AE=4∴()16644322ABCD S =⨯++⨯=梯形 【点睛】本题考查了等腰直角三角形、矩形的性质,难点在于第(2)问中确定x 的取值范围,需要一定的空间想象能力.7.如图,在△ABC 中,AB=BC=AC=20 cm .动点P ,Q 分别从A ,B 两点同时出发,沿三角形的边匀速运动.已知点P ,点Q 的速度都是2 cm/s ,当点P 第一次到达B 点时,P ,Q 两点同时停止运动.设点P 的运动时间为t (s ).(1)∠A=______度;(2)当0<t <10,且△APQ 为直角三角形时,求t 的值;(3)当△APQ 为等边三角形时,直接写出t 的值.【答案】(1)60;(2)103或203;(3)5或20 【解析】【分析】(1)根据等边三角形的性质即可解答;(2)需分∠APQ=90°和∠AQP=90°两种情况进行解答;(3)需分以下两种情况进行解答:①由∠A=60°,则当AQ=AP 时,△APQ 为等边三角形;②当P 于B 重合,Q 与C 重合时,△APQ 为等边三角形.【详解】解:(1)60°.(2)∵∠A=60°,当∠APQ=90°时,∠AQP=90°-60°=30°.∴QA=2PA .即2022 2.t t -=⨯解得 10.3t = 当∠AQP=90°时,∠APQ=90°-60°=30°.∴PA=2QA .即2(202)2.t t -=解得 20.3t = ∴当0<t <10,且△APQ 为直角三角形时,t 的值为102033或. (3)①由题意得:AP=2t ,AQ=20-2t∵∠A=60°∴当AQ=AP 时,△APQ 为等边三角形∴2t=20-2t ,解得t=5②当P 于B 重合,Q 与C 重合,则所用时间为:4÷2=20综上,当△APQ 为等边三角形时,t=5或20.【点睛】本题考查了等边三角形和直角三角形的判定以及动点问题,解答的关键在于正确的分类讨论以及对所学知识的灵活应用.8.如图,ABC 中,A ABC CB =∠∠,点D 在BC 所在的直线上,点E 在射线AC 上,且AD AE =,连接DE .(1)如图①,若35B C ∠=∠=︒,80BAD ∠=︒,求CDE ∠的度数;(2)如图②,若75ABC ACB ∠=∠=︒,18CDE ∠=︒,求BAD ∠的度数;(3)当点D 在直线BC 上(不与点B 、C 重合)运动时,试探究BAD ∠与CDE ∠的数量关系,并说明理由.【答案】(1)40°;(2)36°;(3)∠BAD与∠CDE的数量关系是2∠CDE=∠BAD.【解析】【分析】(1)根据等腰三角形的性质得到∠BAC=110°,根据等腰三角形的性质和三角形的外角的性质即可得到结论;(2)根据三角形的外角的性质得到∠E=75°-18°=57°,根据等腰三角形的性质和三角形的外角的性质即可得到结论;(3)设∠ABC=∠ACB=y°,∠ADE=∠AED=x°,∠CDE=α,∠BAD=β,分3种情况:①如图1,当点D在点B的左侧时,∠ADC=x°-α,②如图2,当点D在线段BC上时,∠ADC=y°+α,③如图3,当点D在点C右侧时,∠ADC=y°-α,根据这3种情况分别列方程组即,解方程组即可得到结论.【详解】(1)∵∠B=∠C=35°,∴∠BAC=110°,∵∠BAD=80°,∴∠DAE=30°,∵AD=AE,∴∠ADE=∠AED=75°,∴∠CDE=∠AED-∠C=75°−35°=40°;(2)∵∠ACB=75°,∠CDE=18°,∴∠E=75°−18°=57°,∴∠ADE=∠AED=57°,∴∠ADC=39°,∵∠ABC=∠ADB+∠DAB=75°,∴∠BAD=36°.(3)设∠ABC=∠ACB=y°,∠ADE=∠AED=x°,∠CDE=α,∠BAD=β①如图1,当点D在点B的左侧时,∠ADC=x°﹣α∴y x ay x aβ⎧=+⎨=-+⎩①②,①-②得,2α﹣β=0,∴2α=β;②如图2,当点D在线段BC上时,∠ADC=y°+α∴y x ay a xβ⎧=+⎨+=+⎩①②,②-①得,α=β﹣α,∴2α=β;③如图3,当点D在点C右侧时,∠ADC=y°﹣α∴180180y a xx y aβ︒︒⎧-++=⎨++=⎩①②,②-①得,2α﹣β=0,∴2α=β.综上所述,∠BAD 与∠CDE 的数量关系是2∠CDE=∠BAD .【点睛】考核知识点:等腰三角形性质综合运用.熟练运用等腰三角形性质和三角形外角性质,分类讨论分析问题是关键.9.如图,已知DCE ∠与AOB ∠,OC 平分AOB ∠.(1)如图1,DCE ∠与AOB ∠的两边分别相交于点 D 、E ,90AOB DCE ∠=∠=︒,试判断线段CD 与CE 的数量关系,并说明理由.以下是小宇同学给出如下正确的解法:解:CD CE =.理由如下:如图1,过点 C 作 C F OC ⊥,交 O B 于点 F ,则90OCF ∠=︒,…请根据小宇同学的证明思路,写出该证明的剩余部分.(2)你有与小宇不同的思考方法吗?请写出你的证明过程.(3)若120AOB ∠=︒,60DCE ∠=︒.①如图3,DCE ∠与AOB ∠的两边分别相交于点 D 、E 时,(1)中的结论成立吗?为什么?线段 O D 、OE 、OC 有什么数量关系?说明理由.②如图4,DCE ∠的一边与 AO 的延长线相交时,请回答(1)中的结论是否成立,并请直接写出线段 O D 、OE 、OC 有什么数量关系;如图5,DCE ∠的一边与 BO 的延长线相交时,请回答(1)中的结论是否成立,并请直接写出线段 O D 、OE 、OC 有什么数量关系.【答案】(1)见解析;(2)证明见解析;(3)①成立,理由见解析;②在图4中,(1)中的结论成立,OE OD OC-=.在图5中,(1)中的结论成立,OD OE OC-=【解析】【分析】(1)通过ASA证明CDO CEF∆∆≌即可得到CD=CE;(2)过点C作CM OA⊥,CN OB⊥,垂足分别为M,N,通过AAS证明CMD CNE∆∆≌同样可得到CD=CE;(3)①方法一:过点C作C M OA⊥,CN OB⊥垂足分别为M,N,通过AAS得到CMD CNE∆∆≌,进而得到,CD CE DM EN==,利用等量代换得到=OE OD ON OM++,在Rt CMO∆中,利用30°角所对的边是斜边的一半得12OM OC=,同理得到12ON OC=,所以OE OD OC+=;方法二:以CO为一边作60FCO∠=︒,交O B于点F,通过ASA证明CDO CEF∆∆≌,得到,CD CE OD EF==,所以OE OD OE EF OF OC+=+==;②图4:以OC为一边,作∠OCF=60°与OB交于F点,利用ASA证得△COD≌△CFE,即有CD=CE,OD=EF得到OE=OF+EF=OC+OD;图5:以OC为一边,作∠OCG=60°与OA交于G点,利用ASA证得△CGD≌△COE,即有CD=CE,OD=EF,得到OE=OF+EF=OC+OD.【详解】解:(1)OC平分AOB∠,145∠=∠2=︒∴,390245,123︒︒∴∠=-∠=∴∠=∠=∠OC FC∴=又456590︒∠+∠=∠+∠=在CDO∆与CEF∆中,1346OC FC∠=∠⎧⎪=⎨⎪∠=∠⎩()CDO CEF ASA∴∆∆≌CD CE∴=(2)如图2,过点 C 作CM OA ⊥,CN OB ⊥,垂足分别为 M ,N , ∴90CMD CNE ∠=∠=︒,又∵OC 平分AOB ∠,∴CM CN =,在四边形 O DCE 中,12360AOB DCE ∠+∠+∠+∠=︒,又∵90AOB DCE ∠=∠=︒,∴12180∠+∠=︒,又∵13180∠+∠=︒,∴32∠=∠,在CMD ∆与CNE ∆中,32CMD CNE CM CN ∠=∠⎧⎪∠=∠⎨⎪=⎩∴()CMD CNE AAS ∆∆≌,∴CD CE=.(3)①(1)中的结论仍成立.OE OD OC +=.理由如下:方法一:如图3(1),过点 C 作 C M OA ⊥,CN OB ⊥,垂足分别为 M ,N ,∴90CMD CNE ∠=∠=︒,又∵OC 平分AOB ∠,∴CM CN =,在四边形ODCE 中,12360AOB DCE ∠+∠+∠+∠=︒,又∵60120180AOB DCE ∠+∠=︒+︒=︒,∴12180∠+∠=︒,又∵23180∠+∠=︒,∴13∠=∠,在CMD ∆与CNE ∆中,13CMD CNE CM CN ∠=∠⎧⎪∠=∠⎨⎪=⎩,∴()CMD CNE AAS ∆∆≌,∴,CD CE DM EN ==.∴OE OD OE OM DM OE OM EN ON OM +=++=++=+. 在 Rt CMO ∆中,1490590302AOB ∠=︒-∠=︒-∠=︒, ∴12OM OC =,同理1 2ON OC =, ∴1122OE OD OC OC OC +=+=. 方法二:如图3(2),以CO 为一边作60FCO ∠=︒,交 O B 于点 F , ∵OC 平分AOB ∠,∴1260∠=∠=︒,∴3180260FCO ∠=︒-∠-∠=︒,∴13∠=∠,32FCO ∠=∠=∠,∴COF ∆是等边三角形,∴CO CF =,∵4560DCE ∠=∠+∠=︒,6560FCO∠=∠+∠=︒,∴46∠=∠,在CDO∆与CEF∆中,1346CO CF∠=∠⎧⎪=⎨⎪∠=∠⎩∴()CDO CEF ASA∆∆≌,∴,CD CE OD EF==.∴OE OD OE EF OF OC+=+==.②在图4中,(1)中的结论成立,OE OD OC-=.如图,以OC为一边,作∠OCF=60°与OB交于F点∵∠AOB=120°,OC为∠AOB的角平分线∴∠COB=∠COA=60°又∵∠OCF=60°∴△COF为等边三角形∴OC=OF∵∠COF=∠OCD+∠DCF=60°,∠DCE=∠DCF+∠FCB=60°∴∠OCD=∠FCB又∵∠COD=180°-∠COA=180°-60°=120°∠CFE=180°-∠CFO=180°-60°=120°∴∠COD=∠CFE∴△COD≌△CFE(ASA)∴CD=CE,OD=EF∴OE=OF+EF=OC+OD即OE-OD=OC-=.在图5中,(1)中的结论成立,OD OE OC如图,以OC为一边,作∠OCG=60°与OA交于G点∵∠AOB=120°,OC为∠AOB的角平分线∴∠COB=∠COA=60°又∵∠OCG=60°∴△COG为等边三角形∴OC=OG∵∠COG=∠OCE+∠ECG=60°,∠DCE=∠DCG+∠GCE=60°∴∠DCG=∠OCE又∵∠COE=180°-∠COB=180°-60°=120°∠CGD=180°-∠CGO=180°-60°=120°∴∠CGD=∠COE∴△CGD≌△COE(ASA)∴CD=CE,OE=DG∴OD=OG+DG=OC+OE即OD-OE=OC【点睛】本题主要考查全等三角形的综合应用,有一定难度,解题关键在于能够做出辅助线证全等.10.如图,在等边三角形ABC右侧作射线CP,∠ACP=α(0°<α<60°),点A关于射线CP 的对称点为点D,BD交CP于点E,连接AD,AE.(1)求∠DBC的大小(用含α的代数式表示);(2)在α(0°<α<60°)的变化过程中,∠AEB的大小是否发生变化?如果发生变化,请直接写出变化的范围;如果不发生变化,请直接写出∠AEB的大小;(3)用等式表示线段AE,BD,CE之间的数量关系,并证明.【答案】(1)∠DBC60α=︒-;(2)∠AEB的大小不会发生变化,且∠AEB=60°;(3)BD=2AE+CE,证明见解析.【解析】【分析】(1)如图1,连接CD,由轴对称的性质可得AC=DC,∠DCP=∠ACP=α,由△ABC是等边三角形可得AC=BC,∠ACB=60°,进一步即得∠BCD=602α︒+,BC=DC,然后利用三角形的内角和定理即可求出结果;(2)设AC、BD相交于点H,如图2,由轴对称的性质可证明△ACE≌△DCE,可得∠CAE=∠CDE,进而得∠DBC=∠CAE,然后根据三角形的内角和可得∠AEB=∠BCA,即可作出判断;(3)如图3,在BD上取一点M,使得CM=CE,先利用三角形的外角性质得出∠BEC60=︒,进而得△CME是等边三角形,可得∠MCE=60°,ME=CE,然后利用角的和差关系可得∠BCM=∠DCE,再根据SAS证明△BCM≌△DCE,于是BM=DE,进一步即可得出线段AE,BD,CE之间的数量关系.【详解】解:(1)如图1,连接CD,∵点A关于射线CP的对称点为点D,∴AC=DC,∠DCP=∠ACP=α,∵△ABC是等边三角形,∴AC=BC,∠ACB=60°,∴∠BCD=602α︒+,BC=DC,∴∠DBC=∠BDC()1806021806022BCDαα︒-︒+︒-∠===︒-;(2)∠AEB 的大小不会发生变化,且∠AEB =60°.理由:设AC 、BD 相交于点H ,如图2,∵点A 关于射线CP 的对称点为点D ,∴AC=DC ,AE=DE ,又∵CE=CE ,∴△ACE ≌△DCE (SSS ),∴∠CAE =∠CDE ,∵∠DBC =∠BDC ,∴∠DBC =∠CAE ,又∵∠BHC =∠AHE ,∴∠AEB =∠BCA =60°,即∠AEB 的大小不会发生变化,且∠AEB =60°;(3)AE ,BD ,CE 之间的数量关系是:BD =2AE +CE .证明:如图3,在BD 上取一点M ,使得CM=CE ,∵∠BEC =∠BDC +∠DCE =6060αα︒-+=︒,∴△CME 是等边三角形,∴∠MCE =60°,ME=CE ,∴60260BCM BCD MCE DCE ααα∠=∠-∠-∠=︒+-︒-=,∴∠BCM =∠DCE ,又∵BC=DC ,CM=CE ,∴△BCM ≌△DCE (SAS ),∴BM=DE ,∵AE=DE ,∴BD=BM+ME+DE =2DE+ME =2AE+CE .【点睛】本题考查了等边三角形的判定和性质、全等三角形的判定和性质、三角形的内角和定理和轴对称的性质等知识,熟练掌握并运用上述知识解题的关键.三、八年级数学整式的乘法与因式分解解答题压轴题(难)11.先阅读下列材料:我们已经学过将一个多项式分解因式的方法有提公因式法和运用公式法,其实分解因式的方法还有分组分解法、十字相乘法等等,其中十字相乘法在高中应用较多.十字相乘法:先分解二次项系数,分别写在十字交叉线的左上角和左下角;再分解常数项,分别写在十字交叉线的右上角和右下角;然后交叉相乘,求代数和,使其等于一次项系数(如图),如:将式子232x x ++和223x x +-分解因式,如图:()()23212x x x x ++=++;()()223123x x x x +-=-+.请你仿照以上方法,探索解决下列问题:(1)分解因式:2712y y ;(2)分解因式:2321x x --.【答案】(1)(x ﹣3)(x ﹣4);(2)(x ﹣1)(3x+1).【解析】【分析】(1)将1分成1乘以1,12分成-3乘以-4,交叉相乘的结果为-7,即可得到答案;(2)将3分成1乘以3,-1分成-1乘以1,由此得到分解因式的结果.【详解】(1)y 2﹣7y+12=(x ﹣3)(x ﹣4);(2)3x 2﹣2x ﹣1=(x ﹣1)(3x+1).【点睛】此题考查十字相乘法分解因式,将二次项系数及常数项分解成两个因数相乘,交叉相乘的结果相加得到一次项的系数,能准确分解因数是解题的关键.12.(1)阅读下列文字与例题:将一个多项式分组后,可提公因式或运用公式继续分解的方法是分组分解法例如:()()()()()()am an bm bn am bm an bn m a b n a b a b m n +++=+++=+++=++.22222221(21)(1)(1)(1)x y y x y y x y x y x y ---=-++=-+=++--.试用上述方法分解因式222a ab ac bc b ++++=(2)利用分解因式说明:22(5)(1)n n +--能被12整除.【答案】(1)()()a b a b c +++;(2)证明见解析.【解析】【分析】(1)a 2+2ab+ac+bc+b 2可以进行分组变成(a 2+2ab+b 2)+(ac+bc ),则前边括号内的三项可以利用完全平方公式分解,后边的三项可以提公因式,然后再利用提公因式法即可分解.(2)先利用平方差公式将22(5)(1)n n +--进行因式分解,之后即可得出答案.【详解】(1)原式=()()222a ab bac bc ++++=()()2a b c a b +++=()()a b a b c +++(2)22(5)(1)n n +--=[][](5)+(1)(5)(1)n n n n +-+--=()624n +=()122n +∴ 22(5)(1)n n +--能被12整除.【点睛】本题考查分组分解的因式分解方法,做题时先分析题中给的例子是解题关键.13.观察以下等式:(x+1)(x 2-x+1)=x 3+1(x+3)(x 2-3x+9)=x 3+27(x+6)(x 2-6x+36)=x 3+216...... ......(1)按以上等式的规律,填空:(a+b )(___________________)=a 3+b 3(2)利用多项式的乘法法则,证明(1)中的等式成立.(3)利用(1)中的公式化简:(x+y )(x 2-xy+y 2)-(x-y )(x 2+xy+y 2)【答案】(1)a 2-ab+b 2;(2)详见解析;(3)2y 3.【解析】【分析】(1)根据所给等式可直接得到答案(a+b )(a 2-ab+b 2)=a 3+b 3;(2)利用多项式与多项式相乘的法则:多项式与多项式相乘,先用一个多项式的每一项乘另外一个多项式的每一项,再把所得的积相加进行计算即可得到答案;(3)结合题目本身的特征,利用(1)中的公式直接运用即可.【详解】(1)(a+b )(a 2-ab+b 2)=a 3+b 3;(2)(a+b )(a 2-ab+b 2)=a 3-a 2b+ab 2+a 2b-ab 2+b 3=a 3+b 3;(3)(x+y )(x 2-xy+y 2)-(x-y )(x 2+xy+y 2)=x 3+y 3-(x 3-y 3)=2y 3.【点睛】本题考查了多项式乘以多项式,关键是掌握多项式乘法法则,注意观察所给例题,找出其中的规律是解决本题的基本思路.14.观察:22213-=;2222432110-+-=;22222265432121-+-+-=.探究:(1)2222222287654321-+-+-+-= .(直接写出答案)(2)222222(2)(21)(22)(23)21n n n n --+---+-= .(直接写出答案)应用:(3)如图,20个圆由小到大套在一起,从外向里相间画阴影,最外面一层画阴影,最外面的圆的半径为20cm ,向里依次为19cm 、18cm 、……1cm ,那么在这个图形中,所有阴影部分的面积和是多少?(结果保留π)【答案】(1)36;(2)83n -;(3)210π【解析】【分析】(1)根据已知条件,直接结算可得;(2)根据观察可得规律:结果就是底数和;其实是运用平方差公式得到;(3)根据题意列出式子,()()()()()22222222222019181716154321ππππππππππ-+-+-++-+-,再根据上面规律简便运算.【详解】(1)2222222287654321-+-+-+-=15+21=36;(2)222222(2)(21)(22)(23)21n n n n --+---+-=[][][][]()()2(21)2(21)(22)(23)(22)(23)2121n n n n n n n n +-•--+-+-•---++•-2(21)(22)(23)21n n n n =+-+-+-++=83n -;(3)由题意可得阴影面积是:()()()()()22222222222019181716154321ππππππππππ-+-+-++-+- =2019181716154321ππππππππππ++++++++++ =()1202012π⨯⨯+ =210π【点睛】 考核知识点:因式分解在运算中的应用.观察并找出规律,利用平方差公式分析问题是关键.15.在现今“互联网+”的时代,密码与我们的生活已经紧密相连,密不可分.而诸如“123456”、生日等简单密码又容易被破解,因此利用简单方法产生一组容易记忆的6位数密码就很有必要了.有一种用“因式分解法产生的密码,方便记忆,其原理是:将一个多项式分解因式,如多项式:x 3+2x 2﹣x ﹣2因式分解的结果为(x ﹣1)(x +1)(x +2),当x =18时,x ﹣1=17,x +1=19,x +2=20,此时可以得到数字密码171920.(1)根据上述方法,当x =21,y =7时,对于多项式x 3﹣xy 2分解因式后可以形成哪些数字密码?(写出两个)(2)若多项式x 3+(m ﹣3n )x 2﹣nx ﹣21因式分解后,利用本题的方法,当x =27时可以得到其中一个密码为242834,求m 、n 的值.【答案】(1)可以形成的数字密码是:212814、211428;(2)m 的值是56,n 的值是17.【解析】【分析】(1)先将多项式进行因式分解,然后再根据数字密码方法形成数字密码即可;(2)设x 3+(m ﹣3n )x 2﹣nx ﹣21=(x +p )(x +q )(x +r ),当x =27时可以得到其中一个密码为242834,得到方程解出p 、q 、r ,然后回代入原多项式即可求得m 、n【详解】(1)x 3﹣xy 2=x (x 2﹣y 2)=x (x +y )(x ﹣y ),当x =21,y =7时,x +y =28,x ﹣y =14,∴可以形成的数字密码是:212814、211428;(2)设x 3+(m ﹣3n )x 2﹣nx ﹣21=(x +p )(x +q )(x +r ),∵当x =27时可以得到其中一个密码为242834,∴27+p =24,27+q =28,27+r =34,解得,p =﹣3,q =1,r =7,∴x 3+(m ﹣3n )x 2﹣nx ﹣21=(x ﹣3)(x +1)(x +7),∴x 3+(m ﹣3n )x 2﹣nx ﹣21=x 3+5x 2﹣17x ﹣21,∴ 3517m n n -=⎧⎨-=-⎩得,5617m n =⎧⎨=⎩即m 的值是56,n 的值是17.【点睛】本题属于阅读理解题型,考查知识点以因式分解为主,本题第一问关键在于理解题目中给到的数字密码的运算规则,第二问的关键在于能够将原多项式设成(x +p )(x +q )(x +r ),解出p 、q 、r四、八年级数学分式解答题压轴题(难)16.阅读下面的材料,并解答后面的问题 材料:将分式23411x x x +-+拆分成一个整式与一个分式(分子为整数)的和(差)的形式. 解:由分母为1x +,可设2341(1)(3)x x x x a b +-=+++.因为223(1)(3)333(3)x x a b x ax x a b x a x a b +++=++++=++++,所以223413(3)x x x a x a b +-=++++. 所以341a a b +=⎧⎨+=-⎩,解之,得12a b =⎧⎨=-⎩. 所以2341(1)(31)211x x x x x x +-++-=++ (1)(31)2231111x x x x x x ++=-=+-+++ 这样,分式23411x x x +-+就被拆分成了一个整式31x +与一个分式21x +的差的形式. 问题:(1)请将分式22361x x x ++-拆分成一个整式与一个分式(分子为整数)的和(差)的形式;(2)请将分式4225932x x x +-+拆分成一个整式与一个分式(分子为整数)的和(差)的形式.【答案】(1)2236112511x x x x x ++=++--;(2)4222259315122x x x x x +-=--++. 【解析】【分析】(1)仿照例题将2236x x ++分解为(1)(2)x x a b -++,求出a 、b 的值即可得到答案;(2)将42593x x +-分解为22(2)(5)x x m n +++,得到10923m m n +=⎧⎨+=-⎩,求出m 、n ,整理后即可得到答案.【详解】(1)由分母为x-1,可设2236x x ++=(1)(2)x x a b -++,∵(1)(2)x x a b -++=22222(2)()x ax x a b x a x b a +--+=+-+-,∴2236x x ++22(2)()x a x b a =+-+-∴236a b a -=⎧⎨-=⎩,得511a b =⎧⎨=⎩, ∴22361x x x ++-=(1)(25)111x x x -++-=(1)(25)1111x x x x -++--=11251x x ++-; (2)由分母为22x +,可设42593x x +-=22(2)(5)x x m n +++,∵22(2)(5)x x m n +++=4224251025(10)(2)m x mx x m x m n n x +++++=+++ ∴42593x x +-=42(10)(2)5x m n x m ++++,∴10923m m n +=⎧⎨+=-⎩,得11m n =-⎧⎨=-⎩, ∴4225932x x x +-+=222(2)(51)12x x x +--+=221512x x --+. 【点睛】此题是仿照例题解题的形式解题,正确理解题意,明确例题中的计算的方法是解题的关键.17.我们知道,假分数可以化为整数与真分数的和的形式,例如:76112333+==+. 在分式中,对于只含有一个字母的分式,当分子的次数大于或等于分母的次数时,我们称之为“假分式”;当分子的次数小于分母的次数时,我们称之为“真分式”. 例如:像33x x -+,23x x -,…这样的分式是假分式;像23x -,23x x-,…这样的分式是真分式. 类似的,假分式也可以化为整式与真分式的和(差)的形式. 例如:将分式2253x x x +-+拆分成一个整式与一个真分式的和(差)的形式. 方法一:解:由分母为3x +,可设225(3)()x x x x a b +-=+++则由22225(3)()33(3)(3)x x x x a b x ax x a b x a x a b +-=+++=++++=++++ 对于任意x ,上述等式均成立,∴3235a a b +=⎧⎨+=-⎩,解得12a b =-⎧⎨=-⎩∴225(3)(1)2(3)(1)22133333x x x x x x x x x x x x +-+--+-==-=--+++++这样,分式2253x x x +-+就被拆分成一个整式与一个真分式的和(差)的形式. 方法二:解:2225332(3)(3)2(3)32213333333x x x x x x x x x x x x x x x x x x x +-+---+-+-++===--=--+++++++ 这样,分式2253x x x +-+就拆分成一个整式与一个真分式的和(差)的形式. (1)请仿照上面的方法,选择其中一种方法将分式2731x x x ---拆分成一个整式与一个真分式的和(差)的形式;(2)已知整数x 使分式225112x x x +-+的值为整数,求出满足条件的所有整数x 的值. 【答案】(1)961x x ---;(2)x=-1或-3或11或-15. 【解析】【分析】 (1)先变形2731x x x ---=26691x x x x --+--,由“真分式”的定义,仿照例题即可得出结论;(2)先把分式化为真分式,再根据分式的值为整数确定整数x 的值.【详解】解:(1)2731x x x ---=26691x x x x --+-- =(1)6(1)91x x x x ----- =961x x ---; (2)225112x x x +-+= 2242132x x x x +++-+ =2(2)(2)132x x x x +++-+ =13212x x +-+, ∵x 是整数,225112x x x +-+也是整数, ∴x+2=1或x+2=-1或x+2=13或x+2=-13,∴x=-1或-3或11或-15.【点睛】本题考查了逆用整式和分式的加减法对分式进行变形.解决本题的关键是理解真分式的定义对分子进行拆分.18.阅读下面的解题过程:已知2112x x =+,求241x x +的值。
八年级数学上册期中精选试卷检测题(WORD版含答案)一、八年级数学全等三角形解答题压轴题(难)1.如图,AB=12cm,AC⊥AB,BD⊥AB ,AC=BD=9cm,点P在线段AB上以3 cm/s的速度,由A向B运动,同时点Q在线段BD上由B向D运动.(1)若点Q的运动速度与点P的运动速度相等,当运动时间t=1(s),△ACP与△BPQ 是否全等?说明理由,并直接判断此时线段PC和线段PQ的位置关系;(2)将“AC⊥AB,BD⊥AB”改为“∠CAB=∠DBA”,其他条件不变.若点Q的运动速度与点P的运动速度不相等,当点Q的运动速度为多少时,能使△ACP与△BPQ全等.(3)在图2的基础上延长AC,BD交于点E,使C,D分别是AE,BE中点,若点Q以(2)中的运动速度从点B出发,点P以原来速度从点A同时出发,都逆时针沿△ABE三边运动,求出经过多长时间点P与点Q第一次相遇.【答案】(1)△ACP≌△BPQ,理由见解析;线段PC与线段PQ垂直(2)1或32(3)9s 【解析】【分析】(1)利用SAS证得△ACP≌△BPQ,得出∠ACP=∠BPQ,进一步得出∠APC+∠BPQ=∠APC+∠ACP=90°得出结论即可;(2)由△ACP≌△BPQ,分两种情况:①AC=BP,AP=BQ,②AC=BQ,AP=BP,建立方程组求得答案即可.(3)因为V Q<V P,只能是点P追上点Q,即点P比点Q多走PB+BQ的路程,据此列出方程,解这个方程即可求得.【详解】(1)当t=1时,AP=BQ=3,BP=AC=9,又∵∠A=∠B=90°,在△ACP与△BPQ中,AP BQA BAC BP=⎧⎪∠=∠⎨⎪=⎩,∴△ACP≌△BPQ(SAS),∴∠ACP=∠BPQ,∴∠APC+∠BPQ=∠APC+∠ACP=90°,∠CPQ=90°,则线段PC与线段PQ垂直.(2)设点Q 的运动速度x,①若△ACP ≌△BPQ ,则AC=BP ,AP=BQ ,912t t xt =-⎧⎨=⎩, 解得31t x =⎧⎨=⎩, ②若△ACP ≌△BPQ ,则AC=BQ ,AP=BP ,912xt t t =⎧⎨=-⎩解得632t x =⎧⎪⎨=⎪⎩, 综上所述,存在31t x =⎧⎨=⎩或632t x =⎧⎪⎨=⎪⎩使得△ACP 与△BPQ 全等. (3)因为V Q <V P ,只能是点P 追上点Q ,即点P 比点Q 多走PB+BQ 的路程,设经过x 秒后P 与Q 第一次相遇,∵AC=BD=9cm ,C ,D 分别是AE ,BD 的中点;∴EB=EA=18cm.当V Q =1时,依题意得3x=x+2×9,解得x=9;当V Q =32时, 依题意得3x=32x+2×9, 解得x=12.故经过9秒或12秒时P 与Q 第一次相遇.【点睛】本题考查了一元一次方程的应用,解题的关键是熟练的掌握一元一次方程的性质与运算.2.已知4AB cm =,3AC BD cm ==.点P 在AB 上以1/cm s 的速度由点A 向点B 运动,同时点Q 在BD 上由点B 向点D 运动,它们运动的时间为()t s .(1)如图①,AC AB ⊥,BD AB ⊥,若点Q 的运动速度与点P 的运动速度相等,当1t =时,ACP △与BPQ 是否全等,请说明理由,并判断此时线段PC 和线段PQ 的位置关系;(2)如图②,将图①中的“AC AB ⊥,BD AB ⊥”为改“60CAB DBA ∠=∠=︒”,其他条件不变.设点Q的运动速度为/xcm s,是否存在实数x,使得ACP△与BPQ 全等?若存在,求出相应的x、t的值;若不存在,请说明理由.【答案】(1)全等,PC与PQ垂直;(2)存在,11tx=⎧⎨=⎩或232tx=⎧⎪⎨=⎪⎩【解析】【分析】(1)利用SAS证得△ACP≌△BPQ,得出∠ACP=∠BPQ,进一步得出∠APC+∠BPQ=∠APC+∠ACP=90°得出结论即可;(2)由△ACP≌△BPQ,分两种情况:①AC=BP,AP=BQ,②AC=BQ,AP=BP,建立方程组求得答案即可.【详解】解:(1)当t=1时,AP=BQ=1,BP=AC=3,又∠A=∠B=90°,在△ACP和△BPQ中,AP BQA BAC BP=⎧⎪∠=∠⎨⎪=⎩,∴△ACP≌△BPQ(SAS).∴∠ACP=∠BPQ,∴∠APC+∠BPQ=∠APC+∠ACP=90°.∴∠CPQ=90°,即线段PC与线段PQ垂直.(2)①若△ACP≌△BPQ,则AC=BP,AP=BQ,34tt xt=-⎧⎨=⎩,解得11tx=⎧⎨=⎩,②若△ACP≌△BQP,则AC=BQ,AP=BP,34xtt t=⎧⎨=-⎩,解得232tx=⎧⎪⎨=⎪⎩,综上所述,存在11tx=⎧⎨=⎩或232tx=⎧⎪⎨=⎪⎩使得△ACP与△BPQ全等.【点睛】本题考查全等三角形的判定与性质,在解题时注意分类讨论思想的运用.3.如图1,在长方形ABCD中,AB=CD=5 cm, BC=12 cm,点P从点B出发,以2cm/s的速度沿BC向点C运动,设点P的运动时间为ts.(1)PC=___cm;(用含t的式子表示)(2)当t为何值时,△ABP≌△DCP?.(3)如图2,当点P从点B开始运动,此时点Q从点C出发,以vcm/s的速度沿CD向点D运动,是否存在这样的v值,使得某时刻△ABP与以P,Q,C为顶点的直角三角形全等?若存在,请求出v的值;若不存在,请说明理由.【答案】(1)()122t-;(2)3t=;(3)存在,2v=或53v=【解析】【分析】(1)根据P点的运动速度可得BP的长,再利用BC的长减去BP的长即可得到PC的长;(2)先根据三角形全等的条件得出当BP=CP,列方程求解即得;(3)先分两种情况:当BP=CQ,AB=PC时,△ABP≌△PCQ;或当BA=CQ,PB=PC 时,△ABP≌△QCP,然后分别列方程计算出t的值,进而计算出v的值.【详解】解:(1)当点P以2cm/s的速度沿BC向点C运动时间为ts时2BP tcm=∵12BC cm=∴()122PC BC BP t cm=-=-故答案为:()122t-(2)∵ABP DCP∆≅∆∴BP CP=∴2122t t =-解得3t =.(3)存在,理由如下:①当BP=CQ ,AB=PC 时,△ABP ≌△PCQ ,∴PC=AB=5∴BP=BC-PC=12-5=7∵2BP tcm =∴2t=7解得t=3.5∴CQ=BP=7,则3.5v=7解得2v =.②当BA CQ =,PB PC =时,ABP QCP ∆≅∆∵12BC cm = ∴162BP CP BC cm === ∵2BP tcm =∴26t = 解得3t =∴3CQ vcm =∵5AB CQ cm ==∴35v = 解得53v =. 综上所述,当2v =或53v =时,ABP ∆与以P ,Q ,C 为顶点的直角三角形全等. 【点睛】本题考查全等三角形的判定及性质和矩形的性质,解题关键是将动态情况化为某一状态情况,并以这一状态为等量关系建立方程求解.4.如图1,Rt △ABC 中,∠A =90°,AB =AC ,点D 是BC 边的中点连接AD ,则易证AD =BD =CD ,即AD =12BC ;如图2,若将题中AB =AC 这个条件删去,此时AD 仍然等于12BC . 理由如下:延长AD 到H ,使得AH =2AD ,连接CH ,先证得△ABD ≌△CHD ,此时若能证得△ABC ≌△CHA ,即可证得AH =BC ,此时AD =12BC ,由此可见倍长过中点的线段是我们三角形证明中常用的方法.(1)请你先证明△ABC≌△CHA,并用一句话总结题中的结论;(2)现将图1中△ABC折叠(如图3),点A与点D重合,折痕为EF,此时不难看出△BDE和△CDF都是等腰直角三角形.BE=DE,CF=DF.由勾股定理可知DE2+DF2=EF2,因此BE2+CF2=EF2,若图2中△ABC也进行这样的折叠(如图4),此时线段BE、CF、EF还有这样的关系式吗?若有,请证明;若没有,请举反例.(3)在(2)的条件下,将图3中的△DEF绕着点D旋转(如图5),射线DE、DF分别交AB、AC于点E、F,此时(2)中结论还成立吗?请说明理由.图4中的△DEF也这样旋转(如图6),直接写出上面的关系式是否成立.【答案】(1)详见解析;(2)有这样分关系式;(3)EF2=BE2+CF2.【解析】【分析】(1)想办法证明AB∥CH,推出∠BAC=∠ACH,再利用SAS证明△ABC≌△CHA即可.(2)有这样分关系式.如图4中,延长ED到H山顶DH=DE.证明△EDB≌△HD (SAS),推出∠B=∠HCD,BE=CH,∠FCH=90°,利用勾股定理,线段的垂直平分线的性质即可解决问题.(3)图5,图6中,上面的关系式仍然成立.【详解】(1)证明:如图2中,∵BD=DC,∠ADB=∠HDC,AD=HD,∴△ADB≌△HDC(SAS),∴∠B=∠HCD,AB=CH,∴AB∥CH,∴∠BAC+∠ACH=180°,∵∠BAC=90°,∴∠ACH=∠BAC=90°,∵AC=CA,∴△BAC≌△HCA(SAS),∴AH=BC,∴AD=DH=BD=DC,∴AD=12 BC.结论:直角三角形斜边上的中线等于斜边的一半.(2)解:有这样分关系式.理由:如图4中,延长ED到H山顶DH=DE.∵ED=DH,∠EDB=∠HDC,DB=DC,∴△EDB≌△HDC(SAS),∴∠B=∠HCD,BE=CH,∵∠B+∠ACB=90°,∴∠ACB+∠HCD=90°,∴∠FCH=90°,∴FH2=CF2+CH2,∵DF⊥EH,ED=DH,∴EF=FH,∴EF2=BE2+CF2.(3)图5,图6中,上面的关系式仍然成立.结论:EF2=BE2+CF2.证明方法类似(2).【点睛】本题属于几何变换综合题,考查了旋转变换,翻折变换,全等三角形的判定和性质,勾股定理等知识,解题的关键是学会添加常用辅助线,构造全等三角形解决问题,属于中考压轴题.5.(1)如图(1),已知:在△ABC中,∠BAC=90°,AB=AC,直线m经过点A,BD⊥直线m,CE⊥直线m,垂足分别为点D、E.求证:DE=BD+CE.(2)如图(2),将(1)中的条件改为:在△ABC中,AB=AC,D、A、E三点都在直线m 上,并且有∠BDA=∠AEC=∠BAC=α,其中α为任意锐角或钝角.请问结论DE=BD+CE是否成立?如成立,请你给出证明;若不成立,请说明理由.(3)如图(3),D 、E 是D 、A 、E 三点所在直线m 上的两动点(D 、A 、E 三点互不重合),点F 为∠BAC 平分线上的一点,且△ABF 和△ACF 均为等边三角形,连接BD 、CE ,若∠BDA=∠AEC=∠BAC ,求证:△DEF 是等边三角形.【答案】(1)见解析;(2)成立,理由见解析;(3)见解析【解析】 【分析】(1)因为DE=DA+AE ,故通过证BDA AEC ≅△△,得出DA=EC ,AE=BD ,从而证得DE=BD+CE.(2)成立,仍然通过证明BDA AEC ≅△△,得出BD=AE ,AD=CE ,所以DE=DA+AE=EC+BD.(3)由BDA AEC ≅△△得BD=AE ,=BDA AEC ∠∠,ABF 与ACF 均等边三角形,得==60BA AC ︒∠F ∠F ,FB=FA ,所以=BA BA AC AC ∠F +∠D ∠F +∠E ,即FBD FAB ≅∠∠,所以BDF AEF ≅△△,所以FD=FE ,BFD AFE ≅∠∠,再根据=60BFD FA BFA =︒∠+∠D ∠,得=60AF FA =︒∠E +∠D ,即=60FE =︒∠D ,故DFE △是等边三角形.【详解】证明:(1)∵BD ⊥直线m ,CE ⊥直线m∴∠BDA =∠CEA=90°,∵∠BAC =90°∴∠BAD+∠CAE=90°,∵∠BAD+∠ABD=90°∴∠CAE=∠ABD ,又AB=AC ,∴△ADB ≌△CEA∴AE=BD ,AD=CE ,∴DE=AE+AD= BD+CE(2)∵∠BDA =∠BAC=α,∴∠DBA+∠BAD=∠BAD +∠CAE=180°—α∴∠DBA=∠CAE ,∵∠BDA=∠AEC=α,AB=AC∴△ADB ≌△CEA ,∴AE=BD ,AD=CE∴DE=AE+AD=BD+CE(3)由(2)知,△ADB ≌△CEA , BD=AE ,∠DBA =∠CAE∵△ABF 和△ACF 均为等边三角形,∴∠ABF=∠CAF=60°∴∠DBA+∠ABF=∠CAE+∠CAF ,∴∠DBF=∠FAE∵BF=AF ,∴△DBF ≌△EAF∴DF=EF ,∠BFD=∠AFE∴∠DFE=∠DFA+∠AFE=∠DFA+∠BFD=60°∴△DEF 为等边三角形.【点睛】利用全等三角形的性质证线段相等是证两条线段相等的重要方法.二、八年级数学 轴对称解答题压轴题(难)6.在梯形ABCD 中,//AD BC ,90B ∠=︒,45C ∠=︒,8AB =,14BC =,点E 、F 分别在边AB 、CD 上,//EF AD ,点P 与AD 在直线EF 的两侧,90EPF ∠=︒,PE PF =,射线EP 、FP 与边BC 分别相交于点M 、N ,设AE x =,MN y =.(1)求边AD的长;(2)如图,当点P在梯形ABCD内部时,求关于x的函数解析式,并写出定义域;(3)如果MN的长为2,求梯形AEFD的面积.【答案】(1)6;(2)y=-3x+10(1≤x<103);(2)1769或32【解析】【分析】(1)如下图,利用等腰直角三角形DHC可得到HC的长度,从而得出HB的长,进而得出AD的长;(2)如下图,利用等腰直角三角形的性质,可得PQ、PR的长,然后利用EB=PQ+PR得去x、y的函数关系,最后根据图形特点得出取值范围;(3)存在2种情况,一种是点P在梯形内,一种是在梯形外,分别根y的值求出x的值,然后根据梯形面积求解即可.【详解】(1)如下图,过点D作BC的垂线,交BC于点H∵∠C=45°,DH⊥BC∴△DHC是等腰直角三角形∵四边形ABCD是梯形,∠B=90°∴四边形ABHD是矩形,∴DH=AB=8∴HC=8∴BH=BC-HC=6∴AD=6(2)如下图,过点P作EF的垂线,交EF于点Q,反向延长交BC于点R,DH与EF交于点G∵EF ∥AD,∴EF ∥BC∴∠EFP=∠C=45°∵EP ⊥PF∴△EPF 是等腰直角三角形同理,还可得△NPM 和△DGF 也是等腰直角三角形∵AE=x∴DG=x=GF,∴EF=AD+GF=6+x∵PQ ⊥EF,∴PQ=QE=QF ∴PQ=()162x + 同理,PR=12y ∵AB=8,∴EB=8-x∵EB=QR∴8-x=()11622x y ++ 化简得:y=-3x+10 ∵y >0,∴x <103当点N 与点B 重合时,x 可取得最小值则BC=NM+MC=NM+EF=-3x+10+614x +=,解得x=1∴1≤x <103(3)情况一:点P 在梯形ABCD 内,即(2)中的图形 ∵MN=2,即y=2,代入(2)中的关系式可得:x=83=AE ∴188176662339ABCD S ⎛⎫=⨯++⨯= ⎪⎝⎭梯形 情况二:点P 在梯形ABCD 外,图形如下:与(2)相同,可得y=3x -10则当y=2时,x=4,即AE=4∴()16644322ABCD S =⨯++⨯=梯形 【点睛】本题考查了等腰直角三角形、矩形的性质,难点在于第(2)问中确定x 的取值范围,需要一定的空间想象能力.7.(1)已知△ABC 中,∠A =90°,∠B =67.5°,请画一条直线,把这个三角形分割成两个等腰三角形.(请你选用下面给出的备用图,把所有不同的分割方法都画出来.只需画图,不必说明理由,但要在图中标出相等两角的度数)(2)已知△ABC 中,∠C 是其最小的内角,过顶点B 的一条直线把这个三角形分割成了两个等腰三角形,请探求∠ABC 与∠C 之间的关系.【答案】(1)图形见解析(2) ∠ABC 与∠C 之间的关系是∠ABC=135°-34∠C 或∠ABC=3∠C 或∠ABC=180°-3∠C 或∠ABC=90°,∠C 是小于45°的任意锐角.【解析】试题分析:(1)已知角度,要分割成两个等腰三角形,可以运用直角三角形、等腰三角形性质结合三角形内角和定理,先计算出可能的角度,或者先从草图中确认可能的情况,及角度,然后画上.(2)在(1)的基础上,由“特殊”到“一般”,需要把直角三角形分成两个等腰三角形的各种情形列方程,可得出角与角之间的关系.试题解析:(1)如图①②(共有2种不同的分割法).(2)设∠ABC=y,∠C=x,过点B的直线交边AC于点D.在△DBC中,①若∠C是顶角,如图,则∠CBD=∠CDB=90°-12x,∠A=180°-x-y.故∠ADB=180°-∠CDB=90°+12x>90°,此时只能有∠A=∠ABD,即180°-x-y=y-1902x⎛⎫-⎪⎝⎭,∴3x+4y=540°,∴∠ABC=135°-34∠C.②若∠C是底角,第一种情况:如图,当DB=DC时,∠DB C=x.在△ABD中,∠ADB=2x,∠ABD=y-x.若AB =AD ,则2x =y -x ,此时有y =3x ,∴∠ABC =3∠C.若AB =BD ,则180°-x -y =2x ,此时有3x +y =180°,∴∠ABC =180°-3∠C. 若AD =BD ,则180°-x -y =y -x ,此时有y =90°,即∠ABC=90°,∠C 为小于45°的任意锐角.第二种情况:如图,当BD =BC 时,∠BDC =x ,∠ADB =180°-x >90°,此时只能有AD =BD ,∴∠A =∠ABD =12∠BDC =12∠C <∠C ,这与题设∠C 是最小角矛盾. ∴当∠C 是底角时,BD =BC 不成立.综上所述,∠ABC 与∠C 之间的关系是∠ABC=135°-34∠C 或∠ABC=3∠C 或∠ABC=180°-3∠C 或∠ABC=90°,∠C 是小于45°的任意锐角.点睛:本题考查了等腰三角形的性质;第(1)问是计算与作图相结合的探索.本问对学生运用作图工具的能力,以及运用直角三角形、等腰三角形性质等基础知识解决问题的能力都有较高的要求.第(2)问在第(1)问的基础上,由“特殊”到“一般”,“分类讨论”把直角三角形分成两个等腰三角形的各种情形并结合“方程思想”探究角与角之间的关系.本题不仅趣味性强,创造性强,而且渗透了由“特殊”到“一般”、“分类讨论”、“方程思想”、“转化思想”等数学思想,是一道不可多得的好题.8.如图所示,已知ABC ∆中,10AB AC BC ===厘米,M 、N 分别从点A 、点B 同时出发,沿三角形的边运动,已知点M 的速度是1厘米/秒的速度,点N 的速度是2厘米/秒,当点N 第一次到达B 点时,M 、N 同时停止运动.(1)M 、N 同时运动几秒后,M 、N 两点重合?(2)M 、N 同时运动几秒后,可得等边三角形AMN ∆?(3)M 、N 在BC 边上运动时,能否得到以MN 为底边的等腰AMN ∆,如果存在,请求出此时M 、N 运动的时间?【答案】(1)10;(2)点M 、N 运动103秒后,可得到等边三角形AMN ∆;(3)当点M 、N 在BC 边上运动时,能得到以MN 为底边的等腰AMN ∆,此时M 、N 运动的时间为403秒. 【解析】【分析】(1)设点M 、N 运动x 秒后,M 、N 两点重合,1102x x ⨯+=;(2)设点M 、N 运动t 秒后,可得到等边三角形AMN ∆,如图①,1AM t t =⨯=,102AN AB BN t =-=-根据等边三角形性质得102t t =-;(3)如图②,假设AMN ∆是等腰三角形,根据等腰三角形性质证ACB ∆是等边三角形,再证ACM ∆≌ABN ∆(AAS ),得CM BN =,设当点M 、N 在BC 边上运动时,M 、N 运动的时间y 秒时,AMN ∆是等腰三角形,故10CM y =-,302NB y =-,由CM NB =,得10302y y -=-;【详解】解:(1)设点M 、N 运动x 秒后,M 、N 两点重合,1102x x ⨯+=解得:10x =(2)设点M 、N 运动t 秒后,可得到等边三角形AMN ∆,如图①1AM t t =⨯=,102AN AB BN t =-=-∵三角形AMN ∆是等边三角形∴102t t =-解得103t = ∴点M 、N 运动103秒后,可得到等边三角形AMN ∆. (3)当点M 、N 在BC 边上运动时,可以得到以MN 为底边的等腰三角形,由(1)知10秒时M 、N 两点重合,恰好在C 处,如图②,假设AMN ∆是等腰三角形,∴AN AM =,∴AMN ANM ∠=∠,∴AMC ANB∠=∠,∵AB BC AC==,∴ACB∆是等边三角形,∴C B∠=∠,在ACM∆和ABN∆中,∵AC ABC BAMC ANB=⎧⎪∠=∠⎨⎪∠=∠⎩,∴ACM∆≌ABN∆(AAS),∴CM BN=,设当点M、N在BC边上运动时,M、N运动的时间y秒时,AMN∆是等腰三角形,∴10CM y=-,302NB y=-,CM NB=,10302y y-=-解得:403y=,故假设成立.∴当点M、N在BC边上运动时,能得到以MN为底边的等腰AMN∆,此时M、N 运动的时间为403秒.【点睛】考核知识点:等边三角形判定和性质,全等三角形判定和性质.理解等腰三角形的判定和性质,把问题转化为方程问题是关键.9.已知等边△ABC的边长为4cm,点P,Q分别是直线AB,BC上的动点.(1)如图1,当点P从顶点A沿AB向B点运动,点Q同时从顶点B沿BC向C点运动,它们的速度都为lcm/s,到达终点时停止运动.设它们的运动时间为t秒,连接AQ,PQ.①当t=2时,求∠AQP的度数.②当t为何值时△PBQ是直角三角形?(2)如图2,当点P在BA的延长线上,Q在BC上,若PQ=PC,请判断AP,CQ和AC之间的数量关系,并说明理由.【答案】(1)①∠AQP=30°;②当t=43秒或t=83秒时,△PBQ为直角三角形;(2)AC=AP+CQ,理由见解析.【解析】【分析】(1)①由△ABC是等边三角形知AQ⊥BC,∠B=60°,从而得∠AQB=90°,△BPQ是等边三角形,据此知∠BQP=60°,继而得出答案;②由题意知AP=BQ=t,PB=4﹣t,再分∠PQB=90°和∠BPQ=90°两种情况分别求解可得.(2)过点Q作QF∥AC,交AB于F,知△BQF是等边三角形,证∠QFP=∠PAC=120°、∠BPQ=∠ACP,从而利用AAS可证△PQF≌△CPA,得AP=QF,据此知AP=BQ,根据BQ+CQ=BC=AC可得答案.【详解】解:(1)①根据题意得AP=PB=BQ=CQ=2,∵△ABC是等边三角形,∴AQ⊥BC,∠B=60°,∴∠AQB=90°,△BPQ是等边三角形,∴∠BQP=60°,∴∠AQP=∠AQB﹣∠BQP=90°﹣60°=30°;②由题意知AP=BQ=t,PB=4﹣t,当∠PQB=90°时,∵∠B=60°,∴PB=2BQ,得:4﹣t=2t,解得t=43;当∠BPQ=90°时,∵∠B=60°,∴BQ=2BP,得t=2(4﹣t),解得t=83;∴当t=43秒或t=83秒时,△PBQ为直角三角形;(2)AC=AP+CQ,理由如下:如图所示,过点Q作QF∥AC,交AB于F,则△BQF 是等边三角形,∴BQ =QF ,∠BQF =∠BFQ =60°,∵△ABC 为等边三角形,∴BC =AC ,∠BAC =∠BFQ =60°,∴∠QFP =∠PAC =120°,∵PQ =PC ,∴∠QCP =∠PQC ,∵∠QCP =∠B +∠BPQ ,∠PQC =∠ACB +∠ACP ,∠B =∠ACB ,∴∠BPQ =∠ACP ,在△PQF 和△CPA 中,∵BPQ ACP QFP PAC PQ PC ∠=∠⎧⎪∠=∠⎨⎪=⎩∴△PQF ≌△CPA (AAS ),∴AP =QF ,∴AP =BQ ,∴BQ +CQ =BC =AC ,∴AP +CQ =AC .【点睛】考核知识点:等边三角形的判定和性质.利用全等三角形判定和性质分析问题是关键.10.如果一个三角形能被一条线段割成两个等腰三角形,那么称这条线段为这个三角形的特异线,称这个三角形为特异三角形.(1)如图1,ABC ∆是等腰锐角三角形,()AB AC AB BC =>,若ABC ∠的角平分线BD 交AC 于点D ,且BD 是ABC ∆的一条特异线,则BDC ∠= 度.(2)如图2,ABC ∆中,2B C ∠=∠,线段AC 的垂直平分线交AC 于点D ,交BC 于点E ,求证:AE 是ABC ∆的一条特异线;(3)如图3,若ABC ∆是特异三角形,30A ∠=,B 为钝角,不写过程,直接写出所有可能的B 的度数.【答案】(1)72;(2)证明见解析;(3)∠B度数为:135°、112.5°或140°.【解析】【分析】(1)根据等腰三角形性质得出∠C=∠ABC=∠BDC=2∠A,据此进一步利用三角形内角和定理列出方程求解即可;(2)通过证明△ABE与△AEC为等腰三角形求解即可;(3)根据题意分当BD为特异线、AD为特异线以及CD为特异线三种情况分类讨论即可.【详解】(1)∵AB=AC,∴∠ABC=∠C,∵BD平分∠ABC,∴∠ABD=∠CBD=12∠ABC,∵BD是△ABC的一条特异线,∴△ABD与△BCD为等腰三角形,∴AD=BD=BC,∴∠A=∠ABD,∠C=∠BDC,∴∠ABC=∠C=∠BDC,∵∠BDC=∠A+∠ABD=2∠A,设∠A=x,则∠C=∠ABC=∠BDC=2x,在△ABC中,∠A+∠ABC+∠C=180°,即:x+2x+2x=180°,∴x=36°,∴∠BDC=72°,故答案为:72;(2)∵DE是线段AC的垂直平分线,∴EA=EC,∴△EAC为等腰三角形,∴∠EAC=∠C,∴∠AEB=∠EAC+∠C=2∠C,∵∠B=2∠C,∴∠AEB=∠B,∴△EAB为等腰三角形,∴AE是△ABC的一条特异线;(3)如图3,当BD是特异线时,如果AB=BD=DC,则∠ABC=∠ABD+∠DBC=120°+15°=135°;如果AD=AC,DB=DC,则∠ABC=∠ABD+∠DBC=75°+37.5°=112.5°;如果AD=DB,DC=DB,则∠ABC=∠ABD+∠DBC=30°+60°=90°,不符合题意,舍去;如图4,当AD是特异线时,AB=BD,AD=DC,则:∠ABC=180°−20°−20°=140°;当CD为特异线时,不符合题意;综上所述,∠B度数为:135°、112.5°或140°.【点睛】本题主要考查了等腰三角形性质的综合运用,熟练掌握相关概念是解题关键.三、八年级数学整式的乘法与因式分解解答题压轴题(难)11.数学活动课上,老师准备了若干个如图1的三种纸片,A种纸片边长为a的正方形,B中纸片是边长为b的正方形,C种纸片是长为a、宽为b的长方形.并用A种纸片一张,B种纸片一张,C种纸片两张拼成如图2的大正方形.(1)请问两种不同的方法求图2大正方形的面积.方法1:s =____________________;方法2:s =________________________; (2)观察图2,请你写出下列三个代数式:()222,,a b a b ab ++之间的等量关系. _______________________________________________________;(3)根据(2)题中的等量关系,解决如下问题:①已知:225,11a b a b +=+=,求ab 的值;②已知()()22202020195a a -+-=,则()()20202019a a --的值是____. 【答案】(1)()2a b +,222a ab b ++;(2)()2222a b a ab b +=++;(3)①7ab =,②2-【解析】【分析】(1)依据正方形的面积计算公式即可得到结论;(2)依据(1)中的代数式,即可得出(a+b )2,a 2+b 2,ab 之间的等量关系;(3)①依据a+b=5,可得(a+b )2=25,进而得出a 2+b 2+2ab=25,再根据a 2+b 2=11,即可得到ab=7;②设2020-a=x ,a-2019=y ,即可得到x+y=1,x 2+y 2=5,依据(x+y )2=x 2+2xy+y 2,即可得出xy=()222()2x y x y +-+=2-,进而得到()()20202019a a --=2-. 【详解】 解:(1)图2大正方形的面积=()2a b +,图2大正方形的面积=222a ab b ++故答案为:()2a b +,222a ab b ++;(2)由题可得()2a b +,22a b +,ab 之间的等量关系为:()2222a b a ab b +=++故答案为:()2222a b a ab b +=++;(3)①()()2222a b a b ab +-+=2251114ab ∴=-=7ab ∴=②设2020-a=x ,a-2019=y ,则x+y=1,∵()()22202020195a a -+-=,∴x 2+y 2=5,∵(x+y )2=x 2+2xy+y 2,∴xy=()222()2x y x y +-+=-2, 即()()202020192a a --=-.【点睛】本题主要考查了完全平方公式的几何背景,熟练掌握完全平方公式是解本题的关键.12.观察下列等式:22()()a b a b a b -=-+3322()()a b a b a ab b -=-++443223()()a b a b a a b ab b -=-+++55432234()()a b a b a a b a b ab b -=-++++完成下列问题:(1)n n a b -=___________(2)636261322222221+++⋯⋯++++= (结果用幂表示).(3)已知4,1a b ab -==,求33a b -.【答案】(1)(a-b )(a n-1+a n-2b+…+ab n-2+b n-1);(2)264-1;(3)76.【解析】【分析】(1)根据规律可得结果(a-b )(a n-1+a n-2b+…+ab n-2+b n-1);(2)利用(1)得出的规律先计算(2-1)63626132(2222221+++⋯⋯++++)即可得出结果;(3)利用(1)得出的规律变形,再用完全平方公式进行变形,变成只含a-b 及ab 的形式,整体代入计算即可得到结果.【详解】解:(1)()()22a b a b a b -=-+,()()3322a b a b a ab b -=-++,()()443223a b a b a a b ab b -=-+++, ()()55432234a b a b a a b a b ab b -=-++++, 由此规律可得:a n -b n =(a-b )(a n-1+a n-2b+…+ab n-2+b n-1),故答案是:(a-b )(a n-1+a n-2b+…+ab n-2+b n-1);(2)由(1)的规律可得(2-1)()636261322222221+++⋯⋯++++=264-1,∴636261322222221+++⋯⋯++++=264-1.故答案是:264-1.(3)已知4,1a b ab -==,求33a b -.()()3322a b a b a ab b -=-++=()() [a b a b --2+3 a b ]∴33a b -=24431⨯+⨯()=76. 故答案是:76.【点睛】此题考查了多项式乘以多项式,弄清题中的规律是解本题的关键.13.阅读以下文字并解决问题:对于形如222x ax a ++这样的二次三项式,我们可以直接用公式法把它分解成()2x a +的形式,但对于二次三项式2627x x +-,就不能直接用公式法分解了。
武汉外校2023-2024学年度上学期期中八年级英语试卷试卷满分:120分考试时间:120分钟Part OneI. Listening. (25)Section OneListen to four questions and choose the right answers. You will hear each question only once.1. A. In the library. B. The Central park. C. At 3 o’clock2. A. By John. B. In China. C. Used paper.3. A. Very kind. B. Swimming. C. A teacher.4. A. Nothing. B. It’s me. C. A friend of mine.Section TwoListen to eight short dialogues and choose the best answers to the questions. You will hear each dialogue only once.5. How did Tony go to work today?A. By bike.B. By car.C. By subway.6. How often does Mike exercise?A. Once a weekB. Twice a week.C. Three times a week.7. What’s the relationship between the two speakers?A. Salesman and customer.B. Father and daughter.C. Teacher and student.8. Why won’t the woman let the man in?A. He doesn’t have an ID card.B. He doesn’t behave well.C. He looks too young.9. How does the man feel about the bag?A. He feels the woman made it well.B. He thinks it will be broken easily.C. He believes it’s too small.10. What would the woman probably say to the man next?A. You can’t be so serious.B. I’m sure things will get better soon.C. It’s just a piece of cake.11. What is Molly’s hobby?A. B. C.12. Who is the tallest in Tony’s family?A. Tony.B. Tony’s brother.C. Tony’s father.Section ThreeListen to three dialogues and a passage, and choose the best answers to the questions. You will hear each dialogue twice.Listen to Text 13 and answer the questions from No. 13 to No. 15.13. What nationality is Jenny?A. She is Swiss.B. She is Dutch.C. She is British.14. Which country is famous for chocolate?A. Netherlands.B. Greece.C. Belgium.15. What do we know about the man?A. He likes Greece best.B. He has been to the Netherlands.C. He went to Sweden a few years ago.Listen to Text 14 and answer the questions from No. 16 to No. 18.16. What does the woman want to rent?A. A house with a garden.B. A single room.C. A one-bedroom flat.17. How much rent does she have to pay?A. $500 a month.B. £125 a week.C. £50 a month.18. What can we know from the dialogue?A. There aren’t any shops nearby.B. Fish is not allowed in the room.C. The woman is very satisfied.Listen to Text 15 and answer the questions from No. 19 to No. 22.19. Where was the conversation taking place?A. On the boat.B. On the phone.C. In the city of Guilin.20. How large is Yangshuo?A. About 65 square kilometres.B. About 1, 248 square kilometres.C. About 1, 428 square kilometres.21. How many kinds of things is Yangshuo famous for?A. Two.B. Three.C. Four.22. What will Amy show to Henry?A. Some rocks.B. Some photos.C. Some gifts.Listen to Text 16 and answer the questions from No. 23 to No. 25.23. What do the parents and the teachers think of these hands-on lessons?A. Interesting and useful.B. Exciting and difficult.C. New and creative.24. In gardens, why do the students need to watch carefully?A. To get their hands dirty.B. To have fun growing plants.C. To see the whole process of the project.25. What can we learn about school gardening from this passage?A. It is educational but boring for the students.B. It makes the students have more respect for nature.C. It is an important subject but brings the students stress.II. Multiple Choice. (1’x15)26. —The party is a great success. We’ve had a good time.— __________.A. It doesn’t matterB. It’s not very goodC. I’m glad to hear thatD. No, thanks27. —Alice, could you help me fill out these forms?— __________.A. With pleasureB. It’s my pleasureC. Sounds niceD. I’m sure28. —Did you enjoy this book?— __________. It’s not my cup of tea.A. Very muchB. Not reallyC. I hope notD. It’s nothing29. —Do you still play tennis?—Oh, no. I __________ it for the past two years.A. didn’t playB. haven’t playedC. playedD. plays30. —So, how did the whole thing happen?—Sir, it’s not my fault. I __________ straight on my way when his car suddenly __________ right.A. drove; was turningB. was driving; was turningC. was driving; turnedD. drove; turned31. —Have you heard about the Double Reduction Policy?—Yes, and I totally agree. Education shouldn’t be __________ purely by examination results.A. detectedB. measuredC. reckonedD. stressed.32. —China has a long history of tea culture.—So it is! It is said that the tea was __________ by Shen Nong.A. producedB. inventedC. discoveredD. found33. —He is so talented!—Yes. He has a wide __________ of painting and music.A. knowledgeB. abilityC. boardD. sense34. —Excuse me, can you tell me which way leads to the museum? The right one or the left one?— __________ way is OK. You can take both.A. AllB. BothC. EitherD. Neither35. —His sister had a bad cold, __________ she?—I’m afraid so.A. wasn’tB. hadn’tC. doesn’tD. didn’t36. —The fish smells terrible.— __________.A. So does the meatB. Neither does the meatC. So is the meatD. Neither is the fish37. —Difficulties always go with me.—Cheer up! If a door is closed in front of you, there __________ be a window opened for you.A. mightB. mustC. canD. should38. —Mum, could you buy me a dress like that?—Certainly, we can buy __________ one than this, but __________ this.A. a better; better thanB. a worse; as good asC. a cheaper; as good asD. a more important; not as good as39. —The Chinese Women V olleyball Team finally won the prize. I am so proud of them.—Me too! Although lots of difficulties they faced, they still __________ for victory.A. hung outB. hung upC. hung overD. hung on40. —What did he say to you?—He asked me __________.A. who will be here tomorrowB. why did she refuse to comeC. that if I was readyD. which one I liked betterⅢ. Cloze. (1’x15)Doug Bruce, 35, walked into Coney Island Police Station on 3 July, 2003. “I woke up on the subway a few minutes ago. I don’t know where I’m going, where I’ve been. I have no 41 who I am, “he told the police. He had a backpack with a few things in it: a Spanish phrase book (常用语手册), a set of keys and a map of New York. . “I don’t know anything. It was like being in the_ 42 _.”The police were confused. “We’ve never had 43 like this before, “Lt. Peter Pena said. They took Doug to Coney Island Hospital. The nurse had to put a (n) 44 name tag on his bed---unknown. Although Doug could 45 sentences without difficulty, he had no memory of his 46 . Dr Leonid V orobyev, an expert at the hospital, said that he had only seen such cases “in 47 and books”.Finally, the hospital staff 48 a number in his phrase book. This was the number of a friend’s mother. Doug phoned, and when his friend Nadine spoke to him, she immediately 49 his voice. “Is that you, Doug?” she said. “I don’t know,” came the reply. Nadine went to the hospital, told the doctor who Doug was, and took him home.“Home” turned out to be a wonderful apartment in downtown Manhattan where he 50 with two dogs and three parrots. Doug discovered that he had lived in Paris where he had made a lot of money. 51 Nadine, he was tired of the business world, so he moved to New York and started a four-year photography course.Now that Doug had discovered who he was, he had to face other 52 . He was worried about seeing his family and friends. They were like 53 to him. His sister said that he had changed: he used to be very 54 , and rarely showed his emotions (情感). Now he was much more relaxed and was never afraid to show his feelings.He is happy with his new life and his story has now been made into a film. An old friend of his, Director Rupert Murray, made a documentary about Doug’s 55 experience called Unknown White Male41. A. way B. intention C. interest D. idea42. A. darkness B. hole C. sky D. secret43. A. something B. nothing C. anything D. anybody44. A. extra B. special C. ugly D. nice45. A. follow B. show C. talk D. form46. A. past B. lifestyle C. friends D. relatives47. A. comedies B. lyrics C. cartoons D. movies48. A. looked for B. passed by C. came across D. fixed up49. A. heard B. recognized C. realized D. cleared50. A. spent B. shared C. served D. separated51. A. According to B. Thanks to C. Because of D. Instead of52. A. questions B. challenges C. responsibilities D. chances53. A. workers B. teachers C. partners D. strangers54. A. patient B. shy C. outgoing D. honest55. A. unusual B. boring C. unpleasant D. terribleIV. Reading. (2*15)A_________________________________Chang’e is named after a goddess in ancient fairy tales, but few people know thatshe first appeared in the book Shan Hai Jing. It is thought to have been written duringthe late Warring States Period. Another figure in the book was Zouwu, a creature whofeatures (担任主演) in the movie Fantastic Beasts. Recently, the work and othersfeaturing ancient myths and monsters have inspired artists and authors to create, whichis a source of inspiration. Experts compared the book with the histories of ancient Greek.His World’s a StageActing was, is and always will be the first love of National Peking Opera Company’snew vice-president. Tian Lei has been working with the opera company for 10 years. Hehas spent a long time training acting there since he took Peking Opera as the most specialart. “Practicing here helps me feel closer to Peking Opera masters who once shone on thestage,” he says, “and that always gives me a sense of huge achievement when I perform.”Documentary About Dunhuang OnlineThe Master of Dunhuang, a documentary about artisans (工匠) and researchersworked on protecting and spreading Dunhuang’s centuries-old culture, will come out onTencent Video, ranging from restoration (修复) to research. The first episode features LiBo, a restoration expert, teaming up with his students to carry out an experiment. The second tale is about ZhangXiaoyang who works at Mogao Cave 254. Zhang is facing a fork in her career---to continue the research with an uncertain future or accept a new offer from a college.56. All the news above has something to do with __________.A. changesB. performanceC. cultureD. lifestyle57. According to Shan Hai Jing, we can know that __________.A. Zouwu was created in the movie series Fantastic BeastsB. ancient Chinese tales are similar to the histories of ancient GreekC. Chang’e was the first goddess appearing in the late Warring States PeriodD. many ancient myths and monsters offer inspiration to some cultural workers58. What would be the best title for the first news?A. Amazing Cultural ProductsB. Fantastic Chinese CollectionsC. Ancient Fairy Tales Get popularD. Ancient Work Inspires Modern Culture59. Tian Lei takes acting as his first love probably because __________.A. Peking Opera performance is the most special artB. the theater gives him a chance to keep practising operaC. it brings him a sense of self-satisfaction when he performsD. art acting makes it possible for him to meet masters he admires60. From the passage, we can know that __________.A. the documentary is going to be shown on Tencent VideoB. artists and authors have recreated the stories in Shan Hai JingC. Tian Lei spends all his time practicing and performing on the stageD. the documentary aims to introduce people who works in DunhuangBLast year I went to the Rio de Janeiro Carnival (狂欢节), and it blew my mind. It had been my dream to attend the famous carnival for many years, so I was excited. However, the moment I arrived, I was a little bit nervous because there were so many people on the streets. They say that five or six million people come to Rio during carnival time and about two million of them are on the streets on any given day. Luckily, I had a local guide, my sister’s friend Ronnie. He said he would take care of me and show me around at the carnival. He did not let me down.Well, the carnival is all about the samba (桑巴舞). It’s a style of music and dance which comes from Africa. Samba music is usually fast and exciting with a lot of drums and harmonic vocals (和声). It is the kind of music that you couldn’t help dancing to. And I was learning that as I followed Ronnie through the crowd.Ronnie had got us tickets for the samba Parade (游行) inside the Sambadrome where the top samba schools take part in the competition. But we still had a long way to go through the street parties. He said most people enjoy the carnival by making their own parties in the street.So, you must be wondering how the samba parade was in Sambadrome. ★. Ronnie and I never made into Sambadrome. We spent the day moving from one street party to another. There were more snacks, more drinks and lots of dancing. Do I regret missing the main parade? Not at all. I experienced the carnival like the locals, and itwas truly amazing.61. The underlined words “it blew my mind” in the passage probably mean __________.A. it made me tiredB. it brought me childhood memoriesC. it raised some questions in my mindD. it made me very surprised and excited62. After the writer arrived at the carnival, __________.A. she lost her wayB. she was too shy to danceC. she was received by a local guideD. she felt sorry for the crowded streets63. Why didn’t the writer regret missing the main parade?A. Because she met some amazing local peopleB. Because she made her own parties in the streetC. Because she celebrated the festival in a local wayD. Because the ticket for the parade was not expensive64. Which of the following sentence can be put in ★?A. I agree with youB. It’s really a good ideaC. Well, I’m afraid I can’t tell youD. But I have never heard of it before65. What would be the best title for the passage?A. An Amazing CarnivalB. An Unforgettable Street PartyC. A Story Behind the Samba ParadeD. Learning Samba in Rio de JaneiroCI grew up in the countryside of Poland. It’s an area where skiing is popular, but my family was poor. I couldn’t afford to ride the ski lift, so I used to hike up with the skis on my back. It turned out that this was good practice.K2 is nicknamed “savage (野蛮的) mountain”. You hear tragic stories: For every four people who reach the summit, one dies. I was too afraid to even think about skiing down it. Even the best ski mountaineers thought it impossible.But that changed after a training expedition (考察) to Broad Peak. I got a clear look at K2’sextremely large face, and it inspired me. Over time, my skills improved and, by 2017, I didn’t feel the fear anymore. I began preparations.Why attempt such a feat (壮举)? I love nature, and I love setting goals. To be the first to do it just adds to the challenge. Fear is an important part of life, but to ski down K2, I had to stop being afraid.At the base camp, I felt calm and prepared. There were no emotions or doubts--I just knew I could do it. But there were challenges. At the third base camp, 7, 000 meters up, my safety guy suffered severe back pain. We waited for 36 hours after he got better, and I decided to proceed. In total, it took about three days to reach the summit.For many climbers, getting to the peak of K2 would be the defining moment of their lives. For me, it was where the real challenge began. Skiing down a mountain demands patience and endurance (耐力).The most dangerous part was the Messner Traverse. It’s pure ice, up to a75-degree angle in places, with drops on either side. You need to keep your turns and movements smooth and confident. No one had challenged it before, so it was a relief to cross it.In total, going down the mountain took about seven hours. When I finally skied into camp, I was too tired tostand up.I am so proud of what I achieved. No one thought it could be done. It taught me the value of patience and that nobody else can make your dreams come true.66. From the first paragraph, we know that the author __________.A. was poor at skiingB. was interested in skiingC. lived in Poland where everyone liked skiingD. preferred hiking with skis on his back to riding the ski lift67. Paragraph 2 mainly talks about __________.A. how difficult it is to ski down K2B. why the author wanted to challenge K2C. how many mountaineers ever reached K2D. howK2 got the nickname “savage mountain”68. The underlined word “proceed” in paragraph 5 probably means __________.A. give upB. go onC. get upD. go back69. What are the best words to describe the author?A. Confident and honest.B. Patient and determined.C. Understanding and careful.D. Hardworking and helpful.70. From the passage, we can infer that __________.A. the author made full preparations but failedB. no one believed in what the author had doneC. the author was never afraid of skiing down K2D. the author’s positive attitude without fear leads to successPart TwoV. Fill in the blanks with the words given. There are two extra words. (1’x5)responsible / signal / look up / upset / tidy up / miss / book71. Hurry up! It would be a shame to ____________ the beginning of the play.72. As a manager, it is his duty to be ____________ for the loss of the customers.73. Please ____________ the timetable and tell me the arrival time of Flight CA3101.74. Once the referee gives the ____________, all the athletes run as fast as they can.75. Kids always feel ____________ if they can’t get what they want.VI. Fill in the blanks according to the text. (1’x5)76. Our artist used these as a ____________.77. The first ____________ were gliders--planes without engines.78. Two of the 18th century’s greatest ____________ started in exactly this way.79. The spaceship will carry ____________ to the red planet in just 28 hours.80. Sleep will become ____________ by 2050, say scientists.VII. Tenses and Proper forms. (1’x10)81. I ____________ (write) while my mother was cooking82. So far they ____________ (receive) many applications for the job83. He ____________ (enjoy) having nothing to do every Sunday afternoon.84. He will gain more confidence if he ____________ (catch) up with his classmates.85. He got home, took off his socks and ____________ (lie) on the bed.86. Air ____________ (pollute) can cause breathing problems for some people.87. He looked at me in ____________ (confuse) and did not answer the question.8&. In the end, we ____________ (success) in working out the cost of all these things.89. Lots of children have ____________ (imagine) friends who they can play with.90. There have been a lot of ____________ (argue) about who was responsible for the accident.VII. Sentence patterns. (1’x5)91. I didn’t know anything about it. (say it in another way)I ____________ ____________ ____________ ____________.92. The blue car is less reliable than the black car. (say it in another way)The blue car is ____________ ____________ ____________ ____________ the black car.93. This dress is small. That dress is medium. (join two sentences into one)They are ____________ ____________ ____________.94. The apples are 7 kilos. The pears are 7 kilos, too. (join two sentences into one)They are ____________ ____________ ____________.95. She wasn’t able to finish those exercises. They were too difficult. (join two sentences into one)Those exercises ________________________________________________.IX. Fill in the blanks according to the passage. (1’x10)Every morning, my father buys a newspaper on his way to work. Every day, I open my books in class and start my lessons. Every evening, my mother looks through magazines at home. And every night, I look at the photos of David Beckham and Yao Ming on my bedroom wall before I go to sleep. Can we imagine life ____________ (96) paper or printing?Paper was first created about 2, 000 years ago in China. After its ____________ (97) (invent), people started to write on paper to make books. In those days, books were only ____________ (98) (produce) one at a time by hand. As a result, there were not many books, and they were e____________ (99). So, few people had the c____________ (100) to learn to read.Printing was invented in China during the Sui and Tang Dynasties. Later, developments imprinting made it possible to produce books more quickly and cheaply. A trade in books resulted, and more people learned to read.Knowledge and ideas s____________ (101) faster than ever before.Although the Internet is still young, it is g____________ (102) very fast, and may become more powerful than printing. A much larger amount of information can be stored in more varied (各种不同的) forms on the Internet than in books. Someone with an Internet connection can find information much more e____________ (103) than they can find it in printed forms. And the ____________ (104) (machine) we use to read it are now small and light, often smaller and lighter than a single book.Computers and the Internet are used in classrooms now, and newspapers and magazines are already read online. So what d____________ (105) will traditional printing take in the future? Will books be replaced by the Internet? Let’s wait and see.参考答案Ⅰ. 听力1-5 BCACB 6-10 BACBB 11-15 CCBCA 16-20 CBCBC 21-25 ABACBⅢ. 单选择26-30 CABBC 31-35 BB/CACD 36-40 ABCDDⅢ. 完型4145 DACBD 46-50 ADCBB 51-55 ABDBAⅧ. 句型91. knew nothing about it92. not as/so reliable as93. different in size/in different sizes94. the same weight95. were too difficult for he to finishⅨ. 短文填空96. without 97. invention 98. produced 99. expensive 100. chance101. spread 102 growing 103. easily/efficiently 104. machines 105. direction。
八年级期中精选试卷达标训练题(Word版含答案)一、初二物理声现象实验易错压轴题(难)1.大海同学为了探究琴弦的音调与音弦的材料、张紧程度、横截面积、长短的关系,设计了如图所示的实验,采用了表一所列各种规格的琴弦、几个钩码和一个能够测量振动频率的仪器.编号材料长度/cm 横截面积/mm2A 铜60 0.76B 铜60 0.89C 铜60 1.02D 铜80 0.76E 铜F 铜100 0.76G 钢80 1.02H 尼龙80 1.02I 尼龙100 1.02实验步骤:(1)在大木板的两边立起两块小木板,在大木板的一端牢牢钉人一根大钉子,把弦的一端绑在钉子上,另一端垂在桌边,把钩码绑在垂下的弦上.(如图)(2)为了验证“琴弦发出声音的音调高低,可能与琴弦的粗细有关”这一猜想,应选用编号为A、____ 、____ 的琴弦进行实验.(如表)(3)为了验证“琴弦发出声音的音调高低,可能与琴弦的长短有关”这一猜想,应选用编号为____ 、____ 、____ 的琴弦进行实验.(如表)(4)表一中有的材料规格还没填全,为了验证“琴弦发出声音的音调高低.可能与琴弦的材料有关”这一猜想,必须知道该项内容.请在表中填上所缺数据.(如表)______、______【答案】B C A D F80 1.02【解析】【详解】(2)在探究“琴弦发出声音的音调高低,可能与琴弦的粗细有关”时,要控制琴弦的材料和长度相同,故选A. B. C的琴弦进行实验;(3)探究“琴弦发出声音的音调高低,可能与琴弦的长短有关”时,应控制琴弦的材料和横截面积相同,所以选A. D. F的琴弦进行实验;(4)为了验证“琴弦发出声音的音调高低。
可能与琴弦的材料有关”时,应控制琴弦的长度和横截面积相同,材料不同,符合条件的只有G、H,所以D项中应是:80;1.02.2.小明同学在学习完课本上“探究声音的响度与哪些因素有关”的实验后,回到家中想用铁脸盆和水等材料来做这个实验,请帮助她完成探究报告.(1)提出问题:声音的响度与振幅有什么关系?(2)猜想与假设:______________.(3)进行实验与收集证据:A.需要实验器材:铁脸盆、水、钢勺.B.在铁脸盆中装入适量的水,用钢勺轻敲铁脸盆,会发现铁脸盆中的水在跳动.C.用较大的力敲铁脸盆,发现铁脸盆中的水跳动比步骤B中的水跳动________(选填“高”“低”或“不变”).(4)结论:通过分析,结合提出的问题,你能初步得出结论:___________________.(5)评估:你还可以用这些器材来探究什么问题____________?(写出探究的问题即可)【答案】振幅越大,响度越大高响度与振幅有关,振幅越大,响度越大声音是怎样产生的或音调高低与水多少有关吗?【解析】【分析】【详解】(2)本题所研究的问题是声音的响度与振幅有什么关系?因此,可以猜想:振幅越大,响度越大;(3)根据实验现象可知,用较大的力敲铁脸盆,发现铁脸盆中的水跳动比步骤B中的水跳动高;(4)通过实验分析,我们可以得出的结论是:响度与振幅有关,振幅越大,响度越大;(5) 因为实验中可以看到水的跳动,故还可以用这些器材来研究:声音怎样产生;另外在水盆中将入不同深度的水时,盆的振动频率会变化,所以还可以研究:音调高低与水的多少有关吗?3.噪声是一种严重的环境污染,小明想比较几种材料(毛衣、报纸、棉花、泡沫塑料)的隔音性能,来选择一种隔音性能好的材料做耳罩的填充物,实验器材除了待检测的材料外,还有:音叉、机械闹钟、鞋盒,完成下面各题:(1)本实验中适合做声源的是________ .(2)小明将声源放入鞋盒内,在其四周塞满待测材料,再盖上盒盖,他设想了两种实验比较方案,你认为最佳的是________ .A.让人站在距鞋盒一定距离外,比较所听见声音的响度B.让人一边听声音,一边向后退,直至听不见声音为止,比较此处距鞋盒的距离(3)下面的表格是为了上述两种实验方案而设计的,其中与方案B对应的是________ .(4)待测材料隔声性能由好到差的排列顺序为________ .【答案】机械闹钟B表二棉花泡沫毛衣报纸【解析】【分析】【详解】(1)发声体需要持续发声,所以音叉不合适,应该选择机械闹钟;(2)比较响度依靠感觉,不够准确;听不见声音的距离比较准确而且容易进行比较,隔音性能好,响度越小,听不见声音的距离就越小;隔音性能差,响度越大,听不见声音的距离就越大,因此选B.(3)表二比较的是距离,所以其中与方案B对应的是表二.(4)隔音性能好,响度越小,听不见声音的距离就越小;隔音性能差,响度越大,听不见声音的距离就越大.距离由短到长依次是棉花泡沫毛衣报纸,因此隔声性能由好到差应该是棉花泡沫毛衣报纸.4.如图所示的是小明在课余时间制作的一个竹笛,在竹管开口处①向管内吹气时,竹笛可以发出美妙的笛声,推拉铁丝环⑥时,音调可以改变,吹奏歌曲.(1)吹奏竹笛时,振动发声的物体是________.(2)当布团⑤分别位于a、b、c三个位置时,竹笛发声音调最高的位置是________,音调最低的位置是________.【答案】空气柱a c【解析】解答:(1)声音是由物体的振动产生的.吹奏竹笛时,笛声是由笛子内的空气柱振动发出的;且音调的高低取决于空气柱的长短,空气柱越长,产生的笛声的音调越低,空气柱越短,音调越高.(2)可以看出在图示的三个位置中,当布团在a位置时,管内的空气柱最短,因为空气柱越长(短)竹笛发出的声音的音调越低(高),所以此时发出的声音的音调最高;在c点是空气柱最长,发出的声音的音调最低.5.小明在吉他演奏中发现,琴弦发出的音调与弦线的长度、粗细和张力有关.于是他想(1)利用弦音计做研究,如图所示,其中a、b、c、d四根弦线的张力相同.①若他选择b、d两弦线做实验,则研究的目的是探究音调与弦线_____的关系.②若他要研究音调与弦线粗细的关系,则应选择_____和_____两弦线做实验.③小明研究后得出结论:在其他条件相同的情况下,弦线越长,发出的音调越低;弦线越粗,发出的音调越低.(2)请你据如图判断,在张力相同的情况下,分别按住A点、B点、C点后拨动琴弦,发出的音调最高的是按住_____点,最低的是按住_____点.【答案】长度 a b A B【解析】【分析】【详解】(1)弦乐器的音调与弦的长短粗细和张力有关,在研究弦乐器的音调与哪些因素有关时,用到的实验方法为控制变量法,若他选择b、d两弦线做实验,两者的粗细和张力相同,所以研究的目的是探究音调与弦线长度的关系.若他要研究音调与弦线粗细的关系,应该控制他们的长度和张力相同,满足该条件的是a和b两弦线.(2)按住AC两点比较,按住A点时弦较短,所以发出的音调较高的是按住A,发出的音调较低的是按住C按住BC两点比较,按住B点时弦较粗,所以发出的音调较高的是按住C,发出的音调较低的是按住B,所以分别按住A点、B点、C点后拨动琴弦,发出的音调最高的是按住A点,最低的是按住B点.二、初二物理光现象实验易错压轴题(难)6.如图所示是“探究平面镜成像特点”的实验装置.(1)在此实验中,用玻璃板代替平面镜的目的是______;选取两支完全相同的蜡烛是为了比较像与物的______关系.(2)此实验最好在_____(选填“较亮”或“较暗”)的环境中进行,观察到的效果会更好些.(3)移开蜡烛B.在其原来位置放一光屏,光屏上无法呈现蜡烛的像,说明平面镜成的是______像.【答案】便于确定像的位置大小较暗虚【解析】(1)为了确定像的位置,让蜡烛A的像和蜡烛B重合,既能观察到A蜡烛像的同时,也能观察到B蜡烛,实验中要使用透明的玻璃板;选用大小相同的两个蜡烛,是为了用蜡烛B代替蜡烛A,来比较物像的大小. (2)因蜡烛是点燃的,所以适合在较黑暗的环境下才可看清蜡烛的像. (3)因为光屏只能接收实像,不能接收虚像,光屏不能接收到蜡烛A的烛焰的像,所以说明平面镜成的像是虚像.点睛:研究平面镜成像特点时,确定像的位置是关键.像的位置用蜡烛B与蜡烛A的像重合来确定.实验中既能看到物体A的像,又能看到蜡烛B,要采用透明的玻璃板;研究物像的大小采用的是等效替代法,把蜡烛A的大小用蜡烛B来代替;当实验环境光线较暗时,实验现象会更加明显.7.如图甲所示,平面镜M放在水平桌面上,E、F是两块黏接在一起的硬纸板,垂直于镜面且可绕ON转动,小诚同学利用该实验装置和量角器,进行了探究光的反射规律实验。
八年级数学上册期中精选试卷测试题(Word版含解析)一、八年级数学全等三角形解答题压轴题(难)1.如图,△ABC 中,AB=AC=BC,∠BDC=120°且BD=DC,现以D为顶点作一个60°角,使角两边分别交AB,AC边所在直线于M,N两点,连接MN,探究线段BM、MN、NC之间的关系,并加以证明.(1)如图1,若∠MDN的两边分别交AB,AC边于M,N两点.猜想:BM+NC=MN.延长AC到点E,使CE=BM,连接DE,再证明两次三角形全等可证.请你按照该思路写出完整的证明过程;(2)如图2,若点M、N分别是AB、CA的延长线上的一点,其它条件不变,再探究线段BM,MN,NC之间的关系,请直接写出你的猜想(不用证明).【答案】(1)过程见解析;(2)MN= NC﹣BM.【解析】【分析】(1)延长AC至E,使得CE=BM并连接DE,根据△BDC为等腰三角形,△ABC为等边三角形,可以证得△MBD≌△ECD,可得MD=DE,∠BDM=∠CDE,再根据∠MDN=60°,∠BDC=120°,可证∠MDN =∠NDE=60°,得出△DMN≌△DEN,进而得到MN=BM+NC.(2)在CA上截取CE=BM,利用(1)中的证明方法,先证△BMD≌△CED(SAS),再证△MDN≌△EDN(SAS),即可得出结论.【详解】解:(1)如图示,延长AC至E,使得CE=BM,并连接DE.∵△BDC为等腰三角形,△ABC为等边三角形,∴BD=CD,∠DBC=∠DCB,∠MBC=∠ACB=60°,又BD=DC,且∠BDC=120°,∴∠DBC=∠DCB=30°∴∠ABC+∠DBC=∠ACB+∠DCB=60°+30°=90°,∴∠MBD=∠ECD=90°,在△MBD与△ECD中,∵BD CDMBD ECD BM CE,∴△MBD≌△ECD(SAS),∴MD=DE,∠BDM=∠CDE∵∠MDN =60°,∠BDC=120°,∴∠CDE+∠NDC =∠BDM+∠NDC=120°-60°=60°,即:∠MDN =∠NDE=60°,在△DMN与△DEN中,∵MD DEMDN EDN DN DN,∴△DMN≌△DEN(SAS),∴MN=NE=CE+NC=BM+NC.(2)如图②中,结论:MN=NC﹣BM.理由:在CA上截取CE=BM.∵△ABC是正三角形,∴∠ACB=∠ABC=60°,又∵BD=CD,∠BDC=120°,∴∠BCD=∠CBD=30°,∴∠MBD=∠DCE=90°,在△BMD和△CED中∵BM CEMBD ECD BD CD,∴△BMD≌△CED(SAS),∴DM= DE,∠BDM=∠CDE∵∠MDN =60°,∠BDC=120°,∴∠NDE=∠BDC-(∠BDN+∠CDE)=∠BDC-(∠BDN+∠BDM)=∠BDC-∠MDN=120°-60°=60°,即:∠MDN =∠NDE=60°,在△MDN和△EDN中∵ND NDEDN MDN ND ND,∴△MDN≌△EDN(SAS),∴MN =NE=NC﹣CE=NC﹣BM.【点睛】此题考查了全等三角形的判定与性质、等边三角形的性质、等腰三角形的性质等知识,解题的关键是学会添加常用辅助线,构造全等三角形解决问题.2.已知△ABC中,AB=AC,点P是AB上一动点,点Q是AC的延长线上一动点,且点P从B运动向A、点Q从C运动向Q移动的时间和速度相同,PQ与BC相交于点D,若AB=82BC=16.(1)如图1,当点P为AB的中点时,求CD的长;(2)如图②,过点P作直线BC的垂线,垂足为E,当点P、Q在移动的过程中,设BE+CD=λ,λ是否为常数?若是请求出λ的值,若不是请说明理由.【答案】(1)4;(2)8【解析】【分析】(1)过P点作PF∥AC交BC于F,由点P和点Q同时出发,且速度相同,得出BP=CQ,根据PF∥AQ,可知∠PFB=∠ACB,∠DPF=∠CQD,则可得出∠B=∠PFB,证出BP=PF,得出PF=CQ,由AAS证明△PFD≌△QCD,得出,再证出F是BC的中点,即可得出结果;(2)过点P作PF∥AC交BC于F,易知△PBF为等腰三角形,可得BE=12BF,由(1)证明方法可得△PFD≌△QCD 则有CD=12CF,即可得出BE+CD=8.【详解】解:(1)如图①,过P点作PF∥AC交BC于F,∵点P和点Q同时出发,且速度相同,∴BP=CQ,∵PF∥AQ,∴∠PFB=∠ACB,∠DPF=∠CQD,又∵AB=AC,∴∠B=∠ACB,∴∠B=∠PFB,∴BP=PF,∴PF=CQ,又∠PDF=∠QDC,∴△PFD≌△QCD,∴DF=CD=12CF , 又因P 是AB 的中点,PF ∥AQ ,∴F 是BC 的中点,即FC=12BC=8, ∴CD=12CF=4; (2)8BE CD λ+==为定值.如图②,点P 在线段AB 上,过点P 作PF ∥AC 交BC 于F ,易知△PBF 为等腰三角形,∵PE ⊥BF∴BE=12BF ∵易得△PFD ≌△QCD∴CD=12CF ∴()111182222BE CD BF CF BF CF BC λ+==+=+== 【点睛】 此题考查了等腰三角形的性质,全等三角形的判断与性质,熟悉相关性质定理是解题的关键.3.如图①,在ABC 中,90BAC ∠=︒,AB AC =,AE 是过A 点的一条直线,且B 、C 在AE 的异侧,BD AE ⊥于D ,CE AE ⊥于E .(1)求证:BD DE CE =+.(2)若将直线AE 绕点A 旋转到图②的位置时(BD CE <),其余条件不变,问BD 与DE 、CE 的关系如何?请予以证明.【答案】(1)见解析;(2)BD=DE-CE ,理由见解析.【解析】【分析】(1)根据已知利用AAS 判定△ABD ≌△CAE 从而得到BD=AE ,AD=CE ,因为AE=AD+DE ,所以BD=DE+CE ;(2)根据已知利用AAS 判定△ABD ≌△CAE 从而得到BD=AE ,AD=CE ,因为AD+AE=BD+CE ,所以BD=DE-CE .【详解】解:(1)∵∠BAC=90°,BD ⊥AE ,CE ⊥AE ,∴∠BDA=∠AEC=90°,∵∠ABD+∠BAE=90°,∠CAE+∠BAE=90°∴∠ABD=∠CAE ,∵AB=AC ,在△ABD 和△CAE 中,BDA AEC ABD CAE AB AC ∠=∠⎧⎪∠=∠⎨⎪=⎩∴△ABD ≌△CAE (AAS ),∴BD=AE ,AD=CE ,∵AE=AD+DE ,∴BD=DE+CE ;(2)BD 与DE 、CE 的数量关系是BD=DE-CE ,理由如下:∵∠BAC=90°,BD ⊥AE ,CE ⊥AE ,∴∠BDA=∠AEC=90°,∴∠ABD+∠DAB=∠DAB+∠CAE ,∴∠ABD=∠CAE ,∵AB=AC ,在△ABD 和△CAE 中,BDA AEC ABD CAE AB AC ∠=∠⎧⎪∠=∠⎨⎪=⎩∴△ABD ≌△CAE (AAS ),∴BD=AE ,AD=CE ,∴AD+AE=BD+CE ,∵DE=BD+CE ,∴BD=DE-CE .【点睛】此题主要考查全等三角形的判定和性质,常用的判定方法有SSS ,SAS ,AAS ,HL 等.这种类型的题目经常考到,要注意掌握.4.如图1,已知CF 是△ABC 的外角∠ACE 的角平分线,D 为CF 上一点,且DA =DB .(1)求证:∠ACB =∠ADB ;(2)求证:AC +BC <2BD ;(3)如图2,若∠ECF =60°,证明:AC =BC +CD .【答案】(1)详见解析;(2)详见解析;(3)详见解析.【解析】【分析】(1)过点D 分别作AC ,CE 的垂线,垂足分别为M ,N ,证明Rt △DAM ≌Rt △DBN ,得出∠DAM=∠DBN ,则结论得证;(2)证明Rt △DMC ≌Rt △DNC ,可得CM=CN ,得出AC+BC=2BN ,又BN <BD ,则结论得证; (3)在AC 上取一点P ,使CP=CD ,连接DP ,可证明△ADP ≌△BDC ,得出AP=BC ,则结论可得出.【详解】(1)证明:过点D 分别作AC ,CE 的垂线,垂足分别为M ,N ,∵CF 是△ABC 的外角∠ACE 的角平分线,∴DM =DN ,在Rt △DAM 和Rt △DBN 中,DA DB DM DN=⎧⎨=⎩ , ∴Rt △DAM ≌Rt △DBN (HL ),∴∠DAM=∠DBN,∴∠ACB=∠ADB;(2)证明:由(1)知DM=DN,在Rt△DMC和Rt△DNC中,DC DCDM DN=⎧⎨=⎩,∴Rt△DMC≌Rt△DNC(HL),∴CM=CN,∴AC+BC=AM+CM+BC=AM+CN+BC=AM+BN,又∵AM=BN,∴AC+BC=2BN,∵BN<BD,∴AC+BC<2BD.(3)由(1)知∠CAD=∠CBD,在AC上取一点P,使CP=CD,连接DP,∵∠ECF=60°,∠ACF=60°,∴△CDP为等边三角形,∴DP=DC,∠DPC=60°,∴∠APD=120°,∵∠ECF=60°,∴∠BCD=120°,在△ADP和△BDC中,APD BCDPAD CBDDA DB∠=∠⎧⎪∠=∠⎨⎪=⎩,∴△ADP≌△BDC(AAS),∴AP=BC,∵AC=AP+CP,∴AC=BC+CP,∴AC=BC+CD.【点睛】本题是三角形综合题,考查了等边三角形的判定与性质,全等三角形的判定与性质,角平分线的性质等知识,解题的关键是灵活运用所学知识解决问题.5.综合与实践:我们知道“两边及其中一边的对角分别对应相等的两个三角形不一定全等”.但是,乐乐发现:当这两个三角形都是锐角三角形时,它们会全等.(1)请你用所学知识判断乐乐说法的正确性.如图,已知ABC ∆、111A B C ∆均为锐角三角形,且11AB A B =,11BC B C =,1C C ∠=∠. 求证:111ABC A B C ∆∆≌.(2)除乐乐的发现之外,当这两个三角形都是______时,它们也会全等.【答案】(1)见解析;(2)钝角三角形或直角三角形.【解析】【分析】(1)过B 作BD ⊥AC 于D ,过B 1作B 1D 1⊥B 1C 1于D 1,得出∠BDA=∠B 1D 1A 1=∠BDC=∠B 1D 1C 1=90°,根据SAS 证△BDC ≌△B 1D 1C 1,推出BD=B 1D 1,根据HL 证Rt △BDA ≌Rt △B 1D 1A 1,推出∠A=∠A 1,根据AAS 推出△ABC ≌△A 1B 1C 1即可.(2)当这两个三角形都是直角三角形时,直接利用HL 即可证明;当这两个三角形都是钝角三角形时,与(1)同理可证.【详解】(1)证明:过点B 作BD AC ⊥于D ,过1B 作1111B D A C ⊥于1D ,则11111190BDA B D A BDC B D C ∠=∠=∠=∠=︒.在BDC ∆和111B D C ∆中,1C C ∠=∠,111BDC B D C ∠=∠,11BC B C =,∴111BDC B D C ∆∆≌,∴11BD B D =.在Rt BDA ∆和111Rt B D A ∆中,11AB A B =,11BD B D =,∴111Rt Rt (HL)BDA B D A ∆∆≌,∴1A A ∠=∠.在ABC ∆和111A B C ∆中,1C C ∠=∠,1A A ∠=∠,11AB A B =,∴111(AAS)ABC A B C ∆∆≌.(2)如图,当这两个三角形都是直角三角形时,∵11AB A B =,11BC B C =,190C C ∠==∠︒.∴Rt ABC ∆≌111Rt A B C ∆(HL );∴当这两个三角形都是直角三角形时,它们也会全等;如图,当这两个三角形都是钝角三角形时,作BD ⊥AC ,1111B D A C ⊥,与(1)同理,利用AAS 先证明111BDC B D C ∆∆≌,得到11BD B D =,再利用HL 证明111Rt Rt BDA B D A ∆∆≌,得到1A A ∠=∠,再利用AAS 证明111ABC A B C ∆∆≌;∴当这两个三角形都是钝角三角形时,它们也会全等;故答案为:钝角三角形或直角三角形.【点睛】本题考查了全等三角形的性质和判定的应用,主要考查学生的推理能力.解题的关键是熟练掌握证明三角形全等的方法.二、八年级数学 轴对称解答题压轴题(难)6.如图,在△ABC 中,AB=BC=AC=20 cm .动点P ,Q 分别从A ,B 两点同时出发,沿三角形的边匀速运动.已知点P ,点Q 的速度都是2 cm/s ,当点P 第一次到达B 点时,P ,Q 两点同时停止运动.设点P 的运动时间为t (s ).(1)∠A=______度;(2)当0<t <10,且△APQ 为直角三角形时,求t 的值;(3)当△APQ 为等边三角形时,直接写出t 的值.【答案】(1)60;(2)103或203;(3)5或20 【解析】【分析】(1)根据等边三角形的性质即可解答;(2)需分∠APQ=90°和∠AQP=90°两种情况进行解答;(3)需分以下两种情况进行解答:①由∠A=60°,则当AQ=AP 时,△APQ 为等边三角形;②当P 于B 重合,Q 与C 重合时,△APQ 为等边三角形.【详解】解:(1)60°.(2)∵∠A=60°,当∠APQ=90°时,∠AQP=90°-60°=30°.∴QA=2PA .即2022 2.t t -=⨯ 解得 10.3t = 当∠AQP=90°时,∠APQ=90°-60°=30°.∴PA=2QA .即2(202)2.t t -= 解得 20.3t = ∴当0<t <10,且△APQ 为直角三角形时,t 的值为102033或. (3)①由题意得:AP=2t ,AQ=20-2t∵∠A=60°∴当AQ=AP 时,△APQ 为等边三角形∴2t=20-2t ,解得t=5②当P 于B 重合,Q 与C 重合,则所用时间为:4÷2=20综上,当△APQ 为等边三角形时,t=5或20.【点睛】本题考查了等边三角形和直角三角形的判定以及动点问题,解答的关键在于正确的分类讨论以及对所学知识的灵活应用.7.(1)问题发现.如图1,ACB ∆和DCE ∆均为等边三角形,点A 、D 、E 均在同一直线上,连接BE .①求证:ADC BEC ∆∆≌.②求AEB ∠的度数.③线段AD 、BE 之间的数量关系为__________.(2)拓展探究.如图2,ACB ∆和DCE ∆均为等腰直角三角形,90ACB DCE ∠=∠=︒,点A 、D 、E 在同一直线上,CM 为DCE ∆中DE 边上的高,连接BE .①请判断AEB ∠的度数为____________.②线段CM 、AE 、BE 之间的数量关系为________.(直接写出结论,不需证明)【答案】(1)①详见解析;②60°;③AD BE =;(2)①90°;②2AE BE CM =+【解析】【分析】(1)易证∠ACD =∠BCE ,即可求证△ACD ≌△BCE ,根据全等三角形对应边相等可求得AD =BE ,根据全等三角形对应角相等即可求得∠AEB 的大小;(2)易证△ACD ≌△BCE ,可得∠ADC =∠BEC ,进而可以求得∠AEB =90°,即可求得DM =ME =CM ,即可解题.【详解】解:(1)①证明:∵ACB ∆和DCE ∆均为等边三角形,∴AC CB =,CD CE =,又∵60ACD DCB ECB DCB ∠+∠=∠+∠=︒,∴ACD ECB ∠=∠,∴()ADC BEC SAS ∆∆≌.②∵CDE ∆为等边三角形,∴60CDE ∠=︒.∵点A 、D 、E 在同一直线上,∴180120ADC CDE ∠=︒-∠=︒,又∵ADC BEC ∆∆≌,∴120ADC BEC ∠=∠=︒,∴1206060AEB ∠=︒-︒=︒.③AD BE =ADC BEC ∆∆≌,∴AD BE =.故填:AD BE =;(2)①∵ACB ∆和DCE ∆均为等腰直角三角形,∴AC CB =,CD CE =,又∵90ACB DCE ∠=∠=︒,∴ACD DCB ECB DCB ∠+∠=∠+∠,∴ACD ECB ∠=∠,在ACD ∆和BCE ∆中,AC CB ACD ECB CD CE =⎧⎪∠=∠⎨⎪=⎩,∴E ACD BC ∆∆≌,∴ADC BEC ∠∠=.∵点A 、D 、E 在同一直线上, ∴180********ADC BEC CDE ∠=∠=︒-∠=︒-︒=︒,∴1351354590AEB CED ∠=︒-∠=︒-︒=︒.②∵CDA CEB ∆∆≌,∴BE AD =.∵CD CE =,CM DE ⊥,∴DM ME =.又∵90DCE ∠=︒,∴2DE CM =,∴2AE AD DE BE CM =+=+.故填:①90°;②2AE BE CM =+.【点睛】本题考查了全等三角形的判定,考查了全等三角形对应边相等、对应角相等的性质,本题中求证△ACD ≌△BCE 是解题的关键.8.已知在△ABC 中,AB =AC ,射线BM 、BN 在∠ABC 内部,分别交线段AC 于点G 、H . (1)如图1,若∠ABC =60°,∠MBN =30°,作AE ⊥BN 于点D ,分别交BC 、BM 于点E、F.①求证:∠1=∠2;②如图2,若BF=2AF,连接CF,求证:BF⊥CF;(2)如图3,点E为BC上一点,AE交BM于点F,连接CF,若∠BFE=∠BAC=2∠CFE,求ABFACFSS的值.【答案】(1)①见解析;②见解析;(2)2【解析】【分析】(1)①只要证明∠2+∠BAF=∠1+∠BAF=60°即可解决问题;②只要证明△BFC≌△ADB,即可推出∠BFC=∠ADB=90°;(2)在BF上截取BK=AF,连接AK.只要证明△ABK≌CAF,可得S△ABK=S△AFC,再证明AF=FK=BK,可得S△ABK=S△AFK,即可解决问题;【详解】(1)①证明:如图1中,∵AB=AC,∠ABC=60°∴△ABC是等边三角形,∴∠BAC=60°,∵AD⊥BN,∴∠ADB=90°,∵∠MBN=30°,∠BFD=60°=∠1+∠BAF=∠2+∠BAF,∴∠1=∠2②证明:如图2中,在Rt △BFD 中,∵∠FBD =30°,∴BF =2DF ,∵BF =2AF ,∴BF =AD ,∵∠BAE =∠FBC ,AB =BC ,∴△BFC ≌△ADB ,∴∠BFC =∠ADB =90°,∴BF ⊥CF(2)在BF 上截取BK =AF ,连接AK.∵∠BFE =∠2+∠BAF ,∠CFE =∠4+∠1,∴∠CFB =∠2+∠4+∠BAC ,∵∠BFE =∠BAC =2∠EFC ,∴∠1+∠4=∠2+∠4∴∠1=∠2,∵AB =AC ,∴△ABK ≌CAF ,∴∠3=∠4,S △ABK =S △AFC ,∵∠1+∠3=∠2+∠3=∠CFE =∠AKB ,∠BAC =2∠CEF ,∴∠KAF =∠1+∠3=∠AKF ,∴AF =FK =BK ,∴S △ABK =S △AFK ,∴ABF AFCS 2S ∆∆=. 【点睛】本题考查全等三角形的判定和性质、等边三角形的性质、等腰三角形的判定和性质、直角三角形30度角性质等知识,解题的关键是能够正确添加常用辅助线,构造全等三角形解决问题,属于中考压轴题.9.已知等边△ABC的边长为4cm,点P,Q分别是直线AB,BC上的动点.(1)如图1,当点P从顶点A沿AB向B点运动,点Q同时从顶点B沿BC向C点运动,它们的速度都为lcm/s,到达终点时停止运动.设它们的运动时间为t秒,连接AQ,PQ.①当t=2时,求∠AQP的度数.②当t为何值时△PBQ是直角三角形?(2)如图2,当点P在BA的延长线上,Q在BC上,若PQ=PC,请判断AP,CQ和AC之间的数量关系,并说明理由.【答案】(1)①∠AQP=30°;②当t=43秒或t=83秒时,△PBQ为直角三角形;(2)AC=AP+CQ,理由见解析.【解析】【分析】(1)①由△ABC是等边三角形知AQ⊥BC,∠B=60°,从而得∠AQB=90°,△BPQ是等边三角形,据此知∠BQP=60°,继而得出答案;②由题意知AP=BQ=t,PB=4﹣t,再分∠PQB=90°和∠BPQ=90°两种情况分别求解可得.(2)过点Q作QF∥AC,交AB于F,知△BQF是等边三角形,证∠QFP=∠PAC=120°、∠BPQ=∠ACP,从而利用AAS可证△PQF≌△CPA,得AP=QF,据此知AP=BQ,根据BQ+CQ=BC=AC可得答案.【详解】解:(1)①根据题意得AP=PB=BQ=CQ=2,∵△ABC是等边三角形,∴AQ⊥BC,∠B=60°,∴∠AQB=90°,△BPQ是等边三角形,∴∠BQP=60°,∴∠AQP=∠AQB﹣∠BQP=90°﹣60°=30°;②由题意知AP=BQ=t,PB=4﹣t,当∠PQB=90°时,∵∠B=60°,∴PB=2BQ,得:4﹣t=2t,解得t=43;当∠BPQ=90°时,∵∠B=60°,∴BQ=2BP,得t=2(4﹣t),解得t=83;∴当t=43秒或t=83秒时,△PBQ为直角三角形;(2)AC=AP+CQ,理由如下:如图所示,过点Q作QF∥AC,交AB于F,则△BQF是等边三角形,∴BQ=QF,∠BQF=∠BFQ=60°,∵△ABC为等边三角形,∴BC=AC,∠BAC=∠BFQ=60°,∴∠QFP=∠PAC=120°,∵PQ=PC,∴∠QCP=∠PQC,∵∠QCP=∠B+∠BPQ,∠PQC=∠ACB+∠ACP,∠B=∠ACB,∴∠BPQ=∠ACP,在△PQF和△CPA中,∵BPQ ACPQFP PAC PQ PC∠=∠⎧⎪∠=∠⎨⎪=⎩∴△PQF≌△CPA(AAS),∴AP=QF,∴AP=BQ,∴BQ+CQ=BC=AC,∴AP+CQ=AC.【点睛】考核知识点:等边三角形的判定和性质.利用全等三角形判定和性质分析问题是关键.10.如图,在△ABC中,AB=AC=2,∠B=40°,点D在线段BC上运动(D不与B、C重合),连接AD,作∠ADE=40°,DE交线段AC于E点.(1)当∠BDA =115°时,∠BAD =___°,∠DEC =___°;(2)当DC 等于多少时,△ABD 与△DCE 全等?请说明理由;(3)在点D 的运动过程中,△ADE 的形状可以是等腰三角形吗?若可以,请直接写出∠BDA 的度数;若不可以,请说明理由.【答案】(1) 25,115;(2)当DC =2时,△ABD ≌△DCE ,理由见解析;(3)可以;当∠BDA 的度数为110°或80°时,△ADE 的形状是等腰三角形.【解析】【分析】(1)根据三角形内角和定理,将已知数值代入即可求出BAD ∠,根据平角的定义,可求出EDC ∠的度数,根据三角形内和定理,即可求出DEC ∠.(2)当AB DC =时,利用AAS 可证明ABD DCE ∆≅∆,即可得出2AB DC ==. (3)假设ADE ∆是等腰三角形,分为三种情况讨论:①当AD AE =时,40ADE AED ∠=∠=︒,根据AED C ∠>∠,得出此时不符合;②当DA DE =时,求出70DAE DEA ∠=∠=︒,求出BAC ∠,根据三角形的内角和定理求出BAD ∠,根据三角形的内角和定理求出BDA ∠即可;③当EA ED =时,求出DAC ∠,求出BAD ∠,根据三角形的内角和定理求出ADB ∠.【详解】(1)在BAD 中,40B ∠= ,115BDA ∠=,1801804011525BAD ABD BDA ∴∠=︒-∠-∠=︒-︒-︒=︒,1801801154025EDC ADB ADE ∠=︒-∠-∠=︒-︒-︒=︒.AB AC =,40B ∠=,40B C ∴∠=∠=,1801804025115C E DC D E C ︒-∠-∠=︒-︒-︒=∠=︒.故答案为:25,115;(2)当2DC =时,ABD DCE ∆≅∆.理由如下:40C ∠=,140EDC DEC ∴∠+∠=︒,又40ADE ∠=,140ADB EDC ∴∠+∠=︒,ADB DEC ∴∠=∠.在ABD △和DCE ∆中,B C ∠=∠,ADB DEC ∠=∠,当AB DC =时,()ABD DCE AAS ∆≅∆,2AB DC ∴==;(3)AB AC =,40B C ∴∠=∠=︒,分三种情况讨论:①当AD AE =时,40ADE AED ∠=∠=︒,AED C ∠>∠,∴此时不符合; ②当DA DE =时,即1(18040)702DAE DEA ∠=∠=︒-︒=︒,1804040100BAC ∠=︒-︒-︒=︒,1007030BAD ∴∠=︒-︒=︒;1803040110BDA ∴∠=︒-︒-︒=︒;③当EA ED =时,40ADE DAE ∠=∠=︒,1004060BAD ∴∠=︒-︒=︒,180604080BDA ∴∠=︒-︒-︒=︒;∴当110ADB ∠=︒或80︒时,ADE ∆是等腰三角形.【点睛】本题考查了学生对等腰三角形的判定与性质,全等三角形的判定与性质,三角形内角和定理等知识点的理解和掌握,此题涉及到的知识点较多,综合性较强.三、八年级数学整式的乘法与因式分解解答题压轴题(难)11.阅读以下材料,并按要求完成相应的任务.在初中数学课本中重点介绍了提公因式法和运用公式法两种因式分解的方法,其中运用公式法即运用平方差公式:22()()a b a b a b -=+-和完全平方公式:222)2(a ab b a b ±+=±进行分解因式,能运用完全平方公式分解因式的多项式必须是三项式,其中有两项能写成两个数(或式)的平方和的形式,另一项是这两个数(或式)的积的2倍.当一个二次三项式不能直接能运用完全平方公式分解因式时,可应用下面方法分解因式,先将多项式2ax bx c ++(0)a ≠变形为2()a x m n ++的形式,我们把这样的变形方法叫做多项式2ax bx c ++的配方法.再运用多项式的配方法及平方差公式能对一些多项式进行分解因式.例如:21124x x ++2221111112422x x ⎛⎫⎛⎫=++-+ ⎪ ⎪⎝⎭⎝⎭ 2112524x ⎛⎫=+- ⎪⎝⎭ 1151152222x x ⎛⎫⎛⎫=+++- ⎪⎪⎝⎭⎝⎭ (8)(3)x x =++.根据以上材料,完成相应的任务:(1)利用“多项式的配方法”将268x x -+化成2()a x m n ++的形式为_______; (2)请你利用上述方法因式分解:①223x x +-; ②24127x x +-.【答案】(1)2(3)1x --;(2)①(3)(1)x x +-;②(27)(21)x x +-【解析】【分析】(1)将多项式2233+-即可完成配方;(2)①将多项式+1-1后即可用配方法再根据平方差公式分解因式进行解答;②将多项式2233+-即可完成配方,再根据平方差公式分解因式,整理后即可得到结果.【详解】解:(1)268x x -+=2226338x x -+-+=2(3)1x --,故答案为:2(3)1x --;(2)①223x x +-22113x x =++--2(1)4x =+-(12)(12)x x =+++-(3)(1)x x =+-.②24127x x +-222(2)12337x x =++--2(23)16x =+-(234)(234)x x =+++-(27)(21)x x =+-.【点睛】此题考查多项式的配方法,多项式的分解因式,正确理解题中的配方法的解题方法是关键.12.把代数式通过配凑等手段,得到完全平方式,再运用完全平方式是非负性这一性质增加问题的条件,这种解题方法通常被称为配方法.配方法在代数式求值、解方程、最值问题等都有着广泛的应用.例如:若代数式M =a 2﹣2ab +2b 2﹣2b +2,利用配方法求M 的最小值:a 2﹣2ab +2b 2﹣2b +2=a 2﹣2ab +b 2+b 2﹣2b +1+1=(a ﹣b )2+(b ﹣1)2+1.∵(a ﹣b )2≥0,(b ﹣1)2≥0,∴当a =b =1时,代数式M 有最小值1.请根据上述材料解决下列问题:(1)在横线上添上一个常数项使之成为完全平方式:a 2+4a + ;(2)若代数式M =214a +2a +1,求M 的最小值; (3)已知a 2+2b 2+4c 2﹣2ab ﹣2b ﹣4c +2=0,求代数式a +b +c 的值. 【答案】(1)4;(2)M 的最小值为﹣3;(3)a +b +c=122. 【解析】(1)根据常数项等于一次项系数的一半进行配方即可;(2)先提取14,将二次项系数化为1,再配成完全平方,即可得答案; (3)将等式左边进行配方,利用偶次方的非负性可得a ,b ,c 的值,从而问题得解.【详解】(1)∵a 2+4a+4=(a+2)2故答案为:4;(2)M =21a 4+2a+1 =14(a 2+8a+16)﹣3 =14(a+4)2﹣3 ∴M 的最小值为﹣3(3)∵a 2+2b 2+4c 2﹣2ab ﹣2b ﹣4c+2=0,∴(a ﹣b )2+(b ﹣1)2+(2c ﹣1)2=0,∴a ﹣b =0,b ﹣1=0,2c ﹣1=0∴a =b =1,1c=2 , ∴a+b+c=122.. 【点睛】本题考查了配方法的应用,解题时要注意配方法的步骤.注意在变形的过程中不要改变式子的值.13.阅读下列解题过程,再解答后面的题目.例题:已知224250x y y x ++-+=,求x y +的值. 解:由已知得22(21)(44)0x x y y -++++=即22(1)(2)0x y -++=∵2(1)0x -≥,2(2)0y +≥ ∴有1020x y -=⎧⎨+=⎩,解得12x y =⎧⎨=-⎩∴1x y +=-.题目:已知22464100x y x y +-++=,求xy 的值. 【答案】-32【解析】先将左边的式子写成两个完全平方的和的形式,根据非负数的性质求出x 、y 的值,再代入求出xy 的值.【详解】解:将22464100x y x y +-++=,化简得22694410x x y y -++++=,即()()223210x y -++=.∵()230x -≥,()2210y +≥,且它们的和为0,∴3x = ,12y, ∴12233xy ⎛⎫=⨯-=- ⎪⎝⎭. 【点睛】本题考查的是完全平方公式的应用,解题的关键是将左边的式子写成两个完全平方的和的形式.14.任何一个正整数n 都可以进行这样的分解:n =p ×q (p 、q 是正整数,且p ≤q ).如果p ×q 在n 的所有这种分解中两因数之差的绝对值最小,我们就称p ×q 是n 的最佳分解,并且规定F (n )=p q .例如18=1×18=2×9=3×6,这时就有F (18)=3162=.请解答下列问题:(1)计算:F (24);(2)当n 为正整数时,求证:F (n 3+2n 2+n )=1n . 【答案】(1)23;(2) 1n . 【解析】分析:(1)根据最佳分解的意义,把24分解成两数的积,找出差的绝对值最小的两数,求比值即可;(2)根据(1)的求法,确定差的绝对值最小的两数的特点,然后根据要求变形即可. 详解:(1)∵24=1×24=2×12=3×8=4×6,其中4与6的差的绝对值最小, ∴F(24)=46=23. (2)∵n 3+2n 2+n =n(n +1)2,其中n(n +1)与(n +1)的差的绝对值最小,且(n +1)≤n(n +1),∴F(n 3+2n 2+n)=()n 1n n 1++=1n .点睛: 本题主要考查实数的运算,理解最佳分解的定义,并将其转化为实数的运算是解题的关键.15.(探究)如图①,从边长为a 的大正方形中剪掉一个边长为b 的小正方形,有阴影部分沿虚线剪开,拼成图②的长方形(1)请你分别表示出这两个图形中阴影部分的面积(2)比较两图的阴影部分面积,可以得到乘法公式 (用字母表示)(应用)请应用这个公式完成下列各题①已知22412m n -=,24m n +=,则2m n -的值为②计算:(2)(2)a b c a b c +--+(拓展)①()()()()24832(21)21212121+1+++++结果的个位数字为 ②计算:222222221009998974321-+-++-+-【答案】[探究](1)a 2﹣b 2;(a +b )(a ﹣b );(2)(a +b )(a ﹣b )=a 2﹣b 2;[应用]①3;②4a 2﹣b 2+2bc ﹣c 2;[拓展]①6;②5050.【解析】【分析】[探究](1)由面积公式可得答案;(2)公式由(1)直接可得;[应用]①用平方差公式分解4m 2﹣n 2,将已知值代入可求解;②将三项恰当组分成两组,先用平方差,再用完全平方公式展开后合并同类项即可;[拓展]①将原式乘以(2﹣1),就可以反复运用平方差公式化简,最后按照循环规律可得解;②将原式从左向右依次两项一组,运用平方差公式分解,化为100+99+98+…+4+3+2+1,从而可得答案.【详解】(1)图①按照正方形面积公式可得:a 2﹣b 2;图②按照长方形面积公式可得:(a +b )(a ﹣b ).故答案为:a 2﹣b 2;(a +b )(a ﹣b ).(2)令(1)中两式相等可得:(a +b )(a ﹣b )=a 2﹣b 2故答案为:(a +b )(a ﹣b )=a 2﹣b 2.【应用】①∵4m 2﹣n 2=12,2m +n =4,4m 2﹣n 2=(2m +n )(2m ﹣n ),∴(2m ﹣n )=12÷4=3. 故答案为:3.②(2a+b﹣c)(2a﹣b+c)=[2a+(b﹣c)][2a﹣(b﹣c)]=4a2﹣(b﹣c)2=4a2﹣b2+2bc﹣c2【拓展】①原式=(2﹣1)(2+1)(22+1)(24+1)(28+1)…(232+1)+1=(22﹣1)(22+1)(24+1)(28+1)…(232+1)+1=(24﹣1)(24+1)(28+1)…(232+1)+1=(28﹣1)(28+1)…(232+1)+1=(216﹣1)…(232+1)+1=264﹣1+1=264.∵2的正整数次方的尾数为2,4,8,6循环,64÷4=16.故答案为:6.②原式=(100+99)(100﹣99)+(98+97)(98﹣97)+…+(4+3)(4﹣3)+(2+1)(2﹣1)=100+99+98+97+…+4+3+2+1=5050.【点睛】本题考查了平方差公式的几何背景及其应用与拓展,计算具有一定的难度,属于中档题.四、八年级数学分式解答题压轴题(难)16.已知:12xM+=,21xNx=+.(1)当x>0时,判断M N-与0的关系,并说明理由;(2)设2y NM=+.①当3y=时,求x的值;②若x是整数,求y的正整数值.【答案】(1)见解析;(2)①1;②4或3或1【解析】【分析】(1)作差后,根据分式方程的加减法法则计算即可;(2)①把M、N代入整理得到y,解分式方程即可;②把y变形为:221yx=++,由于x为整数,y为整数,则1x+可以取±1,±2,然后一一检验即可.【详解】(1)当0x >时,M -N ≥0.理由如下:M -N =()()21122121x x x x x -+-=++ . ∵x >0,∴(x -1)2≥0,2(x +1)>0,∴()()21021x x -≥+,∴M -N ≥0. (2)依题意,得:4224111x x y x x x +=+=+++. ①当3y =,即2431x x +=+时,解得:1x =.经检验,1x =是原分式方程的解,∴当y =3时,x 的值是1. ②2422222111x x y x x x +++===++++ . ∵x y ,是整数,∴21x +是整数,∴1x +可以取±1,±2. 当x +1=1,即0x =时,22401y =+=> ; 当x +1=﹣1时,即2x =-时,2201y =-=(舍去); 当x +1=2时,即1x =时,22302y =+=> ; 当x +1=-2时,即3x =-时,22102y =+=>-() ; 综上所述:当x 为整数时,y 的正整数值是4或3或1.【点睛】本题考查了分式的加减法及解方式方程.确定x +1的取值是解答(2)②的关键.17.小明和小强两名运动爱好者周末相约到滨江大道进行跑步锻炼.(1)周六早上6点,小明和小强同时从家出发,分别骑自行车和步行到离家距离分别为4500米和1200米的滨江大道入口汇合,结果同时到达.若小明每分钟比小强多行220米,求小明和小强的速度分别是多少米/分?(2)两人到达滨江大道后约定先跑1000米再休息.小强的跑步速度是小明跑步速度的m 倍,两人在同起点,同时出发,结果小强先到目的地n 分钟.①当3m =,6n =时,求小强跑了多少分钟?②小明的跑步速度为_______米/分(直接用含m n ,的式子表示).【答案】(1)小强的速度为80米/分,小明的速度为300米/分;(2)①小强跑的时间为3分;②1000(1)m mn-. 【解析】【分析】(1)设小强的速度为x 米/分,则小明的速度为(x+220)米/分,根据路程除以速度等于时间得到方程,解方程即可得到答案;(2)①设小明的速度为y 米/分,由m =3,n =6,根据小明的时间-小强的时间=6列方程解答;②根据路程一定,时间与速度成反比,可求小强的时间进而求出小明的时间,再根据速度=路程除以时间得到答案.【详解】(1)设小强的速度为x 米/分,则小明的速度为(x+220)米/分, 根据题意得:1200x =4500220x +. 解得:x =80. 经检验,x =80是原方程的根,且符合题意.∴x+220=300.答:小强的速度为80米/分,小明的速度为300米/分.(2)①设小明的速度为y 米/分,∵m =3,n =6, ∴1000100063y y -=,解之得10009y =. 经检验,10009y =是原方程的解,且符合题意, ∴小强跑的时间为:10001000(3)39÷⨯=(分) ②小强跑的时间:1n m -分钟,小明跑的时间:11n mn n m m +=--分钟, 小明的跑步速度为: 1000(1)10001mn m m mn -÷=-分. 故答案为:1000(1)m mn-. 【点睛】 此题考查分式方程的应用,正确理解题意根据路程、时间、速度三者的关系列方程解答是解题的关键.18.已知分式A=2344(1)11a a a a a -++-÷--. (1) 化简这个分式;(2) 当a >2时,把分式A 化简结果的分子与分母同时..加上3后得到分式B ,问:分式B 的值较原来分式A 的值是变大了还是变小了?试说明理由.(3) 若A 的值是整数,且a 也为整数,求出符合条件的所有a 值的和.【答案】(1)22a A a +=-;(2)变小了,理由见解析;(3)符合条件的所有a 值的和为11.【解析】分析:(1)分解因式,再通分化简.(2)用作差法比较二者大小关系.(3)先分离常数,再尝试让分子能被分母整除.详解: (1)A =2344111a a a a a -+⎛⎫+-÷ ⎪--⎝⎭=()()()2113211a a a a a -+--÷--=22a a +-. (2)变小了,理由如下:()()()()()()()()21522512212121a a a a a a A B a a a a a a ++-+-++-=-==-+-+-+ . ∵a >2 ∴a -2>0,a+1>0,∴()()1221A B a a -=-+>0,即A >B (3) 24122a A a a +==+-- 根据题意,21,2,4a -=±±± 则a =1、0、-2、3、4、6, 又1a ≠ ∴0+(-2)+3+4+6=11 ,即:符合条件的所有a 值的和为11.点睛:比较大小的方法:(1)作差比较法:0a b a b ->>;0a b a b -<⇒<(a b ,可以是数,也可以是一个式子)(2)作商比较法:若a >0,b >0,且1a b >,则a >b ;若a <0,b <0,且1a b>,则a <b .19.我们知道:分式和分数有着很多的相似点.如类比分数的基本性质,我们得到了分式的基本性质;类比分数的运算法则,我们得到了分式的运算法则等等.小学里,把分子比分母小的分数叫做真分数.类似地,我们把分子整式的次数小于分母整式的次数的分式称为真分式;反之,称为假分式.对于任何一个假分式都可以化成整式与真分式的和的形式, 如:112122111111x x x x x x x x +-+-==+=+-----; 2322522552()11111x x x x x x x x -+-+-==+=+-+++++. (1)下列分式中,属于真分式的是:____________________(填序号) ①21a a -+; ②21x x +; ③223b b +; ④2231a a +-.(2)将假分式4321a a +-化成整式与真分式的和的形式为: 4321a a +-=______________+________________. (3)将假分式231a a +-化成整式与真分式的和的形式: 231a a +-=_____________+______________. 【答案】(1)③;(2)2,521a -;(3)a +1+41a - . 【解析】试题分析:(1)认真阅读题意,体会真分式的特点,然后判断即可;(2)根据题意的化简方法进行化简即可;(3)根据题意的化简方法进行化简即可.试题解析:(1)①中的分子分母均为1次,②中分子次数大于分母次数,③分子次数小于分母次数,④分子分母次数一样,故选③.(2)4321a a +-=42552212121a a a a -+=+---,故答案为2,5221a +-; (3)231a a +-=214(1)(1)4111a a a a a a -++-=+---=411a a ++-,故答案为a+1+41a -.20.阅读后解决问题:在“15.3分式方程”一课的学习中,老师提出这样的一个问题:如果关于x 的分式方程3111a x x+=--的解为正数,那么a 的取值范围是什么? 经过交流后,形成下面两种不同的答案:小明说:解这个关于x 的分式方程,得到方程的解为x=a ﹣2.因为解是正数,可得a ﹣2>0,所以a >2.小强说:本题还要必须a≠3,所以a 取值范围是a >2且a≠3.(1)小明与小强谁说的对,为什么?(2)关于x 的方程11222mx x x-+=--有整数解,求整数m 的值. 【答案】(1)小强的说法对,理由见解析;(2)m=3,4,0.【解析】【分析】 (1)先根据解分式方程的步骤和解法解分式方程可得x =a ﹣2,根据分式方程有解和解是正数可得:x >0且x ≠1, 即a ﹣2>0, a ﹣2≠1,即可求解,(2) 先根据解分式方程的步骤和解法解分式方程可得(m ﹣2)x =﹣2, 当m ≠2时,解得:x=﹣22m-,根据分式方程有整数解可得: m﹣2=±1,m﹣2=±2,继而求m的值.【详解】解:(1)小强的说法对,理由如下:解这个关于x的分式方程,得到方程的解为x=a﹣2,因为解是正数,可得a﹣2>0,即a>2,同时a﹣2≠1,即a≠3,则a的范围是a>2且a≠3,(2)去分母得:mx﹣1﹣1=2x﹣4,整理得:(m﹣2)x=﹣2,当m≠2时,解得: x=﹣22 m-,由方程有整数解,得到m﹣2=±1,m﹣2=±2,解得:m=3,4,0.【点睛】本题主要考查分式方程解是正数和解是整数问题,解决本题的关键是要熟练掌握解分式方程的解法.五、八年级数学三角形解答题压轴题(难)21.小明在学习三角形的知识时, 发现如下三个有趣的结论:(1)如图①, ∠A=∠C=90°, ∠ABC的平分线与∠ADC的平分线交于点E, 则BE、DE的位置关系是;(2)如图②, ∠A=∠C=90°, BE平分∠ABC, DF平分∠ADC的外角, 则BE与DF的位置关系是;(3)如图③, ∠A=∠C=90°, ∠ABC的外角平分线与∠ADC的外角平分线交于点E, 则BE、DE 的位置关系是 . 请你完成命题 (3)证明.【答案】(1)BE⊥DE;(2)BE//DF;(3)BE⊥DE.证明见解析.【解析】【分析】(1)由∠A=∠C=90°可以得到∠HDC=∠AB H,设∠HDC=∠AB H=x,可得∠HDG=∠CDG=∠FB H=∠AB F=12x,则有∠CDG+∠CGD=90°,由∠CGD=∠BGE,可得∠BGE+∠FBE=90°,即BE⊥DE;(2) 由∠A=∠C=90°可以得到∠HDC=∠AB H,设∠HDC=∠AB H=x,可得∠EB H=∠AB E=1 2 x,则∠DGE=90°+12x,∠CDM=180°-x,由DF平分∠CDM,则∠CDF=12(180°-x),所以∠CDF+∠HDC=12(180°-x),然后运用同位角相等,即可证明;(3)设∠BFA=∠CFD=x,由∠A=∠C=90°可以得到∠EBC=∠FDN=90°+x,由根据题意可得:∠EDF=∠EBF=12(90°+x);且∠BFD=180°+x,最后用四边形内角和,求出∠BED=90°,完成证明.【详解】解:(1)B E⊥DE,理由如下:∵∠A=∠C=90°,∠DHC=∠BHA∴∠HDC=∠AB H设∠HDC=∠AB H=x∵∠ABC的平分线与∠ADC的平分线交于点E∴∠HDG=∠CDG=∠FB H=∠AB F=1 2 x又∵∠CDG+∠CGD=90°,∠CGD=∠BGE ∴∠BGE+∠FBE=90°,即BE⊥DE;(2)DF∥AB,理由如下:∵∠A=∠C=90°,∠DHC=∠BHA ∴∠HDC=∠AB H∵∠A=∠C=90°,∠DHC=∠BHA ∴∠HDC=∠A B H∵BE平分∠ABH,∴∠EB H=∠AB E=1 2 x∴∠DGE=90°+1 2 x∵∠CDM=180°-x,DF平分∠CDM∴∠CDF=12(180°-x)=90°-12x∴∠HDF=∠CDF+∠CDH=90°-12x+x=90°+12x∴∠DGE=∠HDF ∴DF∥AB (3)。
数学八年级上册期中精选试卷试卷(word版含答案)一、八年级数学全等三角形解答题压轴题(难)1.如图1,等腰△ABC中,AC=BC=42, ∠ACB=45˚,AO 是BC边上的高,D为线段AO上一动点,以CD为一边在CD下方作等腰△CDE,使CD=CE且∠DCE=45˚,连结BE.(1) 求证:△ACD≌△BCE;(2) 如图2,在图1的基础上,延长BE至Q, P为BQ上一点,连结CP、CQ,若CP=CQ=5,求PQ的长.(3) 连接OE,直接写出线段OE的最小值.【答案】(1)证明见解析;(2)PQ=6;(3)OE=422-【解析】试题分析:()1根据SAS即可证得ACD BCE≌;()2首先过点C作CH BQ⊥于H,由等腰三角形的性质,即可求得45DAC∠=︒,则根据等腰三角形与直角三角形中的勾股定理即可求得PQ的长.()3OE BQ⊥时,OE取得最小值.试题解析:()1证明:∵△ABC与△DCE是等腰三角形,∴AC=BC,DC=EC,45ACB DCE∠=∠=,45ACD DCB ECB DCB∴∠+∠=∠+∠=,∴∠ACD=∠BCE;在△ACD和△BCE中,,AC BCACD BCEDC EC=⎧⎪∠=∠⎨⎪=⎩(SAS)ACD BCE∴≌;()2首先过点C作CH BQ⊥于H,(2)过点C作CH⊥BQ于H,∵△ABC是等腰三角形,∠ACB=45˚,AO是BC边上的高,45DAC∴∠=,ACD BCE≌,45PBC DAC∴∠=∠=,∴在Rt BHC中,2242422CH BC=⨯=⨯=,54PC CQ CH===,,3PH QH∴==,6.PQ∴=()3OE BQ⊥时,OE取得最小值.最小值为:42 2.OE=-2.如图1,在正方形ABCD中,P是对角线BD上的一点,点E在AD的延长线上,且PA=PE,PE交CD于F(1)证明:PC=PE;(2)求∠CPE的度数;(3)如图2,把正方形ABCD改为菱形ABCD,其他条件不变,当∠ABC=120°时,连接CE,试探究线段AP与线段CE的数量关系,并说明理由.【答案】(1)证明见解析(2)90°(3)AP=CE【解析】【分析】(1)、根据正方形得出AB=BC,∠ABP=∠CBP=45°,结合PB=PB得出△ABP ≌△CBP,从而得出结论;(2)、根据全等得出∠BAP=∠BCP,∠DAP=∠DCP,根据PA=PE得出∠DAP=∠E,即∠DCP=∠E,易得答案;(3)、首先证明△ABP和△CBP全等,然后得出PA=PC,∠BAP=∠BCP,然后得出∠DCP=∠E,从而得出∠CPF=∠EDF=60°,然后得出△EPC是等边三角形,从而得出AP=CE.【详解】(1)、在正方形ABCD中,AB=BC,∠ABP=∠CBP=45°,在△ABP和△CBP中,又∵ PB=PB ∴△ABP ≌△CBP(SAS),∴PA=PC,∵PA=PE,∴PC=PE;(2)、由(1)知,△ABP≌△CBP,∴∠BAP=∠BCP,∴∠DAP=∠DCP,∵PA=PE,∴∠DAP=∠E,∴∠DCP=∠E,∵∠CFP=∠EFD(对顶角相等),∴180°﹣∠PFC﹣∠PCF=180°﹣∠DFE﹣∠E,即∠CPF=∠EDF=90°;(3)、AP=CE理由是:在菱形ABCD中,AB=BC,∠ABP=∠CBP,在△ABP和△CBP中,又∵ PB=PB ∴△ABP≌△CBP(SAS),∴PA=PC,∠BAP=∠DCP,∵PA=PE,∴PC=PE,∴∠DAP=∠DCP,∵PA=PC ∴∠DAP=∠E,∴∠DCP=∠E∵∠CFP=∠EFD(对顶角相等),∴180°﹣∠PFC﹣∠PCF=180°﹣∠DFE﹣∠E,即∠CPF=∠EDF=180°﹣∠ADC=180°﹣120°=60°,∴△EPC是等边三角形,∴PC=CE,∴AP=CE考点:三角形全等的证明3.如图1,在等边△ABC中,E、D两点分别在边AB、BC上,BE=CD,AD、CE相交于点F.(1)求∠AFE的度数;(2)过点A作AH⊥CE于H,求证:2FH+FD=CE;(3)如图2,延长CE至点P,连接BP,∠BPC=30°,且CF=29CP,求PFAF的值.(提示:可以过点A作∠KAF=60°,AK交PC于点K,连接KB)【答案】(1)∠AFE =60°;(2)见解析;(3)75【解析】【分析】(1)通过证明BCE CAD≌得到对应角相等,等量代换推导出60AFE∠=︒;(2)由(1)得到60AFE∠=︒,CE AD=则在Rt AHF△中利用30°所对的直角边等于斜边的一半,等量代换可得;(3)通过在PF上取一点K使得KF=AF,作辅助线证明ABK和ACF全等,利用对应边相等,等量代换得到比值.(通过将ACF顺时针旋转60°也是一种思路.)【详解】(1)解:如图1中.∵ABC为等边三角形,∴AC=BC,∠BAC=∠ABC=∠ACB=60°,在BCE和CAD中,60BE CDCBE ACDBC CA=⎧⎪∠=∠=︒⎨⎪=⎩,∴BCE CAD≌(SAS),∴∠BCE=∠DAC,∵∠BCE+∠ACE=60°,∴∠DAC+∠ACE=60°,∴∠AFE=60°.(2)证明:如图1中,∵AH⊥EC,∴∠AHF=90°,在Rt△AFH中,∵∠AFH=60°,∴∠FAH=30°,∴AF=2FH,∵EBC DCA≌,∴EC=AD,∵AD=AF+DF=2FH+DF,∴2FH+DF=EC.(3)解:在PF上取一点K使得KF=AF,连接AK、BK,∵∠AFK =60°,AF =KF , ∴△AFK 为等边三角形, ∴∠KAF =60°, ∴∠KAB =∠FAC , 在ABK 和ACF 中,AB AC KAB ACF AK AF =⎧⎪∠=∠⎨⎪=⎩, ∴ ABK ACF ≌(SAS ),BK CF = ∴∠AKB =∠AFC =120°, ∴∠BKE =120°﹣60°=60°, ∵∠BPC =30°, ∴∠PBK =30°, ∴29BK CF PK CP ===, ∴79PF CP CF CP =-=, ∵45()99AF KF CP CF PK CP CP CP ==-+=-= ∴779559CPPF AF CP == . 【点睛】掌握等边三角形、直角三角形的性质,及三角形全等的判定通过一定等量代换为本题的关键.4.操作发现:如图,已知△ABC 和△ADE 均为等腰三角形,AB =AC ,AD =AE ,将这两个三角形放置在一起,使点B ,D ,E 在同一直线上,连接CE .(1)如图1,若∠ABC=∠ACB=∠ADE=∠AED=55°,求证:△BAD≌△CAE;(2)在(1)的条件下,求∠BEC的度数;拓广探索:(3)如图2,若∠CAB=∠EAD=120°,BD=4,CF为△BCE中BE边上的高,请直接写出EF的长度.【答案】(1)见解析;(2)70°;(3)2【解析】【分析】(1)根据SAS证明△BAD≌△CAE即可.(2)利用全等三角形的性质解决问题即可.(3)同法可证△BAD≌△CAE,推出EC=BD=4,由∠BEC=∠BAC=120°,推出∠FCE=30°即可解决问题.【详解】(1)证明:如图1中,∵∠ABC=∠ACB=∠ADE=∠AED,∴∠EAD=∠CAB,∴∠EAC=∠DAB,∵AE=AD,AC=AB,∴△BAD≌△CAE(SAS).(2)解:如图1中,设AC交BE于O.∵∠ABC=∠ACB=55°,∴∠BAC=180°﹣110°=70°,∵△BAD≌△CAE,∴∠ABO=∠ECO,∵∠EOC=∠AOB,∴∠CEO=∠BAO=70°,即∠BEC=70°.(3)解:如图2中,∵∠CAB =∠EAD =120°, ∴∠BAD =∠CAE , ∵AB =AC ,AD =AE , ∴△BAD ≌△CAE (SAS ), ∴∠BAD =∠ACE ,BD =EC =4, 同理可证∠BEC =∠BAC =120°, ∴∠FEC =60°, ∵CF ⊥EF , ∴∠F =90°, ∴∠FCE =30°,∴EF =12EC =2. 【点睛】本题属于三角形综合题,考查了全等三角形的判定和性质等知识,解题的关键是正确寻找全等三角形解决问题,属于中考常考题型.5.在等边ABC 中,点D 是边BC 上一点.作射线AD ,点B 关于射线AD 的对称点为点E .连接CE 并延长,交射线AD 于点F . (1)如图,连接AE ,①AE 与AC 的数量关系是__________; ②设BAF α∠=,用α表示BCF ∠的大小;(2)如图,用等式表示线段AF ,CF ,EF 之间的数量关系,并证明.【答案】(1)①AB=AE;②∠BCF=α;(2) AF-EF=CF,理由见详解.【解析】【分析】(1)①根据轴对称性,即可得到答案;②由轴对称性,得:AE=AB,∠BAF=∠EAF=α,由ABC是等边三角形,得AB=AC,∠BAC=∠ACB=60°,再根据等腰三角形的性质和三角形内角和等于180°,即可求解;(2)作∠FCG=60°交AD于点G,连接BF,易证∆FCG是等边三角形,得GF=FC,再证∆ACG≅∆BCF(SAS),从而得AG=BF,进而可得到结论.【详解】(1)①∵点B关于射线AD的对称点为点E,∴AB和AE关于射线AD的对称,∴AB=AE.故答案是:AB=AE;②∵点B关于射线AD的对称点为点E,∴AE=AB,∠BAF=∠EAF=α,∵ABC是等边三角形,∴AB=AC,∠BAC=∠ACB=60°,∴∠EAC=60°-2α,AE=AC,∴∠ACE=1180(602)602αα⎡⎤--=+⎣⎦,∴∠BCF=∠ACE-∠ACB=60α+-60°=α.(2)AF-EF=CF,理由如下:作∠FCG=60°交AD于点G,连接BF,∵∠BAF=∠BCF=α,∠ADB=∠CDF,∴∠ABC=∠AFC=60°,∴∆FCG是等边三角形,∴GF=FC,∵ABC是等边三角形,∴BC=AC,∠ACB=60°,∴∠ACG=∠BCF=α.在∆ACG和∆BCF中,∵CA CBACG BCFCG CF=⎧⎪∠=∠⎨⎪=⎩,∴∆ACG≅∆BCF(SAS),∴AG=BF,∵点B关于射线AD的对称点为点E,∴AG=BF=EF,∵AF-AG=GF,∴AF-EF=CF.【点睛】本题主要考查等边三角形的性质和三角形全等的判定和性质定理,添加辅助线,构造全等三角形,是解题的关键.二、八年级数学轴对称解答题压轴题(难)6.在等边△ABC中,点D在BC边上,点E在AC的延长线上,DE=DA(如图1).(1)求证:∠BAD=∠EDC;(2)若点E关于直线BC的对称点为M(如图2),连接DM,AM.求证:DA=AM.【答案】(1)见解析;(2)见解析【解析】【分析】(1)根据等边三角形的性质,得出∠BAC=∠ACB=60°,然后根据三角形的内角和和外角性质,进行计算即可.(2)根据轴对称的性质,可得DM=DA,然后结合(1)可得∠MDC=∠BAD,然后根据三角形的内角和,求出∠ADM=60°即可.【详解】解:(1)如图1,∵△ABC是等边三角形,∴∠BAC=∠ACB=60°,∴∠BAD=60°﹣∠DAE,∠EDC=60°﹣∠E,又∵DE=DA,∴∠E=∠DAE,∴∠BAD=∠EDC.(2)由轴对称可得,DM=DE,∠EDC=∠MDC,∵DE=DA,∴DM=DA,由(1)可得,∠BAD=∠EDC,∴∠MDC=∠BAD,∵△ABD中,∠BAD+∠ADB=180°﹣∠B=120°,∴∠MDC+∠ADB=120°,∴∠ADM=60°,∴△ADM是等边三角形,∴AD=AM.【点睛】本题主要考察了轴对称和等边三角形的性质,解题的关键是熟练掌握这些性质.7.如图,在平面直角坐标系中,A(﹣3,0),点 B是 y轴正半轴上一动点,点C、D在 x 正半轴上.(1)如图,若∠BAO=60°,∠BCO=40°,BD、CE 是△ABC的两条角平分线,且BD、CE交于点F,直接写出CF的长_____.(2)如图,△ABD是等边三角形,以线段BC为边在第一象限内作等边△BCQ,连接 QD并延长,交 y轴于点 P,当点 C运动到什么位置时,满足 PD=23DC?请求出点C的坐标;(3)如图,以AB为边在AB的下方作等边△ABP,点B在 y轴上运动时,求OP的最小值.【答案】(1)6;(2)C的坐标为(12,0);(3)3 2 .【解析】 【分析】(1)作∠DCH =10°,CH 交 BD 的延长线于 H ,分别证明△OBD ≌△HCD 和△AOB ≌△FHC ,根据全等三角形的对应边相等解答;(2)证明△CBA ≌△QBD ,根据全等三角形的性质得到∠BDQ =∠BAC =60°,求出 CD ,得到答案;(3)以 OA 为对称轴作等边△ADE ,连接 EP ,并延长 EP 交 x 轴于点 F .证明点 P 在直线 EF 上运动,根据垂线段最短解答. 【详解】解:(1)作∠DCH =10°,CH 交 BD 的延长线于 H , ∵∠BAO =60°, ∴∠ABO =30°, ∴AB =2OA =6,∵∠BAO =60°,∠BCO =40°, ∴∠ABC =180°﹣60°﹣40°=80°, ∵BD 是△ABC 的角平分线, ∴∠ABD =∠CBD =40°,∴∠CBD =∠DCB ,∠OBD =40°﹣30°=10°, ∴DB =DC , 在△OBD 和△HCD 中,==OBD HCD DB DC ODC HDC ∠∠⎧⎪=⎨⎪∠∠⎩∴△OBD ≌△HCD (ASA ), ∴OB =HC , 在△AOB 和△FHC 中,==ABO FCH OB HC AOB FHC ∠∠⎧⎪=⎨⎪∠∠⎩∴△AOB ≌△FHC (ASA ), ∴CF=AB=6,故答案为6;(2)∵△ABD 和△BCQ 是等边三角形,∴∠ABD=∠CBQ=60°,∴∠ABC=∠DBQ,在△CBA 和△QBD 中,BA BDABC DBQBC BQ=⎧⎪∠=∠⎨⎪=⎩∴△CBA≌△QBD(SAS),∴∠BDQ=∠BAC=60°,∴∠PDO=60°,∴PD=2DO=6,∵PD=23DC,∴DC=9,即 OC=OD+CD=12,∴点 C的坐标为(12,0);(3)如图3,以 OA为对称轴作等边△ADE,连接 EP,并延长 EP交 x 轴于点F.由(2)得,△AEP≌△ADB,∴∠AEP=∠ADB=120°,∴∠OEF=60°,∴OF=OA=3,∴点P在直线 EF上运动,当 OP⊥EF时,OP最小,∴OP=12OF=32则OP的最小值为32.【点睛】本题考查的是等边三角形的性质,全等三角形的判定和性质,垂线段最短,掌握全等三角形的判定定理和性质定理是解题的关键.8.如图,在平面直角坐标系中,点B 坐标为()6,0-,点A 是y 轴正半轴上一点,且10AB =,点P 是x 轴上位于点B 右侧的一个动点,设点P 的坐标为()0m ,.(1)点A 的坐标为___________;(2)当ABP △是等腰三角形时,求P 点的坐标;(3)如图2,过点P 作PE AB ⊥交线段AB 于点E ,连接OE ,若点A 关于直线OE 的对称点为A ',当点A '恰好落在直线PE 上时,BE =_____________.(直接写出答案) 【答案】(1)()0,8;(2)()4,0或()6,0或7,03⎛⎫ ⎪⎝⎭;(3)425【解析】 【分析】(1)根据勾股定理可以求出AO 的长,则可得出A 的坐标; (2)分三种情况讨论等腰三角形的情况,得出点P 的坐标; (3)根据PE AB ⊥,点A '在直线PE 上,得到EAGOPG ,利用点A ,A '关于直线OE 对称点,根据对称性,可证'OPG EAO ,可得'8OP OA ,82AP,设BE x =,则有6AE x ,根据勾股定理,有:22222BP BE EP AP AE解之即可. 【详解】解:(1)∵点B 坐标为6,0,点A 是y 轴正半轴上一点,且10AB =,∴ABO 是直角三角形,根据勾股定理有:22221068AOAB BO ,∴点A 的坐标为()0,8; (2)∵ABP △是等腰三角形, 当BPAB 时,如图一所示:OP BP BO,∴1064∴P点的坐标是()4,0;=时,如图二所示:当AP ABOP BO∴6∴P点的坐标是()6,0;=时,如图三所示:当AP BP设OP x =,则有6AP x∴根据勾股定理有:222OP AO AP += 即:22286x x解之得:73x =∴P 点的坐标是7,03; (3)当ABP △是钝角三角形时,点A '不存在; 当ABP △是锐角三角形时,如图四示:连接'OA ,∵PE AB ⊥,点A '在直线PE 上,∴AEG △和GOP 是直角三角形,EGAOGP∴EAGOPG ,∵点A ,A '关于直线OE 对称点, 根据对称性,有'8OA OA ,'EAEA∴'FAO FAO,'FAE FAE∴'EAGEAO则有:'OPG EAO∴'AOP 是等腰三角形,则有'8OP OA ,∴22228882APAO OP ,设BE x ,则有6AE x ,根据勾股定理,有:22222BP BE EP AP AE 即:2222688210x x解之得:425BE x【点睛】本题考查了三角形的综合问题,涉及的知识点有:解方程,等腰三角形的判定与性质,对称等知识点,能分类讨论,熟练运用各性质定理,是解题的关键.9.如图,在等边三角形ABC 的外侧作直线AP ,点C 关于直线AP 的对称点为点D ,连接AD ,BD ,其中BD 交直线AP 于点E . (1)依题意补全图形;(2)若∠PAC =20°,求∠AEB 的度数;(3)连结CE ,写出AE ,BE ,CE 之间的数量关系,并证明你的结论.【答案】(1)补图见解析;(2)60°;(3)CE +AE =BE . 【解析】 【分析】(1)根据题意补全图形即可;(2)根据轴对称的性质可得AC =AD ,∠PAC =∠PAD=20°,根据等边三角形的性质可得AC =AB ,∠BAC =60°,即可得AB =AD ,在△ABD 中,根据等腰三角形的性质和三角形的内角和定理求得∠D 的度数,再由三角形外角的性质即可求得∠AEB 的度数; (3)CE +AE =BE ,如图,在BE 上取点M 使ME =AE ,连接AM ,设∠EAC =∠DAE =x ,类比(2)的方法求得∠AEB =60°,从而得到△AME 为等边三角形,根据等边三角形的性质和SAS 即可判定△AEC ≌△AMB ,根据全等三角形的性质可得CE =BM ,由此即可证得CE +AE =BE . 【详解】 (1)如图:(2)在等边△ABC 中, AC =AB ,∠BAC =60°由对称可知:AC =AD ,∠PAC =∠PAD , ∴AB =AD ∴∠ABD =∠D ∵∠PAC =20° ∴∠PAD =20°∴∠BAD =∠BAC+∠PAC +∠PAD =100°()1180402D BAD ︒︒∴∠=-∠=. ∴∠AEB =∠D +∠PAD =60° (3)CE +AE =BE .在BE 上取点M 使ME =AE ,连接AM ,在等边△ABC 中, AC =AB ,∠BAC =60°由对称可知:AC =AD ,∠EAC =∠EAD , 设∠EAC =∠DAE =x . ∵AD =AC =AB ,∴()11802602D BAC x x ︒︒∠=-∠-=- ∴∠AEB =60-x +x =60°.∴△AME 为等边三角形. ∴AM=AE ,∠MAE=60°, ∴∠BAC=∠MAE=60°, 即可得∠BAM=∠CAE. 在△AMB 和△AEC 中,AB ACBAM CAEAM AE=⎧⎪∠=∠⎨⎪=⎩,∴△AMB≌△AEC.∴CE=BM.∴CE+AE=BE.【点睛】本题是三角形综合题,主要考查了轴对称的性质、三角形的内角和定理、等边三角形的性质及全等三角形的判定与性质等知识点,解决第三问时,通过做辅助线,把AE转化到BE 上,再证明CE=BM即可得结论.10.如图,△ABC中,AB=BC=AC=12cm,现有两点M、N分别从点A.点B同时出发,沿三角形的边运动,已知点M的速度为2cm/s,点N的速度为3cm/s.当点N第一次到达B点时,M、N同时停止运动.(1)点M、N运动秒后,△AMN是等边三角形?(2)点M、N在BC边上运动时,运动秒后得到以MN为底边的等腰三角形△AMN?(3)M、N同时运动几秒后,△AMN是直角三角形?请说明理由.【答案】(1)125;(2)485;(3)点M、N运动3秒或127秒或10秒或9秒后,△AMN为直角三角形.【解析】【分析】(1)当AM=AN时,△MNA是等边三角形.设运动时间为t秒,构建方程即可解决问题;(2)点M、N在BC边上运动时,满足CM=BN时,可以得到以MN为底边的等腰三角形△AMN.构建方程即可解决问题;(3)据题意设点M、N运动t秒后,可得到直角三角形△AMN,分四种情况讨论即可.【详解】(1)当AM=AN时,△MNA是等边三角形,设运动时间为t秒则有:2t=12﹣3t解得t=125故点M、N运动125秒后,△AMN是等边三角形;(2)点M、N在BC边上运动时,满足CM=BN时,可以得到以MN为底边的等腰三角形△AMN则有:2t﹣12=36﹣3t解得t=48 5故运动485秒后得到以MN为底边的等腰三角形△AMN;(3)设点M、N运动t秒后,可得到直角三角形△AMN ①当M在AC上,N在AB上,∠ANM=90°时,如图∵∠A=60°∴∠AMN=30°∴AM=2AN则有2t=2(12﹣3t)∴t=3;②当M在AC上,N在AB上,∠AMN=90°时,如图∵∠A=60°∴∠ANM=30°∴2AM=AN∴4t=12﹣3t∴t=127;③当M、N都在BC上,∠ANM=90°时,如图CN=3t﹣24=6解得t=10;④当M 、N 都在BC 上,∠AMN =90°时,则N 与B 重合,M 正好处于BC 的中点,如图此时2t =12+6 解得t =9;综上所述,点M 、N 运动3秒或127秒或10秒或9秒后,△AMN 为直角三角形. 【点睛】本题主要考查了等边三角形的性质、等腰三角形的判定、全等三角形的判定与性质,熟练掌握相关知识点是解决本题的关键.三、八年级数学整式的乘法与因式分解解答题压轴题(难)11.材料:数学兴趣一小组的同学对完全平方公式进行研究:因()20a b -≥,将左边展开得到2220a ab b -+≥,移项可得:222a b ab +≥.数学兴趣二小组受兴趣一小组的启示,继续研究发现:对于任意两个非负数m 、n ,都存在2m n mn +≥m 、n 的和一定存在着一个最小值. 根据材料,解答下列问题: (1)()()2225x y +≥__________(0x >,0y >);221x x ⎛⎫+≥ ⎪⎝⎭___________(0x >); (2)求()5602x x x+>的最小值; (3)已知3x >,当x 为何值时,代数式92200726x x ++-有最小值,并求出这个最小值.【答案】(1)20xy ,2;(2)153)当92x =时,代数式92200726x x ++-的最小值为2019. 【解析】 【分析】(1)根据阅读材料即可得出结论;(2)根据阅读材料介绍的方法即可得出结论; (3)把已知代数式变为926201326x x -++-,再利用阅读材料介绍的方法,即可得到结论.【详解】(1)∵0x >,0y >,∴()()222522520x y x y xy +≥⨯⋅=,∵0x >, ∴221122x x x x ⎛⎫+≥⋅= ⎪⎝⎭; (2)当x 0>时,2x ,52x 均为正数,∴562x x +≥=所以,562x x+的最小值为 (3)当x 3>时,2x ,926x -,2x-6均为正数, ∴92200726x x ++- 92x 6201326x =-++-20132013≥= 2019= 由()20a b -≥可知,当且仅当a b =时,22a b +取最小值, ∴当92626x x -=-,即92x =时,有最小值.∵x 3> 故当92x =时,代数式92200726x x ++-的最小值为2019. 【点睛】 本题考查了完全平方公式的变形应用,解答本题的关键是理解阅读材料所介绍的方法.12.阅读下列因式分解的过程,解答下列问题:1+x +x (x +1)+x (x +1)2=(1+x )[1+x +x (x +1)]=(1+x )2(1+x )=(1+x )3.(1)上述分解因式的方法是____________,共应用了________次;(2)若分解因式1+x +x (x +1)+x (x +1)2+…+x (x +1)2019,则需要应用上述方法________次,结果是________;(3)分解因式:1+x +x (x +1)+x (x +1)2+…+x (x +1)n (n 为正整数).【答案】(1)提取公因式法,2;(2)2019,(1+x)2020;(3) (1+x)n+1.【解析】【分析】(1)根据已知计算过程直接得出因式分解的方法即可;(2)根据已知分解因式的方法可以得出答案;(3)由(1)中计算发现规律进而得出答案.【详解】(1)提取公因式法,2(因式分解的方法是提公因式法,共应用了2次)(2)2019,(1+x)2020(分解因式1+x+x(x+1)+x(x+1)2+…+x(x+1)2019,则需应用上述方法2019次,结果是(1+x)2020)(3)原式=(1+x)[1+x+x(x+1)+x(x+1)2+…+x(x+1)n-1]=(1+x)2[1+x+x(x+1)+x(x+1)2+…+x(x+1)n-2]=(1+x)3[1+x+x(x+1)+x(x+1)2+…+x(x+1)n-3]=(1+x)n(1+x)=(1+x)n+1.【点睛】本题考查的知识点是因式分解-提公因式法,解题的关键是熟练的掌握因式分解-提公因式法.13.一个四位正整数m各个数位上的数字互不相同且都不为0,四位数m的前两位数字之和为5,后两位数字之和为11,称这样的四位数m为“半期数”;把四位数m的各位上的数字依次轮换后得到新的四位数m′,设m′=abcd,在m′的所有可能的情况中,当|b+2c﹣a ﹣d|最小时,称此时的m′是m的“伴随数”,并规定F(m′)=a2+c2﹣2bd;例如:m=2365,则m′为:3652,6523,5236,因为|6+10﹣3﹣2|=11,|5+4﹣6﹣3|=0,|2+6﹣5﹣6|=3,0最小,所以6523叫做2365的“伴随数”,F(5236)=52+32﹣2×2×6=10.(1)最大的四位“半期数”为;“半期数”3247的“伴随数”是.(2)已知四位数P=abcd是“半期数”,三位数Q=2ab,且441Q﹣4P=88991,求F(P')的最大值.【答案】(1)4192,7324;(2)42.【解析】【分析】(1)根据“半期数”的定义分析最大的四位“半期数”应该是千位最大,最大只能为4,所以百位是1,十位最大是9,个位是2,所以最大半期数为:4192,分析3247的所有可能为,2473,4732,7324.根据题意|b+2c﹣a﹣d|最小的数是7324,所以3247的“伴随数”是:7324.(2)根据定义可知a+b=5,c+d=11.再根据441Q﹣4P=88991,可以算出P的值,从而求出F(P')的最大值.【详解】解;(1)根据题意可得最大的四位“半期数”应该是千位最大,最大只能为4,所以百位是1,十位最大是9,个位是2,所以最大半期数为:4192.∵3247的所有可能为,2473,4732,7324.∵|4+14﹣2﹣3|=13,|7+6﹣4﹣2|=7,|3+4﹣7﹣4|=4, 4最小,所以7324为3247的“伴随数”.故答案为4192;7324.(2)∵P为“半期数”∴a+b=5,c+d=11,∴b=5﹣a,d=11﹣c,∴P=1000a+100(5﹣a)+10c+11﹣c=900a+9c+511.∵Q=200+10a+c,∴441Q﹣4P=88991,∴441(200+10a+c)﹣4(900a+9c+511)=88991化简得:2a+c=7①当a=1时,c=5,此时这个四位数为1456符合题意;②当a=2时,c=3,此时这个四位数为2338不符合题意,舍去;③当a=3时,c=1,不符合题意,舍去;综上所述:这个四位数只能是1456,则P'可能为4561,5614,6145.∵|5+12﹣4﹣1|=12,|6+2﹣5﹣4|=1,|1+8﹣6﹣5|=2,1最小,所以5614为P的“伴随数”,∴F(5614)=a2+c2﹣2bd=25+1﹣2×6×4=﹣22;F(4561)=a2+c2﹣2bd=16+36﹣2×5×1=42;F(6145)=a2+c2﹣2bd=36+16﹣2×1×5=42;∴F(P')的最大值为42.【点睛】解决本道题的关键是理解好半期数的定义:一个四位正整数m各个数位上的数字互不相同且都不为0,四位数m的前两位数字之和为5,后两位数字之和为11,称这样的四位数m 为“半期数”,然后根据当|b+2c﹣a﹣d|最小时,称此时的m'是m的“伴随数”来确定伴随数.14.任何一个正整数n都可以进行这样的分解:n=p×q(p、q是正整数,且p≤q).如果p×q在n的所有这种分解中两因数之差的绝对值最小,我们就称p×q是n的最佳分解,并且规定F(n)=pq.例如18=1×18=2×9=3×6,这时就有F(18)=3162.请解答下列问题:(1)计算:F(24);(2)当n为正整数时,求证:F(n3+2n2+n)=1n .【答案】(1) 23;(2)1n.【解析】分析:(1)根据最佳分解的意义,把24分解成两数的积,找出差的绝对值最小的两数,求比值即可;(2)根据(1)的求法,确定差的绝对值最小的两数的特点,然后根据要求变形即可.详解:(1)∵24=1×24=2×12=3×8=4×6,其中4与6的差的绝对值最小,∴F(24)=46=23. (2)∵n 3+2n 2+n =n(n +1)2,其中n(n +1)与(n +1)的差的绝对值最小,且(n +1)≤n(n +1),∴F(n 3+2n 2+n)=()n 1n n 1++=1n . 点睛: 本题主要考查实数的运算,理解最佳分解的定义,并将其转化为实数的运算是解题的关键.15.(知识生成)我们已经知道,通过计算几何图形的面积可以表示一些代数恒等式.例如图1可以得到(a+b )2=a 2+2ab+b 2,基于此,请解答下列问题:(1)根据图2,写出一个代数恒等式: .(2)利用(1)中得到的结论,解决下面的问题:若a+b+c =10,ab+ac+bc =35,则a 2+b 2+c 2= .(3)小明同学用图3中x 张边长为a 的正方形,y 张边长为b 的正方形,z 张宽、长分别为a 、b 的长方形纸片拼出一个面积为(2a+b )(a+2b )长方形,则x+y+z = .(知识迁移)(4)事实上,通过计算几何图形的体积也可以表示一些代数恒等式,图4表示的是一个边长为x 的正方体挖去一个小长方体后重新拼成一个新长方体,请你根据图4中图形的变化关系,写出一个代数恒等式: .【答案】(1)(a+b+c )2=a 2+b 2+c 2+2ab+2ac+2bc ;(2)30;(3)9;(4)x 3﹣x =(x+1)(x ﹣1)x【解析】【分析】(1)依据正方形的面积=(a+b+c )2;正方形的面积=a 2+b 2+c 2+2ab+2ac+2bc ,可得等式;(2)依据a2+b2+c2=(a+b+c)2﹣2ab﹣2ac﹣2bc,进行计算即可;(3)依据所拼图形的面积为:xa2+yb2+zab,而(2a+b)(a+2b)=2a2+4ab+ab+2b2=2a2+5b2+2ab,即可得到x,y,z的值.(4)根据原几何体的体积=新几何体的体积,列式可得结论.【详解】(1)由图2得:正方形的面积=(a+b+c)2;正方形的面积=a2+b2+c2+2ab+2ac+2bc,∴(a+b+c)2=a2+b2+c2+2ab+2ac+2bc,故答案为:(a+b+c)2=a2+b2+c2+2ab+2ac+2bc;(2)∵(a+b+c)2=a2+b2+c2+2ab+2ac+2bc,∵a+b+c=10,ab+ac+bc=35,∴102=a2+b2+c2+2×35,∴a2+b2+c2=100﹣70=30,故答案为:30;(3)由题意得:(2a+b)(a+2b)=xa2+yb2+zab,∴2a2+5ab+2b2=xa2+yb2+zab,∴225xyz=⎧⎪=⎨⎪=⎩,∴x+y+z=9,故答案为:9;(4)∵原几何体的体积=x3﹣1×1•x=x3﹣x,新几何体的体积=(x+1)(x﹣1)x,∴x3﹣x=(x+1)(x﹣1)x.故答案为:x3﹣x=(x+1)(x﹣1)x.【点睛】本题主要考查的是整式的混合运算,利用直接法和间接法分别求得几何图形的体积或面积,然后根据它们的体积或面积相等列出等式是解题的关键.四、八年级数学分式解答题压轴题(难)16.一件工程,甲队单独完成这项工程所需天数是乙队单独完成这项工程所需天数的23;若由甲队先做 20 天,剩下的工程再由甲、乙两队合作 60天完成.(1)求甲、乙两队单独完成这项工程各需多少天?(2)已知甲队每天的施工费用为 8.6 万元,乙队每天的施工费用为 5.4 万元,工程预算的施工费用为 1000 万元,若在甲、乙工程队工作效率不变的情况下使施工时间最短,问安排预算的施工费用是否够用?若不够用,需追加预算多少万元?【答案】(1)甲、乙两队单独完成这项工程分别需120天、180天(2)工程预算的施工费用不够用,需追加预算8万元 【解析】 试题分析:(1)首先表示出甲、乙两队需要的天数,进而利用由甲队先做20天,剩下的工程再由甲、乙两队合作60天完成得出等式求出答案;(2)首先求出两队合作需要的天数,进而求出答案.试题解析:解:(1)设乙队单独完成这项工程需要x 天,则甲队单独完成这项工程需要23x 天. 根据题意,得201160()12233x x x ++=,解得:x =180.经检验,x =180是原方程的根,∴23x =23×180=120,答:甲、乙两队单独完成这项工程分别需120天和180天;(2)设甲、乙两队合作完成这项工程需要y 天,则有11()1120180y +=,解得 y =72. 需要施工费用:72×(8.6+5.4)=1008(万元).∵1008>1000,∴工程预算的施工费用不够用,需追加预算8万元.点睛:此题主要考查了分式方程的应用以及一元一次方程的应用,正确得出等量关系是解题关键.17.阅读理解:把一个分式写成两个分式的和叫做把这个分式表示成部分分式.如何将2131x x --表示成部分分式?设分式2131x x --=11m n x x +-+,将等式的右边通分得:(1)(1)(1)(1)m x n x x x ++-+-=()(1)(1)m n x m n x x ++-+-,由2131x x --= ()(1)(1)m n x m n x x ++-+-得:31m n m n +=-⎧⎨-=⎩,解得:12m n =-⎧⎨=-⎩,所以2131x x --=1211x x --+-+. (1)把分式1(2)(5)x x --表示成部分分式,即1(2)(5)x x --=25m n x x +--,则m = ,n = ;(2)请用上述方法将分式43(21)(2)x x x -+-表示成部分分式. 【答案】(1)13-,13;(2)21212x x ++-. 【解析】仿照例子通分合并后,根据分子的对应项的系数相等,列二元一次方程组求解.【详解】解:(1)∵()()()522525m n x m n m n x x x x +--+=----, ∴0521m n m n +=⎧⎨--=⎩, 解得:1313m n ⎧=-⎪⎪⎨⎪=⎪⎩. (2)设分式()()43212x x x -+-=212m n x x ++-将等式的右边通分得:()()()()221212m x n x x x -+++-=()()()22212m n x m n x x +-++-, 由()()43212x x x -+-=()()()22212m n x m n x x +-++-, 得2423m n m n +=⎧⎨-+=-⎩, 解得21m n =⎧⎨=⎩. 所以()()43212x x x -+-=21212x x ++-.18.甲、乙、丙三个登山爱好者经常相约去登山,今年1月甲参加了两次登山活动.(1)1月1日甲与乙同时开始攀登一座900米高的山,甲的平均攀登速度是乙的1.2倍,结果甲比乙早15分钟到达顶峰.求甲的平均攀登速度是每分钟多少米?(2)1月6日甲与丙去攀登另一座h 米高的山,甲保持第(1)问中的速度不变,比丙晚出发0.5小时,结果两人同时到达顶峰,问甲的平均攀登速度是丙的多少倍?(用含h 的代数式表示)【答案】(1)甲的平均攀登速度是12米/分钟;(2)360h h+倍. 【解析】【分析】(1)根据题意可以列出相应的分式方程,从而可以求得甲的平均攀登速度;(2)根据(1)中甲的速度可以表示出丙的速度,再用甲的速度比丙的平均攀登速度即可解答本题.(1)设乙的速度为x 米/分钟,900900151.2x x+=, 解得,x=10,经检验,x=10是原分式方程的解,∴1.2x=12,即甲的平均攀登速度是12米/分钟;(2)设丙的平均攀登速度是y 米/分,12h +0.5×60=h y , 化简,得 y=12360h h +, ∴甲的平均攀登速度是丙的:1236012360h h h h ++=倍, 即甲的平均攀登速度是丙的360h h+倍.19.某一工程,在工程招标时,接到甲、乙两个工程队的投标书.甲工程队施工一天,需付工程款1万元;乙工程队施工一天,需付工程款0.6万元.根据甲、乙工程队的投标书测算,可有三种施工方案:(A )甲队单独完成这项工程,刚好如期完成;(B )乙队单独完成这项工程要比规定工期多用4天;(C )若甲、乙两队合做3天后,剩下的工程由乙队单独做,也正好如期完工.为了节省工程款,同时又能如期完工,你认为应选择哪一种方案?并说明理由.【答案】为了节省工程款,同时又能如期完工,应选C 方案.【解析】试题分析:设完成工程规定工期为x 天,根据等量关系:甲、乙两队合做3天后,剩下的工程由乙队单独做,也正好如期完工,列方程,求解即可得到甲、乙工程队单独完成所需的天数,然后求出每种方案所需的工程款,比较即可得出结论.试题解析:解:设完成工程规定工期为x 天,依题意得: 1133()144x xx x -++=++ 解得:x =12. 经检验,x =12符合原方程和题意,∴x +4=16.∴甲工程队单独完成需12天,乙工程队单独完成需16天.∵B 方案不能按时完成,∴要舍弃.A 方案的工程款为12×1=12(万元),C 方案的工程款为3×1+12×0.6=10.2(万元), ∴应选C 方案.答:为了节省工程款,同时又能如期完工,应选C 方案.20.水蜜桃是无锡市阳山的特色水果,水蜜桃一上市,水果店的老板用2000元购进一批水密桃,很快售完;老板又用3300元购进第二批水蜜桃,所购件数是第一批的32倍,但进价比第一批每件多了5元.(1)第一批水蜜桃每件进价是多少元?(2)老板以每件65元的价格销售第二批水蜜桃,售出80%后,为了尽快售完,剩下的决定打折促销.要使得第二批水密桃的销售利润不少于288元,剩余的仙桃每件售价最多打几折?(利润=售价-进价)【答案】(1)50;(2)6折.【解析】【分析】(1)根据题意设第一批水蜜桃每件进价是x 元,利用第二批水密桃进价建立方程求解即可;(2)根据题意设剩余的仙桃每件售价最多打m 折,并建立不等式,求出其解集即可得出剩余的仙桃每件售价最多打几折.【详解】解:(1)设第一批水蜜桃每件进价是x 元,则有: 20003(5)33002x x ⨯⨯+=,解得50x =, 所以第一批水蜜桃每件进价是50元.(2)由(1)得出第二批水密桃的进价为:55元,数量为:33006055=件, 设剩余的仙桃每件售价最多打m 折,则有: 6580606065(180)3300288m ⨯⨯+⨯⨯--≥%%,解得0.6m ≥,即最多打6折.【点睛】本题考查分式方程的实际应用以及不等式的实际应用,理解题意并根据题意建立方程和不等式是解题的关键.五、八年级数学三角形解答题压轴题(难)21.图(1)是我们常见的“箭头图”,其中隐藏着哪些数学知识呢?下面请你解决以下问题:(1)观察如图(1)“箭头图”,试探究∠BDC与∠A、∠B、∠C之间大小的关系,并说明理由;(2)请你直接利用以上结论,回答下列两个问题:①如图(2),把一块三角板XYZ放置在△ABC上,使其两条直角边XY、XZ恰好经过点B、C.若∠A=50°,则∠ABX+∠ACX= ;②如图(3),∠ABD,∠ACD的五等分线分别相交于点G1、G2、G3、G4,若∠BDC=135°,∠BG1C=67°,求∠A的度数.【答案】(1)∠BDC=∠A+∠B+∠C(2)①40°②50°【解析】试题分析:(1)连接AD并延长,根据三角形的外角和内角关系解答;(2)①利用(1)的结论,直接计算出∠ABX+∠ACX的度数;②图(3)利用(1)的结论,根据∠BDC=135°,∠BG1C=67°,计算出相等的角:∠DBG4+∠DCG4的和,再次利用(1)的结论,求出∠A的度数.试题解析:(1)∠BDC=∠A+∠B+∠C.理由:连接AD并延长到M.因为∠BDM=∠BAD+∠B,∠CDM=∠CAD+∠C,所以∠BDM+∠CDM=∠BAD+∠B+∠CAD+∠C,即∠BDC=∠BAC+∠B+∠C.(2)①由(1)知:∠BXC=∠A+∠ABX+∠ACX,由于∠BXC=90°,∠A=50°所以∠ABX+∠ACX=∠BXC﹣∠A=90°﹣50°=40°.。
青山区2023-2024 学年度第二学期期中质量检测八年级英语试卷青山区教育局教研室命制2024年4月本试卷满分为120分考试用时120分钟第Ⅰ卷(选择题共80分)第一部分听力部分一、听力测试部分(共三小节,满分25分)第一节(共 5 小题,每小题 1 分,满分5分)听下面5 个问题。
每个问题后有三个答语,从题中所给的A、B、C 三个选项中选出最佳选项。
听完每个问题后,你都有5秒钟的时间来作答和阅读下一小题。
每个问题仅读一遍。
1. A. Linda. B. Clean the city park. C. On Saturday.2. A. He is my brother. B. He has a cold. C. He is reading.3. A. I was taking a shower B. I’m fine. C. My uncle.4. A. It’s dirty. B. It doesn’t matter. C. Yes, sure.5. A. By buying him clothes. B. Very active. C. Six years old.第二节(共7 小题,每小题 1 分,满分7分)听下面7 段对话。
每段对话后有一个小题,从题中所给的A、B、C 三个选项中选出最佳选项。
听完每段对话后,你都有10秒钟的时间来回答有关小题和阅读下一小题。
每段对话仅读一遍。
6. Where does the man want to go?A. To the beach.B. To the bank.C. To the library.7. What should the boy do?A. Argue with Peter.B. Find his book.C. Say “Sorry” to Peter.8. How is the woman’s room?A. Big enough.B. Very small.C. Too big9. Where may the two speakers be?A. B. C.10. What was Jim’s sister doing at that time?A. Doing homework.B. Listening to music.C. Watching TV11. Who are the two speakers?A. Mother and son.B. Doctor and patient.C. Teacher and student.12. What can we know about the boy?A. He lost something.B. He likes reading in class.C. He might be in a bookshop now.第三节(共13小题,每小题1分,满分13分)听下面4 段对话或独白。
八年级期中精选试卷测试题(Word版含解析)一、八年级数学全等三角形解答题压轴题(难)1.如图,在平面直角坐标系中,A、B坐标为()6,0、()0,6,P为线段AB上的一点.(1)如图1,若P为AB的中点,点M、N分别是OA、OB边上的动点,且保持AM ON=,则在点M、N运动的过程中,探究线段PM、PN之间的位置关系与数量关系,并说明理由.(2)如图2,若P为线段AB上异于A、B的任意一点,过B点作BD OP⊥,交OP、OA分别于F、D两点,E为OA上一点,且PEA BDO=∠∠,试判断线段OD与AE的数量关系,并说明理由.【答案】(1)PM=PN,PM⊥PN,理由见解析;(2)OD=AE,理由见解析【解析】【分析】(1)连接OP.只要证明△PON≌△PAM即可解决问题;(2)作AG⊥x轴交OP的延长线于G.由△DBO≌△GOA,推出OD=AG,∠BDO=∠G,再证明△PAE≌△PAG即可解决问题;【详解】(1)结论:PM=PN,PM⊥PN.理由如下:如图1中,连接OP.∵A、B坐标为(6,0)、(0,6),∴OB=OA=6,∠AOB=90°,∵P为AB的中点,∴OP=12AB=PB=PA,OP⊥AB,∠PON=∠PAM=45°,∴∠OPA=90°,在△PON和△PAM中,ON AMPON PAMOP AP=⎧⎪∠=∠⎨⎪=⎩,∴△PON≌△PAM(SAS),∴PN=PM,∠OPN=∠APM,∴∠NPM=∠OPA=90°,∴PM ⊥PN ,PM=PN .(2)结论:OD=AE .理由如下:如图2中,作AG ⊥x 轴交OP 的延长线于G .∵BD ⊥OP , ∴∠OAG=∠BOD=∠OFD=90°,∴∠ODF+∠AOG=90°,∠ODF+∠OBD=90°,∴∠AOG=∠DBO ,∵OB=OA ,∴△DBO ≌△GOA ,∴OD=AG ,∠BDO=∠G ,∵∠BDO=∠PEA ,∴∠G=∠AEP ,在△PAE 和△PAG 中,AEP G PAE PAG AP AP ∠=∠⎧⎪∠=∠⎨⎪=⎩,∴△PAE ≌△PAG (AAS ),∴AE=AG ,∴OD=AE .【点睛】考查了等腰直角三角形的性质、全等三角形的判定和性质、坐标与图形性质、直角三角形的性质等知识,解题的关键是学会添加常用辅助线,构造全等三角形解决问题.2.如图1,Rt △ABC 中,∠A =90°,AB =AC ,点D 是BC 边的中点连接AD ,则易证AD =BD =CD ,即AD =12BC ;如图2,若将题中AB =AC 这个条件删去,此时AD 仍然等于12BC . 理由如下:延长AD 到H ,使得AH =2AD ,连接CH ,先证得△ABD ≌△CHD ,此时若能证得△ABC ≌△CHA ,即可证得AH=BC,此时AD=12BC,由此可见倍长过中点的线段是我们三角形证明中常用的方法.(1)请你先证明△ABC≌△CHA,并用一句话总结题中的结论;(2)现将图1中△ABC折叠(如图3),点A与点D重合,折痕为EF,此时不难看出△BDE和△CDF都是等腰直角三角形.BE=DE,CF=DF.由勾股定理可知DE2+DF2=EF2,因此BE2+CF2=EF2,若图2中△ABC也进行这样的折叠(如图4),此时线段BE、CF、EF还有这样的关系式吗?若有,请证明;若没有,请举反例.(3)在(2)的条件下,将图3中的△DEF绕着点D旋转(如图5),射线DE、DF分别交AB、AC于点E、F,此时(2)中结论还成立吗?请说明理由.图4中的△DEF也这样旋转(如图6),直接写出上面的关系式是否成立.【答案】(1)详见解析;(2)有这样分关系式;(3)EF2=BE2+CF2.【解析】【分析】(1)想办法证明AB∥CH,推出∠BAC=∠ACH,再利用SAS证明△ABC≌△CHA即可.(2)有这样分关系式.如图4中,延长ED到H山顶DH=DE.证明△EDB≌△HD (SAS),推出∠B=∠HCD,BE=CH,∠FCH=90°,利用勾股定理,线段的垂直平分线的性质即可解决问题.(3)图5,图6中,上面的关系式仍然成立.【详解】(1)证明:如图2中,∵BD=DC,∠ADB=∠HDC,AD=HD,∴△ADB≌△HDC(SAS),∴∠B=∠HCD,AB=CH,∴AB∥CH,∴∠BAC+∠ACH=180°,∵∠BAC=90°,∴∠ACH=∠BAC=90°,∵AC=CA,∴△BAC≌△HCA(SAS),∴AH=BC,∴AD=DH=BD=DC,∴AD=12 BC.结论:直角三角形斜边上的中线等于斜边的一半.(2)解:有这样分关系式.理由:如图4中,延长ED到H山顶DH=DE.∵ED=DH,∠EDB=∠HDC,DB=DC,∴△EDB≌△HDC(SAS),∴∠B=∠HCD,BE=CH,∵∠B+∠ACB=90°,∴∠ACB+∠HCD=90°,∴∠FCH=90°,∴FH2=CF2+CH2,∵DF⊥EH,ED=DH,∴EF=FH,∴EF2=BE2+CF2.(3)图5,图6中,上面的关系式仍然成立.结论:EF2=BE2+CF2.证明方法类似(2).【点睛】本题属于几何变换综合题,考查了旋转变换,翻折变换,全等三角形的判定和性质,勾股定理等知识,解题的关键是学会添加常用辅助线,构造全等三角形解决问题,属于中考压轴题.3.探究与发现:如图(1)所示的图形,像我们常见的学习用品一圆规,我们,不妨把这样图形叫做“规形图(1)观察“规形图(1)”,试探究∠BDC与∠A、∠B、∠C之间的数量关系,并说明理由;(2)请你直接利用以上结论,解决以下问题:①如图(2),把一块三角尺XYZ放置在△ABC上使三角尺的两条直角边XY、XZ恰好经过点B、C,若∠A=40°,则∠ABX+∠ACX=°.②如图(3),DC平分∠ADB,EC平分∠AEB,若∠DAE=40°,∠DBE=130°,求∠DCE 的度数.【答案】(1)∠BDC=∠BAC+∠B+∠C,理由见解析;(2)①50;②∠DCE=85°.【解析】【分析】(1)首先连接AD并延长至点F,然后根据外角的性质,即可判断出∠BDC=∠BAC+∠B+∠C;(2)①由(1)可得∠A+∠ABX+∠ACX=∠X,然后根据∠A=40°,∠X=90°,即可求解;(3)②由∠A=40°,∠DBE=130°,求出∠ADE+∠AEB的值,然后根据∠DCE=∠A+∠ADC+∠AEC,求出∠DCE的度数即可.【详解】(1)如图,∠BDC=∠BAC+∠B+∠C,理由是:过点A、D作射线AF,∵∠FDC=∠DAC+∠C,∠BDF=∠B+∠BAD,∴∠FDC+∠BDF=∠DAC+∠BAD+∠C+∠B,即∠BDC=∠BAC+∠B+∠C;(2)①如图(2),∵∠X=90°,由(1)知:∠A+∠ABX+∠ACX=∠X=90°,∵∠A =40°,∴∠ABX+∠ACX =50°,故答案为:50;②如图(3),∵∠A =40°,∠DBE =130°,∴∠ADE+∠AEB =130°﹣40°=90°,∵DC 平分∠ADB ,EC 平分∠AEB ,∴∠ADC =12∠ADB ,∠AEC =12∠AEB , ∴∠ADC+∠AEC =1(ADB AEB)2∠+∠=45°, ∴∠DCE =∠A+∠ADC+∠AEC =40°+45°=85°.【点睛】本题主要考查了三角形外角性质以及角平分线的定义的运用,熟知三角形的一个外角等于和它不相邻的两个内角的和是解题的关键.4.在等边ABC 中,点D 是边BC 上一点.作射线AD ,点B 关于射线AD 的对称点为点E .连接CE 并延长,交射线AD 于点F .(1)如图,连接AE ,①AE 与AC 的数量关系是__________;②设BAF α∠=,用α表示BCF ∠的大小;(2)如图,用等式表示线段AF ,CF ,EF 之间的数量关系,并证明.【答案】(1) ①AB=AE ;②∠BCF=α;(2) AF-EF=CF ,理由见详解.【解析】【分析】(1)①根据轴对称性,即可得到答案;②由轴对称性,得:AE=AB ,∠BAF=∠EAF=α,由ABC 是等边三角形,得AB=AC ,∠BAC=∠ACB=60°,再根据等腰三角形的性质和三角形内角和等于180°,即可求解;(2)作∠FCG=60°交AD于点G,连接BF,易证∆FCG是等边三角形,得GF=FC,再证∆ACG≅∆BCF(SAS),从而得AG=BF,进而可得到结论.【详解】(1)①∵点B关于射线AD的对称点为点E,∴AB和AE关于射线AD的对称,∴AB=AE.故答案是:AB=AE;②∵点B关于射线AD的对称点为点E,∴AE=AB,∠BAF=∠EAF=α,∵ABC是等边三角形,∴AB=AC,∠BAC=∠ACB=60°,∴∠EAC=60°-2α,AE=AC,∴∠ACE=1180(602)602αα⎡⎤--=+⎣⎦,∴∠BCF=∠ACE-∠ACB=60α+-60°=α.(2)AF-EF=CF,理由如下:作∠FCG=60°交AD于点G,连接BF,∵∠BAF=∠BCF=α,∠ADB=∠CDF,∴∠ABC=∠AFC=60°,∴∆FCG是等边三角形,∴GF=FC,∵ABC是等边三角形,∴BC=AC,∠ACB=60°,∴∠ACG=∠BCF=α.在∆ACG和∆BCF中,∵CA CBACG BCF CG CF=⎧⎪∠=∠⎨⎪=⎩,∴∆ACG≅∆BCF(SAS),∴AG=BF,∵点B关于射线AD的对称点为点E,∴AG=BF=EF,∵AF-AG=GF,∴AF-EF=CF.【点睛】本题主要考查等边三角形的性质和三角形全等的判定和性质定理,添加辅助线,构造全等三角形,是解题的关键.5.如图,A(0,4)是直角坐标系y轴上一点,动点P从原点O出发,沿x轴正半轴运动,速度为每秒1个单位长度,以P为直角顶点在第一象限内作等腰Rt△APB.设P点的运动时间为t秒.(1)若AB∥x轴,如图1,求t的值;(2)设点A关于x轴的对称点为A′,连接A′B,在点P运动的过程中,∠OA′B的度数是否会发生变化,若不变,请求出∠OA′B的度数,若改变,请说明理由.(3)如图2,当t=3时,坐标平面内有一点M(不与A重合)使得以M、P、B为顶点的三角形和△ABP全等,请直接写出点M的坐标.【答案】(1)4;(2)∠OA′B的度数不变,∠OA′B=45 ,理由见解析;(3)点M的坐标为(6,﹣4),(4,7),(10,﹣1)【解析】【分析】(1)利用等腰直角三角形的性质以及平行线的性质,可证明△AOP为等腰直角三角形,从而求得答案;(2)根据对称的性质得:PA=PA'=PB,由∠PAB+∠PBA=90°,结合三角形内角和定理即可求得∠OA'B=45°;(3)分类讨论:分别讨论当△ABP≌△MBP、△ABP≌△MPB、△ABP≌△MPB时,点M的坐标的情况;过点M作x轴的垂线、过点B作y轴的垂线,利用等腰直角三角形的性质及全等三角形的判定和性质求得点M的坐标即可.【详解】(1)∵AB ∥x 轴,△APB 为等腰直角三角形,∴∠PAB =∠PBA =∠APO =45°,∴△AOP 为等腰直角三角形,∴OA =OP =4.∴t =4÷1=4(秒),故t 的值为4.(2)如图2,∠OA ′B 的度数不变,∠OA ′B =45°,∵点A 关于x 轴的对称点为A ′,∴PA =PA ',又AP =PB ,∴PA =PA '=PB ,∴∠PAA '=∠PA 'A ,∠PBA '=∠PA 'B ,又∵∠PAB +∠PBA =90°,∴∠PAA '+∠PA 'A +∠PA 'B +∠PBA '=180()PAB PBA ∠∠︒-+180=︒-90°=90°,∴∠AA 'B =45°,即∠OA 'B =45°;(3)当t =3时,M 、P 、B 为顶点的三角形和△ABP 全等, ①如图3,若△ABP ≌△MBP ,则AP =PM ,过点M 作MD ⊥OP 于点D ,∵∠AOP =∠PDM ,∠APO =∠DPM ,∴△AOP ≌△MDP (AAS ),∴OA =DM =4,OP =PD =3,∴M 的坐标为:(6,-4).②如图4,若△ABP ≌△MPB ,则AB PM =,过点M 作M E ⊥x 轴于点E ,过点B 作BG ⊥x 轴于点G ,过点B 作BF ⊥y 轴于点F ,∵△APB 为等腰直角三角形,则△MPB 也为等腰直角三角形, ∴∠BAP =∠MPB=45︒,PA PB =∵139023∠+∠=︒=∠+∠,∴12∠=∠∴Rt AOP Rt PGB ≅∴34BG OP PG AO ====,∵BG ⊥x 轴BF ,⊥y 轴∴四边形BGOF 为矩形,∴3OP BG ==,则431AF OA OF =-=-=347BF OG OP PG ==+=+=在Rt ABF 和Rt PME 中∠BAF =45︒+1∠,∠MPE =45︒+2∠,∴∠BAF =∠MPE∵AB PM =∴Rt ABF Rt PME ≅∴71ME BF PE AF ====,∴M 的坐标为:(4,7),③如图5,若△ABP ≌△MPB ,则AB PM =,过点M 作M E ⊥x 轴于点D ,过点B 作BG ⊥x 轴于点E ,过点B 作BF ⊥y 轴于点F ,∵△APB 为等腰直角三角形,则△MPB 也为等腰直角三角形,∴∠BAP =∠MPB=45︒,PA PB =∵139023∠+∠=︒=∠+∠,∴12∠=∠∴Rt AOP Rt PEB ≅∴34BE OP PE AO ====,∵BE ⊥x 轴BF ,⊥y 轴∴四边形BEOF 为矩形,∴3OP BG ==,则431AF OA OF =-=-=347BF OE OP PE ==+=+=在Rt ABF 和Rt PMD 中∵BF ⊥y 轴∴42∠=∠∵42ABF PMD ∠∠∠+=∠+∴ABF PMD ∠∠=∵AB PM =∴Rt ABF Rt PMD ≅∴17MD AF PD BF ====,∴M 的坐标为:(10,﹣1).综合以上可得点M 的坐标为:(6,﹣4),(4,7),(10,﹣1).【点睛】本题考查了等腰三角形的性质,全等三角形的判定和性质,矩形的判定和性质,第(3)小题要注意分类讨论,作此类型的题要结合图形,构建适当的辅助线,寻找相等的量才能得出结论.二、八年级数学 轴对称解答题压轴题(难)6.定义:如果一条线段将一个三角形分成2个小等腰三角形,我们把这条线段叫做这个三角形的“好线”:如果两条线段将一个三角形分成3个小等腰三角形,我们把这两条线段叫做这个三角形的“好好线”.理解:(1)如图1,在ABC ∆中,AB AC =,点D 在AC 边上,且AD BD BC ==,求A ∠的大小;(2)在图1中过点C 作一条线段CE ,使BD ,CE 是ABC ∆的“好好线”;在图2中画出顶角为45的等腰三角形的“好好线”,并标注每个等腰三角形顶角的度数(画出一种即可);应用:(3)在ABC ∆中,27B ∠=,AD 和DE 是ABC ∆的“好好线”,点D 在BC 边上,点E 在AC 边上,且AD BD =,DE CE =,请求出C ∠的度数.【答案】(1)36°;(2)见详解;(3)18°或42°【解析】【分析】(1)利用等边对等角得到三对角相等,设∠A=∠ABD=x ,表示出∠BDC 与∠C ,列出关于x 的方程,求出方程的解得到x 的值,即可确定出∠A 的度数.(2)根据(1)的解题过程作出△ABC 的“好好线”;45°自然想到等腰直角三角形,过底角一顶点作对边的高,发现形成一个等腰直角三角形和直角三角形.直角三角形斜边的中线可形成两个等腰三角形;第二种情形以一底角作为新等腰三角形的底角,则另一底角被分为45°和22.5°,再以22.5°分别作为等腰三角形的底角或顶角,易得其中作为底角时所得的三个三角形恰都为等腰三角形;(3)用量角器,直尺标准作27°角,而后确定一边为BA ,一边为BC ,根据题意可以先固定BA 的长,而后可确定D 点,再分别考虑AD 为等腰三角形的腰或者底边,兼顾A 、E 、C 在同一直线上,易得2种三角形ABC ;根据图形易得∠C 的值;【详解】解:(1)∵AB=AC ,∴∠ABC=∠C ,∵BD=BC=AD ,∴∠A=∠ABD ,∠C=∠BDC ,设∠A=∠ABD=x ,则∠BDC=2x ,∠C=°180-2x 可得°180-22x x = ∴x=36°则∠A=36°;(2)如图所示:(3)如图所示:①当AD=AE 时,∵2x+x=27°+27°,∴x=18°;②当AD=DE 时,∵27°+27°+2x+x=180°,∴x=42°;综上所述,∠C 为18°或42°的角.【点睛】本题主要考查了三角形内角、外角间的关系及等腰三角形知识,解题的关键是学会用分类讨论的思想思考问题,属于中考常考题型.7.已知:AD 是ABC ∆的高,且BD CD =.(1)如图1,求证:BAD CAD ∠=∠;(2)如图2,点E 在AD 上,连接BE ,将ABE ∆沿BE 折叠得到'A BE ∆,'A B 与AC 相交于点F ,若BE=BC ,求BFC ∠的大小;(3)如图3,在(2)的条件下,连接EF ,过点C 作CG EF ⊥,交EF 的延长线于点G ,若10BF =,6EG =,求线段CF 的长.图1. 图2. 图3.【答案】(1)见解析,(2)BFC ∠=60(3)8=CF .【解析】【分析】(1)根据等腰三角形三线合一,易得AB=AC ,BAD CAD ∠=∠;(2)在图2中,连接CE ,可证得BCE ∆是等边三角形,60BEC ∠= ,30BED ∠=且由折叠性质可知1'2ABE A BE ABF ∠=∠=∠,可得BFC FAB ABF ∠=∠+∠ ()2BAD ABE =∠+∠ 260BED =∠=;(3)连接CE ,过点E 分别作EH AB ⊥于点H ,EM BF ⊥于点M ,EN AC ⊥于点N ,可证得Rt BEM Rt CEN ∆≅∆,BM CN =,BF FM CF CN -=+,可得线段CF 的长.【详解】解:(1)证明:如图1,AD BC ⊥,BD CD =AB AC ∴=BAD CAD ∴∠=∠;图1(2)解:在图2中,连接CEED BC ⊥,BD CD = BE CE ∴= 又BE BC = BE CE BC ∴== BCE ∴∆是等边三角形60BEC ∴∠= 30BED ∴∠=由折叠性质可知1'2ABE A BE ABF ∠=∠=∠ 2ABF ABE ∴∠=∠ 由(1)可知2FAB BAE ∠=∠ BFC FAB ABF ∴∠=∠+∠ ()2BAD ABE =∠+∠ 223060BED =∠=⨯=图2(3)解:连接CE ,过点E 分别作EH AB ⊥于点H ,EM BF ⊥于点M ,EN AC ⊥于点N'ABE A BE ∠=∠,BAD CAD ∠=∠ EM EH EN ∴==AFE BFE ∴∠=∠ 又60BFC ∠= 60AFE BFE ∴∠=∠=在Rt EFM ∆中,906030FEM ∠=-= 2EF FM ∴=令FM m =,则2EF m = 62FG EG EF m ∴=-=-同理12FN EF m ==,2124CF FG m ==-在Rt BEM ∆和Rt CEN ∆中,EM EN =,BE CE = Rt BEM Rt CEN ∴∆≅∆ BM CN ∴=BF FM CF FN ∴-=+ 10124m m m ∴-=-+解得1m = 8CF ∴=图3故答案为(1)见解析,(2)BFC ∠= 60(3)8CF =.【点睛】本题考查翻折的性质,涉及角平分线的性质、等腰三角形的性质和判定、等边三角形的判定和性质、含30度角的直角三角形、全等三角形的判定和性质等知识点,属于较难的题型.8.如图,在等边△ABC 中,线段AM 为BC 边上的中线.动点D 在直线AM 上时,以CD 为一边在CD 的下方作等边△CDE ,连结BE .(1)求∠CAM 的度数;(2)若点D 在线段AM 上时,求证:△ADC ≌△BEC ;(3)当动D 在直线..AM 上时,设直线BE 与直线AM 的交点为O ,试判断∠AOB 是否为定值?并说明理由.【答案】(1)30°;(2)答案见解析;(3)∠AOB 是定值,∠AOB =60°.【解析】【分析】(1)根据等边三角形的性质可以直接得出结论;(2)根据等边三角形的性质就可以得出AC =BC ,DC =EC ,∠ACB =∠DCE =60°,由等式的性质就可以∠BCE =∠ACD ,根据SAS 就可以得出△ADC ≌△BEC ;(3)分情况讨论:当点D 在线段AM 上时,如图1,由(2)可知△ACD ≌△BCE ,就可以求出结论;当点D 在线段AM 的延长线上时,如图2,可以得出△ACD ≌△BCE 而有∠CBE =∠CAD =30°而得出结论;当点D 在线段MA 的延长线上时,如图3,通过得出△ACD ≌△BCE 同样可以得出结论.【详解】(1)∵△ABC 是等边三角形,∴∠BAC =60°.∵线段AM 为BC 边上的中线,∴∠CAM 12=∠BAC ,∴∠CAM =∠BAM =30°. (2)∵△ABC 与△DEC 都是等边三角形,∴AC =BC ,CD =CE ,∠ACB =∠DCE =60°,∴∠ACD +∠DCB =∠DCB +∠BCE ,∴∠ACD =∠BCE . 在△ADC 和△BEC 中,∵AC BC ACD BCE CD CE =⎧⎪∠=∠⎨⎪=⎩,∴△ACD ≌△BCE (SAS ); (3)∠AOB 是定值,∠AOB =60°.理由如下:①当点D 在线段AM 上时,如图1,由(2)可知△ACD ≌△BCE ,则∠CBE =∠CAD =30°,又∠ABC =60°,∴∠CBE +∠ABC =60°+30°=90°.∵△ABC 是等边三角形,线段AM 为BC 边上的中线,∴AM 平分∠BAC ,即11603022BAM BAC ∠∠==⨯︒=︒,∴∠BOA =90°﹣30°=60°.②当点D 在线段AM 的延长线上时,如图2.∵△ABC 与△DEC 都是等边三角形,∴AC =BC ,CD =CE ,∠ACB =∠DCE =60°,∴∠ACB +∠DCB =∠DCB +∠DCE ,∴∠ACD =∠BCE . 在△ACD 和△BCE 中,∵AC BC ACD BCE CD CE =⎧⎪∠=∠⎨⎪=⎩,∴△ACD ≌△BCE (SAS ),∴∠CBE =∠CAD =30°.由(1)得:∠BAM =30°,∴∠BOA =90°﹣30°=60°.③当点D 在线段MA 的延长线上时.∵△ABC 与△DEC 都是等边三角形,∴AC =BC ,CD =CE ,∠ACB =∠DCE =60°,∴∠ACD +∠ACE =∠BCE +∠ACE =60°,∴∠ACD =∠BCE .在△ACD和△BCE中,∵AC BCACD BCECD CE=⎧⎪∠=∠⎨⎪=⎩,∴△ACD≌△BCE(SAS),∴∠CBE=∠CAD.由(1)得:∠CAM=30°,∴∠CBE=∠CAD=150°,∴∠CBO=30°,∠BAM=30°,∴∠BOA=90°﹣30°=60°.综上所述:当动点D在直线AM上时,∠AOB是定值,∠AOB=60°.【点睛】本题考查了等边三角形的性质的运用,直角三角形的性质的运用,等式的性质的运用,全等三角形的判定及性质的运用,解答时证明三角形全等是关键.9.如图1,在ABC中,90BAC∠=︒,点D为AC边上一点,连接BD,点E为BD 上一点,连接CE,CED ABD∠=∠,过点A作AG CE⊥,垂足为G,交ED于点F.(1)求证:2FAD ABD∠=∠;(2)如图2,若AC CE=,点D为AC的中点,求证:AB AC=;(3)在(2)的条件下,如图3,若3EF=,求线段DF的长.【答案】(1)详见解析;(2)详见解析;(3)6【解析】【分析】(1)根据直角三角形的性质可得90ADB ABD ∠=︒-∠,90EFG CED ∠=︒-∠,然后根据三角形的内角和和已知条件即可推出结论;(2)根据直角三角形的性质和已知条件可得AFD ADF ∠=∠,进而可得AF AD =,BFA CDE ∠=∠,然后即可根据AAS 证明ABF ∆≌CED ∆,可得AB CE =,进一步即可证得结论;(3)连接AE ,过点A 作AH AE ⊥交BD 延长线于点H ,连接CH ,如图4.先根据已知条件、三角形的内角和定理和三角形的外角性质推出45AED ∠=︒,进而可得AE AH =,然后即可根据SAS 证明△ABE ≌△ACH ,进一步即可推出90CHD ∠=︒,过点A 作AK ED ⊥于K ,易证△AKD ≌△CHD ,可得DK DH =,然后即可根据等腰三角形的性质推得DF =2EF ,问题即得解决.【详解】(1)证明:如图1,90BAC ∠=︒,90ADB ABD ∴∠=︒-∠,AG CE ⊥,90FGE ∴∠=︒,90EFG AFD CED ∴∠=∠=︒-∠,180FAD AFD ADF CED ABD ∴∠=︒-∠-∠=∠+∠,CED ABD ∠=∠,2FAD ABD ∴∠=∠;(2)证明:如图2,90AFD CED ∠=︒-∠,90ADB ABD ∠=︒-∠,CED ABD ∠=∠,AFD ADF ∴∠=∠,AF AD ∴=,BFA CDE ∠=∠,∵点D 为AC 的中点,∴AD=CD ,AF CD ∴=,ABF ∴∆≌CED ∆(AAS ),AB CE ∴=,CE AC =,AB AC ∴=;(3)解:连接AE ,过点A 作AH AE ⊥交BD 延长线于点H ,连接CH ,如图4. 90BAC ∠=︒,BAE CAH ∴∠=∠,设ABD CED α∠=∠=,则2,902FAD ACG αα∠=∠=︒-,CA CE =,45AEC EAC α∴∠=∠=︒+,45AED ∴∠=︒,45AHE ∴∠=︒,AE AH ∴=,AB AC =,∴△ABE ≌△ACH (SAS ),135AEB AHC ∴∠=∠=︒,90CHD ∴∠=︒,过点A 作AK ED ⊥于K ,90AKD CHD ∴∠=∠=︒,AD CD =,ADK CDH ∠=∠,∴△AKD ≌△CHD (AAS ),DK DH ∴=,∵,,AK DF AF AD AE AH ⊥==,,FK DK EK HK ∴==,3DH EF ∴==,6DF ∴=.【点睛】本题考查了直角三角形的性质、三角形的内角和定理、三角形的外角性质、等腰直角三角形的判定和性质、全等三角形的判定和性质以及等腰三角形的性质等知识,考查的知识点多、综合性强、难度较大,正确添加辅助线、构造等腰直角三角形和全等三角形的模型、灵活应用上述知识是解题的关键.10.如图,在等边ABC ∆中,线段AM 为BC 边上的中线.动点D 在直线AM 上时,以CD 为一边在CD 的下方作等边CDE ∆,连结BE .(1)求CAM ∠的度数;(2)若点D 在线段AM 上时,求证:ADC BEC ∆≅∆;(3)当动点D 在直线AM 上时,设直线BE 与直线AM 的交点为O ,试判断AOB ∠是否为定值?并说明理由.【答案】(1)30°;(2)证明见解析;(3)AOB ∠是定值,60AOB ∠=︒.【解析】【分析】(1)根据等边三角形的性质可以直接得出结论;(2)根据等边三角形的性质就可以得出AC AC =,DC EC =,,60ACB DCE ∠=∠=︒,由等式的性质就可以BCE ACD ∠=∠,根据SAS 就可以得出ADC BEC ∆≅∆;(3)分情况讨论:当点D 在线段AM 上时,如图1,由(2)可知ACD BCE ≅∆∆,就可以求出结论;当点D 在线段AM 的延长线上时,如图2,可以得出ACD BCE ≅∆∆而有30CBE CAD ∠=∠=︒而得出结论;当点D 在线段MA 的延长线上时,如图3,通过得出ACD BCE ≅∆∆同样可以得出结论.【详解】(1)ABC ∆是等边三角形,60BAC ∴∠=︒.线段AM 为BC 边上的中线,12CAM BAC ∴∠=∠, 30CAM ∴∠=︒.(2)ABC ∆与DEC ∆都是等边三角形,AC BC ∴=,CD CE =,60ACB DCE ∠=∠=︒,ACD DCB DCB BCE ∴∠+∠=∠+∠,ACD BCE ∠∠∴=.在ADC ∆和BEC ∆中AC BC ACD BCE CD CE =⎧⎪∠=∠⎨⎪=⎩,()ACD BCE SAS ∴∆≅∆;(3)AOB ∠是定值,60AOB ∠=︒,理由如下:①当点D 在线段AM 上时,如图1,由(2)可知ACD BCE ≅∆∆,则30CBE CAD ∠=∠=︒,又60ABC ∠=︒,603090CBE ABC ∴∠+∠=︒+︒=︒,ABC ∆是等边三角形,线段AM 为BC 边上的中线AM ∴平分BAC ∠,即11603022BAM BAC ∠=∠=⨯︒=︒ 903060BOA ∴∠=︒-︒=︒.②当点D 在线段AM 的延长线上时,如图2,ABC ∆与DEC ∆都是等边三角形,AC BC ∴=,CD CE =,60ACB DCE ∠=∠=︒,ACB DCB DCB DCE ∴∠+∠=∠+∠,ACD BCE ∠∠∴=,在ACD ∆和BCE ∆中AC BC ACD BCE CD CE =⎧⎪∠=∠⎨⎪=⎩,()ACD BCE SAS ∴∆≅∆,30CBE CAD ∴∠=∠=︒,同理可得:30BAM ∠=︒,903060BOA ∴∠=︒-︒=︒.③当点D 在线段MA 的延长线上时,ABC ∆与DEC ∆都是等边三角形,AC BC ∴=,CD CE =,60ACB DCE ∠=∠=︒,60ACD ACE BCE ACE ∴∠+∠=∠+∠=︒,ACD BCE ∠∠∴=,在ACD ∆和BCE ∆中AC BC ACD BCE CD CE =⎧⎪∠=∠⎨⎪=⎩,()ACD BCE SAS ∴∆≅∆,CBE CAD ∴∠=∠,同理可得:30CAM ∠=︒150CBE CAD ∴∠=∠=︒30CBO ∴∠=︒,∵30BAM ∠=︒,903060BOA ∴∠=︒-︒=︒.综上,当动点D 在直线AM 上时,AOB ∠是定值,60AOB ∠=︒.【点睛】此题考查等边三角形的性质,全等三角形的判定及性质,等边三角形三线合一的性质,解题中注意分类讨论的思想解题.三、八年级数学整式的乘法与因式分解解答题压轴题(难)11.利用我们学过的知识,可以导出下面这个等式:()()()12222222a b c ab bc ac a b b c c a ⎡⎤++---=-+-+-⎣⎦. 该等式从左到右的变形,不仅保持了结构的对称性,还体现了数学的和谐、简洁美. (1)请你展开右边检验这个等式的正确性;(2)利用上面的式子计算:222201820192020201820192019202020182020++-⨯-⨯-⨯.【答案】(1)见解析;(2)3.【解析】【分析】(1)根据完全平方公式和合并同类项的方法可以将等式右边的式子进行化简,从而可以得出结论;(2)根据题目中的等式可以求得所求式子的值.【详解】解:(1)12[(a-b )2+(b-c )2+(c-a )2] =12(a 2-2ab+b 2+b 2-2bc+c 2+a 2-2ac+c 2) =12×(2a 2+2b 2+2c 2-2ab-2bc-2ac ) =a 2+b 2+c 2-ab-bc-ac ,故a 2+b 2+c 2-ab-bc-ac=12[(a-b )2+(b-c )2+(c-a )2]正确; (2)20182+20192+20202-2018×2019-2019×2020-2018×2020=12×[(2018-2019)2+(2019-2020)2+(2020-2018)2] =12×(1+1+4) =12×6 =3.【点睛】本题考查因式分解的应用,解答本题的关键是明确题意,熟练掌握完全平方公式并能灵活运用.12.若一个整数能表示成22a b +(a ,b 是整数)的形式,则称这个数为“完美数”.例如,5是“完美数”,因为22521=+.再如,()222222M x xy y x y y =++=++(x ,y 是整数),所以M 也是“完美数”. (1)请你再写一个小于10的“完美数”,并判断29是否为“完美数”;(2)已知224412S x y x y k =++-+(x ,y 是整数,是常数),要使S 为“完美数”,试求出符合条件的一个2200-0=值,并说明理由.(3)如果数m ,n 都是“完美数”,试说明mn 也是“完美数”..【答案】(1)8、29是完美数(2)S 是完美数(3)mn 是完美数【解析】【分析】(1)利用“完美数”的定义可得;(2)利用配方法,将S 配成完美数,可求k 的值(3)根据完全平方公式,可证明mn 是“完美数”;【详解】(1) 22228,8+=∴是完美数;222925,29=+∴是完美数 (2) ()222)2313S x y k =++-+-( 13.k S ∴=当时,是完美数(3) 2222,m a b n c d 设=+=+,则()()()()222222mn a bc d ac bd ad bc =++=++- 即mn 也是完美数.【点睛】本题考查了因式分解的应用,完全平方公式的运用,阅读理解题目表述的意思是本题的关键.13.探究阅读材料:“若x 满足()()806030x x --=,求()()228060x x -+-的值” 解:设()80x a -=,()60x b -=,则()()806030x x ab --==,()()806020a b x x +=-+-=,所以()()22228060x x a b -+-=+()22220230340a b ab =+-=-⨯=.解决问题:(1)若x 满足()()451520x x --=-,求()()224515x x -+-的值. (2)若x 满足()()22202020184040x x -+-=,求()()20202018x x --的值. (3)如图,正方形ABCD 的边长为x ,20AE =,30CG =,长方形EFGD 的面积是700,四边形NGDH 和MEDQ 都是正方形,PQDH 是长方形,求图中阴影部分的面积(结果必须是一个具体的数值).【答案】(1)940;(2)2018;(3)2900【解析】【分析】(1)根据材料提供的方法进探究,设(45-x )=a ,(x-15)=b ,则有()()451520x x ab --==-,()()4515=30a b x x +=-+-,据此即可求出()()224515x x -+-的值; (2)(2020-x )=m ,( x-2018)=n ,则()()2222202020184040,2x x m n m n -+-=+=+=,则可求出()()20202018x x --的值; (3)根据题意知S 四EFGD =(x-20)(x-30)=700,知S 正MEDQ =(x-20)2,S 正DHNG =(x-30)2,S 四PQDN =(x-20)(x-30)=700,设x-20=a ,30-x=b ,则有-ab=700,据此即可求出阴影部分的面积.【详解】解:(1)设(45-x )=a ,(x-15)=b ,则有()()451520x x ab --==-,()()4515=30a b x x +=-+-∴()()()()2222224515=230220940x x a b a b ab -+-+=+-=-⨯-=;(2)(2020-x )=m ,( x-2018)=n ,则()()2222202020184040,2x x m n m n -+-=+=+=∴()()20202018x x --=-()()20202018x x -- ()()222+-44040-201822m n m n mn +-=== ∴()()20202018x x --=-mn=2018;(3)根据题意知S 四EFGD =(x-20)(x-30)=700,S 正MEDQ =(x-20)2,S 正DHNG =(x-30)2,S 四PQDN =(x-20)(x-30)=700设x-20=a ,30-x=b ,∴-ab=700,∴()()()()222222302021027001500x x a b a b ab -+-=+=+-=-⨯-=∴S 阴影=1500+700+700=2900故答案为:(1)940;(2)2018;(3)2900【点睛】本题考查完全平方公式,换元法等知识,解题的关键是学会利用换元法解决问题,熟练掌握完全平方公式.14.由多项式的乘法:(x +a)(x +b)=x 2+(a +b)x +ab ,将该式从右到左使用,即可得到用“十字相乘法”进行因式分解的公式:x 2+(a +b)x +ab =(x +a)(x +b).实例 分解因式:x 2+5x +6=x 2+(2+3)x +2×3=(x +2)(x +3).(1)尝试 分解因式:x 2+6x +8;(2)应用 请用上述方法解方程:x 2-3x -4=0.【答案】(1) (x+2)(x +4);(2) x =4或x =-1.【解析】【分析】(1)类比题干因式分解方法求解可得;(2)利用十字相乘法将左边因式分解后求解可得.【详解】(1)原式=(x+2)(x +4);(2)x 2-3x -4=(x -4)(x +1)=0,所以x -4=0或x +1=0,即x =4或x =-1.【点睛】本题主要考查解一元二次方程的能力,熟练掌握解一元二次方程的几种常用方法:直接开平方法、因式分解法、公式法、配方法,结合方程的特点选择合适、简便的方法是解题的关键.15.(探究)如图①,从边长为a 的大正方形中剪掉一个边长为b 的小正方形,有阴影部分沿虚线剪开,拼成图②的长方形(1)请你分别表示出这两个图形中阴影部分的面积(2)比较两图的阴影部分面积,可以得到乘法公式 (用字母表示)(应用)请应用这个公式完成下列各题①已知22412m n -=,24m n +=,则2m n -的值为②计算:(2)(2)a b c a b c +--+(拓展)①()()()()24832(21)21212121+1+++++结果的个位数字为 ②计算:222222221009998974321-+-++-+-【答案】[探究](1)a 2﹣b 2;(a +b )(a ﹣b );(2)(a +b )(a ﹣b )=a 2﹣b 2;[应用]①3;②4a 2﹣b 2+2bc ﹣c 2;[拓展]①6;②5050.【解析】【分析】[探究](1)由面积公式可得答案;(2)公式由(1)直接可得;[应用]①用平方差公式分解4m 2﹣n 2,将已知值代入可求解;②将三项恰当组分成两组,先用平方差,再用完全平方公式展开后合并同类项即可;[拓展]①将原式乘以(2﹣1),就可以反复运用平方差公式化简,最后按照循环规律可得解;②将原式从左向右依次两项一组,运用平方差公式分解,化为100+99+98+…+4+3+2+1,从而可得答案.【详解】(1)图①按照正方形面积公式可得:a 2﹣b 2;图②按照长方形面积公式可得:(a +b )(a ﹣b ).故答案为:a 2﹣b 2;(a +b )(a ﹣b ).(2)令(1)中两式相等可得:(a +b )(a ﹣b )=a 2﹣b 2故答案为:(a +b )(a ﹣b )=a 2﹣b 2.【应用】①∵4m 2﹣n 2=12,2m +n =4,4m 2﹣n 2=(2m +n )(2m ﹣n ),∴(2m ﹣n )=12÷4=3. 故答案为:3.②(2a +b ﹣c )(2a ﹣b +c )=[2a +(b ﹣c )][2a ﹣(b ﹣c )]=4a 2﹣(b ﹣c )2=4a 2﹣b 2+2bc ﹣c 2【拓展】①原式=(2﹣1)(2+1)(22+1)(24+1)(28+1)…(232+1)+1=(22﹣1)(22+1)(24+1)(28+1)…(232+1)+1=(24﹣1)(24+1)(28+1)…(232+1)+1=(28﹣1)(28+1)…(232+1)+1=(216﹣1)…(232+1)+1=264﹣1+1=264.∵2的正整数次方的尾数为2,4,8,6循环,64÷4=16.故答案为:6.②原式=(100+99)(100﹣99)+(98+97)(98﹣97)+…+(4+3)(4﹣3)+(2+1)(2﹣1)=100+99+98+97+…+4+3+2+1=5050.【点睛】本题考查了平方差公式的几何背景及其应用与拓展,计算具有一定的难度,属于中档题.四、八年级数学分式解答题压轴题(难)16.已知下面一列等式:111122⨯=-;11112323⨯=-;11113434⨯=-;11114545⨯=-;… (1)请你按这些等式左边的结构特征写出它的一般性等式:(2)验证一下你写出的等式是否成立; (3)利用等式计算:11(1)(1)(2)x x x x ++++11(2)(3)(3)(4)x x x x ++++++. 【答案】(1)一般性等式为111=(+11n n n n -+);(2)原式成立;详见解析;(3)244x x+. 【解析】【分析】(1)先要根据已知条件找出规律;(2)根据规律进行逆向运算;(3)根据前两部结论进行计算.【详解】解:(1)由111122⨯=-;11112323⨯=-;11113434⨯=-;11114545⨯=-;…, 知它的一般性等式为111=(+11n n n n -+); (2)1111(1)(1)n n n n n n n n +-=-+++111(1)1n n n n ==⋅++,∴原式成立;(3)11(1)(1)(2)x x x x ++++11(2)(3)(3)(4)x x x x ++++++ 1111112x x x x =-+-+++11112334x x x x +-+-++++ 114x x =-+ 244x x=+. 【点睛】解答此题关键是找出规律,再根据规律进行逆向运算.17.为响应“绿色出行”的号召,小王上班由自驾车改为乘坐公交车.已知小王家距离上班地点27km ,他乘坐公交车平均每小时行驶的路程比他自驾车平均每小时行驶的路程的2倍还多9km .他从家出发到上班地点,乘公交车所用的时间是自驾车所用时间的37. (1)小王用自驾车上班平均每小时行驶多少千米?(2)上周五,小王上班时先步行了6km ,然后乘公交车前往,共用43小时到达.求他步行的速度.【答案】(1)小王用自驾车上班平均每小时行驶27km ;(2)小王步行的速度为每小时6km .【解析】【分析】(1))设小王用自驾车上班平均每小时行驶xkm ,则他乘坐公交车上班平均每小时行驶()29x km +.再利用乘公交车的方式平均每小时行驶的路程比他自用驾SS 式平均每小时行驶的路程的2倍还多9千米和乘公交车所用时间是自驾车方式所用时间的37,列方程求解即可;(2)设小王步行的速度为每小时ykm ,然后根据“步行时间+乘公交时间=小时”列方程解答即可.【详解】解(1)设小王用自驾车上班平均每小时行驶xkm ,则他乘坐公交车上班平均每小时行驶()29x km +.根据题意得:27327297x x=⋅+ 解得:27x =经检验,27x =是原方程的解且符合题意.所以小王用自驾车上班平均每小时行驶27km ;(2)由(1)知:小王乘坐公交车上班平均每小时行驶29227963x +=⨯+=(km ); 设小王步行的速度为每小时ykm ,根据题意得:62764633y -+= 解得:6y =.经检验:6y =是原方程的解且符合题意所以小王步行的速度为每小时6km .【点睛】本题考查了分式方程的应用,解答的关键在于弄清题意、找到等量关系、列出分式方程并解答.18.某公司开发的960件新产品必须加工后才能投放市场,现有甲、乙两个工厂都想加工这批产品,已知甲工厂单独加工48件产品的时间与乙工厂单独加工72件产品的时间相等,而且乙工厂每天比甲工厂多加工8件产品,在加工过程中,公司需每天支付50元劳务费请工程师到厂进行技术指导.(1)甲、乙两个工厂每天各能加工多少件产品?(2)该公司要选择既省时又省钱的工厂加工产品,乙工厂预计甲工厂将向公司报加工费用为每天800元,请问:乙工厂向公司报加工费用每天最多为多少元时,有望加工这批产品?【答案】(1)甲工厂每天加工16件产品,则乙工厂每天加工24件;(2)乙工厂向公司报加工费用每天最多为1225元时,有望加工这批产品.【解析】【分析】(1)此题的等量关系为:乙工厂每天加工产品的件数=甲工厂每天加工产品的件数+8;甲工厂单独加工48件产品的时间=乙工厂单独加工72件产品的时间,设未知数,列方程求出方程的解即可;(2)先分别求出甲乙两工厂单独加工这批新产品所需时间,再求出甲工厂所需费用,然后根据乙工厂所需费用要小于甲工厂所需费用,设未知数,列不等式,再求出不等式的最大整数解即可.【详解】(1)设甲工厂每天加工x 件产品,则乙工厂每天加工(x+8)件产品, 根据题意得:48728x x =+, 解得:x=16,检验:x(x+8)=16(16+8)≠0,∴x=16是原方程的解,∴x+8=16+8=24,答:甲工厂每天加工16件产品,则乙工厂每天加工24件.(2)解:甲工厂单独加工这批新产品所需时间为:960÷16=60,。
八年级上册临沂物理期中精选试卷练习(Word版含答案)一、初二物理声现象实验易错压轴题(难)1.同学们围绕着水瓶发声的有关问题进行了以下探究。
(提出问题)敲瓶(瓶内含水)时发出的声音主要是由什么振动产生的?(猜想与假设)A.瓶子振动;B.瓶内水振动;C.瓶内空气柱振动(进行实验)(1)将瓶子装满水后用筷子敲击瓶子,瓶子仍能发出声音,故可以将猜想________排除。
(2)将瓶内水全部倒出后用筷子敲击瓶子,瓶子仍能发出声音,故可以将猜想________排除。
(得出结论)由上述实验分析可知,敲瓶发声,主要是由________振动产生的。
(提出新的问题)(1)瓶子发声的音调跟瓶内水的多少有什么关系?(2)随着瓶内水的增多,敲瓶发声的音调变化和吹瓶发声的音调变化又有何不同呢?(设计实验)(1)如图甲所示,先将8个空的玻璃瓶子放到桌子上一字摆开,再向瓶内注入不等量的水,从左到右,瓶内注入的水逐渐增多,最后用筷子从左到右依次敲击瓶口,同时用耳朵仔细听,辨别音调的高低。
(2)用嘴从左到右依次吹瓶口,同时用耳朵仔细听,辨别音调的高低。
(再得出结论)(1)敲瓶发声的音调随着瓶内水的增多而变______(选填高或低)。
(2)吹瓶发声的音调随着瓶内水的增多而变______(选填高或低)。
(拓展应用)如图乙所示. 用嘴分别对着5个高度不同的小瓶的瓶口吹气,发现瓶子越高,发出声音的音调越低。
(1)用嘴对着5个小瓶的瓶口吹气,5个小瓶均发出声音,则发出的声音是由________的振动产生的。
(2)5个小瓶产生的声音音调不同,其原因是________________。
【答案】C B瓶子低高瓶内空气柱空气柱的长短、粗细不同,导致空气柱振动的频率不同【解析】【分析】【详解】[1]将瓶子装满水后,瓶内没有空气,用筷子敲击瓶子,瓶子仍能发出声音,说明敲瓶时发出的声音不是由空气柱的振动产生的。
所以可以将猜想C排除。
[2]将瓶内水全部倒出后,瓶内没有水,用筷子敲击瓶子,瓶子仍能发出声音,说明敲瓶时发出的声音不是由瓶内水振动产生的。
人教版八年级上册数学期中精选试卷检测题(Word 版 含答案)一、八年级数学全等三角形解答题压轴题(难)1.如图1,在平面直角坐标系中,点D (m ,m +8)在第二象限,点B (0,n )在y 轴正半轴上,作DA ⊥x 轴,垂足为A ,已知OA 比OB 的值大2,四边形AOBD 的面积为12.(1)求m 和n 的值.(2)如图2,C 为AO 的中点,DC 与AB 相交于点E ,AF ⊥BD ,垂足为F ,求证:AF =DE .(3)如图3,点G 在射线AD 上,且GA =GB ,H 为GB 延长线上一点,作∠HAN 交y 轴于点N ,且∠HAN =∠HBO ,求NB ﹣HB 的值.【答案】(1)42m n =-⎧⎨=⎩(2)详见解析;(3)NB ﹣FB =4(是定值),即当点H 在GB 的延长线上运动时,NB ﹣HB 的值不会发生变化.【解析】【分析】(1)由点D ,点B 的坐标和四边形AOBD 的面积为12,可列方程组,解方程组即可; (2)由(1)可知,AD =OA =4,OB =2,并可求出AB =BD =25,利用SAS 可证△DAC ≌△AOB ,并可得∠AEC =90°,利用三角形面积公式即可求证;(3)取OC =OB ,连接AC ,根据对称性可得∠ABC =∠ACB ,AB =AC ,证明△ABH ≌△CAN ,即可得到结论.【详解】解:(1)由题意()()218122m n n m m --=⎧⎪⎨++-=⎪⎩ 解得42m n =-⎧⎨=⎩; (2)如图2中,由(1)可知,A (﹣4,0),B (0,2),D (﹣4,4),∴AD=OA =4,OB =2,∴由勾股定理可得:AB =BD =25,∵AC =OC =2,∴AC =OB ,∵∠DAC =∠AOB =90°,AD =OA ,∴△DAC ≌△AOB (SAS ),∴∠ADC =∠BAO ,∵∠ADC +∠ACD =90°,∴∠EAC +∠ACE =90°,∴∠AEC =90°,∵AF ⊥BD ,DE ⊥AB ,∴S △ADB =12•AB •AE =12•BD •AF , ∵AB =BD ,∴DE =AF .(3)解:如图,取OC =OB ,连接AC ,根据对称性可得∠ABC =∠ACB ,AB =AC ,∵AG =BG ,∴∠GAB =∠GBA ,∵G 为射线AD 上的一点,∴AG ∥y 轴,∴∠GAB =∠ABC ,∴∠ACB =∠EBA ,∴180°﹣∠GBA =180°﹣∠ACB ,即∠ABG =∠ACN ,∵∠GAN =∠GBO ,∴∠AGB =∠ANC ,在△ABG 与△ACN 中,ABH ACN AHB ANC AB AC ∠=∠⎧⎪∠=∠⎨⎪=⎩, ∴△ABH ≌△ACN (AAS ),∴BF =CN ,∴NB ﹣HB =NB ﹣CN =BC =2OB ,∵OB =2∴NB ﹣FB =2×2=4(是定值),即当点H 在GB 的延长线上运动时,NB ﹣HB 的值不会发生变化.【点睛】本题属于三角形综合题,全等三角形的判定和性质,解题的关键是相结合添加常用辅助线,构造图形解决问题,学会利用参数构建方程解决问题.2.如图1所示,已知点D 在AC 上,ADE ∆和ABC ∆都是等腰直角三角形,点M 为EC 的中点.(1)求证:BMD ∆为等腰直角三角形;(2)将ADE ∆绕点A 逆时针旋转45︒,如图2所示,(1)中的“BMD ∆为等腰直角三角形”是否仍然成立?请说明理由;(3)将ADE ∆绕点A 逆时针旋转一定的角度,如图3所示,(1)中的“BMD ∆为等腰直角三角形”成立吗?请说明理由.【答案】(1)详见解析;(2)是,证明详见解析;(3)成立,证明详见解析.【解析】【分析】()1根据等腰直角三角形的性质得出45ACB BAC ∠∠==,90ADE EBC EDC ∠∠∠===,推出BM DM =,BM CM =,DM CM =,推出BCM MBC ∠∠=,ACM MDC ∠∠=,求出22290BMD BCM ACM BCA ∠∠∠∠=+==即可.()2延长ED 交AC 于F ,求出12DM FC =,//DM FC ,DEM NCM ∠=,根据ASA 推出EDM ≌CNM ,推出DM BM =即可.()3过点C 作//CF ED ,与DM 的延长线交于点F ,连接BF ,推出MDE ≌MFC ,求出DM FM =,DE FC =,作AN EC ⊥于点N ,证BCF ≌BAD ,推出BF BD =,DBA CBF ∠∠=,求出90DBF ∠=,即可得出答案.【详解】()1证明:ABC 和ADE 都是等腰直角三角形,45ACB BAC ∠∠∴==,90ADE EBC EDC ∠∠∠===点M 为EC 的中点,12BM EC∴=,12DM EC=,BM DM∴=,BM CM=,DM CM=,BCM MBC∠∠∴=,DCM MDC∠∠=,2BME BCM MBC BCE∠∠∠∠∴=+=,同理2DME ACM∠∠=,22224590 BMD BCM ACM BCA∠∠∠∠∴=+==⨯= BMD∴是等腰直角三角形.()2解:如图2,BDM是等腰直角三角形,理由是:延长ED交AC于F,ADE和ABC△是等腰直角三角形,45BAC EAD∠∠∴==,AD ED⊥,ED DF∴=,M为EC中点,EM MC∴=,12DM FC∴=,//DM FC,45BDN BND BAC∠∠∠∴===,ED AB⊥,BC AB⊥,//ED BC∴,DEM NCM∠∴=,在EDM和CNM中DEM NCMEM CMEMD CMN∠=∠⎧⎪=⎨⎪∠=∠⎩EDM∴≌()CNM ASA,DM MN∴=,BM DN∴⊥,BMD∴是等腰直角三角形.()3BDM是等腰直角三角形,理由是:过点C 作//CF ED ,与DM 的延长线交于点F ,连接BF , 可证得MDE ≌MFC ,DM FM ∴=,DE FC =,AD ED FC ∴==,作AN EC ⊥于点N ,由已知90ADE ∠=,90ABC ∠=,可证得DEN DAN ∠∠=,NAB BCM ∠∠=,//CF ED ,DEN FCM ∠∠∴=,BCF BCM FCM NAB DEN NAB DAN BAD ∠∠∠∠∠∠∠∠∴=+=+=+=, BCF ∴≌BAD ,BF BD ∴=,DBA CBF ∠∠=,90DBF DBA ABF CBF ABF ABC ∠∠∠∠∠∠∴=+=+==, DBF ∴是等腰直角三角形,点M 是DF 的中点, 则BMD 是等腰直角三角形,【点睛】本题考查了等腰直角三角形的性质,全等三角形的性质和判定,直角三角形斜边上中线性质的应用,在本题中需要作辅助线来证明,难度较大.3.综合实践如图①,90,,,ACB AC BC AD CE BE CE ∠=︒=⊥⊥,垂足分别为点D E 、,2.5, 1.7AD cm DE cm ==.(1)求BE 的长;(2)将CE 所在直线旋转到ABC ∆的外部,如图②,猜想AD DE BE 、、之间的数量关系,直接写出结论,不需证明;(3)如图③,将图①中的条件改为:在ABC ∆中,,AC BC D C E =、、三点在同一直线上,并且BEC ADC BCA α∠=∠=∠=,其中α为任意钝角.猜想AD DE BE 、、之间的数量关系,并证明你的结论.【答案】(1)0.8cm;(2)DE=AD+BE;(3)DE=AD+BE ,证明见解析.【解析】【分析】(1)本小题只要先证明ACD CBE ≅,得到AD CE =,CD BE =,再根据2.5, 1.7AD cm DE cm ==,CD CE DE =-,易求出BE 的值;(2)先证明ACD CBE ≅,得到AD CE =,CD BE =,由图②ED=EC+CD ,等量代换易得到AD DE BE 、、之间的关系;(3)本题先证明EBC DCA ∠=∠,然后运用“AAS”定理判定BEC CDA ≅,从而得到,BE CD EC AD ==,再结合图③中线段ED 的特点易找到AD DE BE 、、之间的数量关系.【详解】解:(1)∵,AD CD BE CE ⊥⊥∴90ADC E ︒∠=∠=∴90ACD DAC ︒∠+∠=∵90ACB ︒∠=∴90ACD BCE ︒∠+∠=∴ACD BCE ∠=∠在ACD 与CBE △中,90ADC E ACD BCEAC BC ︒⎧∠=∠=⎪∠=∠⎨⎪=⎩∴ACD CBE ≅∴,AD CE CD BE ==又∵ 2.5, 1.7AD cm DE cm ==, 2.5 1.70.8()CD CE DE AD DE cm =-=-=-= ∴0.8BE cm =(2)∵,AD CD BE CE ⊥⊥∴90ADC E ︒∠=∠=∴90ACD DAC ︒∠+∠=∴90ACB ︒∠=∴90ACD BCE ︒∠+∠=∴ACD BCE ∠=∠在ACD 与CBE △中,90ADC E ACD BCE AC BC ︒⎧∠=∠=⎪∠=∠⎨⎪=⎩∴ACD CBE ≅∴,AD CE CD BE ==又∵ED EC CD =+∴ED AD BE =+(3)∵BEC ADC BCA α∠=∠=∠=∴180BCE ACD a ︒∠+∠=-180BCE BCE a ︒∠+∠=-∴ACD BCE ∠=∠在ACD 与CBE △中, ADC E a ACD BCE AC BC ∠=∠=⎧⎪∠=∠⎨⎪=⎩∴ACD CBE ≅∴,AD CE CD BE ==又∵ED EC CD =+∴ED AD BE =+【点睛】本题考查的知识点是全等三角形的判定,确定一种判定定理,根据已知条件找到判定全等所需要的边相等或角相等的条件是解决这类题的关键.4.(1)如图(a )所示点D 是等边ABC 边BA 上一动点(点D 与点B 不重合),连接DC ,以DC 为边在BC 上方作等边DCF ,连接AF .你能发现线段AF 与BD 之间的数量关系吗?并证明.(2)如图(b )所示当动点D 运动至等边ABC 边BA 的延长线上时,其他作法与(1)相同,猜想AF 与BD 在(1)中的结论是否仍然成立?(直接写出结论)(3)①如图(c )所示,当动点D 在等边ABC 边BA 上运动时(点D 与点B 不重合),连接DC ,以DC 为边在BC 上方、下方分别作等边DCF 和等边DCF ',连接AF 、BF ',探究AF 、BF '与AB 有何数量关系?并证明.②如图(d )所示,当动点D 在等边ABC 边BA 的延长线上运动时,其他作法与(3)①相同,①中的结论是否成立?若不成立,是否有新的结论?并证明.【答案】(1)AF=BD ,理由见解析;(2)AF=BD ,成立;(3)①AF BF AB '+=,证明见解析;②①中的结论不成立新的结论是AF AB BF '=+,理由见解析【解析】【分析】(1)根据等边三角形的三条边、三个内角都相等的性质,利用全等三角形的判定定理SAS 可证得BCD ACF △≌△,然后由全等三角形的对应边相等知AF BD = .(2)通过证明BCD ACF △≌△,即可证明AF BD =.(3)①'AF BF AB += ,利用全等三角形BCD ACF △≌△的对应边BD AF = ,同理'BCF ACD △≌△ ,则'BF AD = ,所以'AF BF AB +=;②①中的结论不成立,新的结论是'AF AB BF =+ ,通过证明BCF ACD △≌△,则'BF AD =(全等三角形的对应边相等),再结合(2)中的结论即可证得'AF AB BF =+ .【详解】(1)AF BD =证明如下:ABC 是等边三角形,BC AC ∴=,60BCA ︒∠=.同理可得:DC CF =,60DCF ︒∠=.BCA DCA DCF DCA ∴∠-∠=∠-∠.即BCD ACF ∠=∠.BCD ACF ∴△≌△.AF BD ∴=.(2)证明过程同(1),证得BCD ACF △≌△,则AF BD =(全等三角形的对应边相等),所以当动点D 运动至等边△ABC 边BA 的延长线上时,其他作法与(1)相同,AF BD =依然成立.(3)①AF BF AB '+=证明:由(1)知,BCD ACF △≌△.BD AF ∴=.同理BCF ACD '△≌△.BF AD '∴=.AF BF BD AD AB '∴+=+=.②①中的结论不成立新的结论是AF AB BF '=+;BC AC =,BCF ACD '∠=∠,F C DC '=,BCF ACD '∴△≌△.BF AD '∴=.又由(2)知,AF BD =.AF BD AB AD AB BF '∴==+=+.即AF AB BF '=+.【点睛】本题考查了三角形的综合问题,掌握等边三角形的三条边、三个内角都相等的性质、全等三角形的判定定理、全等三角形的对应边相等是解题的关键.5.如图,在ABC ∆中,5BC = ,高AD 、BE 相交于点O , 23BD CD =,且AE BE = . (1)求线段 AO 的长;(2)动点 P 从点 O 出发,沿线段 OA 以每秒 1 个单位长度的速度向终点 A 运动,动点 Q 从 点 B 出发沿射线BC 以每秒 4 个单位长度的速度运动,,P Q 两点同时出发,当点 P 到达 A 点时,,P Q 两点同时停止运动.设点 P 的运动时间为 t 秒,POQ ∆的面积为 S ,请用含t 的式子表示 S ,并直接写出相应的 t 的取值范围;(3)在(2)的条件下,点 F 是直线AC 上的一点且 CF BO =.是否存在t 值,使以点 ,,B O P 为顶 点的三角形与以点 ,,F C Q 为顶点的三角形全等?若存在,请直接写出符合条件的 t 值; 若不存在,请说明理由.【答案】(1)5;(2)①当点Q 在线段BD 上时,24QD t =-,t 的取值范围是102t <<;②当点Q 在射线DC 上时,42QD t =-,,t 的取值范围是152t <≤;(3)存在,1t =或53. 【解析】【分析】(1)只要证明△AOE ≌△BCE 即可解决问题;(2)分两种情形讨论求解即可①当点Q 在线段BD 上时,QD=2-4t ,②当点Q 在射线DC 上时,DQ=4t-2时;(3)分两种情形求解即可①如图2中,当OP=CQ 时,BOP ≌△FCQ .②如图3中,当OP=CQ 时,△BOP ≌△FCQ ;【详解】解:(1)∵AD 是高,∴90ADC ∠=∵BE 是高,∴90AEB BEC ∠=∠=∴90EAO ACD ∠+∠=,90EBC ECB ∠+∠=,∴EAO EBC ∠=∠在AOE ∆和BCE ∆中,EAO EBC AE BEAEO BEC∠=∠⎧⎪=⎨⎪∠=∠⎩∴AOE∆≌BCE∆∴5AO BC==;(2)∵23BD CD=,=5BC∴=2BD,=3CD,根据题意,OP t=,4BQ t=,①当点Q在线段BD上时,24QD t=-,∴21(24)22S t t t t=-=-+,t的取值范围是12t<<.②当点Q在射线DC上时,42QD t=-,∴21(42)22S t t t t=-=-,t的取值范围是152t<≤(3)存在.①如图2中,当OP=CQ时,∵OB=CF,∠POB=∠FCQ,∴△BOP≌△FCQ.∴CQ=OP,∴5-4t═t,解得t=1,②如图3中,当OP=CQ时,∵OB=CF,∠POB=∠FCQ,∴△BOP≌△FCQ.∴CQ=OP,∴4t-5=t,解得t=53. 综上所述,t=1或53s 时,△BOP 与△FCQ 全等. 【点睛】本题考查三角形综合题、全等三角形的判定和性质、三角形的面积等知识,解题的关键是灵活运用所学知识解决问题,属于中考常考题型.二、八年级数学 轴对称解答题压轴题(难)6.如图,在△ABC 中,AB=BC=AC=20 cm .动点P ,Q 分别从A ,B 两点同时出发,沿三角形的边匀速运动.已知点P ,点Q 的速度都是2 cm/s ,当点P 第一次到达B 点时,P ,Q 两点同时停止运动.设点P 的运动时间为t (s ).(1)∠A=______度;(2)当0<t <10,且△APQ 为直角三角形时,求t 的值;(3)当△APQ 为等边三角形时,直接写出t 的值.【答案】(1)60;(2)103或203;(3)5或20 【解析】【分析】(1)根据等边三角形的性质即可解答;(2)需分∠APQ=90°和∠AQP=90°两种情况进行解答;(3)需分以下两种情况进行解答:①由∠A=60°,则当AQ=AP 时,△APQ 为等边三角形;②当P 于B 重合,Q 与C 重合时,△APQ 为等边三角形.【详解】解:(1)60°.(2)∵∠A=60°,当∠APQ=90°时,∠AQP=90°-60°=30°.∴QA=2PA .即2022 2.t t -=⨯解得 10.3t = 当∠AQP=90°时,∠APQ=90°-60°=30°.∴PA=2QA .即2(202)2.t t -=解得 20.3t = ∴当0<t <10,且△APQ 为直角三角形时,t 的值为102033或. (3)①由题意得:AP=2t ,AQ=20-2t∵∠A=60°∴当AQ=AP 时,△APQ 为等边三角形∴2t=20-2t ,解得t=5 ②当P 于B 重合,Q 与C 重合,则所用时间为:4÷2=20综上,当△APQ 为等边三角形时,t=5或20.【点睛】本题考查了等边三角形和直角三角形的判定以及动点问题,解答的关键在于正确的分类讨论以及对所学知识的灵活应用.7.如图,在ABC △中,已知AD 是BC 边上的中线,E 是AD 上一点,且BE AC =,延长BE 交AC 于点F ,求证:AF EF =.【答案】证明见解析【解析】【分析】延长AD 到点G ,使得AD DG =,连接BG ,结合D 是BC 的中点,易证△ADC 和△GDB 全等,利用全等三角形性质以及等量代换,得到△AEF 中的两个角相等,再根据等角对等边证得AE=EF.【详解】如图,延长AD 到点G ,延长AD 到点G ,使得AD DG =,连接BG .∵AD 是BC 边上的中线,∴DC DB =. 在ADC 和GDB △中,AD DG ADC GDB DC DB =⎧⎪∠=∠⎨⎪=⎩(对顶角相等), ∴ADC ≌GDB △(SAS ).∴CAD G ∠=∠,BG AC =.又BE AC =,∴BE BG =.∴BED G ∠=∠.∵BED AEF ∠=∠∴AEF CAD ∠=∠,即AEF FAE ∠=∠∴AF EF =.【点睛】本题考查的是全等三角形的判定与性质,根据题意构造全等三角形是解答本题的关键.8.如图,在等边ABC ∆中,点D ,E 分别是AC ,AB 上的动点,且AE CD =,BD 交CE 于点P .(1)如图1,求证120BPC ︒∠=;(2)点M 是边BC 的中点,连接PA ,PM .①如图2,若点A ,P ,M 三点共线,则AP 与PM 的数量关系是 ; ②若点A ,P ,M 三点不共线,如图3,问①中的结论还成立吗?若成立,请给出证明,若不成立,请说明理由.【答案】(1)证明过程见详解;(2)①2AP PM =;②结论成立,证明见详解【解析】【分析】(1)先证明()AEC CDB SAS ≌,得出对应角相等,然后利用四边形的内角和和对顶角相等即可得出结论;(2)①2AP PM =;由等边三角形的性质和已知条件得出AM ⊥BC ,∠CAP =30°,可得PB =PC ,由∠BPC =120°和等腰三角形的性质可得∠PCB =30°,进而可得AP =PC ,由30°角的直角三角形的性质可得PC =2PM ,于是可得结论;②延长BP 至D ,使PD =PC ,连接AD 、CD ,根据SAS 可证△ACD ≌△BCP ,得出AD =BP ,∠ADC =∠BPC =120°,然后延长PM 至N ,使MN =MP ,连接CN ,易证△CMN ≌△BMP (SAS ),可得CN =BP =AD ,∠NCM =∠PBM ,最后再根据SAS 证明△ADP ≌△NCP ,即可证得结论.【详解】(1)证明:因为△ABC 为等边三角形,所以60A ACB ∠=∠=︒∵AC BC A ACB AE CD =⎧⎪∠=∠⎨⎪=⎩,∴()AEC CDB SAS ≌ ,∴AEC CDB ∠=∠, 在四边形AEPD 中,∵360AEC EPD PDA A ∠+∠+∠+∠=︒,∴18060360AEC EPD CDB ∠+∠+︒-∠+︒=︒,∴120EPD ∠=︒,∴120BPC ∠=︒;(2)①如图2,∵△ABC 是等边三角形,点M 是边BC 的中点,∴∠BAC =∠ABC =∠ACB =60°,AM ⊥BC ,∠CAP =12∠BAC =30°,∴PB =PC , ∵∠BPC =120°,∴∠PBC =∠PCB =30°,∴PC =2PM ,∠ACP =60°﹣30°=30°=∠CAP ,∴AP =PC ,∴AP =2PM ;故答案为:2AP PM =;②AP=2PM成立,理由如下:延长BP至D,使PD=PC,连接AD、CD,如图4所示:则∠CPD=180°﹣∠BPC=60°,∴△PCD是等边三角形,∴CD=PD=PC,∠PDC=∠PCD=60°,∵△ABC是等边三角形,∴BC=AC,∠ACB=60°=∠PCD,∴∠BCP=∠ACD,∴△ACD≌△BCP(SAS),∴AD=BP,∠ADC=∠BPC=120°,∴∠ADP=120°﹣60°=60°,延长PM至N,使MN=MP,连接CN,∵点M是边BC的中点,∴CM=BM,∴△CMN≌△BMP(SAS),∴CN=BP=AD,∠NCM=∠PBM,∴CN∥BP,∴∠NCP+∠BPC=180°,∴∠NCP=60°=∠ADP,在△ADP和△NCP中,∵AD=NC,∠ADP=∠NCP,PD=PC,∴△ADP≌△NCP(SAS),∴AP=PN=2CM;【点睛】本题是三角形的综合题,主要考查了等边三角形的判定与性质、全等三角形的判定与性质、含30°角的直角三角形的性质等知识;熟练掌握等边三角形的判定与性质,证明三角形全等是解题的关键.9.如图1,在△ABC中,∠ACB=90°,AC=12BC,点D为BC的中点,AB =DE,BE∥AC.(1)求证:△ABC≌△DEB;(2)连结AD、AE、CE,如图2.①求证:CE是∠ACB的角平分线;②请判断△ABE是什么特殊形状的三角形,并说明理由.【答案】(1)详见解析;(2)①详见解析;②△ABE是等腰三角形,理由详见解析.【解析】【分析】(1)由AC//BE,∠ACB=90°可得∠DBE=90°,由AC=12BC,D是BC中点可得AC=BD,利用HL即可证明△ABC≌△DEB;(2)①由(1)得BE=BC,由等腰直角三角形的性质可得∠BCE=45°,进而可得∠ACE=45°,即可得答案;②根据SAS可证明△ACE≌△DCE,可得AE=DE,由AB=DE可得AE=AB即可证明△ABE是等腰三角形.【详解】(1)∵∠ACB=90°,BE∥AC∴∠CBE=90°∴△ABC和△DEB都是直角三角形∵AC=12BC,点D为BC的中点∴AC=BD又∵AB=DE∴△ABC≌△DEB(H.L.)(2)①由(1)得:△ABC≌△DEB∴BC=EB又∵∠CBE=90°∴∠BCE=45°∴∠ACE=90°-45°=45°∴∠BCE=∠ACE∴CE是∠ACB的角平分线②△ABE是等腰三角形,理由如下:在△ACE和△DCE中AC DCACE BCECE CE=⎧⎪∠=∠⎨⎪=⎩∴△ACE≌△DCE(SAS).∴AE=DE又∵AB=DE∴AE=AB∴△ABE是等腰三角形【点睛】本题考查全等三角形的判定与性质及等腰三角形的判断与性质,熟练掌握判定定理是解题关键.10.(1)问题发现:如图1, ABC和ADE均为等边三角形,点B D E、、在同一直线上,连接.CE①求证:BD CE=; ②求BEC∠的度数.(2)拓展探究:如图2, AB C和ADE均为等腰直角三角形,90BAC DAE∠=∠=︒,点B D E、、在同一直线上AF,为ADE中DE边上的高,连接.CE①求BEC ∠的度数:②判断线段AF BE CE 、、之间的数量关系(直接写出结果即可).()3解决问题:如图3,AB 和ADE 均为等腰三角形,BAC DAE n ∠=∠=,点B D E 、、在同一直线上,连接CE .求AEC ∠的度数(用含n 的代数式表示,直接写出结果即可).【答案】(1)①证明见解析;②60°;(2)①90°;②BE =CE+2AF ;(3)∠AEC =90°+12n ︒. 【解析】【分析】(1)根据等边三角形的性质得AB=AC,AD=AE, ∠DAE=∠BAC=60°,根据SAS 进一步证明△BAD ≌△CAE,依据其性质可得 BD CE =,再根据对应角相等求出BEC ∠的度数;(2)根据等腰直角三角形的性质得AB=AC,AD=AE, ∠DAE=∠BAC=90°,根据SAS 进一步证明△BAD ≌△CAE ,根据对应角相等求出BEC ∠的度数;因为DE=2AF,BD=EC,结合线段的和差关系得出结论;(3)根据等腰三角形的性质得AB=AC,AD=AE, ∠DAE=∠BAC=n °,根据SAS 进一步证明△BAD ≌△CAE ,根据对应角相等求出得出∠ADB=BEC ∠的度数,结合内角和用n 表示∠ADE 的度数,即可得出结论.【详解】(1)①∵△ABC 和△ADE 均为等边三角形(如图1),∴ AB=AC ,AD=AE ,∠BAC=∠DAE=60°,∴ ∠BAC-∠DAC=∠DAE-∠DAC ,∴ ∠BAD=∠CAE.∴ △BAD ≌△CAE (SAS )∴ BD=CE.②由△CAE≌△BAD,∴∠AEC=∠ADB=180°-∠ADE=120°.∴∠BEC=∠AEC-∠AED=120°-60°=60°.(2)①∵△ABC和△ADE均为等腰直角三角形(如图2),∴ AB=AC,AD=AE,∠ADE=∠AED=45°,∵∠BAC=∠DAE=90°,∴∠BAC-∠DAC=∠DAE-∠DAC,∴∠BAD=∠CAE.∴△BAD≌△CAE(SAS).∴ BD=CE,∠AEC=∠ADB=180°-∠ADE=135°.∴∠BEC=∠AEC-∠AED=135°-45°=90°.② BE=CE+2AF.(3)如图3:∠AEC=90°+12n︒,理由如下,∵△ABC和△ADE均为等腰直角三角形,∴ AB=AC,AD=AE,∠ADE=∠AED=n°,∴∠BAC-∠DAC=∠DAE-∠DAC,∴∠BAD=∠CAE.∴△BAD≌△CAE(SAS).∴∠AEC=∠ADB=180°-∠ADE=180°-1801809022n n.∴∠AEC=90°+12n︒.【点睛】本题考查等边三角形、等腰直角三角形的性质及旋转型三角形全等,掌握全等常见模型及由特殊到一般找出解题规律是解答此题的关键.三、八年级数学整式的乘法与因式分解解答题压轴题(难)11.如图1是一个长为4a 、宽为b 的长方形,沿图中虚线用剪刀平均分成四块小长方形,然后用四块小长方形拼成一个“回形”正方形(如图2)(1)观察图2请你写出2()a b +、2()a b -、ab 之间的等量关系是______;(2)根据(1)中的结论,若5x y +=,94x y ⋅=,则x y -=______; (3)拓展应用:若22(2019)(2020)7m m -+-=,求(2019)(2020)m m --的值.【答案】(1)22()()4a b a b ab +=-+;(2)4,-4:(3)-3【解析】【分析】(1)观察图2,大正方形由4个矩形和一个小正方形组成,根据面积即可得到他们之间的关系.(2)由(1)的结论可得(x-y) ²=16,然后利用平方根的定义求解即可.(3)从已知等式的左边看,左边配成两数和的平方来求解.【详解】解:(1)由题可得,大正方形的面积2()a b =+,大正方形的面积2()4a b ab =-+,∴22()()4a b a b ab +=-+,(2)∵22()()4x y x y xy +=-+,∴229()()4254164x y x y xy -=+-=-⨯=, ∴4x y -=或-4, (3)∵22(2019)(2020)7m m -+-=,又2(20192020)m m -+-22(2019)(2020)2(2019)(2020)m m m m =-+-+-- ∴172(2019)(2020)m m =+--∴(2019)(2020)3m m --=-故答案为:(1)22()()4a b a b ab +=-+;(2) 4,-4:(3)-3【点睛】本题通过观察图形发现规律,并运用规律求值,使问题简单化是解题关键.12.(阅读材料)因式分解:()()221x y x y ++++.解:将“x y +”看成整体,令x y A +=,则原式()22211A A A =++=+.再将“A ”还原,原式()21x y =++.上述解题用到的是“整体思想”,整体思想是数学解题中常用的一种思想方法.(问题解决)(1)因式分解:()()2154x y x y +-+-;(2)因式分解:()()44a b a b ++-+;(3)证明:若n 为正整数,则代数式()()()21231n n n n ++++的值一定是某个整数的平方.【答案】(1)()()144x y x y +-+-1.(2)()22a b +-;(3)见解析. 【解析】【分析】(1)把(x-y )看作一个整体,直接利用十字相乘法因式分解即可;(2)把a+b 看作一个整体,去括号后利用完全平方公式即可将原式因式分解;(3)将原式转化为()()223231n n n n ++++,进一步整理为(n 2+3n+1)2,根据n 为正整数得到n 2+3n+1也为正整数,从而说明原式是整数的平方.【详解】(1)()()[][]21541()14()(1)(144)x y x y x y x y x y x y +-+-=+-+-=+-+-; (2)()()2244()4()4(2)a b a b a b a b a b ++-+=+-++=+-; (3)原式()()223231n n n n =++++()()2223231n n n n =++++()2231n n =++. ∵n 为正整数,∴231n n ++为正整数.∴代数()()()21231n n n n ++++的值一定是某个整数的平方. 【点睛】本题考查因式分解的应用,解题的关键是仔细读题,理解题意,掌握整体思想解决问题的方法.13.把代数式通过配凑等手段,得到完全平方式,再运用完全平方式是非负性这一性质增加问题的条件,这种解题方法通常被称为配方法.配方法在代数式求值、解方程、最值问题等都有着广泛的应用.例如:若代数式M =a 2﹣2ab +2b 2﹣2b +2,利用配方法求M 的最小值:a 2﹣2ab +2b 2﹣2b +2=a 2﹣2ab +b 2+b 2﹣2b +1+1=(a ﹣b )2+(b ﹣1)2+1.∵(a ﹣b )2≥0,(b ﹣1)2≥0,∴当a =b =1时,代数式M 有最小值1.请根据上述材料解决下列问题:(1)在横线上添上一个常数项使之成为完全平方式:a 2+4a + ;(2)若代数式M =214a +2a +1,求M 的最小值; (3)已知a 2+2b 2+4c 2﹣2ab ﹣2b ﹣4c +2=0,求代数式a +b +c 的值. 【答案】(1)4;(2)M 的最小值为﹣3;(3)a +b +c=122. 【解析】【分析】(1)根据常数项等于一次项系数的一半进行配方即可;(2)先提取14,将二次项系数化为1,再配成完全平方,即可得答案; (3)将等式左边进行配方,利用偶次方的非负性可得a ,b ,c 的值,从而问题得解.【详解】(1)∵a 2+4a+4=(a+2)2故答案为:4;(2)M =21a 4+2a+1 =14(a 2+8a+16)﹣3 =14(a+4)2﹣3 ∴M 的最小值为﹣3(3)∵a 2+2b 2+4c 2﹣2ab ﹣2b ﹣4c+2=0,∴(a ﹣b )2+(b ﹣1)2+(2c ﹣1)2=0,∴a ﹣b =0,b ﹣1=0,2c ﹣1=0∴a =b =1,1c=2 , ∴a+b+c=122.. 【点睛】本题考查了配方法的应用,解题时要注意配方法的步骤.注意在变形的过程中不要改变式子的值.14.阅读理解题:定义:如果一个数的平方等于﹣1,记为i 2=﹣1,这个数i 叫做虚数单位.那么形如a+bi (a ,b 为实数)的数就叫做复数,a 叫这个复数的实部,b 叫做这个复数的虚部,它的加,减,乘法运算与整式的加,减,乘法运算类似.例如计算:(2+i )+(3﹣4i )=5﹣3i .(1)填空:i 3= ,2i 4= ;(2)计算:①(2+i )(2﹣i );②(2+i )2;(3)若两个复数相等,则它们的实部和虚部必须分别相等,完成下列问题:已知:(x+3y )+3i=(1﹣x )﹣yi ,(x ,y 为实数),求x ,y 的值.(4)试一试:请你参照i 2=﹣1这一知识点,将m 2+25(m 为实数)因式分解成两个复数的积.【答案】(1)i ;2(2)①5②3+4i (3)x=5,y=﹣3(4)m 2+25=(m+5i )(m ﹣5i )【解析】【分析】(1)根据同底数幂的乘法法则及2i 的概念直接运算;(2)利用平方差、完全平方公式把原式展开,根据21i =-计算即可;(3)根据虚数定义得出方程组,解方程组即可;(4)根据21i =- 将25转化为2(-5)i ,再利用平方差公式进行因式分解即可。
八年级上册潍坊数学期中精选试卷测试题(Word 版 含解析)一、八年级数学全等三角形解答题压轴题(难)1.如图,在ABC 中,45ABC ∠=,AD ,BE 分别为BC ,AC 边上的高,连接DE ,过点D 作DF DE ⊥与点F ,G 为BE 中点,连接AF ,DG .(1)如图1,若点F 与点G 重合,求证:AF DF ⊥;(2)如图2,请写出AF 与DG 之间的关系并证明.【答案】(1)详见解析;(2)AF=2DG,且AF ⊥DG,证明详见解析.【解析】【分析】(1) 利用条件先△DAE ≌△DBF,从而得出△FDE 是等腰直角三角形,再证明△AEF 是等腰直角三角形,即可.(2) 延长DG 至点M,使GM=DG,交AF 于点H,连接BM, 先证明△BGM ≌△EGD,再证明△BDM ≌△DAF 即可推出.【详解】解:(1)证明:设BE 与AD 交于点H..如图,∵AD,BE 分别为BC,AC 边上的高,∴∠BEA=∠ADB=90°.∵∠ABC=45°,∴△ABD 是等腰直角三角形.∴AD=BD.∵∠AHE=∠BHD,∴∠DAC=∠DBH.∵∠ADB=∠FDE=90°,∴∠ADE=∠BDF.∴△DAE ≌△DBF.∴BF=AE,DF=DE.∴△FDE是等腰直角三角形.∴∠DFE=45°.∵G为BE中点,∴BF=EF.∴AE=EF.∴△AEF是等腰直角三角形.∴∠AFE=45°.∴∠AFD=90°,即AF⊥DF.(2)AF=2DG,且AF⊥DG.理由:延长DG至点M,使GM=DG,交AF于点H,连接BM,∵点G为BE的中点,BG=GE.∵∠BGM∠EGD,∴△BGM≌△EGD.∴∠MBE=∠FED=45°,BM=DE.∴∠MBE=∠EFD,BM=DF.∵∠DAC=∠DBE,∴∠MBD=∠MBE+∠DBE=45°+∠DBE.∵∠EFD=45°=∠DBE+∠BDF,∴∠BDF=45°-∠DBE.∵∠ADE=∠BDF,∴∠ADF=90°-∠BDF=45°+∠DBE=∠MBD.∵BD=AD,∴△BDM≌△DAF.∴DM=AF=2DG,∠FAD=∠BDM.∵∠BDM+∠MDA=90°,∴∠MDA+∠FAD=90°.∴∠AHD=90°.∴AF⊥DG.∴AF=2DG,且AF⊥DG【点睛】本题考查三角形全等的判定和性质,关键在于灵活运用性质.2.如图,已知△ABC中,AB=AC=20cm,BC=16cm,点D为AB的中点.(1)如果点P 在线段BC 上以6cm /s 的速度由B 点向C 点运动,同时点Q 在线段CA 上由C 向A 点运动.①若点Q 的运动速度与点P 的运动速度相等,经过1秒后,△BPD 与△CQP 是否全等,请说明理由;②若点Q 的运动速度与点P 的运动速度不相等,当点Q 的运动速度为多少时,能够使△BPD 与△CQP 全等?(2)若点Q 以②中的运动速度从点C 出发,点P 以原来的运动速度从点B 同时出发,都逆时针沿△ABC 三边运动,求经过多长时间点P 与点Q 第一次在△ABC 的哪条边上相遇?【答案】(1)①△BPD ≌△CQP ,理由见解析;②V 7.5Q =(厘米/秒);(2)点P 、Q 在AB 边上相遇,即经过了803秒,点P 与点Q 第一次在AB 边上相遇. 【解析】【分析】(1)①先求出t=1时BP=BQ=6,再求出PC=10=BD ,再根据∠B =∠C 证得△BPD ≌△CQP ;②根据V P ≠V Q ,使△BPD 与△CQP 全等,所以CQ =BD =10,再利用点P 的时间即可得到点Q 的运动速度;(2)根据V Q >V P ,只能是点Q 追上点P ,即点Q 比点P 多走AB +AC 的路程,设运动x 秒,即可列出方程1562202x x ,解方程即可得到结果. 【详解】(1)①因为t =1(秒),所以BP =CQ =6(厘米)∵AB =20,D 为AB 中点,∴BD =10(厘米)又∵PC =BC ﹣BP =16﹣6=10(厘米)∴PC =BD∵AB =AC ,∴∠B =∠C ,在△BPD 与△CQP 中, BP CQ B C PC BD =⎧⎪∠=∠⎨⎪=⎩,∴△BPD≌△CQP(SAS),②因为V P≠V Q,所以BP≠CQ,又因为∠B=∠C,要使△BPD与△CQP全等,只能BP=CP=8,即△BPD≌△CPQ,故CQ=BD=10.所以点P、Q的运动时间84663BPt(秒),此时107.543QCQVt(厘米/秒).(2)因为V Q>V P,只能是点Q追上点P,即点Q比点P多走AB+AC的路程设经过x秒后P与Q第一次相遇,依题意得156220 2x x,解得x=803(秒)此时P运动了8061603(厘米)又因为△ABC的周长为56厘米,160=56×2+48,所以点P、Q在AB边上相遇,即经过了803秒,点P与点Q第一次在AB边上相遇.【点睛】此题考查三角形全等的证明,三角形与动点相结合的解题方法,再证明三角形全等时注意顶点的对应关系是证明的关键.3.在平面直角坐标系中,直线AB分别交x轴,y轴于A(a,0),B(0,b),且满足a2+b2+4a﹣8b+20=0.(1)求a,b的值;(2)点P在直线AB的右侧;且∠APB=45°,①若点P在x轴上(图1),则点P的坐标为;②若△ABP为直角三角形,求P点的坐标.【答案】(1)a=﹣2,b=4;(2)①(4,0);②P点坐标为(4,2),(2,﹣2).【解析】【分析】(1)利用非负数的性质解决问题即可.(2)①根据等腰直角三角形的性质即可解决问题.②分两种情形:如图2中,若∠ABP=90°,过点P作PC⊥OB,垂足为C.如图3中,若∠BAP=90°,过点P作PD⊥OA,垂足为D.分别利用全等三角形的性质解决问题即可.【详解】(1)∵a2+4a+4+b2﹣8b+16=0∴(a+2)2+(b﹣4)2=0∴a=﹣2,b=4.(2)①如图1中,∵∠APB=45°,∠POB=90°,∴OP=OB=4,∴P(4,0).故答案为(4,0).②∵a=﹣2,b=4∴OA=2OB=4又∵△ABP为直角三角形,∠APB=45°∴只有两种情况,∠ABP=90°或∠BAP=90°①如图2中,若∠ABP=90°,过点P作PC⊥OB,垂足为C.∴∠PCB=∠BOA=90°,又∵∠APB=45°,∴∠BAP=∠APB=45°,∴BA=BP,又∵∠ABO+∠OBP=∠OBP+∠BPC=90°,∴∠ABO=∠BPC,∴△ABO≌△BPC(AAS),∴PC=OB=4,BC=OA=2,∴OC=OB﹣BC=4﹣2=2,∴P(4,2).②如图3中,若∠BAP=90°,过点P作PD⊥OA,垂足为D.∴∠PDA=∠AOB=90°,又∵∠APB=45°,∴∠ABP=∠APB=45°,∴AP=AB,又∵∠BAD+∠DAP=90°,∠DPA+∠DAP=90°,∴∠BAD=∠DPA,∴△BAO≌△APP(AAS),∴PD=OA=2,AD=OB=4,∴OD=AD﹣0A=4﹣2=2,∴P(2,﹣2).综上述,P点坐标为(4,2),(2,﹣2).【点睛】本题属于三角形综合题,考查了等腰直角三角形的判定和性质,全等三角形的判定和性质等知识,解题的关键是学会用分类讨论的思想思考问题,学会添加常用辅助线,构造全等三角形解决问题.4.如图1,等腰△ABC中,AC=BC=42∠ACB=45˚,AO是BC边上的高,D为线段AO上一动点,以CD为一边在CD下方作等腰△CDE,使CD=CE且∠DCE=45˚,连结BE.(1) 求证:△ACD≌△BCE;(2) 如图2,在图1的基础上,延长BE至Q, P为BQ上一点,连结CP、CQ,若CP=CQ=5,求PQ的长.(3) 连接OE,直接写出线段OE的最小值.【答案】(1)证明见解析;(2)PQ=6;(3)OE=422-【解析】试题分析:()1根据SAS即可证得ACD BCE≌;()2首先过点C作CH BQ⊥于H,由等腰三角形的性质,即可求得45DAC∠=︒,则根据等腰三角形与直角三角形中的勾股定理即可求得PQ的长.()3OE BQ⊥时,OE取得最小值.试题解析:()1证明:∵△ABC与△DCE是等腰三角形,∴AC=BC,DC=EC,45ACB DCE∠=∠=,45ACD DCB ECB DCB∴∠+∠=∠+∠=,∴∠ACD=∠BCE;在△ACD和△BCE中,,AC BCACD BCEDC EC=⎧⎪∠=∠⎨⎪=⎩(SAS)ACD BCE∴≌;()2首先过点C作CH BQ⊥于H,(2)过点C 作CH ⊥BQ 于H ,∵△ABC 是等腰三角形,∠ACB=45˚,AO 是BC 边上的高,45DAC ∴∠=,ACD BCE ≌,45PBC DAC ∴∠=∠=,∴在Rt BHC 中,2242422CH BC =⨯=⨯=, 54PC CQ CH ===,,3PH QH ∴==,6.PQ ∴=()3OE BQ ⊥时,OE 取得最小值.最小值为:42 2.OE =-5.如图,在ABC ∆中,ACB ∠为锐角,点D 为射线BC 上一动点,连接AD .以AD 为直角边且在AD 的上方作等腰直角三角形ADF .(1)若AB AC =,90BAC ∠=︒①当点D 在线段BC 上时(与点B 不重合),试探讨CF 与BD 的数量关系和位置关系; ②当点D 在线段C 的延长线上时,①中的结论是否仍然成立,请在图2中面出相应的图形并说明理由;(2)如图3,若AB AC ≠,90BAC ∠≠︒,45BCA ∠=︒,点D 在线段BC 上运动,试探究CF 与BD 的位置关系.【答案】(1)①CF ⊥BD ,证明见解析;②成立,理由见解析;(2)CF ⊥BD ,证明见解析.【解析】【分析】(1)①根据同角的余角相等求出∠CAF=∠BAD ,然后利用“边角边”证明△ACF 和△ABD 全等,②先求出∠CAF=∠BAD ,然后与①的思路相同求解即可;(2)过点A 作AE ⊥AC 交BC 于E ,可得△ACE 是等腰直角三角形,根据等腰直角三角形的性质可得AC=AE ,∠AED=45°,再根据同角的余角相等求出∠CAF=∠EAD ,然后利用“边角边”证明△ACF 和△AED 全等,根据全等三角形对应角相等可得∠ACF=∠AED ,然后求出∠BCF=90°,从而得到CF ⊥BD .【详解】解:(1)①∵∠BAC=90°,△ADF是等腰直角三角形,∴∠CAF+∠CAD=90°,∠BAD+∠ACD=90°,∴∠CAF=∠BAD,在△ACF和△ABD中,∵AB=AC,∠CAF=∠BAD,AD=AF,∴△ACF≌△ABD(SAS),∴CF=BD,∠ACF=∠ABD=45°,∵∠ACB=45°,∴∠FCB=90°,∴CF⊥BD;②成立,理由如下:如图2:∵∠CAB=∠DAF=90°,∴∠CAB+∠CAD=∠DAF+∠CAD,即∠CAF=∠BAD,在△ACF和△ABD中,∵AB=AC,∠CAF=∠BAD,AD=AF,∴△ACF≌△ABD(SAS),∴CF=BD,∠ACF=∠B,∵AB=AC,∠BAC=90°,∴∠B=∠ACB=45°,∴∠BCF=∠ACF+∠ACB=45°+45°=90°,∴CF⊥BD;(2)如图3,过点A作AE⊥AC交BC于E,∵∠BCA=45°,∴△ACE是等腰直角三角形,∴AC=AE,∠AED=45°,∵∠CAF+∠CAD=90°,∠EAD+∠CAD=90°,∴∠CAF=∠EAD,在△ACF和△AED中,∵AC=AE,∠CAF=∠EAD,AD=AF,∴△ACF≌△AED(SAS),∴∠ACF=∠AED=45°,∴∠BCF=∠ACF+∠BCA=45°+45°=90°,∴CF⊥BD.【点睛】本题考查全等三角形的动点问题,综合性较强,有一定难度,需要熟练掌握全等三角形的判定和性质进行综合运用.二、八年级数学轴对称解答题压轴题(难)6.如图,在平面直角坐标系中,已知点A(2,3),点B(﹣2,1).(1)请运用所学数学知识构造图形求出AB的长;(2)若Rt△ABC中,点C在坐标轴上,请在备用图1中画出图形,找出所有的点C后不用计算写出你能写出的点C的坐标;(3)在x轴上是否存在点P,使PA=PB且PA+PB最小?若存在,就求出点P的坐标;若不存在,请简要说明理由(在备用图2中画出示意图).【答案】(1)AB=52)C2(0,7),C4(0,-4),C5(-1,0)、C6(1,0);(3)不存在这样的点P.【解析】【分析】(1)如图,连结AB,作B关于y轴的对称点D,利用勾股定理即可得出AB;(2)分别以A,B,C为直角顶点作图,然后直接得出符合条件的点的坐标即可;(3)作AB的垂直平分线l3,则l3上的点满足PA=PB,作B关于x轴的对称点B′,连结AB′,即x轴上使得PA+PB最小的点,观察作图即可得出答案.【详解】解:(1)如图,连结AB,作B关于y轴的对称点D,由已知可得,BD=4,AD=2.∴在Rt△ABD中,AB=25(2)如图,①以A为直角顶点,过A作l1⊥AB交x轴于C1,交y轴于C2.②以B为直角顶点,过B作l2⊥AB交x轴于C3,交y轴于C4.③以C为直角顶点,以AB为直径作圆交坐标轴于C5、C6、C7.(用三角板画找出也可)由图可知,C2(0,7),C4(0,-4),C5(-1,0)、C6(1,0).(3)不存在这样的点P.作AB的垂直平分线l3,则l3上的点满足PA=PB,作B关于x轴的对称点B′,连结AB′,由图可以看出两线交于第一象限.∴不存在这样的点P.【点睛】本题考查了勾股定理,构造直角三角形,中垂线和轴对称--路径最短问题的综合作图分析,解题的关键是学会分类讨论,学会画好图形解决问题.7.如图,将两个全等的直角三角形△ABD、△ACE拼在一起(图1).△ABD不动,(1)若将△ACE绕点A逆时针旋转,连接DE,M是DE的中点,连接MB、MC(图2),证明:MB=MC.(2)若将图1中的CE向上平移,∠CAE不变,连接DE,M是DE的中点,连接MB、MC (图3),判断并直接写出MB、MC的数量关系.(3)在(2)中,若∠CAE的大小改变(图4),其他条件不变,则(2)中的MB、MC的数量关系还成立吗?说明理由.【答案】(1)见解析;(2)MB=MC.理由见解析;(3)MB=MC还成立,见解析.【解析】【分析】(1)连接AM,根据全等三角形的对应边相等可得AD=AE,AB=AC,全等三角形对应角相等可得∠BAD=∠CAE,再根据等腰三角形三线合一的性质得到∠MAD=∠MAE,然后利用“边角边”证明△ABM和△ACM全等,根据全等三角形对应边相等即可得证;(2)延长DB、AE相交于E′,延长EC交AD于F,根据等腰三角形三线合一的性质得到BD=BE′,然后求出MB∥AE′,再根据两直线平行,内错角相等求出∠MBC=∠CAE,同理求出MC∥AD,根据两直线平行,同位角相等求出∠BCM=∠BAD,然后求出∠MBC=∠BCM,再根据等角对等边即可得证;(3)延长BM交CE于F,根据两直线平行,内错角相等可得∠MDB=∠MEF,∠MBD=∠MFE,然后利用“角角边”证明△MDB和△MEF全等,根据全等三角形对应边相等可得MB=MF,然后根据直角三角形斜边上的中线等于斜边的一半证明即可.【详解】(1)如图(2),连接AM,由已知得△ABD≌△ACE,∴AD=AE,AB=AC,∠BAD=∠CAE.∵MD=ME,∴∠MAD=∠MAE,∴∠MAD-∠BAD=∠MAE-∠CAE,即∠BAM=∠CAM.在△ABM和△ACM中,AB=AC,∠BAM=∠CAM,AM=AM,∴△ABM≌△ACM(SAS),∴MB=MC.(2)MB=MC.理由如下:如图(3),延长CM交DB于F,延长BM到G,使得MG=BM,连接CG.∵CE∥BD,∴∠MEC=∠MDF,∠MCE=∠MFD.∵M是ED的中点,∴MD=ME.在△MCE和△MFD中,∠MCE=∠MFD,∠MEC=∠MDF,MD=ME,∴△MCE≌△MFD(AAS).∴MF=MC.∴在△MFB和△MCG中,MF=MC,∠FMB=∠CMG,BM=MG,∴△MFB≌△MCG(SAS).∴FB=GC,∠MFB=∠MCG,∴CG∥BD,即G、C、E在同一条直线上.∴∠GCB=90°.在△FBC和△GCB中,FB=GC,∠FBC=∠GCB,BC=CB,∴△FBC≌△GCB(SAS).∴FC=GB.∴MB=12GB=12FC=MC.(3)MB=MC还成立.如图(4),延长BM交CE于F,延长CM到G,使得MG=CM,连接BG.∵CE∥BD,∴∠MDB=∠MEF,∠MBD=∠MFE.又∵M是DE的中点,∴MD=ME.在△MDB和△MEF中,∠MDB=∠MEF,∠MBD=∠MFE,MD=ME,∴△MDB≌△MEF(AAS),∴MB=MF.∵CE∥BD,∴∠FCM=∠BGM.在△FCM和△BGM中,CM=MG,∠CMF=∠GMB,MF=MB,∴△FCM≌△BGM(SAS).∴CF=BG,∠FCM=∠BGM.∴CF//BG,即D、B、G在同一条直线上.在△CFB和△BGC中,CF=BG,∠FCB=∠GBC,CB=BC,∴△CFB≌△BGC(SAS).∴BF=CG.∴MC=12CG=12BF=MB.【点睛】本题考查了全等三角形的判定与性质,等腰三角形三线合一的性质,等角对等边的性质,直角三角形斜边上的中线等于斜边的一半的性质,以及三角形的中位线定理,综合性较强,但难度不大,作辅助线构造出等腰三角形或全等三角形是解题的关键.8.(1)问题发现.如图1,ACB ∆和DCE ∆均为等边三角形,点A 、D 、E 均在同一直线上,连接BE .①求证:ADC BEC ∆∆≌.②求AEB ∠的度数.③线段AD 、BE 之间的数量关系为__________.(2)拓展探究.如图2,ACB ∆和DCE ∆均为等腰直角三角形,90ACB DCE ∠=∠=︒,点A 、D 、E 在同一直线上,CM 为DCE ∆中DE 边上的高,连接BE .①请判断AEB ∠的度数为____________.②线段CM 、AE 、BE 之间的数量关系为________.(直接写出结论,不需证明)【答案】(1)①详见解析;②60°;③AD BE =;(2)①90°;②2AE BE CM =+【解析】【分析】(1)易证∠ACD =∠BCE ,即可求证△ACD ≌△BCE ,根据全等三角形对应边相等可求得AD =BE ,根据全等三角形对应角相等即可求得∠AEB 的大小;(2)易证△ACD ≌△BCE ,可得∠ADC =∠BEC ,进而可以求得∠AEB =90°,即可求得DM =ME =CM ,即可解题.【详解】解:(1)①证明:∵ACB ∆和DCE ∆均为等边三角形,∴AC CB =,CD CE =,又∵60ACD DCB ECB DCB ∠+∠=∠+∠=︒,∴ACD ECB ∠=∠,∴()ADC BEC SAS ∆∆≌.②∵CDE ∆为等边三角形,∴60CDE ∠=︒.∵点A 、D 、E 在同一直线上,∴180120ADC CDE ∠=︒-∠=︒,又∵ADC BEC ∆∆≌,∴120ADC BEC ∠=∠=︒,∴1206060AEB ∠=︒-︒=︒.③AD BE =ADC BEC ∆∆≌,∴AD BE =.故填:AD BE =;(2)①∵ACB ∆和DCE ∆均为等腰直角三角形,∴AC CB =,CD CE =,又∵90ACB DCE ∠=∠=︒,∴ACD DCB ECB DCB ∠+∠=∠+∠,∴ACD ECB ∠=∠,在ACD ∆和BCE ∆中,AC CB ACD ECB CD CE =⎧⎪∠=∠⎨⎪=⎩,∴E ACD BC ∆∆≌,∴ADC BEC ∠∠=.∵点A 、D 、E 在同一直线上, ∴180********ADC BEC CDE ∠=∠=︒-∠=︒-︒=︒,∴1351354590AEB CED ∠=︒-∠=︒-︒=︒.②∵CDA CEB ∆∆≌,∴BE AD =.∵CD CE =,CM DE ⊥,∴DM ME =.又∵90DCE ∠=︒,∴2DE CM =,∴2AE AD DE BE CM =+=+.故填:①90°;②2AE BE CM =+.【点睛】本题考查了全等三角形的判定,考查了全等三角形对应边相等、对应角相等的性质,本题中求证△ACD ≌△BCE 是解题的关键.9.如图1,在△ABC 中,∠ACB =90°,AC =12BC ,点D 为BC 的中点,AB =DE ,BE ∥AC . (1)求证:△ABC ≌△DEB ;(2)连结AD 、AE 、CE ,如图2.①求证:CE 是∠ACB 的角平分线;②请判断△ABE是什么特殊形状的三角形,并说明理由.【答案】(1)详见解析;(2)①详见解析;②△ABE是等腰三角形,理由详见解析.【解析】【分析】(1)由AC//BE,∠ACB=90°可得∠DBE=90°,由AC=12BC,D是BC中点可得AC=BD,利用HL即可证明△ABC≌△DEB;(2)①由(1)得BE=BC,由等腰直角三角形的性质可得∠BCE=45°,进而可得∠ACE=45°,即可得答案;②根据SAS可证明△ACE≌△DCE,可得AE=DE,由AB=DE可得AE=AB即可证明△ABE是等腰三角形.【详解】(1)∵∠ACB=90°,BE∥AC∴∠CBE=90°∴△ABC和△DEB都是直角三角形∵AC=12BC,点D为BC的中点∴AC=BD又∵AB=DE∴△ABC≌△DEB(H.L.)(2)①由(1)得:△ABC≌△DEB ∴BC=EB又∵∠CBE=90°∴∠BCE=45°∴∠ACE=90°-45°=45°∴∠BCE=∠ACE∴CE是∠ACB的角平分线②△ABE是等腰三角形,理由如下:在△ACE和△DCE中AC DCACE BCECE CE=⎧⎪∠=∠⎨⎪=⎩∴△ACE≌△DCE(SAS).∴AE=DE又∵AB=DE∴AE=AB∴△ABE是等腰三角形【点睛】本题考查全等三角形的判定与性质及等腰三角形的判断与性质,熟练掌握判定定理是解题关键.10.如果一个三角形能被一条线段割成两个等腰三角形,那么称这条线段为这个三角形的特异线,称这个三角形为特异三角形.(1)如图1,ABC∆是等腰锐角三角形,()AB AC AB BC=>,若ABC∠的角平分线BD交AC于点D,且BD是ABC∆的一条特异线,则BDC∠=度.(2)如图2,ABC∆中,2B C∠=∠,线段AC的垂直平分线交AC于点D,交BC于点E,求证:AE是ABC∆的一条特异线;(3)如图3,若ABC∆是特异三角形,30A∠=,B为钝角,不写过程,直接写出所有可能的B的度数.【答案】(1)72;(2)证明见解析;(3)∠B度数为:135°、112.5°或140°.【解析】【分析】(1)根据等腰三角形性质得出∠C=∠ABC=∠BDC=2∠A,据此进一步利用三角形内角和定理列出方程求解即可;(2)通过证明△ABE与△AEC为等腰三角形求解即可;(3)根据题意分当BD为特异线、AD为特异线以及CD为特异线三种情况分类讨论即可.【详解】(1)∵AB=AC,∴∠ABC=∠C,∵BD平分∠ABC,∴∠ABD=∠CBD=12∠ABC,∵BD是△ABC的一条特异线,∴△ABD与△BCD为等腰三角形,∴AD=BD=BC,∴∠A=∠ABD,∠C=∠BDC,∴∠ABC=∠C=∠BDC,∵∠BDC=∠A+∠ABD=2∠A,设∠A=x,则∠C=∠ABC=∠BDC=2x,在△ABC中,∠A+∠ABC+∠C=180°,即:x+2x+2x=180°,∴x=36°,∴∠BDC=72°,故答案为:72;(2)∵DE是线段AC的垂直平分线,∴EA=EC,∴△EAC为等腰三角形,∴∠EAC=∠C,∴∠AEB=∠EAC+∠C=2∠C,∵∠B=2∠C,∴∠AEB=∠B,∴△EAB为等腰三角形,∴AE是△ABC的一条特异线;(3)如图3,当BD是特异线时,如果AB=BD=DC,则∠ABC=∠ABD+∠DBC=120°+15°=135°;如果AD=AC,DB=DC,则∠ABC=∠ABD+∠DBC=75°+37.5°=112.5°;如果AD=DB,DC=DB,则∠ABC=∠ABD+∠DBC=30°+60°=90°,不符合题意,舍去;如图4,当AD是特异线时,AB=BD,AD=DC,则:∠ABC=180°−20°−20°=140°;当CD为特异线时,不符合题意;综上所述,∠B度数为:135°、112.5°或140°.【点睛】本题主要考查了等腰三角形性质的综合运用,熟练掌握相关概念是解题关键.三、八年级数学整式的乘法与因式分解解答题压轴题(难)11.数学活动课上,老师准备了若干个如图1的三种纸片,A种纸片边长为a的正方形,B中纸片是边长为b的正方形,C种纸片是长为a、宽为b的长方形.并用A种纸片一张,B种纸片一张,C种纸片两张拼成如图2的大正方形.(1)请问两种不同的方法求图2大正方形的面积.方法1:s =____________________;方法2:s =________________________;(2)观察图2,请你写出下列三个代数式:()222,,a b a b ab ++之间的等量关系. _______________________________________________________;(3)根据(2)题中的等量关系,解决如下问题:①已知:225,11a b a b +=+=,求ab 的值;②已知()()22202020195a a -+-=,则()()20202019a a --的值是____. 【答案】(1)()2a b +,222a ab b ++;(2)()2222a b a ab b +=++;(3)①7ab =,②2-【解析】【分析】(1)依据正方形的面积计算公式即可得到结论;(2)依据(1)中的代数式,即可得出(a+b )2,a 2+b 2,ab 之间的等量关系;(3)①依据a+b=5,可得(a+b )2=25,进而得出a 2+b 2+2ab=25,再根据a 2+b 2=11,即可得到ab=7;②设2020-a=x ,a-2019=y ,即可得到x+y=1,x 2+y 2=5,依据(x+y )2=x 2+2xy+y 2,即可得出xy=()222()2x y x y +-+=2-,进而得到()()20202019a a --=2-. 【详解】 解:(1)图2大正方形的面积=()2a b +,图2大正方形的面积=222a ab b ++故答案为:()2a b +,222a ab b ++;(2)由题可得()2a b +,22a b +,ab 之间的等量关系为:()2222a b a ab b +=++故答案为:()2222a b a ab b +=++;(3)①()()2222a b a b ab +-+=2251114ab ∴=-=7ab ∴=②设2020-a=x ,a-2019=y ,则x+y=1,∵()()22202020195a a -+-=,∴x 2+y 2=5,∵(x+y )2=x 2+2xy+y 2,∴xy=()222()2x y x y +-+=-2, 即()()202020192a a --=-.【点睛】本题主要考查了完全平方公式的几何背景,熟练掌握完全平方公式是解本题的关键.12.在我国南宋数学家杨辉(约13世纪)所著的《详解九章算术》(1261年)一书中,用下图的三角形解释二项和的乘方规律.杨辉在注释中提到,在他之前北宋数学家贾宪(1050年左右)也用过上述方法,因此我们称这个三角形为“杨辉三角”或“贾宪三角”.杨辉三角两腰上的数都是1,其余每一个数为它上方(左右)两数的和.事实上,这个三角形给出了()n a b +(1,2,3,4,5,6)n =的展开式(按a 的次数由大到小的顺序)的系数规律.例如,此三角形中第三行的3个数1,2,1,恰好对应着222()2a b a ab b +=++展开式中的各项系数,第四行的4个数1,3,3,1,恰好对应着+=+++33223()33a b a a b ab b 展开式中的各项系数,等等.请依据上面介绍的数学知识,解决下列问题:(1)写出4()a b +的展开式;(2)利用整式的乘法验证你的结论.【答案】(1)++++432234a 4a b 6a b 4ab b ;(2)见解析【解析】【分析】(1)运用材料所提供的结论即可写出;(2)利用整式的乘法求解验证即可.【详解】(1)4322344()464a b a a b a b ab b +=++++,(2)方法一:()()()43a b a b a b +=+•+=()()322333a b a a b ab b ++++4322332234=33+33a a b a b ab a b a b ab b ++++++432234464a a b a b ab b =++++方法二:()()()422a b a b a b +=+•+=2222(2)(2)a ab b a ab b ++++=43223223223422422a a b a b a b a b ab a b ab b ++++++++= ++++432234a 4a b 6a b 4ab b .【点睛】解决阅读题的关键是读懂题目所给材料并理解,应用题目中给出的信息解决问题.13.若一个正整数x 能表示成22a b -(,a b 是正整数,且a b >)的形式,则称这个数为“明礼崇德数”,a 与b 是x 的一个平方差分解. 例如:因为22532=-,所以5是“明礼崇德数”,3与2是5的平方差分解;再如:22222222()M x xy x xy y y x y y =+=++-=+-(,x y 是正整数),所以M 也是“明礼崇德数”,()x y +与y 是M 的一个平方差分解.(1)判断:9_______“明礼崇德数”(填“是”或“不是”);(2)已知2246N x y x y k =-+-+(,x y 是正整数,k 是常数,且1x y >+),要使N 是“明礼崇德数”,试求出符合条件的一个k 值,并说明理由;(3)对于一个三位数,如果满足十位数字是7,且个位数字比百位数字大7,称这个三位数为“七喜数”.若m 既是“七喜数”,又是“明礼崇德数”,请求出m 的所有平方差分解.【答案】(1)是;(2)k=-5;(3)m=279,222794845=-,222792011=-.【解析】【分析】(1)根据9=52-42,确定9是“明礼崇德数”;(2)根据题意分析N 应是两个完全平方式的差,得到k=-5,将k=-5代入计算即可将N 平方差分解,得到答案;(3)确定“七喜数”m 的值,分别将其平方差分解即可.【详解】(1)∵9=52-42,∴9是“明礼崇德数”,故答案为:是;(2)当k=-5时,N 是“明礼崇德数”,∵当k=-5时,22465N x y x y =-+--,=224649x y x y -+-+-,=22(44)(69)x x y y ++-++,=22(2)(3)x y +-+,=(23)(23)x y x y ++++--=(5)(1)x y x y ++--.∵,x y 是正整数,且1x y >+,∴N 是正整数,符合题意,∴当k=-5时,N 是“明礼崇德数”;(3)由题意得:“七喜数”m=178或279,设m=22a b -=(a+b )(a-b ),当m=178时,∵178=2⨯89,∴892a b a b +=⎧⎨-=⎩,得45.543.5a b =⎧⎨=⎩(不合题意,舍去); 当m=279时,∵279=3⨯93=9⨯31,∴①933a b a b +=⎧⎨-=⎩,得4845a b =⎧⎨=⎩,∴222794845=-, ②319a b a b +=⎧⎨-=⎩,得2011a b =⎧⎨=⎩,∴222792011=-, ∴既是“七喜数”又是“明礼崇德数”的m 是279,222794845=-,222792011=-.【点睛】此题考查因式分解,熟练掌握平方差公式和完全平方公式是解此题的前提,(3)是此题的难点,解题时需根据百位与个位数字的关系确定具体的数据,再根据“明礼崇德数”的要求进行平方差分解.14.阅读下列材料:利用完全平方公式,可以将多项式2(0)ax bx c a ++≠变形为2()a x m n ++的形式, 我们把这样的变形方法叫做多项式2ax bx c ++的配方法.运用多项式的配方法及平方差公式能对一些多项式进行分解因式.例如:21124x x ++=222111111()()2422x x ++-+ =21125()24x +- =115115()()2222x x +++-=(8)(3)x x ++ 根据以上材料,解答下列问题: (1)用多项式的配方法将281x x +-化成2()x m n ++的形式;(2)下面是某位同学用配方法及平方差公式把多项式2340x x --进行分解因式的解答过程:老师说,这位同学的解答过程中有错误,请你找出该同学解答中开始出现错误的地方,并用“ ”标画出来,然后写出完整的、正确的解答过程:(3)求证:x ,y 取任何实数时,多项式222416x y x y +--+的值总为正数.【答案】(1)2(4)17x +- ;(2)(5)(8)x x +-;(3)见解析【解析】试题分析:(1)根据配方法,可得答案;(2)根据配方法,可得平方差公式,再根据平方差公式,可得答案;(3)根据交换律、结合率,可得完全平方公式,根据完全平方公式,可得答案.试题解析:解:(1)281x x +-=2228441x x ++--=2(4)17x +-(2)2340x x --=222333()()40222x x -+-- =23169()24x -- =313313()()2222x x -+-- =(5)(8)x x +- (3)证明:222416x y x y +--+=22214411x x y y -++-++=22(1)(2)11x y -+-+∵2(1)x -≥0,2(2)y -≥0,∴22(1)(2)110x y -+-+>.∴x ,y 取任何实数时,多项式222416x y x y +--+的值总是正数.点睛:本题考查了配方法,利用完全平方公式:a 2±2ab +b 2=(a ±b )2配方是解题关键.15.阅读材料:要把多项式am+an+bm+bn 因式分解,可以先把它进行分组再因式分解:am+an+bm+bn=(am +an )+(bm +bn )=a (m +n )+b (m +n )=(a +b )(m +n ),这种因式分解的方法叫做分组分解法.(1)请用上述方法因式分解:x 2-y 2+x-y(2)已知四个实数a 、b 、c 、d 同时满足a 2+ac=12k ,b 2+bc=12k .c 2+ac=24k ,d 2+ad=24k ,且a ≠b ,c≠d ,k≠0①求a+b+c 的值;②请用含a 的代数式分别表示b 、c 、d【答案】(1)(x −y )(x +y +1);(2)①0a b c ++=;②3b a =-,2c a =,3d a =-【解析】【分析】(1)将x 2 - y 2分为一组,x-y 分为一组,前一组利用平方差公式化为(x+y)(x-y),再提取公因式即可求解.(2)①已知22a ac b bc +=+=12k ,可得220a b ac bc -+-=,将等号左边参照(1)因式分解,即可求解.②由a 2+ac=12k ,c 2+ac=24k 可得2(a 2+ac)= c 2+ac ,即可得出c=2a ,同理得出3b a =-,3d a =-【详解】(1)x 2-y 2+x-y = (x 2 -y 2)+(x-y)=(x+y)(x-y)+(x-y)=(x-y)(x+y+1)故答案为:(x-y)(x+y+1)(2)①22a ac b bc +=+=12k220a b ac bc -+-=()()0a b a b c -++=∵a b∴0a b c ++=②∵a 2+ac=12k ,c 2+ac=24k2(a 2+ac)= c 2+ac∴2a 2+ac- c 2=0得(2a-c)(a+c)=0∵a 2+ac=12k ≠0即a(a+c)≠0∴c=2a ,a 2=4k∵b 2+bc=12k∴b 2+2ba=3a 2则(a −b )(3a +b )=0∵a ≠b∴3b a =-同理可得d 2+ad=24k ,c 2+ac=24kd 2+ad=c 2+ac(d −c )(a +d +c )=0∵c d ≠∴0a d c ++=∴3d a =-故答案为:0a b c ++=;3b a =-,2c a =,3d a =-【点睛】本题考查了用提取公因式法、运用公式法、分组分解法进行因式分解.四、八年级数学分式解答题压轴题(难)16.某市为了做好“全国文明城市”验收工作,计划对市区S 米长的道路进行改造,现安排甲、乙两个工程队进行施工.(1)已知甲工程队改造360米的道路与乙工程队改造300米的道路所用时间相同.若甲工程队每天比乙工程队多改造30米,求甲、乙两工程队每天改造道路的长度各是多少米.(2)若甲工程队每天可以改造a 米道路,乙工程队每天可以改造b 米道路,(其中a b ).现在有两种施工改造方案: 方案一:前12S 米的道路由甲工程队改造,后12S 米的道路由乙工程队改造; 方案二:完成整个道路改造前一半时间由甲工程队改造,后一半时间由乙工程队改造. 根据上述描述,请你判断哪种改造方案所用时间少?并说明理由.【答案】(1)甲工程队每天道路的长度为180米,乙工程队每天道路的长度为150米;(2)方案二所用的时间少【解析】【分析】(1)设乙工程队每天道路的长度为x 米,根据“甲工程队改造360米的道路与乙工程队改造300米的道路所用时间相同”,列出分式方程,即可求解;(2)根据题意,分别表示出两种方案所用的时间,再作差比较大小,即可得到结论.【详解】(1)设乙工程队每天道路的长度为x 米,则甲工程队每天道路的长度为()30x +米, 根据题意,得:36030030x x=+, 解得:150x =,检验,当150x =时,()300x x +≠,∴原分式方程的解为:150x =,30180x +=,答:甲工程队每天道路的长度为180米,乙工程队每天道路的长度为150米;(2)设方案一所用时间为:111()222s s a b s t a b ab+=+=, 方案二所用时间为2t ,则221122t a t b s +=,22s t a b=+, ∴22()22()a b a b S S S ab a b ab a b +--=++, ∵a b ,00a b >>,,∴()20a b ->, ∴202a b S S ab a b+->+,即:12t t >, ∴方案二所用的时间少.【点睛】 本题主要考查分式方程的实际应用以及分式的减法法则,找出等量关系,列分式方程,掌握分式的通分,是解题的关键.17.我们知道,假分数可以化为整数与真分数的和的形式,例如:76112333+==+. 在分式中,对于只含有一个字母的分式,当分子的次数大于或等于分母的次数时,我们称之为“假分式”;当分子的次数小于分母的次数时,我们称之为“真分式”. 例如:像33x x -+,23x x -,…这样的分式是假分式;像23x -,23x x -,…这样的分式是真分式. 类似的,假分式也可以化为整式与真分式的和(差)的形式. 例如:将分式2253x x x +-+拆分成一个整式与一个真分式的和(差)的形式. 方法一:解:由分母为3x +,可设225(3)()x x x x a b +-=+++则由22225(3)()33(3)(3)x x x x a b x ax x a b x a x a b +-=+++=++++=++++ 对于任意x ,上述等式均成立,∴3235a a b +=⎧⎨+=-⎩,解得12a b =-⎧⎨=-⎩∴225(3)(1)2(3)(1)22133333x x x x x x x x x x x x +-+--+-==-=--+++++ 这样,分式2253x x x +-+就被拆分成一个整式与一个真分式的和(差)的形式. 方法二:解:2225332(3)(3)2(3)32213333333x x x x x x x x x x x x x x x x x x x +-+---+-+-++===--=--+++++++ 这样,分式2253x x x +-+就拆分成一个整式与一个真分式的和(差)的形式. (1)请仿照上面的方法,选择其中一种方法将分式2731x x x ---拆分成一个整式与一个真分式的和(差)的形式;(2)已知整数x 使分式225112x x x +-+的值为整数,求出满足条件的所有整数x 的值. 【答案】(1)961x x ---;(2)x=-1或-3或11或-15. 【解析】【分析】 (1)先变形2731x x x ---=26691x x x x --+--,由“真分式”的定义,仿照例题即可得出结论;(2)先把分式化为真分式,再根据分式的值为整数确定整数x 的值.【详解】解:(1)2731x x x ---=26691x x x x --+-- =(1)6(1)91x x x x ----- =961x x ---; (2)225112x x x +-+= 2242132x x x x +++-+ =2(2)(2)132x x x x +++-+ =13212x x +-+, ∵x 是整数,225112x x x +-+也是整数, ∴x+2=1或x+2=-1或x+2=13或x+2=-13,∴x=-1或-3或11或-15.【点睛】本题考查了逆用整式和分式的加减法对分式进行变形.解决本题的关键是理解真分式的定义对分子进行拆分.18.一个含有多个字母的式子中,如果任意交换两个字母的位置,式子的值都不变,这样的式子就叫做对称式.例如:a b c ++,abc ,22a b +,含有两个字母a ,b 的对称式的基本对称式是+a b 和ab ,像22a b +,(2)(2)a b ++等对称式都可以用+a b 和ab 表示,例如:222()2a b a b ab +=+-.请根据以上材料解决下列问题:(1)式子①22a b ,②22a b -,③11a b +中,属于对称式的是__________(填序号).(2)已知2()()x a x b x mx n ++=++.①若m =-n =,求对称式b a a b+的值. ②若4n =-,直接写出对称式442211a b a b+++的最小值. 【答案】(1)①③.(2)①2.②172【解析】试题分析:(1)由对称式的定义对三个式子一一进行判断可得属于对称式的是①、③;(2)①将等号左边的式子展开, 由等号两边一次项系数和常数项对应相等可得a +b =m ,ab =n ,已知m 、n 的值,所以a +b 、ab 的值即求得,因为b a +a b =22a b ab +=()22a b ab ab +-,所以将a +b 、ab 的值整体代入化简后的式子计算出结果即可;②421a a ++421b b+= a 2+21a +b 2+21b =(a +b )2-2ab ()2222a b ab a b+-+=m 2+8+2816m +=21716m +172,因为1716m 2≥0,所以1716m 2+172≥172,所以421a a ++421b b +的最小值是172. 试题解析:(1)∵a 2b 2=b 2a 2,∴a 2b 2是对称式,∵a 2-b 2≠b 2-a 2,∴a 2-b 2不是对称式, ∵1a +1b =1b +1a ,∴1a +1b是对称式, ∴①、③是对称式;(2)①∵(x +a )(x +b )=x 2+(a +b )x +ab =x 2+mx +n ,∴a +b =m ,ab =n ,∵m =-n, ∴b a +a b =22a b ab +=()22a b ab ab +-22--2;②421a a ++421b b+, =a 2+21a +b 2+21b, =(a +b )2-2ab +()2222a b ab a b +-,=m 2+8+2816m +, =21716m +172, ∵1716m 2≥0, ∴1716m 2+172≥172, ∴421a a ++421b b+的最小值是172. 点睛:本题关键在于理解对称式的定义,并利用分式的性质将分式变形求解.19.探索:(1)如果32311x m x x -=+++,则m=_______; (2)如果53522x m x x -=+++,则m=_________; 总结:如果ax b m a x c x c +=+++(其中a 、b 、c 为常数),则m=________; (3)利用上述结论解决:若代数式431x x --的值为整数,求满足条件的整数x 的值. 【答案】(1)-5;(2)-13 ; b -ac ;(3)0或2【解析】试题解析: ()323(1)55133.1111x x m x x x x -+-==-=+++++ 5.m ∴=-()535(2)1313255.2222x x m x x x x -+-==-=+++++ 13.m ∴=-总结:().ax b a x c b ac b ac m a a x c x c x c x c+++--==+=+++++ .m b ac ∴=-。
八年级下册道德与法治期中检测试卷一、选择题(下列各题的备选答案中,只有一项最符合题意。
每小题3分,共48 分)1. 2021年11月8日至11日,中共十九届六中全会在北京召开,会议审议通过了《中共中央关于党的百年奋斗重大成就和历史经验的决议》,以“十个坚持” 系统总结百年伟大奋斗所积累的宝贵历史经验,并把“坚持党的领导“放在首位。
这表明()①全心全意为人民服务是中国共产党的初心使命②历史和现实证明,没有共产党,就没有新中国③要坚持党的领导,充分发挥党的领导政治优势④我国以法律形式确认了中国共产党的领导地位A. ®®B.①③C.②③D.②④2.“江山就是人民、人民就是江山”“党和国家事业发展的一切成就,归功于人民工作出这些论断的根本原因在于()A.我国的一切权力属于公民B.人民可以直接管理国家事务C.宪法规定公民所有的权利D.我国是人民民主专政的社会主义国家3.近年来,随着全面深化改革事业不断推进,国家大政方针越来越关注民主,就业、教育、医疗环保、住房、文体、社会保障、收入分配……关于"人”的问题几乎做到了全覆盖。
这表明()①在我国,人权的主体非常广泛②我国公民享有的人权内容很广泛③人民幸福生活是最大的人权④我国践行尊重和保障人权的宪法原则A. B.①③④C. ©©③D.②③④4•“中国共产党领导人民打江山、守江山,守的是人民的心。
”从党的二十大报告这一金句中,我们深深地体会到()①我国宪法是党的主张和人民意志的统一②中国共产党是中国特色社会主义事业的领导核心③中国共产党始终代表最广大人民的根本利益④坚持党的领导是历史和人民的选择A. O@③B.②③④C. ®®®D.①②④5.学习完《规范权力运行》这部分内容后,八年级⑵班的小刚和他的同学围绕权力该如何行使展开讨论并发言。
以下发言正确的有()小刚:国家机关行使权力应当有法律依据,但权力机关例外小凡:凡不按法定程序行使权力的行为都是违法行为小胡:国家权力的行使不能任性小飞:法定职责必须为,法无授权可以为A.小刚和小凡B.小刚和小胡C.小凡和小胡D.小凡和小飞6. 12月4日是我国国家宪法日。
2022—2023学年度第二学期期中质量检测八年级语文试题温馨提示:1.你拿到的试卷满分100分(其中卷面书写占5分),考试时间为120分钟。
2.试卷包括“试题卷”和“答题卷”两部分。
3.请务必在“答题卷”上答题,在“试题卷”上答题是无效的,考试结束后,请将“答题卷”交回。
4.答题过程中,你可以随时使用你所带的《新华字典》。
一、积累与运用(25分)1.(1)《蒹葭》中,展现出一幅萧瑟冷落的秋景图,起笔就给全诗笼罩了一层凄清落寞的情调的诗句是:“①,。
”成语“秋水伊人”源自《蒹葭》中的:“②,。
”(4分)(2)中国向巴基斯坦、塞尔维亚等友好国家援助新冠疫苗,在展现大国风范的同时,也让他们感受到了王勃《送杜少府之任蜀州》中“③,”的温暖。
(2分)(3)北京冬奥会开幕式展现了“黄河之水天上来”的气象,这是经典诗文与现代艺术的完美结合,借助这种创作手段,我们还可以展现“④,”(陶渊明《桃花源记》)的世外桃源。
(2分)2.阅读下面的文字,完成题目。
(9分)盛唐是中国古典诗歌的全盛时期。
山水诗清新闲雅,空灵淡泊。
孟浩然的《春晓》借雨后的落花抒写淡淡的怜惜,王维的《竹里馆》借竹林的幽静表现内心的澄明。
边塞诗雄浑开阔,悲壮高kàng。
高适的《别董大》写挚友离别,洋益着前程万里的信心;岑参的《白雪歌送武判官归京》描绘塞外奇观,表现雪中送客的不舍和为国戍边的豪情。
山水诗派的牧歌情调与边塞诗派的英雄气魄,构成了盛唐诗坛的别样风貌。
(1)根据注音写汉字或给加点的字注音。
(2分)高kàng()戍.()边(2)上文中有错别字的一个词是,这个词正确的写法是。
(2分)(3)根据材料内容,完成下面的对偶句。
(2分)田园骚客寄情山水,,。
边塞诗人放歌风雪,《别董大》诉说离情,抒发戍边人豪迈雄心。
(4)请用一句话概括上述材料的主要内容,不超过28个字。
(3分)3.《诗经》是中国古代诗歌的开端。
朱自清在《经典常谈》中对这部在中国文学史上具有崇高地位和深远影响的经典做了梳理与讲解。
八年级期中精选试卷同步检测(Word版含答案)一、八年级数学全等三角形解答题压轴题(难)1.在平面直角坐标系中,直线AB分别交x轴,y轴于A(a,0),B(0,b),且满足a2+b2+4a﹣8b+20=0.(1)求a,b的值;(2)点P在直线AB的右侧;且∠APB=45°,①若点P在x轴上(图1),则点P的坐标为;②若△ABP为直角三角形,求P点的坐标.【答案】(1)a=﹣2,b=4;(2)①(4,0);②P点坐标为(4,2),(2,﹣2).【解析】【分析】(1)利用非负数的性质解决问题即可.(2)①根据等腰直角三角形的性质即可解决问题.②分两种情形:如图2中,若∠ABP=90°,过点P作PC⊥OB,垂足为C.如图3中,若∠BAP=90°,过点P作PD⊥OA,垂足为D.分别利用全等三角形的性质解决问题即可.【详解】(1)∵a2+4a+4+b2﹣8b+16=0∴(a+2)2+(b﹣4)2=0∴a=﹣2,b=4.(2)①如图1中,∵∠APB=45°,∠POB=90°,∴OP=OB=4,∴P(4,0).故答案为(4,0).②∵a=﹣2,b=4∴OA=2OB=4又∵△ABP为直角三角形,∠APB=45°∴只有两种情况,∠ABP=90°或∠BAP=90°①如图2中,若∠ABP=90°,过点P作PC⊥OB,垂足为C.∴∠PCB=∠BOA=90°,又∵∠APB=45°,∴∠BAP=∠APB=45°,∴BA=BP,又∵∠ABO+∠OBP=∠OBP+∠BPC=90°,∴∠ABO=∠BPC,∴△ABO≌△BPC(AAS),∴PC=OB=4,BC=OA=2,∴OC=OB﹣BC=4﹣2=2,∴P(4,2).②如图3中,若∠BAP=90°,过点P作PD⊥OA,垂足为D.∴∠PDA=∠AOB=90°,又∵∠APB=45°,∴∠ABP=∠APB=45°,∴AP=AB,又∵∠BAD+∠DAP=90°,∠DPA+∠DAP=90°,∴∠BAD=∠DPA,∴△BAO≌△APP(AAS),∴PD=OA=2,AD=OB=4,∴OD=AD﹣0A=4﹣2=2,∴P(2,﹣2).综上述,P点坐标为(4,2),(2,﹣2).【点睛】本题属于三角形综合题,考查了等腰直角三角形的判定和性质,全等三角形的判定和性质等知识,解题的关键是学会用分类讨论的思想思考问题,学会添加常用辅助线,构造全等三角形解决问题.2.(1)如图(1),已知:在△ABC中,∠BAC=90°,AB=AC,直线m经过点A,BD⊥直线m, CE⊥直线m,垂足分别为点D、E.证明:DE=BD+CE.(2)如图(2),将(1)中的条件改为:在△ABC中,AB=AC,D、A、E三点都在直线m 上,并且有∠BDA=∠AEC=∠BAC=α,其中α为任意锐角或钝角.请问结论DE=BD+CE是否成立?如成立,请你给出证明;若不成立,请说明理由.(3)拓展与应用:如图(3),D、E是D、A、E三点所在直线m上的两动点(D、A、E三点互不重合),点F为∠BAC平分线上的一点,且△ABF和△ACF均为等边三角形,连接BD、CE,若∠BDA=∠AEC=∠BAC,试判断△DEF的形状.【答案】(1)见解析(2)成立(3)△DEF为等边三角形【解析】解:(1)证明:∵BD⊥直线m,CE⊥直线m,∴∠BDA=∠CEA=900.∵∠BAC=900,∴∠BAD+∠CAE=900.∵∠BAD+∠ABD=900,∴∠CAE=∠ABD.又AB="AC" ,∴△ADB≌△CEA(AAS).∴AE=BD,AD=CE.∴DE="AE+AD=" BD+CE.(2)成立.证明如下:∵∠BDA =∠BAC=α,∴∠DBA+∠BAD=∠BAD +∠CAE=1800—α.∴∠DBA=∠CAE.∵∠BDA=∠AEC=α,AB=AC,∴△ADB≌△CEA(AAS).∴AE=BD,AD=CE.∴DE=AE+AD=BD+CE.(3)△DEF为等边三角形.理由如下:由(2)知,△ADB≌△CEA,BD=AE,∠DBA =∠CAE,∵△ABF和△ACF均为等边三角形,∴∠ABF=∠CAF=600.∴∠DBA+∠ABF=∠CAE+∠CAF.∴∠DBF=∠FAE.∵BF=AF,∴△DBF≌△EAF(AAS).∴DF=EF,∠BFD=∠AFE.∴∠DFE=∠DFA+∠AFE=∠DFA+∠BFD=600.∴△DEF为等边三角形.(1)因为DE=DA+AE,故由AAS证△ADB≌△CEA,得出DA=EC,AE=BD,从而证得DE=BD+CE.(2)成立,仍然通过证明△ADB≌△CEA,得出BD=AE,AD=CE,所以DE=DA+AE=EC+BD.(3)由△ADB≌△CEA得BD=AE,∠DBA =∠CAE,由△ABF和△ACF均等边三角形,得∠ABF=∠CAF=600,FB=FA,所以∠DBA+∠ABF=∠CAE+∠CAF,即∠DBF=∠FAE,所以△DBF≌△EAF,所以FD=FE,∠BFD=∠AFE,再根据∠DFE=∠DFA+∠AFE=∠DFA+∠BFD=600得到△DEF是等边三角形.3.在四边形ABCD 中,E 为BC 边中点.(Ⅰ)已知:如图,若AE 平分∠BAD,∠AED=90°,点F 为AD 上一点,AF=AB.求证:(1)△ABE≌AFE;(2)AD=AB+CD(Ⅱ)已知:如图,若AE 平分∠BAD,DE 平分∠ADC,∠AED=120°,点F,G 均为AD上的点,AF=AB,GD=CD.求证:(1)△GEF 为等边三角形;(2)AD=AB+12BC+CD.【答案】(Ⅰ)(1)证明见解析;(2)证明见解析;(Ⅱ)(1)证明见解析;(2)证明见解析.【解析】【分析】(Ⅰ)(1)运用SAS证明△ABE≌AFE即可;(2)由(1)得出∠AEB=∠AEF,BE=EF,再证明△DEF≌△DEC(SAS),得出DF=DC,即可得出结论;(Ⅱ)(1)同(Ⅰ)(1)得△ABE≌△AFE(SAS),△DGE≌△DCE(SAS),由全等三角形的性质得出BE=FE ,∠AEB=∠AEF ,CE=GE ,∠CED=∠GED ,进而证明△EFG 是等边三角形;(2)由△EFG 是等边三角形得出GF=EE=BE=12BC ,即可得出结论. 【详解】(Ⅰ)(1)∵AE 平分∠BAD ,∴∠BAE=∠FAE ,在△ABE 和△AFE 中, AB AF BAE FAE AE AE ⎪∠⎪⎩∠⎧⎨===,∴△ABE ≌△AFE (SAS ),(2)∵△ABE ≌△AFE ,∴∠AEB=∠AEF ,BE=EF ,∵E 为BC 的中点,∴BE=CE ,∴FE=CE ,∵∠AED=∠AEF+∠DEF=90°,∴∠AEB+∠DEC=90°,∴∠DEF=∠DEC ,在△DEF 和△DEC 中,FE CE DEF DEC DE DE ⎪∠⎪⎩∠⎧⎨===,∴△DEF ≌△DEC (SAS ),∴DF=DC ,∵AD=AF+DF ,∴AD=AB+CD ;(Ⅱ)(1)∵E 为BC 的中点,∴BE=CE=12BC , 同(Ⅰ)(1)得:△ABE ≌△AFE (SAS ),△DEG ≌△DEC (SAS ),∴BE=FE ,∠AEB=∠AEF ,CE=GE ,∠CED=∠GED ,∵BE=CE ,∴FE=GE ,∵∠AED=120°,∠AEB+∠CED=180°-120°=60°,∴∠AEF+∠GED=60°,∴∠GEF=60°,∴△EFG是等边三角形,(2)∵△EFG是等边三角形,∴GF=EF=BE=12BC,∵AD=AF+FG+GD,∴AD=AB+CD+12BC.【点睛】本题考查了全等三角形的判定与性质、等边三角形的判定与性质等知识;熟练掌握等边三角形的判定与性质,证明三角形全等是解题的关键.4.如图①,在ABC中,90BAC∠=︒,AB AC=,AE是过A点的一条直线,且B、C在AE的异侧,BD AE⊥于D,CE AE⊥于E.(1)求证:BD DE CE=+.(2)若将直线AE绕点A旋转到图②的位置时(BD CE<),其余条件不变,问BD与DE、CE的关系如何?请予以证明.【答案】(1)见解析;(2)BD=DE-CE,理由见解析.【解析】【分析】(1)根据已知利用AAS判定△ABD≌△CAE从而得到BD=AE,AD=CE,因为AE=AD+DE,所以BD=DE+CE;(2)根据已知利用AAS判定△ABD≌△CAE从而得到BD=AE,AD=CE,因为AD+AE=BD+CE,所以BD=DE-CE.【详解】解:(1)∵∠BAC=90°,BD⊥AE,CE⊥AE,∴∠BDA=∠AEC=90°,∵∠ABD+∠BAE=90°,∠CAE+∠BAE=90°∴∠ABD=∠CAE,∵AB=AC,在△ABD和△CAE中,BDA AECABD CAEAB AC∠=∠⎧⎪∠=∠⎨⎪=⎩∴△ABD ≌△CAE (AAS ),∴BD=AE ,AD=CE ,∵AE=AD+DE ,∴BD=DE+CE ;(2)BD 与DE 、CE 的数量关系是BD=DE-CE ,理由如下:∵∠BAC=90°,BD ⊥AE ,CE ⊥AE ,∴∠BDA=∠AEC=90°,∴∠ABD+∠DAB=∠DAB+∠CAE ,∴∠ABD=∠CAE ,∵AB=AC ,在△ABD 和△CAE 中,BDA AEC ABD CAE AB AC ∠=∠⎧⎪∠=∠⎨⎪=⎩∴△ABD ≌△CAE (AAS ),∴BD=AE ,AD=CE ,∴AD+AE=BD+CE ,∵DE=BD+CE ,∴BD=DE-CE .【点睛】此题主要考查全等三角形的判定和性质,常用的判定方法有SSS ,SAS ,AAS ,HL 等.这种类型的题目经常考到,要注意掌握.5.如图1,Rt △ABC 中,∠A =90°,AB =AC ,点D 是BC 边的中点连接AD ,则易证AD =BD =CD ,即AD =12BC ;如图2,若将题中AB =AC 这个条件删去,此时AD 仍然等于12BC . 理由如下:延长AD 到H ,使得AH =2AD ,连接CH ,先证得△ABD ≌△CHD ,此时若能证得△ABC ≌△CHA ,即可证得AH =BC ,此时AD =12BC ,由此可见倍长过中点的线段是我们三角形证明中常用的方法.(1)请你先证明△ABC ≌△CHA ,并用一句话总结题中的结论;(2)现将图1中△ABC 折叠(如图3),点A 与点D 重合,折痕为EF ,此时不难看出△BDE 和△CDF 都是等腰直角三角形.BE =DE ,CF =DF .由勾股定理可知DE 2+DF 2=EF 2,因此BE 2+CF 2=EF 2,若图2中△ABC 也进行这样的折叠(如图4),此时线段BE 、CF 、EF 还有这样的关系式吗?若有,请证明;若没有,请举反例.(3)在(2)的条件下,将图3中的△DEF 绕着点D 旋转(如图5),射线DE 、DF 分别交AB、AC于点E、F,此时(2)中结论还成立吗?请说明理由.图4中的△DEF也这样旋转(如图6),直接写出上面的关系式是否成立.【答案】(1)详见解析;(2)有这样分关系式;(3)EF2=BE2+CF2.【解析】【分析】(1)想办法证明AB∥CH,推出∠BAC=∠ACH,再利用SAS证明△ABC≌△CHA即可.(2)有这样分关系式.如图4中,延长ED到H山顶DH=DE.证明△EDB≌△HD (SAS),推出∠B=∠HCD,BE=CH,∠FCH=90°,利用勾股定理,线段的垂直平分线的性质即可解决问题.(3)图5,图6中,上面的关系式仍然成立.【详解】(1)证明:如图2中,∵BD=DC,∠ADB=∠HDC,AD=HD,∴△ADB≌△HDC(SAS),∴∠B=∠HCD,AB=CH,∴AB∥CH,∴∠BAC+∠ACH=180°,∵∠BAC=90°,∴∠ACH=∠BAC=90°,∵AC=CA,∴△BAC≌△HCA(SAS),∴AH=BC,∴AD=DH=BD=DC,∴AD =12BC . 结论:直角三角形斜边上的中线等于斜边的一半.(2)解:有这样分关系式.理由:如图4中,延长ED 到H 山顶DH =DE .∵ED =DH ,∠EDB =∠HDC ,DB =DC ,∴△EDB ≌△HDC (SAS ),∴∠B =∠HCD ,BE =CH ,∵∠B +∠ACB =90°,∴∠ACB +∠HCD =90°,∴∠FCH =90°,∴FH 2=CF 2+CH 2,∵DF ⊥EH ,ED =DH ,∴EF =FH ,∴EF 2=BE 2+CF 2.(3)图5,图6中,上面的关系式仍然成立.结论:EF 2=BE 2+CF 2.证明方法类似(2).【点睛】本题属于几何变换综合题,考查了旋转变换,翻折变换,全等三角形的判定和性质,勾股定理等知识,解题的关键是学会添加常用辅助线,构造全等三角形解决问题,属于中考压轴题.二、八年级数学 轴对称解答题压轴题(难)6.已知:AD 是ABC ∆的高,且BD CD =.(1)如图1,求证:BAD CAD ∠=∠;(2)如图2,点E 在AD 上,连接BE ,将ABE ∆沿BE 折叠得到'A BE ∆,'A B 与AC 相交于点F ,若BE=BC ,求BFC ∠的大小;(3)如图3,在(2)的条件下,连接EF ,过点C 作CG EF ⊥,交EF 的延长线于点G ,若10BF =,6EG =,求线段CF 的长.图1. 图2. 图3.【答案】(1)见解析,(2)BFC ∠=60(3)8=CF .【解析】【分析】(1)根据等腰三角形三线合一,易得AB=AC ,BAD CAD ∠=∠;(2)在图2中,连接CE ,可证得BCE ∆是等边三角形,60BEC ∠= ,30BED ∠=且由折叠性质可知1'2ABE A BE ABF ∠=∠=∠,可得BFC FAB ABF ∠=∠+∠ ()2BAD ABE =∠+∠ 260BED =∠=;(3)连接CE ,过点E 分别作EH AB ⊥于点H ,EM BF ⊥于点M ,EN AC ⊥于点N ,可证得Rt BEM Rt CEN ∆≅∆,BM CN =,BF FM CF CN -=+,可得线段CF 的长.【详解】解:(1)证明:如图1,AD BC ⊥,BD CD =AB AC ∴=BAD CAD ∴∠=∠;图1(2)解:在图2中,连接CEED BC ⊥,BD CD = BE CE ∴= 又BE BC = BE CE BC ∴== BCE ∴∆是等边三角形60BEC ∴∠= 30BED ∴∠=由折叠性质可知1'2ABE A BE ABF ∠=∠=∠ 2ABF ABE ∴∠=∠ 由(1)可知2FAB BAE ∠=∠ BFC FAB ABF ∴∠=∠+∠ ()2BAD ABE =∠+∠ 223060BED =∠=⨯=图2(3)解:连接CE ,过点E 分别作EH AB ⊥于点H ,EM BF ⊥于点M ,EN AC ⊥于点N'ABE A BE ∠=∠,BAD CAD ∠=∠ EM EH EN ∴==AFE BFE ∴∠=∠ 又60BFC ∠= 60AFE BFE ∴∠=∠=在Rt EFM ∆中,906030FEM ∠=-= 2EF FM ∴=令FM m =,则2EF m = 62FG EG EF m ∴=-=-同理12FN EF m ==,2124CF FG m ==-在Rt BEM ∆和Rt CEN ∆中,EM EN =,BE CE = Rt BEM Rt CEN ∴∆≅∆ BM CN ∴=BF FM CF FN ∴-=+ 10124m m m ∴-=-+解得1m = 8CF ∴=图3故答案为(1)见解析,(2)BFC ∠= 60(3)8CF =.【点睛】本题考查翻折的性质,涉及角平分线的性质、等腰三角形的性质和判定、等边三角形的判定和性质、含30度角的直角三角形、全等三角形的判定和性质等知识点,属于较难的题型.7.如图,在等边ABC ∆中,点D ,E 分别是AC ,AB 上的动点,且AE CD =,BD 交CE 于点P .(1)如图1,求证120BPC ︒∠=;(2)点M 是边BC 的中点,连接PA ,PM .①如图2,若点A ,P ,M 三点共线,则AP 与PM 的数量关系是 ; ②若点A ,P ,M 三点不共线,如图3,问①中的结论还成立吗?若成立,请给出证明,若不成立,请说明理由.【答案】(1)证明过程见详解;(2)①2AP PM =;②结论成立,证明见详解【解析】【分析】(1)先证明()AEC CDB SAS ≌,得出对应角相等,然后利用四边形的内角和和对顶角相等即可得出结论;(2)①2AP PM =;由等边三角形的性质和已知条件得出AM ⊥BC ,∠CAP =30°,可得PB =PC ,由∠BPC =120°和等腰三角形的性质可得∠PCB =30°,进而可得AP =PC ,由30°角的直角三角形的性质可得PC =2PM ,于是可得结论;②延长BP 至D ,使PD =PC ,连接AD 、CD ,根据SAS 可证△ACD ≌△BCP ,得出AD =BP ,∠ADC =∠BPC =120°,然后延长PM 至N ,使MN =MP ,连接CN ,易证△CMN ≌△BMP (SAS ),可得CN =BP =AD ,∠NCM =∠PBM ,最后再根据SAS 证明△ADP ≌△NCP ,即可证得结论.【详解】(1)证明:因为△ABC 为等边三角形,所以60A ACB ∠=∠=︒∵AC BC A ACB AE CD =⎧⎪∠=∠⎨⎪=⎩,∴()AEC CDB SAS ≌ ,∴AEC CDB ∠=∠, 在四边形AEPD 中,∵360AEC EPD PDA A ∠+∠+∠+∠=︒,∴18060360AEC EPD CDB ∠+∠+︒-∠+︒=︒,∴120EPD ∠=︒,∴120BPC ∠=︒;(2)①如图2,∵△ABC 是等边三角形,点M 是边BC 的中点,∴∠BAC =∠ABC =∠ACB =60°,AM ⊥BC ,∠CAP =12∠BAC =30°,∴PB =PC , ∵∠BPC =120°,∴∠PBC =∠PCB =30°,∴PC =2PM ,∠ACP =60°﹣30°=30°=∠CAP ,∴AP =PC ,∴AP =2PM ;故答案为:2AP PM =;②AP =2PM 成立,理由如下:延长BP 至D ,使PD =PC ,连接AD 、CD ,如图4所示:则∠CPD =180°﹣∠BPC =60°, ∴△PCD 是等边三角形,∴CD =PD =PC ,∠PDC =∠PCD =60°,∵△ABC 是等边三角形,∴BC =AC ,∠ACB =60°=∠PCD ,∴∠BCP =∠ACD ,∴△ACD ≌△BCP (SAS ),∴AD =BP ,∠ADC =∠BPC =120°,∴∠ADP =120°﹣60°=60°,延长PM 至N ,使MN =MP ,连接CN ,∵点M 是边BC 的中点,∴CM =BM ,∴△CMN ≌△BMP (SAS ),∴CN =BP =AD ,∠NCM =∠PBM ,∴CN ∥BP ,∴∠NCP +∠BPC =180°,∴∠NCP =60°=∠ADP ,在△ADP 和△NCP 中,∵AD=NC ,∠ADP =∠NCP ,PD=PC ,∴△ADP ≌△NCP (SAS ),∴AP =PN =2CM ;【点睛】本题是三角形的综合题,主要考查了等边三角形的判定与性质、全等三角形的判定与性质、含30°角的直角三角形的性质等知识;熟练掌握等边三角形的判定与性质,证明三角形全等是解题的关键.8.已知:等边ABC ∆中.(1)如图1,点M 是BC 的中点,点N 在AB 边上,满足60AMN ∠=︒,求AN BN的值. (2)如图2,点M 在AB 边上(M 为非中点,不与A 、B 重合),点N 在CB 的延长线上且MNB MCB ∠=∠,求证:AM BN =.(3)如图3,点P 为AC 边的中点,点E 在AB 的延长线上,点F 在BC 的延长线上,满足AEP PFC ∠=∠,求BF BE BC-的值. 【答案】(1)3;(2)见解析;(3)32. 【解析】【分析】(1)先证明AMB ∆,MBN ∆与MAN ∆均为直角三角形,再根据直角三角形中30所对的直角边等于斜边的一半,证明BM=2BN ,AB=2BM ,最后转化结论可得出BN 与AN 之间的数量关系即得;(2)过点M 作ME ∥BC 交AC 于E ,先证明AM=ME ,再证明MEC ∆与NBM ∆全等,最后转化边即得;(3)过点P 作PM ∥BC 交AB 于M ,先证明M 是AB 的中点,再证明EMP ∆与FCP ∆全等,最后转化边即得.【详解】(1)∵ABC ∆为等边三角形,点M 是BC 的中点∴AM 平分∠BAC ,AM BC ⊥,60B BAC ∠=∠=︒∴30BAM ∠=︒,90AMB ∠=︒∵60AMN ∠=︒∴90AMN BAM ∠+=︒∠,30∠=︒BMN∴90ANM ∠=︒∴18090BNM ANM =︒-=︒∠∠∴在Rt BNM ∆中,2BM BN =在Rt ABM ∆中,2AB BM =∴24AB AN BN BM BN =+==∴3AN BN =即3AN BN=. (2)如下图:过点M 作ME ∥BC 交AC 于E∴∠CME=∠MCB ,∠AEM=∠ACB∵ABC ∆是等边三角形∴∠A=∠ABC=∠ACB=60︒∴60AEM ACB ∠=∠=︒,120MBN =︒∠∴120CEM MBN∠==︒∠,60AEM A∠=∠=︒∴AM=ME∵MNB MCB∠=∠∴∠CME=∠MNB,MN=MC∴在MEC∆与NBM∆中CME MNBCEM MBNMC MN∠=∠⎧⎪∠=∠⎨⎪=⎩∴()MEC NBM AAS∆∆≌∴ME BN=∴AM BN=(3)如下图:过点P作PM∥BC交AB于M∴AMP ABC=∠∠∵ABC∆是等边三角形∴∠A=∠ABC=∠ACB=60︒,AB AC BC==∴60AMP A==︒∠∠∴AP MP=,180120EMP AMP=︒-=︒∠∠,180120FCP ACB=︒-=︒∠∠∴AMP∆是等边三角形,120EMP FCP==︒∠∠∴AP MP AM==∵P点是AC的中点∴111222AP PC MP AM AC AB BC======∴12AM MB AB==在EMP∆与FCP∆中EMP FCPAEP PFCMP PC∠=∠⎧⎪∠=∠⎨⎪=⎩∴()EMP FCP AAS∆∆≌∴ME FC=∴1322BF BE FC BC BE ME BC BE MB BC BC BC BC -=+-=+-=+=+= ∴3322BC BF BE BC BC -==. 【点睛】本题考查全等三角形的判定,等边三角形的性质及判定,通过作等边三角形第三边的平行线构造等边三角形和全等三角形是解题关键,将多个量转化为同一个量是求比值的常用方法.9.如图,在等边三角形ABC 的外侧作直线AP ,点C 关于直线AP 的对称点为点D ,连接AD ,BD ,其中BD 交直线AP 于点E .(1)依题意补全图形;(2)若∠PAC =20°,求∠AEB 的度数;(3)连结CE ,写出AE ,BE ,CE 之间的数量关系,并证明你的结论.【答案】(1)补图见解析;(2)60°;(3)CE +AE =BE .【解析】【分析】(1)根据题意补全图形即可;(2)根据轴对称的性质可得AC =AD ,∠PAC =∠PAD=20°,根据等边三角形的性质可得AC =AB ,∠BAC =60°,即可得AB =AD ,在△ABD 中,根据等腰三角形的性质和三角形的内角和定理求得∠D 的度数,再由三角形外角的性质即可求得∠AEB 的度数;(3)CE +AE =BE ,如图,在BE 上取点M 使ME =AE ,连接AM ,设∠EAC =∠DAE =x ,类比(2)的方法求得∠AEB =60°,从而得到△AME 为等边三角形,根据等边三角形的性质和SAS 即可判定△AEC ≌△AMB ,根据全等三角形的性质可得CE =BM ,由此即可证得CE +AE =BE .【详解】(1)如图:(2)在等边△ABC 中,AC =AB ,∠BAC =60°由对称可知:AC =AD ,∠PAC =∠PAD ,∴AB =AD∴∠ABD =∠D∵∠PAC =20°∴∠PAD =20°∴∠BAD =∠BAC+∠PAC +∠PAD =100°()1180402D BAD ︒︒∴∠=-∠=. ∴∠AEB =∠D +∠PAD =60°(3)CE +AE =BE . 在BE 上取点M 使ME =AE ,连接AM ,在等边△ABC 中,AC =AB ,∠BAC =60°由对称可知:AC =AD ,∠EAC =∠EAD ,设∠EAC =∠DAE =x .∵AD =AC =AB ,∴()11802602D BAC x x ︒︒∠=-∠-=- ∴∠AEB =60-x +x =60°. ∴△AME 为等边三角形.∴AM=AE ,∠MAE=60°,∴∠BAC=∠MAE=60°,即可得∠BAM=∠CAE.在△AMB 和△AEC 中,AB ACBAM CAEAM AE=⎧⎪∠=∠⎨⎪=⎩,∴△AMB≌△AEC.∴CE=BM.∴CE+AE=BE.【点睛】本题是三角形综合题,主要考查了轴对称的性质、三角形的内角和定理、等边三角形的性质及全等三角形的判定与性质等知识点,解决第三问时,通过做辅助线,把AE转化到BE 上,再证明CE=BM即可得结论.10.如图1,△ABD,△ACE都是等边三角形,(1)求证:△ABE≌△ADC;(2)若∠ACD=15°,求∠AEB的度数;(3)如图2,当△ABD与△ACE的位置发生变化,使C、E、D三点在一条直线上,求证:AC∥BE.【答案】(1)见解析(2) ∠AEB=15°(3) 见解析【解析】试题分析:(1)由等边三角形的性质可得AB=AD,AE=AC,∠DAB=∠EAC=60°,即可得∠DAC=∠BAE,利用SAS即可判定△ABE≌△ADC;(2)根据全等三角形的性质即可求解;(3)由(1)的方法可证得△ABE≌△ADC,根据全等三角形的性质和等边三角形的性质可得∠AEB=∠ACD =60°,即可得∠AEB=∠EAC,从而得AC∥BE.试题解析:(1)证明:∵△ABD,△ACE都是等边三角形∴AB=AD,AE=AC,∠DAB=∠EAC=60°,∴∠DAC=∠BAE,在△ABE和△ADC中,∴,∴△ABE≌△ADC;(2)由(1)知△ABE ≌△ADC ,∴∠AEB=∠ACD ,∵∠ACD=15°,∴∠AEB=15°;(3)同上可证:△ABE ≌△ADC ,∴∠AEB=∠ACD ,又∵∠ACD=60°,∴∠AEB=60°,∵∠EAC=60°,∴∠AEB=∠EAC ,∴AC ∥BE .点睛:本题主要考查了等边三角形的性质、全等三角形的判定及性质,证得△ABE ≌△ADC 是解决本题的关键.三、八年级数学整式的乘法与因式分解解答题压轴题(难)11.(阅读材料)因式分解:()()221x y x y ++++.解:将“x y +”看成整体,令x y A +=,则原式()22211A A A =++=+.再将“A ”还原,原式()21x y =++.上述解题用到的是“整体思想”,整体思想是数学解题中常用的一种思想方法.(问题解决)(1)因式分解:()()2154x y x y +-+-;(2)因式分解:()()44a b a b ++-+;(3)证明:若n 为正整数,则代数式()()()21231n n n n ++++的值一定是某个整数的平方.【答案】(1)()()144x y x y +-+-1.(2)()22a b +-;(3)见解析. 【解析】【分析】(1)把(x-y )看作一个整体,直接利用十字相乘法因式分解即可;(2)把a+b 看作一个整体,去括号后利用完全平方公式即可将原式因式分解;(3)将原式转化为()()223231n n n n ++++,进一步整理为(n 2+3n+1)2,根据n 为正整数得到n 2+3n+1也为正整数,从而说明原式是整数的平方.【详解】(1)()()[][]21541()14()(1)(144)x y x y x y x y x y x y +-+-=+-+-=+-+-; (2)()()2244()4()4(2)a b a b a b a b a b ++-+=+-++=+-;(3)原式()()223231n n n n =++++()()2223231n n n n =++++ ()2231n n =++. ∵n 为正整数,∴231n n ++为正整数.∴代数()()()21231n n n n ++++的值一定是某个整数的平方. 【点睛】本题考查因式分解的应用,解题的关键是仔细读题,理解题意,掌握整体思想解决问题的方法.12.先阅读下列材料,然后解后面的问题. 材料:一个三位自然数abc (百位数字为a ,十位数字为b ,个位数字为c ),若满足a+c=b ,则称这个三位数为“欢喜数”,并规定F (abc )=ac .如374,因为它的百位上数字3与个位数字4之和等于十位上的数字7,所以374是“欢喜数”,∴F (374)=3×4=12. (1)对于“欢喜数abc ”,若满足b 能被9整除,求证:“欢喜数abc ”能被99整除; (2)已知有两个十位数字相同的“欢喜数”m ,n (m >n ),若F (m )﹣F (n )=3,求m ﹣n 的值.【答案】(1)详见解析;(2)99或297.【解析】【分析】(1)首先由题意可得a +c =b ,将欢喜数展开,因为要证明“欢喜数abc ”能被99整除,所以将展开式中100a 拆成99a +a ,这样展开式中出现了a +c ,将a +c 用b 替代,整理出最终结果即可;(2)首先设出两个欢喜数m 、n ,表示出F (m )、F (n )代入F (m )﹣F (n )=3中,将式子变形分析得出最终结果即可.【详解】(1)证明:∵abc 为欢喜数,∴a +c =b . ∵abc =100a +10b +c =99a +10b +a +c =99a +11b ,b 能被9整除,∴11b 能被99整除,99a 能被99整除,∴“欢喜数abc ”能被99整除;(2)设m =11a bc ,n =22a bc (且a 1>a 2),∵F (m )﹣F (n )=a 1•c 1﹣a 2•c 2=a 1•(b ﹣a 1)﹣a 2(b ﹣a 2)=(a 1﹣a 2)(b ﹣a 1﹣a 2)=3,a 1、a 2、b 均为整数,∴a 1﹣a 2=1或a 1﹣a 2=3.∵m ﹣n =100(a 1﹣a 2)﹣(a 1﹣a 2)=99(a 1﹣a 2),∴m ﹣n =99或m ﹣n =297.∴若F (m )﹣F (n )=3,则m ﹣n 的值为99或297.【点睛】做此类阅读理解类题目首先要充分理解题目,会运用因式分解将式子变形.13.把代数式通过配凑等手段,得到完全平方式,再运用完全平方式是非负性这一性质增加问题的条件,这种解题方法通常被称为配方法.配方法在代数式求值、解方程、最值问题等都有着广泛的应用.例如:若代数式M =a 2﹣2ab +2b 2﹣2b +2,利用配方法求M 的最小值:a 2﹣2ab +2b 2﹣2b +2=a 2﹣2ab +b 2+b 2﹣2b +1+1=(a ﹣b )2+(b ﹣1)2+1.∵(a ﹣b )2≥0,(b ﹣1)2≥0,∴当a =b =1时,代数式M 有最小值1.请根据上述材料解决下列问题:(1)在横线上添上一个常数项使之成为完全平方式:a 2+4a + ;(2)若代数式M =214a +2a +1,求M 的最小值; (3)已知a 2+2b 2+4c 2﹣2ab ﹣2b ﹣4c +2=0,求代数式a +b +c 的值.【答案】(1)4;(2)M 的最小值为﹣3;(3)a +b +c=122. 【解析】【分析】(1)根据常数项等于一次项系数的一半进行配方即可;(2)先提取14,将二次项系数化为1,再配成完全平方,即可得答案; (3)将等式左边进行配方,利用偶次方的非负性可得a ,b ,c 的值,从而问题得解.【详解】(1)∵a 2+4a+4=(a+2)2故答案为:4;(2)M =21a 4+2a+1 =14(a 2+8a+16)﹣3 =14(a+4)2﹣3 ∴M 的最小值为﹣3(3)∵a 2+2b 2+4c 2﹣2ab ﹣2b ﹣4c+2=0,∴(a ﹣b )2+(b ﹣1)2+(2c ﹣1)2=0,∴a ﹣b =0,b ﹣1=0,2c ﹣1=0∴a =b =1,1c=2 , ∴a+b+c=122.. 【点睛】 本题考查了配方法的应用,解题时要注意配方法的步骤.注意在变形的过程中不要改变式子的值.14.阅读下列材料:利用完全平方公式,可以将多项式2(0)ax bx c a ++≠变形为2()a x m n ++的形式, 我们把这样的变形方法叫做多项式2ax bx c ++的配方法.运用多项式的配方法及平方差公式能对一些多项式进行分解因式.例如:21124x x ++=222111111()()2422x x ++-+ =21125()24x +- =115115()()2222x x +++-=(8)(3)x x ++ 根据以上材料,解答下列问题: (1)用多项式的配方法将281x x +-化成2()x m n ++的形式;(2)下面是某位同学用配方法及平方差公式把多项式2340x x --进行分解因式的解答过程:老师说,这位同学的解答过程中有错误,请你找出该同学解答中开始出现错误的地方,并用“ ”标画出来,然后写出完整的、正确的解答过程:(3)求证:x ,y 取任何实数时,多项式222416x y x y +--+的值总为正数.【答案】(1)2(4)17x +- ;(2)(5)(8)x x +-;(3)见解析【解析】试题分析:(1)根据配方法,可得答案;(2)根据配方法,可得平方差公式,再根据平方差公式,可得答案;(3)根据交换律、结合率,可得完全平方公式,根据完全平方公式,可得答案. 试题解析:解:(1)281x x +-=2228441x x ++--=2(4)17x +-(2)2340x x --=222333()()40222x x -+-- =23169()24x --=313313()()2222x x -+-- =(5)(8)x x +- (3)证明:222416x y x y +--+=22214411x x y y -++-++=22(1)(2)11x y -+-+∵2(1)x -≥0,2(2)y -≥0,∴22(1)(2)110x y -+-+>.∴x ,y 取任何实数时,多项式222416x y x y +--+的值总是正数.点睛:本题考查了配方法,利用完全平方公式:a 2±2ab +b 2=(a ±b )2配方是解题关键.15.(观察)1×49=49,2×48=96,3×47=141,…,23×27=621,24×26=624,25×25=625,26×24=624,27×23=621,…,47×3=141,48×2=96,49×1=49.(发现)根据你的阅读回答问题:(1)上述内容中,两数相乘,积的最大值为 ;(2)设参与上述运算的第一个因数为a ,第二个因数为b ,用等式表示a 与b 的数量关系是 .(类比)观察下列两数的积:1×59,2×58,3×57,4×56,…,m×n ,…,56×4,57×3,58×2,59×1.猜想mn 的最大值为 ,并用你学过的知识加以证明.【答案】(1)625;(2)a+b=50; 900;证明见解析.【解析】【分析】发现:(1)观察题目给出的等式即可发现两数相乘,积的最大值为625;(2)观察题目给出的等式即可发现a 与b 的数量关系是a +b =50;类比:由于m +n =60,将n =60−m 代入mn ,得mn =−m 2+60m =−(m−30)2+900,利用二次函数的性质即可得出m =30时,mn 的最大值为900.【详解】解:发现:(1)上述内容中,两数相乘,积的最大值为625.故答案为625;(2)设参与上述运算的第一个因数为a ,第二个因数为b ,用等式表示a 与b 的数量关系是a+b=50.故答案为a+b=50;类比:由题意,可得m+n=60,将n=60﹣m 代入mn ,得mn=﹣m 2+60m=﹣(m ﹣30)2+900,∴m=30时,mn 的最大值为900.故答案为900.【点睛】本题考查了因式分解的应用,配方法,二次函数的性质,是基础知识,需熟练掌握.四、八年级数学分式解答题压轴题(难)16.已知11x a b c ⎛⎫=+ ⎪⎝⎭,11y b a c ⎛⎫=+ ⎪⎝⎭,11z c a b ⎛⎫=+ ⎪⎝⎭. (1)当1a =,1b =,2c =时,求1111x y +--的值; (2)当0ab bc ac ++≠时,求111111x y z +++++的值. 【答案】(1)4;(2)1【解析】【分析】(1)分别对x 、y 进行化简,然后求值即可;(2)分别求出1x +、1y +、和z 1+值,然后代入化简即可.【详解】(1),,ac ab bc ab bc ac x y z bc ac ab+++===, 当1,1,2a b c ===时, 1211111=;122x ⨯+⨯∴-=-⨯ 1211111=122y ⨯+⨯∴-=-⨯ 1111=4111122x y ∴+=+-- (2)11ac ab ac ab bc x bc bc ++++=+=, 11bc ab bc ab ac y ac ac ++++=+=, 11bc ac bc ac ab z ab ab++++=+=, ∵+0ab bc ac +≠,∴111111;+++x y z bc ac ab ab bc ac ab bc ac ab bc ac+++++=+++++ ++ab bc ac ab bc ac+=+ =1.【点睛】 本题考查了整式的化简求值问题,解题的关键是仔细认真的进行整式的化简.17.为了践行“绿色低碳出行,减少雾霾”的使命,小红上班的交通方式由驾车改为骑自行车,小红家距单位的路程是20千米,在相同的路线上,小红驾车的速度是骑自行车速度的4倍,小红每天骑自行车上班比驾车上班要早出发45分钟,才能按原时间到达单位,求小红骑自行车的速度.【答案】小红骑自行车的速度是每小时20千米.【解析】【分析】设骑自行车的速度为x 千米/时,则驾车的速度为4x 千米/时.依据“小王每天骑自行车上班比驾车上班要早出发45分钟”列出方程并解答.【详解】解:设小红骑自行车的速度是每小时x 千米,则驾车的速度是每小时4x 千米.根据题意得:202045=+x x460解得x=20经检验x=20是分式方程的解,并符合实际意义答:小红骑自行车的速度是每小时20千米.【点睛】本题考查了分式方程的应用.利用分式方程解应用题时,一般题目中会有两个相等关系,这时要根据题目所要解决的问题,选择其中的一个相等关系作为列方程的依据,而另一个则用来设未知数.18.某商场计划购进一批甲、乙两种玩具,已知一件甲种玩具的进价与一件乙种玩具的进价的和为40元,用90元购进甲种玩具的件数与用150元购进乙种玩具的件数相同.(1)求每件甲种、乙种玩具的进价分别是多少元?(2)商场计划购进甲、乙两种玩具共48件,其中甲种玩具的件数少于乙种玩具的件数,商场决定此次进货的总资金不超过1000元,求商场共有几种进货方案?【答案】(1)甲,乙两种玩具分别是15元/件,25元/件;(2)共有四种方案.【解析】【分析】(1)设甲种玩具进价x元/件,则乙种玩具进价为(40﹣x)元/件,根据已知一件甲种玩具的进价与一件乙种玩具的进价的和为40元,用90元购进甲种玩具的件数与用150元购进乙种玩具的件数相同可列方程求解.(2)设购进甲种玩具y件,则购进乙种玩具(48﹣y)件,根据甲种玩具的件数少于乙种玩具的件数,商场决定此次进货的总资金不超过1000元,可列出不等式组求解.【详解】解:设甲种玩具进价x元/件,则乙种玩具进价为(40﹣x)元/件,x=15,经检验x=15是原方程的解.∴40﹣x=25.甲,乙两种玩具分别是15元/件,25元/件;(2)设购进甲种玩具y件,则购进乙种玩具(48﹣y)件,,解得20≤y<24.因为y是整数,甲种玩具的件数少于乙种玩具的件数,∴y取20,21,22,23,共有4种方案.考点:分式方程的应用;一元一次不等式组的应用.19.京广高速铁路工程指挥部,要对某路段工程进行招标,接到了甲、乙两个工程队的投标书.从投标书中得知:甲队单独完成这项工程所需天数是乙队单独完成这项工程所需天数的23;若由甲队先做10天,剩下的工程再由甲、乙两队合作30天完成.(1)求甲、乙两队单独完成这项工程各需多少天?(2)已知甲队每天的施工费用为8.4万元,乙队每天的施工费用为5.6万元.工程预算的施工费用为500万元.为缩短工期并高效完成工程,拟安排预算的施工费用是否够用?若不够用,需追加预算多少万元?请给出你的判断并说明理由.【答案】(1)甲队单独完成需60天,乙队单独完成这项工程需要90天;(2)工程预算的施工费用不够,需追加预算4万元.【解析】【分析】(1)设甲单独完成这项工程所需天数,表示出乙单独完成这项工程所需天数及各自的工作效率.根据工作量=工作效率×工作时间列方程求解;(2)根据题意,甲乙合作工期最短,所以须求合作的时间,然后计算费用,作出判断.【详解】(1)解:设乙队单独完成这项工程需要x天,则甲队单独完成需要2x3填;403012xx3+=解得:x90=经检验,x=90是原方程的根.则22x906033=⨯=(天)答:甲、乙两队单独完成这项工程分别需60天和90天.(2)设甲、乙两队合作完成这项工程需要y天,则有y(160+190)=1.解得y=36.需要施工费用:36×(8.4+5.6)=504(万元).∵504>500.∴工程预算的施工费用不够用,需追加预算4万元.20.某商家用1200元购进了一批T恤,上市后很快售完,商家又用2800元购进了第二批这种T恤,所购数量是第一批购进量的2倍,但单价贵了5元.(1)该商家购进的第一批T恤是多少件?(2)若两批T恤按相同的标价销售,最后剩下20件按八折优惠卖出,如果希望两批T恤全部售完的利润率不低于16%(不考虑其它因素),那么每件T恤的标价至少是多少元?【答案】(1)商家购进的第一批恤是40件;(2)每件恤的标价至少40元.【解析】【分析】(1)可设该商家购进的第一批衬衫是x件,则购进第二批这种衬衫是2x件,根据第二批这种衬衫单价贵了5元,列出方程求解即可;(2)设每件衬衫的标价y元,求出利润表达式,然后列不等式解答.【详解】(1)解:设购进的第一批恤是x件.由题意,得1200280052x x=-解得x=40.经检验,x=40是所列方程的解.所以商家购进的第一批恤是40件.(2)设每件的标价是y元由题意,(40+40×2-20)y+0.8×20y≥(1200+2800)(1+16%)解得y≥40.即每件恤的标价至少40元.【点睛】本题考查的知识点是分式方程的应用和一元一次不等式的应用,解题关键是弄清题意并找出题中的数量关系并列出方程.五、八年级数学三角形解答题压轴题(难)21.在一个三角形中,如果一个角是另一个角的3倍,这样的三角形我们称之为“灵动三角形”.如,三个内角分别为120°,40°,20°的三角形是“灵动三角形”.如图,∠MON=60°,在射线OM上找一点A,过点A作AB⊥OM交ON于点B,以A为端点作射线AD,交线段OB于点C(规定0°< ∠OAC < 90°).(1)∠ABO的度数为°,△AOB(填“是”或“不是”灵动三角形);(2)若∠BAC=60°,求证:△AOC为“灵动三角形”;(3)当△ABC为“灵动三角形”时,求∠OAC的度数.。