ZQJC-210017.5S型气动架柱式钻机使用说明书
- 格式:docx
- 大小:1.40 MB
- 文档页数:24
气动架柱式钻机技术规格书一、设备使用条件海拔不超过2000m,周围环境压力为80kPa~106kPa;运行环境温度一般为T0°C~+4(ΓC;周围空气相对湿度不大于95% (+25℃);有甲烷及煤尘爆炸性混合物的矿井。
二、设备名称数量设备名称:气动架柱式钻机需求数量:2台三、技术要求1.功能描述主要用于具有煤与瓦斯突出和爆炸危险性的煤矿,也可用于一般煤矿井下钻进瓦斯抽放孔、煤层注水孔、灭火注浆孔及其它工程孔。
适用岩系数f<6的各种煤层、岩层,巷道或钻场断面大于2.7肝,高度大于1. 8m,宽度大于1. 5m o2.主要技术参数工作压力: 0.4~0.63MPa额定转矩:740~1120N.m额定转速:87~123r∕min最大输出功率:6.7~lL4Kw最大负荷转矩:870~1290N.m动力启动转矩:920-1310N.m动力失速转矩:940~1360N.nl空载转速: 260-300r∕min1/2 空载转速:130~150r/Inin1/2空载转速时的转矩:540~940N.ni噪声:声功率级W90dB(A)、声级级W80dB(A)导轨长度:2030 ± 20mm导轨推进行程:1240 ± 20mm推进力:≥19kN最大工作高度:1970±20mm最小工作高度:330±20mm冲洗水压力:0. 6~L2MPa参考外形尺寸(长X宽义高):2040×985X2320(±20)mm3.主要技术要求(1)具有正、反转功能,可以轻松钻进和退出钻具;(2)采用独立马达,提升钻进深度和钻进效率;(3)通过控制气量,可以调节进给速度;操纵台与主机分离,可远距离操作控制钻孔施工;(4)具备双重消音器结构,降低噪音;四、设计、制造和检验标准L符合《煤矿安全规程》规定要求。
2.符合≪GB3836. 1-2000爆炸性气体环境用电气设备通用要求》有关规定。
架柱式气动钻机操作规程一、前言架柱式气动钻机是一种常用的钻孔设备,广泛应用于建筑工程、地质勘探、矿山开采等领域。
为了确保钻机的安全运行以及操作人员的安全,制定了本操作规程。
本规程旨在规范架柱式气动钻机的操作流程,提高工作效率,降低事故风险。
二、设备概述架柱式气动钻机由钻机主体、钻杆、钻头、气源系统、控制系统等部分组成。
钻机主体上设有立柱,通过滑轨上下移动,实现钻孔的深度调整。
气源系统提供气动动力,控制系统用于控制钻机的启停和调节。
三、操作前的准备1. 检查设备:仔细检查钻机的各个部位,确保设备完好无损,无松动、破损等现象。
2. 检查气源:确保气源供应充足,气压稳定。
3. 安装钻头:根据实际需要选择合适的钻头,并正确安装在钻机主体上。
4. 调整钻机高度:根据需要,通过调节滑轨上下移动,使钻头与工作台面保持适当的距离。
四、操作步骤1. 启动钻机:打开气源系统,调节气压到合适的工作范围,然后按下启动按钮,钻机开始工作。
2. 调整钻头位置:通过控制系统调节钻机的上下移动,使钻头与工作表面接触并保持合适的压力。
3. 开始钻孔:将工件固定好,将钻头对准钻孔位置,缓慢下压,开始进行钻孔作业。
在钻孔过程中,要注意保持稳定的压力和速度,避免过快或过慢造成钻孔质量下降。
4. 监控钻孔状态:在钻孔过程中,要时刻观察钻孔状态,及时调整钻机的工作参数,确保钻孔的质量。
5. 结束钻孔:当钻孔达到预定深度后,停止钻机的工作,将钻头从钻孔中取出。
6. 关闭钻机:关闭气源系统,停止钻机的工作。
五、安全注意事项1. 操作人员应穿戴好安全装备,严禁戴手套、长袖等松散物品,以免被钻机卷入造成伤害。
2. 在操作过程中,应保持注意力集中,严禁分神或与他人交谈,以免发生意外。
3. 在进行钻孔作业时,要保持工作台面整洁,移除杂物,防止钻头碰撞或卡住。
4. 钻孔结束后,及时清理钻屑和废料,保持工作环境整洁。
5. 定期对钻机进行检修和维护,确保设备的正常运行和安全性能。
CZ 型钻机使用说明书一、冲击钻的结构与工作原理1、结构该钻机是利用钢绳吊重对地面进行冲击而实现钻进的钻孔设备。
其由主轴装置、冲击结构、泥浆及辅助卷筒、机架、桅杆、操纵机构及电器系统组成。
2、工作原理电动机启动后,经三角带轮驱动主轴上的大皮带轮、主轴通过齿轮传动、链传动等装置把动力分配到钻具卷筒、冲击机构、泥浆及辅助卷筒等机构来完成各自的工作。
各执行机构的动作是借助于片式摩擦离合器和牙嵌离合器来实现的。
钻进工作是靠冲击轴的回转运动通过曲柄连杆机构改变为钻具的往复运动而实现的。
泥浆卷筒用于抽取泥浆和护孔;辅助卷筒主要用于下管和处理事故,若再配以滑轮可完成起吊工作。
钻机的冲击次数是通过更换电机皮带轮来实现;而冲程是通过连杆与曲柄铰接点位置的调整来实现。
泥浆卷筒与辅助卷筒安装在同一旋转轴上,它们的传动由牙嵌离合器分别单独带动。
泥浆卷筒、泥浆及辅助卷筒的制动是由带式制动闸控制。
桅杆的升降是靠机架下部的涡轮减速器来完成。
本钻机也可用柴油作为动力,动力方式的选择应在合同中注明。
二、电气系统电气系统由主回路和控制回路组成,采用三相三线制,其由电动机、控制箱、按钮开关等电器件组成。
三、冲击钻的安装与拆卸1、冲击钻机的安装钻机进场前,必须整平场地,备好垫土,工具等。
冲击钻机进场后,必须用垫土将钻机垫高,使轮胎离地,并且调整机架呈水平位置;接通电源后,可启动电机提升桅杆,桅杆起升后,将桅杆底部的螺杆旋出,并支撑到支座上;再将拉杆、架腿、绷绳安装好,并用螺旋调整器来调整拉杆、绷绳的张紧程度。
钻具卷筒钢绳自卷筒引出经冲击梁的导向滑轮和张力滑轮再进入桅杆顶部的钻具滑轮而下垂,其端头与泥浆轴筒连接。
辅助卷筒与桅杆顶部的三个定滑轮配合使用。
2、拆卸钻孔工作完毕,摘下几句、抽筒等,并收回各卷筒钢绳,拆下拉杆,松开桅杆绷绳。
将桅杆底部的螺杆旋出,启动蜗杆减速器,借助绷绳将桅杆拉倒到机架上,并拆卸绷绳。
四、冲击钻机的使用、维护及保养1、使用在钻进前,必须预先检查电机的转动方向及钻机安装的是否符合要求;钻进时,首先通过工作台中心放下护筒管,将该管打入预先挖好的地坑中去,在可能时,尽量使管子上端不高于机器的工作面,然后用泥浆抽筒清楚泥沙,按要求选择钻头,钻杆及钢绳接头,组合成所需的钻具。
摘要目前,国内生产的锚杆钻机无论从技术上还是质量上都落后于某些发达国家,所以对锚杆钻机的理论研究尚需进一步深化,钻机的质量需进一步提高。
本文全面、系统、深入地分析了气动锚杆钻机的工作原理、齿轮马达运动的特性,对气动锚杆钻机组成元件进行设计分析,提出气动锚杆钻机设计的基本思路和方法,并对气动锚杆钻机的回转部分进行了详细的设计校核,利用PROE对其进行建模和仿真。
本文根据流体力学和气压传动原理,分析了齿轮式气动马达的结构和特点,本文还分析了气动式锚杆钻机产生噪声、油雾的机理,探讨了消除噪声和油雾的途径和方法,研制了具有消除排气油雾和减小噪声双重功能的多机理除油雾消音器,消音器性能良好,能很好地满足设计要求和使用要求。
关键词:气动锚杆钻机、齿轮马达、回转部分、强度校核、消音器、支腿、操纵臂、建模、仿真ABSTRACTAt present, the domestic production of the jumbolter no matter from technology and quality are behind some developed countries, so the jumbolter to the study of the theory of the pending further deepening, the quality of the drilling rig to further improveThis paper, system, a further study on the working principle of the jumbolter pneumatic, gear motor sports characteristics, the jumbolter to pneumatic components design analysis, it puts forward the jumbolter pneumatic design basic idea and method, and the jumbolter to pneumatic rotating parts of detailed design respectively,Using PROE the modeling and simulation.In this paper, according to the principle of fluid mechanics and pneumatic transmission, this paper analyzes the gear type structure and characteristics of the pneumatic motor, this paper also analyzes the pneumatic type the jumbolter to produce noise, the mechanism of oil mist, and probes into the oil mist eliminate noise and the way and the method, developed with dispels exhaust oil mist and reduce the noise of the double function mechanism in addition to more oil mist muffler, muffler performance is good, can well meet the design requirement and the use requirement.Key words: Pneumatic anchor rigGear motorRotary bodyStrength checkMuffleroutriggerManipulating armmodelingsimulation目录摘要 (I)ABSTRACT (II)第一章绪论 (1)1锚杆钻机简介 (1)1.1锚杆支护的作用及意义 (1)1.2锚杆钻机的发展与现状 (1)1.3我国煤矿用锚杆钻孔设备存在的主要技术问题 (2)1.4本课题研究的主要内容 (4)第二章气动锚杆钻机总体方案的研究与设计 (5)2.1设计方案的确定 (5)2.1.1推进方案的确定 (5)2.1.2动力机构方案的确定 (6)2.1.3操纵机构方案的确定 (8)2.2工作原理 (9)2.3性能参数指标 (10)第三章气动锚杆钻机的结构设计 (10)3.1整体结构及参数的确定 (10)3.2回转部分的设计及强度计算 (11)3.2.1减速机构设计 (11)3.2.2气动马达的参数确定 (33)3.2.3消声器的设计 (35)3.3支腿部件设计 (35)3.3.1结构设计 (35)3.3.2支腿材料的分析与选择 (36)3.3.3支腿的结构设计 (37)3.4操纵臂设计 (37)3.5整机结构 (37)第四章 PROE建模及仿真 (38)4.1P RO/E NGINEER软件简介 (38)4.2P RO/E NGINEER软件主要特性 (38)4.3P RO/E建模 (39)4.4P RO/E装配 (51)4.4P RO/E仿真 (55)第五章气动锚杆钻机使用维护说明 (59)5.1适用范围及型号定义 (59)5.1.1适用范围简介 (59)5.1.2型号定义 (59)5.2性能参数 (60)5.3使用条件 (60)5.3.1压缩空气 (60)5.3.2冲洗水 (61)5.3.3润滑 (61)5.4作业前检查 (61)5.5钻锚杆孔作业 (62)5.6搅拌和安装锚杆作业 (62)5.7作业之后 (62)5.8其他操作注意事项 (62)第六章结束语 (63)参考文献: (64)致谢 (65)第一章绪论1锚杆钻机简介1.1锚杆支护的作用及意义锚杆支护作为地下工程的一种新型的支护型式,目前已成为欧美和澳大利亚等先进采煤国家煤矿井下的主要支护方式。
气动钻使用说明书一、产品概述气动钻是一种基于气压原理驱动的钻孔工具,可用于钻孔和镗孔操作。
本使用说明书将详细介绍气动钻的组成部分、使用方法、注意事项以及维护保养等内容,以确保用户正确、安全地操作气动钻。
二、产品组成1.钻头:气动钻配备了不同种类和规格的钻头,可根据需求进行更换。
2.主机:气动钻主机由气缸、电机、零件装配而成,负责提供驱动力。
3.气源:气动钻需要连接气源供给气压,确保工作正常。
三、使用方法1.准备工作a.使用前,请确保气动钻及配件完好,无破损或松动。
b.调整气源压力至适当数值(一般为0.6-0.8MPa)。
c.根据工作需求选择合适的钻头,安装到气动钻主机上,并紧固好。
d.检查气动钻固定装置,确保工作过程中主机固定牢靠。
2.操作步骤a.保持正确的工作姿势,握住气动钻主机手柄,放置于作业表面上。
b.开启气源,进气口位置示意图可参照附页。
c.控制气动钻使用按钮,使其达到预期转速。
d.将钻头轻轻接触到工作件上,轻按主机启动按钮即可开始钻孔。
e.在钻孔过程中,保持匀速且适量施力,避免过度压力导致卡钻或刀具损坏。
f.钻孔完成后,松开主机启动按钮,关闭气源。
四、注意事项1.在使用气动钻之前,请仔细阅读并理解本使用说明书。
2.请勿将手指或其他物体靠近钻头和旋转部分,以免发生意外伤害。
3.使用时请佩戴适当的个人防护设备,如防护眼镜和手套,保证人身安全。
4.使用中发现气源管道漏气或异常情况时,应立即停止使用并进行检修。
5.在气动钻工作期间,禁止更换钻头或调整主机部件。
6.工作结束后,请关闭气源并及时清洁和维护气动钻,以延长使用寿命。
五、维护保养1.定期清洁气动钻外壳,并及时清除钻屑和灰尘等杂质。
2.经常检查钻头的磨损程度,如有必要,及时更换。
3.定期涂抹适量的润滑油到气动钻的关键零部件上,保持正常运转。
4.注意防潮、防尘和防腐蚀,避免暴露在潮湿、高温环境中。
六、故障排除如果气动钻遇到以下情况,可进行简单排查,如不能解决,请联系售后服务。
气动钻杆卡瓦使用说明书执行SY5049—91钻井卡瓦标准中原锐实达石油设备有限公司二零零四年八月一、用途及特点QW5-225气动钻杆卡瓦是用于石油钻井钻柱起下钻作业的一种井口机械化工具,适用于 ZP520 ZP205 ZP175 ZP275 ZP375等类型的转盘使用。
该卡瓦具有以下特点:1卡瓦设计新颖,结构合理,安装方便,操作简单,性能可靠;2卡瓦技术指标符合SY5049-91钻井卡瓦标准要求;3气动升降,自动化程度高;4、卡瓦有效卡紧长度达420mm与钻杆接触面积大,最大承载能力达2250KN可满足6000m 井深钻柱起下钻使用要求。
5、卡瓦体工作升降高度(指超出转盘面高度)小于250mm不影响井口的任何常规作业。
仅是国内外动力钻杆卡瓦卡瓦体工作升降高度 1/2—1/3。
该卡瓦的投入使用,可减轻工人劳动强度,提高起下钻速度、减少安全事故的发生等。
二、结构及原理1、结构QW-5气动钻杆卡瓦是以气缸为动力一种钻杆卡瓦。
这种卡瓦主要是由气控元件、气缸、阶梯卡瓦座、卡瓦体、导气转销、导向杆、悬挂盘、连杆等组成。
由两半组成的阶梯卡瓦座一端为导气转销,一端为弹性碰撞销,导气转销一是起到卡瓦座开合的较接作用,同时连接内置于阶梯式卡瓦座的两气缸集成气路系统,实现双气缸单气路连接。
两半圆悬挂盘通过凹凸同步槽组成一圆形整体,并通过连杆带动四片卡瓦体同步运动卡紧和松开钻杆。
2、工作原理QW5-225气动钻杆卡瓦安装在转盘大方瓦孔内取代转盘大方瓦,由悬挂盘通过连杆连接卡瓦体,气缸和导向杆与悬挂盘固定连接。
工作时,卡瓦体沿阶梯卡瓦座锥面下行,推动钻杆向中心收拢,卡紧钻杆。
反之,卡瓦体沿阶梯卡瓦座锥面上行时向外张开,松开钻杆,同时让出通道,以便钻杆从卡瓦中心自由通过。
卡瓦体的升降是靠气缸带动悬挂盘通过连杆连接卡瓦体进行动作。
卡瓦体下行主要是靠气缸拉力和卡瓦体重力共同作用;卡瓦体上行主要是靠气缸推力和钻杆与卡瓦体摩擦力共同作用。
一、钻机用气设备及参数1、柴油机(启动时用气)进气管线:2″2、辅助电机、整传并车、泥浆泵等的离合器进气接头:M20×1.5(通径1/2″)数量:2 气胎容积:3~5L3、转盘刹车离合器LT500/250T进气接头:M20×1.5(通径1/2″)数量:2 气胎容积:3~5L4、钻台风动绞车(5T)进气压力:0.6~0.9MPa空气消耗量(自由空气):12.7m3/min 进气管线:1 1/2″5、二层台风动绞车进气压力:0.6~0.9MPa空气消耗量(自由空气):5m3/min进气管线:1″6、两用水龙头进气压力:0.6~0.9MPa空气消耗量(自由空气):5m3/min进气管线:1″7、液气大钳气胎离合器φ300×100 数量:2夹紧气缸φ100×720移送气缸φ120×1500工作压力:0.5~1MPa8、锁挡、换挡气缸二、气控系统应完成的功能1、实现各离合器的快速挂合和摘离2、实现转盘的惯性刹车3、控制水龙头的气源的通断和换向4、进行油门的调节5、紧急制动功能(1)要求过卷阀动作后,气控系统能控制液压盘刹刹车,并能通过刹车放气解除制动。
(2)辅助电机、电磁刹车掉电后,气控系统能控制液压盘刹刹车,并能通过刹车放气解除制动。
三、系统基本参数1、根据用气设备的耗气量等参数确定系统压力和空压机排气量。
系统压力:1MPa空压机排气量:5.1m3 /min 数量:2台储气罐:2x3m32、气控系统所用阀件本钻机所用的阀件为海门石油机械厂的气动元件,包括两用继气器(气控阀)、踏板调压阀、定位单向调压阀、复位单向调压阀、手轮调压阀、排挡气开关、定位组合调压阀、复位组合调压阀等。
本钻机所用的气控阀件的参数:两用继气器、快速放气阀、导气龙头等的公称通径为15mm,工作压力为0.05~1MPa,温度为-40~60℃;在司钻房内的踏板调压阀、定位单向调压阀、复位单向调压阀、手轮调压阀、排挡气开关、定位组合调压阀、复位组合调压阀等的公称通径为8mm,工作压力为0.05~1MPa,温度为-40~60℃。
架柱式气动钻机操作规程
架柱式气动钻机操作规程
一、基本要求
1. 操作人员应进行专业培训,了解相关安全知识,熟悉钻机结构、性
能和操作规程。
2. 制定钻探方案,检查设备是否符合使用要求。
准备必要的工具、备
品备件和润滑材料。
3. 操作人员必须按照规程操作,并与其他人员保持良好的配合和沟通。
4. 坚持维护和保养设备,定期检查设备可靠性、安全性和完好性。
二、操作流程
1. 确认工作范围和安全措施后,进行设备检查和钻探前准备。
2. 将刀杆装入钻杆,确保刀杆的安装稳固。
3. 将钻杆插入钻孔,保持钻机稳定,开始下钻。
4. 在钻探过程中要注意记录相关数据,如钻进深度、岩心取样等信息,同时根据钻进情况及时调整钻探参数。
5. 钻进完毕,关闭空气源,停止钻机运转。
拆卸钻杆和钻头,存放好
备品备件和工具。
6. 检查设备,必要时进行维护和保养。
三、安全注意事项
1. 严格按照规程操作,不得擅自改变钻探方案或参数。
2. 操作时应保持工作区域内安全,不得在工作区内嬉闹、抽烟、携带
易燃物品等危险行为。
3. 确保设备正常运行,故障和不良现象应及时报告并采取措施处理。
4. 钻杆、刀杆等器具应妥善保存,禁止乱丢乱放。
5. 严禁未经授权的人员触碰设备及操作钻机。
6. 确保气源质量符合要求,防止因使用劣质气源导致的事故。
以上为架柱式气动钻机操作规程,如有不清楚的地方请及时向专
业人士咨询。
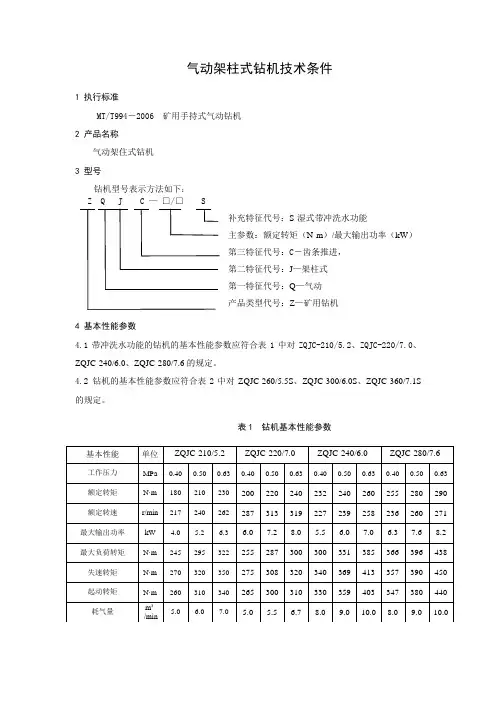
气动架柱式钻机技术条件1 执行标准MT/T994-2006 矿用手持式气动钻机2 产品名称气动架住式钻机3 型号钻机型号表示方法如下:Z Q J C —□/□ S补充特征代号:S-湿式带冲洗水功能主参数:额定转矩(N·m)/最大输出功率(kW)第三特征代号:C-齿条推进,第二特征代号:J—架柱式第一特征代号:Q—气动产品类型代号:Z—矿用钻机4 基本性能参数4.1带冲洗水功能的钻机的基本性能参数应符合表1中对ZQJC-210/5.2、ZQJC-220/7.0、ZQJC-240/6.0、ZQJC-280/7.6的规定。
4.2钻机的基本性能参数应符合表2中对ZQJC-260/5.5S、ZQJC-300/6.0S、ZQJC-360/7.1S的规定。
表1 钻机基本性能参数基本性能单位ZQJC-210/5.2ZQJC-220/7.0ZQJC-240/6.0ZQJC-280/7.6工作压力MPa 0.40 0.50 0.63 0.400.500.630.400.500.630.400.500.63额定转矩N·m 180 210 230 200 220 240 232 240 260 255 280 290 额定转速r/min 217 240 262 287 313 319 227 239 258 236 260 271 最大输出功率kW 4.0 5.2 6.3 6.0 7.2 8.0 5.5 6.0 7.0 6.3 7.6 8.2 最大负荷转矩N·m 245 295 322 255 287 300 300 331 385 366 396 438 失速转矩N·m 270 320 350 275 308 320 340 369 413 357 390 450 起动转矩N·m 260 310 340 265 300 310 330 359 403 347 380 440耗气量m³/min5.06.07.0 5.0 5.5 6.78.09.0 10.0 8.0 9.0 10.0表2 带冲洗水功能的钻机基本性能参数空载转速 r/min 340 400 420 340 400 420 340 400 420 340 400 420 1/2空载转速 r/min 170 200 210 1702002101702002101702002101/2空载转速下转矩N·m 140 150 165 175 200 215 210 232 269 238 262299噪声声压级dB(A )106108110110 120 125 110 110声功率级 dB(A) 116 118 120 120122124120120 导轨长度 mm 1980±20 2240±20 2040±20 2020±20 导轨推进行程 mm 1300±20 1370±20 1290±20 1290±20 最大工作高度 mm 1500±20 1500±20 2020±20 1280±20 最小工作高度mm 500±20 500±20 800±20 870±20 主机重 ㎏ 62 60 48 48 架柱机重 ㎏ 130 130 230 230 推进力 kN 15 15 15 15 外形尺寸mm1990×550×2450(允差±20)1990×550×2450(允差±20)2040×623×3500(允差±20)2040×623×3500(允差±20)基本性能单位 ZQJC-260/5.5SZQJC-300/6.0SZQJC-360/7.1S工作压力 MPa 0.40 0.50 0.63 0.400.500.630.40 0.50 0.63 额定转矩 N·m 238 260 300 265 300 340 300 360 400 额定转速 r/min 181 203 220 181 194 208 160 190 200 最大输出功率 kW 4.5 5.5 6.9 5.0 6.0 7.4 5.0 7.1 8.3 最大负荷转矩 N·m 330 361 416 430 440 460 410 460 570 失速转矩 N·m 357 390 450 450 470 480 430 480 590 起动转矩 N·m 347 380 440 440460470420 470 580 耗气量 m ³/min 8.0 9.0 10.0 8.09.010.08.0 9.0 10.0 空载转速 r/min 340 400 440 340 400 440 340 400 420 1/2空载转速 r/min 170 200 220 170 200 220 170 200 210 1/2空载转速下转矩N·m 238262 299265286 321270330 370噪声声压级dB(A )110110 110声功率级dB(A)120 120120导轨长度mm 2040±20 2040±20 2020±20 导轨推进行程mm 2020±20 2020±20 1620±20 最大工作高度mm 800±20 800±20 1280±20 最小工作高度mm 870±20 870±20 870±20 主机重㎏48 48 130架柱机重㎏230 150 170 推进力kN 15 15 15外形尺寸mm 2040×623×3500(允差±20)2040×623×3500(允差±20)2020×540×2450(允差±20)冲洗水压力MPa 0.6~1.2 0.6~1.2 0.6~1.2。
一、各种钻机的操作方法1、操作前的准备工作:(1)钻机安装应牢固,变速箱及油箱内的油位应合适,安全防护罩及防尘盖必须齐全。
(2)各部分操作手把应处在正确位置。
(3)调试钻机时,要求各转动部分运转应正常,开关启动应灵活可靠。
钻机空载运行10分钟。
确认无问题后,方可接上钻杆、钻头,接通水源,由司机操作开始钻孔。
2、各类钻机的操作方法按各钻机使有说明书执行。
(1)MYZ系列液压钻机的操作方法是:①利用操纵台的操作手把来控制钻杆的旋转和推进。
操作手把由空档位向前推动时,钻头顺时针方向旋转,进行钻孔或安装钻杆,操作手把由空档向后拉时,钻头反时针方向旋转,可拆卸钻杆;②推移给进油缸的操作手把可控制钻头前进或后退,向前推时钻头前移,向后拉时钻头后退;③需快速推进或后退时可操纵快速操作手把,操作方式与给进油缸相同,即推前进拉后退;④利用节流阀控制给进速度。
手柄顺时针方向转动时速度加大,反时针方向转动时速度减小,钻进时可根据岩性随时调节节流阀,加大或减小推进压力.(2)MK系列全液压钻机的操作方法如下:①油马达回转操作手把向前推,回转器正转,手把向后拉,回转器反转,中间位停止;②卡盘、夹持器的操作手把向前推,夹持器松开(卡盘要紧),手把向后拉,卡盘松开(夹持器卡紧),手把在中间位置时,卡盘、夹持器均卡紧。
③给进、起拔操作手把向前推,回转器前进,即给进、手把向后拉,回转器后退,即拔起,手把在中间位置时,回转器浮动,此时可装卸钻杆。
④操纵截止阀手把可接通或关闭夹持器的油路.手把处于水平位置时油路接通,手把处于垂直位置时油路关闭,夹持器处于松开位置;⑤操纵增压调节手轮可调节系统的辅加压力。
顺时针旋转手轮时,系统压力提高。
⑥操纵给进压力调节手轮可改变给进压力。
顺时针方向旋转时,给进压力增加,反时针方向旋转时,给进压力减小。
二、钻孔1、钻孔时要严格按照测量人员标定的孔位及施工措施中规定的方位、角度、孔深等进行施工,不经测量人员同意不得擅自改动。
ZQJC-150/2.8型气动架柱式钻机使用说明书执行标准:MT/T994-2006Q/01SNT 009-2009石家庄赛恩特煤矿机械制造有限公司2009.9目录一. 概述 (1)二. 型号说明 (1)三. 主要技术参数 (1)四. 工作原理 (2)五. 结构简介 (2)六. 安全警示 (2)七. 操作指导 (4)八. 保养和维修 (4)九. 故障及排除方法 (5)十. 安标受控件明细表 (5)十一. 随机备件及随机工具 (6)售后服务单 (7)维修记录单 (8)附图一、概述煤巷锚杆支护在改善支护效果、降低支护成本、加快成巷速度、减少辅助运输量、减轻劳动强度、提高巷道断面利用率等方面有着十分突出的优越性,因而受到世界各主要产煤国的普遍重视并竞相采用,代表国家煤巷支护技术的重要的发展方向。
在我国煤巷锚杆支护技术作为煤炭工业局“九五”重点攻关项目之一,其发展和推广应用速度越来越快。
ZQJC-150/2.8气动架柱式钻机是靠架柱克服钻机的重量和工作当中产生的反扭矩。
该钻机为便携式,它具有安全防爆、转矩大、转速高、质量小、体积小、效率高、结构简单、维修方便等特点。
因此本钻机工作效率高、支护质量好、工人操作劳动强度低、进尺费用少,所以它是煤矿行业必备设备之一。
该机主要用在探测地质构造煤层、探放水、瓦斯、煤层注水、卸放压力孔,巷道帮锚杆孔的钻孔及锚杆的搅拌和螺母的安装。
也可用于岩巷树脂锚杆的搅拌及螺母的安装。
二、型号说明Z Q J C — 150/2.8额定转矩(N·m)/最大输出功率(kW)齿条推进架柱式气动矿用钻机例:ZQJC-150/2.8示为额定输出转矩为150 N·m,最大输出功率为2.8kW的气动架柱式钻机。
三、主要技术参数表1 钻机基本性能参数序基本性能参数 单位 ZQJC-150/2.8气动架柱式钻机 号1 工作气压 MPa 0.40 0.50 0.632 额定转矩 N·m 140 150 1603 额定转速 r/min 150 180 1904 最大输出功率 kW 2.1 2.8 3.15 最大负荷转矩 N·m 200 250 2706 动力失速转矩 N·m 210 260 2807 起动转矩 N·m 205 255 2758 负荷耗气量 m3/min 4.7 5.5 6.29 空载转速 r/min 430 450 46010 1/2空载转速 r/min 215 225 230续表1序基本性能参数 单位 ZQJC-150/2.8气动架柱式钻机 号11 1/2空载转速时的转矩N·m 100 120 130声压级 dB(A) 110 110 11012 噪声声功率级 dB(A) 120 120 12013 钻尾尺寸 mm 18×1814 推进力 kN 515 导轨长度 mm 220016 导轨推进行程 mm 130017 空载推进速度 mm/min 600018 最大工作高度 mm 150019 最小工作高度 mm 50020 支腿最小高度 mm180021 支腿最大高度 mm310022 主机重 kg 4523 支撑机构机重 kg 130四、工作原理ZQJC-150/2.8气动架柱式钻机以压缩空气为动力,通过回转马达换向阀控制回转马达的回转及换向,压缩空气驱动齿轮马达旋转,经两级减速后驱动主轴旋转,进而带动钻具工作;通过支撑气缸换向阀控制气缸的顶紧及松开;通过进给马达换向阀控制钻机的前进及后退。
气动钻杆卡瓦使用说明书执行S Y—新钻井卡瓦标准HEN system office room 【HEN16H-HENS2AHENS8Q8-HENH1688】气动钻杆卡瓦使用说明书执行SY5049—91钻井卡瓦标准中原锐实达石油设备有限公司二零零四年八月一、用途及特点QW5-225气动钻杆卡瓦是用于石油钻井钻柱起下钻作业的一种井口机械化工具,适用于ZP520、ZP205、ZP175、ZP275、ZP375等类型的转盘使用。
该卡瓦具有以下特点:1、卡瓦设计新颖,结构合理,安装方便,操作简单,性能可靠;2、卡瓦技术指标符合SY5049—91钻井卡瓦标准要求;3、气动升降,自动化程度高;4、卡瓦有效卡紧长度达420mm,与钻杆接触面积大,最大承载能力达2250KN,可满足6000m井深钻柱起下钻使用要求。
5、卡瓦体工作升降高度(指超出转盘面高度)小于250mm,不影响井口的任何常规作业。
仅是国内外动力钻杆卡瓦卡瓦体工作升降高度1/2—1/3。
该卡瓦的投入使用,可减轻工人劳动强度,提高起下钻速度、减少安全事故的发生等。
二、结构及原理1、结构QW-5气动钻杆卡瓦是以气缸为动力一种钻杆卡瓦。
这种卡瓦主要是由气控元件、气缸、阶梯卡瓦座、卡瓦体、导气转销、导向杆、悬挂盘、连杆等组成。
由两半组成的阶梯卡瓦座一端为导气转销,一端为弹性碰撞销,导气转销一是起到卡瓦座开合的铰接作用,同时连接内置于阶梯式卡瓦座的两气缸集成气路系统,实现双气缸单气路连接。
两半圆悬挂盘通过凹凸同步槽组成一圆形整体,并通过连杆带动四片卡瓦体同步运动卡紧和松开钻杆。
2、工作原理QW5-225气动钻杆卡瓦安装在转盘大方瓦孔内取代转盘大方瓦,由悬挂盘通过连杆连接卡瓦体,气缸和导向杆与悬挂盘固定连接。
工作时,卡瓦体沿阶梯卡瓦座锥面下行,推动钻杆向中心收拢,卡紧钻杆。
反之,卡瓦体沿阶梯卡瓦座锥面上行时向外张开,松开钻杆,同时让出通道,以便钻杆从卡瓦中心自由通过。
气动架柱式钻机说明书气动架柱式钻机说明书一、产品概述气动架柱式钻机是一种高效、精密、多功能的机械设备,采用气动动力驱动,方便灵活,适用于各种轻工业和装配车间的机械制造和加工工作。
二、产品特点1.采用气动动力,安全可靠;2.操作简单,方便灵活;3.钻孔精度高,加工效率高;4.可用于多种材料的钻孔加工,如金属、塑料、陶瓷等;5.升降调节方便,适应不同高度操作;6.配有多种钻头,可根据不同钻孔需求自由选配。
三、产品使用方法1.在使用前,应检查设备是否正常运转,气动管路、接头、油水分离器等是否完好,并进行润滑;2.选择适合钻孔材料的钻头,并将其安装在主轴上;3.将待加工的材料固定在工作台上,并根据需要进行工件固定;4.通过气动阀门控制气压和气量,调节升降平台高度,并转动主轴开关,开始钻孔操作;5.完成操作后,关闭气阀,停止供气,清理工作现场及设备,并加以保养。
四、技术参数型号:XXX空载转速:XXX rpm钻孔直径范围:XXX mm最大行程:XXX mm主轴行程:XXX mm气源压力范围:XXX kg/cm2气源需求量:XXX L/min机器尺寸:XXX mm×XXX mm×XXX mm净重:XXX kg五、注意事项1.在操作过程中,应戴好安全装备,避免发生危险;2.请勿将手指伸进运动部件内;3.钻头与工件接触时,应逐渐加压,避免切削过深而导致卡刀等安全事故;4.在清洁和保养设备时,请勿拆卸关键部件,以免影响设备性能;5.在设备长时间停用时,应及时进行保养,防止其裂痕、卡死等故障。
以上是气动架柱式钻机的详细使用说明,如有任何疑问,请随时咨询我们的客户服务。
ZQJC-2100/17.5S型气动架柱式钻机使用说明书目录前言 (1)一、产品概述 (2)二、主要技术参数 (2)三、主要结构和工作原理 (3)四、安装操作 (3)五、钻机的维护与保养 (4)六、常见故障原因及处理方法 (4)七、安全注意事项 (5)八、易损件明细表 (6)九、随机工具/备件明细表 (8)十、安标受控零部件明细表 (8)十一、附图 (9)维修记录单 (21)前言ZQJC-2100/17.5S型架柱式气动钻机是我公司研制的气动系列钻机中的一款,是结合矿山巷道洞室通道条件和总结国内外同类型钻机优点的基础上设计的。
具有结构合理,适应性强,操作安全可靠,搬运方便等特点,是目前我国煤矿井下钻探作业的一种新型高效装备。
钻机采用气动型式,因此对使用和维修提出了更高的要求。
为了使钻机的优点得到充分发挥,本说明对钻机的结构特点、使用方法和维修要求做了详细介绍,望用户在使用之前认真阅读,在使用中严格执行有关规定,确保设备正常运行。
诚恳希望用户在使用过程中,将发现的问题及建议告诉我们,以便改进,更好的为用户服务。
安全警示:1、本机以压缩空气为动力,使用时,工作压力不得超过0.63MPa;停机时应可靠的关闭气阀门。
2、本机连接的软管应符合煤炭行业标准的规定,应使用具有矿用产品安全标志准用证的软管。
软管与本机的连接应牢固、可靠,严防接头突然松脱或软管突然爆裂而造成人员伤亡事故。
3、钻机的噪声声压级可能超过90Db(A),使用本钻机时,应做好听觉防护和控制开机作业时间。
4、本机在钻进作业时,要随时注意观测顶板及围岩状况,防止顶板突然局部脱落或碎石下落等砸伤操作人员。
5、本机回转转矩较大,反力矩需要由架柱承载,操作人员应使架柱固定牢靠,防止钻机转矩突然增大时发生架柱构件“击人”等意外人身事故。
本机在钻孔过程中,严禁手扶钻杆,防止钻杆划伤手臂等意外事故。
6、使用本机钻孔过程中,注意推进力适当,严禁使钻杆在弯曲状态下工作,防止钻杆突然断裂或更换钻杆不当造成钻杆从钻孔中脱出而砸伤操作人员。
ZQJC- 2100/17.5S 型气动架柱式钻机使用说明书目录前言 (1)一、产品概述 (2)二、主要技术参数 (2)三、主要结构和工作原理 (3)四、安装操作 (3)五、钻机的维护与保养 (4)六、常见故障原因及处理方法 (4)七、安全注意事项 (5)八、易损件明细表 (6)九、随机工具/备件明细表 (8)十、安标受控零部件明细表 (8)十一、附图 (9)维修记录单 (21)前言ZQJC-2100/17.5S 型架柱式气动钻机是我公司研制的气动系列钻机中的一款,是结合矿山巷道洞室通道条件和总结国内外同类型钻机优点的基础上设计的。
具有结构合理,适应性强,操作安全可靠,搬运方便等特点,是目前我国煤矿井下钻探作业的一种新型高效装备。
钻机采用气动型式,因此对使用和维修提出了更高的要求。
为了使钻机的优点得到充分发挥,本说明对钻机的结构特点、使用方法和维修要求做了详细介绍,望用户在使用之前认真阅读,在使用中严格执行有关规定,确保设备正常运行。
诚恳希望用户在使用过程中,将发现的问题及建议告诉我们,以便改进,更好的为用户服务。
安全警示:1、本机以压缩空气为动力,使用时,工作压力不得超过0.63MPa;停机时应可靠的关闭气阀门。
2、本机连接的软管应符合煤炭行业标准的规定,应使用具有矿用产品安全标志准用证的软管。
软管与本机的连接应牢固、可靠,严防接头突然松脱或软管突然爆裂而造成人员伤亡事故。
3、钻机的噪声声压级可能超过90Db(A),使用本钻机时,应做好听觉防护和控制开机作业时间。
4、本机在钻进作业时,要随时注意观测顶板及围岩状况,防止顶板突然局部脱落或碎石下落等砸伤操作人员。
5、本机回转转矩较大,反力矩需要由架柱承载,操作人员应使架柱固定牢靠,防止钻机转矩突然增大时发生架柱构件“击人”等意外人身事故。
本机在钻孔过程中,严禁手扶钻杆,防止钻杆划伤手臂等意外事故。
6、使用本机钻孔过程中,注意推进力适当,严禁使钻杆在弯曲状态下工作,防止钻杆突然断裂或更换钻杆不当造成钻杆从钻孔中脱出而砸伤操作人员。
7、调整本机工作位置时,应缓慢开启、关闭、调整气动阀门,严禁突然启动,防止对操作人员造成伤害。
8、在两人以上操作或移动本机时,要注意互相协调,严防操作不当造成人员伤害。
9、湿式排粉用水的工作压力不得超过1.2MPa。
一.概述ZQJC-2100/17.5S 型气动架柱式钻机是动力头式钻机,主要使用高效螺旋钻杆和硬质合金钻头回转钻进,以压缩空气为动力,给进、回转采用独立马达带动,转速高,扭矩大,重量轻、结构简单、维修方便等特点。
广泛用于煤矿煤层探水、探排瓦斯孔的施工。
型号说明: ZQ J C - 2100/ 17.5 S带水洗功能(N ·m )/最大输出功率(KW )号:架柱式补充代号:额定转矩第三特征代号:齿条推进第二特征代第一特征代号:气动产品类型代号:矿用钻机例:ZQJC-2100/17.5S 示为额定输出转矩为 2100N.m,最大输出功率为 17.5KW 气动架柱式钻机。
二.主要技术参数主要技术参数见表 1三、结构简述该系列钻机采用分组式布局,主要由回转动力装置、导轨、双立柱和操作台组成。
回转动力装置通过滑板固定在导轨上,导轨通过压紧螺母固定在双立柱上,工作中产生的反扭矩靠架柱来支撑,大大提高了整机的稳定性及钻进效率。
1、回转动力装置本系列钻机动力源是压缩空气,回转动力装置由回转马达、齿轮箱、行走马达、行走减速箱和换向阀组成。
回转马达由一对大齿轮构成齿轮马达,适合气压 0.4- 0.63MPa,额定输出功率为 17.5Kw。
马达有进气口和排气口,通过控制换向阀手柄可以实现马达的正转和反转,齿轮箱是马达的变速和动力输出装置,通过齿轮的二级变速得到合适的转速,输出轴得到适合的扭矩。
行走机构动力源也是压缩空气,通过控制换向阀的换向手柄来控制回转动力装置的前进和后退,它由行走马达和行走减速箱组成。
行走马达由一对小齿轮组成,可以正反转。
行走减速箱把马达的动力通过一对涡轮蜗杆换向减速后,变为齿轮输出轴和导轨齿条的啮合,从而形成钻机的前进和后退。
2、立柱该系列钻机采用双立柱结构,立柱是钻机工作中的承载部件,主要有液压单体支柱、顶紧立柱和锁紧套等组成,立柱通过单体液压支柱与巷道底板和顶板之间撑紧固定,改变锁紧套的高度可以灵活调整钻机工作的高度和角度。
3、导轨总成导轨总成整体采用焊接结构,主要由轨道、滑板和托钎器等组成,该结构简单牢固。
导轨上安装动力回转装置,同时承受着行走机构的进给力和回转装置的扭矩,是钻机中连接回转器和立柱的重要部件。
四、安全操作指导为了充分发挥该系列钻机的优越性能及保障作业安全。
请操作者遵守以下规程:1、安全操作规程(1)操作前所有操作开关均处于“关闭”位置。
(2)所有管路确保清洁。
(3)按标志牌所示连接管路。
(4)严禁在钻机下垫软的物质及木料等。
(5)严禁用手触摸旋转的钻杆。
(6)推进速度和推进力要适度,防止卡钻,损坏钻杆、钻头。
(7)当钻机突然卡钻时,将产生较大的反力矩,操作者应小心操作,防止扭伤。
(8)注油器中加足够的润滑油,无油珠喷出时,不准开钻。
(9)减速箱内每月加适量的黄油,减速箱体温度工作时不可超过65℃。
(10)操作者与钻机要保持适当的安全距离,以防钻杆折断时发生意外。
(11)钻孔结束后,用水将钻机冲洗擦拭干净并远离工作面妥善防止,放置位置要正确,防止磕碰。
(12)使用气体不得超过 0.63MPa。
2、使用前的准备(1)使用前有关人员要认真学习《ZQJC 系列气动架柱式钻机使用说明书》,掌握钻机的性能、结构及操作方法。
(2)下井之前在地面进行试运转,程序如下:接好气管,注油器内加注20- 30#机油,手握进气手把,使马达运转两分钟,排气口有废气及油珠排出。
以上动作正常方可下井作业。
(3)建立钻机操作责任制,由专人操作。
3、钻孔作业(1)每班开机前一定要检查注油器中的油量。
若发现油量不足时应及时加油。
(2)连接钻机气源。
(3)检查供气系统。
(4)确定气控制开关处于“关闭”位置。
(5)检查钻头是否锋利,钻杆是否弯曲。
(6)检查架柱是否稳定可靠。
(7)检查手把是否灵活、可靠。
(8)检查正常后将钻杆插入主轴中。
(9)扳动旋转手把,钻杆顺时针旋转。
(10)扳动进给手把,主机开始进给,开始钻孔。
五、安全警示5.1 本钻机以压缩空气为动力,使用时,工作气压不得大于 0.63Mpa;停机时应可靠的关闭进气阀门,防止回转机构自动开启,尤其应严防气动推进机构自动伸展而造成人员伤亡事故。
5.2 本机连接的压缩空气软管应符合煤炭行业标准的规定,与本机的连接应牢固、可靠,严防接头突然松脱或软管突然爆裂造成人员伤亡事故,5.3 气动钻机的噪声声压级超过90dB(A),应重视噪声对人体的危害,尽量选择噪声相对较低的产品。
为符合《煤炭安全规程》中噪声防护的规定,使用气动钻机时,应严格控制工作面内的同时工作台数与开机作业时间;必要时,可对气动钻机作业人员采取个体噪声防护措施。
5.4 本机在钻孔时,要随时注意观察顶板状况,防止顶板突然局部冒落或碎石下落等砸伤操作人员;还应注意两帮围岩状况,防止顶板突然局部冒落或碎石下落等砸伤操作人员。
5.5 本机回转力矩较大,反力矩需要由架柱承担,操作人员应使架柱紧固地支撑在支撑点上,并在工作中集中精力,防止因钻机转距突然增大时,发生架柱机构“击人“等意外人身事故。
本机钻孔过程中,严禁手扶钻杆,应时刻防止钻杆卷伤手臂的意外事故。
5.6 使用本机钻孔过程中,要注意推进力适当,严禁使钻杆在弯曲状态下工作,防止钻杆突然断裂或更换钻杆操作不当,造成钻杆从钻孔中脱出而砸伤操作人员的事故。
5.7 本机的液压胶管为二层钢丝编织液压支架胶管,材料安全性能应符合煤炭行业标准的规定,并有法定检验机构的合格检验证明,不得随意更换、使用其他企业的配套件。
5.8 调整本机工作位置时,应缓慢开启、关闭、调整气动的阀门,严禁突然起落气动构件,防止气动构件突然上升时刮伤操作人员、突然下落时砸伤或夹伤操作人员。
5.9 在 2 人以上操作或移动本机时,要注意相互协调,严防操作不当造成人员伤害。
5.10 为个人安全考虑,操作人员应束紧长发,衣服应紧身,不佩带指环等饰物,以免缠上移动机件造成损伤。
未经允许的人员不应在钻机的危险操作区内停留。
操作时,钻机和钻具所能触及的范围,即为危险操作区。
5.11 明细表中的零部件,用户不得随意更换厂家。
六、保养和维修正确的保养和维修对保持钻机的技术性能、使用寿命以及可靠性等是非常重要的,请仔细完整的阅读本手册。
1 保养日常保养在每天班前、班后进行,主要内容如下:(1)检查所有紧固件是否松动。
(2)检查主轴是否转动灵活。
(3)检查所有控制开关是否正常、扳动灵活。
(4)检查注油器是否正常,油量是否正常,油质是否合格。
(5)使用完毕要及时清洗除去污物、擦拭干净。
(6)对生锈处除去锈斑,涂防锈剂。
(7)气路内在管接头处有过滤网,不能随意拆掉,还要定时清洗。
(8)钻机外壳是铝合金制成,严禁摔、砸、压。
(9)定期解体清洗,清洗马达壳内全部零件并加润滑油。
对于磨损严重的零件要给予更换。
两个手把一般不需拆下,但气管接头可拆下以便清洗过滤网。
2 维修当钻机转矩或者转速明显下降时,要对钻机进行维修。
可按下列顺序进行。
(1)将钻机的回转器拆下,将外表面煤质污物清洗掉。
(2)拆下螺钉,然后用木锤将齿轮箱轻轻敲下,再取下主轴的压盖,将二级被动齿轮取下。
把主轴取出,将轴承取出。
(3)用细棒将马达齿轮打出,取出轴承。
(4)对于全部各件该换新件的要更换新件,该修的件也要修复好。
全部零件清洗好,齿轮和轴承涂润滑脂后再将各件装好。
七、故障和排除方法八、随机工具明细表九、随机备件明细表十、主要零(元)部件及重要原材料明细表总图序 号 代 号名 称 数 量备 注1 ZQJC2100--01-00 回转动力总成 12 ZQJC2100--02-00 导轨总成 13 ZQJC2100--03-00 立柱总成 24 ZQJC2100-02-07 主机铭牌 15 ZQJC2100-02-22 安全铭牌 16 ZQJC2100--04-00操作台 17 RB2-51 二层钢丝编织液压支架胶管 若干钢丝+橡胶8ZQJC2100--06-00注油器 13125 4678主机总成序号代号名称数量备注1 ZQJC2100--01-01-01 回转马达总成 12 ZQJC2100--01-01-02 齿轮箱总成 13 ZQJC2100--01-01-03 进气总成 14 ZQJC2100--01-01-05 行走减速箱总成 15 ZQJC2100--01-01-04 行走马达总成 1回转动力总成序号零件编号零件名称数量备注1 ZQJC2100-01-01-01 马达壳体 12 ZQJC2100-01-01-02 轴承套1 33 ZQJC2100-01-01-03 马达齿轮 24 ZQJC2100-01-01-04 隔套 25 GB/T276-1994 深沟球轴承SKF6205 26 ZQJC2100-01-01-06 挡片 27 ZQJC2100-01-01-11 密封垫 18 ZQJC2100-01-01-08 主动齿轮轴 19 GB/T1096-2003 A 键8X35 210 ZQJC2100-01-01-09 轴承套2 111 GB/T893.1-1986 孔用弹性挡圈52 112 ZQJC2100-01-01-10 副轴 113 GB/T68-2000 沉头螺钉M6*16 414 ZQJC2100-01-01-13 密封垫3 115 ZQJC2100-01-01-14 密封垫4 116 GB/T283-1994 SKFNJ205E 217 ZQJC2100-01-01-05 后盖 418 GB/T68-2000 内六角螺钉M10X20 619 ZQJC2100-01-01-12 消音器 120 GB/T68-2000 内六角螺钉M10X115 4齿轮箱总成。