钢筋砼拱涵施工方案
- 格式:docx
- 大小:28.38 KB
- 文档页数:19
重庆市小塆立交工程项目钢筋混凝土拱涵施工方案施工单位:中国建筑第六工程局有限公司编制:审核:审批:重庆市小塆立交工程项目经理部2011年6月18目录一、工程概况 (1)二、编制依据 (1)三、施工工艺流程及方法 (1)(一)、施工工艺流程 (1)(二)、总体施工方法 (2)(三)、基础、涵台施工 (4)(四)、拱圈施工 (6)(五)、沉降缝处理 (8)(六)、护拱砌筑 (8)(七)、涵侧、涵顶土回填 (8)(八)、八字墙砌筑 (9)四、施工质量标准 (10)(一)、基底施工质量 (10)(二)、模板、支架、拱架的施工质量 (10)(三)、钢筋施工质量 (11)(四)、砼施工质量 (11)五、工期安排 (11)六、施工组织 (12)(一)、人员组织 (12)(二)、机械设备配备 (13)七、质量保证措施 (14)八、安全保证措施 (14)九、环境保护及文明施工 (16)一、工程概况本项目位于重庆西彭工业园区,是连接两条快速道路和重庆绕城高速的复合式互通立交,主要解决“一纵线”快速路、“二纵线”快速路、西干道与绕城高速的交通转换,是重庆市九龙坡区西彭工业园区南面与主城东西主发展轴相交点上的重要立交之一。
AK0+185排水涵采用钢筋混凝土拱涵型式,涵长123.69m,孔径1-2×2m,与道路垂直交叉,涵顶填土高度20.11m。
二、编制依据1、施工合同;2、重庆市小塆立交工程路基部分施工图;3、《砼结构工程施工质量验收规范》(GB50204-2002)4、《公路桥涵施工技术规范》(JTJ041-2000)5、《公路工程质量检验评定标准》(JTG_F80-2004);三、施工工艺流程及方法(一)、施工工艺流程现浇拱涵施工工艺流程(二)、总体施工方法不满足设计要求1、基坑采用机械明挖,人工清底。
涵洞基础以强风化、中风化砂岩或泥岩为持力层,地基承载力不得低于0.5MPa,如不满足要求,应及时与设计沟通,采取补强措施。
钢筋混凝土拱涵施工方案钢筋混凝土拱涵施工方案是在桥梁建设中常见的一种施工方案,该方案综合考虑了结构设计、施工工艺、材料选用等多个方面的因素,以确保工程质量和进度。
下面将介绍钢筋混凝土拱涵施工方案的具体内容。
1. 施工准备阶段在进行钢筋混凝土拱涵施工前,需要进行充分的施工准备工作。
这包括但不限于:•组织力量:确定施工队伍组成及分工,明确各岗位职责。
•设备准备:准备所需施工机械设备和工具,确保设备完好。
•材料采购:根据设计要求采购优质的混凝土、钢筋等材料。
•场地布置:对施工现场进行勘察,确保场地平整、通风、排水畅通。
2. 施工工艺流程2.1 模板搭设首先需搭设适当的模板,根据设计要求确定拱涵的净空尺寸和形状,并按比例搭设模板,以确保混凝土浇筑后的准确性和结构强度。
2.2 钢筋绑扎在模板搭设完成后,按照设计要求进行钢筋的预埋和绑扎工作。
钢筋的数量、规格和间距应符合设计要求,以确保拱涵的承载能力和稳定性。
2.3 混凝土浇筑在钢筋绑扎完成后,进行混凝土的浇筑工作。
在浇筑过程中应控制浇筑速度和施工工艺,以确保混凝土的均匀性和密实性。
2.4 拱涵养护混凝土浇筑完成后,需要进行适当的养护工作,以确保混凝土的强度和耐久性。
养护期间应注意控制温度、湿度等因素,确保混凝土的正常固化。
3. 施工质量控制在整个施工过程中,需要严格控制施工质量,确保拱涵的结构安全可靠。
这包括但不限于:•施工过程监控:定期检查施工质量和进度,及时发现和处理问题。
•材料质量控制:对采购的混凝土、钢筋等材料进行检测和验收。
•施工记录保存:及时记录施工过程中的关键环节和数据,作为质量检验的依据。
4. 施工安全管理安全是施工工程中最重要的问题之一,钢筋混凝土拱涵施工中也不例外。
为了确保施工安全,需要做好以下几点:•安全教育:对施工人员进行安全教育和培训,增强安全意识。
•安全设施:设置必要的安全设施和警示标志,确保施工现场安全有序。
•应急预案:制定施工现场应急预案,应对突发情况和事故。
广源高速公路路基、桥隧工程K62+965钢筋混凝土拱涵分项工程开工报告济南金曰公路工程有限公司广源高速公路路基、桥隧工程第十合同段项目部二O一一年月日施工组织计划一、工程概况K62+965钢筋混凝土拱涵,结构形式1-2m×2.0m,涵长82.26m,右前夹角90度,上下游进出口采用八字墙,洞顶填土高度13.5m。
其主要工程量有:C25混凝土基础817.70m3,C25片石混凝土台身661.40 m3,M7.5浆砌片石护拱143.10m3,拱脚C30混凝土49.40 m3,一级钢筋3277.1Kg,二级钢筋4935.3Kg,拱圈混凝土124.20 m3,帽石C25混凝土0.60 m3,涵底铺砌及洞口铺砌M7.5浆砌片石87.3 m3,八字墙基础M7.5浆砌片石22.6m3,八字墙墙身M7.5浆砌块石59.30m3,隔水墙M7.5浆砌片石8.8 m3,侧墙M7.5浆砌片石3.4 m3,沥青麻絮沉降缝339 m2,沥青油毡防水层916.4 m2,台背回填砂砾6180 m3,基础挖土方9400m3。
二、材料进场情况已进场水泥:30T,砂:60 m3,碎石:100m3,片石:50 m3。
其余材料根据施工需要随时进场。
三、主要人员及机械安排1、主要人员安排技术负责人:孙进伟技术员:周慧军施工员:晋乃祥安全员:晋乃祥2、主要机械安排(具体详见附表—进场设备报验单)四、工期安排计划于2011年月日开工,计划于2011年月日完工。
五、材料质量及要求1、水泥:对于每批进场水泥(不超过100T)必须取样试验,试验合格并经监理工程师认可后方可使用,水泥在运输和储存时,要防止受潮和过期。
2、细骨料:采用级配良好、质地坚硬、颗粒洁净的天然河砂,不同来源的砂分别设立标志牌储存。
同一批料源(每批不超过200m3)试验合格并经监理工程师认可后方可使用。
3、粗骨料:采用坚硬、表面洁净,针片状颗粒及泥土杂物含量不得超过规定要求,其粒径不得大于钢筋最小净距的1/4,同时不大于40mm。
钢筋混凝土拱涵施工方案及工艺方法本工程设设置1-2*2钢筋混凝土拱涵,涵长共计260m。
1、施工工艺流程测量放样→基础开挖→基础施工→墙身施工→拱圈支架搭设→拱圈施工→拱上端墙施工→拱顶填土。
2、施工方法(1)、测量放样熟悉好设计图纸,领会设计意图,并实地察看、核对,若现场实际情况存在与设计不符之处,则报请监理工程师进行现场处理。
若无问题则按照设计图纸,采用全站仪放出轴线(纵向轴线和横向轴线),轴线桩放到控制面以外,并用水泥砂浆保护好;根据规范要求,结合实际情况,放出拱涵基坑开挖线及洞口八字墙基坑开挖线。
同时在开挖处附近选择适合的地方,加设一个临时水准点。
(2)基坑开挖1)、基坑应满足施工要求,当基坑为渗水的土质基底,坑底尺寸应根据排水需要和基础模板设计所需基坑大小而定。
基底应比基础的平面尺寸增宽0.5~1.0m。
基坑坑壁坡度应按地质条件、基坑深度、施工方法等情况确定。
2)、施工前通过全站仪精确测定基础的轴线、边线位置及基底高程应检查无误后方可施工。
施工中准备分段浇筑平行作业的方法,基坑顶面设置截水沟等防止地面水流入基坑的措施。
地质较稳定的涵洞基坑开挖采用放坡明挖施工,以机械为主,人工为辅;基坑边坡不稳定行支护开挖。
有水的基坑在开挖过程中不应中途停止抽水,抽水能力应为渗水量的1.5~2倍。
基坑排水时要采用以胶管或水槽远引措施防止水流渗回基坑。
3)、为了不破坏基坑底土质和避免超挖,对土质基坑,当机械挖到距基底20cm时,采用人工清底到设计标高;石质基坑采用松动爆破施工时应在基底面以上保留不少于20cm厚度的岩层改由风动工具凿除,以保证基底土的结构不被破坏。
开挖基坑的同时注意,安全标志及标牌的到位,基坑开挖线外1米用进警示线围防,以防有人或动物不慎从边坡落入基坑受伤,并清除边坑周围的松土、浮石等,避免施工中砸伤人。
挖基弃方应运输至指定地点处理,不得堆放在基坑周边,避免造成基坑塌方。
4)、基坑开挖至设计基底标高后,设计对基底有处理措施时应及时按设计要求予以实施,设计无处理措施时应仔细核对基底土质情况是否与设计相符,检测基底承载力是否达到设计要求,发现基底承载力达不到设计要求时应及时通知监理工程师,并按监理工程师批复方案处理。
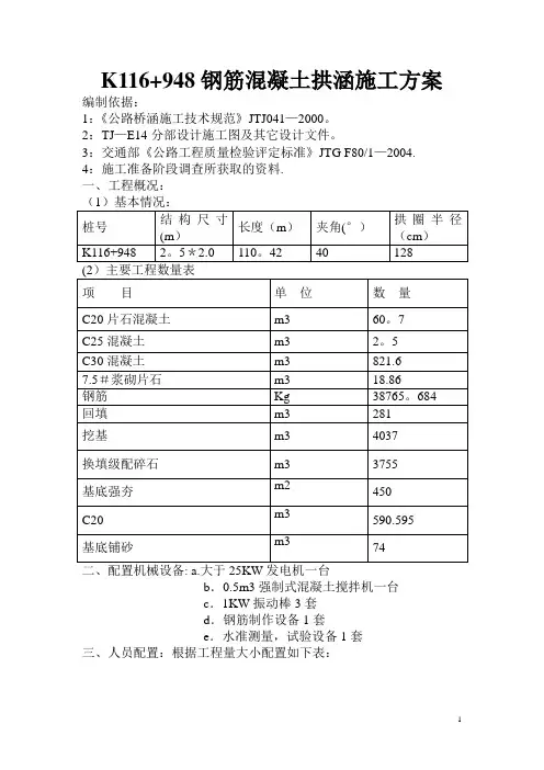
K116+948钢筋混凝土拱涵施工方案编制依据:1:《公路桥涵施工技术规范》JTJ041—2000。
2:TJ—E14分部设计施工图及其它设计文件。
3:交通部《公路工程质量检验评定标准》JTG F80/1—2004. 4:施工准备阶段调查所获取的资料.一、工程概况:b.0.5m3强制式混凝土搅拌机一台c.1KW振动棒3套d.钢筋制作设备1套e.水准测量,试验设备1套三、人员配置:根据工程量大小配置如下表:(1).三场一房:钢筋制作场,原料堆放场,混凝土拌和场。
水泥房。
(2).要求:原料堆放场场地硬化3cm厚混凝土,尺寸以所备料多少定,钢筋及水泥放置在离地面30cm架子上,钢筋用防水布覆盖.五、施工方法:拱涵施工顺序(1)测量放样,定出涵洞位置;(2)开挖基础进行基础处理;(3)基础施工;(4)台身施工;(5)搭设支架及拱架,进行支架承载力测试,浇筑拱脚砼;(6)拱圈混凝土施工;(7)砌筑侧墙、护拱;(8)台背回填;(9)洞口施工.1)。
放线定桩:由一工区测量队放线定出基坑线,根据设计开挖深度放坡至基坑开挖线,用挖掘机开挖基坑,人工配合进行局部的平整。
2)。
基底处理:本涵采用整体式基础,地基承载力为300 Kpa,本涵部分应力不足,设计时暂按级配碎石换填处理,换填范围如施工图,级配碎石经过压实测定满足要求后方可在其上施工,在施工开挖过程中,根据现场实际地质情况确定换填范围或确认涵洞是否可以适当移位至地质较好的位置。
3).基础混凝土施工:涵洞基础为一层钢筋混凝土,基础两边以钢模支撑,接缝处采用密封胶条,防止漏浆,按间隔式浇注,根据设计一个浇注段5m。
相邻浇注段间以1。
0m间隔钢管交叉横向支撑,下一个浇注单元沉降缝间用2cm泡磨板相隔。
4)台身施工:涵基础混凝土强度达到设计强度的70%以上之后,进行台身混凝土的模板安装。
模板统一采用尺寸为60*120cm系列组合钢模板.钢模板在使用前应将模板表面清理干净,除锈并刷脱模剂。
广源高速公路路基、桥隧工程K62+965钢筋混凝土拱涵分项工程开工报告济南金曰公路工程有限公司广源高速公路路基、桥隧工程第十合同段项目部二O一一年月日施工组织计划一、工程概况K62+965钢筋混凝土拱涵,结构形式1—2m×2。
0m,涵长82.26m,右前夹角90度,上下游进出口采用八字墙,洞顶填土高度13。
5m。
其主要工程量有:C25混凝土基础817.70m3,C25片石混凝土台身661.40 m3,M7.5浆砌片石护拱143。
10m3,拱脚C30混凝土49.40 m3,一级钢筋3277.1Kg,二级钢筋4935.3Kg,拱圈混凝土124.20 m3,帽石C25混凝土0.60 m3,涵底铺砌及洞口铺砌M7。
5浆砌片石87.3 m3,八字墙基础M7.5浆砌片石22.6m3,八字墙墙身M7.5浆砌块石59.30m3,隔水墙M7。
5浆砌片石8。
8 m3,侧墙M7.5浆砌片石3.4 m3,沥青麻絮沉降缝339 m2,沥青油毡防水层916。
4 m2,台背回填砂砾6180 m3,基础挖土方9400m3。
二、材料进场情况已进场水泥:30T,砂:60 m3,碎石:100m3,片石:50 m3。
其余材料根据施工需要随时进场。
三、主要人员及机械安排1、主要人员安排技术负责人:孙进伟技术员:周慧军施工员: 晋乃祥安全员:晋乃祥2、主要机械安排四、工期安排计划于2011年月日开工,计划于2011年月日完工。
五、材料质量及要求1、水泥:对于每批进场水泥(不超过100T)必须取样试验,试验合格并经监理工程师认可后方可使用,水泥在运输和储存时,要防止受潮和过期。
2、细骨料:采用级配良好、质地坚硬、颗粒洁净的天然河砂,不同来源的砂分别设立标志牌储存.同一批料源(每批不超过200m3)试验合格并经监理工程师认可后方可使用。
3、粗骨料:采用坚硬、表面洁净,针片状颗粒及泥土杂物含量不得超过规定要求,其粒径不得大于钢筋最小净距的1/4,同时不大于40mm。
钢筋砼拱涵、拱通施工方案一、工程概况1、概述本合同段共有钢筋砼拱涵4道、钢筋砼拱通3道;2、主体结构⑴、基础拱涵及拱通均采用C20现浇砼扩大基础;⑵、台身拱涵涵台台身及侧墙均采用C25钢筋砼,拱通台身采用C25砼,侧墙为C20现浇砼重力式侧墙;⑶、上部构造上部结构采用C30砼拱圈;⑷、洞口工程采用八字墙洞口形式;二、施工组织根据工程特点和工期要求,实行项目经理部、施工区、专业施工队三级管理,各施工区所属范围内的通道、涵洞工程由其下属的小构施工队负责完成;施工队行政和技术隶属于各施工区,总体安排和质量监督服从项目部;施工队配置专职队长、技术员、材料员和兼职安全员各一名;各施工队机械设备、工具、机具和专业技术工种配置自成系统,独立施工,但不排除应有的协助和调配;各施工队可同期开工2~3道通道,采用交叉及流水作业,充分利用工序间歇时间,提高机械设备的利用率,缩短工期,加快进度;完成一道工序并达到标准后,再申请下道工序,依次循序推进;三、施工方案1、施工放样⑴、平面测量项目部测量组负责控制测量;当导线点与构造物间能直接通视时,用全站仪根据主导线点数据准确地放出构造物轴线控制桩;当不能通视时,应选择能与构造物通视且便于长久保存处布设支导点,在支导点成果得到监理工程师确认后,轴线控制桩的布设及放样方法同直接通视法;控制桩布置在构造物基坑开挖线外≥5m便于长期保存的地方,并用水泥混凝土加以保护,监理工程师复核签认后,作为细部放样的依据;施工队技术员负责构造物细部测量;根据测量组所交控制点,用经纬仪和钢尺在构造物台身两端沿轴线的法线方向放出细部放样控制桩,用水泥砼加固,以备基坑开挖、砼基础浇注、台身和洞口放样之用;项目部测量组应对每一构造物进行不少于四次控制测量检测,即基础砼施工前、台身砼施工前、砼拱圈浇筑前及洞口施工前,检测施工技术员细部放样精度,确保通道平面位置满足规范要求;⑵、高程测量施工临时水准点由测量组从四等水准点引入,并用水泥混凝土加以保护;临时水准点的闭合差应达到规范要求,进行总平差,并经监理工程师复核签认,作为临时基点高程;2、基坑开挖基坑开挖范围为:底部为基础净尺寸每侧加0.5m工作道和0.3~0.5m的排水沟,上口为底部开挖对应边加H×MH为开挖深度,M为坡率,土边坡采用0.75~1坡率,石方为0.2~0.5坡率;土质基坑用挖掘机配合人工开挖;开挖过程中,须加强排水,不使基坑泡水;开挖至距基底20cm时,由人工清理至设计标高;石质基坑采用松动控制爆破配合开挖,挖至设计标高后,凿出新鲜岩面,用砂浆找平;当基底基岩倾斜度大于150时,应将基底凿成多级台阶,台阶宽度不小于0.3m;开挖的土石方应堆放在基坑开挖线1m以外或运至指定位置;开挖完成后,各项指标符合要求即可进行基础砼施工;如承载力达不到设计要求,应按监理工程师批复方案处理;如基坑开挖过程中发现石芽、溶沟、溶洞等不良地质情况,应采取凿除石芽、清除换填等措施进行处理;3、基础施工⑴、钢筋加工及安装钢材应有出厂质量证明书或试验报告单,每捆盘均应有标示牌,进场钢材应按批号及直径分批验收,并按规定抽样试验,合格后方可入库;不同批次、规格的钢筋应立标签或挂牌分区堆放,场地四周要有排水措施,避免钢筋锈蚀和污染;钢筋在下料加工前,应对施工图中各种规格的钢筋长度和数量进行认真核对,对钢筋进行调直、除锈处理;钢筋在下料切断前,应遵循长短搭配、统筹排料和减少损耗的原则进行配料计算,并预先确定各种形状钢筋下料长度调整值;在成批进行钢筋弯曲操作前,应做各种类型弯曲钢筋段的样板,试弯一根后检查其弯曲形状、尺寸是否与设计要求相符,经过调整后作为标准件再进行批量生产;基础钢筋先在钢筋加工棚下料制作,人工运至现场;在安装、加固完基础模板后,即可在模内安放或绑扎钢筋;钢筋的加工、成型、安装严格遵守规范;钢筋直径不小于20mm 的钢筋按设计要求一律采用钢套筒螺纹连接,其余钢筋连接采用帮条焊或坡口焊连接;Ⅰ级钢筋焊接采用E4303焊条,Ⅱ级钢筋焊接采用E5003焊条,电焊工必须持证上岗;焊接前,钢筋端头应除锈及除污物,端头弯曲须切除,焊接表面应平顺,无裂缝、灰渣,气孔数量及大小应符合规定,无明显烧伤,无弧坑,焊缝尺寸符合规定;为了保证混凝土保护层的厚度满足设计要求,应在钢筋与模板间设置砂浆垫块;垫块应错开设置,不应贯通截面全长;⑵、模板安装及校验基础模板采用大平面钢模,模板使用前用磨光机将模板表面锈迹清除干净;为使砼表面光洁,棱角整齐,在砼浇筑前模板表面应涂刷脱模剂;模板加强肋木用6×8cm或6×10cm两种,竖向中至中距80cm,横向上下端各一根,中间按1米间距加密;斜撑用木料以30~60度倾角支撑,并用缆风对拉;⑶、砼浇筑混凝土采用JS500强制式搅拌机供料,在开盘前,应根据理论配合比和集料含水量计算施工配合比;集料采用称重法,施工中不得随意增减;上料顺序依次是石子、水泥、砂子;拌和时严格控制搅拌时间,保证拌和料混合均匀、颜色一致;施工过程中随时检查和校正混凝土的流动性,严格控制水灰比,不得任意增加用水量;为保证第二盘混凝土的质量,第一盘应拌制同等标号的砂浆;混凝土采用手推车运输,运输道路应平顺,防止混凝土产生离析、泌水和灰浆流失现象;在砼运输过程中造成离析或拌合时间不够的砼熟料不允许入模,应重新拌制后才能使用;砼倾落高度大于2m时应采用溜管、溜槽或串筒输送;摊铺时应注意分散倾倒时滚落于一处的骨料,靠模板边侧不允许有集中大颗粒骨料;基础砼应以沉降缝为准间隔浇筑,保证安放沉降缝材料时,砼有足够的强度;当基底为干燥地基时,应将地基湿润,如果是岩石地基,湿润后再铺一层厚3~5cm的砂浆;混凝土按30cm一层,从一端顺次逐层摊铺,采用插入式振动器振捣;振捣时振捣棒要垂直地插入砼内至前一层50~100mm,以保证新浇混凝土与先浇混凝土结合良好,振捣棒离模板5~10cm,并尽量保持垂直和等间距;混凝土振捣至砼不再下沉、无显着气泡上升、表面出现薄层水泥浆为止,不得漏振和过振,为保证每台基础之间的紧密连结,在下层基顶振捣时,以20cm左右间距,预埋联接钢筋;上层基础浇筑前,应将下层顶面浮浆清除冲洗干净,铺2cm厚砂浆,再行顺序浇筑;混凝土抗压强度达到2.5Mpa时即可拆除模板;混凝土养生采用自然养护方法,一般情况下,普通硅酸盐水泥拌制的砼养护期不小于7d,每天浇水次数,以能使混凝土保持充分潮湿为度;片石砼护拱施工时应注意以下几点:⑴、所用片石的抗压强度应不小于30Mpa,并不得低于混凝土级别,片石厚度不小于150mm;⑵、为保证片石与砼能紧密结合,片石在使用前应清扫、冲洗干净;⑶、片石应均匀放置于刚浇筑的混凝土上,其净距不小于100mm,片石不得接触钢筋或预埋件;⑷、填充片石的数量不宜超过混凝土体积的25%;4、台身施工台身施工时,两幅台身对称装模,流水性浇筑完成;模板加强肋木可根据实际选用木材或金属材料组合,肋木的间距控制在净距60~80CM之间,模板用内木撑、对拉螺杆和加强肋固定;对拉螺杆采用φ14光面钢筋,布设间距应设在横向与纵向肋木的交点处,两端配边长不小于5cm扁铁垫片,模板内配大头端≤3cm的PVC管,以保证砼凝结后能抽出拉杆;模板外侧用斜撑和缆风校正固定;为了避免混凝土浇筑过程中钢模板接缝处漏浆,模板在拼装时采用双面胶式止浆带;混凝土采用JS500强制式搅拌机供料,人力翻斗车运输,运输跑道用脚手架钢管和竹跳板搭设,并与模板有一定间隔,防止模板移位、跑模等;台身按基础沉降缝位置设缝,分段间隔浇筑,预埋板的位置要准确,固定要牢固,确保沉降缝线条顺直;混凝土采用串筒配合入模,φ50mm插入式振捣棒振捣密实,每层混凝土浇筑厚度为30cm,混凝土浇筑完成后进行养护;每次浇混凝土留现场试件2组,养生采用浇水自然养护;钢筋加工和安装工艺见基础施工;5、台帽、洞口工程施工在台身混凝土浇筑至设计标高时,预埋连接钢筋,待台身砼强度达到设计强度的70%即可进行台帽浇筑;台帽两侧底模采用支架支承,支架立柱采用Φ8cm或Φ10cm圆杉木,横向水平托木用10×8cm松方木,立柱间距为70cm,横向托木与立柱用扒钉联接,中间设置三角体对口楔,立柱底端支撑于基础上,立柱间采用横木和剪刀撑连成整体;台帽侧模加强肋采用10×8cm木条,竖向肋木上下端用对拉螺杆连接,侧模下端将底模夹住,侧模顶面加设定位撑杆,浇筑混凝土后取出,砼中不穿螺杆,为防止接缝在振捣时漏浆,每条接缝间粘贴止浆带;八字墙采用大平面钢模,安装时模板一定要支撑牢固,防止浇筑过程中产生移位,影响八字墙外形,混凝土施工具体要求见台身施工;截水墙、洞口铺砌等采用座浆法砌筑,砌体应咬口紧密、错缝、砂浆饱满,不得有通缝、叠砌、贴砌和浮塞;洞口铺砌顶部用M10砂浆抹面,表面应平顺,无阻水现象;6、洞内路面施工洞内混凝土路面采用人工摊铺,振捣棒振捣,最后用镘刀抹平,路面平整度应达到规范要求;7、砼拱圈施工拱模使用定型钢模,拱圈采用满布式支架施工,支架型式为钢管扣件支架;搭设支架前应先夯实基底,并铺筑5cm厚砂浆,使基底有足够的承载力;支架钢管在横向、纵向和竖直方向均按每90cm一道布置,为保证支架整体稳定,纵横方向连接剪刀撑;支架底部与支撑面设锲形木;支架顶部横向布置I12工字钢,工字钢顶部与拱圈底模之间用角钢调整角度,并且工字钢、角钢和拱圈底模之间必须连接牢固;在计算荷载作用下,对模板、拱架结构受力程序分析验算其强度刚度稳定性,验算拱架底部地基承载力,搞好地基排水;由于拱圈及拱架弹性下沉与非弹性下沉等因素影响,拱圈应考虑预拱度的设定,拱顶预拱度以计算为准,其余各点按二次抛物线分配,严格控制各部分标高;支架搭设完成后,根据测量放样安装底模,做好底模沉降观测点;然后采用等同于主拱圈重量的砂包均匀加载预压,并观测沉降量,以验证底模预拱度设置的正确与否,保证拱圈浇注完后顶部标高符合设计要求,并确保了模板、支架在浇筑砼过程中必需的强度、刚度、稳定性;拱座与拱圈的钢筋一起安装、绑扎,砼一起浇筑,先浇拱座后浇拱圈,由于拱圈的跨径小于16m,按拱圈全宽度从两端拱脚向拱顶对称地连续浇筑,并在拱脚混凝土初凝前全部完成,如预计不能在限定时间内完成,则应在拱脚预留一个隔缝并最后浇筑隔缝混凝土;拱圈支架待砼强度达到设计强度的75%以上,方可对称地从拱顶到拱脚卸除;8、沉降缝施工沉降缝的道数、缝宽和位置应符合设计图纸,沉降缝应从基础底至拱顶保证垂直,全高垂直偏差4mm以内;在基础和台身分段浇筑前,在沉降缝设计位置安装端模,内衬2cm厚泡模板,以便形成贯通基础和台身的通缝;在封缝前,剔除缝内部分泡沫板,剔除深度不小于15cm,再用浸透沥青的麻絮填塞紧密;9、台背回填只有在拱圈达到设计强度的80%后才能开始台背两侧对称回填,在回填前对地基进行处理,彻底清除台背回填区的建筑垃圾,检查基础回填质量,如存在问题,应进行处理;台背回填采用强度大于30Mpa、最大粒径不大于10cm且不易风化的碎石填筑;回填时注意与已填路基的衔接,在回填过程中将已填路基分层挖台阶,分层回填夯实,每层填筑厚度一般不超过15cm;回填材料尽量采用压路机进行压实,压实遍数一般不小于10遍,压实机械不能到达的部位,采用冲击夯夯实;碾压完毕后对每层填筑质量实施检测,从构造物基础顶面至下路床顶面的压实度不小于96%,基坑回填压实度不小于94%,透水性材料以干容重或空隙率控制施工质量;10、完工修补拉杆孔的修补用与修补部位砼同级的水泥砂浆掺和其他胶凝材料,向洞内挤压填塞,初凝后进行打磨,干缩引起的缝隙反复补抹,修补后的色调与周围均匀一致、平整;四、质量保证措施1、组织保证措施⑴人员保障成立项目经理部、施工区、专业作业队三级管理机构,在全单位范围内选拔有丰富经验的技术工人参与到本工程施工,保证本工程的施工质量;⑵财务保障健全财务体制,配齐财务人员,完善财务制度,严格控制非生产性开支,全力保障资金用于工程和职工、劳工的工资发放上;⑶物资保障成立设备物资部,依据施工进度计划,保证材料按时到达,经检验合格并办理相关手续后使用,杜绝劣质材料进场;⑷设备保障在全公司范围内抽调精良的设备投入到本工程的施工中来,并储备一定数量的设备配件满足正常保养和维修的需要,以保证本工程保质按期完成;2、工作保证措施⑴质量检测措施成立工程技术部、质量部和中心试验室,建立项目部、施工区、专业施工队三级自检体系,分部分项工程严格自检、互检、交接检制度,配备足够的技术力量和先进的仪器设备,采用新版本技术规范和验收标准与监理工程师一道严把质量监测关;⑵测量根据设计图纸给定的测量基线和坐标,利用全站仪进行定位和施工放样,利用水准仪进行标高控制,坚持测量三级复核制度,不经换手复核的测量结果无效;⑶试验检验水泥:必须有出厂合格证及出厂日期,并进行抽检;进行标准稠度用水量、凝结时间和安定性试验;进行碱骨料反应试验,选择合格且无碱骨料反应的水泥和骨料;砂浆:根据设计标号,用砂筛天平和烘箱测出砂的级配和含水量、干容重来确定砂浆配比,制作试件,利用压力试验机检验其抗压强度;砼:根据设计要求,通过试验确定配合比,利用砼贯入仪根据阻力法测砼凝结时间,现场施工时需实测其坍落度,按规定制作试件,用压力试验机进行强度试验;钢材:按试验规程和合同技术规范要求取样,用洛氏硬度计检测钢材硬度,用万能试验机对钢材做拉伸和冷弯试验;石料:取样做试件,用压力试验机检验其抗压强度;砂、碎石:按规定频率取样,以砂筛和石筛做筛分试验,以确定其级配;用烘干机、天平测其含水量、干容重等;3、技术保障措施⑴优化施工组织设计,做到科学施工;信息反馈及时,适时调整和优化施工计划,确保工序按时或提前完成;⑵编制详细的实施性施工组织设计和各分项工程施工方案,编制施工作业指导书,报监理工程师批准后指导施工;⑶做好图纸会审、工前技术交底、工中检查指导和工后总结评比工作,使每道工序有标准、有验收、有结论;⑷加强工程试验与检验工作,建立台帐和施工记录,优选工程施工配合比,经监理工程师批准后执行;⑸做好施工测量放样工作,坚持换手复测,确保路线及各构件定位准确;⑹实行项目总工程师技术岗位负责制,对技术总负责,行使技术否决权;五、安全保证措施1、一般规定①工序开工前,详细核对设计文件,根据施工地段的地形、地质、水文、气象等资料,制定相应的安全技术措施;做好施工技术交底的安全注意事项;同时,加强与气象、水文等部门的联系,及时掌握气温、雨雪和汛情等预报,做好防范工作;②认真贯彻执行ISO9001:2000质量认证体系中安全控制程序,使安全管理程序化、规范化、制度化;③对项目施工人员进行安全技术教育,熟知和遵守本工种的各项安全技术规程、规范;对于从事电气、起重、建筑登高架设作业、焊接、车辆驾驶、爆破等特殊工种的人员,应经过专业培训,获得合格证书后,方准持证上岗;④操作人员上岗前,必须按规定穿戴防护用品,施工负责人和安全检查员应随时检查劳动防护用品的穿戴情况,不按规定穿戴防护用品的人员不得上岗;⑤建立安全奖惩制度,利用经济杠杆提高全员的安全生产意识,充分调动安全生产积极性;⑥实行事故报告制度,无论何时,一旦发生危害工程安全事故时,应采取应急措施,开展施救,并及时将事故情况报告监理单位和业主;2、施工安全措施⑴明挖基础施工①基础施工首先从计划安排上避开汛期施工;②基础开挖较深时,人工清理基坑浮渣用机械吊斗出土时,司机应集中精力,并安排专人指挥,严禁吊斗下站人;③基坑开挖时或开挖后,基底易积水,基坑底部四周开挖排水沟并设汇水井,经水泵抽出基坑,保持基坑干燥,确保基底承载力;④机具、机料、弃土等应堆放在基坑边坡周边2m以外的安全距离,保证基坑施工人员的安全;⑤基础的模板及支撑应有足够的强度、刚度和稳定性,模板就位后,用撑木等固定其位置,以防倾倒伤人;⑵墩台施工①当起吊机吊重物而司机看不到基坑底部时,设专人指挥,吊具绑扎牢固,重物下不得站人,不得碰撞模板,严禁超载吊装;②墩台施工高度超过2m时,四周设作业平台和护身拦杆,悬挂安全网,作业人员上下墩台设置专门扶梯,禁止沿脚手架攀爬;③在墩台立模过程中,模板组拼后,应支好内模、拉杆和箍筋;起吊时,吊点应正确牢固,拴好内撑,方可暂停作业;④墩台砼灌注时,砼由平台上传递到墩台内,减速漏斗除绑扎牢固外,还应有保险绳;⑤拆除模板前,必须设立安全标志;拆除模板按规定程序进行,先拴牢吊具挂钩,再拆除模板,用人工拉绳拆除模板时,拉绳应有足够的长度,施工人员与模板之间有一定的安全距离;3、石质基坑爆破施工安全措施①开工前,编制完善的实施性施工方案,报当地公安消防部门批准,领取爆破许可证,并报监理工程师批准后方可施工;②施工前,清除表土和强风化岩石,查明爆破区内各种设施及距开挖处的距离,制定防护措施,保证空中缆线和地下设施的安全;③加强工地指挥和组织检查;④爆破施工必须遵循安全操作规程,现场设置专人指挥;起爆网络连接完毕,实施爆破前,发布警戒命令将200m警戒距离内的人员进行疏散,并在主要交通路口安排岗哨及安全标识,以防行人及车辆闯入爆破区域,然后由爆破指挥下达起爆命令;爆破后,对现场进行检查,确认安全后再解除警戒信号,然后及时清理危石;六、环境保护与水土保持措施1、施工准备阶段①施工临时用地规划、布置应充分考虑环境保护的要求,全面规划、合理布局、统筹安排建设用地,堆料场远离饮用水源地、水井、河、渠、池塘等地表水体;混凝土拌和场、预制场、机械加工点尽量远离居民集中点,并采取适当的防范和隔离措施;②加强施工管理,尽最大可能保护红线外施工沿线的地表植被、土地和沿线生态环境;③为避免机械设备碾压农田、破坏林地和地表植被,应对机械、车辆行使车道及范围做标识和划定,禁止车辆随意在划定范围外有地上覆盖物的地面穿行;对已经被车辆碾压破坏的地表应及时植草覆盖,确保场地内无裸露表土;④做好施工便道和施工场地的防护工作,保护自然景观,减少水土流失;新修便道尽量少占耕地、少砍伐树木、少破坏植被,最大限度地减轻对自然景观的破坏;⑤在工地及周边设立爱护野生动物和自然植被的宣传牌,施工工人进场后,立即进行生态保护教育,明确保护责任;严禁施工人员乱砍滥伐、偷伐盗猎、肆意捕食鱼类、鸟类及其它野生动物;2、拱涵、拱通施工阶段①桥涵施工中防止泥土、石块阻塞河流、水渠或灌溉排水系统;确保防洪排涝的安全,尽量减少对农田灌溉和水利设施的干扰;通道出路基后与附近沟道、河流顺连,防止冲刷下游农田、道路等;②跨越农业灌溉渠的桥涵施工时,尽量赶在农灌淡季抓紧施工,如确需在农灌季节施工需以临时过度措施辅助,不能对农业灌溉产生干扰;③及时疏通河道和沟渠,确保汛期及时排洪排涝;规范施工操作,减少对河道、河岸、水体的影响;④及时清除临时工程的堆积物,并将施工中产生的废浆、弃土和废弃物及时运到弃渣场,恢复河道河岸;生活垃圾、施工废料应尽量分类回收,集中堆放和处理;⑤施工机械需严格检查,防止漏油;禁止将污水、垃圾直接抛入水体,应收集后与大桥工地上的污染物一并处理;⑥保证动物通行,原有野生动物通道不得阻隔和破坏,不得在动物通道附近设置噪声大、光照强的施工场地;3、临建设施及其他方面①保护土地资源,工程完工后采取措施恢复临时用地和施工便道;②施工结束后,沿线施工营地、施工便道、拌和站、预制场等临时占地以及弃渣场应复垦或恢复林、草植被;③施工过程中产生的废水和生活污水不得直接排入饮用水源、养殖水体、农田灌溉水体;粪便、污水必须经化粪池收集处理,清液还田,底泥定期抽运;食堂污水应先经过隔油池隔油除渣,然后排入化粪池处理;清洗器具的含油废水应通过沉淀池回收处理;④合理规划施工场地内各种机械设备,尽量采用低噪声设备;加强对机械设备的日常维修和保养,每日检查,每周保养;确保良好的运行状态,维持最低噪声的运行状态;⑤按照“安全、环保、文明、适用”的原则进行施工营地和场地建设,随时保持施工营地和场地整洁、卫生、有序;⑥妥善处理各种固体废弃物,防止污染;废弃的零碎料件、边角料尽量充分利用,水泥袋、包装箱等纸制品全部回收;。
钢筋混凝土拱涵施工方案及工艺方法1.施工准备(1)开展临时交通组织工作,为施工区域划定边界,并设置交通管控措施;(2)清理施工区域,确保没有各种障碍物,保证施工的连续性;(3)准备好施工所需的材料和设备,例如钢筋、混凝土、模板等;2.基础处理(1)根据设计要求,在拱涵两侧先进行基础的挖掘;(2)根据设计要求,进行基础的加固或处理,例如进行灌浆或深层加固;(3)进行基础的浇筑,同时进行检查和测量,确保基础的质量和准确性;3.模板安装(1)根据设计要求和拱涵的几何形状,制作合适尺寸的模板;(2)模板安装之前,先做好基础表面的防水处理;(3)模板安装完毕后,进行调整和检查,确保模板的平整度和准确性;4.钢筋摆放(1)根据设计要求,在模板上放置钢筋,注意钢筋的数量和位置;(2)钢筋的连接采用焊接或绑扎的方式,确保连接牢固和稳定;(3)钢筋摆放完毕后,进行检查和测量,确保钢筋的位置和准确性;5.混凝土浇筑(1)进行混凝土配制,根据设计要求进行选用合适的配合比和原材料;(2)在混凝土浇筑之前需要进行试验和检查,确保混凝土的质量;(3)混凝土浇筑要分层进行,每层高度不宜过高,浇筑完一层后进行加固和检查;(4)混凝土浇筑完毕后,进行养护,确保混凝土的强度和稳定性;6.拆模和后期工作(1)在混凝土达到规定强度后,进行模板的拆除;(2)拆模后进行进行检查和修补,确保拱涵表面的平整度和外观质量;(3)清理施工区域,恢复交通组织,并及时进行相关整改和修复工程。
总结:钢筋混凝土拱涵的施工方案及工艺方法主要包括施工准备、基础处理、模板安装、钢筋摆放、混凝土浇筑、拆模和后期工作等步骤。
在施工过程中,需要按照设计要求进行施工,并进行检查和测量,以确保施工的质量和准确性。
同时,还需注意施工过程中的安全措施和环境保护,确保施工的安全和可持续性。
XXX钢筋混凝土拱涵施工方案施工方案编制人:审查人:审批人:XXX公司有限公司XXX道改建工程项目指挥部目录第一章编制依照 . (1)1.1编制范围 (1)1.2编制依照 (1)第二章工程概略 . (2)2.1工程概括 (2)2.4沿线自然地理条件 (2)2.5天气特点 (2)2.6主要参建单位 (3)第三章施工目标 . (4)3.1管理目标 (4)工期目标 . (4)质量目标 . (4)安全目标 . (4)环保目标 . (4)3.2管理组织机构及岗位职责 (4)4.1现场准备 (6)4.2丈量准备 (6)4.3试验准备 (6)4.4施工机械准备 (6)第五章主要施工技术方案 . (7)5.1拱涵施工工艺流程 (7)5.2施工方法 (8)基础、涵台施工 . (8)拱圈施工 . (9)沉降缝办理 . (11)洞口八字墙、截水墙施工. (11)第六章质量保证举措 (13)第七章安全保证举措 (14)7.1 施工现场安全举措 (14)7.2 施工机械安全控制举措 (14)第八章环保保护举措 (15)第一章编制依照1.1 编制范围XXXXXXX通道 KXXXXXX钢筋混凝土拱涵工程1.2 编制依照1、 XXXXXX道改建工程施工招标文件、设计图纸、补遗文件、地勘资料以及施工现场踏勘资料等所有资料;公司的装备能力、技术素质、资本贮备、劳力资源、物质贮备登综合实力;以及近似工程的施工经验。
2、国家公布的高速公路施工、查收规范详见表1-1 :表 1-1项号规范、标准编号1《公路工程技术标准》JTG B01-20032《公路桥涵施工技术规范》JTJ 041-20003《公路工程质量检验评定》JTGF801-20044《钢筋焊接及查收规程》JGJ18-20035《钢筋焊接接头试验方法》JGJ/T27-20013、安全生产规范、规程标准详见表 1-2表 1-2项号规范、标准类别1《公路工程施工安全技术规程》JTJ076 - 952《爆破安全规程》GB 6722-20033《施工现场暂时用电安全技术规范》JGJ46-20051.3 编制原则仔细贯彻执行国家目标、政策、标准和设计文件,严格执行基本建设程序,实现工程项目的所有功能;全面执行工程合同,知足建设单位要求,有效地集中施工力量,如期完成;依照工序关系,合理安排施工次序,兼顾考虑。
钢筋混凝土拱涵施工方案1
概述
钢筋混凝土拱涵是一种常见的桥梁结构形式,具有承载能力强、使用寿命长和易维护等优点。
本文将介绍钢筋混凝土拱涵施工的基本流程和关键步骤。
材料准备
在进行钢筋混凝土拱涵施工前,需要准备充足的建筑材料,包括水泥、砂子、碎石、钢筋等。
确保材料质量符合相关标准,以保证施工质量。
施工工艺
1.地基处理:首先对施工现场进行地基的处理和预备工作,确保地基稳
固。
2.模板制作:根据设计要求制作钢筋混凝土拱涵的模板,保证模板的尺
寸和质量符合要求。
3.钢筋安装:按照设计要求,在模板内部布置预留钢筋,保证钢筋的数
量和位置符合要求。
4.混凝土浇筑:在钢筋布置完成后,进行混凝土的浇筑,确保混凝土的
均匀性和密实性。
5.养护维护:待混凝土凝固后,进行养护处理,保证混凝土的强度和耐
久性。
安全措施
在钢筋混凝土拱涵施工过程中,需要严格遵守相关安全规定,采取必要的安全措施,保障施工人员和周围环境的安全。
质量检验
施工完成后,需要对钢筋混凝土拱涵进行质量检验,确保其符合设计要求和相关标准,以保障工程质量和安全。
结语
钢筋混凝土拱涵施工是一项复杂而重要的工程,需要合理规划和严格执行施工方案,以确保工程质量和安全。
希望本文介绍的施工方案能对相关从业人员提供参考和帮助。
钢筋混凝土拱涵施工方案一、工程概述本次钢筋混凝土拱涵施工位于_____路段,主要用于解决道路排水及通行问题。
拱涵设计跨度为_____米,高度为_____米,基础采用_____形式。
二、施工准备1、技术准备熟悉施工图纸,进行技术交底和安全交底。
测量放线,确定拱涵的位置和标高。
编制施工组织设计和施工方案。
2、材料准备钢筋:选用符合设计要求的钢筋,具备质量证明书和检验报告。
水泥:选用_____品牌的水泥,强度等级符合要求。
砂、石料:质地坚硬、级配良好,含泥量符合规范要求。
3、机械设备准备配备挖掘机、装载机、搅拌机、振捣器、吊车等机械设备,并进行调试和保养。
4、现场准备平整场地,修筑施工便道。
搭建临时设施,如仓库、工棚等。
三、施工工艺流程1、基础施工开挖基础:采用机械开挖为主,人工辅助修整。
开挖过程中注意控制基底标高,避免超挖。
基底处理:对基底进行夯实、换填等处理,确保基底承载力满足设计要求。
浇筑基础混凝土:采用分层浇筑的方法,振捣密实,保证混凝土质量。
2、涵身施工钢筋绑扎:按照设计图纸要求,进行钢筋的加工和绑扎,确保钢筋的位置、间距和数量准确无误。
模板安装:采用钢模板或木模板,保证模板的平整度和垂直度,拼接严密,防止漏浆。
混凝土浇筑:分层浇筑涵身混凝土,振捣时要注意避免碰撞钢筋和模板,确保混凝土密实。
3、拱圈施工支架搭设:根据拱圈的形状和尺寸,搭设支架,保证支架的稳定性和强度。
拱圈钢筋绑扎:与涵身钢筋绑扎要求相同。
拱圈模板安装:采用弧形模板,确保模板与拱圈形状相符。
混凝土浇筑:从拱脚向拱顶对称浇筑混凝土,注意控制浇筑速度和振捣质量。
4、附属工程施工进出口翼墙施工:按照设计要求进行施工,保证翼墙的尺寸和质量。
防水层施工:在涵身表面铺设防水层,防止渗水。
涵背回填:选用透水性好的材料进行回填,分层压实,保证回填质量。
四、质量控制措施1、原材料质量控制:对进场的原材料进行严格检验,不合格的材料严禁使用。
2、施工过程质量控制:加强对各工序的质量检查,如钢筋绑扎、模板安装、混凝土浇筑等,发现问题及时整改。
“拱涵施工专项方案”清晨的阳光透过窗帘的缝隙,斜射在桌面上,我的大脑如同被这光线激活,开始飞速运转。
十年方案写作的经验,让我对这类工作已经驾轻就熟。
关于“拱涵施工专项方案”,我要从哪些方面入手呢?是工程概况。
拱涵是一种常见的桥梁结构,主要用于跨越河流、道路等障碍物。
本次工程位于某城市主干道与河流交汇处,拱涵设计为单孔径,跨度20米,矢高5米,采用钢筋混凝土结构。
工程量包括土方开挖、基础处理、拱圈及侧墙施工、防水层施工、涵洞回填等。
是施工准备。
这个环节至关重要,主要包括施工图纸及技术规范的学习、施工现场的勘察、施工材料的准备、施工设备的调试等。
施工图纸及技术规范是施工的依据,必须认真学习,确保施工过程中各项指标符合要求。
施工现场勘察是为了了解地形地貌、地下管线分布等情况,为施工提供依据。
施工材料的质量直接关系到工程的质量,必须严格把关。
施工设备的调试是为了确保设备在施工过程中正常运行。
现在进入施工流程。
是土方开挖,采用挖掘机配合人工进行,按照设计图纸要求进行,注意保护地下管线。
基础处理包括换填、夯实、铺设垫层等,确保基础稳定。
拱圈及侧墙施工是关键环节,采用预制构件现场拼装的方式,注意构件的尺寸、形状和质量。
防水层施工是为了防止水分渗透,影响结构安全。
涵洞回填是施工的一个环节,采用分层填筑、夯实的方法,确保回填土的密实度。
施工过程中,安全控制是重中之重。
我们要制定严格的安全管理制度,对施工现场进行定期巡查,确保施工人员的安全。
同时,对施工设备进行定期检查,防止设备故障导致安全事故。
环保措施也要落到实处,施工现场要设置围挡,防止扬尘污染,废弃材料要及时清运,避免对环境造成污染。
施工进度计划是确保工程按时完成的关键。
我们要制定详细的施工进度计划,明确每个环节的施工时间,确保工程按计划推进。
同时,要预留一定的缓冲时间,以应对可能出现的突发情况。
是质量控制。
我们要设立专门的质量检测小组,对施工过程中的每个环节进行检测,确保工程质量符合国家标准。
钢筋砼拱涵施工方案一、工程概况:本标段共有涵洞12道,合计总长421。
77米,其中钢筋砼拱涵2道,总长134.82米。
涵洞施工本着“尽早开工、尽早完工、以利后序”的原则组织施工。
基础采用分离式C20砼基础,台身为C25砼,护拱为C20砼,拱圈为C30砼,结构形式及主要工程数量见下表:(1)、项目总工结合施工技术规范、施工图纸对涵洞施工各项指标的要求,制定切实可行的施工方案,并对所负责的技术人员进行详细交底。
(2)、施工前修建施工便道,清除施工范围内的障碍物,保证施工机械和材料的顺利进场。
(3)、采用全站仪放线,根据设计文件上的导线点及曲线要素测量出涵洞轴线上的左中右三个点后,用水平仪测出挖基深度,根据图纸用石灰画出基础线并放坡,并对主要点加以控制,做到精确无误。
(4)、分别进行C30、C25、C20、M7。
5的砼及砂浆配比试验,严格按照指挥部有关要求及JTJ041-2000规范要求执行。
(5)、涵洞附近均采用C15砼对堆料场地进行硬化,材料分类堆放,并设立标识牌写明各种材料的产地规格等,钢筋及水泥的存放必须保证上铺下垫。
三、主要工序施工工艺1、基坑开挖1)、基坑应满足施工要求,当基坑为渗水的土质基底,坑底尺寸应根据排水需要和基础模板设计所需基坑大小而定.基底应比基础的平面尺寸增宽0。
5~1.0m。
基坑坑壁坡度应按地质条件、基坑深度、施工方法等情况确定。
2)、施工前通过全站仪精确测定基础的轴线、边线位置及基底高程应检查无误后方可施工。
施工中准备分段浇筑平行作业的方法,基坑顶面设置截水沟等防止地面水流入基坑的措施.地质较稳定的涵洞基坑开挖采用放坡明挖施工,以机械为主,人工为辅;基坑边坡不稳定并有地下水影响或放坡开挖场地受限制时可根据具体情况对坑壁进行支护开挖。
有水的基坑在开挖过程中不应中途停止抽水,抽水能力应为渗水量的1.5~2倍。
基坑排水时要采用以胶管或水槽远引措施防止水流渗回基坑。
3)、为了不破坏基坑底土质和避免超挖,对土质基坑,当机械挖到距基底20cm时,采用人工清底到设计标高;石质基坑采用松动爆破施工时应在基底面以上保留不少于20cm厚度的岩层改由风动工具凿除,以保证基底土的结构不被破坏。
钢筋混凝土拱涵施工方案(拱涵) 钢筋混凝土拱涵施工方案编制人:审核人:审批人:___XXX道改建工程项目指挥部第一章编制依据1.1 编制范围本方案适用于XXX道改建工程中钢筋混凝土拱涵的施工。
1.2 编制依据本方案的编制依据包括相关法律法规、规范标准以及工程设计文件等。
第二章工程概况2.1 工程概述___改建工程是一项重要的道路改建工程,其中包括钢筋混凝土拱涵的施工。
2.2 沿线自然地理条件工程所在地区地势复杂,存在一定的地质灾害风险,需要采取相应的防护措施。
2.3 气候特征该地区气候多变,需要根据气象预报及时调整施工计划。
2.4 主要参建单位本工程的主要参建单位为___及其子公司。
第三章施工目标3.1 管理目标3.1.1 工期目标本工程的工期目标是按照设计要求完成施工,并保证施工质量。
3.1.2 质量目标本工程的质量目标是按照相关规范标准完成施工,并保证施工安全。
3.1.3 安全目标本工程的安全目标是确保施工过程中不发生安全事故,并采取必要的措施保障工人的生命财产安全。
3.1.4 环保目标本工程的环保目标是在施工过程中尽可能减少对环境的影响,保护周边生态环境,确保施工过程中不产生污染物排放和噪声扰民等问题。
3.2 管理组织机构及岗位职责为确保工程施工顺利进行,本工程设立了专门的管理组织机构,并明确了各岗位的职责和任务,以保证工程施工的质量和安全。
4.1 现场准备在施工前,需要对施工现场进行充分的准备工作,包括场地平整、道路通畅、施工材料储备等,以确保施工顺利进行。
4.2 测量准备在施工前需要进行测量准备工作,包括地形测量、地质勘察、基础测量等,以确保施工的准确性和稳定性。
4.3 试验准备在施工过程中需要进行各种试验,包括混凝土强度试验、钢筋拉力试验等,以确保施工质量符合标准要求。
4.4 施工机械准备本工程需要使用各种施工机械,包括起重机、挖掘机等,需要提前进行准备和检查,确保施工机械的安全性和可靠性。
XXX钢筋混凝土拱涵施工方案施工方案编制人:审核人:审批人:XXX集团有限公司XXX道改建工程项目指挥部目录第一章编制依据 (1)1.1编制范围 (1)1.2编制依据 (1)第二章工程概况 (2)2.1工程概述 (2)2.4沿线自然地理条件 (2)2.5气候特征 (2)2.6主要参建单位 (3)第三章施工目标 (4)3.1管理目标 (4)3.1.1工期目标 (4)3.1.2质量目标 (4)3.1.3安全目标 (4)3.1.4环保目标 (4)3.2管理组织机构及岗位职责 (4)4.1现场准备 (6)4.2测量准备 (6)4.3试验准备 (6)4.4施工机械准备 (6)第五章主要施工技术方案 (7)5.1拱涵施工工艺流程 (7)5.2施工方法 (8)5.2.1基础、涵台施工 (8)5.2.2拱圈施工 (9)5.2.3沉降缝处理 (11)5.2.4洞口八字墙、截水墙施工 (11)第六章质量保证措施 (13)第七章安全保证措施 (14)7.1施工现场安全措施 (14)7.2施工机械安全控制措施 (14)第八章环保保护措施 (15)第一章编制依据1.1编制范围XXXXXXX通道KXXXXXX钢筋混凝土拱涵工程1.2编制依据1、XXXXXX道改建工程施工招标文件、设计图纸、补遗文件、地勘资料以及施工现场踏勘资料等全部资料;企业的装备能力、技术素质、资金储备、劳力资源、物资储备登综合实力;以及类似工程的施工经验。
2、国家颁布的高速公路施工、验收规范详见表1-1:表1-1表1-2认真贯彻执行国家方针、政策、标准和设计文件,严格执行基本建设程序,实现工程项目的全部功能;全面履行工程合同,满足建设单位要求,有效地集中施工力量,按期完成;按照工序关系,合理安排施工顺序,统筹考虑。
第二章工程概况2.1工程概述1)本标起讫桩号为KXXXXX,里程XXXkm,共设X道钢筋砼拱涵。
设计荷载公路-1级,地震动峰值加速度0.15g,跨径为X米。
钢筋砼拱通道施工方案一、编制依据1. 《公路工程技术标准》(JTG-2003)。
2.《公路桥涵通用设计规范》(JTG D60-2004)。
3.《公路桥涵施工技术规范》(JTJ--T F50-2011)。
4.与本工程有关的国家规范及交通部颁发的规范等。
5.我单位拥有的科技工法成果和现有的管理水平、劳力设备,技术能力,以及从事高速公路建设所积累的丰富的施工经验。
6.业主、总监办及驻地办各种相关文件精神。
二、工程概况:本项目部承建的昌栗高速公路C5标段起讫桩号为K157+000~K165+000,全长8km,全线采用双向四车道高速公路标准,路基宽度26m,共设大桥248m/1座,为里山高架桥,共8跨;中桥86m/1座,为安山中桥,共4跨;分离立交164m/2座,为书堂分离桥及桐树湾分离桥,均为3跨,钢筋砼盖板通道12座,共米,钢筋砼拱通道3座,共231米;盖板涵10座,共米,φ圆管涵6道,共米;钢波纹管涵2道,共米。
K159+047拱通 1-4*3与线路交角90度,涵长82m。
基础采用整体式C25砼基础,台身为C20砼,护拱为C30砼,拱圈为C30砼,结构形式及主要工程数量见下表:三、施工准备:1)、现场准备施工前,现场必须做到三通(路通、水通、电通)一平(清除施工现场的障碍物),查清地下管线和架空电线的具体位置,并作出明显标记。
检查和复核测量基准点,增设控制点和水准点,建立控制网、测量放样须经监理复核同意后方可施工。
2)、人员准备本工程投入项目部管理人员6人,一个涵洞施工班组25人,后续施工根据工程进度及时补充技术及劳务人员。
具体施工人员组织见下表。
项目部管理人员组成表施工班组人员组成表3 Array)、物资准备情况圆管涵基础砼采用本项目部自建拌合站,本项目砼全部为集中拌合,砼拌合站紧靠主线K163+200,搅拌站紧靠县道544,拌合站占地面积10840m2,拌合站内安装两台90型拌合机,配备砼搅拌运输车6台,装载机2台;拌合站内设站长一名,拌合机操作手2名,负责拌合机的使用、保养、维修工作,材料员1名,试验员1名,满足本段工程的施工需要。
拌合机与地磅均已经过质量检验部门检验,检验合格后,进行了砼的试拌工作,混凝土的坍落度、和易性等性能均符合要求,试拌过程中,监理工程师全程见证。
现在拌合站已通过建设单位与监理的验收,已经具备拌制砼的条件。
4)、用电情况现场施工用电,现场准备一台30KW发电机发电,以满足现场施工用电需要。
5)、机械设备准备情况现场施工设备,现场准备插入式振动棒4台、蛙式打夯机1台、大宇225挖机1台、20T吊车一台,钢筋调直机1台,钢筋弯曲机2台,电焊机4台,套丝机1台以满足施工需要。
6)、测试仪器准备现场测试仪器,现场准备拓普康Set1x全站仪1台,DZ2水准仪一台、50m钢卷尺1把、N10轻型触探仪1台。
四、施工计划钢筋砼拱通道施工计划2014年2月10日开始,4月10日结束,工期60天。
五、主要工序施工工艺1、基坑开挖1)、基坑应满足施工要求,当基坑为渗水的土质基底,坑底尺寸应根据排水需要和基础模板设计所需基坑大小而定。
基底应比基础的平面尺寸增宽~。
基坑坑壁坡度应按地质条件、基坑深度、施工方法等情况确定。
2)、施工前通过全站仪精确测定基础的轴线、边线位置及基底高程应检查无误后方可施工。
施工中准备分段浇筑平行作业的方法,基坑顶面设置截水沟等防止地面水流入基坑的措施。
地质较稳定的涵洞基坑开挖采用放坡明挖施工,以机械为主,人工为辅;基坑边坡不稳定并有地下水影响或放坡开挖场地受限制时可根据具体情况对坑壁进行支护开挖。
有水的基坑在开挖过程中不应中途停止抽水,抽水能力应为渗水量的~2倍。
基坑排水时要采用以胶管或水槽远引措施防止水流渗回基坑。
3)、为了不破坏基坑底土质和避免超挖,对土质基坑,当机械挖到距基底20cm时,采用人工清底到设计标高。
开挖基坑的同时注意,安全标志及标牌的到位,基坑开挖线外1米用进警示线围防,以防有人或动物不慎从边坡落入基坑受伤,并清除边坑周围的松土、浮石等,避免施工中砸伤人。
挖基弃方应运输至指定地点处理,不得堆放在基坑周边,避免造成基坑塌方。
4)、基坑开挖至设计基底标高后,考虑用挤密软土层灌压水泥石灰砂桩的方法加固涵底基层;方法如下:现场用挖掘机将Ф300mm封端钢管压入软土层,形成一孔洞。
再由挖掘机将钢管拔出,人工将干拌的二灰混合料(水泥、石灰、砂、碎石=10:5:40:45)灌入孔内木棍捣实至设计基底标高。
桩的直径Ф300mm,中心间距为,梅花型布置,单根桩长。
5)、基坑开挖完成后应及时通知监理工程师检验、及早封闭,不允许将已开挖至设计标高的基坑长期暴露。
2、砼基础1)、钢筋加工及安装所用钢材应有出厂质量证书及试验报检单,每捆(盘)均应设标示牌,进场钢材应按批号和直径分批验收,并按规定抽样试验,合格后方可入库。
不同批号、规格的钢筋应立标示牌分别堆放,场地四周要有排水措施,以避免钢筋的锈蚀和污染。
钢筋在下料前,应对施工图中的各种规格的钢筋长度和数量进行认真核对,对钢筋进行调直、除锈等处理。
钢筋在下料切断前,应遵循长短搭配。
2)、统筹配料和减少损耗的原则进行配料计算,并预先确定各种形状钢筋下料长度调整值。
在成批进行钢筋弯曲操作前,应做各种类型弯曲钢筋段的样板,试弯一根后检查其弯曲形状、尺寸是否与设计要求相符合,经过调整后作为标准件进行批量制作。
3)、基础钢筋先在钢筋加工房下料制作,然后人工运制现场。
钢筋的成型严格按照规范执行。
为了保证混凝土保护层的厚度满足设计要求,应在钢筋与模板间设置砂浆垫块。
垫块应错开设置,不应贯通截面全长。
钢筋焊接前,必须根据施工条件进行试焊,合格后方可正式施焊。
钢筋接头采用套丝连接时,套丝应满足规范要求。
4)、基础模板采用×大钢模板架模,模板使用前用磨光机将模板表面锈蚀清除干净。
为使混凝土表面光洁,棱角整齐,在混凝土浇筑前表面应涂刷脱模剂。
模板加强使用肋木支撑,竖向中至中距,横向上下各一根,中间按间距加密。
斜撑用木料以30~60°的斜角支撑,并用φ12钢筋对拉。
5)、砼浇筑①基础砼浇筑前,应根据驻地办试验室批准的配合比和集料含水量设计施工配合比。
集料采用称重法,严禁使用体积比,施工中不得随意增减。
拌和时严格控制搅拌时间,从而保证混合料的均匀性。
施工过程中随时检查和校正混凝土的和易性,严格控制水灰比,不得擅自增减含水量。
②混凝土采用砼运输车运输,运输道路应平顺,防止混凝土产生离析、泌水和灰浆流失现象。
在混凝土运输过程中造成离析或拌合时间不够的混凝土熟料不允许入模,应重新拌制后才能使用。
混凝土倾泄高度大于2m时应采用溜管、溜槽或串筒输送。
摊铺时应注意分散倾倒时滚落于一处的骨料,靠模板边侧不允许有集中大颗粒骨料。
③基础混凝土应以沉降缝(每3~5米设置一道沉降缝)为准间隔浇注,保证安放沉降缝材料沥青麻絮时,混凝土有足够的强度。
混凝土浇筑厚度均为30cm,从端部顺次逐层浇筑,采用插入振捣。
振捣时震动棒垂直地插入混凝土中至前一层5~10cm,以保证新浇混凝土与先浇混凝土结合良好,振动棒离模板5~10cm,并尽量保持垂直和等间距。
混凝土振捣至混凝土不再沉降、无显着气泡上升、表面出现薄层水泥浆为止,不得漏振或过振。
④为了保证每台基础之间的紧密连结,在下层基顶振捣时,以20cm左右间距,预埋联接钢筋。
上层基础浇筑前,应将下层顶面浮浆清除冲洗干净,再行顺序浇筑。
⑤混泥土抗压强度达到前,不得使其承受行人、运输工具、模板、脚手架等荷载。
混凝土养生采用自然养护方法,一般情况下,普通硅酸盐水泥拌制的混凝土养护期不小于7天,每天洒水养生确保达到设计强度。
3、砼墙身对于墙身,采用大型钢模板进行支护,在支模板和浇筑砼的过程中,随时检查各部分尺寸及脚手架的稳定性,以保证砼浇筑不变形。
混凝土浇筑厚度均为30cm,从端部顺次逐层浇筑,采用插入振捣。
振捣时震动棒垂直地插入混凝土中至前一层5~10cm,以保证新浇混凝土与先浇混凝土结合良好,振动棒离模板5~10cm,并尽量保持垂直和等间距。
混凝土振捣至混凝土不再沉降、无显着气泡上升、表面出现薄层水泥浆为止,不得漏振或过振。
墙身施工时设置与基础对应的沉降缝,缝内用沥青麻絮填塞密实。
墙身质量按下表项目检测:4、拱圈1)、钢筋加工与安装为加强拱脚与涵台的固结性,涵台施工时在顶部预埋φ20II级钢筋。
对于拱圈钢筋,集中加工制作,人工绑扎,钢筋绑扎完毕经监理工程师检查确认后方可浇筑砼。
2)、拱圈钢筋砼拱圈模板采用钢模,并采用钢管扣件满躺脚手架支撑。
搭设脚手架前应先夯实基底并采取措施使基底有足够的承载力,脚手架基础必须采用15cm厚C20混凝土进行硬化,保证浇筑混凝土后不发生超过图纸规定的允许沉降量。
支撑钢管在横向、纵向和竖直方向按每90cm一道布置,为保证支撑架整体稳定性,纵横方向连接剪刀撑。
支架底部与支撑面设楔形木。
支架顶部横向布置I12工字钢,工字钢顶部与拱圈底模之间用角钢调整角度,并且工字钢、角钢和拱圈底模之间必须连接牢固。
在计算荷载作用下,对模板、拱架结构受力程序分析验算起强度刚度稳定性,验算拱架底部地基承载力,同时做好地基排水。
采用钢制拱架时,应选用标准化、系列化、通用化的钢构件制作拼装,拱圈模板应合理科学的进行支撑,强度符合设计要求,要有足够的承载力,支架的基础必须采用15cm厚C20混凝土进行硬化,保证浇筑混凝土后不发生超过图纸规定的允许沉降量。
在拱圈施工时不得产生沉降,拱架要支撑牢固、拆卸方便。
纵向连接应稳定、拱架外弧应平顺。
支架应在纵桥向和横桥向均应加强水平、斜向连接,增强整体稳定性。
拱架安装完毕后应对其平面位置、顶部标高、节点及纵横向的稳定性进行检查,不符合要求时及时纠正。
浇筑砼前钢模拱圈应刷脱模剂,接头处采用胶带密封以防止振捣时漏浆出现蜂窝现象。
在浇筑混凝土及砌筑拱圈过程中,应随时测量并记录拱架和支架的变形和沉降量。
由于拱圈及拱架弹性下沉与非弹性下沉等因素影响,拱圈应考虑预拱度的设定,拱顶预拱度以计算为准,其余各点按二次抛物线分配,严格控制各部分标高。
支架搭设完成后,根据测量放线安装底模,做好底模沉降观测,然后采用等同于主拱圈重量的砂包均匀加载预压,并观测沉降量,以验证底模预拱度设置是否正确,保证拱圈浇筑完成后顶部标高符合设计要求,从而保证了模板、支撑架在浇筑过程中的强度、刚度及稳定性。
拱座与拱圈的钢筋一同绑扎、安装,混凝土一起浇筑,先浇拱座后浇拱圈,按拱圈全宽从两端拱脚向拱顶对称浇筑,并在拱脚混凝土初凝前全部完成。
如预计不能在限定时间内完成,则应在拱脚预留一个隔缝并最后浇筑隔缝混凝土。
拱圈支撑架应待砼强度达到设计强度的85%以上方可拆除。
拆卸拱架应从跨中开始,逐步向两边拆除。