风险控制流程图
- 格式:docx
- 大小:24.10 KB
- 文档页数:2
风险管理流程图一、引言风险管理是组织在实施业务活动过程中,为了达到预期目标而对可能发生的不确定事件进行识别、评估、控制和监控的过程。
风险管理流程图是一种图形化的表示方式,用于展示风险管理的各个环节和步骤,帮助组织全面了解和掌握风险管理的流程。
二、流程图概述风险管理流程图主要包括风险识别、风险评估、风险控制和风险监控四个主要环节。
下面将详细介绍每个环节的具体步骤和内容。
三、风险识别1. 确定风险识别的范围和目标:明确需要识别的风险类型和范围,以及识别风险的目标。
2. 收集信息:通过调研、访谈、文献研究等方式,收集与组织业务活动相关的信息。
3. 识别风险源:根据收集到的信息,确定可能导致风险的各种因素和事件。
4. 分析风险:对识别到的风险进行分析,包括风险的概率、影响程度、紧急程度等方面的评估。
四、风险评估1. 确定评估方法和指标:选择适合的评估方法和指标,用于对风险进行量化或定性评估。
2. 评估风险概率:根据历史数据、专家判断等,对风险发生的概率进行评估。
3. 评估风险影响:根据风险的可能影响因素,对风险的影响程度进行评估。
4. 评估风险等级:根据概率和影响程度,对风险进行等级划分,确定优先处理的风险。
五、风险控制1. 制定风险控制策略:根据评估结果,制定相应的风险控制策略,包括避免、减轻、转移和接受等控制手段。
2. 实施控制措施:根据制定的策略,采取相应的控制措施,减少风险的发生概率和影响程度。
3. 监督控制效果:对实施的控制措施进行监督和评估,确保控制效果达到预期目标。
4. 更新控制策略:根据风险管理的实际效果和变化情况,及时更新和调整风险控制策略。
六、风险监控1. 建立监控机制:建立风险监控的机制和体系,包括风险指标、监控频率、监控方法等。
2. 监控风险状态:通过定期收集和分析风险数据,监控风险的状态和趋势。
3. 预警和应对:根据监控结果,及时发出风险预警,并采取相应的应对措施,避免风险的进一步扩大。
安全风险辨识和风险评估控制程序(ISO45001-2018)1.0目的为建立安全标准化管理体系目标,实施有效安全运行控制和改善安全环境卫生,持续识别并评价公司各类生产作业活动及服务中的危害因素,进而评价其危险程度,科学的判定危险级别,分类分级实施必要的风险控制和削减措施,预防各类事故的发生。
2.0范围本程序适用于公司所有作业活动及作业活动风险评估。
3.0术语本程序采用ISO45001-2018的术语定义。
4.0危害(危险源)辨识4.1危害辨识主要内容有:a) 工作环境:包括周围环境、工程地质、地形、自然灾害、气象条件、资源交通、抢险救灾支持条件等;b) 平面布局:功能分区(生产、管理、生活区);高温、有害物质、噪声、辐射、易燃、易爆、危险品设施布置;建筑物、构筑物布置;风向、安全距离、卫生防护距离等;c) 运输路线:施工便道、各施工作业区、作业面、作业点的贯通道路以及与外界联系的交通路线等;d) 工序:作业及控制条件、事故及失控状态、物资特性(毒性、腐蚀性、燃爆性)温度、压力、速度;e) 施工机具、设备:高温、低温、腐蚀、高压、振动、关键部位的备用设备、控制、操作、检修和故障、失误时的紧急异常情况;机械设备的运动部件和工件、操作条件、检修作业、误运转和误操作;电气设备的断电、触电、火灾、爆炸、误运转和误操作,静电、雷电;f) 危险性较大设备和高处作业设备:如提升、起重设备等;g) 特殊装置、设备:危险品库房等;h) 有害作业部位:粉尘、毒物、噪声、振动、辐射、高温、低温等;i) 各种设施:管理监控设施、事故应急抢救设施、辅助生产、生活设施等;j) 劳动组织生理、心理因素和人机工程学因素等。
4.2危害类别按GB13861-2009生产过程危险和有害因素分类与代码及导致事故、职业危害的直接原因、起因物、诱导性原因、致害物、伤害方式等,危险/危害因素综合分为4大类,包括,“人的因素”、“物的因素”、“环境因素”、“管理因素”。
风险管理流程图一、概述风险管理是指在组织或者项目中识别、评估、控制和监控各种风险的过程。
风险管理流程图是一种图形化的工具,用于展示风险管理的各个步骤和流程。
本文将详细介绍风险管理流程图的标准格式。
二、流程图的结构风险管理流程图通常由以下几个部份组成:1. 风险识别:该步骤用于识别可能对组织或者项目产生不利影响的风险。
常用的方法包括头脑风暴、SWOT分析等。
2. 风险评估:在这一步骤中,对已识别的风险进行评估,确定其可能性和影响程度。
常用的评估方法有定性评估和定量评估。
3. 风险控制:该步骤旨在采取措施降低或者消除已识别的风险。
常见的控制方法包括风险转移、风险减轻、风险避免等。
4. 风险监控:在这一步骤中,对已采取的风险控制措施进行监控和评估,确保其有效性。
同时,还需要持续识别新的风险并进行相应的评估和控制。
5. 风险应对:当风险发生时,组织或者项目需要采取相应的应对措施。
这些措施可能包括事故应急预案、业务恢复计划等。
三、流程图的示例以下是一个风险管理流程图的示例:1. 风险识别:- 头脑风暴:组织内部的相关人员进行头脑风暴,识别可能存在的风险。
- SWOT分析:对组织或者项目的优势、劣势、机会和威胁进行分析,找出潜在的风险。
2. 风险评估:- 定性评估:根据风险的可能性和影响程度,进行主观评估,将风险分为高、中、低三个级别。
- 定量评估:使用统计数据和数学模型,进行客观评估,计算风险的概率和影响程度。
3. 风险控制:- 风险转移:购买保险、签订合同等方式将风险转移给其他方。
- 风险减轻:采取措施减少风险的可能性或者影响程度,如加强安全培训、改善设备维护等。
- 风险避免:采取措施避免潜在的风险,如住手高风险的业务活动。
4. 风险监控:- 监控控制措施:对已采取的风险控制措施进行定期检查和评估,确保其有效性。
- 持续识别风险:通过定期风险评估和员工反馈,持续识别新的风险。
5. 风险应对:- 事故应急预案:制定应急预案,以应对突发的风险事件。
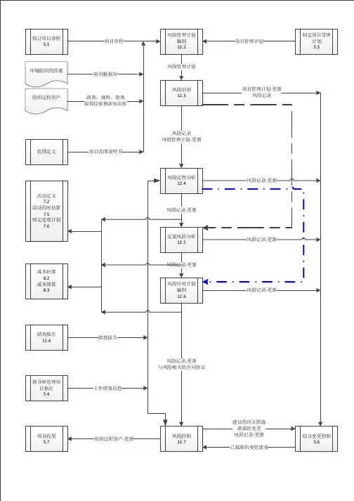
项目风险管理流程图在项目管理中,风险管理是一个至关重要的环节。
通过对项目风险的认识、评估和控制,可以最大限度地减少项目失败的可能性,提高项目的成功率。
下面是一个项目风险管理的流程图,用于指导项目团队在整个项目周期中进行风险管理。
1. 识别风险- 定期召开团队会议,邀请项目组成员积极参与,收集和记录可能出现的风险。
- 利用过往经验、专家咨询和市场调研等手段,识别项目可能面临的各类风险。
- 采用头脑风暴和SWOT分析等方法,激发团队成员的创造力,发现更多的风险。
2. 评估风险- 对已识别的风险进行评估,确定其可能性和影响程度,并将其绘制在风险矩阵上。
- 制定定量和定性的评估标准,以便对风险进行客观的量化分析。
- 将评估结果整理成风险清单,按照风险等级和紧急程度排序。
3. 规划应对策略- 针对每个已识别的风险,制定相应的应对策略和措施。
- 尽可能将风险转移给第三方,例如购买保险或签订合同。
- 开展风险管理教育和培训,提高团队成员对风险管理的认识和能力。
- 制定制度和流程,确保风险管理的可持续性和有效性。
4. 实施风险控制- 设立风险监控机制,及时掌握风险发生的可能性和程度,及时采取控制措施。
- 制定详细的工作计划和时间表,确保控制措施的实施到位。
- 定期举行项目进展会议,对风险控制的效果进行评估和总结。
- 与相关部门保持良好的沟通和合作,共同应对可能出现的风险。
5. 监督和评估- 定期进行风险评估,查看已识别的风险是否发生,对发生的风险进行管理和控制。
- 定期汇报项目风险管理的进展情况,包括已识别风险的变化情况、已采取措施的效果等。
- 提供适时的风险报告,以便管理层和项目干系人了解项目风险和应对策略的实施情况。
6. 反馈和总结- 在项目结束后,对项目风险管理的效果进行总结和反馈,收集项目成员的建议和意见。
- 形成风险管理的最佳实践,为其他项目提供参考和借鉴。
- 建立项目风险库,将项目中遇到的风险和应对措施进行归档,以供将来参考和借鉴。
风险管理流程图风险管理流程图的标准格式文本:风险管理流程图是一种用于识别、评估和控制风险的工具,它能够匡助组织有效地管理风险,减少潜在的损失和不确定性。
以下是一个典型的风险管理流程图的标准格式,用于说明风险管理的基本步骤和流程。
1. 风险识别阶段:- 确定风险管理的目标和范围;- 采集相关信息,包括内外部环境因素、组织结构和资源等;- 识别潜在的风险事件和可能的影响。
2. 风险评估阶段:- 评估风险的可能性和影响程度,使用适当的工具和方法,如风险矩阵、风险评估矩阵等;- 分析风险的根本原因和相关因素;- 为每一个风险事件分配风险等级。
3. 风险控制阶段:- 制定风险控制策略和措施,包括避免、减轻、转移和接受等;- 设计和实施相应的控制措施,确保其有效性;- 监测和评估控制措施的执行情况和效果。
4. 风险监测和审查阶段:- 建立风险监测和报告机制,及时获取风险信息;- 定期进行风险审查,评估风险管理的有效性和改进机会;- 更新风险管理计划和流程,以适应变化的环境和需求。
5. 风险沟通和培训阶段:- 开展风险沟通活动,包括内部和外部的沟通;- 提供相关的培训和教育,增强组织成员的风险意识和能力;- 定期评估风险沟通和培训的效果。
6. 风险记录和报告阶段:- 建立风险记录和报告系统,记录风险管理的过程和结果;- 编制风险报告,向相关方提供透明和准确的风险信息;- 分析和总结风险数据,为决策提供支持和参考。
7. 风险改进和持续改进阶段:- 分析和评估风险管理的效果和成果,发现不足和改进机会;- 制定和实施相关的改进措施,提高风险管理的效能;- 持续监督和改进风险管理流程,确保其持续有效性。
风险管理流程图的标准格式如上所述,可以根据实际情况进行调整和补充。
通过遵循这个流程图,组织可以更好地识别、评估和控制风险,提高风险管理的效果和效率,保护组织的利益和资产。
1 目的通过建立该程序,评价公司所生产产品的采购、储存、运输、销售等过程中的风险,并对风险加以控制,保证公司活动的安全性。
2 范围适用于公司质量管理体系活动中应对风险方法及要求的控制。
3 职责3.1 最高管理者a) 为风险管理活动分配充分的资源和有资格能胜任的人员;b) 规定风险管理的职责和权限,确定风险管理小组成员;c) 主持每年的风险管理活动评审;d) 批准F-ZL-14《风险管理活动记录》。
3.2 管理者代表a) 负责制定风险管理计划b) 作为风险管理小组组长,负责组织风险小组实施风险管理活动;c) 组织负责跟踪相关活动,包括生产和生产后的信息,对涉及风险管理活动的内容,必要时执行风险管理活动;对涉及重大风险的,可直接向最高管理者汇报。
d) 负责整理风险管理文档,确保风险管理文档的完整性和可追溯性。
3.3 风险管理小组a) 配合管理者代表,做好各岗位、各环节的危害因素识别和风险评价;b) 参与实施危害因素识别和风险评价活动的各项步骤;c) 展开培训,负责将危害因素清单及各控制措施、管理方案告知全员,并督促执行;d) 负责收集整理各环节危害因素识别和风险评价活动参与记录。
4 程序4.1 建立风险管理方针和流程4.1.1 方针a) 最高管理者应充分评价外部及内部相关信息,制定本公司的风险管理方针。
b) 最高管理者每年至少一次对风险管理活动进行评审,必要时可增加评审的次数。
c) 最高管理者对新产品上市前的风险管理评审活动形成的结果《风险管理报告》进行审批。
4.1.2 流程4.2 风险管理小组的建立4.2.1 风险管理小组的构成,可以包括熟悉产品原理及功能的研发部成员,熟悉产品制造的生产部成员,以及熟悉产品的应用的销售成员,以及需要掌握所应用的风险分析的质量部成员。
4.2.2 管理者代表建立一个“风险管理小组”,小组人员应具备以下的能力:a) 熟悉其所在部门的所有流程;b) 有一定的组织协调能力;c) 熟悉YY/TO287&IS013485标准的要求,能够策划风险和机遇的分析和评估,并制定相应的措施。
风险防控流程
一、制定风险管理政策
1.确定风险管理目标
2.制定风险管理政策和原则
二、风险识别
1.辨识潜在风险因素
2.分析风险的发生概率和影响程度
三、风险评估
1.评估风险的严重程度
2.确定风险优先级
四、制定风险应对措施
1.制定针对不同风险的具体应对措施
2.确定责任人和执行时间表
五、实施风险控制措施
1.落实风险控制措施
2.监督控制措施的执行情况
六、风险监控和审计
1.定期监控风险控制效果
2.进行风险审计和评估
七、风险应急预案
1.制定应急预案应对突发风险事件
2.进行应急演练和评估。
风险管理流程图一、引言风险管理是组织为实现其目标而采取的一系列措施,以识别、评估、控制和监控可能影响组织目标实现的风险。
风险管理流程图是一种图形化的工具,用于展示风险管理过程中的各个步骤和相关活动。
本文将详细介绍风险管理流程图的标准格式及其各个步骤。
二、风险管理流程图标准格式风险管理流程图通常采用流程图的形式进行呈现,包括以下几个基本要素:1. 开始节点:表示风险管理流程的开始。
2. 输入节点:表示进入风险管理流程的信息和数据。
3. 处理节点:表示对输入信息和数据进行处理的活动。
4. 输出节点:表示从风险管理流程中得到的结果和输出。
5. 决策节点:表示需要进行决策的环节。
6. 连接线:表示各个节点之间的逻辑关系和流程顺序。
三、风险管理流程图步骤根据风险管理的一般流程,可以将风险管理流程图分为以下几个步骤:1. 风险识别:- 开始节点:开始风险管理流程。
- 输入节点:收集与组织目标相关的信息和数据,包括内外部环境分析、历史数据、专家意见等。
- 处理节点:对收集到的信息和数据进行分析和整理,识别可能的风险。
- 输出节点:输出识别到的风险清单和相应的描述。
2. 风险评估:- 输入节点:将风险清单作为输入,收集与风险相关的信息和数据,包括概率、影响程度、风险源等。
- 处理节点:对收集到的信息和数据进行评估,计算风险的可能性和影响程度,并进行优先级排序。
- 输出节点:输出风险评估结果,包括风险矩阵、风险等级和风险优先级排序。
3. 风险控制:- 输入节点:将风险评估结果作为输入,收集与风险控制相关的信息和数据,包括风险控制措施、资源需求等。
- 处理节点:制定风险控制计划,确定风险控制措施和相应的执行计划。
- 输出节点:输出风险控制计划和相应的资源需求。
4. 风险监控:- 输入节点:将风险控制计划作为输入,收集与风险监控相关的信息和数据,包括风险监控指标、监控方法等。
- 处理节点:实施风险监控活动,监测风险的发生和演变,及时采取相应的措施。
风险管理流程图一、引言风险管理是组织中非常重要的一项工作,它涉及到识别、评估和应对可能对组织目标实现产生不利影响的风险。
为了有效地进行风险管理,组织需要建立一套完整的风险管理流程。
本文将详细介绍风险管理流程图的标准格式,以便组织能够清晰地了解并实施风险管理工作。
二、风险管理流程图标准格式风险管理流程图通常由一系列流程步骤和相关的决策点组成。
下面是一个标准格式的风险管理流程图示例:1. 识别风险此步骤涉及对组织内外可能浮现的风险进行识别。
可以通过以下方式进行: - 内部审查:对组织内部的流程、系统和资源进行审查,识别潜在风险。
- 外部份析:对行业趋势、市场变化、竞争对手等进行分析,识别外部风险。
- 经验分享:与相关部门和人员进行交流,借鉴他们的经验和教训。
2. 评估风险在此步骤中,对已识别的风险进行评估,以确定其潜在影响和概率。
评估风险的方法可以包括:- 风险矩阵:使用矩阵工具将风险按照潜在影响和概率进行分类。
- 统计分析:使用统计方法对风险进行定量分析,如风险频率和风险影响的统计数据。
- 专家判断:借助专家的经验和知识,对风险进行主观评估。
3. 制定风险应对策略在这一步骤中,根据评估的结果,制定相应的风险应对策略。
常见的策略包括:- 风险规避:采取措施避免风险的发生,如住手某项高风险活动。
- 风险减轻:采取措施降低风险的影响和概率,如加强安全措施。
- 风险转移:将风险转移给其他方,如购买保险。
- 风险接受:接受风险的存在,但制定应对计划以减轻其影响。
4. 实施风险控制措施在此步骤中,根据制定的风险应对策略,实施相应的风险控制措施。
这可能包括:- 改进流程:对现有流程进行优化,以减少风险的发生。
- 加强培训:提供培训和教育,以提高员工对风险的认识和应对能力。
- 安装安全设备:安装相应的安全设备和系统,以减少事故发生的可能性。
- 建立监测机制:建立风险监测和报告机制,及时发现和应对风险。
5. 监测和审查在此步骤中,对已实施的风险控制措施进行监测和审查,以确保其有效性和适应性。