轴机械基础电子教案
- 格式:docx
- 大小:269.38 KB
- 文档页数:6
课时计划
年月日课题§10-1 轴的用途和分类授课人柳长生
教学目的:
1.了解轴的用途
2.掌握轴的分类
重点轴的分类
难点
关键
课堂类型单一教学方法讲授
教(学)具教学手段
教学进程:
(一)组织教学:
(二)内容回顾:
(三)讲授新课:
§10-1 轴的用途和分类一、轴的用途
1.轴的主要功能是支承回转零件
2.传递运动和动力
二、轴的分类
1.对轴的一般要求:足够的强度、合理的结构、良好的工艺性
2.按轴线形状分类:3.按承载情况不同(四)板书设计
光轴
阶梯轴
直轴
曲轴
挠性轴
固定心轴——火车轮轴
转动心轴——自行车前轴心轴——只受弯矩
传动轴——只受扭矩
汽车传动轴
转轴——既受弯矩又受扭矩
传动齿轮轴
(五)小结:(六)课后作业(七)课后分析。
机械设计基础课程优质教案讲义轴的设计优质教案一、教学内容本讲义基于《机械设计基础》教材第五章“轴的设计”。
详细内容涵盖轴的力学分析、轴的材料选择、轴的结构设计、轴的强度计算及轴的稳定性分析。
二、教学目标1. 理解轴的基本概念,掌握轴的设计方法。
2. 学会进行轴的强度计算,确保设计的轴能满足实际工作需求。
3. 掌握轴的稳定性分析,提高轴的使用寿命。
三、教学难点与重点重点:轴的材料选择、结构设计、强度计算。
难点:轴的稳定性分析,轴的强度计算公式推导。
四、教具与学具准备1. 教具:PPT课件、黑板、粉笔。
2. 学具:计算器、笔、纸。
五、教学过程1. 导入:通过展示实际工程中轴的应用案例,引导学生了解轴的重要性。
2. 理论讲解:a. 介绍轴的基本概念、分类及用途。
b. 讲解轴的材料选择原则,引导学生正确选择轴的材料。
c. 分析轴的结构设计方法,提高学生轴的设计能力。
3. 例题讲解:a. 以实际轴的设计为例,演示轴的强度计算过程。
b. 解释轴的稳定性分析,展示稳定性计算方法。
4. 随堂练习:a. 让学生根据所学知识,自主完成轴的强度计算。
b. 引导学生进行轴的稳定性分析。
六、板书设计1. 轴的基本概念、分类及用途。
2. 轴的材料选择原则。
3. 轴的结构设计方法。
4. 轴的强度计算公式。
5. 轴的稳定性分析。
七、作业设计1. 作业题目:a. 计算给定参数的轴的强度。
b. 分析给定轴的稳定性。
2. 答案:a. 强度计算结果。
b. 稳定性分析结果。
八、课后反思及拓展延伸1. 反思:本节课的教学效果,学生对轴设计知识的掌握程度。
2. 拓展延伸:a. 研究轴的疲劳寿命分析。
b. 探讨轴的优化设计方法。
c. 了解轴在工程领域的最新应用动态。
通过本讲义的学习,学生能系统地掌握轴的设计方法,为后续课程的学习和实际工程应用打下坚实基础。
重点和难点解析1. 轴的材料选择原则。
2. 轴的结构设计方法。
3. 轴的强度计算过程。
4. 轴的稳定性分析。
《机械基础》教案课题第十二章轴承课型理论课课时2授课班级授课时间授课教师教材分析本节课的内容是关于《机械基础》中的第十二章。
要求学生理解机械基础的功用、结构,课标要求是掌握机械基础的作用。
选用的教材是由中国劳动社会保障出版社出版的《机械基础》(第七版),学习内容是机械基础的内容和各项方法。
学情分析知识储备:对机械有着初步的了解。
能力水平:熟悉机械基础的发展史。
学习特点:学习、接受新知识能力较弱,尤其是理论性强的知识,不能充分利用课余时间学习。
学习目标知识目标:理解滚动轴承的基本知识。
能力目标:能够掌握滑动轴承的基本内容。
素质目标:1.认识到机械的重要性。
2.积极参与课堂,能够表达自己的观点和想法。
学习重难点教学重点:1. 滚动轴承的基本知识。
2.滑动轴承的基本内容。
教学方法讲授法、讨论法、演示法、实物教学法课前准备教师准备:教学课件学生准备:课前预习教学媒体多媒体教室、多媒体课件教学过程教学环节教师活动设计学生活动设计设计意图活动一:创设情境生成问题1.情境导入让学生阅读教材导入情景,引导学生思考:轴承基本知识。
2.展示学习目标认识到轴承的重要性。
掌握轴承基本知识的具体内容。
1.阅读导入情景,思考教师提问,结合生活中的实际,认真回答。
2.查看并记住本节任务的学习目标。
1.通过情景问话,引出本课主题。
同时激发学习兴趣。
2.通过课件展示本节任务,让学生明确课堂任务。
活动二:调动思维探究新知一.导入新课:组织教学、吸引学生注意力,使学生进入上课状态。
二.1.新课讲解:借助PPT讲授机械基础基本知识内容,利用课件进行讲授,对比课件中的构造简图,对轴承基本知识有一个初步的了解。
轴承支承转动的轴及轴上零件,以保证轴的旋转精度,减少轴与轴座之间的摩擦和磨损滚动轴承滑动轴承12—1 滚动轴承一、滚动轴承的结构和类型1.滚动轴承的结构学习机械基础基本知识的总体认知(1)听课、思考、结合生活实际,认真回答教师提出的问题。
机械设计基础课程教案讲义轴的设计教案一、教学内容本讲义基于《机械设计基础》教材第四章“轴的设计”进行展开。
详细内容包括:轴的设计基本要求、轴的材料和强度计算、轴的直径和长度确定、轴的结构设计及其与联轴器、轴承的配合设计。
二、教学目标1. 掌握轴的设计基本原理,理解轴在机械系统中的作用。
2. 学会轴的材料选择、强度计算方法,能够确定轴的直径和长度。
3. 能够根据实际需求完成轴的结构设计,并正确进行联轴器、轴承的配合设计。
三、教学难点与重点重点:轴的材料选择、强度计算、结构设计。
难点:轴的强度计算,特别是在复杂工况下的计算。
四、教具与学具准备1. 教具:PPT展示、黑板、粉笔。
2. 学具:计算器、笔、纸。
五、教学过程1. 引入实践情景:介绍轴在实际工程中的应用,如汽车传动轴、机器设备中的主轴等。
2. 理论讲解:a. 轴的设计基本要求。
b. 轴的材料选择、强度计算。
c. 轴的直径、长度确定。
d. 轴的结构设计及配合设计。
3. 例题讲解:讲解一道典型轴的设计题目,包括材料选择、强度计算、结构设计等。
4. 随堂练习:让学生独立完成一个轴的设计计算,并提供解答。
5. 互动环节:针对学生练习过程中遇到的问题进行解答,引导学生互相讨论。
六、板书设计1. 轴的设计基本要求。
2. 轴的材料选择、强度计算公式。
3. 轴的直径、长度确定方法。
4. 轴的结构设计及配合设计要点。
七、作业设计1. 作业题目:完成一个实际工程中的轴设计计算,包括材料选择、强度计算、结构设计等。
2. 答案:提供详细的解题步骤和答案。
八、课后反思及拓展延伸2. 拓展延伸:引导学生了解轴的疲劳强度计算、动力学分析等高级内容,提高学生的综合能力。
重点和难点解析1. 轴的强度计算2. 轴的材料选择3. 轴的结构设计4. 教学过程中的互动环节一、轴的强度计算1. 确定载荷:根据实际工况,分析轴所承受的各种载荷,包括扭矩、弯矩等。
2. 选择计算方法:根据轴的受力情况,选择合适的计算方法,如解析法、数值法等。
第一篇:《机械基础》第三章轴系零部件《机械基础》教案第三章轴系零部件一、教案【教学要求】1、了解轴的分类、结构和用途;2、掌握轴上零件轴向固定与周向固定的目的及常用方法;3、了解转轴上常见的工艺结构;4、了解键连接的功用和分类;5、熟悉键连接、销连接的结构与分类;6、了解各种键与销的类型、特点及应用;7、了解轴承的结构、类型、特点、代号及应用,轴承的安装、密封和润滑;8、了解联轴器、离合器的功用、类型、特点及应用。
【教学目的】使学生知道什么是轴向和周向固定,掌握其目的和常用的方法,了解轴的分类、结构和用途;了解轴承的结构、类型、特点、代号及应用,轴承的安装、密封和润滑;熟悉键连接的结构与分类。
【学习概要】1、轴的用途和分类。
2、转轴的结构。
3、轴上零件的轴向固定与周向固定。
4、熟悉键连接、销连接的结构与分类。
5、了解轴承的结构、类型、特点、代号及应用,轴承的安装、密封和润滑。
6、了解联轴器、离合器的功用、类型、特点及应用。
第一节轴【教学重难点】1、掌握轴上零件轴向固定与周向固定的目的及常用方法。
2、了解轴的分类、结构和用途- 1《机械基础》教案4、结构工艺性——轴的结构形式应便于加工、便于轴上零件的装配和便于使用维修,并且能提高生产率,降低成本。
有关轴的工艺结构应注意问题:轴的结构和形状应便于加工、装配和维修。
阶梯轴的直径应该是中间大,两端小,以便于轴上零件的装拆。
轴端、轴颈与轴肩(或轴环)的过渡部位应有倒角或过渡圆角,并应尽可能使倒角大小一致和圆角半径相同,以便于加工。
轴上需要切制螺纹或进行磨削时,应有螺纹退刀槽或砂轮越程槽。
当轴上有两个以上键槽时,槽宽应尽可能统一,并布置在同一直线上,以利加工。
【小结】1.轴的用途和分类。
2.转轴的结构要求。
3.轴上零件的轴向固定与周向固定。
4.轴的结构工艺性。
- 3《机械基础》教案键长L根据轮毂长度按标准查取(比轮毂长度短5~10mm)C、普通平键的标记:键型键宽×键长标准号例:键16100 GB/T 1096-2003 表示键宽为16mm,键长为100mm的A型普通平键。
机械基础教案 7.3.轴一、教学内容本节课选自《机械基础》教材第七章第三节,主题为“轴”。
详细内容包括:轴的定义、分类及在机械系统中的作用;轴的结构特点及其设计要求;轴的材料选择及力学性能分析;轴的安装与维护。
二、教学目标1. 理解轴的定义、分类及在机械系统中的作用。
2. 掌握轴的结构特点、设计要求及其材料选择。
3. 能够分析轴的力学性能,了解轴的安装与维护方法。
三、教学难点与重点难点:轴的材料选择及其力学性能分析。
重点:轴的结构特点、设计要求及其在机械系统中的作用。
四、教具与学具准备1. 教具:轴实物模型、PPT课件、视频资料。
2. 学具:笔记本、教材、笔。
五、教学过程1. 引入:通过展示轴实物模型,引导学生思考轴在日常生活和工业生产中的应用。
2. 新课导入:介绍轴的定义、分类及在机械系统中的作用。
3. 知识讲解:a. 轴的结构特点及设计要求b. 轴的材料选择及力学性能分析c. 轴的安装与维护方法4. 例题讲解:讲解一道关于轴的设计题目,引导学生运用所学知识解决问题。
5. 随堂练习:布置两道练习题,巩固所学知识。
六、板书设计1. 板书主题:轴2. 板书内容:a. 轴的定义、分类及作用b. 轴的结构特点、设计要求c. 轴的材料选择、力学性能分析d. 轴的安装与维护七、作业设计1. 作业题目:a. 解释轴的定义,并列举三种常见的轴。
b. 简述轴的结构特点及设计要求。
c. 论述轴的材料选择原则及其力学性能分析。
2. 答案:八、课后反思及拓展延伸2. 拓展延伸:a. 了解轴在各类机械系统中的应用案例。
b. 探究轴的疲劳强度及其影响因素。
c. 学习轴的加工工艺及其检测方法。
重点和难点解析1. 轴的材料选择及其力学性能分析2. 轴的设计要求3. 教学过程中的例题讲解和随堂练习详细补充和说明:一、轴的材料选择及其力学性能分析1. 工作条件:轴的工作环境(如温度、湿度、腐蚀性等)对材料的选择有直接影响。
2. 载荷特性:根据轴所承受的载荷类型(如扭矩、弯矩等),选择具有相应力学性能的材料。
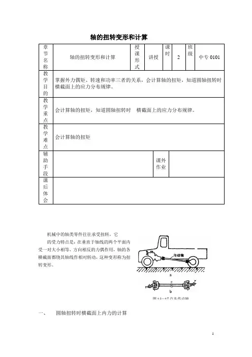
ab图14—17汽车传动轴轴的扭转变形和计算章节名称 轴的扭转变形和计算授课形式讲授课时2班级中专0101教学目的 掌握外力偶矩、转速和功率三者的关系,会计算轴的扭矩,知道圆轴扭转时 横截面上的应力分布规律。
教学重点 会计算轴的扭矩,知道圆轴扭转时 横截面上的应力分布规律。
教学难点 会计算轴的扭矩辅助手段课外作业课后体会机械中的轴类零件往往承受扭转,它 的受力特点是:在垂直于轴线的两个平面内受一对大小相等、方向相反的力偶作用,轴的各横截面都绕其轴线作相对转动,这种变形称为扭转变形。
一、圆轴扭转时横截面上内力的计算图14—18截面法求扭矩l 、外力偶矩:为了求出圆轴扭转时截面上的内力,必须先计算出轴上的外力偶矩,作用在轴上的外力偶矩往往不是直接给出的,而是根据给定的轴的传递功率和轴的转速算出来的,功率、转速和外力偶矩三者间的关系是:M =9550 P /n式中:P ——轴传递的功率(千瓦, KW) n ——轴的转速(转/分, r / min) M ——作用在轴上的外力偶矩(牛顿米,Nm)2、扭转时横截面上的内力——扭矩圆轴在外力偶矩的作用下,横截面上产生内力。
求内力的方法仍用截面法。
右图表示装有四个皮带轮的传动轴,在四个带轮上分别作用有主动力偶矩 M 1和从动力偶矩M 2、M 3、M 4,外力偶矩分别为 M 1=110Nm ,M 2=60Nm ,M 3=20Nm , M 4=30Nm 。
若计算 AB 段内任一截面上的内力,可假想沿该段内的任一截面1—1将轴截开,取左边部分为研究对象。
如图所示。
为了保证该段的平衡,必须以内力偶矩 Mn 1代替另一部分对被研究部分的作用, Mn 1称为扭矩。
扭矩的正负有如下规定:使右手拇指与截面法线的方向一致,若截面上的扭矩的转向与其它四指的转向相同,则扭矩取正号:反之取负号。
应用截面法时,一般都先假设截面上的扭矩为正。
扭矩的大小用平衡方程Σm=0求得,即AB 段内: Σm=0, M 1十Mn 1=0Mn 1=一M 1=一l10 Nm (设反)图14—19圆轴扭转变形图14—20圆轴的横截 面上剪应力的分布规律BC 段内: Σm =0 M 1—M 2+Mn 2=0 得 Mn 2=—50 Nm (设反) CD 段内: Σm =0 M 1—M 2—M 3十Mn 3=0 得 Mn 3=—30 Nm (设反) 为了清楚地看出各截面上的扭矩变化情况,以便确定危险截面,通常把扭矩随截面位置的变化绘成图形,称为扭矩图。
机械基础教案 7.3.轴一、教学内容本节课选自《机械基础》教材第七章第三节,主要详细内容为轴的设计原理、分类、应用及轴的计算。
内容包括轴的结构特点、轴的材料选择、轴的承载分析以及轴的强度计算等。
二、教学目标1. 理解轴的基本概念,掌握轴的分类及结构特点;2. 学会轴的材料选择和承载分析方法;3. 能够进行简单的轴的强度计算。
三、教学难点与重点教学难点:轴的承载分析和强度计算。
教学重点:轴的分类、结构特点及材料选择。
四、教具与学具准备1. 教具:挂图、模型、多媒体课件;2. 学具:计算器、笔、纸。
五、教学过程1. 导入:通过实际案例引入轴的概念,展示不同类型的轴及其应用场景,激发学生兴趣。
2. 新课导入:详细讲解轴的分类、结构特点及材料选择,让学生对轴有更深入的了解。
a. 轴的分类:按形状、用途等分类;b. 结构特点:直径、长度、形状等;c. 材料选择:碳钢、合金钢、不锈钢等。
3. 轴的承载分析:讲解轴的受力情况,分析轴的承载能力。
4. 轴的强度计算:介绍轴的强度计算方法,结合实例进行讲解。
5. 随堂练习:让学生针对所学内容进行练习,巩固知识。
六、板书设计1. 轴的分类、结构特点及材料选择;2. 轴的承载分析;3. 轴的强度计算。
七、作业设计1. 作业题目:a. 解释轴的分类及结构特点;b. 举例说明轴的材料选择;c. 根据给定数据,计算轴的强度。
2. 答案:八、课后反思及拓展延伸2. 拓展延伸:引导学生了解轴在实际工程中的应用,进一步拓展知识面。
重点和难点解析需要重点关注的细节包括:1. 教学内容的承载分析和强度计算部分;2. 教学目标的轴的材料选择和承载分析方法;4. 板书的轴的强度计算部分;5. 作业设计的计算题部分;6. 课后反思及拓展延伸的实际应用了解。
一、承载分析和强度计算1. 轴的受力分析:轴在运行过程中受到的载荷,包括扭矩、弯矩等;2. 轴的承载能力:根据轴的材料、尺寸等参数,计算轴的承载能力;3. 强度计算方法:介绍轴向载荷、扭转载荷、弯曲载荷作用下的强度计算方法;4. 实例分析:结合实际案例,讲解如何运用强度计算方法进行轴的设计。
2024年机械设计基础课程教案讲义轴的设计教案一、教学内容本节课选自《机械设计基础》教材第四章第二节,主题为轴的设计。
详细内容包括:轴的类型与结构特点、轴的材料选择、轴的强度计算、轴的刚度计算、轴的振动分析等。
二、教学目标1. 理解并掌握轴的类型、结构特点及其在机械系统中的应用。
2. 学会根据工作条件选择合适的轴材料,并进行轴的强度和刚度计算。
3. 了解轴的振动原因及防治措施,提高轴的设计水平。
三、教学难点与重点重点:轴的材料选择、强度计算、刚度计算。
难点:轴的振动分析及防治措施。
四、教具与学具准备1. 教具:PPT、黑板、粉笔。
2. 学具:计算器、教材、笔记本。
五、教学过程1. 实践情景引入(5分钟):通过展示不同类型的轴及其在机械设备中的应用,激发学生对轴设计的学习兴趣。
详细内容:介绍汽车传动轴、涡轮轴、曲轴等轴的类型及结构特点。
2. 理论讲解(15分钟):讲解轴的材料选择、强度计算、刚度计算及振动分析。
详细内容:(1)轴的材料选择:介绍常用轴材料及其性能,如碳钢、合金钢等。
(2)轴的强度计算:讲解轴的扭转强度、弯曲强度计算方法。
(3)轴的刚度计算:介绍轴的扭转刚度、弯曲刚度计算方法。
(4)轴的振动分析:分析轴振动的原因、危害及防治措施。
3. 例题讲解(15分钟):讲解一道轴的设计计算题,巩固所学知识。
详细内容:某汽车传动轴设计计算。
4. 随堂练习(10分钟):布置一道轴设计计算题目,让学生独立完成。
详细内容:某涡轮轴设计计算。
六、板书设计1. 轴的类型与结构特点2. 轴的材料选择3. 轴的强度计算4. 轴的刚度计算5. 轴的振动分析七、作业设计1. 作业题目:(1)简述轴的类型及结构特点。
(2)某轴的材料为45钢,直径为50mm,工作扭矩为1000N·m,试计算其扭转强度。
(3)某轴的材料为40Cr,直径为60mm,工作弯矩为1000N·m,试计算其弯曲强度。
2. 答案:(2)扭转强度计算公式:τ = T/(πd^3/16),其中T为扭矩,d为轴径。
珙县职业高级中学教案学科机械基础授课班级教师姓名周良平Ⅰ教学过程Ⅱ教学辅件——任务书完成下列任务Ⅲ另附多媒体课件:Ⅳ任务完成评价方法说明:对于实施了企业化管理的课堂教学,可以将下表定成册,即“学生综合业绩考核表”,人手一册,记录每一次活动任务的综合表现情况。
对于对于某些科目课堂教学,可以将完成当次任务所组成的临时小组作为考核单元,由指定的任务组长组织组员进行每人当次任务综合表现的评价。
任务完成评价表任务序号:珙县职业高级中学教案学科机械基础授课班级教师姓名周良平Ⅰ教学过程Ⅱ教学辅件——任务书完成下列任务Ⅲ另附多媒体课件:Ⅳ任务完成评价方法说明:对于实施了企业化管理的课堂教学,可以将下表定成册,即“学生综合业绩考核表”,人手一册,记录每一次活动任务的综合表现情况。
对于对于某些科目课堂教学,可以将完成当次任务所组成的临时小组作为考核单元,由指定的任务组长组织组员进行每人当次任务综合表现的评价。
任务完成评价表任务序号:珙县职业高级中学教案学科机械基础授课班级教师姓名周良平Ⅰ教学过程Ⅱ教学辅件——任务书完成下列任务Ⅲ另附多媒体课件:Ⅳ任务完成评价方法说明:对于实施了企业化管理的课堂教学,可以将下表定成册,即“学生综合业绩考核表”,人手一册,记录每一次活动任务的综合表现情况。
对于对于某些科目课堂教学,可以将完成当次任务所组成的临时小组作为考核单元,由指定的任务组长组织组员进行每人当次任务综合表现的评价。
任务完成评价表任务序号:珙县职业高级中学教案学科机械基础授课班级教师姓名周良平Ⅰ教学过程Ⅱ教学辅件——任务书完成下列任务Ⅲ另附多媒体课件:Ⅳ任务完成评价方法说明:对于实施了企业化管理的课堂教学,可以将下表定成册,即“学生综合业绩考核表”,人手一册,记录每一次活动任务的综合表现情况。
对于对于某些科目课堂教学,可以将完成当次任务所组成的临时小组作为考核单元,由指定的任务组长组织组员进行每人当次任务综合表现的评价。
a 一曲轴b 一光铀c —阶梯轴轴的概述 章节名称 轴的概述授课形式 讲授 课时 2 班级 中专0101 教学目的了解常用轴的种类和应用特点 教学重点掌握常用轴的结构 教学难点常用轴的结构 辅助手段课外作业课后体会一、常用轴的种类和应用特点轴是组成机器中的最基本的和主要的零件,一切作旋转运动的传动零件,都必须安装在轴上才能实现旋转和传递动力。
按照轴的轴线形状不同,可以把轴分为曲轴和直轴两大类。
曲轴可以将旋转运动改变为往复直线运动或者作相反的运动转换。
直轴在生产中应用最为广泛,直轴按照其外形不同,可分为光轴和阶梯轴两种。
此外,还可以有一些特殊用途的轴,如凸轮轴(凸轮与轴连成一体的轴),挠性钢丝软轴(由几层紧贴在一起的钢丝层构成的软轴,它可以把扭矩和旋转运动灵活地传到任何位置)等。
一般常用的是直轴。
根据轴的所受载荷不同,可将轴分为心轴、转轴和传动轴三类。
1.心轴及其应用特点 心轴的应用特点是用来支承转动的零件,只受弯曲作用而不传递动力。
车辆用的转动心轴;支承滑轮用的固定心轴。
2.转轴及其应用特点 转轴的应用特点是既支承转动零件又传递动力,转轴本身是转动的,同时承受弯曲和扭转两种作用。
3.传动轴及其应用特点 传动轴的应用特点是只传送动力,只受扭转作用而不受弯曲作用,或者弯曲作用很小。
桥式起重机传动轴,可以认为只受扭转作用的传动轴。
二、轴的材料及热处理轴的材料选用原则,要根据使用条件来选择,应具有足够的强度,疲劳强度,刚度和耐磨性,对应力集中的敏感性小。
轴的材料一般多用中碳钢,如35,45,50等优质中碳钢,其中以45钢应用最广,因为这类钢材价格便宜,对应力集中的敏感性较好,采用适当的热处理方法(调质、正火、淬火)可以改善和提高机械性能,而且还有良好的切削性能。
轴的材料有时用合金钢,如20Cr、40Cr等,用这类材料制成轴,具有承受载荷较大,强度较高,重量较轻及耐磨性较好等特点。
轴的材料还可以用球墨铸铁,它以吸振性、耐磨性和切削加工性能都很好,对应力集中不敏感,强度也能满足要求,可代替钢制造外形复杂的曲轴和凸轮轴,但铸件的品质不易控制,可靠性较差。
机械基础教案 7.3.轴一、教学内容本节课选自《机械基础》教材第七章第三节,主题为“轴”。
详细内容包括:轴的定义、分类、结构特点及其在机械系统中的应用。
重点分析轴的受力情况、材料选择和设计要求。
二、教学目标1. 理解轴的定义、分类和结构特点,掌握轴在机械系统中的作用。
2. 学会分析轴的受力情况,了解轴的材料选择和设计要求。
3. 能够运用所学知识,解决实际问题,提高创新意识和实践能力。
三、教学难点与重点教学难点:轴的受力分析、材料选择及设计要求。
教学重点:轴的定义、分类、结构特点及其在机械系统中的应用。
四、教具与学具准备1. 教具:实物模型、多媒体课件、挂图等。
2. 学具:笔记本、教材、计算器等。
五、教学过程1. 导入:通过展示实际机械系统中的轴的图片,引导学生思考轴的作用,激发学习兴趣。
2. 新课导入:讲解轴的定义、分类和结构特点,让学生了解轴的基本知识。
a. 定义:轴是连接两个或多个旋转部件的机械部件。
b. 分类:轴可分为实心轴、空心轴、阶梯轴等。
c. 结构特点:轴具有旋转、承受转矩和弯曲载荷等特点。
3. 知识讲解:详细讲解轴的受力情况、材料选择和设计要求。
a. 受力分析:轴主要承受转矩、弯矩等载荷。
b. 材料选择:根据轴的工作条件,选择合适的材料。
c. 设计要求:轴的设计要满足强度、刚度和稳定性等要求。
4. 实践情景引入:通过案例分析,让学生运用所学知识解决实际问题。
5. 例题讲解:分析典型案例,引导学生运用所学知识解题。
6. 随堂练习:布置相关习题,巩固所学知识。
六、板书设计1. 定义、分类、结构特点2. 受力分析3. 材料选择与设计要求4. 案例分析5. 例题讲解七、作业设计1. 作业题目:a. 解释轴的定义、分类和结构特点。
b. 分析轴的受力情况,说明材料选择和设计要求。
d. 结合所学知识,简述轴在机械系统中的作用。
2. 答案:八、课后反思及拓展延伸1. 反思:本节课通过讲解、实践情景引入、例题讲解等环节,使学生掌握了轴的基本知识。
轴机械基础电子教案 Document number:NOCG-YUNOO-BUYTT-UU986-1986UT
机械基础电子教案(2学时)
第8章支承零部件
8.1 轴
[课程名称]
轴
[教材版本]
栾学钢主编。
机械基础(多学时)。
北京:高等教育出版社,2010
栾学钢主编。
机械基础(少学时)。
北京:高等教育出版社,2010
[教学目标与要求]
一、知识目标
1、了解轴的结构、分类、常用材料。
2、理解轴上零件的轴向和周向固定方法,熟悉轴的结构工艺性。
二、能力目标
1、能够合理选择轴的材料。
2、能够正确分析轴上结构设计的目的。
三、素质目标
1、了解轴的功用和轴的常用材料。
2、能结合实际分析轴上各结构的功用。
四、教学要求
1、熟悉传动轴、心轴和转轴的区别,及轴的常用材料。
2、了解轴上零件的轴向和周向固定方法,及结构工艺性。
[教学重点]
1、直轴的分类、功用和轴的常用材料。
2、轴的结构要求及轴向和周向固定方法。
[难点分析]
轴上零件的固定方法,特别是结构工艺性。
[教学方法]
讲授法、实物教具演示、互动法、归纳法
[学生分析]
1、学生的实际知识较少,对于轴上零件的固定方法不易理解,尤其是结构工艺性更难懂,教学时应当配以课件或加工实况、实物,或生产安装的教学录像帮助学生理解轴的结构。
[教学资源]
1、机械基础网络课程。
北京:高等教育出版社,2010
2、吴联兴主编。
机械基础练习册。
北京:高等教育出版社,2010
3、课件、教具、实物。
[教学安排]
教学步骤:讲授与教具或实物演示交叉进行,配以课件或加工实况录像,穿插互动、提问与设问,最后小结。
2学时(90分钟)
[教学过程]
一、导入新课(10分钟)
机械零件是组成及其的最基本单元,生产中必须按图纸的工艺要求生产出每一个合格零件,然后再组装成构件和机器。
因此必须熟悉常用零件的功用、结构特点和加
工工艺,才能生产出适应机器使用要求的零件。
常用零件分为通用零件和专用零件。
专用零件指某些机器上特有的零件,如直升飞机上的螺旋桨,轮船上的螺旋桨,内燃机上的曲轴等。
通用零件是指在各种设备上都共同具有的零件,如螺钉、螺帽、轴承、齿轮等。
本课程只讲通用零件的结构、特点。
通用零件有部分是标准件,即可以在市场上买到的,不必要自己组织生产;而有一部分必须自己生产,但他们具有统一的标准和规格。
教师可演示实物,如有可能播放生产录像,了解零件的生产过程。
强调学习本章内容要注意贴近实际,联系生产。
二、新课(75分钟)
1、轴的功用与分类特点
轴是机器中最重要的零件之一,主要起支承轴上零件并传递运动和转矩的作用。
这里注意运动和转矩的区别。
轴的分类主要分清传动轴、心轴和转轴,一般的轴多为转轴,可举学生能见到的例来说明。
如书上所举的例子,或如下:
传动轴:汽车方向盘的轴;电风扇的轴
心轴:火车的车轮轴
转轴:大部分轴为转轴,如自行车中轴、齿轮、皮带轮的轴等等。
这里要注意的是三种轴的共同特点都应当以转动的轴为前提,再按受力状态来区分。
2、轴的常用材料
应介绍常用中碳钢45钢和合金钢40Cr作轴的材料,但是选择合金钢时,必须进行热处理,才能发挥合金钢的优势,否则合金钢对应力的敏感性对轴的强度反而产生不利的影响。
3、轴的结构
轴上零件的固定方法很多,分为轴向和周向固定两种,常用轴向固定的方法是键联接,它具有可拆性,而且可以传递很大的扭矩,应用广泛。
周向固定方法一般选用轴肩或轴套等,要根据实际情况来决定,但要简单方便可靠,易于加工。
因此,轴一般为阶梯形状。
教学时一定要结合课件或录像、教具进行,否则枯燥无味,学生没有兴趣。
或组织学生进行一次拆装实习,作实践体会,亲手感受。
轴的加工工艺性更难理解,工艺结构要结合车工实习的内容来讲,请同学谈自己实习加工的体会,就比较好懂,中心孔是加工细长轴和为了下一道工序加工准备的;退刀槽是为了加工螺纹时,防止撞坏零件左端面而设计的;越程槽是为了磨削后装配零件能到位而设计的。
装配工艺比较难懂,许多装配工艺是为了方便装配和准确定位而设计的。
如30°大倒角是为了顺利安装;两个零件在轴向和径向只能各有一个配合面,不可能使一个配合面同时接触两个面。
过度要求适得其反,实际上也是达不到要求的。
这里要培养学生从实际的要求为出发点来考虑问题,也就是理论要联系实际。
教学中配合课件演示教学,可以提高效果。
三、小结(10分钟)
1、按载荷方向直轴可以分为传动轴、心轴和转轴三种,大多数轴为转轴。
2、一般常见轴为45钢,较重要的轴为40Cr经过调质处理。
3、轴上零件的固定方法可分为轴向固定和周向固定两种。
轴肩和键是常用
的两种方法,具体要以实际而选用。
4、轴的加工工艺性是按加工需要确定的。
四、布置作业
练习册中P
[课后分析]。