蓝牙音响验货规范ProQC
- 格式:doc
- 大小:3.25 MB
- 文档页数:13
重點外觀檢驗提示:
1、太陽能板不可高於塑膠外殼、表面不可破裂、刮花及鏡片表面不可有髒污、刮花、顆粒污點及膠水。
(圖
2、4)
2、上下段差不能大於0.15mm、縫隙不可大於
開機狀開機狀小在任何LED
亮
藍牙配顯示當
按一次兩次為
短按播
審核擬定工程課制訂日期
楊文正修訂日期藍牙連接成功指示燈衡量不變
藍牙連接成功的狀態
藍牙搜尋指示燈
藍牙搜尋按鍵
麥克風測試切換開
麥克風接收外源信號位置
彩盒:字體及圖片需印刷清晰
字體內容需與樣品一致
彩盒內容絲印依照實物樣品對照
核 准 審核 制訂日期 2014/12/25 修訂日期
ETQN 版本包裝折盒、擺配件擺放視
SOULRA 版本彩
ETQN 版本彩盒
SOULRA 版本和ETQN 本彩盒條碼粘貼位置視圖(右邊條碼僅供參考)SOULRA(SRKS400B)版本和ETQN (NRKS400B)版本包材條碼說明Unit 相對彩ETQN 黑色
ETQN 綠色
SOULRA 黑色
SOULRA 綠色 ETQN 版本包裝需放單個固定美規適配器
SOULRA(SRKS400B)版本和ETQN(NRKS400B)版本外箱Color(顏色)、product ID(產品編號)及條碼內容見此份檢驗規範第六頁內容明細
核准審核擬定
楊文正
跌落測試注意事項:核准審核擬定工程課。
文件编号保密级□绝密□保密■一般版本号 A 第0次修改三级文件第1页共4 发布日期:2017.04.11音箱检验标准核定审核:制订:1目的规范音箱类产品的要求,为检验提供检验依据,以控制产品的品质。
2适用范围适用于各协力厂商所生产WOOK音箱类产品的检验。
3检验环境3.1检验温度:25℃±10℃,相对湿度:45%~85%3.2光照条件:在冷白荧光照射下,光源500-800Lux,距物品1米3.3视角:视线与工件平齐,正负旋转45°3.4视力要求:视力要求:≧0.8(裸视或经矫正后)3.5检视时间和距离:等级面AA级面A级面B级面检验距离30cm 30cm 30cm检验时间5-8秒4-6秒2-4秒4缺陷等级定义4.1致命缺陷(CR):指对使用者或携带者的安全带来危害或违反相关安规之缺陷。
4.2严重缺陷(MA):不构成致命缺陷,但很可能造成故障,或对单位产品使用功能会严重降低,或严重影响产品形象之缺陷。
4.3轻微缺陷(MI):外观性缺陷,不构成致命或主要缺陷,不影响产品使用功能。
5表面等级划分:AA面----公司LOGO及丝印区域。
A级面----正常使用时可以看到的面,如产品正面。
B级面----正常使用时看不到的表面及产品背面、底面及侧面。
6外观判定标准6.1常见外观缺陷判定表等级面缺陷AA级面A级面B级面特记事项缺陷等级CR MA MI有感划伤不允许不允许长L≤2mm,宽度W≤0.1mm,允收2个目视不明显√轻划伤不允许长L≤3mm,宽度W≤0.1mm,允收2个长L≤4mm,宽度W≤0.1mm,允收3个,每条间隔30mm以上√异色点不允许d≤0.2,每个面允收2个,d≤0.25,每个面允收3个,目视不明显,间隔30mm以上√凹凸点不允许d≤0.2,允收2个d≤0.25,允收3个不允许有手感,间隔30mm以上√碰伤不允许S≤0.1,深度小于0.1mm允收2个S≤0.3,深度小于0.1mm允收3个电镀件不允许有镀层破坏现象,喷油件不允许露底√缩水不允许参照限度样板参照限度样板√色差不允许对比样品或色板,不允许超出上/下限对比样品或色板,不允许超出上/下限√凹坑不允许d≤0.20,深度≤0.1,允收2个d≤0.25,允收3个间隔30mm以上√起泡不允许不允许不允许√间隙≤0.1mm ≤0.15mm ≤0.20mm 间隙必须匀称,平均小于0.1mm√断差不适用≤0.1mm≤0.15mm不可刮手√6.2通用外观要求:6.2.1产品Logo区或丝印周边20mm以内不允许有任何明显的缺陷,不允许有印刷模糊、缺少笔画、漏印、印偏及色泽不均匀等现象。
文件编号版本/修订发出部门生效日期页码总页数DQE-WI-0??R01/00 DQE部2019-12-09 第1页共18页文件修(制)订履历一览表更改日期版本号更改内容修订相关评审人员会签总经办:研发一部:研发二部:研发三部:研发四部产品中心:结构技术部:材料技术部:计划供应部:/供应开发部:/ 后勤部:/ 货仓部:/PE部:生产一部:生产二部:机电部:/ 工模部:/ IE部:注塑部:/ 自动化工程部:/ 品质一部制程品质部:文控中心:/ 品质一部IQC部:/ 品质二部:/DQE部:/ 信息管理部:/ 人力资源部:/修订日期审核日期批准日期受控印台受控文件印章为蓝色有效未经授权,本文件不得拷贝文件编号版本/修订发出部门生效日期页码总页数DQE-WI-0??R01/00 DQE部2019-12-09 第2页共18页1.目的制定本公司的检验标准和试验方法,确保本公司所有的单声道蓝牙音箱能满足研发设计、用户的使用要求。
2.适用范围本规程适用于单声道输出低功率蓝牙音箱类产品的的验证测试。
注:适用于新产品验证、试产类产品验证、工程ECN变更类产品的测试验证。
3.职责3.1 DQE根据研发规格书与相关的执行标准或安规要求对各阶段(新产品验证、试产类产品验证、工程变更类产品)单声道音箱进行确认检验;3.3 所有测试按照各阶段定义要求进行测试。
4.定义4.1新品验证测试项目:基本电性能、应用测试、可靠性测试、兼容性测试4.2试制/试产测试项目:基本电性能、应用测试4.3量产测试项目:基本电性能、应用测试4.4ECN工程变更测试项目:根据修改变更选择测试5.测试项目5.1 电源输入部分5.1.1 输入电流a)目的确认由输入电源流入产品的电流是否在客户所要求的规格或本公司开发规格内,避免因过大电流造成产品的损坏b)测试条件1)输入:电压上限/下限/额定电压2)负载:基准电压平台3)环境:室温c)测试设备电子负载:IT8511+;直流电源:GPD-3303S;d)测试方法1)用电子负载模拟电池,CV模式带载。
部门级文件蓝牙音箱成品查验标准版次A2制/订正版本制/订正人制/订正内容(章节)制/订正日期部门级文件蓝牙音箱成品查验标准版次A2文件制 / 订正简历1.目的此标准规定了蓝牙音箱收标准 , 保证蓝牙音箱表记、包装及性能切合设计、市场要求,保证产品质量。
2.合用范围合用于本企业生产的全部蓝牙音箱类制程质量交收与出货查验。
3.参照文件 .3.1 《抽样计划》标准作业程序抽样标准MIL-STD-105E,取一般查验水平Ⅱ3.1.2 抽样计划抽样计划及质量判断标准按量产采纳AQL:CR=0,MA=0.4,MI=1.0试产时采用全检,之规定进行实行:3.2 以 H45 音箱《产品规格书》为参照蓝本, 详细参数以详细型号已认可的产品规格书为准。
4.定义4.1 缺点分级定义4.1.1 A 类致命缺点( Critical Defect ) :此种弊端将致使装置者或使用者遇到严重损害或造成产品不可以履行其功能之缺点。
4.1.2 B 类主要弊端( Major Defect ) :将可能造成产品功能故障, 降低其使用效能或其余有关客户主要规定之质量误差的弊端 , 或可能造成使用者诉苦者, 均属于主要弊端.4.1.3 C 类次要弊端( Minor Defect ) :指不影响产品的合用性和功能或外观的弊端, 对产品的使用者不会造成不良反响或影响之弊端, 均属于次要弊端.部门级文件蓝牙音箱成品查验标准版次A2 5.惯例外观查验查验项目现象描述缺点判断使用工具1.1直径≧ 0.5mm C目视直径 0.4mm <砂粒(汽泡)< 0.5mm 可允收 2 点且两点1.2C目视砂粒相距 20mm, 但不可以在 Logo汽泡正面地点上,高出则拒收1.3直径砂粒(汽泡)≦ 0.3mm产品外观在可允收 3 点,但两点之距应C目视大于 10mm ,高出则拒收1.1直径> 0.5mm C目视砂粒直径 0.5mm <砂粒(汽泡)汽泡≦ 0.6mm 在同一面可允收 21.2C目视侧面点,但两点之距应大于10mm ,高出则拒收 .刮伤 1.1线幅粗≧ 0.3mm C目视文件编号RS-QA-02文件类型页次4/16部门级文件蓝牙音箱成品查验标准版次A2正面线幅粗 0 <刮伤< 0.3mm,长度≦ 3mm ,可允收 2 条,1.2但地点不在Logo上,两条之C目视距需大于20mm,高出则拒收1.1线幅粗>0.5mm拒收C目视刮伤侧线幅粗 0 <刮伤≦ 0.5mm长面度≦ 4mm ,可允收 2 条,两1.2C目视条之距应大于10mm,高出则拒收接合线幅≦ 1.0mm ,长度≦5mm C目视线各组装零件表面有胶及其空隙有溢溢胶C目视胶及发白可见毛边毛边没刮干净,批锋C目视各组装零件应组装到位,空隙不行空隙超出 0.1MM, 断差不行超出C目视文件类型部门级文件蓝牙音箱成品查验标准组装各组装零件应组装到位,USB头及PCB不行晃动倾斜.颜色颜色不对,或误差高出10% 以上按键各按键手感不良功能正常插头与旅充或 USB 配合使用切合尺插座寸规格要求目视彩盒表面,要求表面干净平坦,无褶皱损坏、无污渍杂质。
蓝牙音箱成品检验规范(ISO9001-2015)1.0目的为确保产品的外观及功能在标准范围内,符合公司和客户所需的质量要求,参与业界,客户及各方技术资料制定检验的依据和质量判定标准,以资引用。
2.0适用范围蓝牙音箱成品检验规范。
3.0定义3.1严重缺点(Critical Defect):此种缺点将导致装配者或使用者受到严重伤害之缺点。
3.2主要缺点(Major Defect):产品功能故障,降低其使用效能或其它客户规定的缺点。
3.3次要缺点(Minor Defect):指不影响产品的适用性和功能或外观的缺点,对产品的使用者不会造成不良影响之缺点,均属于次要缺点。
3.4抽样计划抽样计划及质量判定标准按量产采用AQL:CR=0,MA=1.5,MI=4.0,ISO2859单次常规抽验II级水准。
3.5限度样品对于文字难以叙述清楚或不易判定合格与否之外观缺点,则以提供良品与不良品之限度样品及说明图片,供作出货检验时判定之参考。
3.6本标准由品质部负责解释,标准中未能涵盖的质量缺陷,由品质部参考现状、客户或业界标准进行判定。
3.7当检验判定不可量化且存在争议时,以"是否满足最终用户的明确或潜在合理需求"为原则,进行分析和判定。
3.8如来料为客户提供物料,因客户对物料已做过检查,故可根据实际情况,对部分检查项目实行放宽处理。
3.9检验设备/工具:卡尺,塞规,对照卡,样品,洒精,电脑,蓝牙测试设备,手机等.4.0相关文件4.1《抽样计划》标准作业程序4.2《成品检验》标准作业程序5.0.责任.:本检验规范由品保部订定,由品保成品检验人员依据执行,并依实际作业需要随时修订,以维持系统运作顺畅.6.0.程序6.1注意事项:6.1.1作业前请戴静电手套,防止造成外观不良.6.1.2检验中的各种产品须明确标示检验状态.6.1.3.作业检验前请先阅读检验WI.6.1.4.产品所有附件的版本以<<承认书>>为准.6.1.5检验时注意5S.6.1.6检验时需轻拿轻放,避免产品掉落地上.6.2作业程序:6.2.1.检验员确认送验批量后依据WI规定的抽样计划对送验产品进行抽样。
1. 目的:为验证我司各机型在不同工作状态、不同环境条件下的可靠性,暴露设计、材料、工艺所存在的缺陷,提高产品可靠性能和确保试验结果的正确性,特建立试验管理规以保证原材料、成品满足客户品质要求。
2. 围:凡与在新品开发、进料、成品、量产出货过程中,有关的原材料、半成品与成品处于可靠性测试阶段的相关事项与人员均适用;此规适用于本公司新产品设计试验、例行性可靠性试验、重大质量问题验证和替代物料、开发工程设计变更验证等需进展可靠性试验的材料与成品。
3. 定义:QRS:品质可靠性系统〔Quality Reliability System〕3.1产品试验质量保证:产品在设计、试制、量产验证阶段环节,依据产品设计测试方案与试验指导作业文件,对产品正常性能、结构、工艺特性等进展常规例行、可靠性依赖性试验,以确认产品最终出货质量保证。
3.2开发设计验证:指确定新产品开发设计初期产品满足各项相关设计指标、技术参数要求与潜在失效问题特定对该设计〔或变更〕样品进展的试验。
3.3产品试制验证:指小批量验证确定开发设计产品的各项相关设计指标、技术参数、可靠性与稳定性要求而对小批量试制产品〔或变更〕样品进展的批量试验。
3.4工程变更验证:指已量产的产品因其他原因导致需要变更物料、辅料、工艺时,为保证其变更不影响原有产品品质而特定针对性进展的相关试验。
3.5例行验证:指已量产的产品在后期制造过程中,为验证其产品〔或物料〕品质后期是否发生变化而进展的例行常规试验。
4.权责:4.1品质部:执行、监测,参与问题分析,提供相关试验报告,并对问题点的改善追踪,直至问题关闭。
4.2 技术部:所需进展试验的产品,同时视情况根据QE验证需求参与试验;a、《功能描述书》—用于功能/软件测试参考b、《产品规格书》--用于功能/软件测试参考 c、《电路原理图》—用于温升测试原件选择4.3 品质部QA:4.4 品质部IQC:4.5 工程部:项所需进展试验的产品,同时视情况根据QE验证需求参与试验;5. 容:5.1试验申请审核流程:—需求部门长批准—试验室工程师—实验室负责人—品质部长—开发总监—试验申请提出者5.1 产品设计验证阶段:技术部在进展产品试作阶段时,根据需要以正式《产品试验需求单》的形式提出试验申请,同时提供该机型《功能描述书》或《产品规格书》给到实验室作为试验参考;并提供不少于试验最低要求样品数〔具体数量见各试验项目“开发/工程样品〞数量要求〕样品 (零部件/产品)做好相应标示予实验室QE进展可靠性试验:开发设计工程变更〔如:产品方案变更、软件变更、PCB设计变更等〕,技术部须以正式《产品试验需求单》的形式提出试验申请,同时在《产品试验需求单》备注项注明更改的具体项目;并提供不少于试验最低要求样品数〔具体数量见各试验项目“开发/工程样品〞数量要求〕样品 (零部件/产品)做好相应标示予实验室QE进展可靠性试验:5.2 产品试制验证阶段:新品试制阶段时,待试制过程完毕后,QA对试验产品进展100%全功能与外观进展检验,检验完成后由品质部QA以书面《产品试验需求单》的形式提出试制产品试验申请,100%交由实验室QE进展产品试制验证阶段可靠性试验:5.3 量产例行验证阶段:量产阶段原材料〔包含辅料〕需按样本比例抽查进展可靠性试验,由IQC以《产品试验需求单》的形式提出试验申请,并提供试验样品标示好料号与厂商给实验室按照物料特性进展可靠性试验;目前的定义为五金类、变压器与客户特别要求的物料。
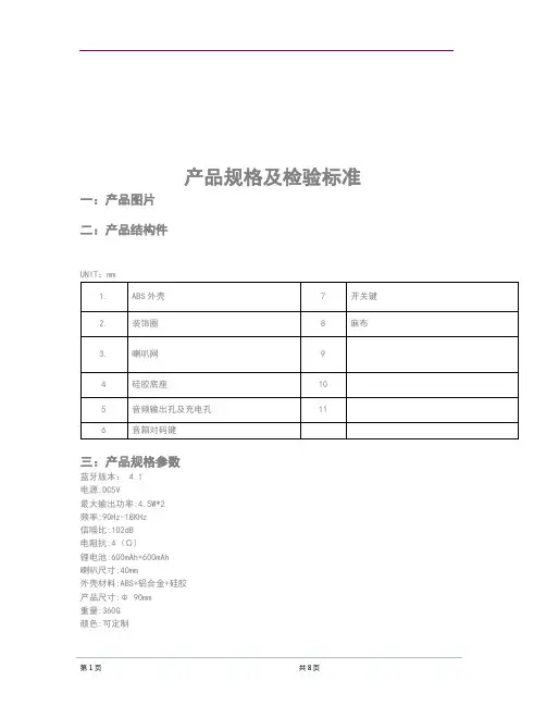
产品规格及检验标准一:产品图片二:产品结构件UNIT:mm三:产品规格参数蓝牙版本: 4.1电源:DC5V最大输出功率:4.5W*2频率:90Hz-18KHz信噪比:102dB电阻抗:4 (Ω)锂电池:600mAh+600mAh喇叭尺寸:40mm外壳材料:ABS+铝合金+硅胶产品尺寸:Φ 90mm重量:360G颜色:可定制功能及特点概述:市面上少有一手机同时连接两个蓝牙音箱的产品,个性,独一无二,适合高档产品。
四:产品颜色选型确认:1:线材颜色:黑/白色,线长:50CM USB+3.5音频2:外壳颜色:黑色,金色,银灰色,白色,蓝色,灰色,黄色等五:产品包装确认:1:包装尺寸:2:包装材质:3:包装袋子:六:产品成本BOM表七:产品出厂检验标准7.1:抽样计划与允许标准:抽样方式依据MIL—STD—105E标准,采用一般抽查水平II。
允收标准(AQL)为:CR=0.0, MAJ=0.65, MIN=1.57.2:检验环境要求:相对温度:25℃±10℃相对湿度:50%~85%光照条件:在正常40W灯光照射下,光源300~500Lux,距物品1米视距:目视距离30-35cm。
视角:目视角度45度与90度。
目视时间:物品之每一面注视3~5秒。
7.3:使用的仪器和工具手机/平板/适配器/游标卡尺/直流电源/蓝牙测试盒\电流表7.4: 缺陷定义:7.4.1 CR(Critical):致命缺陷,对产品使用、维修或有关人员会造成危害或不安全的缺陷,抵触安全规格要求的;7.4.2 MAJ(Major):不构成致命缺陷的,但可能造成故障,或对单位产品预定的目的使用性能会有严重的降低的缺陷,或妨碍到某些主要的功能的缺陷;7.4.3 MIN(Minor):不构成致命缺陷或严重缺陷,只对产品的有效使用或使用性能有轻微的影响的。
7.5:产品性能检验产品出厂检验规范。
要求,参与业界,客户及各方技术资料制定检验的依据和质量判定标准,以资引用。
2.0 适用范围蓝牙音箱(BSK03E 系列产品)成品检验规范–WOOX Innovations(DSEC1640/C1641/C1642/C1643)3.0 定义3.1严重缺点(Critical Defect):此种缺点将导致装配者或使用者受到严重伤害之缺点。
3.2主要缺点( Major Defect ):产品功能故障, 降低其使用效能或其它客户规定的缺点。
3.3次要缺点( Minor Defect ) :指不影响产品的适用性和功能或外观的缺点,对产品的使用者不会造成不良影响之缺点,均属于次要缺点。
3.4 抽样计划抽样计划及质量判定标准按量产采用AQL:CR=0,MA=1.5,MI=4.0,ISO2859 单次常规抽验II级水准。
3.5 限度样品对于文字难以叙述清楚或不易判定合格与否之外观缺点, 则以提供良品与不良品之限度样品及说明图片,供作出货检验时判定之参考。
3.6 本标准由品质部负责解释,标准中未能涵盖的质量缺陷,由品质部参考现状、客户或业界标准进行判定。
3.7 当检验判定不可量化且存在争议时,以"是否满足最终用户的明确或潜在合理需求"为原则,进行分析和判定。
3.8 如来料为客户提供物料,因客户对物料已做过检查,故可根据实际情况,对部分检查项目实行放宽处理。
3.9 检验设备/工具:卡尺,塞规,对照卡,样品,洒精,电脑,蓝牙测试设备,手机等.4.0. 相关文件.4.1《抽样计划》标准作业程序4.2《成品检验》标准作业程序5.0. 责任.:本检验规范由品保部订定,由品保成品检验人员依据执行,并依实际作业需要随时修订,以维持系统运作顺畅.6.0. 程序6.1 注意事项:6.1.1作业前请戴静电手套, 防止造成外观不良.6.1.2检验中的各种产品须明确标示检验状态.6.1.3.作业检验前请先阅读检验WI.6.1.4.产品所有附件的版本以<<承认书>>为准.6.1.5检验时注意5S.6.1.6检验时需轻拿轻放,避免产品掉落地上.6.2 作业程序:6.2.1.检验员确认送验批量后依据WI规定的抽样计划对送验产品进行抽样。
蓝牙音箱ccc认证标准简介蓝牙音箱是一种流行的无线音频设备,可以通过蓝牙技术连接到其他设备播放音乐。
在中国,CCC认证是一种强制性产品认证,指示产品符合中国国家安全和质量标准。
本文将介绍蓝牙音箱CCC认证的标准和要求。
CCC认证概述CCC(中国强制性产品认证)是由中国质量认证中心(CQC)组织实施的。
该认证旨在确保在中国市场销售的产品符合国家安全和质量标准。
蓝牙音箱作为一种电子产品,也需要进行CCC认证以在中国市场销售。
蓝牙音箱CCC认证标准蓝牙音箱CCC认证需要符合以下标准:1. GB 8898-2011《家用和类似用途电器的安全》这个标准规定了家用和类似用途电器产品的安全要求和试验方法。
蓝牙音箱作为一种电器产品,需要符合该标准的安全要求。
例如,产品必须具有足够的绝缘保护,防止触电等意外事故发生。
2. GB 9420-1997《消防用品的保护等级》这个标准规定了消防用品的保护等级和防护要求。
蓝牙音箱在使用过程中可能会遇到火灾等危险情况,需要具备一定的防火保护能力。
该标准要求蓝牙音箱能够在一定时间内抵抗火焰蔓延和高温。
3. GB 9254-2008《信息技术设备辐射骚扰限值及测量方法》这个标准规定了信息技术设备发射的电磁辐射骚扰限值和测量方法。
蓝牙音箱作为一种无线通信设备,需要满足该标准对于电磁辐射的限制。
产品不应该对其他设备的正常运行产生干扰。
4. GB 13837-2012《家用和类似用途电器产品的噪声限值》这个标准规定了家用和类似用途电器产品的噪声限值和测量方法。
蓝牙音箱在使用过程中会发出声音,需要符合该标准对于噪声的限制。
产品的噪声水平应该在规定的范围内,不应该对用户造成噪声污染。
5. GB/T 18287-2013《移动电话电池技术规范》这个标准规定了移动电话电池的技术要求和测试方法。
蓝牙音箱通常使用电池供电,需要符合该标准对于电池的要求。
例如,电池应该具有较长的使用寿命和稳定的性能。
蓝牙音响成品检验判定标准(ISO9001-2015)1.0目的1.1建立成品检验判定标准,作为产品检验的判定之依据。
1.2确保成品品质符合客户要求。
1.3找出潜在的质量问题,作为改正制程及改善品质之依据。
2.0适用范围:本标准适用于本公司生产的所有蓝牙音箱成品的检验判定。
3.0定义3.1装配缺陷的定义3.1.1.产品塑胶件及喷漆的缺陷描述:色差、杂点、断裂、批锋、脏污、有感刮伤、无感刮伤、翘曲、顶白∕顶凸、气泡、气纹、积油、桔纹、掉漆、剥落、光泽度、指印3.1.2.产品表面印刷的缺陷描述:图案不全、印偏、重影、断线、图案间距不符、多印、色差、错印、反印、倒印、漏印3.1.3.产品装配的缺陷描述:间隙、段差、缺件、部件装错、部件装反、部件不对称、螺丝打滑牙、螺丝打花、螺丝镀层脱落、压痕、活动部位力度不符、异响、头带夹持力不符3.2.功能缺陷的定义3.2.1喇叭缺陷的描述:无音、杂音、变音、大小音、单边音、声道不分、电流声、极性反、INT3.2.2麦克风缺陷的描述:无咪、咪小、咪大、咪杂、咪啸叫、咪电流、INT3.2.3调音键缺陷的描述:按键调音有杂音、按键失控、开关失控、LED不亮、INT3.2.4无线功能缺陷的描述:干扰杂音,不能复位、距离不够、无法配对、INT 3.2.5声道功能缺陷的描述:前置无音、中置无音、后置无音、串音、极性反、无振动、振动小3.3包装缺陷的定义3.3.1吸塑∕折盒缺陷的描述:变形、刮花、毛边、厚度不均、色差、脏污、有感刮伤、无感刮伤。
3.3.2彩盒∕彩卡缺陷的描述:印刷不良、色差、脱胶、变形、粉尘、粘屑、脏污、不能粘合3.3.3附件缺陷的描述:附件错漏反、3.3.4贴纸缺陷的描述:印刷不良、不能扫描、印刷错误3.3.5外箱缺陷的描述:印刷不良,印刷错误、外箱贴纸错∕漏、尺寸不符、破损4.0检验及判定标准4.1缺陷类别:4.1.1.致命缺陷(CR):对使用者、保养者有人身安全伤害者之缺陷。
蓝牙音响检验规范(ISO9001-2015)1.0 目的为明确本公司蓝牙音响产品成品检验标准,为生产、质量控制提供判定依据,制定本标准。
2.0 范围:本公司所有蓝牙音响类产品成品。
(特殊要求检验产品除外)3.0 引用标准:按国标GB/T2828.1-2012《品质抽样检验标准》4.0 抽样方案:GB/T2828.1-2012正常检查一次抽样方案II级水准,CR=0,MA=0.65,MI=4.05.0 定义:5.1 A面: 除主机侧面的正反面称为A面。
5.2 B面: 主机的侧面及在非直视角度下可以看见的表面.5.3 CR(Critical):致命缺陷,对环境或对人体产生危害或具有危害的隐患,违反相关安全规定之缺陷。
5.4 MAJ(Major):主要缺陷,指影响产品功能,导致不能正常工作或是严重的外观不良,对环境或对人体没有危害或隐患。
5.5 MIN(Minor):次要缺陷,对产品功能有部分影响能够正常工作,外观存在不良,对环境或对人体没有危害或隐患6.0 检验环境:6.1 温度: 15~30℃, 湿度45~95%;6.2 检验场所灯光:300~500 LUX(40W日光灯或更高亮度);;6.3 目视距离:30~40cm;6.4 检验角度:90±45度及从各个角度目视;6.5 检验时间:4S~10S/每面;6.6 检验人员视力及色觉正常,双眼裸视1.0以上,无色盲、色弱等视觉缺陷。
7.0音响基本功能性能检验及缺陷分类:检验项目检验要点缺陷描述缺陷分类CR MA MI开、关机音响开机按多功能键4秒以上,不能正常开机◎音响关机在音响开启状态下,按多功能键4秒以上不能关机◎音响配对进入配对状态按住多功能键不能进入音响配对状态◎音响配对音响在配对模式下不能和蓝牙手机配对◎音响功能(部分音响可能不能实现所有功能,具体检验项目根据产品标准书)接听、挂断电话音响不能正常接听或挂断电话◎通话功能音响在通话过程中出现己方或对方无声音◎拒接电话来电时,按住接听键2秒以上不能拒接来电(参照说明书操作)◎启动静音在通话过程中按住音量键2秒以上不能启动静音(参照说明书操作)◎重拨功能按音量键2秒手机不能重拨电话(参照说明书操作)◎语音拨号不能实现语音拨号功能(参照说明书操作)◎音量调节按“音量+”或“音量-”键不能对音响实现音量控制◎通话保持在通话状态下按多功能键2秒以上,MIC不能静音;在通话保持状态下按多功能键2秒以上不能解除通话MIC静音状态(参照说明书操作)◎无提示音或错误提示在正常进行各项操作时,听筒中听不到提示音或提示音和说明书叙述不一致(参照说明书)◎按键功能音响任意一个或多个按键无功能或灵敏度差◎指示灯音响指示灯不亮,过亮,过暗,指示灯亮度存在明显差异或颜色颠倒。
蓝牙音响验货规范(Pro-QC)————————————————————————————————作者:————————————————————————————————日期:东莞市超蓝电子有限公司D ongGu an Cy berb lue Ele ctronic co., L TDPROCESS WORK INS TR UCT IONS程序工作指导书DOCU MENT NO .: 文 件 编 号 WI -Q C-028 EFF ECTIVE DA TE : 生 效 日 期 2014.10.08VERSION: 版 次A1 PA GE: 页 次1 O F11 SUB JECT: 主 题蓝牙音箱(BSK03E 系列)成品检验规范-WOO X(D SE C1640/C1641/C1642/C1643) ORI GI NATOR : 起 草 人 熊小林<DAT E>AP PROVED BY: 核 准 人 魏翠平 <DATE>D CN 版次 新版生效日期 内容(变更叙述)A1 2014.10.08 新版发行PAG E NO.123456789101112VER SIO N A1A1A1A1A1A1A1A 1A1A1A1A1DATE 10.8. 10.810.810.810.810.810.810.810.810.810.810.81.0目的为确保产品的外观及功能在标准范围内,符合公司和客户所需的质量要求,参与业界,客户及各方技术资料制定检验的依据和质量判定标准,以资引用。
2.0 适用范围蓝牙音箱(BSK03E系列产品)成品检验规范–WOOX Innovations(DSE C1640/C1641/C1642/C1643)3.0定义3.1严重缺点 (CriticalDefect):此种缺点将导致装配者或使用者受到严重伤害之缺点。
3.2主要缺点( Major Defect ):产品功能故障, 降低其使用效能或其它客户规定的缺点。
3.3次要缺点 ( Minor Defect ) :指不影响产品的适用性和功能或外观的缺点,对产品的使用者不会造成不良影响之缺点,均属于次要缺点。
3.4 抽样计划抽样计划及质量判定标准按量产采用AQL:CR=0,MA=1.5,MI=4.0,ISO2859 单次常规抽验II级水准。
3.5限度样品对于文字难以叙述清楚或不易判定合格与否之外观缺点, 则以提供良品与不良品之限度样品及说明图片,供作出货检验时判定之参考。
3.6 本标准由品质部负责解释,标准中未能涵盖的质量缺陷,由品质部参考现状、客户或业界标准进行判定。
3.7 当检验判定不可量化且存在争议时,以"是否满足最终用户的明确或潜在合理需求"为原则,进行分析和判定。
3.8 如来料为客户提供物料,因客户对物料已做过检查,故可根据实际情况,对部分检查项目实行放宽处理。
3.9检验设备/工具:卡尺,塞规,对照卡,样品,洒精,电脑,蓝牙测试设备,手机等.4.0. 相关文件.4.1《抽样计划》标准作业程序4.2《成品检验》标准作业程序5.0. 责任.:本检验规范由品保部订定,由品保成品检验人员依据执行,并依实际作业需要随时修订,以维持系统运作顺畅.6.0. 程序6.1 注意事项:6.1.1作业前请戴静电手套, 防止造成外观不良.6.1.2检验中的各种产品须明确标示检验状态.6.1.3.作业检验前请先阅读检验WI.6.1.4.产品所有附件的版本以<<承认书>>为准.6.1.5检验时注意5S.6.1.6检验时需轻拿轻放,避免产品掉落地上.6.2 作业程序:6.2.1.检验员确认送验批量后依据WI规定的抽样计划对送验产品进行抽样。
6.2.2所有的丝印及附件都须核对客户所签样板。
6.2.3.当判定为不良品时,需标示出不良并记录相关数据,把不良品装入不良品盒中.6.2.4.外观检验OK产品需做功能测试.6.2.5功能测试后,须确认数量是否OK并及时封箱.6.3 外观检验:6.3.1 检验环境:6.3.1.1距离:在40W日光灯下2-3米,眼睛距离被测物30CM,45度±10度检视。
6.3.1.2检验时间:停留一处之时间3~5秒。
6.3.2判退标准:6.3.2.1超过规定定义之允收者即为不合格。
6.3.2.2可使用MA及MI进行不良判定。
6.3.2.3眼睛距被测物30CM、45度±10度,停留一处3-5秒未发现不良则不计缺点。
6.3.2.4本规范有缺失之内容,请参照限度样品,业界、客户要求或品质主管、副总经理决议。
6.3.4产品外观检验标准:参考客户标准,如果客户无明确标准,以下列准则:检验内容项次现象描述判定使用工具备注CR MA MILogo 1.0Logo丝印错误,颜色错误√样品计划单1.1Logo丝印位置不正确,字体模糊,丝印脱落等√目视3M胶纸外观砂粒汽泡正面1.1 直径≧0.5mm √目视对照卡1.2直径0.4mm<砂粒(汽泡)<0.5mm可允收2点且两点相距20mm,但不能在Logo位置上,超出则拒收√目视对照卡1.3直径砂粒(汽泡)≦0.3mm在可允收3点,但两点之距应大于10mm,超出则拒收√对照卡侧面1.1 直径>0.5mm √对照卡1.2直径0.5mm<砂粒(汽泡)≦0.6mm在同一面可允收2点,但两点之距应大于10mm,超出则拒收.√目视对照卡外观刮伤正面1.1 线幅粗≧0.3mm √目视对照卡1.2线幅粗0<刮伤<0.3mm,长度≦3mm,可允收2条,但位置不在Logo上,两条之距需大于20mm,超出则拒收√目视对照卡侧面1.1线幅粗>0.5mm拒收√目视对照卡1.2线幅粗0<刮伤≦0.5mm长度≦4mm,可允收2条,两条之距应大于10mm,超出则拒收√目视对照卡接合线线幅≦1.0mm,长度≦5mm,超出则拒收√目视对照卡溢胶各组装部件表面有胶及其间隙有溢胶及发白可见√目视毛边毛边没刮干净,批锋√目视部件各部件无缺损,破裂,变形,用错等√目视间隙各组装部件应组装到位,间隙不可超过0.2MM差不可超过0.20MM√塞规组装各组装部件应组装到位,USB头及PCB不可晃动倾斜.注意所有外壳互配之级位/凹凸需≦0.5mm,所有外壳互配之隙位需≦1mm。
√目视手感颜色颜色不对,或偏差超出10%以上√计划单限度样品检查本体按键功能键,加减键手感不良功能正常√目视手感听视电源插头功能键,加减键手感不良功能不正常√目视插头与旅充或USB配合使用符合尺寸规格要求√6.3.4客户特殊要求:1.丝印不能残缺、脱落、模糊不清现象6.4 功能测试6.4.1功能鈕介紹:A:开/关机键B:电话按键-接听电话/结束当前通话1.按键手感要良好2.丝印要清晰喇叭膜上不能有胶水1.底部螺丝不能漏打2.不能漏C: 连接MINI USB线充电D:指示灯6.4.2功能檢查項目功能程序說明1开/关机将拨动开关机键至ON位置,开机将拨动开关机键至OFF位置,关机-主机开启音源,蓝牙指示灯蓝色亮之后灭;-主机关闭音源,蓝牙指示灯红色亮之后灭。
2锂电池充电-USB线连接到MINI_USB插座,-丝印左上边的指示灯亮红色,表示在充电中。
-当锂电池的电量充满时,指示灯灭。
6.4.3蓝牙检查項目功能程序說明1 配对蓝牙设备拔动开关拔到ON位置后,按电话键大约6秒,会看到红灯蓝灯交替闪亮,表明蓝牙免提在匹配搜寻状态。
操作手机使之配对即可- 连接上之后指示灯闪烁(约5秒一次)。
注:不同颜色配对名称不同。
黑色:DSE C1640,红色:DES C1641,紫色:DSE C1642,绿色:DSE C16432“蓝牙”连接断开-在蓝牙配对后,按手机“断开已连接”选项,-选择手机上的“确认”图标确认-或直接关闭蓝牙设置、按主机拨动开关键关闭主机电源。
3 通话控制-在Bluetooth已连接或在播放音乐模式来电:-按一下电话键–接听来电-再按一下电话键–结束通话-按住电话键(约3秒)-拒绝来电重拨电话:长按电话键3秒,静音话筒:通话中双击电话键静音,再双击回复话筒6.4.4、特別測試(依產品規格測試2台)6.4.4.1 模式转换或按其它任意键不可有杂音;6.4.4.2 丝印附着力测试:用3M-600膠紙覆盖在丝印表面,使其充分覆盖,静置一分钟, 然后以45度角度迅速撕去胶带,做3次,不應有脫色或脫油等現象;6.4.4.3 寿命测试:在常温下产品连接手机播放音乐2小时无杂音,破音及混浊;6.4.4.5蓝牙远距离(10米/无障碍物)检查(每批测试10台);6.4.4.6每批产品抽1~3台先连上BT并放音,然后离开蓝牙接收范围,5分钟内再返回到有效范围内,应能自动连接上并恢复放音;6.4.4.7每批需100%确认MINI_USB及后面USB插座是否能正常充电。
6.5 包装检查A:黑色型号(DSE C1640):黑色注塑外壳,底壳客制丝印:"d"(429U)配对名称:DSE C1640产品颜色产品丝印产品彩盒产品贴纸流水号贴纸内箱贴纸: 外箱贴纸注意需要检查外箱内箱及型号及产品贴纸内容序列号是否一致,其他包材信息参考订单号。
B:红色型号(DES C1641):红色注塑外壳,底壳客制丝印:"d"(黑色),配对名称DES C1641产品颜色产品丝印产品彩盒产品贴纸序列号贴纸内箱贴纸:外箱贴纸C 紫色型号(DES C1642紫色注塑外壳,底壳客制丝印:"d"(黑色),配对名称DES C 1642产品颜色产品丝印产品彩盒产品贴纸序列号贴纸内箱贴纸外箱贴纸D:绿色型号(DESC1643)绿色注塑外壳,底壳客制丝印:"d"(黑色),配对名称DES C 1643产品颜色产品丝印产品彩盒产品贴纸序列号贴纸内箱贴纸外箱贴纸6.5.1包装方法是否正确,主机,附件放置,有无错件,漏件,多件及位置是否正确。
6.5.2包装箱颜色,纸质,印刷,破损,是否符合规格有无污渍及不接受之书写或贴纸。
6.5.3彩盒有无潮湿,封箱胶纸或封钉有无不良,污渍,彩盒纸质是否正确,6.5.4贴纸完整无漏,损伤,错,丝印不良,位置不正确,胶袋有无裂痕或损伤。
6.5.5检查包装箱内有无不合格记号(如返工,坏品记号)。
6.5.6检查附件齐备有无多件,少件,错件现象,主机,说明书.6.6 包装尺寸重量检查6.7.1重量大于0.300Kg,误差为±3%;小于0.300Kg誤差为7%;尺寸误差为4%。
6.7.2 OQA抽测5台机重量及尺寸,以平均值为最终测量数值。
6.7.3 净重(Net weight):包括随机附件(客户用得到的附件)、IFU;6.7.4毛重(Gross weight):整个CTI重量和包装材料。