范本4:三级及以上施工安全风险动态识别、评估及预控措施(线路部分)
- 格式:doc
- 大小:100.50 KB
- 文档页数:16
四、线路工程施工1、项目驻地建设1.1驻地临建临建搭拆坍塌高处坠落42 2房屋结构件及板材应牢固,禁止使用损伤或毁烂的结构件及板材,搭设和拆除作业应指定工作负责人,作业前应进行安全技术交底,拆除破旧临建房及霜冻雨雪天气屋面作业时,应做好可靠的防坠、防滑措施,作业中加强安全监护。
1.2医疗保障1.2.1高海拔地区施工未建立医疗保障和后勤保障体系窒息高原反应、疫情传播126 3(1)按照要求项目部及时建立和完善医疗保障和后勤保障体系。
(2)根据需要在开工前在施工区域内设置医疗救护点,并制定出完善的高原病防治措施。
精品文档1.2.2进入高海拔地区施工未习服高原反应126 3(1)建立健全项目管理体系,针对当地自然环境与高海拔气候因素,联系医学专家制定习服的有关措施要求。
(2)建立习服医疗保障基地。
1.2.3进入高海拔地区未经医疗卫生培训及体检高原反应54 2(1)对参加施工的全体员工进行培训,让其了解自我保护和保护环境的相关知识。
(2)对参加施工的全部员工进行体检。
1.2.4进入高海高原反应54 2(1)建立健全相关预防高原病的管理体系要求,并监督执行。
(2)严格履行开工前、施工中、完工后人员的身体检查和复精品文档拔地区施工未建立工前、工中、工后体检管理体系要求检措施要求。
1.3 高原性疾病防治1.3.1高原强紫外线照射高原反应18 1尽量减少和避免在强光下工作、停留,必要时采取防晒措施(涂抹防晒霜和唇膏)。
1.3.2高原寒冷高原反应9 1 对参加施工的全体员工发放必备的劳动保护用品。
精品文档气候伤害1.3.3高原大风、雨雪、冰雹等伤害设备事故9 1遇到大风、雨雪、冰雹等天气严禁施工,建立健全防止自然灾害的应急预案,合理安排工作日。
1.3.4日常巡诊及医疗药品设备未配备高原反应54 2进入高原高海拔地区,各施工点必须配备足够的应急药品和吸氧设备,选择和使用合格产品,使用时按要求进行过滤,并控制流量和时间。
电力三级及以上施工安全风险识别评估和预控清册12020年4月19日军营110千伏输变电工程(电力隧道)(第三标段)三级及以上施工安全风险识别、评估和预控清册一、三级及以上施工安全风险识别、评估及控制管理针对三级及以上施工安全风险,项目部应采取以下管理措施:(1)施工项目部是现场施工安全风险识别、评估及控制的执行主体。
组织项目部所有员工学习《国家电网公司电网工程施工安全风险识别、评估及控制办法(试行)》文件,确保施工项目部管理人员、施工人员熟悉施工安全风险管理流程及相关工作。
(2)开展现场初勘,确定本项目各工序固有风险。
编制《施工安全风险识别、评估、预控清册》,对三级及以上作业风险逐一进行复测并填写《施工作业风险现场复测单》。
(3)将《三级及以上施工安全风险识别、评估和预控清册》和《作业风险现场复测单》报监理项目部审核并报业主项目部备案。
(4)根据作业前动态因素,计算确定作业动态风险等级,建立《三级及以上施工安全风险动态识别、评估及预控措施台帐》,并根据动态风险等级采取相应措施。
22020年4月19日(5)三级及以上风险作业前,相关管理人员必须到岗到位。
(6)三级及以上风险作业必须填写《电网工程安全施工作业票B》。
同时,按照作业步骤填写《电网工程安全施工作业票B》中的作业风险控制卡有关项目,并由工作负责人逐项确认。
(7)将《三级及以上施工安全风险识别、评估和预控清册》报送公司审查,公司审查经过后报业主项目部和监理项目部审批。
(8)三级施工安全风险控制:施工班组负责人、安全员(监护人)和监理人员到场。
四级施工安全风险控制:施工单位要有分管领导组织现场检查,相关职能部门派专人监督,施工项目经理、专职安全员到位;监理单位要有分管领导组织现场检查,项目总监、安全监理工程师现场监督;建设单位要有分管领导组织现场检查,业主项目经理、业主项目部安全专职现场监督;省级公司要有基建安全管理人员适时开展监督检查。
项目部经过动态识别、计算得知,开挖深度大于5米的开挖作业内容的风险等级为3级。
三级固有风险清册一、变电站部分(不含电力隧道、电力沉井盾构、地下变电站工程)1. 土方开挖作业内容可产生的危险固有风险评定D1固有风险级别预控措施开挖深度在3米到5米之间的基坑挖土坍塌90 3(1)弃土堆高≤1.5 米。
(2)一般土质条件下弃土堆底至基坑顶边距离≥1.2 米。
(3)垂直坑壁边坡条件下弃土堆底至基坑顶边距离≥3 米。
(4)软土场地的基坑边则不应在基坑边堆土。
(5)坑边如需堆放材料机械,必须经计算确定放坡系数必要时采取支护措施。
(6)挖土区域设警戒线,各种机械、车辆严禁在开挖的基础边缘2m内行驶、停放。
2.模板工程作业内容可产生的危险固有风险评定D1固有风险级别预控措施模板安装高处坠落、坍塌96 3(1)模板安装前应制定施工方案或技术措施,确定模板的模数、规格及支撑系统等,在施工作业过程严格执行不得变动。
(2)建筑物框架施工时,模板运输时施工人员应从梯子上下,不得在模板、支撑上攀登。
严禁在高处的独木或悬吊式模板上行走。
(3)模板顶撑应垂直,底端应平整并加垫木,木楔应钉牢,支撑必须用横杆和剪刀撑固定,支撑处地基必须坚实,严防支撑下沉、倾倒。
(4)支设柱模板时,其四周必须钉牢,操作时应搭设临时工作台或临时脚手架,搭设的临时脚手架应满足脚手架搭设的各项要求。
(5)支设梁模板时,不得站在柱模板上操作,并严禁在梁的底模板上行走。
(6)采用钢管脚手架兼作模板支撑时必须经过技术人员的计算,每根立柱的荷载不得大于2t,立柱必须设水平拉杆及剪刀撑。
(7)独立柱或框架结构中高度较大的柱安装后应用缆风绳拉牢固定。
模板拆除物体打击、坍塌106 3(1)模板拆除时应填写安全工作票,对作业人员进行安全交底后进行作业。
(2)模板拆除应按顺序分段进行。
严禁猛撬、硬砸及大面积撬落或拉倒。
高处拆模应划定警戒范围,设置安全警戒标志并设专人监护,在拆模范围内严禁非操作人员进入。
(3)作业人员在拆除模板时应选择稳妥可靠的立足点,高处拆除时必须系好安全带。
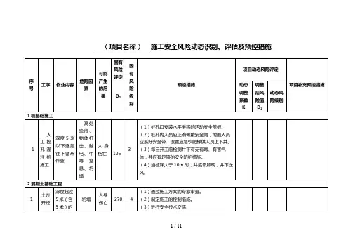
范本2:三级及以上施工安全风险识别、评估和预控清册三级固有风险清册一、变电站部分(不含电力隧道、电力沉井盾构、地下变电站工程)1. 土方开挖作业内容可产生的危险固有风险评定D1固有风险级别预控措施深度超过5米(含5米)的深基坑挖土或未超过5米,但地质条件与周边环境复杂坍塌270 4(1)通过施工方案的专家审查。
(2)制定施工的控制措施。
(3)进行安全技术交底。
(4)严格按批准的施工方案执行。
开挖深度在3米到5米之间的基坍塌90 3(1)弃土堆高≤1.5 米。
(2)一般土质条件下弃土堆底至基坑顶边距离≥1.2 米。
(3)垂直坑壁边坡条件下弃土堆底至基坑顶边距离≥3 米。
(4)软土场地的基坑边则不应在基坑边堆土。
作业内容可产生的危险固有风险评定D1固有风险级别预控措施坑挖土(5)坑边如需堆放材料机械,必须经计算确定放坡系数必要时采取支护措施。
(6)挖土区域设警戒线,各种机械、车辆严禁在开挖的基础边缘2m内行驶、停放。
土石方爆破爆炸135 3(1)开挖采用爆破法施工时,必须遵照GB6722的有关规定执行。
(2)从事爆破的人员必须取得公安部门颁发的安全作业证。
2.模板工程作业内容可产生的危险固有风险评定D1固有风险级别预控措施模板安装高处坠落、坍塌96 3(1)模板安装前应制定施工方案或技术措施,确定模板的模数、规格及支撑系统等,在施工作业过程严格执行不得变动。
(2)建筑物框架施工时,模板运输时施工人员应从梯子上下,不得在模板、支撑上攀登。
严禁在高处的独木或悬吊式模板上行走。
(3)模板顶撑应垂直,底端应平整并加垫木,木楔应钉牢,支撑必须用横杆和剪刀撑固定,支撑处地基必须坚实,严防支撑下沉、倾倒。
(4)支设柱模板时,其四周必须钉牢,操作时应搭设临时工作台或临时脚手架,搭设的临时脚手架应满足脚手架搭设的各项要求。
(5)支设梁模板时,不得站在柱模板上操作,并严禁在梁的底模板上行走。
(6)采用钢管脚手架兼作模板支撑时必须经过技术人员的计算,每根立柱的荷载不得大于2t,立柱必须设水平拉杆及剪刀撑。
三级及以上施工安全风险动态识别评估及预控措施台账在建筑施工中,安全问题一直是一个重要的话题。
施工作业面临着各种各样的风险,为了确保施工工作的安全进行,施工方需要进行安全风险动态识别评估,并采取相应的预控措施。
本文将介绍三级及以上施工安全风险动态识别评估及预控措施台账的相关内容。
一、安全风险动态识别评估施工安全风险动态识别评估是指在施工期间,根据施工的实际情况,对施工过程中的安全风险进行及时的识别、评估和管控。
施工安全风险动态评估内容应包括:1.施工现场安全管理规章制度的完善制定适合的规章制度,安全管理责任制,明确职责和工作要求,实行岗位责任制,全面加强安全管理,减少事故发生的几率。
2.常规安全管理措施在施工工地内,按照要求设置安全警示标志牌,明确安全警示颜色,文明施工,做到人车分离。
3.施工过程的风险评估对施工过程中的危险因素进行评估,根据不同的风险等级制定相应的控制措施,确保施工过程中的安全以及工作人员的安全。
4.设施、设备的安全评估对施工使用的设施和设备进行评估,确保设施和设备的安全稳定,确保施工质量和安全。
5.现场管理对施工现场进行管理,对各项作业进行指导和管理,协调各项作业顺利进行。
二、预控措施台账为了有效地控制施工过程中的各种风险,需要采取一系列的预控措施。
同时,需要建立预控措施台账,记录施工过程中出现的各种风险以及相应的预控措施。
预控措施台账内容应包括:1.安全预控措施的制定针对施工过程中的各种风险因素,制定相应的安全预控措施,做到应对有度,预防于未然。
2.安全培训对施工作业人员进行安全培训,增强他们的安全意识和风险防范意识,使其能够主动发现施工现场的风险问题,及时采取措施加以解决。
3.隐患排查对施工现场进行日常的隐患排查,发现一项处理一项,杜绝隐患滋生,避免出现安全事故。
4.应急预案建立应急预案,预先采取措施,为应对意外事件做好准备。
5.监督检查对施工现场进行监督检查,督促相关人员按照规章制度执行,严格按照要求开展工作,确保施工过程中的安全和质量。
范本3三级及以上施工安全风险动态识别评估及预控措施施工安全风险动态识别、评估及预控措施(变电部分)一、动态识别与评估1.施工现场环境动态识别与评估:根据变电工程的具体施工现场,进行环境动态识别与评估。
主要包括地质地形、气候环境、自然灾害等因素分析,确保施工现场环境符合安全施工的要求。
2.人员行为动态识别与评估:对参与变电工程施工的人员,进行行为动态识别与评估。
主要包括施工人员的技术能力、安全意识、工作积极性等因素的分析,确保施工人员具备安全施工所需的素质。
3.施工设备和机械动态识别与评估:对使用的施工设备和机械,进行动态识别与评估。
主要包括设备的维护情况、安全性能、技术指标等方面的分析,确保使用的设备和机械在施工过程中的安全可靠。
4.施工过程动态识别与评估:对变电工程施工过程中可能出现的安全风险进行动态识别与评估。
主要包括施工顺序、工序安排、材料管理等方面的分析,确保施工过程中的安全条例得到有效实施。
二、预控措施1.加强施工现场管理:建立施工现场安全管理制度,明确施工责任和安全要求。
设置现场警示标识,划定施工区域和非施工区域,确保施工人员的安全。
2.加强人员培训和教育:对施工人员进行安全教育培训,提高他们的安全意识和技能。
定期组织安全演练,提升应对突发事件的能力。
3.设备及机械保养维护:对施工设备和机械进行定期保养维护,确保其正常运行和安全性能。
加强设备操作人员的培训,提高其操作技能和安全意识。
4.建立安全监测和报警系统:安装安全监测设备和报警系统,及时监测施工现场的安全状况。
一旦发现安全隐患,立即进行报警和处理,确保施工人员的生命安全。
5.加强材料管理:对施工过程中需要使用的材料进行管理,确保其质量可靠。
建立材料采购审批制度,严格把关材料的质量和供应渠道。
6.健全应急预案:制定详细的安全应急预案,明确各种突发事件的应急处置措施。
进行应急演练,提高施工人员的应对能力。
7.加强沟通和协作:以上就是对三级及以上施工安全风险动态识别、评估及预控措施(变电部分)的范本。
军营110千伏输变电工程(电力隧道)(第三标段)三级及以上施工安全风险识别、评估和预控清册一、三级及以上施工安全风险识别、评估及控制管理针对三级及以上施工安全风险,项目部应采取以下管理措施:(1)施工项目部是现场施工安全风险识别、评估及控制的执行主体。
组织项目部所有员工学习《国家电网公司电网工程施工安全风险识别、评估及控制办法(试行)》文件,确保施工项目部管理人员、施工人员熟悉施工安全风险管理流程及相关工作。
(2)开展现场初勘,确定本项目各工序固有风险。
编制《施工安全风险识别、评估、预控清册》,对三级及以上作业风险逐一进行复测并填写《施工作业风险现场复测单》。
(3)将《三级及以上施工安全风险识别、评估和预控清册》和《作业风险现场复测单》报监理项目部审核并报业主项目部备案。
(4)根据作业前动态因素,计算确定作业动态风险等级,建立《三级及以上施工安全风险动态识别、评估及预控措施台帐》,并根据动态风险等级采取相应措施。
(5)三级及以上风险作业前,相关管理人员必须到岗到位。
(6)三级及以上风险作业必须填写《电网工程安全施工作业票B》。
同时,按照作业步骤填写《电网工程安全施工作业票B》中的作业风险控制卡有关项目,并由工作负责人逐项确认。
(7)将《三级及以上施工安全风险识别、评估和预控清册》报送公司审查,公司审查通过后报业主项目部和监理项目部审批。
(8)三级施工安全风险控制:施工班组负责人、安全员(监护人)和监理人员到场。
四级施工安全风险控制:施工单位要有分管领导组织现场检查,相关职能部门派专人监督,施工项目经理、专职安全员到位;监理单位要有分管领导组织现场检查,项目总监、安全监理工程师现场监督;建设单位要有分管领导组织现场检查,业主项目经理、业主项目部安全专职现场监督;省级公司要有基建安全管理人员适时开展监督检查。
项目部经过动态识别、计算得知,开挖深度大于5米的开挖作业内容的风险等级为3级。
三级及以上施工安全风险清册及计算公式见附表。
.上都电厂至承德站Ⅲ回500kV线路工程第Ⅲ标段三级及以上施工安全风险辨别、评估和预控清册序号工序作业可产生内容的危险基础施工掏挖基深度大于5坍塌础开挖米的开挖杆塔施工抱起重伤杆系统布害置悬浮抱杆地物体打分解锚坑选择击、起重组立及设置损害吊物体打击、机具装塔头损害固有风固有险评定风险D1级别12639033142 3预控举措1)一定有专项施工方案。
2)装备优秀通风设备。
3)上、下基坑时使用梯子。
4)设置安全监护人和上、下通信设备。
(1)组塔前,应依据作业指导书的要求分拉线坑,各拉线间以拉线及对地角度要切合举措要求,技术员或安全员负责检查。
(2)抱杆直接支在柔软土质时,根部采纳防沉举措;支在坚硬或冻结地面时,根部采取防滑举措。
(3)钢丝绳端部用绳卡固定连结时,绳卡压板应在钢丝绳主要受力的一边,且绳卡不得正反交错设置;绳卡间距不该小于钢丝绳直径的6倍;绳卡数目应切合规定。
工作票上应注明坑深尺寸,地锚埋设前,派专人测尺检查,深度足够,挖好马道,回填夯实后,负责人检查后在工作票上署名确认。
严格按作业指导书安全技术要求,按抱杆的吊载计算,认真查对图纸手册的吊段重量参数,禁止超重吊装。
'..序号工序作业 可产生 固有风 固有 险评定风险内容的危险D1级别架线施工跨越10 千伏及以上 超越带电运转电力线作业路、铁路、 坍毁、物二级及以1353上公路等 体打击特别超越架搭设和拆掉超越不断电电力 触电、电网2404线施 超越作业事故工预控举措1)编制专项施工方案。
2)严格按赞同的施工方案履行。
3)超越架的施工搭设和拆掉由有资质的专业队伍施工。
4)安装完成后经检查查收合格后方准使用。
(1)重要和特别超越架的搭拆应由施工技术部门提出搭拆方案, 经审批后实行。
(2)超越架同排立杆 每 6~7根应设剪刀撑,每隔2根立杆应设一支杆, 超越架两头及中间应装设靠谱的拉线。
(3)组立钢 格 构式带电超越架后,应实时做好接地举措。
四、线路工程施工1、项目驻地建设1.1驻地临建临建搭拆坍塌高处坠落42 2房屋结构件及板材应牢固,禁止使用损伤或毁烂的结构件及板材,搭设和拆除作业应指定工作负责人,作业前应进行安全技术交底,拆除破旧临建房及霜冻雨雪天气屋面作业时,应做好可靠的防坠、防滑措施,作业中加强安全监护。
1.2医疗保障1.2.1高海拔地区施工未建立医疗保障和后勤保障体系窒息高原反应、疫情传播126 3(1)按照要求项目部及时建立和完善医疗保障和后勤保障体系。
(2)根据需要在开工前在施工区域内设置医疗救护点,并制定出完善的高原病防治措施。
1.2.2进入高海拔地区施工未习服高原反应126 3(1)建立健全项目管理体系,针对当地自然环境与高海拔气候因素,联系医学专家制定习服的有关措施要求。
(2)建立习服医疗保障基地。
1.2.3进入高海拔地区未经医疗卫生培训及体检高原反应54 2(1)对参加施工的全体员工进行培训,让其了解自我保护和保护环境的相关知识。
(2)对参加施工的全部员工进行体检。
1.2.4进入高海高原反应54 2(1)建立健全相关预防高原病的管理体系要求,并监督执行。
(2)严格履行开工前、施工中、完工后人员的身体检查和复拔地区施工未建立工前、工中、工后体检管理体系要求检措施要求。
1.3 高原性疾病防治1.3.1高原强紫外线照射高原反应18 1尽量减少和避免在强光下工作、停留,必要时采取防晒措施(涂抹防晒霜和唇膏)。
1.3.2高原寒冷高原反应9 1 对参加施工的全体员工发放必备的劳动保护用品。
气候伤害1.3.3高原大风、雨雪、冰雹等伤害设备事故9 1遇到大风、雨雪、冰雹等天气严禁施工,建立健全防止自然灾害的应急预案,合理安排工作日。
1.3.4日常巡诊及医疗药品设备未配备高原反应54 2进入高原高海拔地区,各施工点必须配备足够的应急药品和吸氧设备,选择和使用合格产品,使用时按要求进行过滤,并控制流量和时间。
1.4 高原生1.4.1进疫情传54 2 (1)经过培训全体施工人员了解防疫知识。
四、线路工程施工1、项目驻地建设1.1驻地临建临建搭拆坍塌高处坠落42 2房屋结构件及板材应牢固,禁止使用损伤或毁烂的结构件及板材,搭设和拆除作业应指定工作负责人,作业前应进行安全技术交底,拆除破旧临建房及霜冻雨雪天气屋面作业时,应做好可靠的防坠、防滑措施,作业中加强安全监护。
1.2医疗保障1.2.1高海拔地区施工未建立医疗保障和后勤保障体系窒息高原反应、疫情传播126 3(1)按照要求项目部及时建立和完善医疗保障和后勤保障体系。
(2)根据需要在开工前在施工区域内设置医疗救护点,并制定出完善的高原病防治措施。
精品文档1.2.2进入高海拔地区施工未习服高原反应126 3(1)建立健全项目管理体系,针对当地自然环境与高海拔气候因素,联系医学专家制定习服的有关措施要求。
(2)建立习服医疗保障基地。
1.2.3进入高海拔地区未经医疗卫生培训及体检高原反应54 2(1)对参加施工的全体员工进行培训,让其了解自我保护和保护环境的相关知识。
(2)对参加施工的全部员工进行体检。
1.2.4进入高海高原反应54 2(1)建立健全相关预防高原病的管理体系要求,并监督执行。
(2)严格履行开工前、施工中、完工后人员的身体检查和复精品文档拔地区施工未建立工前、工中、工后体检管理体系要求检措施要求。
1.3 高原性疾病防治1.3.1高原强紫外线照射高原反应18 1尽量减少和避免在强光下工作、停留,必要时采取防晒措施(涂抹防晒霜和唇膏)。
1.3.2高原寒冷高原反应9 1 对参加施工的全体员工发放必备的劳动保护用品。
精品文档气候伤害1.3.3高原大风、雨雪、冰雹等伤害设备事故9 1遇到大风、雨雪、冰雹等天气严禁施工,建立健全防止自然灾害的应急预案,合理安排工作日。
1.3.4日常巡诊及医疗药品设备未配备高原反应54 2进入高原高海拔地区,各施工点必须配备足够的应急药品和吸氧设备,选择和使用合格产品,使用时按要求进行过滤,并控制流量和时间。