钻孔灌注桩工程质量评估报告
- 格式:doc
- 大小:47.00 KB
- 文档页数:7
钻孔灌注桩桩基评估报告钻孔灌注桩桩基评估报告1. 引言1.1 目的1.2 背景1.3 评估范围2. 桩基施工情况2.1 桩基类型2.2 施工方法2.3 施工过程记录2.4 质量控制措施3. 桩基检测方法3.1 静载试验3.2 动力触探试验3.3 超声波检测3.4 图象记录4. 数据分析和评估4.1 桩基承载力计算4.2 桩身质量评估4.3 桩顶位移与沉降评估4.4 桩基可靠性评估5. 结果和结论5.1 桩基承载力5.2 桩身质量5.3 桩顶位移与沉降5.4 桩基可靠性6. 建议和措施6.1 加固措施6.2 维护建议7. 附件7.1 施工图纸7.2 静载试验数据记录7.3 动力触探试验数据记录7.4 超声波检测数据记录7.5 图象记录8. 法律名词及注释8.1 《土木工程施工质量管理条例》8.2 《档案管理办法》8.3 《建设工程质量检测与评定规范》附件:1. 施工图纸附件2. 静载试验数据记录附件3. 动力触探试验数据记录附件4. 超声波检测数据记录附件5. 图象记录附件法律名词及注释:1. 土木工程施工质量管理条例 - 国家关于土木工程施工质量管理的法规,包括施工管理、质量检测、档案管理等方面的内容。
2. 档案管理办法 - 国家关于建设工程档案管理的法规,包括档案归档、保管、查询、利用等方面的规定。
3. 建设工程质量检测与评定规范 - 国家关于建设工程质量检测与评定的规范,包括检测方法、评定标准、检测机构资格等方面的内容。
钻孔灌注桩监理评估报告钻孔灌注桩监理评估报告一、工程概述本次监理评估的钻孔灌注桩工程位于xxxx,涉及xxxx施工合同。
工程设计桩径为xxx,桩长为xxx,采用xxx护壁,共计xxx根桩。
施工过程采用xxx施工工艺,材料采用xxx水泥,混凝土强度等级为xxx。
二、监理过程与结果在施工过程中,我们严格执行了施工图纸和技术规范的要求,对施工单位的每道工序进行了严格的监督和检查。
在桩孔定位、钻孔、清孔、钢筋笼制作与安装、混凝土灌注等关键环节,我们进行了细致的质量控制,确保了每根桩的施工质量。
经过我们的监理,本工程共完成xxx根桩的施工,其中xxx根桩无质量问题,合格率为xxx。
在施工过程中,我们及时发现并处理了xxx 个质量问题,包括孔斜、缩径、钢筋笼安装不规范等,有效避免了可能产生的质量隐患。
三、质量评估根据我们的监理记录和已完成的工程情况,我们对本工程的质量做出以下评估:1、桩孔定位准确,孔位偏差符合设计要求;2、钻孔过程中,孔斜控制在设计范围内,无异常情况;3、钢筋笼制作规范,安装位置准确,满足设计要求;4、混凝土灌注过程顺利,桩身强度符合设计要求。
四、建议与展望经过我们的监理评估,我们认为本工程的施工质量达到了设计和规范的要求。
为了进一步提高工程质量,我们提出以下建议:1、加强施工过程中的质量监控,对可能出现的问题及时发现并处理;2、严格控制原材料质量,确保混凝土强度和钢筋笼的制作质量;3、在施工过程中,加强护壁施工管理,确保孔壁稳定和安全。
展望未来,希望施工单位能够继续保持高质量的施工水平,确保工程的顺利进行,为社会和业主提供优质、安全的工程产品。
我们也将继续做好监理工作,为工程质量提供有力的保障。
钻孔灌注桩工程质量评估报告一、工程概况本次钻孔灌注桩工程位于地的工地,施工单位施工公司,工程规模为XX平方米。
本次工程的目的是确保建筑的稳定性和安全性,因此工程质量评估显得尤为重要。
二、施工过程1.钻孔施工单位按照设计要求,确定了钻孔点位,并使用合适的设备进行钻孔。
钻孔过程中,施工单位控制了钻孔的深度和直径,确保钻孔的质量。
评价:钻孔过程中,施工单位操作规范,达到了设计要求。
2.灌注经过钻孔后,施工单位开始进行灌注桩的灌注工作。
施工单位根据设计要求,选择了适合的灌注材料,并使用了合适的设备进行灌注。
灌注过程中,施工人员对灌注混凝土的浇筑速度进行了控制。
评价:灌注过程中,施工单位选择了合适的灌注材料,并严格控制了浇筑速度,确保了灌注桩的质量。
三、质量评估1.孔径和孔深根据设计要求,本次工程的钻孔直径为X米,孔深为X米。
现场检查结果显示,钻孔的孔径和孔深均符合设计要求。
评价:钻孔孔径和孔深与设计要求一致,符合施工标准。
2.灌注质量通过对灌注桩进行抽样和现场检测,发现灌注混凝土的强度符合设计要求,达到了工程要求,且无明显的空鼓或裂缝现象。
评价:灌注桩的强度和稳定性达到了设计要求,施工质量良好。
3.规范性和对设计要求的符合程度通过对施工现场的检查和与设计图纸的对比,发现施工单位在施工过程中严格按照设计要求进行施工,符合相关规范和标准。
评价:施工单位严格遵循设计要求,施工规范,施工质量有保障。
四、改进意见与建议1.施工单位在施工前应根据设计要求选择合适的钻孔设备,并做好设备的维护,以确保钻孔的质量。
2.施工单位应加强对灌注混凝土强度的监控,确保其达到设计要求。
3.施工单位在施工过程中应加强与设计单位的沟通,及时解决施工中的问题,以保证工程的质量。
五、总结通过对钻孔灌注桩工程的质量评估,可以得出结论:本次工程的施工质量优良,符合设计要求和相关标准。
施工单位在施工过程中严格按照设计要求进行施工,使用合适的设备和材料,确保了工程质量的稳定性和安全性。
编号:PG—03工程桩基工程质量评估报告总监理工程师:日期:年月日监理单位:上海安正建设管理咨询有限公司目录一、工程概况二、工程质量监控情况三、工程质量评估依据四、工程质量验收组织五、工程质量验收情况六、工程质量评估意见1、工程概况1.1 ××××商住楼工程位于××小区西侧,北邻×号楼,南邻×号楼,地下一层,地上十五层,建筑面积达10579 m2,±0.000相当于绝对标高5.450m。
结构采用钢筋砼框架结构,抗震等级三级。
桩基工程于2003年10月4日开始,至2003年12月6日结束。
1.2桩基设计要求桩型:泥浆护壁钻孔灌注桩工程桩径:φ600mm。
有效桩长:30.400m。
钢筋笼:16Φ22,环箍2φ12@2000,螺旋箍φ8@100-200。
与底版地梁锚固长度0.500m。
保护层厚度:为50mm。
桩身砼强度:为C30.(水下),按C35配制。
桩数:193根。
单桩承载力:1200KN1.3主要参与单位建设单位:上海××安置业股份有限公司勘察单位:上海××勘察工程设计院设计单位:上海××建筑设计(集团)有限公司施工单位:上海××建设总公司桩基分包单位:上海××建筑工程有限公司监理单位:上海安正建设管理有限公司2、工程质量监控情况2.1施工过程监控情况:2.1.1钻孔灌注桩采用SPJ-300型桩机施工,使用单腰带锥形钻头(锥形尖角大于120°),自然造浆护壁,正循环回转钻成孔,两次清孔,道浆管回顶法,水下商品混凝土灌注成桩工艺。
2.1.2根据桩基施工图及有关规范、规程,制定钻孔灌注桩质量监控监理实施细则。
2.1.3根据钻孔灌注桩质量监控监理实施细则的要求,实施24小时轮班跟踪及旁站监理,执行单桩分工序验收制度,上道工序未经验收或验收不合格,不得进入下道工序施工。
钻孔灌注桩评估报告A1编号:JT-JC-07-001a-2002-2×××工程3楼A1单元钻孔灌注桩#工程质量评估报告工程名称:景泰花园二期工程3#楼A1单元钻孔灌注桩工程建设单位:上海泰元置业有限公司施工单位:上海建工集团福建地矿建设集团公司(沪)设计单位:美国JY建筑规划设计事务所中国船舶工业第九设计研究院监理单位:上海建通工程建设有限公司总监:××工程3#楼钻孔灌注桩工程质量评估报告一、工程概况××工程3#楼由三个分区组成,其中一分区A1与A2两个不同房型的部分组成,A1为33层高层住宅基础为Ф800的钻孔灌注桩。
单桩承载力设计值为4350KN,试桩加荷至7300KN,A1共有工程桩135根,桩长51M,经上海建筑设计研究院有限公司小应变动测69根桩,其中I类桩48根占动测桩数70%,II类桩21根,占动测桩数的30%,无III、IV类桩。
按设计要求做静载试验,最大加载至7300KN时沉降量均在14MM左右。
抽测10%成孔,垂直度均小于1%。
施工日期从2002年元月28日试成孔开始至2002年3月26日结束,开挖后破桩情况来看,桩顶砼强度比较正常,试块强度全部合格,检测轴线偏位均在规范允许范围内。
设计单位是中国船舶第九设计院施工单位是上海建工(集团)总公司总承包;分包单位为福建地矿建设单位是上海泰元置业有限公司监理单位是上海建通工程建设有限公司二、评估依据1、 2、 3、监理合同;工程设计图纸及设计变更;国家现行各专业施工及验收规范;国家现行质量检验评定标准;有关质量监督管理、检验的法律、法规和规定; 4、 5、 6、三、施工情况及监理工作情况简述: 1、监理工作:(1)从试成孔开始至最后一根桩完成监理全部跟班作业,关键的工序如测孔深、沉渣、泥浆比重,充盈量等关键参数。
监理全部旁站监督验收,必要时亲自测定独立记录施工中的重要参数。
****有限公司倒班楼钻孔灌注桩工程评估报告编制人:审核人:高精度激光全息防伪包装产品生产基地质量评估报告一、工程概况:湖北联合天诚拟建的高精度激光全息防伪包装产品生产基地一期工程,位于武汉经济技术开发区57MD,建筑结构的结构安全等级为二级,耐火等级为二级,结构设计使用年限为50年。
拟建场地场区基本烈度为六度,抗震设防类别为丙类,基础设计等级为丙级,倒班楼结合地质勘察报告提供的地质资料及现场开孔情况,倒班楼基础由167根钻孔灌注桩组成。
本工程由武汉建工科研设计有限公司设计,勘察单位为武汉建工科研设计有限公司,武汉永安建筑工程有限公司承建,监理单位为武汉华胜工程建设科技有限公司。
二、评估依据:1、工程设计施工图纸、设计变更单及有关文件资料2、建筑桩基技术规范JGJ94-943、《建筑地基基础工程施工质量验收规范》GB50202—20024、《混凝土结构工程施工质量验收规范》GB50204—20025、工程建设标准强制性条文6、工程地质勘察报告三、质量监控状况:1、武汉市鑫野基础工程有限公司建立了完善的质量管理体系,配备了完善的质量管理机构,制定了一整套质量管理制度,实行了严格的“三检”制度,即班组自检、交接检和质量员检查,每道工序严格按照设计图纸进行施工,自觉接受监理单位的监督管理,对存在的质量隐患能及时整改,坚持上道工序未经监理工程师验收,不进行下道工序的施工,确保了工程的质量。
2、技术监控状况:(1)本工程±0.000相当于绝对标高28.00m,桩顶标高26.8m。
桩径为700mm,持力层为第(3-3)层粘土层,桩基进入持力层的深度满足设计要求,钢筋笼长度严格按照设计要求的钢筋笼长度,主(纵)筋为Φ12,加劲箍筋为Φ14,箍筋为Φ8,加密区为100mm间距,非加密区为200mm。
桩基施工前,认真熟悉设计图纸及地质勘察报告,了解持力层的土质及深度情况;在开孔过程中,严格监督测量施工单位的成孔深度,使持力层落在设计要求的土层上。
钻孔灌注桩质量评估报告一、工程概况本工程为海峡两岸内环路、顺高路、东城大道匝道工程顺高路1号桥梁工程,该桥梁工程桩基设计为摩擦桩,结构采用水下C25砼钻孔灌注桩,桩径¢1200㎜,主筋20¢22mm,1号桥平均桩长38m,桩总数14根,桩基底标高-37.14m,本工程的混凝土为上海绿地商品混凝土公司提供的水下C25商品砼。
二、工程施工情况简述1.施工简况:灌注桩于2010年5月30日开始施工至2010年6月12日完工,历时14天。
2.质量控制:钻孔灌注桩采用商品砼土,强度为水下C25,钢筋笼为现场加工。
3.进场材料构配件的质量控制:凡运到施工现场的原材料,进场有向项目监理机构提交《工程材料/构配件/设备报审表》,经监理见证送检合格后,方可投入使用。
4.工序施工过程中的跟踪监督、检查、控制:钢筋隐蔽工程验收、工序交接验收、检验批、分项工程等都经监理确认验收合格后,才进入下一道工序。
5现场旁站:在混凝土浇注时,对施工过程中进行全程跟踪控制。
6质保资料的控制:本工程钢筋规格为主筋Φ22螺纹钢,箍筋为Φ10圆钢;钢筋的连接按设计要求及施工质量验收规范采用单面焊接,并经监理现场见证取样送检,试拉结果为合格。
钢筋质量证明资料齐全,钢筋进场后都经监理人员核实,现场见证取样送实验室试拉,均达到合格。
试块为现场制作,每根桩2组,经28天标准养护后监理见证送检。
三工程质量评估依据1.施工合同2.工程设计图纸3.《钢筋焊接及验收规程》4.《混凝土强度检测评定标准》四.工程质量评估钻孔灌注桩共计14根,经小应变检测,合格率100%。
其中Ⅰ类桩12根,Ⅱ类桩2根,无Ⅲ.Ⅳ类桩.灌注桩试块共计28组,试压强度报告未出,桩位偏差达到设计规范要求。
五.质量评估意见经自我检验后,对顺高路1号桥灌注桩部位评估意见如下:1. 各类原材料出厂合格证明书,相关实验报告等资料齐全,数据正确,实验结果合格,符合验收规范规定。
2. 桩身检测全部合格。
桩基工程质量评估报告一、项目介绍该项目位于XX市区,是一座高层住宅楼的桩基工程。
本项目总建筑面积为XXX平方米,共有XX根桩子,每根桩子的直径为XX米,桩长为XX米。
二、工程质量评估1.施工工艺与方法评估本项目采用了钻孔灌注桩作为桩基施工方法,施工过程与工艺相对成熟,符合国家相关标准和规范。
采用该施工工艺及方法进行桩基施工是合理的。
2.施工质量评估经过实地检查和对相关施工记录的核查,桩基施工的质量较为优秀。
钻孔的位置、直径和深度等与设计要求基本一致。
桩孔墙面光滑,无掏空、剥落、松软等现象。
桩筒灌注混凝土密实,无明显空洞,单位体积重量达到了设计要求。
3.现场监测评估在施工过程中,对桩基工程进行了现场监测,监测内容包括桩基垂直度、轴向力及超声波无损检测等。
监测结果显示,每根桩子的垂直度符合规范要求,轴向力均匀分布,达到设计荷载要求。
超声波无损检测显示桩身无明显缺陷和空洞等问题。
4.施工资料评估施工单位提供了完整的施工记录和验收资料,包括施工方案、钻孔记录、灌注混凝土配合比和强度试验报告等。
资料齐全且符合相关标准和规范要求。
三、问题与建议经过评估,本项目桩基工程质量较为出色,但仍存在以下问题需要改进:1.桩基施工过程中,疏于清理桩孔内部,造成部分桩基灌注混凝土与桩筒间的松动,需要加强清理工作,保证灌注混凝土的质量。
2.桩基验收时,未对桩孔进行全面检查,导致部分桩孔内的砂石混凝土未清理干净。
应加强验收时的监督力度,确保桩基施工的整体质量。
四、总结桩基工程是高层建筑工程的关键工程之一,其质量直接影响到建筑物的安全性和稳定性。
通过对本项目桩基工程进行全面评估,可以得出桩基工程质量相对较好的结论。
然而,还需加强桩孔内部清理工作并加强验收监督,以进一步提高桩基工程的质量,确保项目的安全与稳定。
以上为桩基工程质量评估报告,共计XXX字。
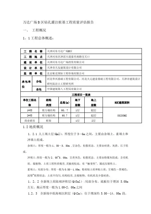
万达广场B区钻孔灌注桩基工程质量评估报告一、工程概况1。
1工程总体概述:1.2地质概况1.2.1 人工填土层(Qml):厚度位于3—6m之间,主要由杂填土、素填土和冲填土组成。
杂填土:厚度一般为1。
50~3。
50m ,呈杂色,松散状态,主要由砖渣、灰渣、石子组成。
冲填土:厚度一般为2。
00~5。
00m,呈青灰色,松散状态,主要由粉煤灰组成,含有机质、腐植物,土质工程性质极差,灵敏度较高,有“触变性",属高压缩性土。
素填土:局部分布,厚度一般为0.50~1.00m,粉质粘土质和粘土质,呈褐色~黑褐色,流塑~软塑状态,土质不均匀,结构较差,含腐植物、有机质及少量砖渣。
1。
2。
2 全新统上组陆相冲积层(Q43al):局部分布,底板位于埋深 5.00m 左右,揭示厚度一般为1.00-2。
00m之间1.2。
3 全新统中组海相沉积层(Q42m):位于埋深约5.00—14。
00m段,主要由上部的粉土、砂性大粉质粘土和下部的粉质粘土组成。
1.2.4 全新统下组沼泽相沉积层(Q41h):位于埋深14.00—15.00m段,厚度一般为1。
00m左右,主要粉质粘土组成。
呈浅灰色,软塑—可塑状态,无层理,属中压缩性土.1.2.5 全新统下组陆相冲积层(Q41al):位于埋深约15。
00-21。
00m段,主要由上部粉质粘土和下部粉土组成.1。
2。
6上更新统第五组陆相冲积层(Q3eal):位于埋深约21。
00-30.00m 段,主要上部粉质粘土和中部粉土下部粉质粘土组成。
1。
2.7 上更新统第三组陆相冲积层(Q3cal):一般位于埋深约30.00-50。
00m 段,从上而下主要由粉质粘土、粉砂、粉质粘土、粉土、粉质粘土5个亚层组成。
1.3参建单位组织机构1.3。
1总包单位组织机构1.3.2监理单位组织机构1.4工程进度抗拔桩6月21日开始施工8月18日完成,共366根;抗压桩7月22日开始施工,8月23日完成,共205根。
************项目预应力管桩及钻孔灌筑桩基础工程监理评估报告********建设监理有限责任公司二○○九年四月二十日桩基工程质量评估报告一、前言1、本工程为******商务综合区A7地块预应力管桩及钻孔灌注桩桩基工程.;2、***岩土基础工程公司自检合格的基础上,且资料齐全,根据监理工程师巡视、旁站、平行检查的情况作出的评估。
二、工程概况1、工程地点:本工程位于********街1号,为框剪结构6-33层2、参建单位:建设单位:********房地产发展公司监理单位:******建设监理有限责任公司设计单位:巴马丹拿国际公司/武汉市建筑设计院勘察单位:***集团****岩土基础工程公司施工单位: ***集团****岩土基础工程公司检测单位:********综合岩矿测试中心2、设计要求该工程桩基为Ф500预应力管桩1140根,其中抗压桩PHC-A 500(100)-22a共522根,单桩竖向承载力为1200KN,抗拔桩PHC-AB 500(100)-22a共618根,单桩竖向承载力为600KN,桩长均为22m,桩端持力层为第⑤层粉砂层;钻孔灌注桩共224根,砼强度为C35,桩长42m、桩径800mm,桩端持力层第⑧-1层强风化砂砾岩层,单桩竖向承载力特征值为3650KN。
三、质量评估依据1、《岩土工程勘察规范》GB50021-20012、《高层建筑岩土工程勘察规程》JGJ72-20043、《建筑地基基础设计规范》GB5007-20024、《建筑地基基础设计规范》DB42/242-20035、《建筑桩基技术规范》JGJ94-946、《建筑地基基础检测技术规范》DB42/269-20037、〈建筑地基基础工程施工质量验收规范〉GB50202-20028、《施工承包合同》《建设监理合同》约定的工程质量控制目标9、设计图纸10、地质勘察报告四、质量受控状态1、预应力管桩监控要点:(1)施工准备阶段,对工程定位及标高基准点进行复核,进现场的管桩检查其出厂合格证并对进现场桩外观质量进行了仔细检查,符合要求才允许使用。
( 钻孔灌注桩 )工程名称建设单位设计单位施工单位总监理工程师报告日期冲 ( 钻) 孔灌注桩基工程监理评估报告一、工程概况 :1.工程名称 :2.建设单位 :3.设计单位 :4.勘察单位 :5.监理单位 :6.施工单位 :7.工程简介 :工程内容为楼及地下车库 , 总建筑面积约为平方米;其中#楼建筑面积平方米 , 结构形式层短肢剪力墙结构。
室内± 0相当于绝对标高米。
桩基工程由专业分包施工。
设计桩径Φmm 钻孔灌注桩 , 有效桩长米。
设计单桩竖向抗压极限承载力KN 。
# 楼总桩数为根,桩基砼强度为水下C。
于年月日开始试成孔 , 至月日施工结束。
二、工程质量评估依据1.《建筑工程施工质量验收统一标准》 GB50300-2001。
2.《建筑地基基础工程施工验收规范》 GB50202-2002。
3.《钢筋焊接及验收规程》 JGJ18-2003。
4.《工程建设标准强制性条文》 202 版。
三、工程质量控制情况1、轴线、高程及桩位中心线测量控制施工单位根据图纸定位、桩位图及业主提供得控制点进行施放轴线、桩位与标高。
监理单位专业测量工程师进行复核 , 核查签认后 , 方可施工。
2、对桩基施工单位及其人员、设备得控制对施工单位资质证书、营业执照、管理人员上岗证进行审查 ; 检查施工设备合格证、测量仪器计量证书均符合有关管理规定。
3.原材料控制3.1 钢筋进场核查其质保书与材料相符、并符合设计要求。
经见证取样、送检测中心复检 , 合格后方可使用。
3.2 电焊条符合设计要求 , 并均有质保书。
3.3 商品砼由供应,其交易凭证、准用防伪复印手续齐全。
4.钻孔成孔质量评述成孔质量检查经按规范标准抽查检测 : 孔深、孔壁稳定性、垂直度、孔底沉渣均符合设计及规范要求。
现场检查, 桩位、孔深、泥浆比重、沉渣厚度符合设计要求。
5.钢筋笼制作与安装钢筋笼制作、钢筋绑扎得间距、规格、长度、搭接等质量均符合设计要求与施工验收规范规定。
钻孔灌注桩检测报告一、工程概述本次检测的钻孔灌注桩工程位于工程地点,为具体工程项目的重要基础结构。
该工程共计桩的数量根钻孔灌注桩,桩径为桩径尺寸,桩长为桩长尺寸,设计承载力为设计承载力数值。
二、检测目的本次检测的主要目的是对钻孔灌注桩的施工质量进行评估,包括桩身完整性、混凝土强度、桩底沉渣厚度等方面,以确保灌注桩满足设计要求和工程安全需要。
三、检测依据1、《建筑基桩检测技术规范》(JGJ 106 2014)2、《建筑地基基础工程施工质量验收规范》(GB 50202 2018)3、该工程的地质勘察报告及相关设计文件四、检测内容及方法1、桩身完整性检测采用低应变反射波法对桩身完整性进行检测。
检测时,在桩顶施加瞬态激振力,产生应力波沿桩身传播,通过分析反射波的传播时间、幅值和频率等特征,判断桩身是否存在缺陷及缺陷的位置和程度。
共检测了检测桩数量根桩,其中Ⅰ类桩数量根,占检测总数的Ⅰ类桩比例%;Ⅱ类桩数量根,占检测总数的Ⅱ类桩比例%;Ⅲ类桩数量根,占检测总数的Ⅲ类桩比例%;Ⅳ类桩数量根,占检测总数的Ⅳ类桩比例%。
2、混凝土强度检测采用钻芯法对桩身混凝土强度进行检测。
在桩身上钻取芯样,然后在实验室进行抗压强度试验。
共钻取了芯样数量个芯样,其中强度合格芯样数量个,占钻取总数的合格芯样比例%;强度不合格芯样数量个,占钻取总数的不合格芯样比例%。
3、桩底沉渣厚度检测采用超声波法对桩底沉渣厚度进行检测。
通过发射和接收超声波,根据声波在不同介质中的传播速度和反射时间,计算出桩底沉渣的厚度。
检测结果显示,桩底沉渣厚度在沉渣厚度范围之间,其中沉渣厚度合格桩数量根,占检测总数的合格桩比例%;沉渣厚度不合格桩数量根,占检测总数的不合格桩比例%。
五、检测结果分析1、桩身完整性Ⅰ类桩:桩身完整,无明显缺陷,波速正常,反射信号规则。
此类桩能正常使用。
Ⅱ类桩:桩身有轻微缺陷,但不影响桩身结构承载力的正常发挥。
一般情况下,此类桩也可正常使用,但需加强监测。
钻孔灌注桩监理评估报告关键信息项:1、工程名称:____________________________2、工程地点:____________________________3、建设单位:____________________________4、施工单位:____________________________5、监理单位:____________________________6、钻孔灌注桩数量:______________________7、桩径范围:____________________________8、桩长范围:____________________________9、设计承载力:__________________________10、施工日期:___________________________1、工程概况11 本工程钻孔灌注桩的设计概况,包括桩型、桩径、桩长、数量、承载力要求等。
111 工程地质条件对钻孔灌注桩施工的影响。
2、监理依据21 相关的法律法规和标准规范。
211 工程建设监理合同。
212 工程施工合同及设计文件。
3、监理工作内容31 施工准备阶段的监理工作311 审查施工单位的资质和施工方案。
312 检查施工机械设备的性能和完好性。
313 复核测量放线成果。
32 施工过程中的监理工作321 原材料的质量控制,包括钢筋、水泥、砂、石等。
322 钻孔过程的监理,如孔径、孔深、垂直度等。
323 钢筋笼制作与安装的监理,检查钢筋规格、间距、焊接质量等。
324 混凝土灌注过程的监理,包括混凝土配合比、坍落度、灌注速度等。
33 质量检验与验收阶段的监理工作331 桩身完整性检测的监理,如低应变检测、超声波检测等。
332 单桩承载力检测的监理。
333 组织分项工程验收。
4、质量控制情况41 原材料质量控制结果,各项原材料是否符合设计和规范要求。
411 钻孔灌注桩成孔质量的检查情况,孔径、孔深、垂直度等是否满足设计要求。
钻孔灌注桩桩基评估报告一、前言随着建筑工程的不断发展,钻孔灌注桩作为一种常见的基础形式,因其具有承载力高、适应性强等优点,在各类工程中得到了广泛的应用。
为确保钻孔灌注桩的施工质量和承载能力满足设计要求,对其进行评估是十分必要的。
本次评估旨在对_____工程的钻孔灌注桩桩基进行全面、系统的分析和评价,为工程的顺利进行和安全使用提供可靠的依据。
二、工程概况(一)项目名称:_____(二)建设地点:_____(三)工程规模:本次评估的钻孔灌注桩桩基共_____根,桩径为_____,桩长为_____。
(四)设计要求:单桩承载力特征值为_____kN,桩身混凝土强度等级为_____。
(五)施工单位:_____(六)监理单位:_____(七)施工日期:_____三、评估依据(一)相关的法律法规和规范标准,如《建筑地基基础设计规范》(GB 50007-2011)、《建筑桩基技术规范》(JGJ 94-2008)等。
(二)工程地质勘察报告。
(三)钻孔灌注桩施工图纸及设计变更文件。
(四)施工过程中的施工记录、质量检验报告等资料。
(五)桩身完整性检测报告。
(六)单桩竖向抗压静载试验报告。
四、施工过程评估(一)成孔工艺施工单位采用了_____成孔工艺,在施工过程中,严格控制了钻孔的垂直度、孔径和孔深,保证了成孔质量。
通过对施工记录的检查,发现钻孔的各项参数均符合设计和规范要求。
(二)钢筋笼制作与安装钢筋笼的制作严格按照设计图纸进行,钢筋的规格、型号、数量及间距等均符合要求。
在安装过程中,采取了有效的措施保证钢筋笼的位置准确和垂直度,避免了钢筋笼的变形和移位。
(三)混凝土灌注混凝土采用了_____强度等级的商品混凝土,灌注过程连续、顺畅。
施工单位对混凝土的坍落度、和易性进行了严格的控制,并做好了混凝土的振捣工作,确保了桩身混凝土的密实度。
五、桩身完整性检测评估本次桩身完整性检测采用了_____方法,共检测了_____根桩。
******工程质量评估报告(桩基工程)建设单位:设计单位:施工单位:监理单位:总监理工程师:日期:2009年9月钻孔灌注桩工程质量评估报告1、工程名称:******2、分项工程说明:该建筑总建筑面积32075平方米,其中地上部分为27255平方米,地下部分为4820平方米。
本工程地基基础设计等级为乙级;桩基设计等级为乙级,±0。
000线相当于黄海高程779.50米;本桩基分项工程采用钻孔混凝土灌注桩,泥浆护壁.采用桩底,桩侧后注浆钻孔灌注桩,均为Ф700工程桩,依据试桩报告承载力特征值为3675KN,桩底进入5层粉质粘土,由桩长控制。
桩身混凝土强度等级为C30,石子粒径<30mm,混凝土塌落度为160~200mm,钢筋均为HRB400级钢,主筋混凝土保护层不小于50mm;桩底标高由有效桩长控制,有效桩长不小于39m(桩底高程740m)。
施工实际桩顶标高应高出设计标高不少于1。
5D(D为桩直径),待承台或桩帽施工时凿除,如发现凿除预留部分的混凝土后,桩顶的混凝土仍存在疏松,蜂窝,离析或夹泥等现象,必须将之全部凿除,清理干净,并及时报送设计,质监部分会同处理.后注浆施工需按规范JGJ94—2008第6.7节严格执行,并为工程桩施工积累工艺经验。
钢筋笼主筋采用焊接接头,加劲筋与主筋、主筋与箍筋焊成钢筋笼骨架。
焊缝长双面焊≥6d,单面焊≥12d.同一截面焊接接头不超过主筋总面积的50%.桩数量总计为496根,桩的主筋配筋为三级钢,10根16,螺旋箍筋三级钢为8@200,内加强筋也是三级钢16@2000。
根据山西省勘察设计研究院的本项目岩土工程勘察报告,本场地主要地层如下:第①层:人工填土(Q42ml)根据其物质组成不同,将其分为两个亚层:第①1层:杂填土(Q42ml):杂色,由桩头、砖块、碎石、灰渣、白灰、沥青等建筑垃圾及少量生活垃圾组成。
该层物质成分杂乱,结构松散,均匀性差,呈欠压密状态。
钻孔灌注桩工程质量评估报告一、工程概况本次钻孔灌注桩工程位于具体工程地点,是具体项目名称的重要组成部分。
该工程旨在为建筑物提供稳定的基础支撑,确保其结构安全和正常使用。
工程共设计钻孔灌注桩X根,桩径范围为具体桩径区间,桩长根据地质条件和设计要求在具体桩长区间之间变化。
灌注桩采用具体混凝土强度等级混凝土,钢筋采用具体钢筋规格和型号。
二、评估依据1、工程设计文件,包括施工图纸、设计变更通知等。
2、相关的施工规范和质量验收标准,如《建筑地基基础工程施工质量验收规范》(GB 50202-2018)等。
3、施工合同及监理合同。
4、施工单位提交的施工组织设计、施工方案等技术文件。
三、施工过程质量控制情况1、施工前准备施工单位在施工前对施工现场进行了详细的勘察,编制了施工组织设计和施工方案,并报监理单位审批。
对原材料进行了检验,包括钢筋、水泥、砂、石等,确保其质量符合设计和规范要求。
对施工机械设备进行了调试和检查,确保其性能良好,能够满足施工要求。
2、施工过程控制钻孔过程中,施工单位严格按照施工方案和操作规程进行施工,控制钻孔的垂直度和孔径,确保钻孔质量。
钢筋笼的制作和安装符合设计和规范要求,钢筋的焊接质量经过检验合格。
混凝土灌注过程中,严格控制混凝土的配合比、坍落度和灌注速度,确保混凝土的密实性和桩身质量。
施工过程中,监理单位进行了旁站监理,对施工过程中的关键环节进行了监督和检查,及时发现和解决问题。
四、工程质量检测情况1、桩身完整性检测采用具体检测方法,如低应变法、声波透射法等对桩身完整性进行了检测,共检测X根桩,检测结果表明,具体桩身完整性情况,如Ⅰ类桩、Ⅱ类桩的数量和比例等,桩身完整性符合设计和规范要求。
2、单桩承载力检测采用具体检测方法,如静载试验等对单桩承载力进行了检测,共检测X根桩,检测结果表明,单桩承载力满足设计要求。
五、工程质量评估意见1、原材料质量工程所用的原材料,如钢筋、水泥、砂、石等,质量合格,检验报告齐全。
一、前言:本报告是针对奥体中心钻孔灌注桩桩基工程的施工质量评价意见报告。
本报告是以施工单位自检合格的资料为基础,根据现场监理人员日常巡视、旁站及建筑材料的见证取样试验报告、平行检查、复查所掌握的情况,结合设计、勘测、检测中心等各相关部门到现场检查,检测的意见编写。
二、工程概况:奥体中心球类馆工程桩基基础采用Ф600MM的混凝土钻孔灌注桩。
总桩数219根,其中馆133根,馆86根,桩长为19米。
桩尖持力层为○5层砾砂层,设计要求单桩竖向抗压承载力特征值为1600KN,桩身砼强度等级为C30,钢筋笼长度15米。
2008年5月26日开始施工,2008年6月21日完工。
建设单位:施工单位:设计单位:勘察单位:监理单位:检测单位:常规检测:桩基检测:三、质量评估依据:1、工程设计文件。
2、建筑安装工程质量评定标准,施工验收规范及相应的国家、地区现行标准。
3、试验、检测所遵循的技术标准、规程、规范。
4、国家、地方现行的有关建筑工程质量管理办法、规定。
5、《施工承包合同》和《建设监理合同》所约定的工程质量控制目标。
四、施工情况简介:本桩基工程于200 年月日开始施工,200 年月日完工,施工过程中除馆A47号桩发生埋管事故外(已按设计要求做补桩处理),其余均正常。
施工单位在本工程施工中能够严格遵守建筑法及相关法律法规,严格按照设计文件及规范施工;施工过程中,施工单位以安全生产,文明施工为基本指导思想,认真履行了监理报验手续,进场材料都进行了监理见证取样送检。
1、承包单位能按设计和设计变更要求施工,并遵守有关操作规程的规定。
2、承包单位在施工过程中能接受监理指令,遵循监控程序,对监理工程师查出的质量问题及其它不符合设计及规范要求的地方,能及时整改至符合要求。
3、在施工全过程中,我部严格以合同、设计文件、国家规范、规程及国家和地方有关标准文件及相关法规文件为依据,以本公司的质量手册、程序文件为指导,按照项目部编制的“监理细则”对工程施工进行跟踪监控,主要从以下几方面进行: ○1严把厂家材料质量关整个过程中未发现有不合格材料用于工程。
******
工程质量评估报告
(桩基工程)
建设单位:
设计单位:
施工单位:
监理单位:
总监理工程师:
日期: 2009年9月
钻孔灌注桩工程质量评估报告
1、工程名称:******
2、分项工程说明:
该建筑总建筑面积32075平方米,其中地上部分为27255平方米,地下部分为4820平方米。
本工程地基基础设计等级为乙级;桩基设计等级为乙级,±0.000线相当于黄海高程779.50米;本桩基分项工程采用钻孔混凝土灌注桩,泥浆护壁。
采用桩底,桩侧后注浆钻孔灌注桩,均为Ф700工程桩,依据试桩报告承载力特征值为3675KN,桩底进入5层粉质粘土,由桩长控制。
桩身混凝土强度等级为C30,石子粒径<30mm,混凝土塌落度为160~200mm,钢筋均为HRB400级钢,主筋混凝土保护层不小于50mm;桩底标高由有效桩长控制,有效桩长不小于39m(桩底高程740m)。
施工实际桩顶标高应高出设计标高不少于1.5D(D为桩直径),待承台或桩帽施工时凿除,如发现凿除预留部分的混凝土后,桩顶的混凝土仍存在疏松,蜂窝,离析或夹泥等现象,必须将之全部凿除,清理干净,并及时报送设计,质监部分会同处理。
后注浆施工需按规范JGJ94—2008第6.7节严格执行,并为工程桩施工积累工艺经验。
钢筋笼主筋采用焊接接头,加劲筋与主筋、主筋与箍筋焊成钢筋笼骨架。
焊缝长双面焊≥6d,单面焊≥12d。
同一截面焊接接头不超过主筋总面积的50%。
桩数量总计为496根,桩的主筋配筋为三级钢,10根16,螺旋箍筋三级钢为8@200,内加强筋也是三级钢16@2000。
根据山西省勘察设计研究院的本项目岩土工程勘察报告,本场地主要地层如下:
第①层:人工填土(Q
4
2ml)根据其物质组成不同,将其分为两个亚层:
第①
1层:杂填土(Q
4
2ml):杂色,由桩头、砖块、碎石、灰渣、白灰、沥
青等建筑垃圾及少量生活垃圾组成。
该层物质成分杂乱,结构松散,均匀性差,呈欠压密状态。
该层在场地东侧大面积揭露,层厚1.50~12.00m,平均层厚5.55m,
层底埋深1.50~12.00m,层底标高769.38~778.05m。
第①
2层:素填土(Q
4
2ml):褐黄~褐色,含腐植物、煤屑、砖屑、植物根
等。
岩性主要以粉砂为主,混有少量粉土。
稍湿~湿,稍密,中高压缩性。
静力触探比贯入阻力Ps厚度加权平均值为3.7MPa。
该层在场地西侧普遍揭露,层厚0.30~9.00m,平均层厚3.99m,层底埋深0.30~9.00m,层底标高768.02~778.26m。
第②层:细砂(Q
4
al+pl):褐黄~黄褐色,主要矿物成分为石英、长石及云母,局部地段夹有粉土、粉质粘土。
湿~饱和,稍密状态,颗粒级配不良。
标准贯入试验实测锤击数7.0~19.0击,平均12.9击;静力触探比贯入阻力Ps厚度加权平均值为4.5MPa。
层厚2.30~9.20m,平均层厚5.81,层底埋深6.50~11.00m,层底标高767.61~772.86m。
第③层:中砂(Q
4
al+pl):褐色~褐灰色,主要矿物成分为石英、长石及云母,该层底部一般分布有粗砾砂等粗颗粒,局部地段夹有薄层粉土、粉质粘土。
饱和,呈稍密~中密状态,颗粒级配不良。
标准贯入试验实测锤击数12.0~23.0击,平均17.6击;静力触探比贯入阻力Ps厚度加权平均值为6.0MPa。
该层层厚9.60~20.00m,平均层厚13.44m,层底埋深17.30~26.50m,层底标高752.86~761.43m。
第④层:粉土(Q
4
al+pl):褐灰色,含云母、煤屑、氧化铁、氧化铝等,混夹砂质成分,局部地段夹有粉质粘土透镜体。
该层分布不连续,在场地西南部缺失。
稍湿~湿,中密~密实状态,具中等压缩性,摇振反应中等,无光泽,干强度及韧性低。
标准贯入试验实测锤击数17.0~26.0击,平均20.4击;静力触探比贯入阻力Ps厚度加权平均值为5.4MPa。
层厚1.50~6.60m,平均层厚3.90m,层底埋深21.30~28.50m,层底标高752.18~756.30m。
第⑤层:细中砂(Q
4
al+pl):褐黄~褐灰色,矿物成分以石英、长石及云母为主,局部地段夹有粉质粘土透镜体。
饱和,中密状态,颗粒级配不良。
标准贯入试验实测锤击数18.0~29.0击,平均24.0击,静力触探比贯入阻力Ps厚度加权平均值为3.8MPa。
该层层厚6.00~15.70m,平均层厚10.91m,层底埋深32.50~38.00m,层底标高741.17~746.86m。
第⑥层:粉质粘土(Q
3
al+pl):褐色~褐灰色,含云母、煤屑、氧化铁、氧化铝等,局部地段夹有粉土透镜体,一般呈可塑状态,具中等压缩性,无摇振反应,
光滑,干强度及韧性高。
标准贯入试验实测锤击数18.0~31.0击,平均25.7击。
层厚7.50~11.30m,平均层厚9.50m,层底埋深43.00~45.00m,层底标高733.62~736.17m。
al+pl):褐色,矿物成分主要为石英、长石等,包含大量卵第⑦层:中砂(Q
3
砾石,颗粒呈圆形~亚圆形,磨圆度较好,粒径一般为1~3 cm,母岩成分以灰岩、砂岩为主,多呈中等风化,并胶结有薄层粉质粘土、粉土等。
该层饱和,呈密实状态,颗粒级配一般。
标准贯入试验实测锤击数29.0击。
本工程参建单位:
建设单位:
设计单位:
施工监理:
总承包:
3、施工依据:
3.1、施工图纸
3.2、施工图纸;
3.3、施工组织设计《钻孔灌注桩施工组织设计》;
3.4、《建筑工程施工质量验收统一标准》(GB50300-2001);
3.5、《混凝土结构工程施工质量验收规范》(GB50204-2002);
3.6、《建筑地基与基础工程施工质量验收规范》(GB50202-2002);
3.7、《钢筋焊接及验收规范》(JGJ18-2003)。
4、监理文件
4.1、《工程监理规划》;
4.2、《工程钻孔灌注桩监理实施细则》;
4.3、《工程钻孔灌注桩旁站监理方案》。
5、施工过程质量控制
5.1、施工前质量控制
(1)、审查施工方施工组织设计,保证施工过程有据可依;
(2)、审查施工方质量管理体系,督促施工方建立健全质量管理体系,落实质量职责,明确施工依据的工艺标准;
(3)、审查施工方管理人员、特种工种资质,做到持证上岗;
(4)、审查施工方计量检测器具检定状态,保证检测数据可靠;
(5)、对施工方单位工程测量定位成果复核;
(6)、工程原材料使用前报监理工程师审批。
5.2、施工过程质量控制
(1)、通过监理巡视检查施工方按图施工、执行施工组织设计、按操作规程施工,有关管理岗位质量职责落实情况,发现问题督促施工方整改;
(2)、对钢筋笼隐蔽前进行检查验收,控制隐蔽工程质量;
(3)、对混凝土浇注工序实行旁站监理,并做好记录;
(4)、对钢筋焊接试件、混凝土试块制作进行见证;
(5)、对每根桩钻成孔清孔泥浆比重测试进行检查。
5.3、施工后质量控制
(1)、及时进行检验批质量验收;
(2)、对混凝土试块强度报告进行统计分析评定,质量合格。
(3)、判断分析施工工序质量,发现问题及时整改。
(4)、经实测,桩位偏移及垂直度均符合《建筑地基与基础工程施工质量验收规范》(GB50202-2002)第5.1.4条的规定。
6、工程质保资料及工程质量验收资料核查
6.1、工程质保资料
工程质保资料基本齐全,符合要求,核查结果如下表所示:
6.2、工程质量验收资料
检验批、隐蔽工程资料齐全符合要求,核查情况如下表所示:
7、钻孔灌注桩工程质量评估结论
钻孔灌注桩工程施工质量符合设计和《建筑地基与基础工程施工质量验收规
范》(GB50202-2002)的规定。
工程质量:合格。