物业材料或设备采购框架合同
- 格式:docx
- 大小:11.18 KB
- 文档页数:6
物业材料供货合同模板甲方:(供货方)地址:联系人:电话:乙方:(需方)地址:联系人:电话:双方本着平等自愿、公平互利、诚实信用、友好协商的原则,经共同协商一致,依据《中华人民共和国合同法》及相关法律法规,就乙方向甲方采购物业材料事宜达成如下协议:第一条供货物品及数量1.1 供货物品包括但不限于以下物业材料:(1) xxx;(2) xxx;(3) xxx。
1.2 供货数量以实际交付数量为准,需双方协商确定具体数量。
第二条供货标准2.1 供货方应确保供货物品符合国家相关标准,并提供合格证明。
2.2 供货物品应具备良好的质量,无瑕疵、无损伤,完好无缺。
第三条供货期限3.1 供货方应在收到乙方订单后,按照约定的时间交付物品。
3.2 若供货方无法按时交货,应提前通知乙方,并经双方协商确定新的交货时间。
第四条价格与支付方式4.1 供货单价为 xxx 元/单位(具体请注明货币单位),总金额为 xxx 元。
4.2 乙方应在收到发票后 xx 天内以 xxx 方式支付款项,逾期支付的,需向供货方支付滞纳金。
4.3 供货方应在收到款项后 xx 天内向乙方提供正规发票。
第五条质量保证5.1 供货方保证所供货物品在正常使用条件下,质量符合国家相关标准,并承担物品质量问题的责任。
5.2 在物品质量问题产生时,供货方应负责维修或更换不符合要求的物品,乙方不承担额外费用。
第六条物品运输6.1 供货方应负责将物品安全运送至乙方指定地点,并应妥善包装,以防物品损坏。
6.2 运输过程中如有物品损坏,供货方应负责赔偿或者重新提供物品。
第七条违约责任7.1 任何一方违反本合同规定均视为违约,需要承担相应的违约责任。
7.2 若因不可抗力因素影响合同履行,可延期履行或部分或全部免除责任,但需及时通知对方。
7.3 违约方应承担由此造成对方的赔偿责任,损失由违约方承担。
第八条争议解决8.1 本合同履行过程中如发生任何争议,应通过友好协商解决。
8.2 如协商无果,可向有管辖权的人民法院提起诉讼。
采购合同范本怎么写采购合同范本怎么写【篇1】甲方: ____有限公司,(以下简称甲方)乙方:____有限公司,(以下简称乙方)丙方(担保方): ____ 身份证号码:甲、乙、丙三方就太阳能热水系统工程,经友好协商,对太阳能热水器采购及安装的有关事宜达成一致,签订如下合同:一、技术参数1、四季沐歌太阳能热水器型号为新欢居系列,容量127L,管数18支,管长160mm,管径58mm,外壳材质珍珠白彩色钢板,内胆材质304-2B食品级不锈钢,支架材质热镀锌钢板折弯喷塑,并以双方确定的封样为准。
2、配件四季沐歌专用仪表、混水阀、淋浴喷头、双阻燃恒温加热带。
3、冷热水阀、电线管路按甲方提供的图纸要求施工。
热水接至喷淋及厨房。
二、验收方式1、验收由甲方、乙方、监理方及物业管理方共同进行。
2、系统所采用的全部材料均为四季沐歌专用优质品,并符合国家的相关标准。
3、系统验收标准按技术系数及施工方案进行。
三、费用及付款方式1、每台太阳能热水器报价为人民币2200元(包括所有的配件、安装费用及税费)。
计194台×2200=426800元。
总价款大写人民币肆拾贰万陆仟捌佰元整。
2、付款方式:合同签订之日支付本合同款的10%(计人民币肆万元整)作为定金,工程竣工验收合格后支付至95%,留5%为质保金,待一年期满后付清。
四、甲方的责任和义务1、甲方提供施工用电、用水及施工现场。
水电费乙方承担。
2、甲方提供施工屋面的有关设计资料。
3、甲方提供太阳能热水器安装的施工图纸。
4、施工方案及安装位置确定后,甲方如需变更时间或增减部分工程经双方确认后予以实施。
五、乙、丙方的责任和义务1、乙方应保证系统配置及功能复合达到“系统技术参数”及相关行业国家标准的要求。
2、施工过程中乙方不得擅自移动、破坏甲方屋顶原有的设施,如确属必要,应书面通知甲方负责处理。
3、乙方要按甲方提供的图纸要求,文明施工、安全施工。
4、乙方的施工质量应符合安全要求(包含避雷要求),如对甲方屋面等造成损坏或损失的,乙方应承担一切责任。
装修工程施工框架协议7篇篇1甲方(业主):_________________________乙方(施工单位):_________________________根据《中华人民共和国合同法》等相关法律法规的规定,甲乙双方在平等、自愿、公平、诚实信用的原则基础上,就甲方委托乙方进行装修工程施工事宜,达成如下框架协议:一、工程概况1. 工程名称:_________________________2. 工程地点:_________________________3. 工程造价:人民币_________元(大写:_________________________元整)。
二、工程期限1. 工程开工日期:自本协议签订之日起算。
2. 工程竣工日期:具体日期根据双方协商确定。
三、工程内容1. 乙方应按照甲方提供的施工图纸及要求进行施工。
2. 工程内容包括但不限于:室内装修、墙面涂料、地面铺设、吊顶安装等。
四、工程质量与验收1. 乙方应确保施工质量符合国家标准及双方约定要求。
2. 工程竣工后,乙方应组织自检并提前通知甲方进行验收。
3. 甲方在验收时发现问题,应提出整改意见,乙方应及时进行整改。
五、工程价款支付1. 甲方应按以下比例支付工程款项:合同签订后支付总造价的XX%,工程竣工并验收合格后支付剩余款项。
2. 具体支付时间和金额按照双方签订的施工合同执行。
六、违约责任1. 若因乙方原因导致工程延期,乙方应承担违约责任,并支付违约金。
2. 若因甲方原因导致工程款项支付延迟,甲方应承担违约责任。
3. 其他违约情形及责任承担方式按照双方签订的施工合同执行。
七、安全施工与保障措施1. 乙方应严格遵守安全施工规范,确保施工现场安全。
2. 乙方应对施工现场采取必要的防护措施,防止事故和意外发生。
3. 如有安全隐患,乙方应及时整改并承担相应责任。
八、保密协议1. 双方应对涉及工程的商业秘密、技术秘密等信息予以保密。
2. 未经对方同意,任何一方不得向第三方泄露相关信息。
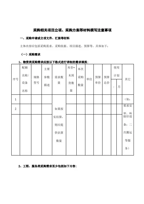
采购相关项目立项、采购方案等材料撰写注意事项一、采购申请或立项文件、汇报等材料主体内容应包括采购需求、采购依据、项目描述、预算等,具体如下:(一)采购需求1、物资类采购需求应按以下格式进行详细的需求填报:2、工程、服务类采购需求至少包括如下内容:(1)项目名称:应清楚描述需开展的项目名称,投资预算金额,列支项目编号;(2)工作量:应说明需开展项目的具体、估算工作量或建设、服务内容。
如需选择多家合作伙伴,应对工作量如何划分提出合理建议;(3)质量要求:拟开展的项目要达到怎样的效果,如对施工质量、时间要求和考核标准,对维保及后续服务的要求情况。
(二)采购依据。
包括上级公司政策,一、二级集采情况等。
(三)项目描述。
包括采购目的、用途、采购期限等。
(四)预算金额。
说明资金来源,明确结算金额、币种,是否含税等信息。
属于列支费用的项目,应明确预算项目名称等信息;如果列入投资,则应明确投资项目名称、项目编号并附上投资任务书。
(五)材料撰写方面的其他注意事项1、采购申请文件或立项材料的名称应包括项目、主要需求物资、批次等内容,避免出现申请文件重名现象;2、如需分批到货或分段施工,采购申请文件或立项材料中则应写明批数及第一批完成时间;3、采购申请文件或立项材料中,应明确该项目是否菅改增可抵扣项目,如可抵扣需明确税率,并提交财务部和综合部会签;4、采购申请文件或立项材料中不应提及采购方式,不应推荐供应商,可明确中选供应商的数量和金额上限,但不应提及标段划分等内容;5、采购申请文件或立项材料中应明确采购期限,如服务类项目,上级公司签订了框架合同的,采购期限须在上级公司框架合同的有效期范围内;6、采购立项请示通过后,主办部门须在企业采购支撑系统(EPSP )提交请购单,请购单上务必同时提供技术规范书。
二、采购方案请示或汇报材料根据公司三重一大决策流程规定,50万及以上竞争性采购项目或10-30万元单一来源采购项目由采购方案评定委员会决策,30万元以上单一来源采购项目由总经办决策,50万以下竞争性采购项目或10万以下单一来源采购项目由分管采购公司领导审批。
2016年太平人寿保险有限公司广东分公司采购框架协议买方:太平人寿保险有限公司广东分公司卖方:广东本来网电子商务有限公司签订地点:广州签约时间:2016年月2016年太平人寿保险有限公司广东分公司买方:太平人寿保险有限公司广东分公司(以下称为“买方”)注册地址:法定代表人:太平人寿保险有限公司广东分公司作为协议一方;卖方:广东本来网电子商务公司(以下称为“卖方”),注册地址:法定代表人:卖方同时代表供货方作为协议另一方,卖方对供货方在本协议和订单项下的义务承担全部责任;双方本着平等互惠的原则,通过友好协商签署本协议。
目录第一条定义第二条协议标的及具体采购安排第三条协议价格第四条支付第五条交货第六条包装与标记第七条检验第八条卖方的保证第九条违约责任第十条不可抗力第十一条税费第十二条保密第十三条知识产权第十四条协议的解除第十五条争议解决方式第十六条协议生效及其它附件清单附件一协议设备价格及配臵清单附件二技术规范书附件三制造商承诺函附件四投标人授权委托书附件五卖方营业执照副本复印件本协议是中国联合网络通信有限公司甘肃省分公司(以下简称“买方”)和广东高新兴通信股份有限公司(以下简称“卖方”)根据《中华人民共和国合同法》的相关规定,在友好协商的基础上,在中华人民共和国境内就买方向卖方购买,卖方同意向买方出售XX设备达成如下协议:第一条定义1.1“协议设备”或“设备”:协议中所确定的设备硬件、安装材料和备件及相关软件使用权、技术文件等。
“设备”在本协议中亦被称为“货物”。
1.2“设备硬件”:附件一所列的协议设备硬件部分。
1.3“设备软件”或“协议软件”:买方和采购方依据本协议获得的卖方或卖方已取得软件著作权人同意授权最终用户使用的、与本协议设备测试、检测、运行有关的所有必需的程序、编码及指令。
1.4“技术文件”:协议及附件中规定的所有与协议设备有关的文件或与协议设备的安装、调测、运行、维护、相关的所有技术指标、说明和数据等相关文件。
采购合同正规格式(通用6篇)(经典版)编制人:__________________审核人:__________________审批人:__________________编制单位:__________________编制时间:____年____月____日序言下载提示:该文档是本店铺精心编制而成的,希望大家下载后,能够帮助大家解决实际问题。
文档下载后可定制修改,请根据实际需要进行调整和使用,谢谢!并且,本店铺为大家提供各种类型的经典合同,如建筑合同、房屋合同、劳动合同、买卖合同、服务合同、贸易合同、金融合同、施工合同、装修合同、其他合同等等,想了解不同合同格式和写法,敬请关注!Download tips: This document is carefully compiled by this editor. I hope that after you download it, it can help you solve practical problems. The document can be customized and modified after downloading, please adjust and use it according to actual needs, thank you!In addition, this store provides you with various types of classic contracts, such as construction contracts, housing contracts, labor contracts, sales contracts, service contracts, trade contracts, financial contracts, construction contracts, decoration contracts, and other contracts. If you want to know different contract formats and writing methods, please pay attention!采购合同正规格式(通用6篇)采购合同正规格式第1篇甲方:_____________乙方:_____________甲乙双方就服装制作业务签订以下合同,共同遵守。
关于落实住建部【2014】118号文的工作指引为了规范建筑市场秩序,保障工程质量,促进建筑业持续健康发展,国家住建部发行了“建筑工程施工转包违法分包等违法行为认定查处管理办法(试行)”(以下简称《办法》,该《办法》于2014年10月1日起执行,并且开展工程质量治理两年行动。
为更好地规范我司经营与施工管理行为,杜绝《办法》中提到的违法行为在我司项目中出现,特制订本工作指引,请司属各单认真学习,2014年10月1日后承接的项目、之前承接尚未开工的项目及公司重点项目(以经营部通知为准)必须严格执行本工作指引,已开工的项目也应按本工作指引落实相关的整改工作。
一、合同管理1、新(在)建项目一律按以下组成签订合同:框架协议+专业分包合同+劳务分包合同(或班组合同)+材料采购合同+设备租赁合同+其它合同。
2、框架协议:按书面审批流程办理程序,由公司与项目负责人签订协议,明确项目的管理模式与合同构成,作为公司对项目部管理的依据,协议一式两份,由公司经营部负责保管协议原件。
3、专业分包合同在两种情况下可以签定:①对业主的总承包合同中明确要求进行专业分包的工程;②我司作为总承包单位的工程,可以将部分专业性较强的分部工程专业分包给有相应资质条件的分包单位,但必须经建设单位批准,如土石方运输工程、防水工程、防雷工程、钢结构工程、模板脚手架工程、监测与试验等;一般情况下主要材料应由我司负责采购,专业分包量应限制。
4、劳务分包合同+补充协议:劳务合同尽量根据不同劳务工序来签订,或按不同时间段分别签订。
5、材料采购(租赁)合同:材料以签定采购合同为主,采购合同应按主材分类分别签订(如钢材、砼、水泥、管桩、砼管材、大型构配件等),工期较长、工程量较大的项目,同一主材可分阶段或分供货商签订多个合同;周转材料可以按需要签订租赁合同;辅助材料、零星材料可以采用总量供货形式与一家贸易公司签定统一采购合同。
主材的采购合同量必须与业主合同清单数量相匹配,主要材料量一般应达到合同价的30%~50%,主材较少的特殊项目除外。
框架合同范本(精选6篇)框架篇1供方:(以下简称甲方)需方:(以下简称乙方)签订地点:上海(以下简称需方)签订时间:20xx年1月1日依据《中华人民共和国合同法》的有关规定,供、需双方本着平等、互惠互利原则,经协商一致,就需方向供方采购、供方向需方供应产品签订本合同。
一、供货方式及交货周期:1.由需方以《物料订购单》传真方式向供方下达采购订单,供方须按照订单要求提供产品。
2.供方在收到《物料订购单》传真后应回传确认函(合同),如有任何问题必须在半个工作日(4小时)内书面通知需方,否则视为默认。
3.需方有权根据生产计划的变更以及供方产品的供货质量、采购订单的执行情况、售后服务质量等条件对供方的供货品质及数量进行及时调整,供方有义务积极配合。
4、交货期以双方协商确定的交货期为准。
二、产品的质量要求和品质保证:1.供方应按需方认可的产品供货,未经需方事先书面同意,不得对产品本身和生产场地有任何改变。
2.供方需严格按照经需方认可的质量和技术规格要求生产和供应产品,如有任何改变,需方负责知会供方更新有关图纸等,供方积极跟进相关的变化。
3.供方应保证所生产或供应的产品均符合有关环保法规要求及国家标准、行业标准。
4.供方应保证所使用的原材料符合需方要求,对未曾使用过的原辅材料的变更,必须提前书面报需方确认。
5.供方应建立有效的质量保证体系以满足需方要求,需方有权随时对此进行检查考核。
6.供方供货前应严格按要求自检,其检测项目不得少于需方标准和图纸所规定的进货检测项目,并有书面记录。
7.对需方提出的质量问题和要求整改意见,供方必须及时解决和整改,若在规定期限内未得到解决和整改,需方有权停止供方供货。
8、质保期限:供方对提供的产品实行3年保修。
三、包装要求:供方须按需方要求定量包装,并在外包装上标识订单工作令号、物料名称、材质、型号、规格、数量等,包装物应适应装卸、长途运输,符合防潮、防震、防尘要求,因包装、运输不当引起的锈蚀、损坏等由供方负责。
签订地点:签订时间:需方:供方:地址:地址:邮编:邮编:电话:电话:传真:传真:根据相关法律法规,经双方充分协商,就需方采购供方事宜达成合作框架协议,特订立本合同,以便共同遵守。
一、概况:1、基本产品信息(见附件一)2当批订单确认函为准(双方签字盖章的订单确认函为本合同的附件,与本合同有同等效力);供方已明确供应需方的产品及报价包含(但不限于):产品价值、运费、装车费、全额税费(17%增值税专用发票)等。
3、发票约定:供方所提供的发票为增值税专用发票,为便于核算和记账,发票的产品名称的发票单位均以产品订单约定为准。
4、合同履行过程中,若该产品原材料的市场价格发生大幅度变化,供需双方有权要求对价格进行合理调整,经双方协商后签署补充协议。
二、产品的质量要求及技术标准(见附件二)1、供方应按照需方提供的规格、技术等要求设计和制作本合同项下设备(材料由供方采购和提供,包含在本合同约定的设备总价中)。
2、供方应对其提供的设备质量负责,其产品符合国家相关标准、行业标准及供方企业标准。
供方所交付产品应外观整齐、随机设备零配件、易损件应足额配齐(具体见设备规范、验收时设备使用说明),符合需方使用需求。
3、供方向需方交付产品时,应同时提供厂家资质证件、产品检测报告,检测结果须至少为合格。
4、如果设备的外观和品种、规格材质不符合合同约定,需方应在验收后5日内对此提出异议,供方负责解决、免费调整,并承担由此给需方造成的损失。
5、如供方提供的产品在工作过程中发生故障(因需方人员操作过错造成的除外),视为产品质量不合格,供方应负责为需方调换新产品。
如60日内累计超过3次,需方有权解除本合同,供方应退回货款并按照本合同约定承担相关违约责任。
三、包装1、所有包装由供方负责,采用能够保证设备安全、运输途中不会造成损坏的材料和方式进行包装,符合所有相关法律、法规的要求。
包装物应标明“不得倒置、小心轻放”等字样,包装费用由供方承担,包装物不回收。
工程框架的构建过程是一项技术性要求高且实用性价值大的专业性工作,因此签订工程框架合同时需要分外注意,以下是小编为大家整理的工程框架合同范文,欢迎参考阅读。
发包方(以下简称甲方):_ _______承包方(以下简称乙方):_依照《中华人民共和国合同法》、《中华人民共和国建造法》及其他有关法律、行政法规、遵循平等、自愿、公平和诚实信用的原则,双方就本建设工程施工事项商议一致,订立本合同。
一、工程概况 (发起人据实填写)工程名称:工程地点:工程内容: _ (建造工程分项工程施工项目)二、工程承包范围 (发起人参照如下约定据实增减)1、按甲方提供的工程施工图、有关设计文件、设计说明及施工过程中下发的设计变更、图纸会审记录等规定内容承包,除甲方另行发包的工程外,均由乙方负责施工。
2、未经甲方允许,乙方不得将承包工程的任何部份分包或者将其承包的全部工程转包给第三方,否则视为乙方违约。
3、 (其他约定)三、合同工期 (发起人据实选择、填写)开工日期:实际开工日期以甲方或者甲方委托的监理工程师下发的开工通知书为准完工日期:甲方另行书面通知乙方完工日期,乙方保证在甲方规定期限内完工/实际竣工日期:乙方实际完成合同工程后,由甲方按合同约定组织竣工验收并接收工程,实际竣工日期以甲方工程接收单上载明的日期为准。
合同工期总日历天数:自单位工程开工之日起天四、质量标准和施工要求 (发起人参照如下约定据实增减)1、工程质量标准:验收统一标准》 (GB50300-20xx)执行,必须达到合格。
质量保修范围和期限按照《建设工程质量管理条例》的有关规定执行。
2、具体的施工要求如下:(1)各项隐蔽工程在隐蔽前,乙方必须自检合格后方可书面通知甲方检查,并按甲方要求提供相关资料(包括但不限于影像资料等)。
在甲方允许后方可隐蔽。
如乙方擅自隐蔽的,必须无条件拆除隐蔽层提供甲方进行查验,费用由乙方自理,工期不予顺延,并需另行支付甲方壹万元/次的违约金。
材料框架采购合同买方: (简称甲方)卖方:········贸易有限公司 (简称乙方)甲乙双方在平等自愿、协商一致的基础上,甲方就依法购买乙方产品的相关事宜达成本合同条款,供双方遵守。
第一条、产品的品名、产地、品牌、规格、颜色、材质、数量、单价1.1甲方向乙方采购钢筋、模板、木枋、混凝土、外加剂、砖、砂、石、水泥、金属类、玻璃及制品、石材及制品、饰面材料、防水材料、五金制品、油漆涂料、洁具及燃气、油品化工及胶粘材料、安装类材料、设备器材等产品,用于工程施工。
1.2 产品的品名、产地、品牌、规格、颜色、材质、数量、单价第二条、产品质量标准2.1 本合同项下的供应材料(包括原材料)均应符合现行国家标准及行业标准,产品应满足包括但不限于符合环保标准、有毒有害物质排放标准、《建筑材料放射性核素限量》国际(GB6566-2010)等国家对该产品相关的标准或规范,同时应符合建设方及甲方对该产品的特殊要求,乙方对产品质量负完全责任,保证安装、使用后能够通过国家相关职能部门的验收。
2.1.1 钢材类(1)钢材、钢筋类均应符合中国国家标准:各类线材、圆钢应符合GB1499.1-2017标准,盘螺、螺纹钢应符合GB1499.2-2018标准(合同执行过程中若出现新的国家标准,则以更新后的标准为准)及现行行业标准。
(2)质量保证期:终身。
其他标准:2.1.2 商品砼类商品砼及外加剂(含原材料)均应符合现行国家标准及行业标准:(1)混凝土各项指标必须符合国家质量标准GB/T14902-2003以及设计和甲方现场施工要求。
(2)砂、石符合GB/T-14684-2011、GB/T14685-2011《普通混凝土用砂、石质量及检验方法》标准,砂用中粗砂,碎石用5-20mm的碎石,甲方特殊要求除外。
(3)水泥符合GB175—2007《普通硅酸盐水泥》标准,并能配合提供出厂合格证、出厂检验报告。
货物框架采购合同(框架协议)( *****框架招标)(标的名称)合同编号:签订地点:买方:卖方:目录第一节合同总则根据XXXX公司XXXX年XXXX框架招标结果,(买方)、(卖方)达成以下协议,签订本合同,双方共同信守执行。
第1条供应期限:本框架协议的供应期限(有效期)为本协议生效日起至年月日止。
第2条合同货物及交货供货范围详见“附件1《供货一览表》”。
供应量:卖方在本协议有效期内负责供应给买方的货物总量应相当于买方本标的物总需求量 %的货物。
但买方实际要求卖方供应的货物总量可高于或低于该比例,具体以《框架采购合同(订单合同)》约定的供货数量累计计算。
交货的时间和地点按具体项目《框架采购合同(订单合同)》的要求确定。
第3条合同价款和付款方式合同单价详见本合同“附件1《供货一览表》”,合同总价由《框架采购合同(订单合同)》确定。
各订单合同的合同价款分预付款、入卖方成品库款、到货款和质保金四次支付。
如果订单合同的合同金额小于或等于20万元,则支付比例为0:0:10:0;如果订单合同的合同金额大于20万,但不大于100万,则支付比例为0:0:9:1;其他情况的支付比例详见专用条款。
采用融资租赁方式采购的,支付方式可参照执行或由买卖双方另行约定。
第4条卖方应按照本合同约定提供符合标准的产品和服务;买方按照本合同约定支付价款,接受合格的产品和服务。
第5条下列文件为协议的组成部分招标文件;投标文件;中标通知书;总则、通用条款、专用条款及附件;本协议项下《框架采购合同(订单合同)》;在本合同签订之后双方达成的与合同有关的任何文件。
上述文件互相补充和解释,如有不明确或不一致之处,以形成在后者为准。
第6条合同生效及其它本合同书一式六份,买方执四份,卖方执两份。
本合同由买卖双方法定代表人或其授权代表签字并加盖公章或合同专用章后生效(含骑缝章,办理电子签章的可不盖骑缝章),合同生效日期以双方中最后一方签署并加盖公章或合同专用章的日期为准。
年度采购框架合同协议书范本最新通用合同编号:__________合同各方:甲方(采购方):名称:__________地址:__________联系人:__________联系电话:__________电子邮箱:__________乙方(供应商):名称:__________地址:__________联系人:__________联系电话:__________电子邮箱:__________鉴于甲方为乙方产品的采购方,乙方为甲方提供产品的供应商,双方为了明确双方的权利和义务,经友好协商,特订立本合同,以便共同遵守。
第一条产品及价格(详细产品名称、规格、型号、数量等)(详细价格条款,如固定价格、浮动价格等)第二条交付及交货地点2.1 乙方应按照甲方订单的要求,在合同约定的时间内将产品交付给甲方。
2.2 交货地点为:__________。
第三条付款方式及期限(详细付款方式,如预付定金、货到付款、分期付款等)3.2 付款期限为:__________。
第四条质量保证4.1 乙方保证其提供的产品符合国家相关法律法规的要求。
4.2 乙方应在合同约定的时间内对产品质量问题进行解决。
第五条违约责任5.1 任何一方违反合同的约定,应承担相应的违约责任。
5.2 具体违约责任按照双方协商确定的方式进行赔偿。
第六条争议解决6.1 双方在履行合同过程中发生的争议,应通过友好协商解决。
6.2 若协商不成,任何一方均有权向合同签订地人民法院提起诉讼。
第七条其他约定7.1 双方应遵守国家相关法律法规,不得从事违法经营活动。
7.2 本合同自双方签字盖章之日起生效,有效期为__________年。
7.3 本合同一式两份,甲乙双方各执一份,具有同等法律效力。
甲方(盖章):__________乙方(盖章):__________签订日期:__________多方为主导时的,附件条款及说明一、当甲方为主导时,增加的多项条款及说明1. 甲方订单变更条款说明:甲方根据市场需求,有权在合同履行过程中对订单进行变更。
****项目设备材料采购的思索设备材料采购管理是工程项目管理的重要组成部分,与工程建设全过程有着密切的联系。
****项目规模大、功能结构复杂,涉及到的材料、设备规格品种极多,技术性强、涉及面广、工作量大、时间性强,同时对其质量、进度、费用控制都有着极其严格的要求,具有比较大的风险性。
稍有失误,不仅影响到整个工程的质量、进度和费用控制,甚至会严重影响项目运营期的盈利能力。
因此提高对采购管理工作重要性的认识,提高采购工作的管理水平,对****项目建设的顺利实施及运营成败有着非常重要的意义。
一、我对采购工作认识1、采购在工程项目实施中的作用由于设备、材料的费用在整个项目造价中所占比重很大,因此,搞好采购管理工作对降低整个工程的造价有着重要作用。
同时,工程所需要设备、材料的质量好坏决定着工程质量好坏的关键。
把好采购设备、材料的质量关,就保证了整个工程质量的主要环节。
而设备、材料的及时运抵现场,对工程进度的保障又是至关重要的。
所以优良的采购管理工作,对整个工程的质量、进度和费用控制将起到举足轻重的作用,对于工程项目的顺利实施有着非常重要的意义,甚至是项目建设成败的关键所在。
(1)采购工作直接影响到项目成本和预期效益能否实现。
因此不仅要对货物本身的价格进行选择,还要综合分析一系列与价格有关的其他问题。
例如,根据货物的特点和技术要求的不同选择最适合且信誉好的合格供货厂商,因为不同等级的供货厂商其价格水平是有一定差距的。
根据市场价格浮动的趋势和项目施工计划,选择合适的进货时间和批量;选择合理的付款方式和支付条件以便于减少或转移采购风险。
采购工作要千方百计地减小、转移、化解采购风险,减少损失,增加效益,以降低整个工程的成本。
(2)采购工作必须兼顾经济性和有效性这两个方面,既要价格合理、经济,又要做到产品的质量完全符合设计要求。
质量是工程项目建设的根本,没有质量保证,其费用控制和进度都是奢谈。
一旦项目所需的关键设备或大型价值高的设备、材料质量出现问题,必然要反修、更换,甚至重新采购。
合作建房合同合作建房合同1甲方:乙方:甲方购有××市×××国有出让地一块,土地证号:建设用地规划许可证号:×××号,建设工程规划许可证:×××号;用地通知书:×××号;甲方因资金不足,经甲、乙双方友好协商,一致同意合作兴建一栋七层半住宅楼,协议细则如下:一、甲方负责提供以上地皮,乙方出资人民币880000元,分得建筑面积约200㎡的威尔士综合楼a座201五房二厅一橱三卫的跃层连排别墅一套,按建筑面积4400元/㎡。
(面积以建筑面积测量为准)二、乙方出资合作兴建的房产,甲方协助乙方统一办理房地产证,费用由各层各套各自支付。
乙方拥有此房产的房地产所有权。
房屋使用权限为70年。
三、建筑规划设计方案:甲方经与规划局沟通,初步落实土地容积率≤2.0,建筑密度≤25%,绿化率≥35%,商住比≤0.15。
为此,建筑方案设定为沿南北向海达路55m建进深5m铺面三层(上二层外挑1。
5m),计935㎡,占地275㎡;南北向分别建三幢一梯两户六层半加一连排别墅,底层技术层架空2.2m,建筑面积480㎡;一楼以上东西方向部分外挑1。
5m,单层平均建筑面积584㎡,占地480㎡;共计十八户3801㎡(584__6+584/2=3801)。
骏工验收后沿东西向建进深6m宽4m车库18间,计576㎡。
四、建筑及装修要求:1、建筑采用框剪结构(超建面积罚款由甲方负责)。
2、装修:外墙采用青石等石材做墙基贴面和高档外墙涂料,入户为毛坯交房,外墙窗用电泳铝合金窗,入户门为防火钢门,水电设施由甲方预留入户,城市征地建设费及道路建设费由甲方负责,甲方须保证房屋建筑质量,如果出现问题由甲方负责。
(按原有布局乙方第二次装修及更改费用由乙方负责)五、付款方式:第一期付款,协议签订生效后支付20万定金;第二期付款,土地证办理至甲方公司名下,支付30万元;第三期付款,施工许可证办理完毕后,七日内支付35万建设费用;第四期付款,房屋验收合格交付日,支付尾款并交纳相关的购房税费。
设备采购框架协议样本买方:(以下简称甲方)卖方:(以下简称乙方)双方本着平等互惠的原则,通过友好协商签署本框架协议。
第一条概述1.买方同意向卖方购买、卖方同意向买方出售设备硬件、安装材料和备件、相关软件使用权、技术文件(“设备”)、以及服务。
第二条具体采购安排2.1卖方应依据本框架协议的原则与买方下属企业签订具体设备采购合同(“具体设备采购合同”),以明确具体设备采购权利义务等。
2.2具体设备采购合同的条款约定与本框架协议不符的,应以具体设备采购合同为准,但合同价格应以本框架协议确定的协议价格标准(即计价标准)为准。
第三条采购设备的定价3.1在本框架协议有效期内,如未另行约定,买卖双方确认卖方将按照附件《设备清单及服务价格》确定的折扣后的设备单价向买方提供设备。
3.2买卖双方同意依据具体工程项目性质的不同,如有新建、扩建,替换和网络改造,将按本框架协议附件[]确定不同价格。
其中,新建,指在原来没有[]的地区,新建[]。
扩建,在原来已有[]的地区,扩建同种制式的[]设备。
替换和网络改造,指替换或改造已有的[]设备,包含替换、改造全部的[]设备或部分的[]设备。
这里的替换或改造可以是卖方旧版本设备,也可以是其他供货商的设备。
3.3双方进一步同意,按照附件[]确定的备品备件(含单独采购的备件)价格执行。
3.4在确定包括上述折扣后的设备单价在内的价格时已经包括了卖方为履行本框架协议及具体设备采购合同所需的一切费用。
3.5卖方承诺在本框架协议生效前已给予买方的任何特殊优惠(指比本框架协议更优惠的商务条款),仍适用于买方。
3.6本框架协议生效后,如卖方设备价格下降,或者卖方在与国内其他的需方签署的同类协议中的商务条件比本框架协议更优惠,卖方承诺将及时根据这些变化对本框架协议所约定的设备价格进行修改,以使买方能够以卖方产品在中国市场销售的最低价格采购卖方设备。
3.7买方在签订具体采购合同后[]个月内,如卖方相关产品对中国市场上的任何一个客户的销售价格低于本框架协议价格,卖方同意按该最低价格与买方修订已签署的合同,同时卖方应退回所多收的款项或增补相应量的用户端设备。
采购框架协议采购框架协议(精选15篇)在现在社会,协议使用的情况越来越多,签订协议可以解决现实生活中的纠纷。
想写协议却不知道该请教谁?以下是小编帮大家整理的采购框架协议,欢迎阅读与收藏。
采购框架协议1甲方(需方):乙方(供方):经甲乙双方协商一致,就甲方与乙方在照明灯具及相关配套产品上建立战略合作关系达成本协议,并就甲方向乙方进行长期产品采购事宜进行了明确的规定,以共同遵守。
一、合作内容1、乙方作为甲方照明灯具及相关配套产品供应商,保证所供产品品质优良,价格公平,优先供货,甲方享受的应是不高于任何第三方的优惠价格,乙方所供产品质量、名称、商标、知识产权等需符合相关法律法规及行业标准;2、乙方为甲方提供完善的售前、售中和售后服务,并积极向乙方提供技术支持;3、甲、乙双方共同完善信息反馈制度,积极改进产品技术及质量水准,以利于产品的创新和发展,共创精品工程;4、甲、乙双方根据每次具体订单的产品另行签订《采购订单》。
二、质量要求及验收1、在各订单采购过程中,甲乙双方针对每个系列的产品质量标准和验收标准加以明确,各订单产品的质量标准为本战略合作协议的附件,具备同等法律效力;2、质量标准及产品验收以各订单具体要求或以供方提供的样品为准,各采购订单未明确约定的则按国家标准,国家没有制定相关标准的,执行行业标准。
如该类产品已有国家标准/行业标准的,乙方提供的产品还必须同时符合国家标准/行业标准;3、对于产品数量、规格、包装、配件及完整无损的验收须在收到货物后3天内完成,提出异议须书面或传真到乙方确认并回传后生效。
三、采购流程与订单管理1、签订本《战略合作和长期采购协议》后,各采购项目甲乙双方按《采购订单》执行采购流程;2、《采购订单》主要明确具体产品需求的规格、型号、技术参数、数量、价格、交货期,质保期等。
四、付款与结算1、经甲乙双方协商一致,供方同意如单批订单采购金额在拾万元以内,则可按月结45天方式予以结算(即供方发货之日起计算45天内付款);2、针对拾万元以上的订单结算方式,甲乙双方签订订单后,甲方向乙方先支付30%订金,在乙方发货前,甲方向乙方支付该订单总额另外40%货款,余下的30%货款在甲方该项目灯光调试完毕并正常运行40后5天内完成支付;3、特殊工程项目上需要在订单总额中暂扣质保金的,由甲乙双方另行单独协商。
材料或设备采购框架合同...........
本《材料或设备采购框架合同》(下称本合同”或合同”由以下各方于
【•年【•月【•日在【•共同签署。
【公司全称】(下称甲方” 通讯地址:【•
联系人:【•
联系电话:【•
传真:【•
【公司全称】(下称乙方” 通讯地址:【•
联系人:【•
联系电话:【•
传真:【•
根据甲方【•项目需要,为降低采购成本,就该项目所需【•设备采购事宜,甲方愿与乙方建立战略供货合作关系,经双方平等协商,达成以下约定:
第一条产品名称、规格型号、数量、价款(或见附表)
1.1本合同为固定单价框架合同,甲方实际需求的采购数量由甲方签字确认的《采购订单》为准,乙方
应按《采购订单》供货。
《采购订单》详见合同附件。
1.2以上合同单价执行至供货完毕,如市场价格变动,乙方不作价格调整。
以上合同单价为固定价格,包括但不限于材料费、加工制作费、运输费、 包装材料费及包装费、
装卸费、成品保护费、管理费、利润等甲方实现合 同目的所需支出的全部费用。
双方确认,本合
同项下的合同价款与增值税 金额分别单独计算,严格实行价税分离。
乙方明确承诺:在签署本合同之前已充分考虑当前及合同履行期内的所有 可能产生的成本因素,包括国家政策、法规变化而带来的不利影响,并对 合同义务的完全履行不持任何异议。
本合同履行期限内,除非甲乙双方另 有书面约定,否则本合同价款不作任何调整。
甲方分公司同样享有甲方在本合同中享有的权利和义务。
甲方分公司招采 人员在履行本合同的范围内有权代表各分公司在指定地点接收货物并在确 认《采购订单》后签字。
第二条质量技术标准
乙方必须保证产品质量符合国家现行有关标准 【•及各项主要验收指标规
^定。
具体质量要求及技术标准:【•。
第三条合作期限
本合同双方明确,本合同项下合作期限自【】年【】月【】日至【】年【】 月【】日。
第四条质量保证期限
质量保证期限:【】年。
质量保证期限自交货验收合格签订书面验收报告之日起计算。
第五条 交货地点、时间
交货地点:【•。
交货时间:按甲方签署的《采购订单》约定期限供货 。
.……
第六条运输
乙方负责运输货物至甲方交货地点 1.3 1.4 2.1
22
3.1
4.1 4.2
5.1
5.2
6.1
第七条合理损耗及计算方法
7.1【•。
第八条包装标准及要求
8.1【•。
第九条验收及质量异议
9.1乙方应在发货前【•日内书面通知甲方货到甲方项目现场的具体时间;货到现场按本合同约定标准
为依据进行验收。
9.2交货验收由甲方组织进行,验收合格的由双方签收书面验收报告;验收不合格的,乙方应按照合同
约定的质量标准予以更换,因更换导致逾期交货的,乙方应承担逾期的违约责任。
在质保期内,甲方有权就乙方货物的内在质量、技术标准及功能等质量问题向乙方提出质量异议,乙方须在甲方通知的期限内与甲方共同协商处理,乙方在上述期限内未与甲方协商处理的,视为乙方承认上述质量异议成立。
甲方有权自行处理该质量问题(包括但不限于更换、维修、购买替代品),相关费用及损失由乙方承担。
第十条结算及付款
10.1合同中约定的数量为暂定,供货完成后按甲方《采购订单》与合同约定单价结算。
乙方供货完
毕,经检验合格后签订书面验收报告后进行结算。
10.2付款期限:
货到现场,经乙方验收合格后签订书面验收报告后并收到乙方正式足额的、适用【•税率(征收率)的合法增值税专用发票【•】个工作日内支付合同价款的【• %,剩余【• %作为质保金,质保期满且无质量问题后【• 个工作日内无息付清。
10.3甲方每次付款前,乙方应向甲方出具相应金额的正式的、适用【• %税率
(征收率)的合法增值税专用发票,否则甲方有权拒付;乙方出具非法发票
的,视为违约行为,应向甲方支付开票金额30%的违约金;乙方两次
向
甲方出具非法发票的,甲方有权解除合同,造成甲方损失的,乙方应承担赔
偿责任;若因乙方未能按时开具正式足额的合法增值税专用发票给甲方造成损失的,乙方应赔偿甲方因此遭受的全部损失。
第十一条违约责任
11.1甲方须确保按采购合同按时付款,如甲方未按时付款,按人民银行同期贷款利率支付利息。
11.2乙方所供产品如质量不符合相关国家标准及合同要求,乙方须保证在收到甲方通知后【•日内无条
件将不合格产品更换成合格产品,因更换导致交货逾期的,乙方须承担逾期的违约责任。
乙方不予更换的,甲方有权单方解除合同,乙方应承担合同总金额【】%违约责任及甲方因此遭受的全部
损失。
11.3乙方逾期交货的,按逾期交货总价款的【• %/日向甲方支付违约金,逾期超过【•天的,甲方有权
单方解除合同且乙方应承担合同总金额【】%违
约责任及甲方因此遭受的全部损失。
11.4质保期内,产品出现质量问题的,乙方应在接到甲方通知后【•】日内到达
现场进行维修,乙方不履行维保义务的,甲方有权单方委托第三方进行维修,相关费用从质保金中予以扣除,超出质保金的部分作为乙方对甲方的债务,甲方有权随时另行向乙方索取。
无法维修的,乙方应予以更换,乙方不予更换的,甲方有权单方解除合同,乙方应将货物价款予以返还且承担合同总金额【】%违约责任及甲方因此遭受的全部损失。
11.5除本合同另有约定外,乙方不履行合同义务或者履行合同义务不符合约定的,甲方有权解除本合
同,乙方应向甲方支付合同总金额【】%违约金,
并承担由此给甲方造成的全部损失。
第十二条双方履约事务代表
12.1甲方处理本合同事务代表为:【•(身份证号:【•),签名样本:【•,甲方代表权限:代表甲方
签署与本框架合同履行有关的文件、确认样本。
12.2乙方处理本合同事务代表为:【•(身份证号:【•),签名样本:【•,乙方代表权限:代表乙方
签署与本框架合同履行有关的文件、确认样本、交付货物。
第十三条争议解决
13.1因本合同发生的争议首先由双方协商解决,协商不成的,由甲方住所地人民法院管辖。
第十四条特别约定事项
14.1乙方已明确理解,甲方有权决定是否签署《采购订单》要求乙方供货,甲方实际采购数量以甲方
签署的《采购订单》为准。
乙方不得以本框架合同约定为依据要求甲方承担违约责任。
14.2若乙方所供材料经检验为不合格的,乙方应在【•个工作日内将不合格产
品更换成合格产品,并承担此次及下次检测费用。
造成逾期交货的,乙方承担本合同约定的逾期交货违约责任。
14.3乙方交货时应向甲方提供产品检测报告、材质单、合格证等相关质量证明文件,未提交的视为质
量不合格产品,甲方有权拒收。
第十五条其他
15.1本合同未尽事宜,双方可另行协商并签署补充协议。
补充协议与本合同不一致的,以补充协议为
准。
15.2本合同正本一式【•份,甲方执【•份,乙方执【•份,每份均具有同等法律效力。
15.3本合同经双方法定代表人或授权代表签署并加盖公章后立即生效并对双方有约束力。
第十六条合同附件
16.1本合同所有附件为合同的有效组成部分,与合同正文具有同等的法律效力。
本合同附件包括:
附件1 :【• ..........
(以下无正文)
双方已责成其各自妥当授权的代表于上文首次载明的日期签署了本合同,以昭信守。
甲方:【•】(盖章):
法定代表人/授权代表:(签字)
纳税人类别:【•
计税方式:【•
纳税人识别号:【•
乙方:【•】(盖章):
法定代表人/授权代表:(签字)
纳税人类别:【•
计税方式:【•
纳税人识别号:【•
开户行:【•
开户名:【•
账号:【•。