高支模模板
- 格式:doc
- 大小:149.51 KB
- 文档页数:19
高支模梁模板计算书高支撑架的计算依据《建筑施工扣件式钢管脚手架安全技术规范》(JGJ130-2001)、《混凝土结构设计规范》GB50010-2002、《建筑结构荷载规范》(GB 50009-2001)、《钢结构设计规范》(GB 50017-2003)等规范编制。
因本工程梁支架高度大于4米,根据有关文献建议,如果仅按规范计算,架体安全性仍不能得到完全保证。
为此计算中还参考了《施工技术》2002(3):《扣件式钢管模板高支撑架设计和使用安全》中的部分内容。
梁段:L1。
一、参数信息1.模板支撑及构造参数梁截面宽度 B(m):0.30;梁截面高度 D(m):0.60混凝土板厚度(mm):0.10;立杆纵距(沿梁跨度方向间距)La(m):1.00;立杆上端伸出至模板支撑点长度a(m):0.10;脚手架步距(m):1.50;梁支撑架搭设高度H(m):4.20;梁两侧立柱间距(m):0.70;承重架支设:无承重立杆,木方支撑垂直梁截面;立杆横向间距或排距Lb(m):1.00;采用的钢管类型为Φ48×3.50;扣件连接方式:单扣件,考虑扣件质量及保养情况,取扣件抗滑承载力折减系数:0.80;2.荷载参数模板自重(kN/m2):0.35;钢筋自重(kN/m3):1.50;施工均布荷载标准值(kN/m2):2.5;新浇混凝土侧压力标准值(kN/m2):18.0;倾倒混凝土侧压力(kN/m2):2.0;振捣混凝土荷载标准值(kN/m2):2.03.材料参数木材品种:柏木;木材弹性模量E(N/mm2):10000.0;木材抗弯强度设计值fm(N/mm2):17.0;木材抗剪强度设计值fv(N/mm2):1.7;面板类型:胶合面板;钢材弹性模量E(N/mm2):210000.0;钢材抗弯强度设计值fm(N/mm2):205.0;面板弹性模量E(N/mm2):9500.0;面板抗弯强度设计值fm(N/mm2):13.0;4.梁底模板参数梁底模板支撑的间距(mm):300.0;面板厚度(mm):18.0;5.梁侧模板参数主楞间距(mm):500;次楞间距(mm):300;穿梁螺栓水平间距(mm):500;穿梁螺栓竖向间距(mm):300;穿梁螺栓直径(mm):M12;主楞龙骨材料:木楞,,宽度60mm,高度80mm;主楞龙骨材料:木楞,,宽度40mm,高度60mm;二、梁模板荷载标准值计算1.梁侧模板荷载强度验算要考虑新浇混凝土侧压力和倾倒混凝土时产生的荷载;挠度验算只考虑新浇混凝土侧压力。
索理思(珠海)新建项目建筑安装B标段模板高支模(5M≤H<8M)安全专项施工方案编制人:职务:校对人:职务:审核人:职务:审批人:职务:目录第一章工程概况--------------------------------------------------- 2一、工程概况--------------------------------------------------- 2二、施工要求--------------------------------------------------- 3三、技术保证条件----------------------------------------------- 3第二章编制依据--------------------------------------------------- 4第三章施工计划--------------------------------------------------- 5一、施工进度计划----------------------------------------------- 5二、材料与设备计划--------------------------------------------- 5第四章施工工艺技术----------------------------------------------- 8一、技术参数--------------------------------------------------- 8二、工艺流程--------------------------------------------------- 8三、施工方法--------------------------------------------------- 8四、检查验收-------------------------------------------------- 20第五章施工安全保证措施------------------------------------------ 22一、组织保障-------------------------------------------------- 22二、技术措施-------------------------------------------------- 25三、监测监控-------------------------------------------------- 31四、应急预案-------------------------------------------------- 33第六章劳动力计划------------------------------------------------ 34一、专职安全生产管理人员-------------------------------------- 34二、所需劳动力安排-------------------------------------------- 35第七章计算书及相关图纸------------------------------------------ 35一、计算书---------------------------------------------------- 35二、节点图------------------------------------- 错误!未定义书签。
高支模模板专项施工方案1. 引言高支模模板是一种常用于建筑施工中的支撑体系,用于支撑和固定混凝土结构的施工过程中。
本文档将介绍高支模模板的专项施工方案,包括施工前的准备工作、模板的搭设和拆除、施工过程中的安全措施等内容。
2. 施工前的准备工作2.1 确定施工方案在进行高支模模板施工前,需要制定详细的施工方案,包括模板的类型、数量、布置方式等。
根据具体工程要求和设计要求,确定适宜的模板方案,以确保施工的安全和高效进行。
2.2 安全评估在进行高支模模板施工前,需要进行安全评估,评估施工现场的风险和安全措施。
根据评估结果采取相应的预防措施,确保施工过程中的安全。
2.3 材料采购根据施工方案,采购所需的高支模模板材料,包括模板板材、横梁、支撑杆等。
确保材料的质量符合要求,并进行必要的检验和验收。
3. 模板的搭设和拆除3.1 模板搭设根据施工方案,进行高支模模板的搭设。
首先,搭设模板的基础支撑结构,包括模板底座、支撑杆等。
然后,安装横梁和横杆,形成完整的支撑框架。
最后,安装模板板材,固定在支撑框架上。
3.2 模板拆除在混凝土结构完成后,需要进行模板的拆除工作。
首先,逐层拆除模板板材,采取安全可靠的方法,防止模板板材脱落或坠落。
然后,拆除横梁和支撑杆,最后拆除模板底座。
拆除过程中,注意安全防护,确保施工人员的安全。
4. 施工过程中的安全措施4.1 安全培训在进行高支模模板施工前,进行必要的安全培训,使施工人员了解施工过程中的风险和安全措施。
培训内容包括模板的搭设和拆除方法、紧急情况的处理等。
4.2 安全设施在施工现场设置必要的安全设施,包括警示标识、安全网、安全带等。
确保施工人员的安全,并设置紧急救援措施,以应对可能发生的意外情况。
4.3 安全检查在施工过程中进行定期的安全检查,发现安全隐患及时处理。
检查包括模板的稳定性、支撑杆的状态、横梁的连接等。
确保模板的安全性和稳定性。
5. 总结高支模模板专项施工方案是高支模模板施工的重要指导文件,保证施工过程的顺利进行和施工人员的安全。
根据住房和城乡建设部下发的《建设工程高大模板支撑系统施工安全监督管理导则》建质[2009]254号第1.3条规定高大模板支撑系统是指建设工程施工现场混凝土构件模板支撑高度超过8m,或搭设跨度超过18m,或施工总荷载大于15kN/m2,或集中线荷载大于20kN/m的模板支撑系统。
高大支模的定义切勿和高支模混淆,高大支模的方案需专家论证,而高支模是行业内俗称,它是属于危险性较大的分部分项工程,只需编制方案,不需专家论证。
具体如下:
一、住建部的建质[2009]87号文,《危险性较大的分部分项工程安全管理办法》的通知中说明:①搭设高度5m及以上;搭设跨度10m及以上;施工总荷载10kN/m2及以上;集中线荷载15kN/m及以上;高度大于支撑水平投影宽度且相对独立无联系构件的混凝土模板支撑工程为危险性较大的分部分项工程。
②搭设高度8m及以上;搭设跨度18m及以上;施工总荷载15kN/m2及以上;集中线荷载20kN/m及
以上的为“超过一定规模的危险性较大的分部分项工程”。
(注意:“此类需要专家论证”)。
二、住建部的建质[2009]254号文,《建设工程高大模板支撑系统施工安全监督管理导则》的通知中说明:
高大模板支撑系统是指建设工程施工现场混凝土构件模板支撑高度超过8m,或搭设跨度超过18m,或施工总荷载大于15kN/㎡,或集中线荷载大于20kN/m的模板支撑系统。
施工单位应依据国家现行相关标准规范,由项目技术负责人组织相关专业技术人员,结合工程实际,编制高大模板支撑系统的专项施工方案。
并经过专家论证方可实施。
高支模模板检查、验收标准
1、模板及其支架应具有足够的承载能力、刚度和稳定性,能可靠地承受浇筑混凝土的重量、侧压力以及施工荷载。
2、安装现浇结构的上层模板及其支架时,下层楼板具有承受上层荷载的承受能力,加设支架时上、下支架的立杆应对准,并铺设垫板。
3、模板接缝不能漏浆;在浇筑混凝土时,模板浇水湿润,模板内不得有积水。
4、模板与混凝土的接触面清理干净并涂刷隔离剂,但不得采用影响结构性能或妨碍装饰工程施工的隔离剂。
5、浇筑混凝土前,模板内的杂物清理干净。
高支模施工方案(高度5.2m 附图)最终版在建筑施工中,高支模是一种常用的支模工法,适用于高度较大的混凝土结构施工。
本文将介绍一种高度达5.2米的高支模施工方案,并附有详细的施工图纸。
一、施工准备1.材料准备:高支模所需的主要材料包括钢管、连接件、钢筋等。
确保材料质量合格,并按照设计要求进行采购。
2.施工人员培训:施工人员应经过专业培训,了解高支模的搭建及拆除流程,并严格按照规范操作。
3.施工方案确认:根据设计图纸,确认高支模的搭建方案和施工程序,及时调整设计方案中的临时支撑及土方开挖等工序。
二、施工流程1. 搭建支撑系统1.确定支模的具体位置和高度,根据设计要求密布支撑立柱。
2.安装支撑横梁,确保其横平竖直,稳固连接于支撑立柱上。
2. 安装模板1.根据设计图纸要求,将模板板件按照平面尺寸排列在支撑横梁上。
2.用连接件将各个板件连接牢固,确保整体结构稳定。
3.测量模板的水平和垂直度,调整后固定。
3. 浇筑混凝土1.在模板内设置钢筋,并确保其位置准确。
2.根据设计要求进行混凝土的配制和浇筑,注意混凝土坍落度和浇筑质量。
4. 拆除支模1.混凝土充分凝固后,按照设计要求拆除模板和支撑系统。
2.注意拆除过程中的安全及施工现场的整理和清理。
三、施工图纸施工图纸请见附件。
通过本文的介绍,相信大家对高支模施工方案有了更深入的了解。
在实际施工中,一定要严格按照设计要求和施工流程操作,确保施工质量和安全。
如有任何疑问或需要进一步了解的地方,请及时咨询相关专业人士。
模板及高支模施工方案一、模板及高支模施工方案高支模是一种常用的施工模板,适用于混凝土结构的建筑。
以下是一份高支模施工方案的模板及具体步骤:1. 模板搭设(1)确定模板尺寸和要求。
根据设计图纸和施工要求确定模板的尺寸和质量要求。
(2)准备模板材料。
选择高质量的木材作为模板材料,并进行防腐处理。
(3)制作模板。
根据设计图纸制作模板结构,并确保所有部件的连接牢固。
(4)搭设模板。
根据地基情况和施工进度搭设模板,确保模板的平整度和垂直度。
2. 抹灰和防水处理(1)进行抹灰处理。
使用专业的抹灰工具和材料对模板表面进行抹灰处理,确保表面平整光滑。
(2)施加防水涂料。
在抹灰后,涂刷防水涂料,保护模板不受潮湿环境的影响。
3. 安装支撑和调整(1)安装支撑系统。
根据设计要求和模板结构,安装支撑系统,确保模板的稳定性和安全性。
(2)调整模板位置。
使用调整工具调整模板的水平度和垂直度,确保模板的准确位置。
4. 混凝土浇筑(1)准备混凝土。
根据设计要求和施工计划准备好混凝土材料。
(2)浇筑混凝土。
根据施工方案和浇筑顺序,浇筑混凝土,在模板内逐层浇筑。
5. 拆除模板(1)混凝土强度达到要求后,拆除模板。
(2)用专业工具慎重拆除模板。
6. 清理和维护(1)清理施工现场。
及时清理施工现场,并妥善处理废弃材料和垃圾。
(2)维护模板。
定期检查和维护模板,确保其质量和使用寿命。
以上是一份高支模施工方案的模板及具体步骤,根据实际情况和要求,可以进行适当的调整和完善。
在施工过程中,要严格按照安全规范操作,确保施工质量和施工安全。
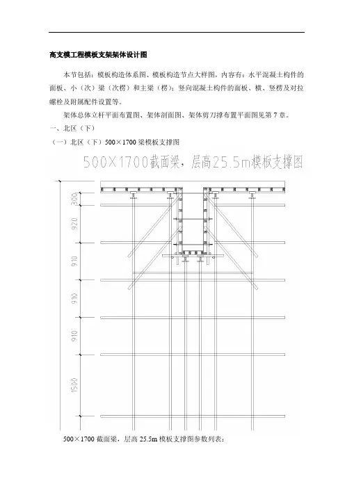
高支模工程模板支架架体设计图本节包括:模板构造体系图、模板构造节点大样图,内容有:水平混凝土构件的面板、小(次)梁(次楞)和主梁(楞);竖向混凝土构件的面板、横、竖楞及对拉螺栓及附属配件设置等。
架体总体立杆平面布置图、架体剖面图、架体剪刀撑布置平面图见第7章。
一、北区(下)(一)北区(下)500×1700梁模板支撑图500×1700截面梁,层高25.5m模板支撑图参数列表:一、结构基本参数:1、梁宽:500mm2、梁高度:1700mm3、楼板厚度:150mm4、层高:25.5m二、梁底模板支撑参数:1、承重架选型:钢管扣件2、承重架支设方式:梁下双支顶立杆3、梁底承重立杆根数:2根4、模板材料:胶合板5、模板厚度:15mm6、梁底木方根数:4根7、木方截面规格:50×80mm8、梁底木方间距:150mm9、梁底小横杆:φ48×3.5钢管10、小横杆间距:450mm11、梁侧立杆间距:1.1m12、梁侧立杆跨度方向间距(不大于):0.9m13、立杆基础:混凝土楼板上铺50mm厚木脚手板14、顶托内托梁类型:无托梁15、梁底立杆跨度方向间距(不大于):0.45m16、梁底立杆横向间距:0.37m17、水平杆步距:1.5m18、板下顶部2道水平杆步距调整为:1.08m19、水平杆总步数(含扫地杆和顶部加密区,不含梁下附加水平杆):18步20、扫地杆距架体基础上表面:200mm21、板下架体含可调支托搭设高度(至支托顶,扣垫板厚度):25.16m22、梁底支顶立杆含可调支托搭设高度(至支托顶,扣垫板厚度):23.61m23、支撑架体计算高度(等于层高):25.5m24、板下立杆支撑自由端高度:400mm25、梁下立杆支撑自由端高度:400mm26、梁下是否附加水平杆:附加一道水平杆,使梁下支顶立杆自由端高度控制在500以内三、梁侧模板参数:1、梁宽:500mm2、梁高度:1700mm3、楼板厚度:150mm4、模板材料:胶合板5、模板厚度:15mm6、梁侧木方根数:7根7、木方截面规格:50×80mm8、木方间距:263mm9、主龙骨选型:双钢管10、主龙骨间距(不大于):450mm11、对拉螺栓直径:14mm12、对拉螺栓道数:3道13、对拉螺栓竖向间距:625mm14、第一道螺栓距梁底:150mm15、对拉螺栓跨度方向间距(同主龙骨):450mm16、梁侧斜支撑间距:0.9m(二)北区(下)600×1700梁600×1700截面梁,层高25.5m模板支撑图参数列表:一、结构基本参数:1、梁宽:600mm2、梁高度:1700mm3、楼板厚度:150mm4、层高:25.5m二、梁底模板支撑参数:1、承重架选型:钢管扣件2、承重架支设方式:梁下双支顶立杆3、梁底承重立杆根数:2根4、模板材料:胶合板5、模板厚度:15mm6、梁底木方根数:4根7、木方截面规格:50×80mm8、梁底木方间距:183mm9、梁底小横杆:φ48×3.5钢管10、小横杆间距:450mm11、梁侧立杆间距:1.2m12、梁侧立杆跨度方向间距(不大于):0.9m13、立杆基础:混凝土楼板上铺50mm厚木脚手板14、顶托内托梁类型:无托梁15、梁底立杆跨度方向间距(不大于):0.45m16、梁底立杆横向间距:0.4m17、水平杆步距:1.5m18、板下顶部2道水平杆步距调整为:1.08m19、水平杆总步数(含扫地杆和顶部加密区,不含梁下附加水平杆):18步20、扫地杆距架体基础上表面:200mm21、板下架体含可调支托搭设高度(至支托顶,扣垫板厚度):25.16m22、梁底支顶立杆含可调支托搭设高度(至支托顶,扣垫板厚度):23.61m23、支撑架体计算高度(等于层高):25.5m24、板下立杆支撑自由端高度:400mm25、梁下立杆支撑自由端高度:400mm26、梁下是否附加水平杆:附加一道水平杆,使梁下支顶立杆自由端高度控制在500以内三、梁侧模板参数:1、梁宽:600mm2、梁高度:1700mm3、楼板厚度:150mm4、模板材料:胶合板5、模板厚度:15mm6、梁侧木方根数:7根7、木方截面规格:50×80mm8、木方间距:263mm9、主龙骨选型:双钢管10、主龙骨间距(不大于):450mm11、对拉螺栓直径:14mm12、对拉螺栓道数:3道13、对拉螺栓竖向间距:625mm14、第一道螺栓距梁底:150mm15、对拉螺栓跨度方向间距(同主龙骨):450mm16、梁侧斜支撑间距:0.9m(三)北区(下)500×1400梁500×1400截面梁,层高25.5m模板支撑图参数列表:一、结构基本参数:1、梁宽:500mm2、梁高度:1400mm3、楼板厚度:150mm4、层高:25.5m二、梁底模板支撑参数:1、承重架选型:钢管扣件2、承重架支设方式:梁下双支顶立杆3、梁底承重立杆根数:2根4、模板材料:胶合板5、模板厚度:15mm6、梁底木方根数:4根7、木方截面规格:50×80mm8、梁底木方间距:150mm9、梁底小横杆:φ48×3.5钢管10、小横杆间距:450mm11、梁侧立杆间距:1.1m12、梁侧立杆跨度方向间距(不大于):0.9m13、立杆基础:混凝土楼板上铺50mm厚木脚手板14、顶托内托梁类型:无托梁15、梁底立杆跨度方向间距(不大于):0.9m16、梁底立杆横向间距:0.37m17、水平杆步距:1.5m18、板下顶部2道水平杆步距调整为:1.08m19、水平杆总步数(含扫地杆和顶部加密区,不含梁下附加水平杆):18步20、扫地杆距架体基础上表面:200mm21、板下架体含可调支托搭设高度(至支托顶,扣垫板厚度):25.16m22、梁底支顶立杆含可调支托搭设高度(至支托顶,扣垫板厚度):23.91m23、支撑架体计算高度(等于层高):25.5m24、板下立杆支撑自由端高度:400mm25、梁下立杆支撑自由端高度:400mm26、梁下是否附加水平杆:附加一道水平杆,使梁下支顶立杆自由端高度控制在500以内三、梁侧模板参数:1、梁宽:500mm2、梁高度:1400mm3、楼板厚度:150mm4、模板材料:胶合板5、模板厚度:15mm6、梁侧木方根数:6根7、木方截面规格:50×80mm8、木方间距:256mm9、主龙骨选型:双钢管10、主龙骨间距(不大于):450mm11、对拉螺栓直径:14mm12、对拉螺栓道数:3道13、对拉螺栓竖向间距:475mm14、第一道螺栓距梁底:150mm15、对拉螺栓跨度方向间距(同主龙骨):450mm16、梁侧斜支撑间距:0.9m(四)北区(下)400×700梁400×700截面梁,层高25.5m模板支撑图参数列表:一、结构基本参数:1、梁宽:400mm2、梁高度:700mm3、楼板厚度:150mm4、层高:25.5m二、梁底模板支撑参数:1、承重架选型:钢管扣件2、承重架支设方式:梁下双支顶立杆3、梁底承重立杆根数:2根4、模板材料:胶合板5、模板厚度:15mm6、梁底木方根数:3根7、木方截面规格:50×80mm8、梁底木方间距:175mm9、梁底小横杆:φ48×3.5钢管10、小横杆间距:450mm11、梁侧立杆间距:1m12、梁侧立杆跨度方向间距(不大于):0.9m13、立杆基础:混凝土楼板上铺50mm厚木脚手板14、顶托内托梁类型:无托梁15、梁底立杆跨度方向间距(不大于):0.9m16、梁底立杆横向间距:0.33m17、水平杆步距:1.5m18、板下顶部2道水平杆步距调整为:1.08m19、水平杆总步数(含扫地杆和顶部加密区,不含梁下附加水平杆):18步20、扫地杆距架体基础上表面:200mm21、板下架体含可调支托搭设高度(至支托顶,扣垫板厚度):25.16m22、梁底支顶立杆含可调支托搭设高度(至支托顶,扣垫板厚度):24.61m23、支撑架体计算高度(等于层高):25.5m24、板下立杆支撑自由端高度:400mm25、梁下立杆支撑自由端高度:400mm26、梁下是否附加水平杆:附加一道水平杆,使梁下支顶立杆自由端高度控制在500以内三、梁侧模板参数:1、梁宽:400mm2、梁高度:700mm3、楼板厚度:150mm4、模板材料:胶合板5、模板厚度:15mm6、梁侧木方根数:3根7、木方截面规格:50×80mm8、木方间距:290mm9、主龙骨选型:双钢管10、主龙骨间距(不大于):450mm11、对拉螺栓直径:14mm12、对拉螺栓道数:1道13、对拉螺栓竖向间距:/14、第一道螺栓距梁底:275mm15、对拉螺栓跨度方向间距(同主龙骨):450mm16、梁侧斜支撑间距:不设斜支撑(五)北区(下)250×700梁250×700截面梁,层高25.5m模板支撑图参数列表:一、结构基本参数:1、梁宽:250mm2、梁高度:700mm3、楼板厚度:150mm4、层高:25.5m二、梁底模板支撑参数:1、承重架选型:钢管扣件2、承重架支设方式:梁下单支顶立杆3、梁底承重立杆根数:1根4、模板材料:胶合板5、模板厚度:15mm6、梁底木方根数:2根7、木方截面规格:50×80mm8、梁底木方间距:200mm9、梁底小横杆:φ48×3.5钢管10、小横杆间距:450mm11、梁侧立杆间距:0.85m12、梁侧立杆跨度方向间距(不大于):0.9m13、立杆基础:混凝土楼板上铺50mm厚木脚手板14、顶托内托梁类型:无托梁15、梁底立杆跨度方向间距(不大于):0.9m16、梁底立杆横向间距:0.43m17、水平杆步距:1.5m18、板下顶部2道水平杆步距调整为:1.08m19、水平杆总步数(含扫地杆和顶部加密区,不含梁下附加水平杆):18步20、扫地杆距架体基础上表面:200mm21、板下架体含可调支托搭设高度(至支托顶,扣垫板厚度):25.16m22、梁底支顶立杆含可调支托搭设高度(至支托顶,扣垫板厚度):24.61m23、支撑架体计算高度(等于层高):25.5m24、板下立杆支撑自由端高度:400mm25、梁下立杆支撑自由端高度:400mm26、梁下是否附加水平杆:附加一道水平杆,使梁下支顶立杆自由端高度控制在500以内三、梁侧模板参数:1、梁宽:250mm2、梁高度:700mm3、楼板厚度:150mm4、模板材料:胶合板5、模板厚度:15mm6、梁侧木方根数:3根7、木方截面规格:50×80mm8、木方间距:290mm9、主龙骨选型:双钢管10、主龙骨间距(不大于):450mm11、对拉螺栓直径:14mm12、对拉螺栓道数:1道13、对拉螺栓竖向间距:/14、第一道螺栓距梁底:275mm15、对拉螺栓跨度方向间距(同主龙骨):450mm16、梁侧斜支撑间距:不设斜支撑二、北区(上)注:本区均降板660mm。
7m以上高支模模板安装施工构造要求1.1材料钢材、钢管、钢铸件、扣件、螺栓和组合钢模板及配件在质量上应遵循下列标准和规定:(1)钢材应符合现行国家标准《碳素结构钢》GB/T 700、《低合金高强度结构钢》GB/T 1591的规定。
(2)钢管应符合现行国家标准《直缝电焊钢管》GB/T 13793或《低压流体输送用焊接钢管》GB/T 3092中规定的Q235普通钢管的要求,并应符合现行国家标准《碳素结构钢》GB/T 700中Q235A级钢的规定。
不得使用有严重锈蚀、弯曲、压扁及裂纹的钢管。
(3)钢铸件应符合现行国家标准《一般工程用铸造碳钢件》GB/T 11352中规定的ZG 200—420、ZG 230—450、ZG 270—500和ZG310—570号钢的要求。
(4)钢管扣件应符合现行国家标准《钢管脚手架扣件》GB15831的规定。
(5)用于模板结构或构件的木材,主要承重构件应选用针叶材;重要的木制连接件应采用细密、直纹、无节和无其他缺陷的耐腐蚀的硬质阔叶材。
(6)胶合模板板材表面应平整光滑,具有防水、耐磨、耐酸碱的保护膜,并应有保温性能好、易脱模和可两面使用等特点。
板材厚度不应小于12mm,并应符合国家现行标准《混凝土模板用胶合板》ZBB 70006的规定。
常用木胶合模板的厚度宜为12、15、18。
1.2梁板支撑(1)梁和板的立柱,其纵横向间距应相等或成倍数。
(2)木立柱底部应设垫木,顶部应设支撑头。
钢管立柱底部应设垫木和底座,顶部应设可调支托,U形支托与楞梁两侧间如有间隙,必须楔紧,其螺杆伸出钢管顶部不得大于200mm,螺杆外径与立柱钢管内径的间隙不得大于3mm,安装时应保证上下同心。
(3)在立柱底距地面200mm高处,沿纵横水平方向应按纵上横下的程序设扫地杆。
可调支托底部的立柱顶端应沿纵横向设置一道水平拉杆。
扫地杆与顶部水平拉杆之间的间距,在满足模板设计所确定的水平拉杆步距要求条件下,进行平均分配确定步距后,在每一步距处纵横向应各设一道水平拉杆。
高支模模板的安装和拆除要求1、模板安装(1)技术准备:施工前项目技术负责人应根据专项方案由对操作班组工人进行详细的技术交底。
施工员根据方案图要求按立杆位置进行放线,做出样板单元,经监理、施工单位验收合格后方可继续搭设。
搭设过程中严禁集中超负荷堆放钢筋、机械设备及其它材料,防止物体坠落及支撑系统局部坍塌。
(2)支撑架搭设顺序:铺垫板→竖立杆→扫地杆安装→第一步架纵横水平杆安装,第二步第三步→垂直剪刀撑水平剪刀撑安装→立杆接长→第四步架……→最顶一步架水平杆安装(应根据层高调整水平标高起拱度)(3)柱模板的安装:用控制轴线测放各墙、柱的边框线,沿线设置盘脚木板条,用钢钉将木板条固定,以控制模板的截面尺寸,墙柱钢筋经隐蔽验收后,将事先拼制好的木模就位,进行校正固定,按照设计要求加强固定,确保模板的稳定性和刚度。
(4)梁板模板的安装:在经过验收的支撑架上,按梁的位置铺设木枋:梁底板下木枋平行于梁时,一般为加工成型的梁底板。
此时木枋不够梁长时,应用同规格木枋绑接,绑条长在接头两端各不少于1M。
梁底板下木枋平行与梁截面时,沿梁铺设木枋小横楞,然后小横楞上铺设梁底板,底板与木枋钉牢并固定位置。
主梁由于截面尺寸较大,钢筋大且数量较多,为方便施工,主梁底板铺好后进行梁筋绑扎,然后再封侧模;而次梁底板铺设后安装侧模,最后铺设楼面模板。
(5)排架立杆加支撑托的搭设要求:支撑托螺杆扦入立杆内长度不小于螺杆总长的1/3。
伸出长度不得大于300,大横楞应居中设置。
2、模板拆除模板拆除前,应进行详细安全技术交底,并且由专人出具拆模通知单,班组接到拆模通知后,方可进行施工,具体如下:(1)竖向拆模一般在砼的终凝时间确定后,可在砼终凝6小时后拆侧模,但应确保棱角的完整,框支梁侧模不得早于24小时,梁底模及板模的拆除须达到设计强度100%以上,并应有指导试块结果后,执行拆模通知单制度。
(2)应先拆除梁侧模板,楼面板模板先拆支撑杆的最上层水平杆,然后拆竖向支撑杆托,一个自然间内每根大横楞下留1-2根支撑暂不拆。
木工高支模支模板工程方案一、支模的选材1. 主要支模材料木工高支模的主要支撑结构一般采用木材或钢材制作。
木材支模常用的材料有樟子松、杉木、榉木等,其优点是质地坚实、负荷能力强,适合用于搭建大型模板支撑。
钢材支模则通常采用优质角钢、方钢等材料制作,具有承重能力强,耐用等优点。
2. 辅助支模材料除主要支撑结构之外,木工高支模还需要配套使用一些辅助材料,如支模螺栓、钢管、连接件等。
这些辅助材料通常采用优质碳钢材料,具有抗腐蚀、承重能力强等特点。
二、施工工艺1. 支模的搭建支模的搭建是木工高支模工程的关键环节。
在搭建支模时,首先需要按照设计图纸确定支模的类型、规格和布置方式,然后进行支模结构的搭建。
在搭建过程中要注意合理安排支模的拼接、加固和支撑,确保支模结构稳固可靠。
2. 支模的调整在支模搭建完成后,还需进行支模的调整工作。
调整工作主要包括支模的水平调整、垂直调整和整体稳固性检查。
通过调整工作,确保支模的水平度和稳固性符合设计要求,保证混凝土浇筑质量。
3. 支模的拆除混凝土浇筑完成后,需进行支模的拆除工作。
在拆除支模时,要按照顺序进行,逐级拆除支模结构,避免因拆除不当导致模板结构倾斜或发生垮塌等安全事故。
三、设备要求木工高支模工程需要使用一些设备进行支模的搭建、调整和拆除工作。
常用的设备有支模螺栓扳手、电动扳手、钢丝绳、卷尺、水平仪、手动液压顶撑器等。
这些设备可以提高支模施工效率,保证支模施工质量。
四、施工安全在木工高支模工程中,施工安全始终是重中之重。
施工单位要制定详细的施工计划和施工方案,明确施工作业流程和安全要求,加强安全教育培训,提高施工人员的安全意识和风险防范能力。
同时,也要配备必要的安全设施和防护措施,保障施工人员的人身安全。
综上所述,木工高支模工程方案涉及支模选材、施工工艺、设备要求和施工安全等多个方面内容。
合理制定支模工程方案,严格按照规定的施工流程和安全要求进行施工作业,可以确保支模工程的施工质量和施工安全。
一、工程概况1. 工程名称:__________2. 施工单位:__________3. 施工地点:__________4. 施工内容:__________二、高支模分级根据《建筑施工模板安全技术规范》(JGJ162-2008)及《建筑施工高处作业安全技术规范》(JGJ80-2016),本工程高支模分为以下等级:1. 一级高支模:搭设高度8米及以上,或搭设跨度18米及以上,或施工总荷载(设计值)15kN/m²及以上,或集中线荷载(设计值)20kN/m及以上。
2. 二级高支模:搭设高度5-8米,或搭设跨度10-18米,或施工总荷载(设计值)10-15kN/m²,或集中线荷载(设计值)15-20kN/m。
3. 三级高支模:搭设高度3-5米,或搭设跨度6-10米,或施工总荷载(设计值)5-10kN/m²,或集中线荷载(设计值)10kN/m。
三、安全技术措施1. 人员配备与培训- 施工单位应配备专职安全员,负责现场安全管理。
- 从事高支模施工的人员必须经过专业培训,取得相应资格证书。
- 定期组织安全教育培训,提高施工人员的安全意识。
2. 设计、计算与审核- 高支模设计必须符合相关规范要求,并由专业设计人员审核。
- 施工前应进行专项安全评估,确保施工安全。
3. 材料与设备- 选用符合国家标准的模板、支架、扣件等材料。
- 检查材料与设备质量,确保安全可靠。
4. 施工准备- 施工前应进行现场勘察,了解施工环境。
- 制定详细的施工方案,明确施工步骤、安全措施等。
5. 搭设与拆除- 搭设过程中,应遵循“先底后上、先侧后中、先高后低”的原则。
- 拆除时,应遵循“先上后下、先中后侧、先高后低”的原则。
- 严禁在同一垂直面上下同时作业。
6. 安全防护- 搭设防护栏杆,设置安全警示标志。
- 作业人员必须佩戴安全帽、安全带等防护用品。
- 高处作业时,应使用安全绳索,确保安全。
7. 应急救援- 制定应急救援预案,明确应急救援流程。
500×800梁模板(扣件式,梁板立柱不共用)计算书计算依据:1、《建筑施工模板安全技术规范》JGJ162-20082、《建筑施工扣件式钢管脚手架安全技术规范》JGJ 130-20113、《混凝土结构设计规范》GB50010-20104、《建筑结构荷载规范》GB 50009-20125、《钢结构设计规范》GB 50017-2003一、工程属性二、荷载设计三、模板体系设计设计简图如下:平面图立面图四、面板验算面板类型覆面木胶合板面板厚度(mm) 1515 面板弹性模量E(N/mm2) 10000面板抗弯强度设计值[f](N/mm2)取单位宽度1000mm,按四等跨连续梁计算,计算简图如下:W=bh2/6=1000×15×15/6=37500mm3,I=bh3/12=1000×15×15×15/12=281250mm4 q1=0.9max[1.2(G1k+ (G2k+G3k)×h)+1.4Q2k,1.35(G1k+ (G2k+G3k)×h)+1.4×0.7Q2k]×b=0.9max[1.2×(0.1+(25+1.5)×0.8)+1.4×2,1.35×(0.1+(25+1.5)×0.8)+1.4×0.7×2]×1=27.644kN/mq1静=0.9×1.35×[G1k+(G2k+G3k)×h]×b=0.9×1.35×[0.1+(25+1.5)×0.8]×1=25.88kN/m q1活=0.9×1.4×0.7×Q2k×b=0.9×1.4×0.7×2×1=1.764kN/mq2=(G1k+ (G2k+G3k)×h)×b=[0.1+(25+1.5)×0.8]×1=21.3kN/m1、强度验算M max=0.107q1静L2+0.121q1活L2=0.107×25.88×0.1252+0.121×1.764×0.1252=0.047kN·m σ=M max/W=0.047×106/37500=1.243N/mm2≤[f]=15N/mm2满足要求!2、挠度验算νmax=0.632q2L4/(100EI)=0.632×21.3×1254/(100×10000×281250)=0.012mm≤[ν]=l/250=1 25/250=0.5mm满足要求!3、支座反力计算设计值(承载能力极限状态)R1=R5=0.393 q1静l +0.446 q1活l=0.393×25.88×0.125+0.446×1.764×0.125=1.37kNR2=R4=1.143 q1静l +1.223 q1活l=1.143×25.88×0.125+1.223×1.764×0.125=3.967kNR3=0.928 q1静l +1.142 q1活l=0.928×25.88×0.125+1.142×1.764×0.125=3.254kN标准值(正常使用极限状态)R1'=R5'=0.393 q2l=0.393×21.3×0.125=1.046kNR2'=R4'=1.143 q2l=1.143×21.3×0.125=3.043kNR3'=0.928 q2l=0.928×21.3×0.125=2.471kN五、小梁验算m2) 2)小梁弹性模量E(N/mm2) 9350 小梁截面抵抗矩W(cm3) 60.75小梁截面惯性矩I(cm4) 273.38为简化计算,按四等跨连续梁和悬臂梁分别计算,如下图:q1=max{1.37+0.9×1.35×[(0.3-0.1)×0.5/4+0.5×(0.8-0.12)]+0.9max[1.2×(0.5+(25+1.1)×0.12) +1.4×2,1.35×(0.5+(25+1.1)×0.12)+1.4×0.7×2]×max[0.65-0.5/2,0.65-0.5/2]/2×1,3.967+ 0.9×1.35×(0.3-0.1)×0.5/4}=3.998kN/mq2=max[1.046+(0.3-0.1)×0.5/4+0.5×(0.8-0.12)+(0.5+(25+1.1)×0.12)×max[0.65-0.5/2,0.65 -0.5/2]/2×1,3.043+(0.3-0.1)×0.5/4]=3.068kN/m1、抗弯验算M max=max[0.107q1l12,0.5q1l22]=max[0.107×3.998×0.92,0.5×3.998×0.252]=0.346kN·m σ=M max/W=0.346×106/60750=5.703N/mm2≤[f]=15.44N/mm2满足要求!2、抗剪验算V max=max[0.607q1l1,q1l2]=max[0.607×3.998×0.9,3.998×0.25]=2.184kNτmax=3V max/(2bh0)=3×2.184×1000/(2×45×90)=0.809N/mm2≤[τ]=1.78N/mm2满足要求!3、挠度验算ν1=0.632q2l14/(100EI)=0.632×3.068×9004/(100×9350×2733800)=0.498mm≤[ν]=l/250=9 00/250=3.6mmν2=q2l24/(8EI)=3.068×2504/(8×9350×2733800)=0.059mm≤[ν]=l/250=250/250=1mm 满足要求!4、支座反力计算梁头处(即梁底支撑小梁悬挑段根部)承载能力极限状态R max=max[1.143q1l1,0.393q1l1+q1l2]=max[1.143×3.998×0.9,0.393×3.998×0.9+3.998×0. 25]=4.112kN同理可得,梁底支撑小梁所受最大支座反力依次为R1=R5=3.191kN,R2=R4=4.112k N,R3=3.378kN正常使用极限状态R'max=max[1.143q2l1,0.393q2l1+q2l2]=max[1.143×3.068×0.9,0.393×3.068×0.9+3.068×0. 25]=3.156kN同理可得,梁底支撑小梁所受最大支座反力依次为R'1=R'5=2.858kN,R'2=R'4=3.156 kN,R'3=2.573kN六、主梁验算主梁类型钢管主梁材料规格(mm) Ф48×3可调托座内主梁根数 2 主梁弹性模量E(N/mm2) 206000主梁抗弯强度设计值[f](N/m m2) 205 主梁抗剪强度设计值[τ](N/mm2)125主梁截面惯性矩I(cm4) 10.78 主梁截面抵抗矩W(cm3) 4.49主梁自重忽略不计,因主梁2根合并,则抗弯、抗剪、挠度验算荷载值取半,计算简图如下:1、抗弯验算主梁弯矩图(kN·m)σ=M max/W=0.468×106/4490=104.263N/mm2≤[f]=205N/mm2满足要求!2、抗剪验算主梁剪力图(kN)V max=4.496kNτmax=2V max/A=2×4.496×1000/424=21.205N/mm2≤[τ]=125N/mm2 满足要求!3、挠度验算主梁变形图(mm)νmax=0.405mm≤[ν]=l/250=500/250=2mm满足要求!七、立柱验算剪刀撑设置普通型立杆顶部步距h d(mm) 1200300 顶部立杆计算长度系数μ1 1.257 立杆伸出顶层水平杆中心线至支撑点的长度a(mm)非顶部立杆计算长度系数μ2 2.225 钢管类型Ф48×3立柱截面面积A(mm2) 424 回转半径i(mm) 15.9立柱截面抵抗矩W(cm3) 4.49 抗压强度设计值f(N/mm2) 205长细比验算顶部立杆段:l01=kμ1(h d+2a)=1×1.257×(1200+2×300)=2262.6mm非顶部立杆段:l02=kμ2h =1×2.225×1200=2670mmλ=l0/i=2670/15.9=167.925≤[λ]=210长细比满足要求!顶部立杆段:l01=kμ1(h d+2a)=1.291×1.257×(1200+2×300)=2921.017mmλ1=l01/i=2921.017/15.9=183.712,查表得,φ1=0.214立柱最大受力N=max[R1,R2]=max[8.991,8.991]=8.991kNf=N/(φA)=8.991×103/(0.214×424)=99.09N/mm2≤[f]=205N/mm2满足要求!非顶部立杆段:l02=kμ2h =1.291×2.225×1200=3446.97mmλ2=l02/i=3446.97/15.9=216.791,查表得,φ2=0.156立柱最大受力N=max[R1,R2]+0.15×(21.7-0.8)=max[8.991,8.991]+3.135=12.126kN f=N/(φA)=12.126×103/(0.156×424)=183.327N/mm2≤[f]=205N/mm2满足要求!八、可调托座验算由"主梁验算"一节计算可知可调托座最大受力N=max[R1,R2]×2=8.991kN≤[N]=30kN 满足要求!。
A.0.4南京化学工业园雄州经济适用房(拆迁安置房)二期工程监理实施细则(高支模工程工程)内容提要:专业工程特点监理工作流程监理工作要点监理工作方法及措施项目监理机构(章):专业监理工程师:总监理工程师(签字、执业印章):日期:江苏省住房和城乡建设厅监制—1 —高支模工程监理实施细则1 高支模工程概况1.1 工程概况:(应介绍本工程高大模板支架的相关内容:种类、最高多少,模板最重多少,安装的方法,支架上部主要荷载特征、地基特征等。
)1.2 本高支模工程概况:(如有多种支模形式应分别说明)本高支模工程概况一览表表1.12 本工程高支模工程的特点、难点2.1 本工程高支模分部工程设计、施工特点、难点:。
2.2 本工程高支模分部工程监理质量控制的重点:。
3 高支模工程监理工作依据—2 —3.1 经审查合格的设计文件。
3.2 本工程施工合同、协议等资料。
3.3 本工程《监理规划》。
3.4 经批准的工程施工组织设计、专项施工方案。
3.5 本工程适用的高支模工程相关现行法律法规、技术标准规范及图集。
高支模工程相关现行法律法规、技术标准规范及图集一览表表3.6 其他依据:4 项目监理部组织机构4.1 项目监理部组织机构框图:(示意,框图中可添加人员姓名)—3 —图4.1 项目监理部组织机构框图5 高支模工程监理工作流程(用框图表示)5.1 高支模工程施工阶段监理程序:(示意)图5.1高支模工程施工阶段监理程序框图5.2 高支模施工专项方案审批监理程序:5.3高支模搭设阶段的监理工作程序:5.4支架预压的监理工作程序:5.5浇筑混凝土的施工监理工作程序:5.6地基处理的监理工作程序:5.7支架拆除的监理工作程序:5.8其他程序或流程:(根据工程实际情况增减、调整)6 高支模工程监理工作控制要点及目标值6.1 根据施工组织设计文件、施工合同及相关标准的要求,本高支模工程质量目标确定为:。
本高支模工程的检验及主要验收内容如下:—4 —高支模工程检验及主要验收内容一览表表6.16.2 本高支模工程监理质量控制点。
高支模工程监理质量控制点一览表表6.26.3 材料、设备进场检查验收。
6.3.1 专业监理工程师对高支模工程所用进场材料和设备检查内容有:。
6.3.2 材料的见证取样:高支模工程监理材料的见证取样一览表表6.3—5 —6.4 高支模方案设计要求。
以下专项施工方案施工单位应编制专项施工方案:①搭设高度5m及以上;②搭设跨度10m及以上;③施工总荷载10kN/m2及以上;④集中线荷载15kN/m及以上;⑤高度大于支撑水平投影宽度且相对独立无联系构件的混凝土模板支撑工程。
以下专项施工方案施工单位应组织专家组论证审查:①高度超过 8m 及以上;②搭设跨度超过18m及以上;③施工总荷载15kN/m2及以上;④集中线荷载20kN/m及以上。
对于设通道、通航的支架应做专门的设计与计算。
6.5 高支模施工专项方案审查的监理要点。
(高支模施工专项方案的编制内容、施工单位审核程序必须符合住建部〔2009〕87号文的规定。
)6.6 高支模搭设过程的监理工作要点。
(高支模搭设的单位和个人的资质必须符合相关规定。
在搭设时施工单位要做好自检,监理应做好巡视检查。
)6.7 支架预压监理工作要点。
(支架预压必须按设计的加载和卸载方案实施,并应加强现场的监视和检测。
)6.8 混凝土浇筑的监理工作要点。
(混凝土的浇筑必须按预定的浇筑程序和方案进行,并随时观察支架的变—6 —形情况,避免意外事故的发生。
)6.9 支架的拆除阶段监理要点。
(支架的拆除需等混凝土强度达到设计要求方可拆除,拆除顺序应符合规范要求。
)7 高支模工程监理工作方法及措施7.1 审查内容:。
(如审查承包单位、分包单位的安全生产保证体系、质量保证体系是否建立、健全;审查承包单位报送的高支模专项施工方案,按要求需专家论证的是否组织论证并按论证意见修改完善,并提出审查意见;审查施工单位报送的进场材料、构配件和设备的报告,审查地基处理后的检验报告、支架搭设后的自查报告、支架预压后的沉降观测报告和高支模拆除的申请报告等;重点要认真审查施工单位方案中的技术方案的可行性,内容的完整性。
)7.2 复核内容:。
(如承包单位、分包单位资质、安全生产许可证、专职安全员、特种人员作业上岗证;复核专项方案中的荷载计算书;复核地基处理的承载力、标高、平整度、排水等情况;复核支架的位置、间距、支构(件)的链接质量、扫地杆、支撑等的搭设情况是否符合设计要求;复核模板安装的位置、尺寸、标高等是否符合要求;复核支架预压的堆载顺序、重量、和预压时间、变形等情况是否符合设计要求;复核支架拆模前结构混凝土同条件试块强度试验报告是否达到拆模强度要求等。
)7.3 质量安全问题的处理方法:。
(如对未按照经批准的专项施工方案实施,搭设、使用或拆除中出现的质量、安全问题,材料、构配件进场未经监理人员验收或验收不合格,支架搭设完成后未经检查验收而擅自进行预压或混凝土浇筑的监理工程师应—7 —及时下达监理工程师通知单、备忘录、停工令等,报告业主,必要时报告政府行政主管部门。
监理工程师在日常的巡视检查过程中发现的一些较轻微的质量问题和安全隐患要及时要求施工单位进行现场整改并做好复查。
)7.4 旁站。
本工程高支模工程监理旁站内容主要包括:混凝土浇筑。
其他:。
(注:应根据住建部的有关规定确定,监理人员在哪些部位旁站。
)7.5 巡视检查内容:。
(如:对现场安全警戒情况,施工顺序、方法,搭设质量情况,安全文明施工情况;施工人员安全防护齐备,有无违规违章作业;支架的扫地杆、斜撑、剪刀撑设置、对预压过程中的支架沉降和变形、稳定情况,混凝土浇筑过程中支架的变形、沉降、稳定等进行巡视检查,发现其他及时处理。
)7.6 现场协调方式:。
(如:组织现场协调会、工地例会、专题会议等。
)7.7 其他监理方法:。
7.8 验收。
7.8.1 验收条件。
7.8.2 验收程序。
7.8.3 验收内容:—8 —。
7.9 高支模工程履行监理法定职责的服务。
7.9.1 开工前的安全监督管理:。
7.9.2 施工过程中的安全监督管理:。
7.9.3 安全监测:。
8 表式:按建设行政主管部门规定用表:。
(如施工安全生产管理体系报审表A3.2,分包单位资质报审表A3.6,施工安全专项方案报审表A3.9等。
)—9 —附件2:B13工程监理实施细则(扣件式钢管脚手架搭设、拆除工程)(标准化格式文本)内容提要:工程及脚手架搭设、拆除概况脚手架搭设、拆除重点、难点监理工作依据监理组织机构监理工作流程监理工作的目标及要点监理工作的方法及措施项目监理机构(章):专业监理工程师:总监理工程师:日期:江苏省住房与城乡建设厅监制—10 —扣件式钢管脚手架搭设、拆除工程监理实施细则1 工程概况1.1 工程概况:(简述建筑面积、高度、层高、结构形式等)1.2 脚手架搭设、拆除概况:1.2.1 拟搭设、拆除的脚手架型式:□单排钢管脚手架□开口型□双排钢管脚手架□封圈型□满堂脚手架□敞开式□满堂支撑架□遮挡式□悬挑式脚手架□封闭式□独立式脚手架(支撑架)□底部双管立杆□整体提升脚手架(可单独编制细则)1.2.2 拟搭设、拆除的脚手架用途:□结构施工□围护架□装饰施工□模板施工1.2.3 拟搭设、拆除脚手架分布区域:(可列表或图示、高大模板单列)1.2.4 脚手架承受荷载简述:满堂支撑架需注明各区域板厚、最大梁截面、构件尺寸、高度、跨度、永久荷载、可变荷载(可列表)。
1.2.5 拟搭设、拆除的脚手架构造要求:(高大模板单列)拟搭设、拆除的脚手架构造要求一览表—11 —— 12 —表1.1表中构造要求主要有以下内容(包括但不限于)脚手架长度、宽度、高度、步距,主杆纵距、横距,连墙件纵距、横距,门洞构造、剪刀撑、横向斜撑构造等。
1.3 脚手架地基与基础构造:2扣件式钢管脚手架搭设、拆除工程的特点、难点。
2.1 扣件式钢管脚手架搭设、拆除的特点、难点: 。
2.2 脚手架搭设、拆除施工安全生产管理监理工作的重点: 。
3 监理依据3.1 本工程施工合同、协议等资料。
3.2 本工程《监理规划》。
3.3 经审批通过的施工组织设计、脚手架搭设、拆除专项施工方案。
3.4 本项目适用的扣件式脚手架搭设、拆除相关现行法律法规、技术标准规范。
扣件式钢管脚手架搭设、拆除工程相关法律法规、技术标准规范一览表 表3.13.5 其它依据:4 监理组织架构4.1 扣件式钢管脚手架搭设工程监理组织架构框图:(示意,图框中可添加人员姓名)图4.1 监理组织架构框图5 监理工作的主要流程(用框图表示)5.1 脚手架搭设、拆除工程监理的主要工作程序:(示意)—13 —图5.1 脚手架搭设、拆除工程的监理工作程序5.2 扣件式钢管脚手架专项施工方案审核程序:5.3 分包单位资质审核监理工作程序:5.4 扣件式钢管脚手架材料、构配件验收监理程序:5.5 扣件式钢管脚手架搭设检查验收程序:5.6 其它程序或流程:(根据搭设、拆除实际情况增减、调整)6 安全生产管理监理工作的目标及要点6.1 扣件式钢管脚手架搭设、拆除工程监理的目标:按照施工合同、相关规范标准及专项施工方案要求,本扣件式钢管脚手架搭设、拆除工程监理的目标为:。
6.2 扣件式钢管脚手架搭设、拆除工程监理项目要点见表6.1:扣件式钢管脚手架搭设、拆除监理要点表6.1—14 —6.3 扣件式钢管脚手架搭设、拆除工程监理要点:6.3.1 扣件式钢管脚手架搭设、拆除工程专项施工方案审查。
6.3.2 资质审查。
6.3.3 材料、构配件进场验收。
脚手架材料、构配件进场后,监理工程师应参加检查验收,检查验收内容见表6.2:材料、构配件质量检查表表6.2—15 —脚手架材料、构配件进场后,监理工程师应随机抽取外观检验不合格的钢管、扣件见证取样送法定专业检测机构进行检测,检测项目见表6.3。
—16 —钢管、扣件见证取样检测项目表6.36.3.4 地基与基础检查。
6.3.5 脚手架搭设构造。
6.3.6 脚手架搭设施工。
6.3.7 脚手架拆除施工。
6.3.8 脚手架检查与验收。
7 监理的主要工作方法及措施7.1 审查内容:。
(如:审查承包单位、分包单位的安全生产保证体系、质量保证体系是否建立、健全;审查承包单位报送的专项施工方案,按要求需专家论证的是否组织论证并按论证意见修改完善,并提出审查意见;审查承包单位报送的拟进场的脚手架材料、构配件报审表(通用报审表)证明文件;审查脚手架搭设完成后检查验收报告;审查脚手架拆除签字审批手续;审查工程安全防护措施费使用计划等。
)7.2 复核内容:。
(如:承包单位、分包单位资质、安全生产许可证、特种人员作业上岗证;—17 —脚手架基础标高、放线定位、复核每步架主杆位置,间距;脚手架搭设在6~8M高度后中间检查复核;脚手架搭设完成后、使用中、拆除前检查复核;高大模板支撑系统拆除前,复核结构混凝土同条件试块强度试验报告是否达到拆模强度要求;独立支撑系统拆除前,应检查其上支撑结构是否连接并形成稳定的受力体系等。