振动监测参数及标准-Word整理
- 格式:doc
- 大小:49.50 KB
- 文档页数:9
振动监测参数选择与判定标准机械运动消耗的能量除了做有用功外,其他的能量消耗在机械传动的各种摩擦损耗之中,并产生正常振动。
如果出现非正常的振动,说明机械发生故障。
这些振动信号包含机械内部运动部件各种变化信息。
分辨正常振动和非正常振动,采集振动参数,运用信号处理技术,提取特征信息,判断机械运行的技术状态,这就是振动检测。
在机械设备的振动监测中,往往是将测得的振动参数量值与判断标准进行对比,从而分析判定振动的原因和机器状态的好坏.目前,在现场实际应用中,主要是参照国际标准ISO、某些国外先进标准、我国的部标、专业标准,或结合本行业设备具体情况制定限值来进行分析判定.(1)振动测量的方位选择① 测量位置(测点)测量的位置选择在振动的敏感点,传感器安装方便,对振动信号干扰小的位置,如轴承的附近部位。
② 测量方向由于不同的故障引起的振动方向不同,一般测量互相垂直的三个方向的振动,即轴向(A向)、径向(H向、水平方向)和垂直方向(V向)。
例如对中不良引起轴向振动;转子不平衡引起径向振动;机座松动引起垂直方向振动。
高频或随机振动测量径向,而低频振动要测量三个方向。
总之测量方向和数量应全面描述设备的振动状态。
(2)测量参数的选择测量振动可用位移、速度和加速度三个参数表述。
这三个参量代表了不同类型振动的特点,对不同类型振动的敏感性也不同。
① 振动位移选择使用在低频段的振动测量(<10Hz),振动位移传感器对低频段的振动灵敏。
在低频段的振动,振动速度较小,可能振动位移很大,如果振动产生的应力超过材料的许用应力,就可能发生破坏性的故障。
② 振动速度选择使用在中频段的振动测量(10~1000Hz)。
在大多数情况下转动机械零件所承受的附加载荷是循环载荷,零件的主要失效形式是疲劳破坏,疲劳强度的寿命取决于受力变形和循环速度,即和振动位移与频率有关,振动速度又是这两个参数的函数,振动能量与振动速度的平方成正比。
所以将振动速度作为衡量振动严重程度的主要指标。
振动监测参数及标准
振动监测参数主要包括振动的振幅、频率、相位、振动速度、振动加速度、振动位移等。
1. 振幅:振幅是指振动的最大偏离量,通常用峰值或峰-峰值
表示。
2. 频率:频率是指振动的周期性重复次数,通常以赫兹(Hz)表示。
3. 相位:相位是指振动波形相对于特定参考点的时间偏移角度或时间延迟量。
4. 振动速度:振动速度是指振动物体通过空气、液体或固体传导的振动能量的速度。
5. 振动加速度:振动加速度是指振动物体加速度的大小,通常以米每秒平方(m/s^2)表示。
6. 振动位移:振动位移是指物体振动时从平衡位置到最大偏移的距离。
振动监测的标准通常采用国家或行业制定的振动监测标准,例如ISO10816标准。
该标准将振动级别划分为四个等级:I级
表示良好状态,II级表示可接受状态,III级表示存在问题或
需要进行进一步检查,IV级表示严重故障。
除ISO10816标准外,还有许多其他振动监测标准,如API 670、VDI 2056和ASME PTC 19.3等。
这些标准通常根据不
同的应用领域和设备类型提供了不同的振动限制值和评估方法。
振动试验参数振动试验是一种重要的质量检测方法,通过模拟实际工作环境下的振动条件,对产品的耐久性、可靠性等进行测试。
在进行振动试验时,需要设置一系列参数来确保测试结果的准确性和可靠性。
本文将详细介绍振动试验参数的设置。
一、振动试验参数概述1. 振动方式:在进行振动试验时,需要选择适合被测物品的振动方式。
常见的振动方式有正弦波、随机波、冲击波等。
2. 振幅:指被测物品受到的最大加速度值。
通常使用峰值加速度表示,单位为g(重力加速度)。
不同类型的产品对应着不同的振幅要求。
3. 频率范围:指被测物品所受到的频率范围。
通常使用频率范围来表示,单位为Hz(赫兹)。
不同类型的产品对应着不同的频率范围要求。
4. 持续时间:指被测物品所受到的持续时间。
通常使用小时或分钟来表示。
5. 控制方式:指控制器控制被测物品运行状态时所采用的控制方式。
常见的控制方式有位移控制、速度控制和加速度控制。
6. 加速度曲线:指加速度变化的曲线形状。
通常使用正弦波、三角波、方波等形状。
二、振动试验参数详解1. 振动方式1.1 正弦波振动正弦波振动是一种最基本的振动方式,它可以模拟实际工作环境下的周期性振动。
在进行正弦波振动试验时,需要设置以下参数:(1)频率范围:通常在5Hz~2000Hz之间。
(2)振幅:通常使用峰值加速度表示,单位为g(重力加速度)。
不同类型的产品对应着不同的振幅要求。
(3)持续时间:通常使用小时或分钟来表示。
1.2 随机波振动随机波振动是一种随机变化的非周期性振动,可以模拟实际工作环境下的非周期性震荡。
在进行随机波振动试验时,需要设置以下参数:(1)频率范围:通常在5Hz~3000Hz之间。
(2)峰值加速度:通常使用峰值加速度表示,单位为g(重力加速度)。
不同类型的产品对应着不同的振幅要求。
(3)持续时间:通常使用小时或分钟来表示。
1.3 冲击波振动冲击波振动是一种短暂的、高能量的非周期性振动,可以模拟实际工作环境下的冲击负载。
振动检测标准一、范围本标准规定了振动检测的方法、仪器要求、安全要求以及测试结果处理等方面的内容。
本标准适用于机械、土木等领域的振动检测工作。
二、规范性引用文件下列文件对于本文件的应用是必不可少的。
凡是注日期的引用文件,仅注日期的版本适用于本文件。
凡是不注日期的引用文件,其最新版本(包括所有的修改单)适用于本文件。
GB/T 7573-2009 液压泵、液压马达和液压缸噪声的测量工程法三、术语和定义本标准采用以下术语和定义:1.振动vibration:物体或物体的一部分沿直线或曲线反复或连续离开其平衡位置的运动。
2.振幅amplitude:振动物体离开平衡位置的最大距离。
3.频率frequency:单位时间内振动的次数,单位为Hz(赫兹)。
4.加速度acceleration:单位时间内速度的变化量,单位为m/s²(米/秒²)。
5.速度velocity:物体在单位时间内所经过的距离,单位为m/s(米/秒)。
6.位移displacement:物体在振动过程中从平衡位置到任一瞬间的距离。
7.周期period:振动完成一次所需要的时间,单位为s(秒)。
四、检测方法1.直接测量法:通过直接测量振动物体的运动参数(如振幅、频率、加速度、速度等)来评价其振动特性。
2.间接测量法:通过测量与振动相关的其他物理量(如噪声、应变、位移等),结合相关公式计算出振动物体的运动参数。
3.共振解调法:通过测量系统的共振频率和阻尼比等参数,结合系统本身的特性,推断出振动物体的振动特性。
4.数字信号处理法:通过对采集到的数字信号进行时域、频域等分析处理,提取出振动物体的振动特性。
五、仪器要求1.测量仪器应符合国家相关标准要求,并经过法定计量机构检验合格。
2.测量仪器应具有良好的稳定性和重复性,能够满足振动检测的精度要求。
3.测量仪器应能够适应不同的环境条件,如温度、湿度、压力等,以保证测量结果的准确性。
4.测量仪器应具有简单易用的操作界面,以便于操作和使用。
振动监测参数及标准振动监测是机械和设备维护中的重要部分,通过对振动频率、幅度、方向、波形等的监测和分析,可以及时发现和解决潜在的问题,确保机械和设备的稳定运行。
本文将介绍振动监测的主要参数和标准。
一、振动频率振动频率是指振动现象发生的快慢,通常以每秒振动的次数表示。
振动频率是振动监测中最基本的参数之一,通过对频率的分析,可以了解振动源的性质和机械系统的运行状态。
一般来说,正常运行的机械设备的振动频率分布较为均匀,而故障设备则可能出现异常的振动频率。
二、振动幅度振动幅度是指振动物体离开平衡位置的最大偏移量,即振动的烈度。
振幅是衡量振动强弱的重要指标,也是判断机械故障的重要依据。
例如,轴承故障通常会伴随着特定的振动幅度的变化。
振幅的测量通常采用位移、速度或加速度等物理量。
三、振动方向振动方向是指振动物体在空间中的运动方向。
根据机械系统的运行状态和故障类型,振动方向可分为垂直方向、水平方向和轴向等。
在监测和分析振动时,需要了解不同方向的振动情况,以便更全面地评估机械系统的运行状态。
四、振动波形振动波形是指振动物体在垂直或水平方向上位移随时间变化的曲线。
通过对波形的观察和分析,可以了解机械系统的运行状态和故障类型。
正常的波形通常具有较为规则的形状,而故障设备则可能出现异常的波形。
五、振动速度振动速度是指振动物体在垂直或水平方向上的速度大小。
振动速度是衡量振动能量大小的重要指标,也是判断机械故障的重要依据。
例如,滚动轴承故障时,振动速度通常会急剧增加。
六、振动加速度振动加速度是指振动物体在垂直或水平方向上的加速度大小。
振动加速度是衡量振动冲击力大小的重要指标,也是判断机械故障的重要依据。
例如,齿轮箱故障时,振动加速度可能会明显增加。
七、轴心轨迹轴心轨迹是指轴承在垂直或水平方向上位移随时间变化的轨迹线。
通过对轴心轨迹的观察和分析,可以了解轴承的运行状态和故障类型。
正常的轴心轨迹通常呈现出较为规则的形状,而故障轴承则可能出现异常的轴心轨迹。
振动试验参数详解引言振动试验是一种常用的工程实验方法,用于评估产品在振动环境下的可靠性和耐久性。
在进行振动试验之前,需要确定一系列参数,如振动频率、加速度、持续时间等。
本文将详细介绍振动试验中的各个参数及其影响。
振动频率振动频率是指每秒钟发生的振动周期数。
它是一个重要的参数,决定了被测试物体所受到的振动力大小。
通常以赫兹(Hz)表示,1Hz等于每秒一个周期。
不同类型的产品对应不同的振动频率范围。
•低频振动:一般指频率在5Hz以下的振动,适用于大型设备、建筑结构等。
•中频振动:一般指频率在5Hz到1000Hz之间的振动,适用于电子设备、汽车零部件等。
•高频振动:一般指频率在1000Hz以上的振动,适用于微型元件、精密仪器等。
选择合适的振动频率可以更好地模拟实际使用环境下产品所受到的力量。
振幅振幅是指振动过程中物体离开平衡位置的最大位移。
它是描述振动强度大小的参数,通常以米(m)或毫米(mm)表示。
振幅与振动力之间存在着一定关系,较大的振幅意味着较大的振动力。
•小振幅:一般指位移小于等于0.1mm的振动,适用于对产品进行初步筛选。
•中等振幅:一般指位移在0.1mm到1mm之间的振动,适用于对产品进行性能评估。
•大振幅:一般指位移大于1mm的振动,适用于对产品进行极限测试。
选择合适的振幅可以提高试验效果,并确保产品在实际使用中不会出现过大的变形或破坏。
加速度加速度是指单位时间内速度变化率的大小。
在振动试验中,加速度是描述物体所受到的加速力大小的参数。
通常以g(重力加速度)为单位,1g等于9.8m/s²。
•低加速度:一般指加速度小于等于10g,适用于对产品进行初步筛选。
•中等加速度:一般指加速度在10g到50g之间,适用于对产品进行性能评估。
•高加速度:一般指加速度大于50g,适用于对产品进行极限测试。
选择合适的加速度可以更好地模拟实际使用环境下产品所受到的冲击力。
持续时间持续时间是指振动试验的时间长度。
振动监测参数及标准
振动监测参数通常包括以下几个方面:
1. 振动幅值(Vibration Amplitude):指振动信号的最大偏移值或振幅,通常以毫米(mm)或微米(μm)表示。
2. 振动频率(Vibration Frequency):指振动信号的周期性重复次数,通常以赫兹(Hz)表示。
3. 振动速度(Vibration Velocity):指振动信号的变化速度,通常以毫米/秒(mm/s)或米/秒(m/s)表示。
4. 振动加速度(Vibration Acceleration):指振动信号的变化加速度,通常以米/秒²(m/s²)表示。
5. 振动位移(Vibration Displacement):指振动信号的偏移距离,通常以微米(μm)或纳米(nm)表示。
这些参数可以通过振动监测仪器和传感器进行实时测量和记录,并用于评估和分析机械设备的运行状态。
振动监测的标准主要有以下几种:
1. ISO 10816:国际标准化组织(ISO)发布的机械振动评估标准,包括了不同类型机械设备的振动限值和评估方法。
2. ANSI S2.41:美国国家标准协会(ANSI)发布的机械振动监测和分析标准,包括了振动数据采集、分析和评估的一般要求。
3. DIN 4150:德国标准化协会(DIN)发布的建筑物振动监测标准,包括了对建筑物振动参数和限值的评估和控制要求。
4. API 670:美国石油学会(API)发布的旋转机械振动监测标准,适用于石油、天然气和化工行业的振动监测系统。
这些标准可以帮助工程师和维护人员对机械设备的振动进行规范和合理评估,从而提高设备的可靠性和安全性。
常用振动状态监测标准(机动设备处设备监测诊断中心提供参考)我公司所使用的转动设备的制造厂,主要分布在中国、美国、英国、德国、日本、瑞士、意大利等国家,因此针对制造厂国别不同采用的振动监测标准类别较多,因此在技术谈判时有关人员尽量合理选择主流标准,因此目前大型旋转机械转子的相对轴振动程度判别,主要应用美国石油学会的API标准。
多数机泵轴承座部位的绝对振动测量,参考标准比较多,但各国和我国及各部所制定的转动机械绝对振动测量标准,基本都是参照ISO国际标准制定的,因此我们重点介绍美国石油学会的API振动标准和ISO国际振动标准。
另外对于低转速设备、压力管线也介绍些实用的标准供参考。
由于知识产权和资料来源等问题,我们这里有些标准仅提供目录,最常用的标准这里只提供标准中的关于振动幅值判定的数值、表格或计算公式。
1、机泵轴承座部位的绝对振动标准1.1 用于在机泵轴承座部位,采用压电式加速度传感器,电动式速度传感器等,测量绝对振动速度值的判别标准:ISO2372-(GB6075) (国际标准)相当于我国的国家标准:GB6075-85,标准中10HZ~1000HZ指的是所应用的仪器基本频响范围和机器振动的频率范围,对于转速低于10转/秒的设备如果采用本标准,需要考虑低频范围的补偿问题,进行低频补偿需要测振仪器和传感器系统的频响特性曲线。
对于测量转速低于600转/分的机器,最好使用低频特性好的仪器,并配合低频传感器。
使用该标准时,也要注意合理地选择监测点,见本篇的第二章的节2.1.2振动诊断技术的实施过程测点选择相关内容。
表1-1 ISO2372标准振动评价分类表说明:第一类:指在正常工作条件下与整机连成一体的发动机和机器(15千瓦以下电动机产品是这类机器典型的例子)。
第二类:没有专用基础的中等尺寸规格的机器(输出功率为15~75千瓦的电动机产品是这类机器典型的例子),或是刚性固定在专用基础上的发动机和其它机器(功率300千瓦以下的)。
振动监测参数及标准(一)振动监测参数及标准引言振动监测是一种重要的技术手段,用于检测机械设备的运行状况和健康状态。
准确的振动监测参数和标准可以帮助我们及时发现设备的故障和异常,从而采取相应的维修和保养措施。
振动监测参数以下是一些常用的振动监测参数:•振动速度(Velocity):用来描述振动的快慢程度,通常以毫米/秒(mm/s)为单位。
•振动加速度(Acceleration):用来描述振动的强弱程度,通常以米/秒平方(m/s²)为单位。
•振动位移(Displacement):用来描述振动的位移程度,通常以毫米(mm)为单位。
•振动频率(Frequency):用来描述振动的周期,通常以赫兹(Hz)为单位。
振动监测标准为了对振动进行有效监测和分析,我们需要参照一些标准来判断振动参数是否达到预期的要求。
以下是一些常用的振动监测标准:•ISO10816:国际标准化组织(ISO)制定的用于评估旋转机械振动的标准。
该标准将设备分为不同的振动等级,以帮助判断设备的运行状况。
•API618:美国石油学会(API)制定的用于评估压缩机振动的标准。
该标准主要针对石油和天然气工业中的压缩机设备。
•ISO13373:ISO制定的用于检测、诊断和监测机械故障的振动监测标准。
该标准提供了一套完整的振动分析方法和技术。
振动监测的应用振动监测在许多行业中都有广泛的应用,以下是一些典型的应用场景:•工业生产设备:通过对生产设备的振动进行监测,可以准确判断设备的健康状态,及时发现故障,避免生产中断和损失。
•交通工具:对交通工具如汽车、飞机等的振动进行监测,可以提前发现潜在故障,确保交通安全。
•建筑结构:对建筑结构的振动进行监测,可以判断建筑的安全性和稳定性,并及时采取相应的维修措施。
总结振动监测参数和标准对于保障设备的正常运行和安全性至关重要。
只有通过准确的监测和判断,才能提前发现故障,避免生产事故的发生。
希望本文对您了解振动监测参数及标准有所帮助。
振动测试相关标准一、引言振动测试是评估产品或结构的动态特性和性能的重要手段。
在许多工程领域,如航空航天、机械、土木工程和汽车等,需要进行振动测试以确保产品的可靠性和安全性。
为了统一测试方法和规范,制定了一系列振动测试相关标准。
本文将重点介绍振动测试的频率范围、加速度和位移参数,以及加权处理等方面的标准。
二、振动测试的频率范围频率范围是振动测试的一个重要参数,它决定了测试所涵盖的振动频率范围。
不同的测试标准可能会规定不同的频率范围,以适应不同产品或结构的测试需求。
例如,一些标准可能规定低频范围为1~1000Hz,而另一些标准则可能规定高频范围为1000~5000Hz。
在实际测试中,应根据具体的标准和要求来确定适当的频率范围。
三、振动测试的加速度和位移参数加速度和位移是振动测试中的两个重要参数,它们反映了物体振动的剧烈程度和运动情况。
在制定振动测试相关标准时,通常会规定加速度和位移的测量范围和精度要求。
例如,一些标准可能要求加速度测量范围为0.1~10g(g为重力加速度),位移测量范围为0.01~1mm。
在实际测试中,应根据具体的标准和要求来确定适当的加速度和位移参数。
四、振动测试的加权处理加权处理是振动测试数据处理的一种方法,用于消除不同频率成分对测试结果的影响。
在制定振动测试相关标准时,通常会规定加权处理的方法和参数。
例如,一些标准可能要求采用“滤波器法”进行加权处理,而另一些标准则可能要求采用“谱分析法”。
在实际测试中,应根据具体的标准和要求来确定适当的加权处理方法。
五、结论本文介绍了振动测试相关标准的主要内容,包括振动测试的频率范围、加速度和位移参数以及加权处理等方面。
这些标准是指导实际振动测试的重要依据,有助于确保测试结果的准确性和可靠性。
在实际应用中,应遵循相关标准的要求,选择适当的测试方法和参数,以确保获得可靠的结果。
同时,随着技术的不断发展和新标准的制定,应关注并更新相关标准,以适应新的测试需求和挑战。
精心整理机械设备振动监测参数及标准一、振动诊断标准的制定依据1、振动诊断标准的参数类型通常,我们用来描述振动的参数有三个:位移、速度、加速度。
一般动时的预防损伤曲线,如下图所示。
(因此,在3、振动诊断标准的分类根据标准制定方法的不同,振动诊断标准通常分为三类。
1)绝对判断标准它是根据对某类设备长期使用、观察、维修与测试后的经验总结,并在规定了正确的方法后制定的,在使用时必须掌握标准的适用范围和测定方法。
目前应用较广的振动标准有:ISO 2372 《机器振动的评价标准基础》ISO 3945 《振动烈度的现场测定与评定》机器振动烈度:在机器表面的重要位置上沿垂向、纵向、横向(轴承沿轴向、径向)所测得的振动速度的最大有效值。
对于振动速度为V(t)=V p cosωt的间谐振动,其振动速度有效值用下式计算:V rm=√1/T∫T V2(t)dt式中,T—间谐振动的周期,T=2π/ω实际上,振动速度V=20~30mm/s的有效值可用具有平方检波特性的电子仪器测量并直接显示。
因此,在应用时是很方便的。
ISO 2732中规定了转速为600~12000rpm的机器在10~200H Z的频率范围内机械振动烈度的范围,它将振动速度有效值从0.11mm/s(人体刚有振动的感觉)到71mm/s的范围内分为15个两级。
相邻两个烈度量级之比约为1量。
但是,也不可能对每种机械设备专门制定一个标准。
为了便于实用,ISO 2372将常用机械设备分为6大类,使每一类的机械设备用同一标准衡量其运行质量。
第一类——在正常条件下,发动机与机器连接成一整体的设备(15Kw 以下的发动机)。
第二类——设有专用基础的中等尺寸的设备(15~75KW的发动机,如螺杆压缩机)及刚性固定在专用基础上的发动机及设备(300KW以下,如闪底泵)。
第三类——安装在测振方向上相对较硬的、刚性的和重的较大旋转质量的大型原动机和其他大型设备(如主风机)。
要求各单位在离心泵的振动监测过程中,参照上表序号4、7、10数据。
振幅的定义是:物体离开平衡位置的最大位移,叫振动的振幅.它是表示振动的强弱的物理量.振速:是指波动中各质点都在平衡位置附近做周期性振动,是变加速运动。
质点并没有沿波的传播方向随波迁移。
加速度的定义是速度的变化量和所用时间的比值叫做物体运动的加速度.振动,指的是振幅,既振动的幅度,单位是mm,% x) I& @3 H4 a振速,是说振动的速度,单位是mm/s,1、mm是振幅值,mm/s是振速,也叫振动烈度。
不同的转机可能按照制造厂的出厂说明采取不同的单位来考核。
换算公式可以用:A=V×1000×60×2^(0.5)/(pi×w)A是振动位移峰峰值,单位um。
V是振动烈度,w是转速(r/min)。
2、风机运行工况一般通过测量其轴承温度和振动来判定。
振动大小可通过测量振动位移、振动速度、振动加速度的方式来判定。
太仓港环保发电有限公司送风机和一次风机测量的是振动速度(单位为mm/s),引风机测量的是振动位移(单位为um)。
通常大家习惯于测量振动位移(即振幅),这就存在振动位移和振动速度二者相互换算,其换算公式为:V eff=7.4×10-5nsV eff---振动速度,单位为mm/ss------振动位移, 单位为umn------风机转速, 单位为r/min3、mm/s指振速,mm指振幅,因为不能输入公式编辑器,简单地说二者换算关系为:Sf≈0.225vf/f,式中Sf 为振动的位移幅值,vf 为主频率为f的振动速度的均方根值。
一般f值均为10Hz,所以Sf≈0.0225vf 。
举例说如果vf =1.00m m/s,那么换算成振幅则为Sf≈0.0225mm。
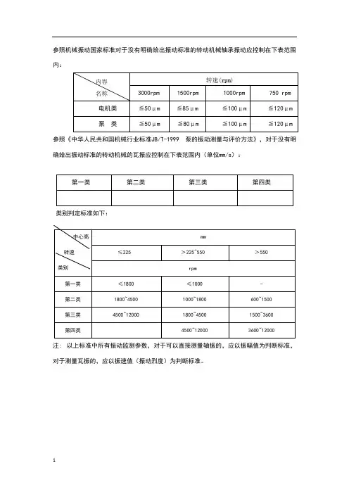
《中华人民共和国机械行业标准(JB/T 10490-2004)·振动。
振动试验标准
扫频耐久试验
1、试验样品不包装、不通电,按其预定使用位置固定在试验台中央。
2、将“正选波波型选择”旋钮调为“全波”;将“各种振动方向选择”旋钮调为“垂直(上下)振动”。
3、振动严酷等级:
——频率范围:10HZ~55HZ~10HZ
——振幅:1.5mm
——扫描速率:1oct/min
——持续时间:10个循环周期
4、试验后被测样品应无损坏和紧固件松动脱落现象且能正常工作。
定频耐久试验
1、试验样品不包装、不通电,按其预定使用位置固定在试验台中央。
2、将“正选波波型选择”旋钮调为“全波”;将“各种振动方向选择”旋钮调为“垂直(上下)振动”。
3、振动严酷等级:
——振动频率:50HZ(鲨鱼灯)
——振幅:1.5mm
——持续时间:30min
4、试验后被测样品应无损坏和紧固件松动脱落现象且能正常工作。
振动试验时,可以从以上两种方式任选其中一种方式进行,但有条件的情况下,优先选用扫频耐久试验方式。
机械设备振动标准它是指导我们的状态监测行为的规范最终目标:我们要建立起自己的每台设备的标准(除了新安装的设备)。
⏹监测点选择、图形标注、现场标注。
⏹振动监测参数的选择:做一些调整:长度、频率范围⏹状态判断标准和报警的设置1 设备振动测点的选择与标注1.1监测点选择测点最好选在振动能量向弹性基础或系统其他部分进行传递的地方。
对包括回转质量的设备来说,建议把测点选在轴承处或机器的安装点处。
也可以选择其他的测点,但要能够反映设备的运行状态。
在轴承处测量时,一般建议测量三个方向的振动。
铅垂方向标注为V,水平方向标注为H,轴线方向标注为A,见图6-1。
图6-1 监测点选择图6-2在机器壳体上测量振动时,振动传感器定位的示意图1.2 振动监测点的标注(1)卧式机器这个数字序列从驱动器非驱动侧的轴承座赋予数字001开始,朝着被驱动设备,按数字次序排列,直到第一根轴线的最后一个轴承。
在多根轴线的(齿轮传动)机器上,轴承座的次序从驱动器开始,按数字次序继续沿着第二根轴线到被驱动器往下排列,接着再沿着第三根轴线往下排列,直到机组的末端为止。
常见的几种标注方法见图6-3~6-5。
图6-3 振动监测点的标注图6-4 振动监测点的标注图6-5 振动监测点的标注(2)立式机器遵循与卧式机器同样的约定。
1.3 现场机器测点标注方法机壳振动测点的标注可以用油漆标注,也可以在机壳上粘贴钢盘来标注振动测点,最好采用后一种方法标注。
采用钢盘时,机壳要得到很好的处理。
钢盘规格为厚度5mm,直径30mm,用强度较好的粘接剂粘接,以保证良好的振动传递特性。
2 设备振动监测周期的确定振动监测周期设置过长,容易捕捉不到设备开始劣化信息,周期设置过短,又增加了监测的工作量和成本。
因此应根据设备的结构特点、传动方式、转速、功率以及故障模式等因素,合理选定振动监测周期。
当设备处于稳定运行期时,监测周期可以长一些;当设备出现缺陷和故障时,应缩短监测周期。
城市区域环境振动标准---GB10070-88(GB10070-881988-12-10实施)本标准规定了城市各类区域铅垂向Z振级标准值(如下),适用于连续发生的稳态振动、冲机振动和无规振动,标准同时配有监测方法。
各适用地带在昼间和夜间的标准分别为:特殊住宅区65,65 ;居民、文教区70,67 ;混合区、商业中心区75 ,72 ;工业集中区75,72 ;交通干线通路两侧75,72 ;铁路干线两侧80,80 。
(1988年12月10日国家环境保护局批准 1989年7月1日实施)1 主题内容与适用范围本标准为贯彻《中华人民共和国环境保护法(试行)》,控制城市环境振动污染而制订。
本标准规定了城市区域环境振动的标准值及适用地带范围和监测方法。
本标准适用于城市区域环境。
2 引用标准GB10071 城市区域环境振动测量方法3 标准值及适用地带范围3.1 标准值3.1.1 城市各类区域铅垂向Z振级标准值列于下表。
3.1.2 本标准值适用于连续发生的稳态振动、冲击振动和无规则振动。
3.1.3 每日发生几次的冲击振动,其最大值昼间不允许超过标准值10dB,夜间不超过3dB。
3.2 适用地带范围的划定3.2.1 “特殊住宅区”是指特别需要安宁的住宅区。
3.2.2 “居民、文教区”是指纯居民和文教、机关区。
3.2.3 “混合区”是指一般商业与居民混合区;工业、商业、少量交通与居民混合区。
3.2.4 “商业中心区”是指商业集中的繁华地区。
3.2.5 “工业集中区”是指在一个城市或区域内规划明确确定的工业区。
3.2.6 “交通干线道路两侧”是指车流量每小时100辆以上的道路两侧。
3.2.7 “铁路干线两侧”是指距每日车流量不少于20列的铁道外轨30m外两侧的住宅区。
3.2.8 本标准适用的地带范围,由地方人民政府划定。
3.3 本标准昼间、夜间的时间由当地人民政府按当地习惯和季节变化划定。
4 监测方法4.1 测量点在建筑物室外0.5m以内振动敏感处,必要时测量点置于建筑物室内地面中央,标准值均取表中的值。
机械设备振动监测参数及标准
一、振动诊断标准的制定依据
1、振动诊断标准的参数类型
通常,我们用来描述振动的参数有三个:位移、速度、加速度。
一般情况下,低频振动采用位移,中频振动采用速度,高频振动采用加速度。
诊断参数在选择时主要应根据检测目的而选择。
如需要关注的是设备零部件的位置精度或变形引起的破坏时、应选择振动位移的峰值,因为峰值反映的是位置变化的极限值;如需关注的是惯性力造成的影响时,则应选择加速度,因为加速度与惯性力成正比;如关注的是零件的疲劳破坏则应选择振动速度的均方根值,因为疲劳寿命主要取决于零件的变形能量与载荷的循环速度,振动速度的均方根值正好是它们的反映。
2、振动诊断标准的理论依据
各种旋转机械的振动源主要来自设计制造、安装调试、运行维修中的一些缺陷和环境影响。
振动的存在必然引起结构损伤及材料疲劳。
这种损伤多属于动力学的振动疲劳。
它在相当短的时间产生,并迅速发展扩大,因此,我们应十分重视振动引起的疲劳破坏。
美国的齿轮制造协会(AGMA)曾对滚动轴承提出了一
条机械发生振动时的预防损伤曲线,如
下图所示。
图中可见,在低频区(10Hz 以下),是以位移作为振动标准,中频(10~1000Hz )是以速度作为振动标准,而在高频区(1KHz 以上)则以加速度作为振动标准。
理论证明,振动部件的疲劳与振动速度成正比,而振动所产生的能量与振动的平方成正比。
由于能量传递的结果造成了磨损好其他缺陷,因此,在振动诊断判定标准中,是以速度为准比较适宜。
而对于低频振动,,主要应考虑由于位移造成的破坏,其实质是疲劳强度的破坏,而非能量性的破坏。
但对于1KHz 以上的高频振动,则主要考虑冲击脉冲以及原件共振的影响。
3、振动诊断标准的分类
根据标准制定方法的不同,振动诊断标准通常分为三类。
1)绝对判断标准
它是根据对某类设备长期使用、观察、维修与测试后的经验总结,并在规定了正确的方法后制定的,在使用时必须掌握标准的适用范围和测定方法。
目前应用较广的振动标准有:
ISO 2372 《机器振动的评价标准基础》
ISO 3945 《振动烈度的现场测定与评定》
CAD/MS/NVSH 107 《轴承振动测量的判断》
VDI 2056 《振动烈度判据》
2)相对判定标准
它是对同一台设备,在同一部位定期进行参数测定,并按时间先后进行比较,以正常状态下的测定值作为原始值进行判定的方法。
用相对判定方法,日本的经验是:振动值≥1.6*初始值,为异常。
3)类比判定标准
是把数台型号相同的整台机械设备或零部件在外载荷、转速以及环境因素等都相同的条件下,对被测量值进行比较,依次区分判断这些同类设备或零件所处的工况状态。
类比判断只能区分各设备工况状态的差异,不能回答设备是否处于良好的运行状态。
以上三类标准,优先考虑使用绝对标准。
二、常用机械设备的振动标准——ISO 2372
机器振动烈度:在机器表面的重要位置上沿垂向、纵向、横向(轴承沿轴向、径向)所测得的振动速度的最大有效值。
对于振动速度为V(t)=V p cosωt的间谐振动,其振动速度有效值用下式计算:
V rm=√1/T∫T V2(t)dt
式中,T—间谐振动的周期,T=2π/ω
实际上,振动速度V=20~30mm/s的有效值可用具有平方检波特性的电子仪器测量并直接显示。
因此,在应用时是很方便的。
ISO 2732中规定了转速为600~12000rpm的机器在10~200H Z的频率范围内机械振动烈度的范围,它将振动速度有效值从0.11mm/s(人体刚有振动的感觉)到71mm/s的范围内分为15个两级。
相邻两个烈度量级之比约为1:1.6,即相差4dB。
这是由于对于大多数机器的振动来说4dB之差意味着振动响应有了较大的变化。
有了振动烈度量级的划分,就可以用它表示机器的运行质量。
为了便于实用,将加强运行质量分成四个等级:A级(良好)——机械设备正常运转时的振级。
B级(容许)——已超过正常运转时的振级,但对机器的工作尚无显著的影响。
建议监护其运行。
C级(可容忍)——机器的振动已经到了相当剧烈的程度,导致机器只能勉强维持运行。
建议停机检修。
D级(不容许)——机器的振动已达到使机器不能正常工作。
显然,不同的机械设备由于工作要求、结构特点、动力特性、功率容量、尺寸大小及安装条件等方面的区分,其对应于各等级运行状态的振动烈度范围必然是各不相同的。
所以对各种机械设备是不能用同一标准来衡量。
但是,也不可能对每种机械设备专门制定一个标准。
为了便于实用,ISO 2372将常用机械设备分为6大类,使每一类的机械设备用同一标准衡量其运行质量。
第一类——在正常条件下,发动机与机器连接成一整体的设备(15Kw以下的发动机)。
第二类——设有专用基础的中等尺寸的设备(15~75KW 的发动机,如螺杆压缩机)及刚性固定在专用基础上的发动机及设备(300KW以下,如闪底泵)。
第三类——安装在测振方向上相对较硬的、刚性的和重的较大旋转质量的大型原动机和其他大型设备(如主风机)。
第四类——安装在在测振方向上相对较软的基础上的具有较大旋转质量的大型原动机和其他大型设备。
第五类——安装在测振方向上相对较硬的具有不平衡惯性力的往复式设备和机械驱动系统。
第六类——安装在在测振方向上相对较软的基础上的具有不平衡惯性力的往复式设备和机械驱动系统等。
通过大量的实验,得到了前四类机械设备的运行质量与振动烈度量级的对应关系,如下表所示。
对于第五、第六类的机械设备,特别是往复式压缩机,由于结构不同,其振动特性变化较大,往往允许有较强的振动(20——30mm/s),而不影响其运行质量。
三、我公司设备情况
我公司动设备主要有离心式压缩机、往复式压缩机、螺杆压缩机及离心泵、往复泵、隔膜泵等。
其中离心泵数量最
多,是振动监测的重点。
大多数泵类设备转速(电动机同步转速)为1500rpm、3000rpm,即频率为25Hz、50Hz。
主风机转速为5640rpm,频率为94 Hz。
汽轮机转速约为9000rpm,频率为150Hz。
要求各单位在离心泵的振动监测过程中,参照上表序号4、7、10数据。
振动速率达到序号7,监护运行,振动速度达到序号10的范围时,必须停机检修。
机动设备处
2009年7月28日。