1.5MW双馈风力发电机电气原理图(精)
- 格式:doc
- 大小:1023.50 KB
- 文档页数:7
一、双馈机组技术介绍,二、控制系统介绍,三、通讯及安全链系统,四、重要设备软硬件,五、控制模式介绍一、双馈机组技术介绍1、双馈机组运行原理2、发电原理介绍变速恒频双馈发电机运行时电机转速与定、转子绕组电压频率关系的数学表达式:f1=(p/120)×nr±f2式中:f1为定子电压频率;p为电机的极数;nr为双馈发电机的转速;f2为转子励磁电压频率。
由上式可知,当转速nr发生变化时,若调节f2变化,可使f1保持恒定不变,实现双馈发电机的变速恒频控制亚同步运行n r<n1时,(即0<S<1)f2取正号,如果忽略各种损耗,则发电机的能量关系为:P电磁=P机械+P转差P上网=P电磁(定子馈电,转子由变频器提供励磁)超同步运行n r>n1时,(即S>1)f2取负号,如果忽略各种损耗,则发电机的能量关系为:P机械=P转差+P电磁P上网=P转差+P电磁(定子馈电+转子馈电)注:n1为发电机的同步转速。
3、控制策略介绍叶尖速比:叶轮的叶尖线速度与风速之比。
叶尖速比在5-15时,具有较高的风能利用系数Cp。
通常可取6-8 。
二、控制系统介绍1、控制系统结构塔底柜:塔筒柜/变流器机柜机舱柜:变桨控制柜/机舱控制柜2、控制系统硬件组成PLC 主站塔底从站机舱从站(20):数字量机舱从站(22):模拟量3、重要卡件介绍PROFIBUS 现场总线主站接口:CX1500-M310CPU:CX1020电源模块:CX1100-0002Profibus总线耦合器:BK3150端子供电模块:KL9210数字输入输出模块:KL1104、KL2134模拟输入模块:KL3204电网检测模块:KL3403:输入:三相电压、电流;计算:电压电流有效值,有功功率、视在功率、电流峰值、频率 安全链模块:KL1904、KL2904、KL6904差分模拟量输入模块:KL3404SSI编码器接口端子:KL5001三、通讯及安全链系统1、Profibus通讯结构Profibus总线终端器Profibus接线顺序:变流器——》Profibus主站CX1500-M310——》塔底柜BK3150(11号站)——》塔底柜光电转换器——》机舱柜光电转换器——》机舱柜BK3150(20号站)——》机舱柜BK3150(22号站)——》变桨系统2、安全链系统安全链是风机的最后一道保护,为一组串联的常闭接线电路,安全链动作会触发紧急停机,系统由3片KL1904,一片KL6904和一片KL2904组成。
风力发电机工作原理及原理图风力发电机工作原理及原理图风力发电机工作原理及原理图现代变速双馈风力发电机的工作原理就是通过叶轮将风能转变为机械转距(风轮转动惯量),通过主轴传动链,经过齿轮箱增速到异步发电机的转速后,通过励磁变流器励磁而将发电机的定子电能并入电网.如果超过发电机同步转速,转子也处于发电状态,通过变流器向电网馈电.最简单的风力发电机可由叶轮和发电机两部分构成,立在一定高度的塔干上,这是小型离网风机.最初的风力发电机发出的电能随风变化时有时无,电压和频率不稳定,没有实际应用价值.为了解决这些问题,现代风机增加了齿轮箱、偏航系统、液压系统、刹车系统和控制系统等.齿轮箱可以将很低的风轮转速(1500千瓦的风机通常为12-22转/分)变为很高的发电机转速(发电机同步转速通常为1500转/分).同时也使得发电机易于控制,实现稳定的频率和电压输出.偏航系统可以使风轮扫掠面积总是垂直于主风向.要知道,1500千瓦的风机机舱总重50多吨,叶轮30吨,使这样一个系统随时对准主风向也有相当的技术难度.风机是有许多转动部件的,机舱在水平面旋转,随时偏航对准风向;风轮沿水平轴旋转,以便产生动力扭距.对变桨矩风机,组成风轮的叶片要围绕根部的中心轴旋转,以便适应不同的风况而变桨距.在停机时,叶片要顺桨,以便形成阻尼刹车.早期采用液压系统用于调节叶片桨矩(同时作为阻尼、停机、刹车等状态下使用),现在电变距系统逐步取代液压变距.就1500千瓦风机而言,一般在4米/秒左右的风速自动启动,在13米/秒左右发出额定功率.然后,随着风速的增加,一直控制在额定功率附近发电,直到风速达到25米/秒时自动停机.现代风机的设计极限风速为60-70米/秒,也就是说在这么大的风速下风机也不会立即破坏.理论上的12级飓风,其风速范围也仅为32.7-36.9米/秒.风机的控制系统要根据风速、风向对系统加以控制,在稳定的电压和频率下运行,自动地并网和脱网;同时*齿轮箱、发电机的运行温度,液压系统的油压,对出现的任何异常进行报警,必要时自动停机,属于无人值守独立发电系统单元.风力发电机是将风能转换为机械功的动力机械,又称风车。
东汽双馈交流励磁风力发电机工作原理东方汽轮机厂作为我国大型发电设备制造企业,在新能源的开发利用中,从潜心学习,默默跟跑,到创造性地实现技术转化,依靠自主创新,实现了国内最大功率的、国产化程度最高的风电机组的规模生产能力,从而成为行业“领头羊”。
2004年11月1日东汽成功引进德国RNpower公司的1500千瓦MD70/77型风电机组,该机组是国内目前最大功率的风能发电机组。
2005年4月,在山东鲁能发展集团的投标中,东汽一具中标7台1500千瓦的MD70/77风电机组,并在年底安装调试完成。
目前,东汽研制生产的全国最大功率的风电机组已在山东荣成落成并网。
“一凤引来百鸟鸣”,新年伊始,东汽与呼伦贝尔过程国华电力公司签下风电机组定单,金额高达3.3亿元人民币,并按用户要求,将在2006年10月份全部安装、调试完毕,形成并网发电能力。
呼伦贝尔风电工程,标志着国内最大功率的峰巅机组不但在东汽形成了批量生产的能力,而且将依托企业的自主创新,达到70%的国产化率的目标。
目前的风电机组多采用恒速恒频系统,发电机多采用同步电机或异步感应电机。
在风电机组向恒频电网送电时,不需要调速,因为电网频率将强迫控制风轮的转速。
在这种情况下,风力机在不同风速下维持或近似维持同一转速。
效率下降,被迫降低出力,甚至停机,这显然是不可取的。
与之不同的是,无论处于亚同步速或超同步速的双馈发电机都可以在不同的风速下运行,其转速可随风速变化做相应的调整,使风力机的运行始终处于最佳状态,机组效率提高。
同时,定子输出功率的电压和频率却可以维持不变,既可以调节电网的功率因数,又可以提高系统的稳定性。
(1) 双馈电机的工作特性双馈电机的结构类似于绕线式感应电机,定子绕组也由具有固定频率的对称三相电源激励,所不同的是转子绕组具有可调节频率的三相电源激励,一般采用交-交变频器或交-直-交变频器供以当双馈电机定子对称三相绕组由频率为f1(f1=P•n1/60)的三相电源供电时,由于电机转子的转速n=(l-s)n1(s为转差率,n1为气隙中基波旋转磁场的同步速率)。
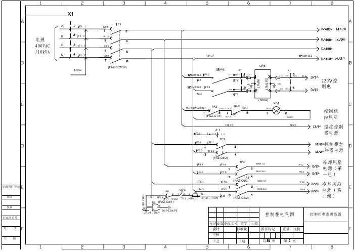
天津瑞能电气有限公司REnergy Electric Tianjin Ltd.1.5MW 风冷低温II 型双馈变频器电气原理图2011-4-27设计图号名称文件编号审核项目名称客户名称批准产品型号序号位号/页码物料规格/型号数量物料位置制造商产地1KM1/P5、P17AF400-30-111并网柜上部(前端)ABB瑞典2KM2/P5A26-30-101并网柜上部(前端)ABB中国快熔:170M15631波兰底座:SBS00-D1波兰快熔:170M15631波兰底座:SBS00-D1波兰快熔:170M15631波兰充电接触器线圈100-250V,690V/400A线圈220-230V/50HzAC-1/45A,AC-3/11KWBussmann160A/690V,NHOO并网柜上部(前端)Bussmann并网柜上部(前端)160A/690V,NHOO40A/690V瑞能电气风力发电双馈变频器器件清单1.5MW风冷低温Ⅱ型双馈变频器瑞能电气风力发电双馈变频器器件清单物料名称REE03-Y2-NYRR-15DFL2-A1锋电能源网侧主接触器物料参数REE1.5-NOD01-DW2-A3充电电路熔断器A相FU4/P540A/690V4充电电路熔断器B相FU5/P540A/690V底座:SBS00-D1波兰6R1/P5RXLG400W10RJ1并网柜上部左侧上海鹰峰中国7R2/P5RXLG400W10RJ1并网柜上部左侧上海鹰峰中国8R3/P5RXLG400W10RJ1并网柜上部左侧上海鹰峰中国9Q1/P3OS630D12P1并网柜中部(前端)ABB芬兰10FU7/P3170M68101并网柜中部(前端)Bussmann波兰11FU8/P3170M68101并网柜中部(前端)Bussmann波兰12FU9/P3170M68101并网柜中部(前端)Bussmann波兰13F1/P3CH141D 1P3并网柜中部(右侧)Bussmann波兰14F1/P3C14GQ 14×51gG3并网柜中部(右侧)Bussmann波兰15F2/P4CH141D 1P3并网柜中部(右侧)Bussmann波兰16F2/P4C14GQ 14×51gG3并网柜中部(右侧)Bussmann波兰17VT1/P3AV100-10001并网柜中部(右侧)莱姆中国18VT2/P3AV100-10001并网柜中部(右侧)莱姆中国电网电压传感器电网电压传感器1000V/50mA1000V/50mA开关熔断器组网侧回路保护熔断器A相柱形熔断器底座铝壳电阻铝壳电阻铝壳电阻690V/630A并网柜上部(前端)Bussmann690V/630A400W/10Ω400W/10Ω400W/10Ω690V/32A690V/1A网侧回路保护熔断器C相690V/630A网侧回路保护熔断器B相5充电电路熔断器C相FU6/P5160A/690V,NHOO柱形熔断器柱形熔断器底座690V/32A柱形熔断器690V/1A设计图号名称文件编号审核项目名称客户名称批准产品型号序号位号/页码物料规格/型号数量物料位置制造商产地瑞能电气风力发电双馈变频器器件清单1.5MW风冷低温Ⅱ型双馈变频器瑞能电气风力发电双馈变频器器件清单物料名称REE03-Y2-NYRR-15DFL2-A1锋电能源物料参数REE1.5-NOD01-DW2-A19VT3/P4AV100-10001并网柜中部(右侧)莱姆中国20VT4/P4AV100-10001并网柜中部(右侧)莱姆中国21Q2/P3NDW1-2000C1600A31并网柜中部上海良信中国22Q2/P3配NDW1-2000C1600A31并网柜中部上海良信中国23Q3/P1N2MN1-A1001控制柜下部(前端)穆勒进口德国1000V/50mA1000V/50mA定子电压传感器定子电压传感器主控电源开关690V/100A220V AC线圈欠压线圈框架断路器1600A/3P M型控制器24Q4/P2N2MN1-A501控制柜下部(前端)穆勒进口德国25Q5/P2N2MN1-A801控制柜下部(前端)穆勒进口德国2623ST2/P23LSHYG1并网柜中部右侧朗森德国2723ST1/P23LSTER11并网柜中部右侧朗森德国2823KM1/P24DILM9-101并网柜中部右侧穆勒德国29KM3/P4、P16AF1650-30-111并网柜下部ABB瑞典3014HT1/P24FLH-TB1控制柜中部百能堡德国3114HT2/P24FLH-TB1并网柜下部(右侧)百能堡德国32C1/P6KMKP750-68 IBR1并网柜上部(后端)夏弗纳中国33C2/P6KMKP750-68 IBR1并网柜上部(后端)夏弗纳中国34C3/P6KMKP750-68 IBR1并网柜上部(后端)夏弗纳中国35SP1/P1Strikesorb 40-D1并网柜下部(后端)RAYCAP希腊36SP2/P1Strikesorb 40-D1并网柜下部(后端)RAYCAP希腊37SP3/P1Strikesorb 40-D1并网柜下部(后端)RAYCAP希腊避雷器变压器一次侧开关690V/50A主控控制电源开关690V/80A35--90%400V/140KA并网柜湿度控制器并网柜温度控制器交流接触器0--60℃避雷器400V/140KA网侧滤波电容Cn:68uF±10%,Un:750V网侧滤波电容Cn:68uF±10%,Un:750V400V/140KA线圈100-250V,690V/600A1000W,230VCn:68uF±10%,Un:750V交流接触器并网柜加热器网侧滤波电容避雷器并网柜加热器1000W,230V230V,50Hz,9A设计图号名称文件编号审核项目名称客户名称批准产品型号序号位号/页码物料规格/型号数量物料位置制造商产地瑞能电气风力发电双馈变频器器件清单1.5MW风冷低温Ⅱ型双馈变频器瑞能电气风力发电双馈变频器器件清单物料名称REE03-Y2-NYRR-15DFL2-A1锋电能源物料参数REE1.5-NOD01-DW2-A38SP4/P2Strikesorb 30-D1控制柜下部(前端)RAYCAP希腊39SP5/P2Strikesorb 30-D1控制柜下部(前端)RAYCAP希腊40SP6/P2Strikesorb 30-D1控制柜下部(前端)RAYCAP希腊41CT1/P2SDH-0.66 60×50Ⅲ1并网柜下部(后端)桑迪中国42CT2/P2SDH-0.66 60×50Ⅲ1并网柜下部(后端)桑迪中国43CT3/P2SDH-0.66 60×50Ⅲ1并网柜下部(后端)桑迪中国44CT10/P1SDH-0.69 60×50Ⅲ1并网柜下部(后端)桑迪中国SDH-06960×50Ⅲ避雷器避雷器避雷器400V/60KA400V/60KA400V/60KA电网电流互感器A相电网电流互感器A相(上传主控)电网电流互感器C相2000/0.1A,660V电网电流互感器B相2000/0.1A,660V2000/0.1A,660V2000/1A,690V2000/1A690V45CT11/P1SDH-0.69 60×50Ⅲ1并网柜下部(后端)桑迪中国46CT12/P1SDH-0.69 60×50Ⅲ1并网柜下部(后端)桑迪中国快熔:160NH00G1波兰底座:TB00-D1波兰快熔:170M15631波兰底座:SBS00-D1波兰快熔:170M15631波兰底座:SBS00-D1波兰50UPS/P11KR2000-J(低温型)1控制柜上部厦门科华中国51/P26、P27、P28由PCB板组成1控制柜上部REE中国52FAN7,FAN8/P134184NX24U机箱上EBM中国53PLC/P25CX9001-00011控制柜中部倍福德国54P25CX9001-NO311控制柜中部倍福德国5520DO1/P20EL20081控制柜中部倍福德国RS232/485系统接口47主控电源熔断器A相FU12/P1160A,690VAC,Gg/gl并网柜下部(后端)Bussmann48主控电源熔断器A相FU13/P1160A,690VAC,Gg/gl并网柜下部(后端)Bussmann49主控电源熔断器A相FU14/P1160A,690VAC,Gg/gl并网柜下部(后端)Bussmann PLC数字输出模块风扇12-29,190mA,4.5W/24VUPS不间断电源4U控制箱PLC CPU模块电网电流互感器C相(上传主控)电网电流互感器B相(上传主控)220V/2000VA由PCB板DF001~DF008组成2000/1A,690V2000/1A,690V24VDC24VDC24VDC设计图号名称文件编号审核项目名称客户名称批准产品型号序号位号/页码物料规格/型号数量物料位置制造商产地瑞能电气风力发电双馈变频器器件清单1.5MW风冷低温Ⅱ型双馈变频器瑞能电气风力发电双馈变频器器件清单物料名称REE03-Y2-NYRR-15DFL2-A1锋电能源物料参数REE1.5-NOD01-DW2-A5620DO2/P20EL20081控制柜中部倍福德国5721AI1/P21EL32041控制柜中部倍福德国5821AI2/P21EL32041控制柜中部倍福德国5919DI1/P19EL10081控制柜中部倍福德国6019DI2/P19EL10081控制柜中部倍福德国6121CO1/P21EL6751(0010)1控制柜中部倍福德国62FU11/P13CHM1D1控制柜中部Bussmann美国PLC模拟输入模块数字量输入端子CANopen从站模块PLC数字输出模块PLC模拟输入模块数字量输入端子24VDC,3ms柱形熔断器底座10×38,690V,32A500V1A12KA24VDC24VDC,3ms24VDC24VDC63FU11/P13C10G11控制柜中部Bussmann美国64FU15/P25CHM1D1控制柜中部Bussmann美国65FU15/P25C10G11控制柜中部Bussmann美国66FU10/P81直流母排上天津联邦科工贸中国6722ST2/P22LSHYG1控制柜中部左侧朗森德国6822ST1/P22LSTER11控制柜中部左侧朗森德国6922ST3/P22LSTER11控制柜中部左侧朗森德国7011F1/P11FAZ-C32/3N1控制柜中部穆勒进口德国7111F2/P11FAZ-C1/11控制柜中部穆勒进口德国7213F1/P13FAZ-C4/11控制柜中部穆勒进口德国7314F1/P14FAZ-C4/11控制柜中部穆勒进口德国7423F1/P23FAZ-C4/11控制柜中部穆勒进口德国7511F3/P11FAZ-C6/21控制柜中部穆勒进口德国7611F4/P11FAZ-C6/21控制柜中部穆勒进口德国柱形熔芯湿度控制器温度控制器四级微型断路器单级微型断路器单级微型断路器单级微型断路器单级微型断路器两级微型断路器保险管及座温度控制器0--60℃两级微型断路器230VAC,6A,2PC4A,1P柱形熔芯柱形熔断器底座35--90%0--60℃400VAC,C32A,3P+N230VAC,C1A,1PC4A,1P500V,1A,12KA10×38,690V,32A500V,1A,12KA5KV,0.8A,一体式高压保险管C4A,1P230VAC,6A,2P设计图号名称文件编号审核项目名称客户名称批准产品型号序号位号/页码物料规格/型号数量物料位置制造商产地瑞能电气风力发电双馈变频器器件清单1.5MW风冷低温Ⅱ型双馈变频器瑞能电气风力发电双馈变频器器件清单物料名称REE03-Y2-NYRR-15DFL2-A1锋电能源物料参数REE1.5-NOD01-DW2-A7711F5/P11FAZ-C6/21控制柜中部穆勒进口德国7811F4/P11ZP-IHK,1MO+1NC1控制柜中部穆勒进口德国7911F5/P11ZP-IHK,1MO+1NC1控制柜中部穆勒进口德国8024F1/P24FAZ-C10/11控制柜中部穆勒进口德国8120K1/P16PLC-RSC-24DC/21-211控制柜中部菲尼克斯德国8220K2/P16PLC-RSC-24DC/21-211控制柜中部菲尼克斯德国8320K3/P15PLC-RSC-24DC/21-211控制柜中部菲尼克斯德国微断辅助触点单级微型断路器中间继电器中间继电器微断辅助触点中间继电器两级微型断路器230VAC,6A,2P6A,250VC10A,1P6A,250V24DC线圈24DC线圈24DC线圈8420K4/P15PLC-RSC-24DC/21-211控制柜中部菲尼克斯德国8520K5/P15PLC-RSC-24DC/21-211控制柜中部菲尼克斯德国8620K6/P17PLC-RSC-24DC/21-211控制柜中部菲尼克斯德国8720K7/P17PLC-RSC-24DC/21-211控制柜中部菲尼克斯德国8820K8/P20PLC-RSC-24DC/21-211控制柜中部菲尼克斯德国8920K9/P20PLC-RSC-24DC/21-211控制柜中部菲尼克斯德国9020K10/P18PLC-RSC-24DC/21-211控制柜中部菲尼克斯德国9120K11/P18PLC-RSC-24DC/21-211控制柜中部菲尼克斯德国9213K1/P16PLC-RSC-24DC/21-211控制柜中部菲尼克斯德国9317K1/P17PLC-RSC-24DC/21-211控制柜中部菲尼克斯德国9417K2/P16PLC-RSC-24DC/21-211控制柜中部菲尼克斯德国9514PW1/P14qs10e2411控制柜中部PULS德国9613PW1/P13qs20e2411控制柜中部PULS德国9713FLT1/P13FN2060-3-061控制柜中部右侧夏弗纳瑞士中间继电器中间继电器中间继电器中间继电器中间继电器中间继电器中间继电器中间继电器中间继电器中间继电器开关电源开关电源滤波器中间继电器24DC线圈24V,10A24V,20A110/250VAC,3A24DC线圈24DC线圈24DC线圈24DC线圈24DC线圈24DC线圈24DC线圈24DC线圈24DC线圈24DC线圈设计图号名称文件编号审核项目名称客户名称批准产品型号序号位号/页码物料规格/型号数量物料位置制造商产地瑞能电气风力发电双馈变频器器件清单1.5MW风冷低温Ⅱ型双馈变频器瑞能电气风力发电双馈变频器器件清单物料名称REE03-Y2-NYRR-15DFL2-A1锋电能源物料参数REE1.5-NOD01-DW2-A9814FLT1/P14FN2060-3-061控制柜中部右侧夏弗纳瑞士9913FLT2/P13DNF702-10A1控制柜中部右侧上海埃德中国10013FLT3/P13DNF702-10A1控制柜中部右侧上海埃德中国10122KM1/P11DILM12-101控制柜中部左侧穆勒进口德国10215KM1/P12DILM9-101控制柜中部左侧穆勒进口德国10315KM2/P12DILM9-101控制柜中部左侧穆勒进口德国10422KM2/P24DILM9-101控制柜中部左侧穆勒进口德国REE 滤波器110/250VAC,3A交流接触器23OV,50Hz,9A交流接触器23OV,50Hz,9A滤波器滤波器交流接触器交流接触器23OV,50Hz,9AAC23OV线圈,50/60Hz,12A105CD/P131控制柜中部左侧中国106T1/P21控制柜下部鹰锋/腾冉/云路中国107FU1/P2100NHG00B-6901控制柜下部Bussmann美国108FU2/P2100NHG00B-6901控制柜下部Bussmann美国109FU3/P2100NHG00B-6901控制柜下部Bussmann美国110R4/P6RXHG/800W-025R1控制柜下部(后端)上海鹰峰中国111R5/P6RXHG/800W-025R1控制柜下部(后端)上海鹰峰中国112R6/P6RXHG/800W-025R1控制柜下部(后端)上海鹰峰中国113R7/P10RXHG/400W-100R1控制柜下部(后端)上海鹰峰中国114R8/P10RXHG/400W-100R1控制柜下部(后端)上海鹰峰中国115R9/P10RXHG/400W-100R1控制柜下部(后端)上海鹰峰中国116GA/P71功率柜上部(前端)REE中国117GB/P71功率柜上部(前端)REE中国118GC/P71功率柜上部(前端)REE中国旋转编码器盒24VDC变压器40KVA,690V输入,400V输出,带零线和地线变压器保护熔断器100A,690V,gG/gl变压器保护熔断器100A,690V,gG/gl波纹电阻800W/0.25Ω变压器保护熔断器100A,690V,gG/gl波纹电阻400W/100Ω网侧功率模块A相波纹电阻800W/0.25Ω波纹电阻800W/0.25Ω波纹电阻400W/100Ω波纹电阻400W/100Ω网侧功率模块C相网侧功率模块B相设计图号名称文件编号审核项目名称客户名称批准产品型号序号位号/页码物料规格/型号数量物料位置制造商产地瑞能电气风力发电双馈变频器器件清单1.5MW风冷低温Ⅱ型双馈变频器瑞能电气风力发电双馈变频器器件清单物料名称REE03-Y2-NYRR-15DFL2-A1锋电能源物料参数REE1.5-NOD01-DW2-A119RA/P91功率柜上部(前端)REE中国120RB/P91功率柜上部(前端)REE中国121RC/P91功率柜上部(前端)REE中国122/P8BSBC-1200-0800-5551A1功率柜上部(后端)REE中国123VT5/P8AV100-15001功率柜上部(后端)莱姆中国124CT4/P6LF 1005-S1功率柜中部(前端)莱姆中国125CT5/P6LF 1005-S1功率柜中部(前端)莱姆中国LF1005-S转子侧功率模块A相直流大母排直流母线电压传感器1500V/50mA网侧A相电流传感器1000A网侧B相电流传感器1000A转子侧功率模块C相转子侧功率模块B相126CT6/P6LF 1005-S1功率柜中部(前端)莱姆中国127CT7/P9LF 1005-S1功率柜中部(前端)莱姆中国128CT8/P9LF 1005-S1功率柜中部(前端)莱姆中国129CT9/P9LF 1005-S1功率柜中部(前端)莱姆中国130L×W×H=260×100×242功率柜中部(前端)广州麦克纳米中国131L1/P6RTF-2870-400-991功率柜下部(前端)夏弗纳中国132L2/P10RTF-28268-600-991功率柜下部(前端)夏弗纳中国133C5-C10/P10STM0.047-3000-10%-P#E功率柜下部(前端)EACO中国134CB/P101功率柜下部右侧REE中国135FAN2/P12RG20P-4EK.2F.1L1功率柜后面板施乐百/洛森中国136FAN4/P12RG20P-4EK.2F.1L1功率柜后面板施乐百/洛森中国137FAN1/P12RG22P-4EK.4C.1L1并网柜后面板施乐百/洛森中国138FAN3/P12RG22P-4EK.4C.1L1并网柜后面板施乐百/洛森中国139FAN5/P12PFB 3.0001并网柜后面板百能堡德国网侧电抗器0.8mH/400A/690V转子侧电抗器0.064mH/600A/690V有源Crowbar电路转子侧A相电流传感器1000A电抗器磁环10KHz>13uH,100KHz>5uH网侧C相电流传感器1000A转子侧C相电流传感器1000A转子侧B相电流传感器1000A滤波电容过滤器风扇35W,单相冷却风机320W,单相,左旋冷却风机510W,单相,左旋冷却风机320W,单相,左旋冷却风机510W,单相,左旋设计图号名称文件编号审核项目名称客户名称批准产品型号序号位号/页码物料规格/型号数量物料位置制造商产地瑞能电气风力发电双馈变频器器件清单1.5MW风冷低温Ⅱ型双馈变频器瑞能电气风力发电双馈变频器器件清单物料名称REE03-Y2-NYRR-15DFL2-A1锋电能源物料参数REE1.5-NOD01-DW2-A140FAN6/P12PFB 3.0001并网柜后面板百能堡德国14120LED1/P20M22-L-G1并网柜前门穆勒进口德国14220LED2/P20M22-LH-R1并网柜前门穆勒进口德国143SB1/P28M22-K10,1NO1并网柜前门穆勒进口德国144SB1/P16、P18、1M22-K01,1NC1并网柜前门穆勒进口德国145SB1M22-PV1并网柜前门穆勒进口德国146MC1.5/6-STF-3.812安装于DF008菲尼克斯德国并网指示灯Φ22mm,红色过滤器风扇35W,单相急停按钮Φ22mm,紧急停机/Emergency常开触点与急停开关配套常闭触点与急停开关配套故障指示灯Φ22mm,红色端子300V,8A,适用于1.5mm2147MC1.5/8-STF-3.821安装于DF008菲尼克斯德国148PC5/3-STF-7.621安装于DF001菲尼克斯德国149MC1.5/3-STF-5.083DF008=1,CROWBAR=2菲尼克斯德国150MC1.5/10-STF-3.812CD=1,DF002=1菲尼克斯德国151MC1.5/12-STF-3.812安装于DF002,DF003菲尼克斯德国152MC1.5/13-STF-3.811安装于DF003菲尼克斯德国153MC1.5/2-STF-5.082CD=1,CROWBAR=1菲尼克斯德国154MSTB2.5/2-STF-5.081主控箱小风扇菲尼克斯德国155VS-09-ST-DSUB-EG1UPS九针插头芯菲尼克斯德国156FK-MC0.5/5-ST-2.51DF004菲尼克斯德国157MVSTBU2.5/2-GFB-5.081主控箱小风扇菲尼克斯德国158XD1/P111控制柜上部莱思比中国159WDU 35/ZA3魏德米勒德国端子300V,8A,适用于1.5mm2控制柜柜内照明灯AC220V,14W,50Hz直通型端子螺钉式,灰色端子300V,8A,适用于2.5mm2端子端子125V,4A,适用于0.5mm2300V,8A,适用于1.5mm2端子300V,8A,适用于1.5mm2端子600V,41A,适用于4mm2导线端子300V,8A,适用于1.5mm2端子300V,8A,适用于1.5mm2端子座端子300V,8A,适用于1.5mm2端子设计图号名称文件编号审核项目名称客户名称批准产品型号序号位号/页码物料规格/型号数量物料位置制造商产地瑞能电气风力发电双馈变频器器件清单1.5MW风冷低温Ⅱ型双馈变频器瑞能电气风力发电双馈变频器器件清单物料名称REE03-Y2-NYRR-15DFL2-A1锋电能源物料参数REE1.5-NOD01-DW2-A160WPE 351魏德米勒德国161ZCAT2035-0930A-BK2DF002=1,DF008=1TDK日本162ZCAT2235-1030A-BK4DF002=1,DF003=2,DF008=1TDK日本163ZCAT3035-13303DF001=1,DF008=1,编码器电源线=1TDK日本164ZCAT1730-0730A-BK4CROWBAR=2通讯线TDK日本磁环磁环磁环磁环接地端子螺钉式,黄绿色165TC/P21JWB/PT100/C1B+B德国166TPLC/P21JWB/PT100/C1B+B德国167TR/P21JWB/PT100/C1B+B德国168TQ/P21JWB/PT100/C1B+B德国169TL1/P21JWB/PT100/C1B+B德国170TL2/P21JWB/PT100/C1B+B德国171TT1/P21JWB/PT101/C1B+B德国17211SQ1/P111威图中国173AG-32,灰色2KSS中国174AG-40,灰色11KSS中国175AG-50,灰色26KSS中国温度传感器 1.5m/根温度传感器 2.4m/根温度传感器 1.3m/根温度传感器 2.4m/根温度传感器 3.3m/根温度传感器 1.8m/根电缆固定头电缆固定头温度传感器0.45m/根电缆固定头门控开关更改文号标记日期标准化签字图样标记重量比例CABDE F F E B A C D 旧底图总号签 字描图借通用件登记设计处数校描控制柜电气图电网进线690VAC 50HZPE A B C A/690V B/690V C/690V CT10690VAC 2000/1A SDH-0.69 60×50Ⅲ2/1A2/1A 2/1B主电路进线图电流检测去主控CT11690VAC 2000/1A SDH-0.69 60×50ⅢCT12690VAC 2000/1A SDH-0.69 60×50ⅢA/690V B/690V C/690V主控电源690VACFU14FU13FU12690VAC160A160NH00G-690gG/gL 1L13L25L32T14T26T3Q3SP1SP3SP2避雷器Z7400V/140KA Strikesorb40-D X2C T 10:S 1,Z 7:5C T 10:S 2,Z 7:6C T 11:S 1,Z 7:7C T 11:S 2,Z 7:8C T 12:S 1,Z 7:9C T 12:S2,Z7:1690VAC 100AN2MN1-A10033/3A 33/3B 33/3B 33/3A 33/3A33/3A更改文号标记日期标准化签字图样标记重量比例C A B D E F F E B ACD 旧底图总号签 字描图借通用件登记设计审核处数校描控制柜电气图A/690V 1/8AB/690V 1/8AC/690V 1/8BFU3FU2FU1A/400V B/400V C/400V N PE A/690V 3/2A B/690V 3/2A C/690V 3/2B 去主断路器11/1A 11/1A 11/1B 11/1B T1690V:400V 40KVA DYn11主控电源变压器690VAC 1O0A 100NHG00B-690gG/gL CT1660VAC 2000/0.1A SDH-0.66 60×50Ⅲ电流检测去控制箱DF002CT2660VAC 2000/0.1A SDH-0.66 60×50ⅢCT3660VAC 2000/0.1A SDH-0.66 60×50Ⅲ1L13L25L32T14T26T3Q4SP5SP6SP4PE 1L13L25L32T14T26T3Q5A/400V B/400V C/400VNPE 主控400V电源避雷器C T 1:S 2,A I 1-400V/60KA Strikesorb 30-D X3.1690VAC 50AN2MN1-A50400VAC 80A N2MN1-A80C T 1:S 1,A I 1+28/2D 28/2D C T 2:S 2,A I 2-C T 2:S 1,A I 2+28/2D 28/2D C T 3:S 2,A I 3-C T 3:S 1,A I 3+28/2D 28/2D更改文号标记日期标准化签字图样标记重量比例C ABD E F F E B ACD 旧底图总号签 字描图借通用件登记设计审核处数校描控制柜电气图A/690V 2/8AB/690V 2/8AC/690V 2/8B A/690V B/690V C/690V FU9FU8FU7135246Q2A/690V B/690V C/690V Q11352464/2A 4/2A 4/2B 5/2A 5/2A 5/2B 断路器分闸断路器合闸20K1020K11SB1SB1Q2:45PLC 检测DSP 检测储能电机欠压线圈主断路器主断路器开关熔断器组OS630D12P 690VAC 630A 170M6810690VAC 1600ANDW1-2000C1600A3135246电网电压检测F11A/690VACC14G114×51gG VT1、VT2电压检测去控制箱DF002AV100-10001000V/50mA VT2:+,VT2:-,AI6+AI6-VT2:M,AI6M VT1:+,VT1:-,AI5+AI5-VT1:M,AI5M 28/2E 28/2E 28/2E 28/2E 28/2E 28/2E Q2:46Q2:9Q2:8Q2:29Q2:30Q2:31Q2:32Q2:35Q2:34Q2:27Q2:28更改文号标记日期标准化签字图样标记重量比例C AB DE F F E B A CD 旧底图总号签 字描图借通用件登记设计审核处数校描控制柜电气图A/690V 3/3F B/690V 3/3F C/690V 3/4F A B C 发电机转子G 1L13L25L32T14T26T3KM3135246并网接触器F210/4F 10/4F 10/4F 并网接触器1A/690VACC14G114×51gG 690VAC 1650AAF1650-30-11线圈100-250VAC 定子电压检测VT3、VT4电压检测去控制箱DF002AV100-10001000V/50mA VT4:+,VT4:-,AI8+AI8-VT4:M,AI8M VT3:+,VT3:-,AI7+AI7-VT3:M,AI7M 28/2F 28/2F 28/2F 28/2F 28/2F 28/2F更改文号标记日期标准化签字图样标记重量比例CABD E F F E B AC D 85674312旧底图总号签 字描图借通用件登记设计审核处数校描控制柜电气图A/690V 5/4FB/690V 5/4FC/690V 5/4F R6R5R4A/690V B/690V C/690V C1C2C3PE PE LF 1005-SLF 1005-S LF 1005-S CT4CT5CT6L1690VAC 400A 0.8mH RTF-28270-400-99800W/0.25ΩRXHG/800W-025RUn:750V Cn:68uF+-10%KMKP750-68 IBR 7/1B 7/1C 7/1E 网侧电抗及滤波电路网侧电流检测去控制箱DF003网侧滤波CT4:+,CT4:-,AI12+AI12-CT4:M,AI12M CT5:+,CT5:-,AI13+AI13-CT5:M,AI13M CT6:+,CT6:-,AI14+AI14-CT6:M,AI14M 28/1B 28/1B 28/1B 28/1C 28/1C 28/1C 28/1C 28/1C 28/1C更改文号标记日期标准化签字图样标记重量比例CA BDE F F E B ACD旧底图总号签 字描图借通用件登记设计审核处数校描控制柜电气图7/7A +7/7E-9/2A 9/2E 直流母线VT5电压检测去控制箱DF003直流母排FU105KVDC0.8AAV100-15001500V/50mA VT5:+,VT5:-,AI15+AI15-VT5:M,AI15M 450V 3900uFE36F451CSS392MEA5M 40K Ω 13WGW13J40KOE450V 3900uFE36F451CSS392MEA5M 450V 3900uFE36F451CSS392MEA5M 450V 3900uF E36F451CSS392MEA5M 450V 3900uF E36F451CSS392MEA5M 450V 3900uF E36F451CSS392MEA5M 450V 3900uF E36F451CSS392MEA5M 450V 3900uF E36F451CSS392MEA5M 450V 3900uF E36F451CSS392MEA5M 450V 3900uFE36F451CSS392MEA5M 450V 3900uFE36F451CSS392MEA5M 450V 3900uFE36F451CSS392MEA5M 40K Ω 13W GW13J40KOE 40K Ω 13W GW13J40KOE 40K Ω 13W GW13J40KOE 40K Ω 13W GW13J40KOE 40K Ω 13W GW13J40KOE 40K Ω 13W GW13J40KOE 40K Ω 13W GW13J40KOE 40K Ω 13W GW13J40KOE 40K Ω 13W GW13J40KOE 40K Ω 13W GW13J40KOE 40K Ω 13WGW13J40KOE28/1C 28/1C 28/1C更改文号设计标记日期日期标准化签字图样标记重量比例C A B D E F F E BACD 85674312旧底图总号日 期签 字描图借通用件登记审核处数共 页第 页校描控制柜电气图X1.1X1:1Z1.2控制柜内照明控制柜加热器电源5761L 15L32T16T3221223422KM111F111F213/1A 13/1B XD112/2A 12/2A 11F1:822KM1:2T1230VAC 6A FAZ-C6/2400VAC 32A FAZ-C32/3N A/400VB/400VC/400VN 1324INPUT OUTPUT UPS 230VAC 2KVA KR2000-J 冷却风扇电源I1温度控制器电源A/400v B/400v C/400v N/400v 24/2B 2/2A 2/2A 11F411SQ1220V控制电23/1A11F3230VAC 1A FAZ-C1/111F1:411F1:211F2:1 22KM1:1L111F2:111F5:111Z13611F1: 111F1: 311F1: 511F1: 7X1:2X1:3X1:422KM1:1L1Z1:122KM1:6T3Z1:2UPS:1Z1:1'UPS:2 Z1:2'Z1:3'Z1:6'UPS:3UPS:411SQ1:1,11F2:2XD1:111SQ1:223F1:1Z1:313F1:1,11F4:211F4:415KM1:1L115KM1:5L3XD1:2Z1:2022KM1:5L311PE111PE234控制柜电源进线图24/2B 24/2B冷却风扇电源II 132411F515KM2:1L115KM2:5L311F5:411F5:211F4:3 11F5:311F5:12/2C 2/2C 11F3:111F4:111F1:611F3:322KM1:5L311F4:311F1:811F5:311F3:3Z1:22Z1.22Z1:2311F3:1 SK:L L NPE SK:PE SK:PE Z1:21 SK:N SK 250VAC 16A 三孔插座SK 230VAC 12A DILM12-10 220VAC 14W 230VAC 6A FAZ-C6/2230VAC 6A FAZ-C6/22/3F 2/3F 2/3F 2/3F校描处数借通用件登记描图签 字旧底图总号21347658DC ABE F F E D B A C 比例重量图样标记签字标准化日期标记设计更改文号控制柜电气图FAN1功率柜(510W)L N M ~FAN3(510W)FAN2(320W)FAN4(320W)FAN5(35W)1L15L32T16T315KM1并网柜.31.36.29.34.28.33.32Z111/8D 11/8E Z1:31Z1:3615KM1:2T115KM1:6T3FAN1:L FAN1:N Z1:31'Z1:36'FAN3:L FAN3:N Z1:30'Z1:35'FAN2:L FAN2:NZ1:29'Z1:34'FAN4:LFAN4:NZ1:28'Z1:33'FAN5:L Z1:27'FAN5:N Z1:32'风扇电气图12PE112PE312PE212PE412PE51L15L32T16T315KM2Z1:29Z1:3415KM2:2T115KM2:6T311/8E 11/8E LN M ~L N M ~L N M ~L N M~12PE6L N M ~(35W)FAN6FAN6:L Z1:26'FAN6:N Z1:32冷却风扇电源I 冷却风扇电源II B/220N C/220N 230VAC 9ADILM9-10230VAC 9ADILM9-10校描处数借通用件登记描图签 字旧底图总号21347658DC ABE F F E DB A C比例重量图样标记签字标准化日期标记设计更改文号控制柜电气图并网接触器线圈并网接触器分闸并网接触器合闸3111421并网开关控制20K115/3E 15/3E Z1.11KM31000VAC/1650A AF1650-30-11线圈100-250VAC Z7:3Z2DI:5Z1:4'20K1:1120K1:14Z2:9A1并网开关控制图13K1111413K1:1113K1:14,Z1:171117K21120K21SB119/2C 17K2:11,SB1:117K2:12,20K2:11Z2:7,20K2:12KM3:2,Z2:7'KM3:1,Z2:9'Z2KM3:A1,Z1:17'KM3:A2,Z1:11A2DI:7.9.3Z7Z7Z4.12Z4Z4:11',Z7:9Z4:12,Z7:10220V 控制电KM324DC线圈PLC-RSC-24DC/21-21 24DC线圈PLC-RSC-24DC/21-21 24DC线圈PLC-RSC-24DC/21-21 24DC线圈PLC-RSC-24DC/21-21校描处数借通用件登记描图签 字旧底图总号DCABE F F E D B A C 比例重量图样标记签字标准化日期标记设计更改文号控制柜电气图并网开关储能电机并网开关分闸并网开关合闸11141114M FX Q2开关控制SB120K1020K1115/3E 15/3E Q2:45Z1.11.12.18.13Q220K10:11Z7:1'DI9Z1:420K10:11Z1:1620K10:1420K11:1120K11:14Z1:1820K11:11Q2:1Q2:2Z1:10Q2:35,SB1:2Q2:34,Z1:11'Q2:29,Z1:16'Q2:30,Z1:12'Q2:31,Z1:18'Q2:32,Z1:13'并网开关控制图QQ2:35,Q2:27Q2:34,Q2:28DI1119DI1:6220V 控制电24DC线圈PLC-RSC-24DC/21-21 24DC线圈PLC-RSC-24DC/21-21 690VAC 1600A NDW1-2000C1600A3 智能控制器Q2:46Q2:9Q2:8更改文号标记日期标准化签字图样标记重量比例C ABD E F F E B ACD 旧底图总号签 字描图借通用件登记设计处数校描控制柜电气图I1I3I5I712345678EL1008I1I3I5I7EL1008SB1紧急停机冷却风扇网侧主开关并网接触器1219DI119DI213KM3KM111F4131413/7E :24VDC+I2I4I6I8I2I4I6I8ups检测19DI1:119DI1:719DI2:119DI2:2SB1:1SB1:2Z4:511F4:13Z2:1Z2:3KM1:13,Z2:1’KM3:21,Z2:3’11F4:14Z2:4Z2:2’,KM1:14Z2:4',KM3:22AS:2,19DI1:4AS:1,19DI2:4AS:6,19DI2:5AS:7,19DI2:6AS:8,19DI2:7AS:9,19DI2:8216789PLC 的DI 模块接线图131411F511F5:1319DI1:8Z2:611F5:14Z7:7Z2:212345678I 冷却风扇II 131419DI1:6Q2:9Q2:8Z7:1'Q2并网开关校描处数借通用件登记描图签 字旧底图总号D C B E F F E DBC 比例重量图样标记签字标准化日期标记设计更改文号控制柜电气图控制柜加热控制A1A21314控制电源控制22KM122KM111/8D N 123<T 温度控制器11/8D C 231¢22ST2湿度控制器22ST1:设定温度为10度,当温度低于10度时,22ST1 1、3吸合,控制柜加热器开始加热;当温度 高于10度时,22ST1 1、3断开,22KM1吸合,控制电源上电;22ST2:设定湿度为80%,当湿度高于80%时,22ST2 1、3吸合,控制柜加热器开始加热,当湿度 低于80%时,22ST2 1、3断开,加热停止。
1.5MW双馈风力发电机电气原理图1.5MW双馈风力发电机电气原理图1:引言本文档旨在介绍和解释1.5MW双馈风力发电机电气原理图的各个部分和相关原理。
此电气原理图用于1.5MW双馈风力发电机的设计和操作。
通过详细说明各个部分的功能和相互连接关系,以及相应的电气原理,读者可以更好地理解该发电机的电气工作原理。
2:总体结构2.1 发电机控制柜2.2 发电机定子2.3 发电机转子2.4 变频器2.5 输电线路3:发电机控制柜发电机控制柜是1.5MW双馈风力发电机的中枢控制部件,它负责整个系统的运行和监控。
控制柜内包含了各种控制单元和传感器,用于感知风力发电机的工作状态,并对其进行控制。
3.1 控制单元控制单元是发电机控制柜的核心部件,它根据输入的传感器信号和预设的控制策略,计算并相应的控制信号,驱动发电机的运行。
控制单元具有高性能的运算能力和稳定的控制算法,保证发电机的安全和稳定运行。
3.2 传感器传感器用于感知风力发电机的各种工作参数,如温度、电流、电压等。
传感器向控制单元提供实时的参数反馈,以便控制单元能够根据当前的工作状态进行相应的调节和控制。
4:发电机定子发电机定子是风力发电机的静态部分,其中包含了定子线圈和磁铁。
4.1 定子线圈定子线圈是发电机定子的主要组成部分,它由多根绕组组成。
当风力发电机转子旋转时,定子线圈中的线圈会受到磁场的影响,进而产生感应电动势。
4.2 磁铁磁铁是发电机定子上的磁化器件,它通过磁化产生磁场,并通过与转子磁极之间的相互作用,驱动发电机的转子旋转。
5:发电机转子发电机转子是风力发电机的动态部分,其中包含了转子磁铁、蓝色框、转子绕组等组件。
5.1 转子磁铁转子磁铁是发电机转子上的磁化器件,它通过磁化产生磁场,并与定子线圈产生相互作用,从而产生电流。
5.2 蓝色框蓝色框是发电机转子的支撑结构,它起到固定转子磁铁和转子绕组的作用,保证其正常运行。
5.3 转子绕组转子绕组是发电机转子上的线圈,它通过与定子线圈之间的相互作用,将机械能转化为电能,并通过输出端口输出其结果。
1.5MW双馈风力发电机的变流系摘要:本文介绍了变速恒频双馈风力发电系统的工作原理,南瑞继保风电双馈变流系统一次部分、控制部分的构成,以及它的性能和特点。
一、引言风力发电技术是目前开发最成熟和商业化运作最成功的新能源技术,也是解决我国电力和能源紧缺的重要战略选择,在我国有广阔的发展前景。
但从技术层面上看,国内的风电设备研发技术仍显薄弱,风电产业链发育不完善,风电设备产能不足,大型风电设备的严重依赖进口。
随着计算机与控制技术的飞速发展,风力发电技术的发展极为迅速,控制方式从基本单一的定桨距失速控制向全桨叶变距和变速控制发展。
目前市场上的风机机组类型以双馈变速恒频型、变速恒频直驱型为主体,其中,由于双馈型较之直驱型又具有容量更小(为机端容量的30%左右)等优点。
双馈发电系统的核心部分在于其双馈变流系统及其控制系统,而国内双馈变速恒频风电机组的变流系统部分基本被国外电气巨头垄断,严重依赖进口,价格昂贵。
南瑞继保电气有限公司作为主要从事电力系统保护、控制领域的技术开发和产业化的国家级重点高新技术企业,多年来已在电力电子技术领域取得了一系列重大的成绩和突破,在高压直流输电的控制和保护、SVC、直流融冰等方面达到了国际领先的技术水平,也积累了比较丰富的电力电子领域的开发和工程应用经验。
依靠这些先进的技术后盾保证、强大的软硬件平台支撑,以及丰富完善的试验调试手段,我公司研制出一套针对于风电双馈发电机的变流系统。
二、变速恒频双馈变流系统的工作原理和特点图1变速恒频双馈发电的拓扑结构变速恒频双馈发电的结构简图如图1所示。
电机转子由两个“背靠背”连接的电压型PWM变换器(分别称做机侧变换器和网侧变换器)进行励磁,双PWM变换器向转子绕组馈入所需的励磁电流,实现最大风能捕捉和定子输出无功的调节。
当电机亚同步速运行时,往转子中馈入能量,网侧作整流器运行,转子侧变换器作逆变器运行,提供励磁电流;当电机超同步速运行时,电机同时由定子和转子发出电能给电网;处于同步运行状态时,发电机作为同步电机运行,变流系统向转子提供直流励磁。