万科 集团交付评估-分析
- 格式:pptx
- 大小:24.12 MB
- 文档页数:65
万科集团201*年1季度评估总结会议纪要0520201*年1季度万科集团评估总结会议纪要会议时间:201*年5月14日13:30-15:30会议地点:总部407会议室参会人员:集团工程管理部:吴忠友、伍国安、闫兵、张宏斌、刘建军、杨满宏区域:胡纯、陈波、赖良学、何涛、肖立、马红军、朱瑜、秦珩、吕彦东深圳瑞捷:范文宏、黄新华、王磊、江凡、关文钊、彭承祥、彭鹏、胡祥、关文钊、江凡上海平大:杨贵宝、王雷、方齐林、凌宏志、毛东佳、何云平、聂晓雷、刘炯等广深、成都区域评估人员。
会议纪要:1、评估公司一定要坚持做到尺度一致、公平公正,对于恶意规避测区的项目从严评判。
2、对于6月份全集团交付项目数量增多,深圳瑞捷须提前做好交付评估人员的储备及培训。
3、第二季度评估增加专项检查内容:31大型机械设备专项检查不合格项包括:机械设备未经检验或未按规定维保、无证操作、塔吊和施工电梯无万科主导的专业机构附件记录。
32在建项目设置卫生健康设施检查:检查依据为“4月25日集团发布的关于在建项目设置健康设施的通知《VKGC-TZ-201*-016》”33专项检查扣分方法(参照季度关键指标扣分体系):专项检查项目合格标准较差部分符合或不完成差完全不符合或未实施机械设备1、机械设备检验合格或按规定维保2、机械设备司机有证操作3、塔吊和施工电梯有万科主导的专业机构(第三方)每年的复检记录1、每个茶水亭配置一套直饮水设备(夏季高热天气还应配备解暑凉茶)一个洗手池和一个洗脚池。
(直饮水设备在5月30日后各项目须配备到位)2、定期根据滤芯进行水质监测及滤芯更换,水质监测和滤芯更换要在明显部位张贴有效期(含多少立方水量必须更换滤芯、上次更换滤芯时间、上次更换滤芯的流量表读数、水质多久监测一次)(5月30日后配置直饮水设备,同时张贴有效期)项目综合分减去05分项目综合分减去1分工地休息茶水亭项目综合分减去05分项目综合分减去1分楼层临时吸烟区1、在楼层公共区域设置吸烟区:结构施工时在模板拆除层的下一层设置一处。
一、选择1、季度评估标段评估成绩得优且区域前25%分位,总包奖励/㎡();(A) 1 (B)2 (C)3 (D) 42、季度评估标段评估成绩得区域后30%分位,总包处罚/㎡();(A) 1 (B)2 (C)0.5 (D)0.83、季度评估标段评估成绩得区域后15%分位,总包处罚/㎡();(A) 1 (B)2 (C)3 (D) 44、季度评估标段评估成绩得优且区域前25%分位,监理奖励万元();(A) 1 (B)2 (C)3 (D) 45、季度评估标段评估成绩得中及以下或区域后30%分位,监理处罚/㎡();(A) 1 (B)2 (C)3 (D) 46、土建及精装总包申报完成区观摩工地奖励奖励万元();(A) 1 (B)2 (C)3 (D) 57、土建及精装总包申报完成市观摩工地奖励奖励万元();(A) 5 (B)10 (C)20 (D) 508、土建及精装总包申报完成省观摩工地奖励奖励万元();(A) 5 (B)10 (C)20 (D) 509、土建及精装总包申报完成建设部观摩工地奖励奖励万元();(A) 5 (B)10 (C)20 (D) 5010、土建及精装总包申报完成区域观摩工地奖励奖励万元();(A) 5 (B)10 (C)20 (D) 5011、土建及精装总包申报完成集团观摩工地奖励奖励万元();(A) 5 (B)10 (C)20 (D) 5012、交付评估获优,精装总包奖励万元/㎡();(A) 5 (B)10 (C)20 (D) 5013、交付评估得较差精装总包处罚万元/㎡();(A) 1 (B)2 (C)3 (D) 514、交付评估得差精装总包处罚万元/㎡();(A) 1 (B)2 (C)3 (D) 515、交付评估获优,监理奖励万元();(A) 1 (B)2 (C)3 (D) 516、交付评估得较差监理处罚万元();(A) 1 (B)2 (C)3 (D) 517、交付评估得差监理处罚万元();(A) 1 (B)2 (C)3 (D) 518、季度样板符合度达到90%奖励万元();(A) 1 (B)2 (C)3 (D) 519、季度样板符合度小于70%拉闸并处罚万元();(A) 1 (B)2 (C)0.3 (D) 0.520、第三方季度成绩排名标段按季度综合排名第一名土建精装总包奖励万元();(A) 1 (B)2 (C)3 (D) 521、第三方季度成绩排名标段按季度综合最后一名土建精装总包处罚万元(A) 1 (B)2 (C)3 (D) 522、第三方季度成绩排名标段按季度综合排名第一名监理奖励万元();(A) 1 (B)2 (C)3 (D) 523、第三方季度成绩排名标段按季度综合最后一名监理处罚万元();(A) 1 (B)2 (C)3 (D) 524、南通万科工程管理部予以质量、安全拉闸的总包单位,甲方将对总包单位进行处罚万元的罚款();(A) 1 (B)2 (C)3 (D) 0.525、万科集团或区域予以质量、安全拉闸的总包单位,甲方将对总包单位进行5万元的罚款;对监理单位进行万元罚款()(A) 1 (B)2 (C)3 (D) 526、主动推进工业化及完成在公司备案要求的标段,给予标段万元奖励()(A) 1 (B)2 (C)3 (D) 527、较大安全事故:对总包单位收取违约金万;监理单位收取违约金万。
万科集团营运能力分析案例研究万科集团营运能力分析案例研究一、公司背景介绍万科集团是中国房地产开发商之一,在中国房地产行业具有重要地位。
成立于1984年的万科集团,是一家全国性的综合性房地产开发企业,总部位于深圳市。
自成立以来,万科集团始终致力于为社会提供优质住宅和商业物业开发服务,通过持续创新和不断改进运营能力,创造了良好的经营业绩和声誉。
二、营运能力分析1. 项目选择能力:万科集团在项目选择方面具有突出的能力。
其良好的运营能力使其在众多地区和领域内开展业务,并能够在不同市场条件下选择适合的项目。
万科集团不仅注重开发规模,还注重项目所处的地理位置、市场需求和规划等因素。
通过深入的市场调研和分析,万科集团能及时捕捉到市场变化,并精确判断项目的潜力和市场前景。
2. 资金管理能力:万科集团在资金管理方面表现出色。
公司严格遵守资金的规范管理制度,合理安排资金使用,确保项目的正常运营。
万科集团通过建立和完善内部资金管理制度、加强内部控制,确保资金流动的透明度和安全性。
此外,万科集团还积极与金融机构合作,获得多元化的融资渠道,提高资金使用的灵活性和效率。
3. 供应链管理能力:万科集团的供应链管理能力也是其竞争优势之一。
公司与众多产品供应商建立了长期稳定的合作关系,形成了完善的供应链网络。
通过与供应商的密切合作,万科集团能及时获得优质的建筑材料和服务,并在项目开发中实现成本控制。
此外,万科集团还通过信息技术的应用优化供应链的运作,提高了整体供应链的效率和资源利用率。
4. 市场拓展能力:万科集团在市场拓展方面具备良好的能力。
公司通过深耕本土市场和积极拓展二三线城市市场,实现了多元化的业务发展。
与此同时,万科集团还注重国际市场的拓展。
通过多元化的战略布局和市场开发,万科集团能够应对市场的变化和竞争的挑战,保持持续的增长势头。
5. 项目管理能力:万科集团在项目管理方面具备高效能力。
公司建立了完善的项目管理制度和标准化流程,并通过信息技术的应用实现了项目管理的数据化和智能化。
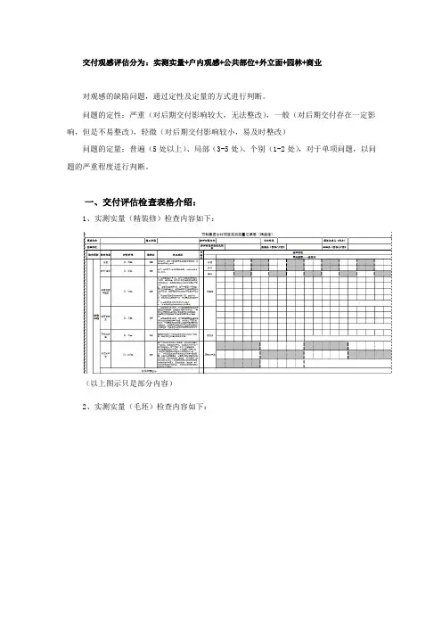
交付观感评估分为:实测实量+户内观感+公共部位+外立面+园林+商业对观感的缺陷问题,通过定性及定量的方式进行判断。
问题的定性:严重(对后期交付影响较大,无法整改),一般(对后期交付存在一定影响,但是不易整改),轻微(对后期交付影响较小,易及时整改)问题的定量:普遍(5处以上)、局部(3-5处)、个别(1-2处),对于单项问题,以问题的严重程度进行判断。
一、交付评估检查表格介绍:1、实测实量(精装修)检查内容如下:(以上图示只是部分内容)2、实测实量(毛坯)检查内容如下:(以上图示只是部分内容)3、户内观感(精装修)检查内容如下:(以上图示只是部分内容)4、户内观感(毛坯)检查内容如下:(以上图示只是部分内容)5、公共部位检查内容如下:(以上图示只是部分内容)6、外立面检查内容如下:(以上图示只是部分内容)7、园林检查内容如下:(以上图示只是部分内容)8、商业检查内容如下:(以上图示只是部分内容)二、交付评估简报简介对比1、交付检查中较好项目简报如下:项目交付评估简报第一部分: 基本资料(以下部分已略)XXXX 缺陷描述XXXX缺陷描述XXXX缺陷描述第五部分:XXXX 观感质量:1.入户空间XXXX 问题描述XXXX 问题描述2. 户内空间设备及装饰工程问题描述XXXX问题描述XXXX问题描述问题描述XXXX问题描述问题描述XXXX问题描述XXXX问题描述问题描述XXXX问题描述3.厨房空间问题描述XXXX问题描述4.起居空间部品5.卫生间部品问题6.阳台XXXX问题描述7.户内清洁问题描述8.公共部位XXXX问题描述问题描述9.外立面XXXX问题描述XXXX问题描述10.园林XXXX问题描述XXXX问题描述XXXX问题描述11.亮点推荐XXXX 子,施工到位理。
XXXX期不易污染。
瓷砖切割缝顺直。
XXXX艺处理,位置居中腻条处理,交接部位缝隙控制均匀。
XXXX2、交付检查中较差项目简报如下:项目交付评估简报第一部分: 基本资料第四部分:设计/工艺缺陷(共性):XXXX缺陷描述XXXX缺陷描述XXXX缺陷描述XXXX缺陷描述第五部分:XXXX观感质量:1.入户空间XXXX问题描述XXXX问题描述XXXX问题描述2. 户内空间设备及装饰工程XXXX 问题描述问题描述XXXX问题描述问题描述问题问题描述XXXX问题描述XXXX问题描述3.厨房空间问题描述4.起居空间部品XXXX问题描述5.卫生间部品问题描述XXXX问题描述XXXX问题描述6.阳台问题描述7.户内清洁XXXX问题描述8.公共部位XXXX问题描述XXXX问题描述XXXX问题描述8.外立面问题描述9.园林问题描述XXXX问题描述XXXX问题问题描述XXXX问题描述XXXX问题描述XXXX问题描述10.亮点推荐。
第1篇一、前言万科企业股份有限公司(以下简称“万科”或“公司”)成立于1984年,是中国领先的房地产开发企业之一,业务范围涵盖房地产开发、物业管理、物业服务等多个领域。
本文将对万科公司的财务状况进行分析,旨在评估公司的盈利能力、偿债能力、运营能力和成长能力,为投资者提供决策参考。
二、公司概况万科公司总部位于中国广东省深圳市,业务遍布全国多个省市,拥有丰富的土地储备和开发经验。
截至2022年底,公司总资产达到1.5万亿元,营业收入为1,700亿元,净利润为130亿元。
三、盈利能力分析1. 营业收入分析近年来,万科公司的营业收入稳步增长。
2019年至2022年,公司营业收入分别为1,440亿元、1,610亿元、1,680亿元和1,700亿元,同比增长率分别为-5.9%、11.6%、3.8%和2.4%。
从数据来看,万科公司营业收入在经历了2019年的下滑后,逐渐恢复增长态势。
2. 净利润分析万科公司的净利润在2019年至2022年期间呈现波动上升趋势。
2019年净利润为99亿元,同比增长10.5%;2020年净利润为103亿元,同比增长4.9%;2021年净利润为110亿元,同比增长6.7%;2022年净利润为130亿元,同比增长18.2%。
这表明万科公司的盈利能力在不断提升。
3. 盈利能力指标分析(1)毛利率:2019年至2022年,万科公司的毛利率分别为21.6%、23.3%、23.6%和22.9%。
从数据来看,公司毛利率在波动中略有下降,但整体保持较高水平。
(2)净利率:2019年至2022年,万科公司的净利率分别为6.9%、7.2%、6.4%和7.6%。
净利率在波动中呈现上升趋势,表明公司盈利能力较强。
四、偿债能力分析1. 资产负债率分析2019年至2022年,万科公司的资产负债率分别为67.8%、67.6%、66.9%和65.8%。
资产负债率逐年下降,表明公司偿债能力有所增强。
2. 流动比率分析2019年至2022年,万科公司的流动比率分别为1.3、1.2、1.1和1.1。
万科地产项目后评估工作经验万科地产项目后评估工作经验万科地产项目后评估工作经验提要:项目市场定位报告、项目营销策划报告、项目营销进度和价格专题报告、项目营销阶段总结报告以及相关营销过程决策文件等来自万科地产项目后评估工作经验“为什么做项目十多年了,水平却还和刚开始做差不多?”,这是很多地产企业老板的感慨和困惑。
俗话说,“吃一堑长一智”,项目后评估无疑是破解项目低水平开发的有效法宝,它通过对项目全面的总结评价,从中汲取经验教训,让企业不要总在同一个地方摔跟头。
项目后评估指房地产项目的开发、销售工作基本结束后,对项目实施全过程进行回顾、分析,从而总结项目开发的经验、教训的过程。
后评估工作的核心内容包括两方面:一是“项目可行性研究报告”、“项目定位报告”、“项目规划设计方案”、“全过程成本管理指标”等集团批复文件与最终实际完成情况的对比分析;二是开发过程中突出的经验与教训的提炼总结。
一、后评估工作总则1.后评估收集资料内容后评估工作应收集以下资料,包括但不限于:(1)投资方面17/ 1万科地产项目后评估工作经验项目建议书、可行性研究报告以及投资买地过程中地相关决策文件;(2)营销方面项目市场定位报告、项目营销策划报告、项目营销进度和价格专题报告、项目营销阶段总结报告以及相关营销过程决策文件等;(3)设计方面项目概念设计方案、规划设计方案、初步设计方案、施工图设计方案、平立面设计方案项目规划设计工作总结报告及有关规划设计过程决策文件等(4)进度方面项目发展总进度计划、各版次项目发展详细进度计划、项目发展纲要报告、项目进度控制对比分析报告及有关项目进度控制工作文件等;(5)成本方面项目发展各阶段成本控制目标、各版本项目发展成本预测明细表、各阶段项目发展成本分析报告及有关成本管理工作文件等;(6)工程合约管理项目施工策划方案、项目施工管理阶段总结、项目合约分判策划报告、项目合约分判工作阶段总结、项目竣工验收报告等有关项目施工过程文件等。
顺利交房保障措施文稿归稿存档编号:[KKUY-KKIO69-OTM243-OLUI129-G00I-FDQS58-针对客户最关心的房屋质量问题,标杆们的做法是:将房屋可能出现的问题转化为标准化清单,在前期的专项检查、模拟验房等环节中进行清单式验收。
例如,万科、金地就将上述问题内置于移动验房APP中,通过APP的标准化流程操作指引,对问题进行排查、整改.....交房最怕什么?拒收、群诉!白银时代,房企都在追求快周转、严控成本。
这种背景下,对产品的打造势必很难做到精益求精。
正因如此,房企在交房时更应抓主要矛盾,集中精力解决客户最关心的问题,以求事半功倍。
盘点出“业主在收房时最不能容忍的10大问题排行榜”。
我们相信,只要在交付前解决了这10大问题,房企就不用担心交房时被业主找麻烦了~一、交房流程不清晰---风险指数★★★交房流程不清晰是交付时极容易被忽视的一个细节。
通常,正式交付时一般会涉及到十几个环节。
而一些刚需盘项目,绝大多数业主都是第一次买房,不太清楚流程。
此时若没有一套清晰的交房流程清单,每个环节没有人指引、介绍,业主就会很懵。
这不但浪费业主的时间,还易给业主留下混乱的印象。
预防措施:1、在交付前一周,用短信、微信的形式告知业主具体的收房时间和相关流程;2、在交付当天,现场应出示本次交房的收楼流程图、费用一览表和交付流程图;3、万科、龙湖在交付当天,还设置一个专岗——交付大使/交房大使,全程陪同业主收房。
二、接待人员不专业,一问三不知---风险指数★★★★正式交付时,验房环节是经营业主体验最重要的环节之一。
而陪验人员的专业程度,直接决定业主在验房过程中的感受。
如果业主咨询房屋使用功能、物业、小区配套等相关问题时,接待人员都无法回答,容易让业主对开发商和物业产生不信任感。
预防措施:1、万科、金地的做法是:在交付前三个月,针对交房客户可能提到的房屋使用功能、装修材料、物业服务、相关配套、房屋质量验收等问题,对现场服务人员进行统一培训,规范话术。