地质勘察岩心鉴定和描述
- 格式:doc
- 大小:91.00 KB
- 文档页数:5
铁路工程地质钻孔的岩心鉴定和描述一.土的分类和定名(一)、土的分类——按颗粒粒径大小(二)、土的定名——按《铁路工程岩土分类标准》(TB10077-2001)执行1.漂石(块石)土:粒径大于20cm的颗粒超过总质量的50%2.卵石(碎石)土:粒径大于2cm的颗粒超过总质量的50%3.圆砾(角砾)土:粒径大于2mm的颗粒超过总质量的50%4.砾砂土:粒径大于2mm的颗粒占总质量的25-50%5.粗砂土:粒径大于0.5mm的颗粒超过总质量的50%6.中砂土:粒径大于0.25mm的颗粒超过总质量的50%7.细砂土:粒径大于0.075mm的颗粒超过总质量的85%8.粉砂土:粒径大于0.075mm的颗粒超过总质量的50%9.粉土:塑性指数等于或小于10,且粒径大于0.075mm的颗粒的质量不超过全部质量的50%10.粉质黏土:粉粒小于黏粒,塑性指数10-1711.黏土:主要由黏粒组成,塑性指数大于17注:定名时应根据颗粒级配,由大到小,以最先符合者确定。
(三)、黏性土的分类及野外鉴别1.黏土:极细的均匀土块,搓捻无砂感,黏塑滑腻,易搓成细于0.5mm的长条2.粉质黏土:无均质感,搓捻时有砂感,塑性,弱黏结,能搓成比黏土较粗的短土条3.粉土:有干面似的感觉,砂粒少,粉粒多,潮湿时呈流体状,不能搓成土条、土球(四)、土的潮湿和塑性程度的划分1、黏性土——含粉质黏土、黏土,分为坚硬、硬塑、软塑、流塑塑性状态标准贯入锤击数N(击/30cm)坚硬N>32硬塑8<N≤32软塑2<N≤8流塑N≤22、砂性土的潮湿程度的划分——含漂(块)石土、卵(碎)石土、圆砾(角砾)土、砂土,分为稍湿、潮湿及饱和稍湿—呈松散状,手摸时感到潮,饱和度Sr50%潮湿—手捏时手上有湿印,Sr=50-80%饱和—空隙中的水可自由流出(地下水位以下),Sr>80%3、粉土潮湿程度的划分稍湿—天然含水率w<20%潮湿—天然含水率w=20-30%饱和—天然含水率w>30%4、土的潮湿程度在钻孔中的表达方法黏性土砂性土、粉土、碎石类土坚硬稍湿硬塑、软塑潮湿流塑饱和(五)、土的密实程度的划分及在钻孔中的反映密实程度标准贯入锤击数N(击/30cm)密实N>30(1)碎石类土及砂类土分为密实、中密、稍密、松散四类1.密实—钻进困难,给进震动厉害,孔内响动大,孔壁稳定,不易坍垮。
工程地质钻孔的岩心鉴定和描述(一)、土的定名——按《铁路工程岩土分类标准》(TB10077-2001)执行1.漂石(块石)土:粒径大于20cm的颗粒超过总质量的50%2.卵石(碎石)土:粒径大于6cm的颗粒超过总质量的50%3.粗圆砾(角砾)土:粒径大于2cm的颗粒超过总质量的50%4.细圆砾(角砾)土:粒径大于2mm的颗粒超过总质量的50%5.砾砂土:粒径大于2mm的颗粒占总质量的25-50%6.粗砂土:粒径大于0.5mm的颗粒超过总质量的50%7.中砂土:粒径大于0.25mm的颗粒超过总质量的50%8.细砂土:粒径大于0.075mm的颗粒超过总质量的85%9.粉砂土:粒径大于0.075mm的颗粒超过总质量的50%10.粉土:塑性指数等于或小于10,且粒径大于0.075mm的颗粒的质量不超过全部质量的50% 11.粉质黏土:粉粒小于黏粒,塑性指数10-1712.黏土:主要由黏粒组成,塑性指数大于17注:定名时应根据颗粒级配,由大到小,以最先符合者确定。
(二)、黏性土的分类及野外鉴别1.黏土:极细的均匀土块,搓捻无砂感,黏塑滑腻,易搓成细于0.5mm的长条;2.粉质黏土:无均质感,搓捻时有砂感,塑性,弱黏结,能搓成比黏土较粗的短土条;3.粉土:有干面似的感觉,砂粒少,粉粒多,潮湿时呈流体状,不能搓成土条、土球。
(三)、土的塑性状态、潮湿程度、密实程度的划分1、黏性土塑性状态含粉质黏土、黏土,分为坚硬、硬塑、软塑、流塑,通过标贯值判定塑性状态如下:通过液性指数判别塑性状态如下:2、碎石土和砂类土的潮湿程度①漂(块)石土、卵(碎)石土、圆砾(角砾)土、砂土,分为稍湿、潮湿及饱和。
稍湿—呈松散状,手摸时感到潮,饱和度Sr 50%潮湿—手捏时手上有湿印,Sr=50-80%饱和—空隙中的水可自由流出(地下水位以下),Sr>80%②粉土潮湿程度的划分稍湿—天然含水率w<20%潮湿—天然含水率w=20-30%饱和—天然含水率w>30%3、土的密实程度的划分①碎石土密实程度N63.5划分:②砂类土密实程度按标贯击数划分:③粉土密实程度按孔隙比e4、土的塑性状态、潮湿程度在钻孔中的表达方法附工程地质状图供参考,见下图:。
铁路工程地质钻探的岩心鉴定和描述一、土的分类(一)土的定名——按《铁路工程岩土分类标准》(TB10077-2001)执行1.漂石(块石)土:粒径大于20cm的颗粒超过总质量的50%2.卵石(碎石)土:粒径大于6cm的颗粒超过总质量的50%3.粗圆砾(角砾)土:粒径大于20mm的颗粒超过总质量的50%4.细圆砾(角砾)土:粒径大于2mm的颗粒超过总质量的50%5.砾砂土:粒径大于2mm的颗粒占总质量的25-50%6.粗砂土:粒径大于0.5mm的颗粒超过总质量的50%7.中砂土:粒径大于0.25mm的颗粒超过总质量的50%8.细砂土:粒径大于0.075mm的颗粒超过总质量的85%9.粉砂土:粒径大于0.075mm的颗粒超过总质量的50%10.粉土:塑性指数等于或小于10,且粒径大于0.075mm的颗粒的质量不超过全部质量的50%11.粉质黏土:粉粒小于黏粒,塑性指数10-1712.黏土:主要由黏粒组成,塑性指数大于17注:定名时应根据颗粒级配,由大到小,以最先符合者确定。
(二)、黏性土的分类及野外鉴别1.黏土:极细的均匀土块,搓捻无砂感,黏塑滑腻,易搓成细于0.5mm的长条2.粉质黏土:无均质感,搓捻时有砂感,塑性,弱黏结,能搓成比黏土较粗的短土条3.粉土:有干面似的感觉,砂粒少,粉粒多,潮湿时呈流体状,不能搓成土条、土球(三)、土的潮湿程度的划分——含漂(块)石土、卵(碎)石土、圆砾(角砾)土、砂土,分为稍湿、潮湿及饱和稍湿—呈松散状,手摸时感到潮,饱和度Sr≤50%潮湿—手捏时手上有湿印,Sr=50-80%饱和—空隙中的水可自由流出(地下水位以下),Sr>80%3、粉土潮湿程度的划分稍湿—天然含水率w<20%潮湿—天然含水率w=20-30%饱和—天然含水率w>30%(1)碎石类土及砂类土分为密实、中密、稍密、松散四类1.密实—钻进困难,给进震动厉害,孔内响动大,孔壁稳定,不易坍垮。
铁路工程地质钻孔的岩芯鉴定和描述一.土的分类和定名(一)、土的分类——按颗粒粒径大小1.漂石(块石)漂石(浑圆、圆棱)或块石(尖棱、次尖棱)粒径(mm)大d>800 中400<d≤800 小200<d≤400;2.卵石(碎石)卵石(浑圆、圆棱)或碎石(尖棱、次尖棱)粒径(mm)大60<d≤200 中40<d≤60 小20<d≤40;3. 圆砾(角砾)圆砾(浑圆、圆棱)或角砾(尖棱、次尖棱)粒径(mm)大10<d≤20 中5<d≤10 小2<d≤5;4. 砂粒砂粒粒径(mm)粗0.5<d≤2 中0.25<d≤0.5 细0.075<d≤0.255. 粉粒粒径(mm)0.005<d≤0.0756. 黏土粒粒径(mm)d<0.005(二)、土的定名——按《铁路工程岩土分类标准》(TB10077-2001)执行1.漂石(块石)土:粒径大于20cm的颗粒超过总质量的50%2.卵石(碎石)土:粒径大于2cm的颗粒超过总质量的50% 3.圆砾(角砾)土:粒径大于2mm的颗粒超过总质量的50% 4.砾砂土:粒径大于2mm的颗粒占总质量的25-50%5.粗砂土:粒径大于0.5mm的颗粒超过总质量的50%6.中砂土:粒径大于0.25mm的颗粒超过总质量的50%7.细砂土:粒径大于0.075mm的颗粒超过总质量的85%8.粉砂土:粒径大于0.075mm的颗粒超过总质量的50%9.粉土:塑性指数等于或小于10,且粒径大于0.075mm的颗粒的质量不超过全部质量的50%10.粉质黏土:粉粒小于黏粒,塑性指数10-1711.黏土:主要由黏粒组成,塑性指数大于17注:定名时应根据颗粒级配,由大到小,以最先符合者确定。
(三)、黏性土的分类及野外鉴别1.黏土:极细的均匀土块,搓捻无砂感,黏塑滑腻,易搓成细于0.5mm的长条2.粉质黏土:无均质感,搓捻时有砂感,塑性,弱黏结,能搓成比黏土较粗的短土条3.粉土:有干面似的感觉,砂粒少,粉粒多,潮湿时呈流体状,不能搓成土条、土球(四)、土的潮湿程度的划分1、黏性土——含粉质黏土、黏土,分为坚硬、硬塑、软塑、流塑2、砂性土——含漂(块)石土、卵(碎)石土、圆砾(角砾)土、砂土,分为稍湿、潮湿及饱和稍湿—呈松散状,手摸时感到潮,饱和度Sr 50%潮湿—手捏时手上有湿印,Sr=50-80%饱和—空隙中的水可自由流出(地下水位以下),Sr>80%3、粉土潮湿程度的划分稍湿—天然含水率w<20%潮湿—天然含水率w=20-30%饱和—天然含水率w>30%4、土的潮湿程度在钻孔中的表达方法黏性土砂性土、粉土、碎石类土坚硬稍湿硬塑、软塑潮湿流塑饱和(五)、土的密实程度的划分及在钻孔中的反映(1)碎石类土及砂类土分为密实、中密、稍密、松散四类1.密实—钻进困难,给进震动厉害,孔内响动大,孔壁稳定,不易坍垮。
地质勘察岩心鉴定和描述一.土的分类和定名(一)、土的分类——按颗粒粒径大小1.漂石(块石)漂石(浑圆、圆棱)或块石(尖棱、次尖棱)粒径(mm)大d>800 中400<d≤800 小200<d≤400;2.卵石(碎石)卵石(浑圆、圆棱)或碎石(尖棱、次尖棱)粒径(mm)大60<d≤200 中40<d≤60 小20<d≤40;3. 圆砾(角砾)圆砾(浑圆、圆棱)或角砾(尖棱、次尖棱)粒径(mm)大10<d≤20 中5<d≤10 小2<d≤5;4. 砂粒砂粒粒径(mm)粗0.5<d≤2 中0.25<d≤0.5 细0.075<d≤0.255. 粉粒粒径(mm)0.005<d≤0.0756. 黏土粒粒径(mm)d<0.005(二)、土的定名——按《铁路工程岩土分类标准》(TB10077-2001)执行1.漂石(块石)土:粒径大于20cm的颗粒超过总质量的50%2.卵石(碎石)土:粒径大于2cm的颗粒超过总质量的50%3.圆砾(角砾)土:粒径大于2mm的颗粒超过总质量的50%4.砾砂土:粒径大于2mm的颗粒占总质量的25-50%5.粗砂土:粒径大于0.5mm的颗粒超过总质量的50%6.中砂土:粒径大于0.25mm的颗粒超过总质量的50%7.细砂土:粒径大于0.075mm的颗粒超过总质量的85%8.粉砂土:粒径大于0.075mm的颗粒超过总质量的50%9.粉土:塑性指数等于或小于10,且粒径大于0.075mm的颗粒的质量不超过全部质量的50% 10.粉质黏土:粉粒小于黏粒,塑性指数10-1711.黏土:主要由黏粒组成,塑性指数大于17注:定名时应根据颗粒级配,由大到小,以最先符合者确定。
(三)、黏性土的分类及野外鉴别1.黏土:极细的均匀土块,搓捻无砂感,黏塑滑腻,易搓成细于0.5mm的长条2.粉质黏土:无均质感,搓捻时有砂感,塑性,弱黏结,能搓成比黏土较粗的短土条3.粉土:有干面似的感觉,砂粒少,粉粒多,潮湿时呈流体状,不能搓成土条、土球(四)、土的潮湿程度的划分——含漂(块)石土、卵(碎)石土、圆砾(角砾)土、砂土,分为稍湿、潮湿及饱和稍湿—呈松散状,手摸时感到潮,饱和度Sr 50%潮湿—手捏时手上有湿印,Sr=50-80%饱和—空隙中的水可自由流出(地下水位以下),Sr>80%3、粉土潮湿程度的划分稍湿—天然含水率w<20%潮湿—天然含水率w=20-30%饱和—天然含水率w>30%4、土的潮湿程度在钻孔中的表达方法黏性土砂性土、粉土、碎石类土坚硬稍湿硬塑、软塑潮湿流塑饱和(1)碎石类土及砂类土分为密实、中密、稍密、松散四类1.密实—钻进困难,给进震动厉害,孔内响动大,孔壁稳定,不易坍垮。
地质⼯程岩⼟分类及描述地质勘察岩⼼鉴定和描述⼀.⼟的分类和定名(⼀)、⼟的分类——按颗粒粒径⼤⼩1.漂⽯(块⽯)漂⽯(浑圆、圆棱)或块⽯(尖棱、次尖棱)粒径(mm)⼤d>800 中400<d≤800 ⼩200<d≤400;2.卵⽯(碎⽯)卵⽯(浑圆、圆棱)或碎⽯(尖棱、次尖棱)粒径(mm)⼤60<d≤200 中40<d≤60 ⼩20<d≤40;3. 圆砾(⾓砾)圆砾(浑圆、圆棱)或⾓砾(尖棱、次尖棱)粒径(mm)⼤10<d≤20 中5<d≤10 ⼩2<d≤5;4. 砂粒砂粒粒径(mm)粗0.5<d≤2 中0.25<d≤0.5 细0.075<d≤0.255. 粉粒粒径(mm)0.005<d≤0.0756. 黏⼟粒粒径(mm)d<0.005(⼆)、⼟的定名——按《铁路⼯程岩⼟分类标准》(TB10077-2001)执⾏1.漂⽯(块⽯)⼟:粒径⼤于20cm的颗粒超过总质量的50%2.卵⽯(碎⽯)⼟:粒径⼤于2cm的颗粒超过总质量的50%3.圆砾(⾓砾)⼟:粒径⼤于2mm的颗粒超过总质量的50%4.砾砂⼟:粒径⼤于2mm的颗粒占总质量的25-50%5.粗砂⼟:粒径⼤于0.5mm的颗粒超过总质量的50%6.中砂⼟:粒径⼤于0.25mm的颗粒超过总质量的50%7.细砂⼟:粒径⼤于0.075mm的颗粒超过总质量的85%8.粉砂⼟:粒径⼤于0.075mm的颗粒超过总质量的50%9.粉⼟:塑性指数等于或⼩于10,且粒径⼤于0.075mm的颗粒的质量不超过全部质量的50% 10.粉质黏⼟:粉粒⼩于黏粒,塑性指数10-1711.黏⼟:主要由黏粒组成,塑性指数⼤于17注:定名时应根据颗粒级配,由⼤到⼩,以最先符合者确定。
(三)、黏性⼟的分类及野外鉴别1.黏⼟:极细的均匀⼟块,搓捻⽆砂感,黏塑滑腻,易搓成细于0.5mm的长条2.粉质黏⼟:⽆均质感,搓捻时有砂感,塑性,弱黏结,能搓成⽐黏⼟较粗的短⼟条3.粉⼟:有⼲⾯似的感觉,砂粒少,粉粒多,潮湿时呈流体状,不能搓成⼟条、⼟球(四)、⼟的潮湿程度的划分——含漂(块)⽯⼟、卵(碎)⽯⼟、圆砾(⾓砾)⼟、砂⼟,分为稍湿、潮湿及饱和稍湿—呈松散状,⼿摸时感到潮,饱和度Sr 50%潮湿—⼿捏时⼿上有湿印,Sr=50-80%饱和—空隙中的⽔可⾃由流出(地下⽔位以下),Sr>80%3、粉⼟潮湿程度的划分稍湿—天然含⽔率w<20%潮湿—天然含⽔率w=20-30%饱和—天然含⽔率w>30%4、⼟的潮湿程度在钻孔中的表达⽅法黏性⼟砂性⼟、粉⼟、碎⽯类⼟坚硬稍湿硬塑、软塑潮湿流塑饱和(1)碎⽯类⼟及砂类⼟分为密实、中密、稍密、松散四类1.密实—钻进困难,给进震动厉害,孔内响动⼤,孔壁稳定,不易坍垮。
钻孔岩、煤芯分层鉴定和描述的规定(试行)东煤公司煤田地质局前言 (4)一、岩煤芯的分层规则 (5)二、第四系松散堆积物的鉴定和描述 (6)(一)关于使用碎屑颗粒的对数粒级的规定 (6)(二)松散堆积物的命名: (7)(三)松散堆积物的描述内容: (7)三、沉积岩的鉴定和描述 (8)(一)沉积岩的命名 (8)(二)沉积岩的描述内容 (11)四、煤层的鉴定和描述 (14)(一)煤的分类和煤层命名: (14)(二)肉眼煤岩类型的划分 (14)(三)煤的物理性质描述 (15)(四)煤层结构的描述 (15)五、岩浆岩的鉴定与描述 (16)(一)岩浆岩的分类及命名 (16)(二)变质岩的分类及命名 (18)(三)变质岩的描述内容 (18)六、地质构造现象的描述 (18)(一)产状及裂隙的测量和统计 (18)(二)断裂构造的描述 (18)(三)褶皱构造的描述 (21)(四)煤系、煤层被冲刷现象描述 (21)(五)接触关系的描述 (21)七、风氧化带的描述 (22)(一)分化壳的分带 (22)(二)各风化带的特征及描述 (23)(三)岩石强度的描述 (23)编后语 (24)钻孔岩、煤芯摄影工作的规定 (25)(试行) (25)一、岩煤芯摄影的地质要求 (25)二、岩芯摄影的技术要求 (26)三、岩芯摄影的管理和保存 (26)第一章概论 (29)第一节沉积岩的概念 (29)第二节沉积岩的命名原则 (31)第二章火山物源沉积岩 (32)概述 (32)第一节火山碎屑物质的类型与特征 (33)第二节火山物源沉积岩的分类命名 (35)第三节主要岩石类型 (40)第四节沉积火山碎屑岩类 (42)第三章陆源沉积岩 (43)概述 (43)第一节陆源沉积岩的成分特征 (43)第二节陆源沉积岩的分类和命名 (45)第三节砾岩和角砾岩 (46)第四节砂岩 (47)第五节粉砂岩 (52)第六节泥质岩(粘土岩) (54)第四章内源沉积岩 (58)概述 (58)第一节铝质岩 (58)第二节铁质岩 (61)第三节锰质岩 (63)第四节硅质岩 (65)第五节磷质岩 (67)第六节碳酸盐岩 (70)第七节铜质岩 (79)第八节海绿石质岩 (80)第九节蒸发岩 (81)第五章生物源沉积岩 (83)前言钻机地质员一定要严肃认真、实事求是的做好煤芯的分层、鉴定和描述工作,必须按着统一的地质编录规格,严格执行各项质量标准、制度,做到原始资料完整、准确、及时。
铁路工程地质钻孔的岩心鉴定和描述一.土的分类和定名(一)、土的分类——按颗粒粒径大小1.漂石(块石)漂石(浑圆、圆棱)或块石(尖棱、次尖棱)粒径(mm)大d>800中400<d≤800小200<d≤400;2.卵石(碎石)卵石(浑圆、圆棱)或碎石(尖棱、次尖棱)粒径(mm)大60<d≤200中40<d≤60小20<d≤40;3.圆砾(角砾)圆砾(浑圆、圆棱)或角砾(尖棱、次尖棱)粒径(mm)大10<d≤20中5<d≤10小2<d≤5;4.砂粒砂粒粒径(mm)粗0.5<d≤2中0.25<d≤0.5细0.075<d≤0.255.粉粒粒径(mm)0.005<d≤0.0756.黏土粒粒径(mm)d<0.005(二)、土的定名——按《铁路工程岩土分类标准》(TB10077-2001)执行1.漂石(块石)土:粒径大于20cm的颗粒超过总质量的50%2.卵石(碎石)土:粒径大于2cm的颗粒超过总质量的50%3.圆砾(角砾)土:粒径大于2mm的颗粒超过总质量的50%4.砾砂土:粒径大于2mm的颗粒占总质量的25-50%5.粗砂土:粒径大于0.5mm的颗粒超过总质量的50%6.中砂土:粒径大于0.25mm的颗粒超过总质量的50%7.细砂土:粒径大于0.075mm的颗粒超过总质量的85%8.粉砂土:粒径大于0.075mm的颗粒超过总质量的50%9.粉土:塑性指数等于或小于10,且粒径大于0.075mm的颗粒的质量不超过全部质量的50%10.粉质黏土:粉粒小于黏粒,塑性指数10-1711.黏土:主要由黏粒组成,塑性指数大于17注:定名时应根据颗粒级配,由大到小,以最先符合者确定。
(三)、黏性土的分类及野外鉴别1.黏土:极细的均匀土块,搓捻无砂感,黏塑滑腻,易搓成细于0.5mm的长条2.粉质黏土:无均质感,搓捻时有砂感,塑性,弱黏结,能搓成比黏土较粗的短土条3.粉土:有干面似的感觉,砂粒少,粉粒多,潮湿时呈流体状,不能搓成土条、土球(四)、土的潮湿程度的划分1、黏性土——含粉质黏土、黏土,分为坚硬、硬塑、软塑、流塑2、砂性土——含漂(块)石土、卵(碎)石土、圆砾(角砾)土、砂土,分为稍湿、潮湿及饱和稍湿—呈松散状,手摸时感到潮,饱和度Sr 50%潮湿—手捏时手上有湿印,Sr=50-80%饱和—空隙中的水可自由流出(地下水位以下),Sr>80%3、粉土潮湿程度的划分稍湿—天然含水率w<20%潮湿—天然含水率w=20-30%饱和—天然含水率w>30%4、土的潮湿程度在钻孔中的表达方法黏性土砂性土、粉土、碎石类土坚硬稍湿硬塑、软塑潮湿流塑饱和(五)、土的密实程度的划分及在钻孔中的反映(1)碎石类土及砂类土分为密实、中密、稍密、松散四类1.密实—钻进困难,给进震动厉害,孔内响动大,孔壁稳定,不易坍垮。
地质勘察岩心鉴定和描述一.土的分类和定名(一)、土的分类——按颗粒粒径大小1.漂石(块石)漂石(浑圆、圆棱)或块石(尖棱、次尖棱)粒径(mm)大d>800 中400<d≤800 小200<d≤400;2.卵石(碎石)卵石(浑圆、圆棱)或碎石(尖棱、次尖棱)粒径(mm)大60<d≤200 中40<d≤60 小20<d≤40;3. 圆砾(角砾)圆砾(浑圆、圆棱)或角砾(尖棱、次尖棱)粒径(mm)大10<d≤20 中5<d≤10 小2<d≤5;4. 砂粒砂粒粒径(mm)粗0.5<d≤2 中0.25<d≤0.5 细0.075<d≤0.255. 粉粒粒径(mm)0.005<d≤0.0756. 黏土粒粒径(mm)d<0.005(二)、土的定名——按《铁路工程岩土分类标准》(TB10077-2001)执行1.漂石(块石)土:粒径大于20cm的颗粒超过总质量的50%2.卵石(碎石)土:粒径大于2cm的颗粒超过总质量的50%3.圆砾(角砾)土:粒径大于2mm的颗粒超过总质量的50%4.砾砂土:粒径大于2mm的颗粒占总质量的25-50%5.粗砂土:粒径大于0.5mm的颗粒超过总质量的50%6.中砂土:粒径大于0.25mm的颗粒超过总质量的50%7.细砂土:粒径大于0.075mm的颗粒超过总质量的85%8.粉砂土:粒径大于0.075mm的颗粒超过总质量的50%9.粉土:塑性指数等于或小于10,且粒径大于0.075mm的颗粒的质量不超过全部质量的50% 10.粉质黏土:粉粒小于黏粒,塑性指数10-1711.黏土:主要由黏粒组成,塑性指数大于17注:定名时应根据颗粒级配,由大到小,以最先符合者确定。
(三)、黏性土的分类及野外鉴别1.黏土:极细的均匀土块,搓捻无砂感,黏塑滑腻,易搓成细于0.5mm的长条2.粉质黏土:无均质感,搓捻时有砂感,塑性,弱黏结,能搓成比黏土较粗的短土条3.粉土:有干面似的感觉,砂粒少,粉粒多,潮湿时呈流体状,不能搓成土条、土球(四)、土的潮湿程度的划分——含漂(块)石土、卵(碎)石土、圆砾(角砾)土、砂土,分为稍湿、潮湿及饱和稍湿—呈松散状,手摸时感到潮,饱和度Sr 50%潮湿—手捏时手上有湿印,Sr=50-80%饱和—空隙中的水可自由流出(地下水位以下),Sr>80%3、粉土潮湿程度的划分稍湿—天然含水率w<20%潮湿—天然含水率w=20-30%饱和—天然含水率w>30%4、土的潮湿程度在钻孔中的表达方法黏性土砂性土、粉土、碎石类土坚硬稍湿硬塑、软塑潮湿流塑饱和(1)碎石类土及砂类土分为密实、中密、稍密、松散四类1.密实—钻进困难,给进震动厉害,孔内响动大,孔壁稳定,不易坍垮。
工程地质岩心的鉴定和描述公司内部档案编码:[OPPTR-OPPT28-OPPTL98-OPPNN08]铁路工程地质钻孔的岩心鉴定和描述一.土的分类和定名(一)、土的分类——按颗粒粒径大小(二)、土的定名——按《铁路工程岩土分类标准》(TB10077-2001)执行1.漂石(块石)土:粒径大于20cm的颗粒超过总质量的50% 2.卵石(碎石)土:粒径大于2cm的颗粒超过总质量的50% 3.圆砾(角砾)土:粒径大于2mm的颗粒超过总质量的50% 4.砾砂土:粒径大于2mm的颗粒占总质量的25-50%5.粗砂土:粒径大于0.5mm的颗粒超过总质量的50%6.中砂土:粒径大于0.25mm的颗粒超过总质量的50%7.细砂土:粒径大于0.075mm的颗粒超过总质量的85%8.粉砂土:粒径大于0.075mm的颗粒超过总质量的50%9.粉土:塑性指数等于或小于10,且粒径大于0.075mm的颗粒的质量不超过全部质量的50%10.粉质黏土:粉粒小于黏粒,塑性指数10-1711.黏土:主要由黏粒组成,塑性指数大于17注:定名时应根据颗粒级配,由大到小,以最先符合者确定。
(三)、黏性土的分类及野外鉴别1.黏土:极细的均匀土块,搓捻无砂感,黏塑滑腻,易搓成细于0.5mm的长条2.粉质黏土:无均质感,搓捻时有砂感,塑性,弱黏结,能搓成比黏土较粗的短土条3.粉土:有干面似的感觉,砂粒少,粉粒多,潮湿时呈流体状,不能搓成土条、土球(四)、土的潮湿和塑性程度的划分1、黏性土——含粉质黏土、黏土,分为坚硬、硬塑、软塑、流塑2、砂性土的潮湿程度的划分——含漂(块)石土、卵(碎)石土、圆砾(角砾)土、砂土,分为稍湿、潮湿及饱和稍湿—呈松散状,手摸时感到潮,饱和度Sr50%潮湿—手捏时手上有湿印,Sr=50-80%饱和—空隙中的水可自由流出(地下水位以下),Sr>80%3、粉土潮湿程度的划分稍湿—天然含水率w<20%潮湿—天然含水率w=20-30%饱和—天然含水率w>30%4、土的潮湿程度在钻孔中的表达方法黏性土砂性土、粉土、碎石类土坚硬稍湿硬塑、软塑潮湿流塑饱和(五)、土的密实程度的划分及在钻孔中的反映(1)碎石类土及砂类土分为密实、中密、稍密、松散四类1.密实—钻进困难,给进震动厉害,孔内响动大,孔壁稳定,不易坍垮。
铁路工程地质钻探的岩心鉴定和描述一、土的分类(一)土的定名——按《铁路工程岩土分类标准》(TB10077-2001)执行1.漂石(块石)土:粒径大于20cm的颗粒超过总质量的50%2.卵石(碎石)土:粒径大于6cm的颗粒超过总质量的50%3.粗圆砾(角砾)土:粒径大于20mm的颗粒超过总质量的50%4.细圆砾(角砾)土:粒径大于2mm的颗粒超过总质量的50%5.砾砂土:粒径大于2mm的颗粒占总质量的25-50%6.粗砂土:粒径大于0.5mm的颗粒超过总质量的50%7.中砂土:粒径大于0.25mm的颗粒超过总质量的50%8.细砂土:粒径大于0.075mm的颗粒超过总质量的85%9.粉砂土:粒径大于0.075mm的颗粒超过总质量的50%10.粉土:塑性指数等于或小于10,且粒径大于0.075mm的颗粒的质量不超过全部质量的50%11.粉质黏土:粉粒小于黏粒,塑性指数10-1712.黏土:主要由黏粒组成,塑性指数大于17注:定名时应根据颗粒级配,由大到小,以最先符合者确定。
(二)、黏性土的分类及野外鉴别1.黏土:极细的均匀土块,搓捻无砂感,黏塑滑腻,易搓成细于0.5mm的长条2.粉质黏土:无均质感,搓捻时有砂感,塑性,弱黏结,能搓成比黏土较粗的短土条3.粉土:有干面似的感觉,砂粒少,粉粒多,潮湿时呈流体状,不能搓成土条、土球(三)、土的潮湿程度的划分1、黏性土——含粉质黏土、黏土,分为坚硬、硬塑、软塑、流塑——含漂(块)石土、卵(碎)石土、圆砾(角砾)土、砂土,分为稍湿、潮湿及饱和稍湿—呈松散状,手摸时感到潮,饱和度Sr 50%潮湿—手捏时手上有湿印,Sr=50-80%饱和—空隙中的水可自由流出(地下水位以下),Sr>80%3、粉土潮湿程度的划分稍湿—天然含水率w<20%潮湿—天然含水率w=20-30%饱和—天然含水率w>30%(1)碎石类土及砂类土分为密实、中密、稍密、松散四类1.密实—钻进困难,给进震动厉害,孔内响动大,孔壁稳定,不易坍垮。
工程地质钻孔的岩心鉴定和描述一.土的分类和定名(一)、土的分类——按颗粒粒径大小1.漂石(块石)漂石(浑圆、圆棱)或块石(尖棱、次尖棱)粒径(mm)大d>800 中400<d≤800 小200<d≤400;2.卵石(碎石)卵石(浑圆、圆棱)或碎石(尖棱、次尖棱)粒径(mm)大60<d≤200 中40<d≤60 小20<d≤40;3. 圆砾(角砾)圆砾(浑圆、圆棱)或角砾(尖棱、次尖棱)粒径(mm)大10<d≤20 中5<d≤10 小2<d≤5;4. 砂粒砂粒粒径(mm)粗0.5<d≤2 中0.25<d≤0.5 细0.075<d≤0.255. 粉粒粒径(mm)0.005<d≤0.0756. 黏土粒粒径(mm)d<0.005(二)、土的定名——按《铁路工程岩土分类标准》(TB10077-2001)执行1.漂石(块石)土:粒径大于20cm的颗粒超过总质量的50%2.卵石(碎石)土:粒径大于2cm的颗粒超过总质量的50%3.圆砾(角砾)土:粒径大于2mm的颗粒超过总质量的50%4.砾砂土:粒径大于2mm的颗粒占总质量的25-50%5.粗砂土:粒径大于0.5mm的颗粒超过总质量的50%6.中砂土:粒径大于0.25mm的颗粒超过总质量的50%7.细砂土:粒径大于0.075mm的颗粒超过总质量的85%8.粉砂土:粒径大于0.075mm的颗粒超过总质量的50%9.粉土:塑性指数等于或小于10,且粒径大于0.075mm的颗粒的质量不超过全部质量的50%10.粉质黏土:粉粒小于黏粒,塑性指数10-1711.黏土:主要由黏粒组成,塑性指数大于17注:定名时应根据颗粒级配,由大到小,以最先符合者确定。
(三)、黏性土的分类及野外鉴别1.黏土:极细的均匀土块,搓捻无砂感,黏塑滑腻,易搓成细于0.5mm的长条2.粉质黏土:无均质感,搓捻时有砂感,塑性,弱黏结,能搓成比黏土较粗的短土条3.粉土:有干面似的感觉,砂粒少,粉粒多,潮湿时呈流体状,不能搓成土条、土球(四)、土的潮湿程度的划分1、黏性土——含粉质黏土、黏土,分为坚硬、硬塑、软塑、流塑2、砂性土——含漂(块)石土、卵(碎)石土、圆砾(角砾)土、砂土,分为稍湿、潮湿及饱和稍湿—呈松散状,手摸时感到潮,饱和度Sr 50%潮湿—手捏时手上有湿印,Sr=50-80%饱和—空隙中的水可自由流出(地下水位以下),Sr>80%3、粉土潮湿程度的划分稍湿—天然含水率w<20%潮湿—天然含水率w=20-30%饱和—天然含水率w>30%4、土的潮湿程度在钻孔中的表达方法黏性土砂性土、粉土、碎石类土(1)碎石类土及砂类土分为密实、中密、稍密、松散四类1.密实—钻进困难,给进震动厉害,孔内响动大,孔壁稳定,不易坍垮。
地质勘察岩心鉴定和描述一.土的分类和定名(一)、土的分类——按颗粒粒径大小1.漂石(块石)漂石(浑圆、圆棱)或块石(尖棱、次尖棱)粒径(mm)大d>800 中400<d≤800 小200<d≤400;2.卵石(碎石)卵石(浑圆、圆棱)或碎石(尖棱、次尖棱)粒径(mm)大60<d≤200 中40<d≤60 小20<d≤40;3. 圆砾(角砾)圆砾(浑圆、圆棱)或角砾(尖棱、次尖棱)粒径(mm)大10<d≤20 中5<d≤10 小2<d≤5;4. 砂粒砂粒粒径(mm)粗0.5<d≤2 中0.25<d≤0.5 细0.075<d≤0.255. 粉粒粒径(mm)0.005<d≤0.0756. 黏土粒粒径(mm)d<0.005(二)、土的定名——按《铁路工程岩土分类标准》(TB10077-2001)执行1.漂石(块石)土:粒径大于20cm的颗粒超过总质量的50%2.卵石(碎石)土:粒径大于2cm的颗粒超过总质量的50%3.圆砾(角砾)土:粒径大于2mm的颗粒超过总质量的50%4.砾砂土:粒径大于2mm的颗粒占总质量的25-50%5.粗砂土:粒径大于0.5mm的颗粒超过总质量的50%6.中砂土:粒径大于0.25mm的颗粒超过总质量的50%7.细砂土:粒径大于0.075mm的颗粒超过总质量的85%8.粉砂土:粒径大于0.075mm的颗粒超过总质量的50%9.粉土:塑性指数等于或小于10,且粒径大于0.075mm的颗粒的质量不超过全部质量的50% 10.粉质黏土:粉粒小于黏粒,塑性指数10-1711.黏土:主要由黏粒组成,塑性指数大于17注:定名时应根据颗粒级配,由大到小,以最先符合者确定。
(三)、黏性土的分类及野外鉴别1.黏土:极细的均匀土块,搓捻无砂感,黏塑滑腻,易搓成细于0.5mm的长条2.粉质黏土:无均质感,搓捻时有砂感,塑性,弱黏结,能搓成比黏土较粗的短土条3.粉土:有干面似的感觉,砂粒少,粉粒多,潮湿时呈流体状,不能搓成土条、土球(四)、土的潮湿程度的划分——含漂(块)石土、卵(碎)石土、圆砾(角砾)土、砂土,分为稍湿、潮湿及饱和稍湿—呈松散状,手摸时感到潮,饱和度Sr 50%潮湿—手捏时手上有湿印,Sr=50-80%饱和—空隙中的水可自由流出(地下水位以下),Sr>80%3、粉土潮湿程度的划分稍湿—天然含水率w<20%潮湿—天然含水率w=20-30%饱和—天然含水率w>30%4、土的潮湿程度在钻孔中的表达方法黏性土砂性土、粉土、碎石类土坚硬稍湿硬塑、软塑潮湿流塑饱和(1)碎石类土及砂类土分为密实、中密、稍密、松散四类1.密实—钻进困难,给进震动厉害,孔内响动大,孔壁稳定,不易坍垮。
铁路工程地质钻孔的岩心鉴定和描述一.土的分类和定名(一)、土的分类——按颗粒粒径大小1.漂石(块石)漂石(浑圆、圆棱)或块石(尖棱、次尖棱)粒径(mm)大d>800 中400<d≤800 小200<d≤400;2.卵石(碎石)卵石(浑圆、圆棱)或碎石(尖棱、次尖棱)粒径(mm)3. 圆砾(角砾)分粗圆砾(角砾)、细圆砾(角砾)圆砾(浑圆、圆棱)或角砾(尖棱、次尖棱)粒径(mm)2<细圆砾(角砾)≤20 20<粗圆砾(角砾)≤604. 砂粒砂粒粒径(mm)粗0.5<d≤2 中0.25<d≤0.5 细0.075<d≤0.255. 粉粒粒径(mm)0.005<d≤0.0756. 黏土粒粒径(mm)d<0.005(二)、土的定名——按《铁路工程岩土分类标准》(TB10077-2001)执行1.漂石(块石)土:粒径大于20cm的颗粒超过总质量的50%2.卵石(碎石)土:粒径大于6cm的颗粒超过总质量的50%3.粗圆砾(角砾)土:粒径大于2cm的颗粒超过总质量的50%4.细圆砾(角砾)土:粒径大于2mm的颗粒超过总质量的50%5.砾砂土:粒径大于2mm的颗粒占总质量的25-50%6.粗砂土:粒径大于0.5mm的颗粒超过总质量的50%7.中砂土:粒径大于0.25mm的颗粒超过总质量的50%8.细砂土:粒径大于0.075mm的颗粒超过总质量的85%9.粉砂土:粒径大于0.075mm的颗粒超过总质量的50%10.粉土:塑性指数等于或小于10,且粒径大于0.075mm的颗粒的质量不超过全部质量的50%11.粉质黏土:粉粒小于黏粒,塑性指数10-1712.黏土:主要由黏粒组成,塑性指数大于17注:定名时应根据颗粒级配,由大到小,以最先符合者确定。
(三)、黏性土的分类及野外鉴别1.黏土:极细的均匀土块,搓捻无砂感,黏塑滑腻,易搓成细于0.5mm的长条2.粉质黏土:无均质感,搓捻时有砂感,塑性,弱黏结,能搓成比黏土较粗的短土条3.粉土:有干面似的感觉,砂粒少,粉粒多,潮湿时呈流体状,不能搓成土条、土球(四)、土的潮湿程度的划分1、黏性土——含粉质黏土、黏土,分为坚硬、硬塑、软塑、流塑2、砂性土——含漂(块)石土、卵(碎)石土、圆砾(角砾)土、砂土,分为稍湿、潮湿及饱和稍湿—呈松散状,手摸时感到潮,饱和度Sr 50%潮湿—手捏时手上有湿印,Sr=50-80%饱和—空隙中的水可自由流出(地下水位以下),Sr>80%3、粉土潮湿程度的划分稍湿—天然含水率w<20%潮湿—天然含水率w=20-30%饱和—天然含水率w>30%4、土的潮湿程度在钻孔中的表达方法黏性土砂性土、粉土、碎石类土坚硬稍湿硬塑、软塑潮湿流塑饱和(五)、土的密实程度的划分及在钻孔中的反映(1)碎石类土及砂类土分为密实、中密、稍密、松散四类1.密实—钻进困难,给进震动厉害,孔内响动大,孔壁稳定,不易坍垮。
铁路工程地质钻孔的岩心鉴定和描述一.土类岩心的鉴定和描述(一)黏性土、粉土岩心的鉴定和描述1.土的名称:黏性土类的黏土(塑性指数Ip<17)、粉质黏土(塑性指数10<Ip≤17)和粉土(塑性指数Ip≤10,且粒径∮>0.075mm颗粒的质量不超过全部质量的50%的土)等;2.土的颜色:一般为复色,次色在前,主色在后;3.黏性土的塑性状态、粉土的潮湿状态,成层性,质地强度:黏性土的塑性状态分为坚硬(液性指数IL≤0),硬塑(液性指数0<IL≤0.5),软塑(液性指数0.5<IL≤1),流塑(液性指数IL>1);粉土的潮湿程度分为稍湿(天然含水率w<20%),潮湿(天然含水率20%≤w≤30%),饱和(w<30%);粉土的密实程度按孔隙比(e)分为密实(e<0.75),中密(0.75≤e≤0.9),稍密(e>0.9),4.夹杂物:成分,含量百分比,粒径,形状等;无夹杂物则描述土质均一或质纯;5.其它:如搓条,滑腻感,斑纹,干裂,虫孔,嗅味等。
(二)砂类土岩心的鉴定和描述1.土的名称:砾砂(∮>2mm的颗粒质量占总质量的25~50%),粗砂(∮>0.5mm的颗粒质量占总质量的50%),中砂(∮>0.25mm的颗粒质量占总质量的50%),细砂(∮>0.075mm的颗粒质量占总质量的85%),粉砂(∮>0.075mm的颗粒质量占总质量的5 0%);2.土的颜色:一般为复色,次色在前,主色在后;3.潮湿程度:根据砂类土的饱和度Sr划分,稍湿(Sr≤50%),潮湿(50%<Sr≤80%),饱和(Sr>80%);4.密实程度:砂类土密实程度按标准贯入锤击数N或相对密度Dr划分,密实(N>30),中密(15<N≤30),稍密(10<N≤15),松散(N≤10);5.颗粒成分及其含量百分比;6.颗粒大小,形状及级配情况(均匀性);7.夹杂物及其百分比:如砾石、黏性土、腐植物等;(三)碎石类(碎、块、卵、漂石;圆砾、角砾)土岩心的鉴定和描述1.土的名称:卵石土,碎块石,漂石土,块石土,圆砾土,角砾土等;2.土的颜色:一般为复色,次色在前,主色在后;3.潮湿程度:根据砂类土的饱和度Sr划分,稍湿(Sr≤50%),潮湿(50%<Sr≤80%),饱和(Sr>80%);4.密实程度:密实,中密,稍密,松散5.颗粒成分及其含量:石质与土质名称,各占含量百分比;6.颗粒形状及大小:指碎石类土中石质块体的磨圆度(分浑圆,圆棱,次尖棱,尖棱状)及块径尺寸等;7.颗粒级配及分布情况:指颗粒有无排列和分布规律,颗粒的均匀性,分选性,分布呈层状或透镜状、尖灭状等;8.颗粒的风化程度:全风化(W4),强风化(W3),弱风化(W2),微风化(W1)等;9.夹杂物及其含量:如黏粒,砂,树皮草根,腐木,结核等及其含量;对成韵律沉积的土层,当薄层与厚层厚度之比为1/10~1/3时,宜定名为“夹层”,厚层的土名写在前面,如黏土夹粉砂层;当厚度之比大于1/3时,宜定名为“互层”,如黏土与粉砂互层;当厚度之比小于1/10,且有规律多次出现时,宜定名为“夹薄层”,如黏土夹薄层粉砂。
地质勘察岩心鉴定和描述
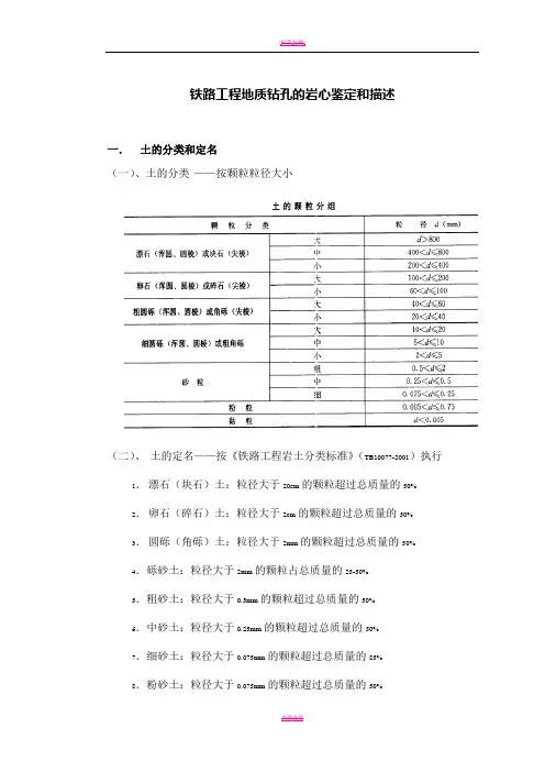
一.土的分类和定名
(一)、土的分类——按颗粒粒径大小
1.漂石(块石)
漂石(浑圆、圆棱)或块石(尖棱、次尖棱)粒径(mm)
大d>800 中400<d≤800 小200<d≤400;
2.卵石(碎石)
卵石(浑圆、圆棱)或碎石(尖棱、次尖棱)粒径(mm)
大60<d≤200 中40<d≤60 小20<d≤40;
3. 圆砾(角砾)
圆砾(浑圆、圆棱)或角砾(尖棱、次尖棱)粒径(mm)
大10<d≤20 中5<d≤10 小2<d≤5;
4. 砂粒
砂粒粒径(mm)粗0.5<d≤2 中0.25<d≤0.5 细0.075<d≤0.25
5. 粉粒粒径(mm)0.005<d≤0.075
6. 黏土粒粒径(mm)d<0.005
(二)、土的定名
——按《铁路工程岩土分类标准》(TB10077-2001)执行
1.漂石(块石)土:粒径大于20cm的颗粒超过总质量的50%
2.卵石(碎石)土:粒径大于2cm的颗粒超过总质量的50%
3.圆砾(角砾)土:粒径大于2mm的颗粒超过总质量的50%
4.砾砂土:粒径大于2mm的颗粒占总质量的25-50%
5.粗砂土:粒径大于0.5mm的颗粒超过总质量的50%
6.中砂土:粒径大于0.25mm的颗粒超过总质量的50%
7.细砂土:粒径大于0.075mm的颗粒超过总质量的85%
8.粉砂土:粒径大于0.075mm的颗粒超过总质量的50%
9.粉土:塑性指数等于或小于10,且粒径大于0.075mm的颗粒的质量不超过全部质量的50% 10.粉质黏土:粉粒小于黏粒,塑性指数10-17
11.黏土:主要由黏粒组成,塑性指数大于17
注:定名时应根据颗粒级配,由大到小,以最先符合者确定。
(三)、黏性土的分类及野外鉴别
1.黏土:极细的均匀土块,搓捻无砂感,黏塑滑腻,易搓成细于0.5mm的长条
2.粉质黏土:无均质感,搓捻时有砂感,塑性,弱黏结,能搓成比黏土较粗的短土条
3.粉土:有干面似的感觉,砂粒少,粉粒多,潮湿时呈流体状,不能搓成土条、土球(四)、土的潮湿程度的划分
——含漂(块)石土、卵(碎)石土、圆砾(角砾)土、砂土,分为稍湿、潮湿及饱和
稍湿—呈松散状,手摸时感到潮,饱和度Sr 50%
潮湿—手捏时手上有湿印,Sr=50-80%
饱和—空隙中的水可自由流出(地下水位以下),Sr>80%
3、粉土潮湿程度的划分
稍湿—天然含水率w<20%
潮湿—天然含水率w=20-30%
饱和—天然含水率w>30%
4、土的潮湿程度在钻孔中的表达方法
黏性土砂性土、粉土、碎石类土
坚硬稍湿
硬塑、软塑潮湿
流塑饱和
(1)碎石类土及砂类土分为密实、中密、稍密、松散四类
1.密实—钻进困难,给进震动厉害,孔内响动大,孔壁稳定,不易坍垮。
2.中密—钻进较困难,给进震动不剧烈,孔壁常有坍塌现象,需跟管钻进。
3.稍密—钻进较困难,给进震动剧烈,孔壁较易坍塌,需跟管钻进。
4.松散—钻进较容易,给进稍有震动,孔壁严重坍塌,必须跟管钻进。
(2)粉土的密实程度按孔隙比(e)分为:
密实(e<0.75),中密(0.75≤e≤0.9),稍密(e>0.9)
注:无“松散”之描述法。
二.土类岩心的鉴定和描述
(一)黏性土、粉土岩心的鉴定和描述
1.土的名称:黏性土类的黏土(塑性指数I p<17=、粉质黏土(塑性指数10<I p≤17=和粉土(塑性指数I p≤10,且粒径Φ>0.075mm颗粒的质量不超过全部质量的50%的土)等;
2.土的颜色:一般为复色,次色在前,主色在后;
3.黏性土的塑性状态、粉土的潮湿状态,成层性,质地强度:
黏性土的塑性状态分为坚硬(液性指数I L≤0),硬塑(液性指数0<I L≤0.5),软塑(液性指数0.5<I L≤1),流塑 (液性指数I L>1);
粉土的潮湿程度分为稍湿(天然含水率w<20%),潮湿(天然含水率20%≤w≤30%),饱和(w
<30%);粉土的密实程度按孔隙比(e)分为密实(e<0.75),中密(0.75≤e≤0.9),稍密(e>0.9),
4.夹杂物:成分,含量百分比,粒径,形状等;无夹杂物则描述土质均一或质纯;
5.其它:如搓条,滑腻感,斑纹,干裂,虫孔,嗅味等。
(二)砂类土岩心的鉴定和描述
1.土的名称:砾砂(Φ>2mm的颗粒质量占总质量的25~50%),粗砂(Φ>0.5mm的颗粒质量占总质量的50%),中砂(Φ>0.25mm的颗粒质量占总质量的50%),细砂(Φ>0.075mm的颗粒质量占总质量的85%),粉砂(Φ>0.075mm的颗粒质量占总质量的50%);
2.土的颜色:一般为复色,次色在前,主色在后;
3.潮湿程度:根据砂类土的饱和度S r划分,稍湿(S r≤50%),潮湿(50%<S r≤80%),饱和(S r >80%);
4.密实程度:砂类土密实程度按标准贯入锤击数N或相对密度Dr划分,密实(N>30),中密(15<N≤30),稍密(10<N≤15),松散(N≤10);
5.颗粒成分及其含量百分比;
6.颗粒大小,形状及级配情况(均匀性);
7.夹杂物及其百分比:如砾石、黏性土、腐植物等;
(三)碎石类(碎、块、卵、漂石;圆砾、角砾)土岩心的鉴定和描述
1.土的名称:卵石土,碎块石,漂石土,块石土,圆砾土,角砾土等;
2.土的颜色:一般为复色,次色在前,主色在后;
3.潮湿程度:根据砂类土的饱和度S r划分,稍湿(S r≤50%),潮湿(50%<S r≤80%),饱和(S r>80%);
4.密实程度:密实,中密,稍密,松散
5.颗粒成分及其含量:石质与土质名称,各占含量百分比;
6.颗粒形状及大小:指碎石类土中石质块体的磨圆度(分浑圆,圆棱,次尖棱,尖棱状)及块径尺寸等;
7.颗粒级配及分布情况:指颗粒有无排列和分布规律,颗粒的均匀性,分选性,分布呈层状或透镜状、尖灭状等;
8.颗粒的风化程度:全风化(W4),强风化(W3),弱风化(W2),微风化(W1)等;
9.夹杂物及其含量:如黏粒,砂,树皮草根,腐木,结核等及其含量;
对成韵律沉积的土层,当薄层与厚层厚度之比为1/10~1/3时,宜定名为“夹层”,厚层的土名写在前面,如黏土夹粉砂层;当厚度之比大于1/3时,宜定名为“互层”,如黏土与粉砂互层;当厚度之比小于1/10,且有规律多次出现时,宜定名为“夹薄层”,如黏土夹薄层粉砂。
(四)软土
软土的判定:天然孔隙比大于或等于 1.0,天然含水率大于或等于液限,压缩系数大于或等于0.5MPa-1,不排水抗剪强度小于30kPa的黏性土,应判定为软土。
软土一般含有机质,具有压缩性高,强度低灵敏度高和排水固结缓慢的特点。
软土的结构扰动后,强度有很大降低。
软土按物理力学性质的分类,其静力触探比贯入阻力P S为小于800kPa,标准贯入试验锤击数N<2~4击;分类为:软黏性土(天然孔隙比e≥1.0,有机质含量W u<3%);淤泥质土和淤泥(有机质含量均为3≤W u<10,淤泥质土天然孔隙比1.0≤e≤1.5;淤泥e>1.5);泥炭质土(有机质含量10≤W u≤60,e>3);泥炭(W u>60,e>10)等五类。
另:根据《高速铁路暂规》静力触探比贯入阻力P S值为800~1200 kPa时,定名为松软土,厚度大于2m时,须单独划分出来。
三.岩层岩心的的鉴定和描述
各类岩石的岩心按如下项目和顺序进行描述。
1.岩石名称:判定是什么岩石;
2.颜色:一般描述岩石新鲜面颜色及风化后的颜色,可用单色或主次色描述,(如灰白色);
3.矿物成分:主要矿物及次要矿物,以及各自的含量百分比;碎屑沉积岩要描述碎屑成分,胶结物(泥质,钙质、铁质、硅质)等;
4.结构与构造:如岩浆岩矿物的颗粒大小,形状,排列方式(如块状);沉积岩的颗粒大小,形状,层厚(如巨厚层),层理,层理倾角,层面特征,胶结物类型,泥质结构,生物结构,化学结构;变质岩的颗粒大小,形状(如眼球状构造),片理等;。