锅炉型号含义
- 格式:doc
- 大小:228.50 KB
- 文档页数:5
锅炉型号和参数的具体含义
在日常监察工作中,经常会碰到锅炉的检查,也曾经被各种各样的型号弄得头晕脑涨的,为此特地在网上搜集了些锅炉的资料,供大家分享:
目前市面上的工业锅炉分为三大类;蒸汽锅炉、热水锅炉、有机热载体炉。
一、蒸汽锅炉型号由三部分组成,各部分之间由短横线相连
注释:1—锅炉型式 2—燃烧方式 3—额定蒸发量(t/h)
4—额定蒸汽压力 5—过热蒸汽温度 6—燃料种类
二、热水锅炉型号由三部分组成,各部分之间由短横线相连
注释:1—锅炉型式 2—燃烧方式 3—额定热功率(MW)
4—允许工作压力(MPa) 5—出/进水水温 6—燃料种类
其中锅炉形式的代号
其中燃烧方式的代号
其中燃烧种类的代号(一)
其中燃烧种类代号(二)
三、有机热载体炉分为液相炉和气相炉,型号由二部分组成,各部分之间由短横线相连
注释:1—炉型号代号 2—燃烧设备代号 3—炉体安置型式代号
4—额定热功率(KW) 5—燃料代号
其中炉型号代号
其中燃烧设备代号
其中炉体安置型式代号。
锅炉型号代号的意义解释工业锅炉分为四大类;蒸汽锅炉、热水锅炉、汽水两用型、有机热载体导热油炉。
蒸汽锅炉按燃烧介质的不同分为燃煤蒸汽锅炉,燃油蒸汽锅炉,电加热蒸汽锅炉及其它;热水锅炉按燃烧介质分为燃煤热水锅炉,燃油热水锅炉,电热水锅炉及其它。
一、蒸汽锅炉型号解释:三部分组成,之间由横线相连注释:1—锅炉型式;2—燃烧方式;3—额定蒸发量(t/h);4—额定蒸汽压力;5—过热蒸汽温度;6—燃料种类举例。
DZL4-1.25-193-AII代表卧式快装燃煤蒸汽锅炉,DZ代表锅炉型式-单筒纵置式,L代表机械链条炉排,其额定蒸发量4t/h,额定工作压力1.25Mpa,饱和蒸汽温度193℃,A||代表二类烟煤为燃烧介质。
二、热水锅炉型号解释:三部分组成,之间由短横线相连注释:1—锅炉型式;2—燃烧方式;3—额定热功率(MW);4—允许工作压力;5—出/进水水温;6—燃料种类。
举例CLSG0.7-95/70-AII代表立式常压燃煤热水锅炉,C代表常压,LS代表锅炉型式-立式水管型,G代表固定炉排,其额定功率是0.7Mw,出进水温度分别是95-70℃,AII代表燃烧介质是||类烟煤。
三、有机热载体炉型号解释:三部分组成,之间由短横线相连注释:1—炉型号代号;2—燃烧设备代号;3—炉体安置型式代号;4—额定热功率(KW);5—燃料代号。
举例YGL-1400代表立式有机热载体导热油炉其功率是1400Kw/h(相当于120x104Kcal/h,也叫120万大卡每小时)。
[炉型号代号分为液相炉(Y)、气相炉(Q)。
燃烧设备代号分为油燃烧器(Y)、气燃烧器(Q)、链条L及其它G。
四、锅炉型式代号五、锅炉燃烧方式代号六、锅炉燃烧种类代号燃烧种类代号(一)燃烧种类代号(二)比如:LSG0.5-0.4-170-AII含义是立式水管燃煤蒸汽锅炉,炉排固定,每小时蒸发量0.5T,额定蒸汽压力0.4Mpa,额定蒸汽温度170℃,燃烧介质二类烟煤。
《电厂锅炉》复习思考题一、计算1.已知某型锅炉如下数据:q2=4.8%, q3=0.50%, q4=1.50%, q5=0.50%, q6=0%,燃煤的低位发热量Q ar,net,p=20000kJ/kg,锅炉的总有效利用热量Q=18.94⨯108kJ/h,试求:(1)锅炉效率η;(2)燃煤量B、Bj;(3)标准煤消耗量B b;(4)保热系数ϕ。
2.已知某230t/h锅炉给水焓h gs=924.0KJ/kg,过热蒸汽焓h gr″=3484.0KJ/kg,锅炉输入热量Q r=22383.0kJ/h,经计算分析得各项热损失为:q2=5.2%, q3=0.5%, q4=1.0%, q5=0.5%, q6=0.0%。
试求:(1)锅炉热效率η;(2)燃煤量B ;(3)计算燃料消耗量B j;(4)保热系数ϕ。
3.在完全燃烧时,测得某锅炉空气预热器前、后氧量分别为:O'2= 5.56%,O"2= 6.0%,试计算该炉空气预热器前、后的过量空气系数α′ky、α″ky及空气预热器的漏风系数α∆ky,并判定该炉空气预热器的型式。
4.已知某煤的成分为:C daf =84%, H daf =6%,O daf =5%,N daf=4.0%,S daf=1.0%;A ar =25%, M ar =10%, 试求:该煤的收到基成分含量。
5. 某电站锅炉燃用淮南烟煤,成分数据为:Cdaf =86.0%, Hdaf=5.0%, Odaf=6.0%, Ndaf=2.0%,S daf=1.0%;A ad=17.5% ,M ad=2.5%。
求此煤的空干基成分含量。
6.某供热锅炉燃用某种烟煤,成分数据为:Cdaf =87.0%,Hdaf=5.0%,Odaf=6.0%, Ndaf=1.5%,Sdaf=0.5%;A d=22.5% ;M ar=11.5%。
求此煤的收到基成分含量。
7.已知某锅炉低温过热器的进口烟焓为8942.0,它的对流吸热量为2091.0KJ/Kg,保热系数为0.995,漏风系数为0.025,理论冷空气焓为231.0KJ/Kg。
锅炉型号和参数的具体含义
在日常监察工作中,经常会碰到锅炉的检查,也曾经被各种各样的型号弄得头晕脑涨的,为此特地在网上搜集了些锅炉的资料,供大家分享:
目前市面上的工业锅炉分为三大类;蒸汽锅炉、热水锅炉、有机热载体炉。
一、蒸汽锅炉型号由三部分组成,各部分之间由短横线相连
注释:1—锅炉型式 2—燃烧方式 3—额定蒸发量(t/h)
4—额定蒸汽压力 5—过热蒸汽温度 6—燃料种类
二、热水锅炉型号由三部分组成,各部分之间由短横线相连
注释:1—锅炉型式 2—燃烧方式 3—额定热功率(MW)
4—允许工作压力(MPa) 5—出/进水水温 6—燃料种类
其中锅炉形式的代号
其中燃烧方式的代号
其中燃烧种类的代号(一)
其中燃烧种类代号(二)
三、有机热载体炉分为液相炉和气相炉,型号由二部分组成,各部分之间由短横线相连
注释:1—炉型号代号 2—燃烧设备代号 3—炉体安置型式代号
4—额定热功率(KW) 5—燃料代号
其中炉型号代号
其中燃烧设备代号
其中炉体安置型式代号。
锅炉行业为了便于行业内部锅炉规格表达统计和书写方便,人为制定一些字母、特殊符号进行组合,表示特定的锅炉类别,以此区分蒸汽锅炉、热水锅炉、导热油炉等系列,锅炉型号代号解释如下:
一、蒸汽锅炉型号解释:
注释:1—锅炉型式; 2—燃烧方式; 3—额定蒸发量(t/h);4—额定蒸汽压力;5—过热蒸汽温度; 6—燃料种类;举例DZL4-1.25-193-AII代表卧式快装燃煤蒸汽锅炉,DZ代表锅炉型式-单筒纵置式,L代表机械链条炉排,其额定蒸发量4t/h,额定工作压力1.25Mpa,饱和蒸汽温度193℃,AII代表二类烟煤为燃烧介质
二、热水锅炉型号解释:
注释:1—锅炉型式;2—燃烧方式;3—额定热功率(MW);4—允许工作压力;5—出/进水水温,6—燃料种类;举例CLSG0.7-95/70-AII代表立式常压燃煤热水锅炉,C代表常压,LS代表锅炉型式-立式水管型,G代表固定炉排,其额定功率是0.7Mw,出进水温度分别是95-70℃,AII代表燃烧介质是II类烟煤。
三、有机热载体炉型号解释:
注释:1—炉型号代号;2—燃烧设备代号;3—炉体安置型式代号;4—额定热功率(KW);5—燃料代号;举例YGL-1400代表立式有机热载体导热油炉其功率是1400Kw/h(相当于
120x104Kcal/h,也叫120万大卡每小时)。
[炉型号代号分为液相炉(Y)、气相炉(Q)。
燃烧设备代号分为油燃烧器(Y)、气燃烧器(Q)、链条L及其它G,]
四、锅炉型式代号
六、锅炉燃烧种类代号
燃烧种类代号(二)
比如:LSG0.5-0.4-170-AII含义是立式水管燃煤蒸汽锅炉,炉排固定,每小时蒸发量0.5T,额定蒸汽压力0.4Mpa,额定蒸汽温度170℃,燃烧介质二类烟煤。
一、燃煤、燃油、燃气、生物持锅炉型号(一)型号:按JB/T1626-92《工业锅炉产品型号编制方法》规定,锅炉号由三部分组成,各部分之间用短横线相连,如下面式样表示:型号的第一部分表示锅炉和燃烧设备的型式及锅炉容量,共分三段。
第一段用两个汉语拼音字母代表锅炉整体型式(见表1.2-1、表1.2-2);第二段用一汉语拼音字母代表燃烧设备(邮包表1.2-3);第三段用阿拉伯数字表示蒸汽锅炉额定蒸发量t/h或热水锅炉额定热功率MW。
型号的第二部介质参数,共分两段(热水锅炉分三段),中间用斜线相连。
第一段表示客定蒸汽压力或允许工作压力;第二段表示过热蒸汽温度(蒸汽温度为饱和温度时不表示);热水锅炉第二段和第三段表示出水温度和进水温度。
型号的第三部分表示燃料种类,用汉语拼音字母代表,同时用罗马字母代表燃料品种分类(见表1.2-4)表1.2-1 锅壳锅炉总体型式代号注:卧式水火管快装锅炉总体型式代号为DN,表1.2-2 水管锅炉总体型式代号表1.2-3 燃烧设备代号注:煤粉炉和燃油燃气锅炉属室燃炉,烯烧设备代号为S。
表1.2-4 燃料品种代号注:①小型燃油燃气锅炉一般适用多种燃料,故燃料代号通常均写成Y或Q②在锅炉型号表示方法中,对常压热水锅炉,只须在型式代号之前加上常压代号C,并取消允许工作压力,其他表示方法不变。
(二)型号举例(见表1.2-5)表1.2-5 型号举例对于国外进口的锅炉,各国型号不一样,没有统一规定,可根据其产品样本、图纸资料、产品质量证明书等识别。
锅炉产品系列备注锅炉命名规则JB/T1626-2002燃烧设备代号燃料种类代号固定炉排GⅠ类烟煤AⅠ固定双层炉排CⅡ类烟煤AⅡ链条炉排L油Y室燃炉S气Q锅炉类别锅炉本体型式代号锅壳锅炉立式水管LS立式火管LH常压立式水管CSL水管锅炉单锅筒立式DZ余热锅炉命名规则JB/T9560-1999余热载体类别余热载体量名称代号单位名称单位气体Q(气)千立方米每小时×103m3/h1)液体Y(液)吨每小时t/h固体G(固)吨每小时t/h烟气分类特性代号含尘类C(尘)腐蚀类F(腐)粘结类Z(粘)注: 补燃代号以字母B表示。
常压热水锅炉1、常压锅炉的含义:无压热水锅炉,也称常压锅炉,是指锅炉顶部通大不承受供热系统的水柱静压力.也就是相当一个“开式热水箱“。
常压锅炉的含义:锅炉本体开孔与大气相通。
在任何工况下,锅炉水位线处表压力都为零的锅炉。
2、原理:3、常压锅炉的型号的含义及总体型式:型号:型号的第一部分由常压锅炉代号、锅型代号、燃烧设备代号、额定热功率四段组成。
常压锅炉代号用“C”表示.例如:CLSG0.35—95/70—W12表示常压锅炉立式水管固定炉排,额定热功率为0.35MW,额定出口水温度为95℃,额定进口水温度为70℃,燃用I类无烟煤,第二次设计的锅炉。
总体形势:锅壳锅炉(1)立式水管LS(立水)(2)立式火管LH(立火)(3)立式热管LR(立热)(4)卧式内燃WN(卧内)(5)卧式外燃WW(卧外)(6)卧式热管WR(卧热)水管锅炉单锅筒立式DL(单立)单锅筒纵置式DZ(单纵)单锅筒横置式DH(单横)双锅筒纵置式SZ(双纵)双锅筒横置式SH(双横)固定排炉G(固)活动手摇炉排H(活)链条炉排L(链)往复炉排W(往)下饲炉排A(下)抽板顶升炉C(抽)室燃炉S(室)半煤气炉B(半)沸腾炉F(沸)4、常压锅炉的应用领域因为常压热水锅炉不承压,所以要与大气联通,并且温度不能超过100℃。
主要运用领域为:采暖、浴室、育苗、电镀、化工等不需高温(高于100℃)的场所。
但是一旦系统布置不合理,擅自把与大气连通的开孔或连通管堵塞或安装阀门,会造成热水锅炉承压,具有一定的危险性。
5、常压锅炉水质要求:常压锅炉水质要求遵循《工业锅炉水质标准》,具体要求如下表:6、常压锅炉的主要参数7、常压锅炉运行温度:根据《小型和常压热水锅炉安全技术监察规定》中的相关规定,常压热水炉的出水口的水温是不能超过85℃的,回水温度为60℃。
低压型的出水温度不能超于95℃,回水温度为70℃‘因为处于安全方面的考虑,防止加热的热水温度过高从而气化,会给系统中的循环水泵运行造成影响,系统压力上升;同时如果由于温度计不灵敏失灵或者是温度设定不准也容易造成系统的超压从而带来安全隐患。
锅炉行业为了便于行业内部锅炉规格表达统计和书写方便,人为制定一些字母、特殊符号进行组合,表示特定的锅炉类别,以此区分蒸汽锅炉、热水锅炉、导热油炉等系列,锅炉型号代号解释如下:
一、蒸汽锅炉型号解释:
注释:1—锅炉型式;2—燃烧方式;3—额定蒸发量(t/h);4—额定蒸汽压力;5—过热蒸汽温度;6—燃料种类;举例DZL4-1.25-193-AII代表卧式快装燃煤蒸汽锅炉,DZ代表锅炉型式-单筒纵置式,L代表机械链条炉排,其额定蒸发量4t/h,额定工作压力1.25Mpa,饱和蒸汽温度193℃,AII代表二类烟煤为燃烧介质
二、热水锅炉型号解释:
注释:1—锅炉型式;2—燃烧方式;3—额定热功率(MW);4—允许工作压力;5—出/进水水温,6—燃料种类;举例CLSG0.7-95/70-AII代表立式常压燃煤热水锅炉,C代表常压,LS代表锅炉型式-立式水管型,G代表固定炉排,其额定功率是0.7Mw,出进水温度分别是95-70℃,AII代表燃烧介质是II类烟煤。
三、有机热载体炉型号解释:
注释:1—炉型号代号;2—燃烧设备代号;3—炉体安置型式代号;4—额定热功率(KW);5—燃料代号;举例YGL-1400代表立式有机热载体导热油炉其功率是1400Kw/h(相当于
120x104Kcal/h,也叫120万大卡每小时)。
[炉型号代号分为液相炉(Y)、气相炉(Q)。
燃烧设备代号分为油燃烧器(Y)、气燃烧器(Q)、链条L及其它G,]
四、锅炉型式代号
六、锅炉燃烧种类代号
燃烧种类代号(二)
比如:LSG0.5-0.4-170-AII含义是立式水管燃煤蒸汽锅炉,炉排固定,每小时蒸发量0.5T,额定蒸汽压力0.4Mpa,额定蒸汽温度170℃,燃烧介质二类烟煤。
一、燃煤、燃油、燃气、生物持锅炉型号(一)型号:按JB/T1626-92《工业锅炉产品型号编制方法》规定,锅炉号由三部分组成,各部分之间用短横线相连,如下面式样表示:型号的第一部分表示锅炉和燃烧设备的型式及锅炉容量,共分三段。
第一段用两个汉语拼音字母代表锅炉整体型式(见表1.2-1、表1.2-2);第二段用一汉语拼音字母代表燃烧设备(邮包表1.2-3);第三段用阿拉伯数字表示蒸汽锅炉额定蒸发量t/h或热水锅炉额定热功率MW。
型号的第二部介质参数,共分两段(热水锅炉分三段),中间用斜线相连。
第一段表示客定蒸汽压力或允许工作压力;第二段表示过热蒸汽温度(蒸汽温度为饱和温度时不表示);热水锅炉第二段和第三段表示出水温度和进水温度。
型号的第三部分表示燃料种类,用汉语拼音字母代表,同时用罗马字母代表燃料品种分类(见表1.2-4)表1.2-1锅壳锅炉总体型式代号注:卧式水火管快装锅炉总体型式代号为DN,表1.2-2水管锅炉总体型式代号表1.2-3燃烧设备代号注:煤粉炉和燃油燃气锅炉属室燃炉,烯烧设备代号为S。
表1.2-4燃料品种代号注:①小型燃油燃气锅炉一般适用多种燃料,故燃料代号通常均写成Y或Q②在锅炉型号表示方法中,对常压热水锅炉,只须在型式代号之前加上常压代号C,并取消允许工作压力,其他表示方法不变。
(二)型号举例(见表1.2-5)表1.2-5型号举例对于国外进口的锅炉,各国型号不一样,没有统一规定,可根据其产品样本、图纸资料、产品质量证明书等识别。
锅炉产品系列备注锅炉命名规则 JB/T1626-2002燃烧设备代号燃料种类代号固定炉排GⅠ类烟煤AⅠ固定双层炉排CⅡ类烟煤AⅡ链条炉排L 油Y室燃炉S 气Q锅炉类别锅炉本体型式代号锅壳锅炉立式水管LS立式火管LH常压立式水管CSL水管锅炉单锅筒立式DZ余热锅炉命名规则 JB/T9560-1999余热载体类别余热载体量名称代号单位名称单位气体Q(气)千立方米每小时×103m3/h1)液体Y(液)吨每小时t/h固体G(固)吨每小时t/h烟气分类特性代号含尘类C(尘)腐蚀类F(腐)粘结类Z(粘)注:补燃代号以字母B表示电站锅炉产品型号编制方法JB/T 1617-1999 (代替 JB1617-75)1.范围本标准规定了锅炉产品型号的编制方法。
一、燃煤、燃油、燃气、生物持锅炉型号(一)型号:按JB/T1626-92《工业锅炉产品型号编制方法》规定,锅炉号由三部分组成,各部分之间用短横线相连,如下面式样表示:型号的第一部分表示锅炉和燃烧设备的型式及锅炉容量,共分三段。
第一段用两个汉语拼音字母代表锅炉整体型式(见表1.2-1、表1.2-2);第二段用一汉语拼音字母代表燃烧设备(邮包表1.2-3);第三段用阿拉伯数字表示蒸汽锅炉额定蒸发量t/h或热水锅炉额定热功率MW。
型号的第二部介质参数,共分两段(热水锅炉分三段),中间用斜线相连。
第一段表示客定蒸汽压力或允许工作压力;第二段表示过热蒸汽温度(蒸汽温度为饱和温度时不表示);热水锅炉第二段和第三段表示出水温度和进水温度。
型号的第三部分表示燃料种类,用汉语拼音字母代表,同时用罗马字母代表燃料品种分类(见表1.2-4)表1.2-1 锅壳锅炉总体型式代号注:卧式水火管快装锅炉总体型式代号为DN,表1.2-2 水管锅炉总体型式代号表1.2-3 燃烧设备代号注:煤粉炉和燃油燃气锅炉属室燃炉,烯烧设备代号为S。
表1.2-4 燃料品种代号注:①小型燃油燃气锅炉一般适用多种燃料,故燃料代号通常均写成Y或Q②在锅炉型号表示方法中,对常压热水锅炉,只须在型式代号之前加上常压代号C,并取消允许工作压力,其他表示方法不变。
(二)型号举例(见表1.2-5)表1.2-5 型号举例对于国外进口的锅炉,各国型号不一样,没有统一规定,可根据其产品样本、图纸资料、产品质量证明书等识别。
锅炉产品系列备注锅炉命名规则JB/T1626-2002燃烧设备代号燃料种类代号固定炉排GⅠ类烟煤AⅠ固定双层炉排CⅡ类烟煤AⅡ链条炉排L油Y室燃炉S气Q锅炉类别锅炉本体型式代号锅壳锅炉立式水管LS立式火管LH常压立式水管CSL水管锅炉单锅筒立式DZ余热锅炉命名规则JB/T9560-1999余热载体类别余热载体量名称代号单位名称单位气体Q(气)千立方米每小时×103m3/h1)液体Y(液)吨每小时t/h固体G(固)吨每小时t/h烟气分类特性代号含尘类C(尘)腐蚀类F(腐)粘结类Z(粘)注: 补燃代号以字母B表示电站锅炉产品型号编制方法JB/T 1617-1999 (代替JB1617-75)1.范围本标准规定了锅炉产品型号的编制方法。
有机热载体锅炉型号命名规则以有机热载体锅炉型号命名规则为标题,本文将介绍有机热载体锅炉型号的命名规则,并解释每个命名部分的含义和作用。
一、型号命名规则的背景和意义有机热载体锅炉作为一种重要的供热设备,其型号命名规则的制定对于产品的标准化、规范化和生产管理的有效运作具有重要意义。
通过合理的命名规则,可以方便用户和生产厂家识别和辨别不同型号的锅炉,同时也有利于提高产品质量和市场竞争力。
二、型号命名规则的具体要求1. 型号命名部分一:系列标识系列标识是指锅炉所属的产品系列,常用的系列标识有数字或字母组成。
不同系列的锅炉可能在设计、结构、性能等方面存在差异,通过系列标识可以区分不同系列的产品。
2. 型号命名部分二:容量标识容量标识是指锅炉的热负荷容量,通常以数字表示,单位为千瓦(KW)或万千瓦(MW)。
容量标识的大小直接反映了锅炉的供热能力,用户在选购时可以根据自身需求选择合适的容量。
3. 型号命名部分三:介质标识介质标识是指锅炉所使用的有机热载体的类型。
有机热载体是一种高温传热介质,常见的有机热载体有热油、热水等。
通过介质标识可以清楚地知道该锅炉使用的是哪种介质,以便用户在使用和维护时有针对性地进行操作。
4. 型号命名部分四:结构形式标识结构形式标识是指锅炉的结构形式,常见的结构形式有立式、卧式、平式等。
通过结构形式标识可以了解锅炉的布置方式,以及与周围环境的适应性。
5. 型号命名部分五:燃料标识燃料标识是指锅炉所采用的燃料类型,常见的燃料有煤、油、气等。
通过燃料标识可以明确锅炉的燃料种类,以便用户根据实际情况选择合适的锅炉。
6. 型号命名部分六:其他标识除了以上几个基本标识外,还可以根据需要添加其他标识,如环保标识、高效标识等。
这些标识可以更好地满足用户对环保和能效的需求。
三、命名规则的实例以下是一个有机热载体锅炉型号命名的实例:A-1000-热油-立式-煤-环保其中,A表示该锅炉属于A系列;1000表示锅炉的热负荷容量为1000千瓦;热油表示锅炉使用的是热油作为热载体;立式表示锅炉的结构形式为立式;煤表示锅炉使用煤作为燃料;环保表示该锅炉具备环保特性。
锅炉的定义、组成及分类1.锅炉的定义及组成1.1 锅炉的定义:利用燃料(固体燃料、液体燃料和气体燃料)燃烧释放的化学能转换成热能,且向外输出热水或蒸汽的换热设备。
1.2 锅炉的组成:锅炉由“锅”和“炉”两大部分组成。
“锅”是指汽水流动系统,包括锅筒、集箱、水冷壁以及对流受热面等,是换热设备的吸热部分;“炉”是指燃料燃烧空间及烟风流动系统,包括炉膛、对流烟道以及烟囱等,是换热设备的放热部分。
2.锅炉的分类锅炉有多种分类方法,主要的分类方法有:2.1 按用途分类:发电锅炉:是指用于火力发电的锅炉。
火力发电机组由蒸汽锅炉、汽轮机、发电机三大动力设备构成。
锅炉产生的高温、高压蒸汽经过汽轮机做功,使蒸汽的热能转换机械能,汽轮机带动发电机高速旋转发电,此时机械能转换成电能;工业锅炉:是指锅炉产生的高温热载体(蒸汽、高温水以及有机热载体)供工业生产过程中应用,如酿酒、造纸、纺织、木材、食品、化工等;生活锅炉:是指锅炉产生的热水、蒸汽供人们生活之用,如取暖、洗浴、消毒等。
2.2 按压力参数分类:低压锅炉:是指出口额定蒸汽压力不超过2.5MPa的锅炉;中压锅炉:是指出口额定蒸汽压力为3.0~5.0MPa的锅炉;高压锅炉:是指出口额定蒸汽压力为8.0~11.0MPa的锅炉;超高压锅炉:是指出口额定蒸汽压力为12.0~15.0MPa的锅炉;亚临界压力锅炉:是指出口额定蒸汽压力为16.0~20.0MPa的锅炉;超临界压力锅炉:是指出口额定蒸汽压力超过临界压力(22.1MPa)的锅炉。
注:临界压力1MPa=10.2kgf/cm2 进行换算,其余压力均按1MPa=10.0kgf/cm2换算。
2.3 按介质形态分类:蒸汽锅炉:是指输出热载体的形态是蒸汽的锅炉;热水锅炉:是指输出热载体的形态是热水的锅炉。
2.4 按介质循环方式分类:自然循环锅炉:在水循环回路中,介质流动的动力来自水与汽水混合物的密度差;强制循环锅炉:在水循环回路中介质流动的动力除水和汽水密度差外,主要依靠锅水循环泵的压头;直流锅炉:给水依靠给水泵压头在受热面一次通过产生蒸汽的锅炉,因此,直流锅炉也属于强制循环锅炉。
锅炉作业人员实际操作应知应会问答题1.本人所操作的锅炉型号,解释含义。
答:例.DZL4-1.25-AII表示单锅筒纵置式或卧式水火管快装链条炉排,额定蒸发量为4t/h,额定工作压力为1.25MPa,蒸汽温度为饱和温度,燃用2类烟煤的蒸汽锅炉。
2.立式正反烧锅炉燃烧的区别有哪些?各自有何特点。
答:立式正烧锅炉,新煤加在燃烧的火床上,容易着火,燃料条件好,但热效率低下,烟尘比较大。
立式反烧锅炉,新煤加在横水管上,不易着火,但这种结构比较紧凑,燃烧充分热效率高,清灰便捷而且消烟除尘效果好。
3、卧式锅炉烟气流程?有哪些受压部件?拱有什么作用?答:烟气从炉膛产生,往后进入后烟室高温区,在后烟室低温区进入第一管束的烟管,通过烟管到达前烟室,在前烟室进入第二管束的烟管,再通过第二管束的烟管到达后烟室低温区,再通过烟道进入烟囱。
主要受压部件有:锅筒、管板、烟管、下降管、水冷壁管、集箱。
拱的作用:前拱的作用在于点火燃烧(引燃新煤),其传热方式主要是靠前拱的热辐射来完成。
后拱的作用则被认为是保持燃料层的温度,以加速燃料的着火燃烧,同时迫使高温用气携带炽热碳粒抛向着火段,以引燃新煤。
4.三大安全附件是什么?各有作用和要求?答:三大安全附件是:安全阀、水位表和压力表。
安全阀作用:当锅炉内蒸汽压力超过规定压力时,安全阀能够自动开启,排汽降压,同时发出警报,使司炉人员能及时采取措施。
压力表作用:指示锅炉内工作介质压力的高低,保证锅炉正常运行,防止事故发生。
水位表作用:显示锅筒内水位高低。
5.怎样冲洗水位表?如何正确排污?答:冲洗水位表:1开启放水旋塞,冲洗汽、水连接管和玻璃管;2关闭水旋塞,冲洗汽连接管和玻璃管;3开启水旋塞,关闭汽旋塞,冲洗水连接管;4开启汽旋塞,关闭放水旋塞,观察水位上升情况。
如果水位很快上升,并有轻微上下波动、则冲洗完毕,否则再冲洗一次。
正确排污:排污应在高水位、低负荷时进行,尤其在升炉后供汽前这段时间排污效果最好。
第一章1.锅炉(设备)定义:锅炉是利用燃料燃烧释放出的热能或其它热能将工质(水或其它流体)加热到一定参数的设备,有时也称蒸汽发生器。
2.额定供热量(热功率):单位时间内锅炉提供的额定热量。
3.锅炉的热效率:指燃料完全燃烧所放出的热量被锅炉有效利用的程度。
4.蒸发量(或出力):蒸汽锅炉每小时产生的蒸汽量,它是表示锅炉容量大小的指标。
5.炉排面可见热负荷(炉排热强度):表示燃料在单位炉排面积单位时间内燃烧所放出的热量,表示炉排面上燃烧速度的指标。
6.炉膛有效容积热7.解释下列锅炉型号的意义:DHL 20-25/400-A 单锅筒横置式链条炉排炉,蒸发量20t/h,压力25Mpa,过热蒸汽温度400℃,燃用烟煤 SHW 4.2-1.27/115/70-H 双锅筒横置式往复炉排热水锅炉,额定供热量4.2MW,额定工作压力1.27Mpa ,额定出水温度115℃,额定进水温度70℃,燃用褐煤8. 锅炉的特点:可靠性要求高;综合性强;金属耗量和体积大;生产周期长;以形式不同的产品出厂 9. 自然循环锅炉循环原理:利用高度差;强制循环锅炉循环原理:依靠循环水泵的压头使一定管路系统强迫流动进行加热。
10. 锅炉能量分析的运行过程:运行过程=热能产生过程+介质向工质传热过程+工质的蓄热过程 11.锅炉的燃料和烟风流程 第二章1. 蒸发受热面:使受热饱和工质蒸发汽化的受热面。
(水冷壁、凝渣管、锅炉管束)2. 热偏差:在受热面平行管中工质的吸热量不同,使平行管列工质焓增不均匀的现象,称为热偏差。
3.卫燃带:把水冷壁表面用耐火材料着盖起来,以减少该处吸热量,此处水冷壁表面称为卫燃带。
4.烟气再循环:用在循环风机,从锅炉的尾部烟道抽取部分低温烟气再循环送入锅炉炉膛的过程。
5.低温受热面:省煤器和空气预热器称为低温受热面。
6.水冷壁的作用:吸热:吸收火焰和烟气的辐射热量,使管内工质加热汽化;保护:保护炉墙,减少溶渣和高温对炉墙的破坏作用。
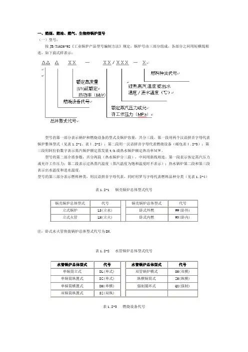
一、燃煤、燃油、燃气、生物持锅炉型号(一)型号:
按JB/T1626-92《工业锅炉产品型号编制方法》规定,锅炉号由三部分组成,各部分之间用短横线相连,如下面式样表示:
型号的第一部分表示锅炉和燃烧设备的型式及锅炉容量,共分三段。
第一段用两个汉语拼音字母代表锅炉整体型式(见表1.2-1、表1.2-2);第二段用一汉语拼音字母代表燃烧设备(邮包表1.2-3);第三段用阿拉伯数字表示蒸汽锅炉额定蒸发量t/h或热水锅炉额定热功率MW。
型号的第二部介质参数,共分两段(热水锅炉分三段),中间用斜线相连。
第一段表示客定蒸汽压力或允许工作压力;第二段表示过热蒸汽温度(蒸汽温度为饱和温度时不表示);热水锅炉第二段和第三段表示出水温度和进水温度。
型号的第三部分表示燃料种类,用汉语拼音字母代表,同时用罗马字母代表燃料品种分类(见表1.2-4)
表1.2-1 锅壳锅炉总体型式代号
注:卧式水火管快装锅炉总体型式代号为DN,
表1.2-2 水管锅炉总体型式代号
表1.2-3 燃烧设备代号
注:煤粉炉和燃油燃气锅炉属室燃炉,烯烧设备代号为S。
表1.2-4 燃料品种代号
注:①小型燃油燃气锅炉一般适用多种燃料,故燃料代号通常均写成Y或Q
②在锅炉型号表示方法中,对常压热水锅炉,只须在型式代号之前加上常压代号C,并取消允许工作压力,其他表示方法不变。
(二)型号举例(见表1.2-5)
表1.2-5 型号举例
对于国外进口的锅炉,各国型号不一样,没有统一规定,可根据其产品样本、图纸资料、产品质量证明书等识别。
锅炉产品系列。