钢筋工程量计算-梁板柱计算
- 格式:ppt
- 大小:8.96 MB
- 文档页数:10
梁板柱钢筋计算第一章梁第一节框架梁一、首跨钢筋的计算1、上部贯通筋上部贯通筋(上通长筋1)长度=通跨净跨长+首尾端支座锚固值2、端支座负筋端支座负筋长度:第一排为Ln/3+端支座锚固值第二排为Ln/4+端支座锚固值3、下部钢筋下部钢筋长度=净跨长+左右支座锚固值注意:下部钢筋不论分排与否,计算的结果都是一样的,所以我们在标注梁的下部纵筋时可以不输入分排信息。
以上三类钢筋中均涉及到支座锚固问题,那么,在软件中是如何实现03G101-1中关于支座锚固的判断呢?现在我们来总结一下以上三类钢筋的支座锚固判断问题:(1)支座宽≥Lae且≥0.5Hc+5d,为直锚,取Max{Lae,0.5Hc+5d}(2)钢筋的端支座锚固值=支座宽≤Lae或≤0.5Hc+5d,为弯锚,取Max{Lae,支座宽度-保护层+15d}(3)钢筋的中间支座锚固值=Max{Lae,0.5Hc+5d} 图一4、腰筋(1)当为梁侧面构造钢筋时,其搭接与锚固长度可取为15d;(2)当为梁侧面受扭纵向钢筋时,其搭接长度为Ll或LlE(抗震);其锚固长度与方式同框架下部纵筋。
5、拉筋拉筋长度=(梁宽-2×保护层)+2×11.9d(抗震弯钩值)+2d拉筋根数:如果我们没有在平法输入中给定拉筋的布筋间距,那么拉筋的根数=(箍筋根数/2)×(构造筋根数/2)如果给定了拉筋的布筋间距,那么拉筋的根数=布筋长度/布筋间距6、箍筋箍筋长度=(梁宽-2×保护层+梁高-2×保护层)×2+2×11.9d+8d箍筋根数=(加密区长度/加密区间距+1)×2+(非加密区长度/非加密区间距-1)注意:因为构件扣减保护层时,都是扣至纵筋的外皮,那么,我们可以发现,拉筋和箍筋在每个保护层处均被多扣掉了直径值;并且我们在预算中计算钢筋长度时,都是按照外皮计算的,所以软件自动会将多扣掉的长度在补充回来,由此,拉筋计算时增加了2d,箍筋计算时增加了8d。
梁钢筋工程计量规则一、楼层框架梁上部钢筋长度的算法1.楼层框架梁上部贯通筋长度的算法(1)当(hc-保护层)即直锚长度>LaE时,表明梁支座足够宽,上部纵筋可以直锚在支座里,即:上部贯通筋长度=通跨净长+左右支座锚固长度 =Ln+2max[(LaE ),(0.5hc+5d )]其中:Ln ——通跨净长;LaE ——锚固长度;hc ——柱截面沿框架方向的高度(即支座宽度);(2)当(hc-保护层)即直锚长度≤LaE时,表明梁支座不能满足直锚长度,上部纵筋必须弯锚在支座里,即:上部贯通筋长度=通跨净长+左右支座锚固长度=Ln+2max[(LaE),(0.4LaE+15d ),(支座宽-保护层+弯折15d )]2.楼层框架梁上部支座负筋长度的算法(1)左、右支座负筋的计算第一排长度=左或右支座锚固+净跨长/3第二排长度=左或右支座锚固+净跨长/4支座锚固=max[(LaE),(0.4LaE+15d),(支座宽-保护层+弯折15d)](2)中间跨支座负筋的计算第一排中间支座负筋长度=hc+Ln/3×2第二排中间支座负筋长度=hc+Ln/4×2注:Ln取左右两跨净跨长较大值3.楼层框架梁上部架立筋长度的算法架立筋长度=净跨-两边负筋净长+150×2二、楼层框架梁侧面纵筋长度的算法1.构造纵筋当梁净高hw≥450时,在梁的两个侧面沿高度配置纵向构造钢筋,纵向构造钢筋间距a≤200;当梁宽≤350时,拉筋直径为6mm;梁宽>350时,拉筋直径为8mm,拉筋间距为非加密区间距的两倍,当设有多排拉筋时,上下两排拉筋竖向错开设置。
梁侧面构造纵筋=Ln+15d×2(Ln为梁通跨净长)2.抗扭纵筋(1)当端支座足够大时,直锚在端支座里抗扭纵筋长度=通跨净长Ln+左右锚入支座内长度2max[(LaE),(0.5hc+5d)](2)当支座不能满足直锚长度时,必须弯锚抗扭纵筋长度=通跨净长Ln+左右锚入支座内长度2max[(LaE),(0.4LaE+15d),(支座宽-保护层+弯折15d)]3.拉筋长度的计算有侧面纵筋一定有拉筋(1)当拉筋同时勾住主筋和箍筋时:拉筋长度=梁宽b-保护层×2+4d+1.9d×2+max(10d,75mm)×2(2)当拉筋只勾住主筋时:拉筋长度=梁宽b-保护层×2+2d+1.9d×2+max(10d,75mm)×24.拉筋根数的计算拉筋间距为非加密区间距的2倍,拉筋根数=(Ln-50×2)/非加密区间距的2倍+1三、楼层框架梁下部纵筋长度的算法1.下部贯通筋长度的计算(1)当端支座足够大时,直锚在端支座里下部贯通筋长度=通跨净长Ln+左右锚入支座内长度2max[(LaE),(0.5hc+5d)](2)当支座不能满足直锚长度时,必须弯锚下部贯通筋长度=通跨净长Ln+左右锚入支座内长度2max[(LaE),(0.4LaE+15d),(支座宽-保护层+弯折15d)]2.下部非贯通筋长度的计算(1)当端支座足够大时,直锚在端支座里下部非贯通筋长度=净跨长+左右锚入支座内长度2max[(LaE),(0.5hc+5d)](2)当支座不能满足直锚长度时,必须弯锚首尾跨下部非贯通筋长度=净跨长+锚入端支座内长度max[(LaE),(0.4LaE+15d),(支座宽-保护层+弯折15d)]+中间支座max[(LaE),(0.5hc+5d)]中间跨下部非贯通筋长度=净跨长+左右锚入支座内长度2max[(LaE),(0.5hc+5d)]四、楼层框架梁箍筋的算法箍筋长度=2(梁宽b-保护层×2+2d)+2(梁高h-保护层×2+2d)+1.9d×2+max(10d,75mm)×2箍筋根数:(1)一级抗震等级楼层框架梁箍筋根数=加密区根数×2+非加密区根数加密区根数:[max(梁高hb×2,500)-50]/加密间距+1非加密区根数: (净跨长-加密区长×2)/非加密间距-1(2)二至四级抗震等级楼层框架梁箍筋根数=加密区根数×2+非加密区根数加密区根数: [max(梁高hb×1.5,500)-50]/加密间距+1非加密区根数: (净跨长-加密区长×2)/非加密间距-1五、吊筋的算法吊筋长度=次梁宽b+2×50+2×(梁高-2×保护层)/sin45°(或60°)+2×20d六、附加箍筋的算法附加箍筋长度算法和箍筋计算方法一样附加箍筋间距为8d且≤100,附加根数按图纸标注计算七、屋面框架梁钢筋的算法屋面框架梁上部贯通筋长度=通跨净长+(左端支座宽-保护层)+(右端支座宽-保护层)+弯折(梁高-保护层)×2屋面框架梁上部负筋长度=净跨/3(4)+(左端支座宽-保护层)+弯折(梁高-保护层)例题:解:KZ1:450mm×450mm;抗震等级二级;C30混凝土;c=25mm;LaE=34d hc-c=450-25=425mm<LaE=34d=850mm,钢筋需要弯锚上部贯通筋:(10800-450)+2×850=12050mm N=2支座负筋:第一排左 (6600-450)/3+850=2900mm N=2中 (6600-450)/3×2+450=4550mm N=2右 (4200-450)/3+850=2100mm N=2第二排左 (6600-450)/4+850=2387.5mm N=2中 (6600-450)/4×2+450=3525mm N=2右 (4200-450)/4+850=1787.5mm N=2架立筋:第一跨 (6600-450)-(6600-450)/3×2+150×2=2350mm N=2第二跨(4200-450)-(6600-450)/3-(4200-450)/3+150×2=750mm N=2下部非贯通筋:第一跨(6600-450)+2×850=7850mm N=4第二跨(4200-450)+2×850=5450mm N=3构造筋:(10800-450)+15×2×12=10710mm N=4拉筋(只勾住主筋,直径取6mm):(300-2×25+2×6)+1.9×2×6+2×75=434.8mm根数:(6600-450-2×50)/(2×200)+1+(4200-450-2×50)/(2×200)+1=28根箍筋:2×(300-2×25+2×10)+2×(700-2×25+2×10)+1.9×2×10+2×100=2118mm 根数:第一跨加密区 (1.5×700-50)/100+1=11根 2×11=22根非加密区(6600-450-2×1.5×700)/200-1=20根第二跨加密区 (1.5×700-50)/100+1=11根 2×11=22根非加密区(4200-450-2×1.5×700)/200-1=8根箍筋总根数=22+20+22+8=72根柱钢筋工程计量规则一、基础层插筋计算(1)柱直接生根于基础板;(2)柱生根于基础梁上基础插筋长度=弯折长度a+竖直长度h1+非连接区hn/3+搭接长度LIEa的取值:h-c≥0.5LaE,max(12d,150)h-c≥0.6LaE,max(10d,150)h-c≥0.7LaE,max(8d,150)h-c≥0.8LaE,max(6d,150)h:基础厚度;h-c=h1二、柱纵筋长度的算法1.-1层柱子纵筋长度纵筋长度=-1层层高-(-1层非连接区hn/3)+1层非连接区hn/3+搭接长度LlE如果出现多层地下室,只有基础层顶面和首层顶面是hn/3,净高其余均为max(1/6净高、500、柱截面长边)2.1层柱子纵筋长度纵筋长度=1层层高-1层非连接区hn/3+max(hn/6,hc,500)+搭接长度LlE3.中间层柱子纵筋长度纵筋长度=中间层层高-当前层非连接区+(当前层+1)非连接区+搭接长度LlE非连接区=max(hn/6,hc,500)4.顶层柱纵筋计算(1)顶层中柱纵筋计算中柱纵筋长度=顶层层高-顶层非连接区-梁高+(梁高-保护层)+12d非连接区=max(hn/6,hc,500)注:当直锚长度<laE,且顶层为现浇混凝土板,其强度等级≥C20,板厚≥80mm时(2)顶层边柱纵筋计算情况A:当顶层梁宽小于柱宽,又没有现浇板时,边柱外侧纵筋只有65%锚入梁内;顶层边柱纵筋长度:1号纵筋长度=顶层层高-顶层非连接区长度-梁高+1.5LaE(65%)2号纵筋长度=顶层层高-顶层非连接区长度-保护层+(与弯折平行的柱宽-2×保护层)+8d(35%)3号纵筋长度=顶层层高-顶层非连接区长度-保护层+(与弯折平行的柱宽-2×保护层)4号纵筋长度=顶层层高-顶层非连接区长度-保护层+12d5号纵筋长度=顶层层高-顶层非连接区长度-梁高+ LaE情况B:当顶板为现浇板,混凝土强度等级≥C20、板厚≥80mm时,边柱外侧纵筋100%锚入梁及板内;顶层边柱纵筋长度:只有1号钢筋和4号钢筋情况C:当柱外侧纵向钢筋配率大于1.2%时,边柱外侧纵筋分两批锚入梁内,50%根数锚固长度为1.5LaE,50%根数锚固长度为1.5LaE+20d;顶层边柱纵筋长度:边柱外侧纵筋分两批锚入梁内,50%根数锚固长度为1.5LaE,50%根数锚固长度为1.5LaE+20d1号纵筋长度(外侧根数一半)=顶层层高-顶层非连接区长度-梁高+1.5LaE1号纵筋长度(外侧根数一半)=顶层层高-顶层非连接区长度-梁高+1.5LaE+20d(3)顶层角柱纵筋计算顶层角柱两面有梁,其纵向钢筋的计算方法和边柱一样,只是外侧是两个面,外侧纵筋总跟数为两个外侧总根数之和计算5.柱变截面位置纵向钢筋构造(1)柱纵向钢筋连接接头相互错开,在同一截面内的钢筋接头面积百分率:对于绑扎搭接和机械连接不宜大于50%,对于焊接连接不应大于50%(2)框架柱纵向钢筋直径d>28时,不宜采用绑扎搭接接头三、柱箍筋根数的算法1.基础箍筋根数计算根数=(基础高度-基础保护层)/间距-12.-1层箍筋根数计算根部根数=[hn(-1层)/3-50]/加密间距+1梁下根数=[hn(1层)/3]/加密间距+1梁高范围根数=梁高/加密间距非加密区根数=非加密区长度/非加密间距-13.1层箍筋根数计算根部根数=[hn(1层)/3]/加密间距+1梁下根数=max[hn(2层)/6,hc,500]/加密间距+1梁高范围根数=梁高/加密间距非加密区根数=非加密区长度/非加密间距-14.顶层箍筋根数计算(假如房屋只有两层)根部根数=max[hn(2层)/6,hc,500]/加密间距+1梁下根数=max[hn(2层)/6,hc,500]/加密间距+1梁高范围根数=梁高/加密间距非加密区根数=非加密区长度/非加密间距-1例题:楼层框架梁均为300mm×650mm,混凝土等级C30,板厚100mm,抗震等级二级,基础为800mm的筏板基础,计算:柱的钢筋工程量,钢筋采用电渣压力焊连接。
柱、梁、板、独立基础高频钢筋计算公式一、柱钢筋1.柱纵筋柱纵筋单根长度=柱基础内插筋+柱净高+锚固长度+搭接长度*搭接个数abcb.柱宽;h.柱高;c.柱保护层根数=(加密区长度/加密区间距+1)+(非加密区长度/非加密区间距-1) 加密区长度:①嵌固部分以上长度为:hn/3(hn本层柱净高)②非嵌固部分以上长度为:max(hc,hn/6,500)(考试用)③柱梁节点加密区长度为:梁高+max(hc,hn/6,500)(考试用)④当有刚性地面时,除柱端钢筋加密区外尚应在刚性地面上、下各500mm的高度范围内加密箍筋。
二、梁钢筋1.梁上部纵筋长度=总净跨长+左锚固+右锚固+搭接长度*搭接个数234第一排=1/3净跨长*2(净跨长取相邻两跨最大值)+支座宽第二排=1/4净跨长+*2(净跨长取相邻两跨最大值)+支座宽5.架立筋单长=净跨长-净跨长/3*2+150*26.箍筋单长(2肢箍)=(长-2保+宽-2保)*2+2*max(10d,75)加密区根数=[(加密区长度-50)/加密区间距+1]*2非加密区根数=(净跨长-2*加密区长度)/非加密区间距-1加密区长度:一级抗震:max(2Hb,500)二级——四级抗震:max(1.5Hb,500)7.侧面纵向钢筋(腰筋)8960度。
左(右)锚固长度=支座宽-保护层+梁高-保护层(保:为柱的保护层)三、板钢筋1.板底受力筋单根长度=净跨长+左伸长度+右伸长度+弯钩长度*2板面受力筋单根长度=净跨长+锚固长度*2板底受力筋根数=板面受力筋根数=分布范围/板筋间距+1伸出长度:端支座为梁、圈梁、剪力墙时,伸出长度=max(1/2支座宽,5d)端支座为砌体墙时,伸出长度=max(1/2墙厚,120,板厚)180°弯钩长度=6.25d(当钢筋为一级钢时,末端需加180°弯钩)锚固长度:支座宽-保护层≥la时,直锚,直锚长度=la支座宽-保护层<la时,弯锚,弯锚长度=支座宽-保护层+15d23+1 +(右侧板内净长-1/2板分布筋间距)/分布筋间距+1四、独立基础钢筋1.独立基础底板长度<2500时X方向底板钢筋单根长度=X方向的基础边长-2*保护层X方向底板钢筋根数=(Y方向的基础边长—min(75,S/2)*2)/S+1S为X方向独立基础钢筋的分布间距Y方向底板钢筋单根长度=Y方向的基础边长-2*保护层Y方向底板钢筋根数=(X方向的基础边长—min(75,S/2)*2)/S+1 S为X方向独立基础钢筋的分布间距2.独立基础底板长度≥2500时XY。
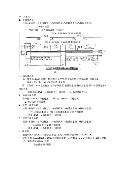
一、框架梁1、上部贯通筋长度=梁通长(包含边柱宽)-2*柱保护层-2*柱箍筋直径-2*柱纵筋直径+2*弯曲长度弯曲=15d d为钢筋直径 详见图一图一2、端支座负筋第一排负筋=Ln/3+边柱柱宽-柱保护层厚度-柱箍筋直径-柱纵筋直径+弯曲长度 弯曲长度=15d d为钢筋直径 详见图一第二排负筋=Ln/4+边柱柱宽-柱保护层厚度-柱箍筋直径-柱纵筋直径-第一排负筋直径+弯曲长度弯曲长度=15d d为钢筋直径 详见图一(Ln为梁净跨跨长)3、中间支座负筋第一排 =Ln/3*2+中柱柱宽 第二排 =Ln/4*2+中柱柱宽(Ln为左右跨中较大者)4、下部上层贯通筋长度=梁通长(包含边柱宽)-2*柱保护层-2*柱箍筋直径-2*柱纵筋直径-一二层负筋直径*2-下部下层贯通筋直径*2+2*弯曲长度弯曲=15d d为钢筋直径 详见图一5、下部下层贯通筋长度=梁通长(包含边柱宽)-2*柱保护层-2*柱箍筋直径-2*柱纵筋直径-一二层负筋直径*2+2*弯曲长度弯曲=15d d为钢筋直径 详见图一6、梁箍筋箍筋长度=(梁宽-2*梁保护层厚度+梁高-2*梁保护层厚度)*2+2*11.9d箍筋根数=(round((2.0h b-0.05)/加密区间距,0)+1)*跨数*2+round((净跨总长-2.0h b*跨数*2)/非加密区间距,o)-跨数加密区范围详见图二图二7、构造筋构造筋长度=梁净跨总长+中柱总宽度+2*15d8、构造拉筋拉筋长度=(梁宽-2*梁保护层)+2*11.9d拉筋根数=(梁净跨总长+所有中柱宽度)/加密区间距2倍+19、受扭钢筋受扭钢筋长度=梁净跨总长+中柱总宽度+2*锚固长度(L aE或L a)L aE=ζaE* La (ζaE一、二级抗震取1.15,对三级抗震等级取1.05,对四级抗震等级取1.00。
)L a=ζa*L ab(ζa、L ab取值见图四 普通钢筋ζa取值1.0)图四(挡住部分为LaE=ζaE La)10、受扭拉筋拉筋长度=(梁宽-2*梁保护层)+2*11.9d拉筋根数=(梁净跨总长+所有中柱宽度)/加密区间距2倍+1二、非框架梁1、通长筋通长筋长度=梁跨总长(加上中间主梁宽度)+0.6L ab*2+15d*22、底筋(1)无扭力筋底筋锚固长度12d(2)有扭力筋底筋长度=净跨总长+中间框架梁宽度+2*L a(L a长度小于框架梁梁宽时如下图6要求)底筋长度=净跨总长+中间框架梁宽度+2*0.6*L ab+2*15*d (L a长度大于框架梁梁宽如下图6要求) L a=ζa*L ab(ζa、L ab取值见图四 普通钢筋ζa取值1.0)箍筋长度=(梁宽-2*梁保护层厚度+梁高-2*梁保护层厚度)*2+2*11.9d4、端支座负筋端支座负筋长度=L n/3+0.6L ab+ 15d5、受扭钢筋受扭钢筋长度=净跨总长+中间框架梁宽度+2*L a(L a长度小于框架梁梁宽时)受扭钢筋长度=净跨总长+中间框架梁宽度+2*0.6*L ab+2*15*d (L a长度大于框架梁梁宽时)L a=ζa*L abζa 、L ab取值见上页6、构造筋构造筋长度=梁净跨总长+中柱总宽度+2*15d三、屋面框架梁1、通长筋通长筋长度=梁净跨总长+边柱总宽+中柱宽-柱保护层-柱箍筋直径-柱边筋直径+1.7L abe (梁插入柱内,)梁上部纵向钢筋两排时,第二排第一批截断:钢筋锚固长度为≥1.7LabE(≥1.7Lab)。
柱梁板钢筋计量规则及公式6.6.2 柱钢筋工程计量规则教学内容及要求 本节课程主要讲授混凝土柱构件中钢筋的类型以及每种钢筋工程量的计算规则。
要求熟练应用平法制图规则(03G101-1),掌握现浇混凝土柱构件中钢筋工程量的计算规则,同时熟悉计算机软件的应用。
温 故 知 新 以下图为例,回顾《平面整体表示方法制图规则》(03G101-1)相关内容——柱平法施工图制图规则(P7~P11和P37~P45)。
1.柱的 “平法” 表示方法 ——截面 注写法层高标高(m )层号4.5 -4.530 -1 4.5 -0.030 1 4.2 4.470 2 3.6 8.670 3 3.6 12.270 4 15.870 屋面2.柱的“平法”表示方法——列表注写法柱要计算哪些钢筋量呢• 参考平法图集: • 03G101-1• 04G101-3(筏形基础)一、基础层插筋计算(1)柱直接生根于基础板; (2)柱生根于基础梁上。
(1)柱插筋在基础板中的锚固构造04G101-3第45页楼层名称构件分类 分类细分计算哪些量 名称单位基础层无梁 基础基础板厚小于2000 基础插筋、 箍筋 长度、根数、 重量基础板厚大于2000有梁 基础基础梁底与基础板底平 基础梁顶与基础板顶平 -1层 纵筋、箍筋长度、根数、重量首层 中间层顶层中柱边柱 角柱(2)柱插筋在基础主梁中的锚固构造04G101-3第32页7(3)基础插筋计算基础插筋长度=弯折长度a + 竖直长度h1 + 非连接区Hn/3 + 搭接长度LlE8二、柱纵筋长度的算法(1) - 1层柱子纵筋长度(如下图)纵筋长度=- 1层层高-(- 1层非连接区Hn/3)+ 1层非连接区Hn/3 + 搭接长度LlE如果出现多层地下室,只有基础层顶面和首层顶面是1/3净高其余均为(1/6净高、500、柱截面长边)取大值(2) 1层柱子纵筋长度(如下图)纵筋长度=首层层高- 首层非连接区Hn/3 + max(Hn/6,hc,500) + 搭接长度LlE(3) 中间层柱子纵筋长度(如下图)纵筋长度=中间层层高- 当前层非连接区+(当前层+ 1)非连接区+ 搭接长度LlE非连接区=max(1/6Hn、500、Hc)(4) 顶层柱纵筋计算顶层柱因其所处位置不同,分为中柱、边柱和角柱三类。
-----WORD格式--可编辑--专业资料-----一.计算公式(结果Ф12以内保留三位小数,以上保留两位小数)1.直钢筋:L=构件长-保护层厚度(查看03G101-1或设计说明)+弯钩长度(90度:6.25d,180度:3.5d,135度:4.9d,直线段皆为3d)2.弯起钢筋:L=直钢筋+斜段增加长度(斜长与水平投影部分差值)3.箍筋:L=(A+B)*2-8b(保护层厚度)+4d+弯钩长度1)箍筋根数:n=布箍范围(第1根箍筋与构件外沿相差50mm)/间距+12)箍筋弯钩长度:90/90:13.25d,90/180:10.5d,135/135:13)箍筋加密:(1)柱:底层柱为柱高的1/3,以上区域为max[楼层净高的1/6,500mm,柱长边尺寸(圆柱用直径)] (2)梁:max[1.5倍的梁高,500mm]4.钢筋理论质量:m=钢筋计算长度*该钢筋每米质量=钢筋直径的平方(mm(Φ6=0.222 Kg,Φ6.5=,Φ8=,Φ10=,Φ12=,Φ14=,Φ16=,Φ18=,Φ24=,Φ22=,Φ25=3.85kg,Φ28=)5.基础插筋:L=基础高-保护层厚度+伸出基础高度+max[10d,200mm]二.钢筋工程量定额计算规则1.钢筋工程,应区别现浇、预制构件、不同钢种和规格,分别按设计长度乘以单位重量,以吨计算。
2.计算钢筋工程量时,设计已规定钢筋塔接长度的,按规定塔接长度计算;设计未规定塔接长度的,已包括在钢筋的损耗率之内,不另计算塔接长度。
钢筋电渣压力焊接、套筒挤压等接头,以个计算。
3.先张法预应力钢筋,按构件外形尺寸计算长度,后张法预应力钢筋按设计图规定的预应力钢筋预留孔道长度,并区别不同的锚具类型,分别按下列规定计算:(1)低合金钢筋两端采用螺杆锚具时,预应力的钢筋按预留孔道长度减,螺杆另行计算。
(2)低合金钢筋一端采用徽头插片,另一端螺杆锚具时,预应力钢筋长度按预留孔道长度计算,螺杆另行计算。
钢筋混凝土结构中的梁、板、柱、墙分别计算,执行各自相应的定额子目、和墙连在一起的暗梁、暗柱并人墙的工程量中,执行墙的定额子目;突出墙或梁外的装饰线,并人墙或梁的工程量中。
压型钢板或模壳上现浇混凝土,均执行板的相应定额子目。
柱(l)柱按图示断面面积乘以柱高,以立方米计算。
柱高按下列规定确定:①有梁板的柱高,应自柱基上表面(或楼板上表面)算至上一层楼板上表面。
②无梁板的柱高,应自柱基上表面(或楼板上表面)算至柱帽下表面。
③构造柱的柱高从柱基或地梁上表面算至柱顶面。
④混凝土芯柱的高度按孔的图示高度计算。
(2)构造柱与砖墙嵌入部分的体积并入柱身体积内计算。
(3)依附于柱上的牛腿,按图示尺寸以立方米计算并人柱工程量中。
(4)柱帽按图示尺寸以立方米计算,并入板的工程量中。
(5)预制框架柱接头按图示尺寸以立方米计算。
梁(1)按图示断面面积乘以梁长,以立方米计算。
梁长按下列规定确定:①梁与柱连接时,梁长算至柱侧面。
②主梁与次梁连接时,次梁长算至主梁侧面。
③梁与墙连接时,梁长算至墙侧面。
如墙为砌块(砖)墙时,伸入墙内的梁头和梁垫的体积并入梁的工程量中。
④圈梁的长度,外墙按中心线,内墙按净长线计算。
⑤过梁按图示尺寸计算。
(2)圈梁代过梁,其过梁的体积并入圈梁工程量中。
(3)叠合梁按设计图示二次浇注部分的体积计算。
板(1)按图示面积乘以板厚以立方米计算,不扣除轻质隔墙、垛、柱及0.3m2以内的孔洞所占的体积。
板的图示面积按下列规定确定:①有梁板按梁与梁之间的净尺寸计算。
②无梁板按板外边线的水平投影面积计算。
③平板按主墙间的净面积计算。
④板与圈梁连接时,算至圈梁侧面;板与砖墙连接时,伸入墙内板头体积并入板工程量中。
(2)斜板按图示尺寸以立方米计算。
(3)迭合板按图示尺寸将板和肋(板缝)合并计算。
(4)补板缝按预制板长度乘以板缝宽度再乘以板厚以立方米计算,预制板边八字角部分的体积不另行计算。
(5)双曲薄壳:包括双曲拱顶和依附于边缘的梁、横隔板、横隔拱梁按图示尺寸以立方米计算。
板底筋长度=净跨+伸进长度*2+弯勾2*6.25*d板底筋根数=ceil((净跨-2*起步距离)/间距)+1(起步距离=第一根钢筋距梁或墙边50mm)板中间支座负筋长度=水平长度+弯折长度*2板端支座板负筋长度=锚入长度+弯勾+板内净尺寸+弯折长度板负筋根数=ceil((净跨-2*起步距离)/间距)+1(起步距离=第一根钢筋距梁或墙边50mm)板负筋分布筋长度=轴线长度-负筋标注长度*2+参差长度*2(轴线长度-轴线两边内梁的宽度)(参差长度是分布筋和负筋搭接长度)板端支座负筋的分布筋根数=负筋板内净长/间距(取整)+1板中间支座负筋的分布筋的根数=布筋范围1/间距(取整)+布筋范围2/间距(取整)+1温度筋长度=轴线长度-负筋标注长度*2+参差长度*2(参差长度是温度筋和负筋搭接长度)温度筋根数(梁一跨中间的非加密区根数)=(净跨长度-负筋伸入板内的净长)/温度筋间距-1马凳筋∏型长度=L1+L2*2+L3*2马凳筋∏型双层双向板马凳筋根数=板净面积/(间距*间距)+1马凳筋∏型负筋马凳筋根数=排数*负筋布筋长度/间距+1马凳筋一字型长度=L1+L2*2+L3*2或L1+L2*2+L3*4马凳筋一字型根数=排数*每排个数梁上部通筋长度=总净跨长+左支座锚固+右支座锚固+搭接长度*搭接个数梁上部边支座负筋(第一排)=1/3净跨长+左支座锚固梁上部边支座负筋(第二排)=1/4净跨长+左支座锚固梁上部中间支座负筋(第一排)=1/3净跨长(取大值)*2+支座宽梁上部中间支座负筋(第二排)=1/4净跨长(取大值)*2+支座宽梁架立筋长度=净跨-两边负筋净长+150*2(注意钢筋类别)梁侧面构造钢筋长度=净跨长+2×15d+搭接长度*搭接个数(注意钢筋类别)梁侧面受扭钢筋长度=净跨长+左支座锚固+右支座锚固+搭接长度*搭接个数(注意钢筋类别)梁下部通筋长度=总净跨长+左支座锚固+右支座锚固+搭接长度*搭接个数梁边跨下部筋长度=本身净跨+左锚固+右锚固梁中间跨下部筋长度=本身净跨+左锚固+右锚固梁箍筋长度=2*(H-2*25+B-2*25)+(11.9*2+8)d二-四级抗震箍筋根数计算加密区根数=(1.5*梁高-50)/加密间距+1 (一跨分左加密、右加密)非=(净跨长-左加密区-右加密区)/非加密间距-1总根数=加密*2+非加密梁拉筋长度=梁宽-2*保护层+2*11.9d+2*d拉筋根数:如果我们没有在平法输入中给定拉筋的布筋间距,那么拉筋的根数=(箍筋根数/2)×(构造筋根数/2);如果给定了拉筋的布筋间距,那么拉筋的根数=布筋长度/布筋间距。
2、梁、板、柱等构件的混凝土结构钢筋构造详图简介详图目录1.第一章梁………………………………………………………………………(11G101-1)25-912.第二章柱………………………………………………………………………(11G101-1)8-673.第三章柱下独立基础…………………………………………………………(11G101-3)7-634.第四章板式楼梯………………………………………………………………(11G101-2)11-24 《混凝土结构施工图平面整体表示方法制图规则和构造详图》图集系列第01本:03G101-1(现浇混凝土框架、剪力墙、框-剪、框支剪力墙结构)第02本:03G101-2(现浇混凝土板式楼梯)第03本:04G101-3(筏形基础)第04本:04G101-4(现浇混凝土楼面与屋面板)第05本:08G101-5(箱形基础和地下室结构)第06本:06G101-6(独立基础、条形基础、桩基承台)第07本:08G101-11(G101系列图集施工常见问题答疑图解)2011年9月1日起,11G101-1(代替03G101-1、04G101-4)、11G101-2(代替03G101-2)、11G101-3(代替04G101-4、08G101-5、06G101-6)11G101-1(现浇混凝土框架、剪力墙、梁、板)11G101-2(现浇混凝土板式楼梯)11G101-3(独立基础、条形基础、筏形基础及桩基承台)《混凝土结构施工钢筋排布规则与构造详图》图集系列第08本:06G901-1(现浇混凝土框架、剪力墙、框-剪结构)第09本:09G901-2(现浇混凝土框架、剪力墙、框-剪、框支剪力墙结构)第10本:09G901-3(筏形基础、箱形基础、地下室结构、独立基础、条形基础、桩基承台)第11本:09G901-4(现浇混凝土楼面、屋面板)第12本:09G901-5(现浇混凝土板式楼梯)具体要求重点掌握以下内容:第一章梁(11G101-1具体页码:25-35、53-56、59、79-91)第二章柱(11G101-1具体页码:8-12、53-67)第三章柱下独立基础(11G101-3具体页码:7-20、54-57、59、60、63)第四章板式楼梯(11G101-2具体页码:11-24)3、手工计算梁、板、柱等构件钢筋工程量的方法介绍目录第一章框架梁、非框架梁、梁悬挑端等钢筋工程量计算 (34)第二章各类框架柱的钢筋工程量计算 (37)第三章现浇板的各类钢筋工程量计算 (39)第四章钢筋工程量计算常见问题解释 (39)第一章框架梁、非框架梁、梁悬挑端等钢筋工程量计算第一节框架梁一、首跨钢筋的计算1.上部贯通筋(注意屋面框架梁的支座锚固规定,详见图集11G101-1的53、59、79、80)上部贯通筋(上通长筋1)长度=通跨净跨长+首尾端支座锚固值+接头长度(接头长度=接头个数n ×单个接头钢筋长度l ,式中: 接头个数()18-+=按大数取整首尾端支座锚固值通跨净跨长n 单个接头钢筋长度l 分为三种情况:①搭接—按搭接长度规定lE l 计算,不另计算搭接费用;②焊接有单面焊接和双面焊接两种,单面—12d ,双面—6d ,同时应计算接头个数,套主筋焊接项目;③机械连接:只算接头个数,套直螺纹连接项目,不算钢筋长度。
梁.柱子的钢筋量怎么计算2009-07-20 09:33钢筋计算原理及计算方法钢筋重量=钢筋长度*根数*理论重量钢筋长度=净长+节点锚固+搭接+弯钩(一级抗震)柱基础层:筏板基础〈=2000mm时,基础插筋长度=基础层层高-保护层+基础弯折a+基础纵筋外露长度HN/3+与上层纵筋搭接长度LLE(如焊接时,搭接长度为0)筏板基础〉2000mm时,基础插筋长度=基础层层高/2-保护层+基础弯折a+基础纵筋外露长度HN/3+与上层纵筋搭接的长度LLE(如焊接时,搭接长度为0)地下室:柱纵筋长度=地下室层高-本层净高HN/3+首层楼层净高HN/3+与首层纵筋搭接LLE(如焊接时,搭接长度为0)首层:柱纵筋长度=首层层高-首层净高HN/3+max(二层净高HN/6,500,柱截面边长尺寸(圆柱直径))+与二层纵筋搭接的长度LLE(如焊接时,搭接长度为0)中间层:柱纵筋长度=二层层高-max(二层层高HN/6,500,柱截面尺寸(圆柱直径))+max(三层层高HN/6,500,柱截面尺寸(圆柱直径))+与三层搭接LLE(如焊接时,搭接长度为0)顶层:角柱:外侧钢筋长度=顶层层高-max(本层楼层净高HN/6,500,柱截面长边尺寸(圆柱直径))-梁高+1.5LAE内侧钢筋长度=顶层层高-max(本层楼层净高HN/6,500,柱截面长边尺寸(圆柱直径))-梁高+LAE 其中锚固长度取值:当柱纵筋伸入梁内的直径长〈LAE时,则使用弯锚,柱纵筋伸至柱顶后弯折12d,锚固长度=梁高-保护层+12d;当柱纵筋伸入梁内的直径长〉=LAE时,则使用直锚:柱纵筋伸至柱顶后截断,锚固长度=梁高-保护层,当框架柱为矩形截面时,外侧钢筋根数为:3根角筋,b边钢筋总数的1/2,h边总数的1/2。
内侧钢筋根数为:1根角筋,b边钢筋总数的1/2,h边总数的1/2。
边柱:外侧钢筋长度=顶层层高-max(本层楼层净高HN/6,500,柱截面长边尺寸(圆柱直径))-梁高+1.5LAE内侧钢筋长度=顶层层高-max(本层楼层净高HN/6,500,柱截面长边尺寸(圆柱直径))-梁高+LAE 当框架柱为矩形截面时,外侧钢筋根数为:2根角筋,b边一侧钢筋总数内侧钢筋根数为:2根角筋,b边一侧钢筋总数,h边两侧钢筋总数。
梁、板、柱、墙钢筋计算原理钢筋重量=钢筋长度*根数*理论重量钢筋长度=净长+节点锚固+搭接+弯钩(一级抗震)柱1、基础层:⑴筏板基础﹤=2000mm时,基础插筋长度=基础层层高-保护层+基础弯折a+基础纵筋外露长度hn/3+与上层纵筋搭接长度Lle(如焊接时,搭接长度为0)⑵筏板基础〉2000mm时,2、基础插筋长度=基础层层高/2-保护层+基础弯折a+基础纵筋外露长度hn/3+与上层纵筋搭接的长度Lle柱纵筋长度=地下室层高-本层净高hn/3+首层楼层净高hn/3+与首层纵筋搭接Lle(如焊接时,搭接长度为0)3、首层:柱纵筋长度=首层层高-首层净高hn/3+max(二层净高hn/6,500,柱截面边长尺寸(圆柱直径))+与二层纵筋搭接的长度Lle(如焊接时,搭接长度为0)4、中间层:柱纵筋长度=二层层高-max(二层层高hn/6,500,柱截面尺寸(圆柱直径))+max(三层层高hn/6,500,柱截面尺寸(圆柱直径))+与三层搭接Lle(如焊接时,搭接长度为0)5、顶层:角柱:外侧钢筋长度=顶层层高-max(本层楼层净高hn/6,500,柱截面长边尺寸(圆柱直径))-梁高+1.5Lae内侧钢筋长度=顶层层高-max(本层楼层净高hn/6,500,柱截面长边尺寸(圆柱直径))-梁高+Lae注:其中锚固长度取值:⑴、当柱纵筋伸入梁内的直径长〈Lae时,则使用弯锚,柱纵筋伸至柱顶后弯折12d,锚固长度=梁高-保护层+12d;⑵、当柱纵筋伸入梁内的直径长〉=Lae时,则使用直锚:柱纵筋伸至柱顶后截断,锚固长度=梁高-保护层,⑶、当框架柱为矩形截面时,外侧钢筋根数为:3根角筋,b边钢筋总数的1/2,h边总数的1/2。
内侧钢筋根数为:1根角筋,b边钢筋总数的1/2,h边总数的1/2。
6、边柱:⑴、外侧钢筋长度=顶层层高-max(本层楼层净高hn/6,500,柱截面长边尺寸(圆柱直径))-梁高+1.5Lae⑵、内侧钢筋长度=顶层层高-max(本层楼层净高hn/6,500,柱截面长边尺寸(圆柱直径))-梁高+Lae⑶、当框架柱为矩形截面时,外侧钢筋根数为:2根角筋,b边一侧钢筋总数内侧钢筋根数为:2根角筋,b边一侧钢筋总数,h边两侧钢筋总数。
板梁柱钢筋计算公式一、梁(1)框架梁一、首跨钢筋的计算1、上部贯通筋上部贯通筋(上通长筋1)长度=通跨净跨长+首尾端支座锚固值2、端支座负筋端支座负筋长度:第一排为Ln/3+端支座锚固值;第二排为Ln/4+端支座锚固值3、下部钢筋下部钢筋长度=净跨长+左右支座锚固值以上三类钢筋中均涉及到支座锚固问题,那么总结一下以上三类钢筋的支座锚固判断问题:支座宽≥Lae且≥0.5Hc+5d,为直锚,取Max{Lae,0.5Hc+5d }。
钢筋的端支座锚固值=支座宽≤Lae或≤0.5Hc+5d,为弯锚,取Max{Lae,支座宽度-保护层+15d }。
钢筋的中间支座锚固值=Max{Lae,0.5Hc+5d }4、腰筋构造钢筋:构造钢筋长度=净跨长+2×15d抗扭钢筋:算法同贯通钢筋5、拉筋拉筋长度=(梁宽-2×保护层)+2×11.9d(抗震弯钩值)+2d拉筋根数:如果我们没有在平法输入中给定拉筋的布筋间距,那么拉筋的根数=(箍筋根数/2)×(构造筋根数/2);如果给定了拉筋的布筋间距,那么拉筋的根数=布筋长度/布筋间距。
6、箍筋箍筋长度=(梁宽-2×保护层+梁高-2×保护层)*2+2×11.9d+8d箍筋根数=(加密区长度/加密区间距+1)×2+(非加密区长度/非加密区间距-1)+1注意:因为构件扣减保护层时,都是扣至纵筋的外皮,那么,我们可以发现,拉筋和箍筋在每个保护层处均被多扣掉了直径值;并且我们在预算中计算钢筋长度时,都是按照外皮计算的,所以软件自动会将多扣掉的长度在补充回来,由此,拉筋计算时增加了2d,箍筋计算时增加了8d。
7、吊筋吊筋长度=2*锚固(20d)+2*斜段长度+次梁宽度+2*50,其中框梁高度>800mm 夹角=60°≤800mm 夹角=45°二、中间跨钢筋的计算1、中间支座负筋中间支座负筋:第一排为:Ln/3+中间支座值+Ln/3;第二排为:Ln/4+中间支座值+Ln/4注意:当中间跨两端的支座负筋延伸长度之和≥该跨的净跨长时,其钢筋长度:第一排为:该跨净跨长+(Ln/3+前中间支座值)+(Ln/3+后中间支座值);第二排为:该跨净跨长+(Ln/4+前中间支座值)+(Ln/4+后中间支座值)。