多级跌水计算
- 格式:xls
- 大小:62.00 KB
- 文档页数:32
精心整理跌水水景中的计算实例某宾馆根据其地形条件在大堂内设计一溢流式跌水景,为扇形结构,第一级跌水高度P为2.1 m,堰口为弧线形,长度b=14.65 m,堰顶宽δ=0.15 m,跌水台阶宽度lt=0.7m。
2.1计算跌水流量Q根据宾馆大堂环境的要求,跌水流量不须太大,因此,初始选定堰前水头H=0.2kPa,根据堰流的出口形式,流量系数M=1417.4,因此试算流量:2.2校核跌水水舌ld根据试算流量Q可求出跌水景溢流口的单宽流量:q=Q/b=4.007×10-3 m3/(s·m)由此得D=q2/(g·p3)=1.7673×10-7跌水水舌长度:ld=4.30×D0.27×P=0.136m0.1<ld <2/3lt经校核,跌水景水舌长度lt在合理范围内,因此,选定的流量可作为选用跌水景循环水泵的依据。
水景中的跌水水景设计(一)在水景设计中,跌水水景是构成溪流、叠流、瀑布等水景的基本单元,具有动态和声响的效果,因而应用较广。
与静态水景不同,动态水景的水是流动的,其流动性一般用循环水泵来维持,水量过大则能耗大,长期运转费用高;水量过小则达不到预期的设计效果。
因此,根据水景的规模确定适当的水流量十分重要。
1跌水水景的水力学特征及计算跌水水景实际上是水力学中的堰流和跌水在实际生活中的应用,跌水水景设计中常用的堰流形式为溢流堰.根据δ和H的相对尺寸,堰流流态一般分为薄壁堰流、实用堰流、宽顶堰流等三种形式:当δ/H<0.67,为薄壁堰流;0.67<δ/H<2.5,为实用堰流;2.5<δ/H<10,为宽顶堰流;δ/H>10,为明渠水流,不是堰流。
跌水水景设计中,常用堰流形态为宽顶堰流。
当跌水水景的土建尺寸确定以后,首先要确定跌水水景流量Q,当水流从堰顶以一定的初速度v0落下时,它会产生一个长度为ld的水舌。
跌水水利计算一、跌水口的泄流能力计算跌水口的泄流能力可按堰流公式计算:式中:m ——流量系数,采用m=0.42~0.45;选取m=0.43ε——侧收缩系数,采用ε=0.85~0.95;选取ε=0.90H 0—上游总水头(m ), ,H 为上游渠道水深(m ),v 0值可以忽略不计,故取H 0=H计算结果见下表:跌水泄流流量数据表二、消力池长度L 计算消力池长度L 计算可按下式计算:——射流距离(m ),——池内水跃长度(m ),可按闸后消力池一样计算 式中各尺寸详见下图。
Cl l L -+=21gv H H 2200+=2/302H g mb Q ε=1l 2l对于珲春灌区跌水工程,取C 值为零,则上式可简化为 (1)求水跃长度2l其中:φ——流速系数,通常选取0.95~1.0,这里选取95.0=φ。
c h ——跃前水深,即为收缩断面处水深。
"h ——跃后水深q ——单宽流量(2)求挑流距离1l当跌水口为平底时,按下式计算挑流距离:)24.0(74.1001H P H l ⨯+⨯⨯=其中:P ——跌差0H ——跌水坎上总水头据上述公式,可计算得到消力池长度值见下表:2v 0/2g21l l L +=2202c c h g q h P H φ+=+)181(232"-+⨯=cc gh q h h )9.1(5.28.0"2c h h l -⨯⨯=图-1三、消力墙高度d 计算(见图-1)(1)消力墙按淹没堰流设计,需要试算。
即假定一个d 值,求墙上水深采用:d h H -⨯="105.1,采用Excel 试算结果如下:四、海漫长度的计算海漫长度可按南京水利科学院研究总结一些已建成水闸所得出的经验公式计算:HL∆=Kq式中:L——海漫长度(m) q——单宽流量 K——系数,对于粗沙及粘性土壤,K=8~9,H∆——上下游水位差。
(注:范文素材和资料部分来自网络,供参考。
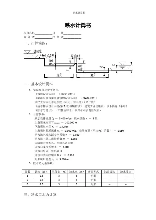
跌水计算书项目名称_____________日期_____________设计者_____________校对者_____________一、计算简图:二、基本设计资料1.依据规范及参考书目:《水闸设计规范》(SL265-2001)《灌溉与排水渠系建筑物设计规范》(SL482-2011)武汉大学水利水电学院《水力计算手册》(第二版)《给水排水设计手册(第7册)城镇防洪》建筑工业出版社,以下简称《手册》《跌水与陡坎》(刘韩生等著,中国水利水电出版社)2.计算参数:跌水设计流量Q =5.400 m3/s;跌水级数n =3级上游渠底高程▽上游渠底=100.000 m下游渠道水深h t=1.300 m上游渠道行近流速v o=0.000 m/s;动能修正(不均匀)系数α=1.050消力池末端水跃安全系数σ=1.050消力坎上第二流量系数M =1.860末级消力池型式:挖深式消力池进水口淹没系数σs=1.000进水口型式:矩形缺口进水口侧向收缩系数ε=0.900矩形缺口宽度b c=3.000 m3.跌水消力池参数:矩形缺口计入行近流速的进水口水深Ho =[Q/(ε×σs×M×b c)]2/3式中ε——侧收缩系数,一般采用0.85~0.95;M ——宽顶堰的第二流量系数,取为1.62;b c——矩形缺口宽度,m;σs——进水口淹没系数,一般取1.0。
Ho =[5.400/(0.900×1.000×1.620×3.000)]2/3=1.151 m进水口水深H =Ho-α×v o2/2/gH =1.151-1.050×0.0002/2/9.81 =1.151 m四、第一级跌水计算1.消力池共轭水深计算:该级跌水跌深P=2.500m,采用降低渠底形成消力池,假定坎高C=0.800To =Ho +P +C =1.151+2.500+0.800=4.451 m跃前水深h1可由下式确定:To =h1+Q2 / (2 g φ2 ω12)式中φ——跃前断面流速系数,与跌水壁高度有关,可由《手册》表8.6查得;ω1——跃前断面水流面积,m2;经试算得到跃前水深h1=0.219 m跃后水深h2可由平底沟渠上水跃基本方程试算得到:αo×Q2/g/ω1+y1×ω1=αo×Q2/g/ω2+y2×ω2式中αo ——动能修正(不均匀)系数,取值在1.0~1.1之间;ω1——跃前断面水流面积,m2;y1——跃前水流断面重心离水面的深度,m;ω2——跃后断面水流面积,m2;y2——跃后水流断面重心离水面的深度,m。
水资源阶梯计算公式
假设P为水费,V为用水量(单位为立方米),则水费P的计算公式如下所示:
当V <= V1时,P = V R1。
当V1 < V <= V2时,P = V1 R1 + (V V1) R2。
当V2 < V <= V3时,P = V1 R1 + (V2 V1) R2 + (V V2) R3。
当V > V3时,P = V1 R1 + (V2 V1) R2 + (V3 V2) R3 + (V V3) R4。
其中,V1、V2、V3为不同阶梯的用水量分界点,R1、R2、R3、R4为不同阶梯的水费单价。
这个计算公式的含义是,当用水量在不同的阶梯范围内时,按照不同的水费单价进行计费,从而形成阶梯式的水费收费模式。
这种模式可以激励用户节约用水,同时也能够在一定程度上保障水费
收入,维持水资源的可持续利用。
需要注意的是,不同地区的水资源阶梯计费标准可能会有所不同,具体的计费公式和阶梯设置应当参考当地相关政策法规或水务部门的规定。
跌水水利计算一、跌水口的泄流能力计算跌水口的泄流能力可按堰流公式计算:式中:m ——流量系数,采用m=0.42~0.45;选取m=0.43ε——侧收缩系数,采用ε=0.85~0.95;选取ε=0.90H 0—上游总水头(m ), ,H 为上游渠道水深(m ),v 0值可以忽略不计,故取H 0=H计算结果见下表:跌水泄流流量数据表二、消力池长度L 计算消力池长度L 计算可按下式计算:——射流距离(m ),——池内水跃长度(m ),可按闸后消力池一样计算 式中各尺寸详见下图。
Cl l L -+=21gv H H 2200+=2/302H g mb Q ε=1l 2l对于珲春灌区跌水工程,取C 值为零,则上式可简化为 (1)求水跃长度2l其中:φ——流速系数,通常选取0.95~1.0,这里选取95.0=φ。
c h ——跃前水深,即为收缩断面处水深。
"h ——跃后水深q ——单宽流量(2)求挑流距离1l当跌水口为平底时,按下式计算挑流距离:)24.0(74.1001H P H l ⨯+⨯⨯=其中:P ——跌差0H ——跌水坎上总水头据上述公式,可计算得到消力池长度值见下表:2v 0/2g21l l L +=2202c c h g q h P H φ+=+)181(232"-+⨯=cc gh q h h )9.1(5.28.0"2c h h l -⨯⨯=图-1三、消力墙高度d 计算(见图-1)(1)消力墙按淹没堰流设计,需要试算。
即假定一个d 值,求墙上水深采用:d h H -⨯="105.1,采用Excel 试算结果如下:四、海漫长度的计算海漫长度可按南京水利科学院研究总结一些已建成水闸所得出的经验公式计算:HL∆=Kq式中:L——海漫长度(m) q——单宽流量 K——系数,对于粗沙及粘性土壤,K=8~9,H∆——上下游水位差。
(注:范文素材和资料部分来自网络,供参考。