福州市励志中学物理声现象实验单元测试题(Word版 含解析)
- 格式:doc
- 大小:212.00 KB
- 文档页数:9
声现象单元测试题及答案### 声现象单元测试题#### 一、选择题(每题5分,共30分)1. 声音是由物体的什么产生的?A. 振动B. 静止C. 运动D. 摩擦2. 以下哪种介质不能传播声音?A. 空气B. 水C. 真空D. 固体3. 声音在空气中的传播速度大约是多少?A. 340 m/sB. 1000 m/sC. 2000 m/sD. 3000 m/s4. 人耳能听到的声音频率范围大约是多少?A. 20 Hz - 20000 HzB. 20 Hz - 200000 HzC. 200 Hz - 2000 HzD. 2000 Hz - 20000 Hz5. 声音的响度与以下哪个因素有关?A. 振幅B. 频率C. 传播距离D. 介质密度6. 以下哪种现象不属于声音的反射?A. 回声B. 隔音C. 回音壁D. 声波的衍射#### 二、填空题(每空3分,共30分)1. 声音的三个特性分别是______、______和______。
2. 声音在不同介质中的传播速度不同,一般来说,在固体中的传播速度比在液体中______,在液体中的传播速度比在气体中______。
3. 人耳能够听到的声音频率范围是有限的,超出这个范围的声音被称为______。
4. 声音的响度与声源的______有关,振幅越大,声音的响度______。
5. 声音的音色是由发声体的______决定的。
#### 三、简答题(每题20分,共40分)1. 请简述声音是如何产生的,并说明声音在不同介质中的传播速度有何不同。
答:声音是由物体的振动产生的。
当物体振动时,会使周围的介质(如空气、水、固体等)也产生振动,从而形成声波。
声波在不同介质中的传播速度不同,这主要取决于介质的密度和弹性。
一般来说,声波在固体中的传播速度最快,其次是液体,最慢的是气体。
2. 请解释什么是超声波和次声波,并说明它们在实际生活中的应用。
答:超声波是指频率高于20000 Hz的声音,而次声波是指频率低于20 Hz的声音。
一、初二物理声现象实验易错压轴题(难)1.在探究声音的产生和传播的条件时,同学们做了以下实验.(1)小华同学将一只通电的小电铃放在连通了抽气机的玻璃罩内,如图1所示,用抽气机把玻璃罩内的空气逐渐抽出,会发现声音的响度逐渐减小。
如果把空气又逐渐通入玻璃罩内,将会发现_________,此实验说明_______。
(2)小丽等同学利用如图2所示的实验装置进行探究,将系在细线上的乒乓球靠近音叉。
①当小丽同学用小锤敲击音叉的时候,既能听到音叉发出的声音,又能观察到________,通过实验现象得到的结论是__________。
②乒乓球在实验中起到什么作用?_________。
③在实验操作过程中,小丽同学采用:先将音叉离开乒乓球一定距离后敲击音叉,然后再靠近乒乓球,观察现象;小刚同学采用:先将音叉贴紧乒乓球,然后再敲击音叉,观察现象。
你认为哪位同学的操作合理?________。
理由是______。
【答案】声音的响度逐渐增大声音的传播需要介质乒乓球被弹起跳动发声的音叉在振动将不易观察到的音叉的振动转化为乒乓球的弹起小丽小刚的做法分不清是音叉振动让乒乓球跳动起来,还是敲击音叉的人的动作让乒乓球跳动起来【解析】【分析】【详解】(1)[1][2]随着玻璃罩内空气的逐渐减少,声音响度逐渐减小,如果把空气逐渐通入玻璃罩,声音响度会逐渐增大。
说明声音的传播需要介质;(2)[3][4]用小锤敲击音叉时,既能听到声音又能观察到乒乓球被弹起跳动,说明发声的音叉在振动;[5]实验中利用乒乓球把音叉不易观察的微小振动转化为乒乓球的明显振动;[6][7]小丽同学先敲击音叉,然后将音叉再靠近乒乓球,若乒乓球振动,则能证明发声的音叉在振动;小刚先将音叉贴紧乒乓球,然后敲击音叉,若乒乓球振动,则分不清是因为人敲击使球振动,还是音叉引起球的振动。
所以小刚的操作不合理。
2.观察表,试写出三个与声音传播速度有关的结论.在空气中在气、固、液体中在空气中温度(℃)声速(米/秒)介质声速(米/秒)频率(赫兹)声速(米/秒)0330氧气316200034015340水1450100034030349冰3160500340100386铁4900﹣5000256340可初步得出的结论有:(1)由第一第二列可得:_____.(2)由第三第四列可得:_____.(3)由第五第六列可得:_____.【答案】同种介质中,声音传播的速度与介质温度有关不同介质中,声音传播的速度不同,一般固体中最快,液体中次之,空气中最慢声音传播的速度与频率无关【解析】【详解】(1)由表中第一第二列可以看出,同样是在空气中,温度不同,声速也会不同,故可得出:同种介质中,声音传播的速度与介质温度有关;(2)由表中第三第四列可以看出,不同介质中,声速不同,且固体中最快,液体中次之,空气中最慢;(3)由表中第五第六列可以看出,频率不同,但声速相同,说明,声音传播的速度与频率无关.3.根据如图所示的实验情景,回答问题:(1)如图①所示的实验现象表明:________.(2)如图②所示,从左向右敲击瓶子时,各瓶发音的音调变化是:________.(选填“由高变低”或“由低变高”)(3)如图③所示,用手指轻叩课桌,使正坐在对面的同学刚好听不到叩击声,再让对面的同学将耳朵紧贴在桌面上,用同样的力度轻叩课桌,这时对面的同学则能听到叩击声.这个实验表明:________(4)如图④所示,正在发声的手机悬挂在密闭的广口瓶内,将瓶内的空气不断抽出时,手机铃声逐渐变小.由这个实验事实得到的推论是:________.(5)如图⑤所示,我们把水倒入瓶中时,通常根据声音的________来判断瓶中水的多少.【答案】声音由物体振动产生由高变低固体传声效果比空气好真空不能传声音调变化【解析】【详解】(1)小纸片的跳动是由于扬声器振动造成的,扬声器发出声音的原因正是由于里边纸盆的振动;所以如图①所示的实验现象表明:声音由物体振动产生;(2)敲击瓶子时,声音主要是瓶身和水柱振动发出的,瓶中盛水越多,瓶子和水的质量越大,越难振动,音调越低,因此从左向右敲打瓶子,音调由高变低;(3)敲课桌的另一端的时候,耳朵贴在桌面上是靠固体传播声音;耳朵离开桌子的时候靠空气传播声音,固体传声效果比气体好,所以耳朵紧贴在桌面上,用同样的力度轻叩课桌,这时对面的同学则能听到叩击声.(4)当用抽气机不断抽气时,手机播放的音乐声逐渐减弱,经过科学推理可得:真空不能传声;(5)往暖水瓶中灌水时,是由暖水瓶内的空气柱振动发出声音,水越来越多,空气柱越来越短,越容易振动,音调越高.所以可以通过发出声音的音调变化来判断暖水瓶中水的多少.4.小丽同学在观察小提琴、二胡等乐器的弦振动时猜想:在弦张紧程度相同的条件下,发声的音调高低还可能与弦的粗细、长短及弦的材料有关。
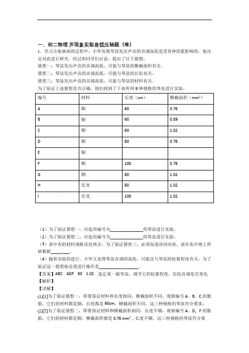
一、初二物理声现象实验易错压轴题(难)1.学习吉他演奏的过程中,小华发现琴弦发出声音的音调高低是受各种因素影响的,他决定对此进行研究。
经过和同学们讨论,提出了以下猜想:猜想一:琴弦发出声音的音调高低,可能与琴弦的横截面积有关。
猜想二:琴弦发出声音的音调高低,可能与琴弦的长短有关。
猜想三:琴弦发出声音的音调高低,可能与琴弦的材料有关。
为了验证上述猜想是否正确,他们找到了下表所列9种规格的琴弦进行实验。
(1)为了验证猜想一,应选用编号为_______________的琴弦进行实验。
(2)为了验证猜想二,应选用编号为_______________的琴弦进行实验。
(3)表中有的材料规格还没填全,为了验证猜想三,必须知道该项内容。
请在表中填上所缺数据_____,___。
(4)随着实验的进行,小华又觉得琴弦音调的高低,可能还与琴弦的松紧程度有关,为了验证这一猜想他还需进行操作是__________________。
【答案】ABC ADF 80 1.02 选定某一根琴弦,调节它的松紧程度,比较音调是否变化【解析】【详解】(1)[1]为了验证猜想一,即要保证材料和长度相同,横截面积不同,观察编号A、B、C的数据,它们的材料都是铜,长度都是60cm,横截面积不同,这三种规格的琴弦符合要求;(2)[2]为了验证猜想二,即要保证材料和横截面积相同,长度不铜,观察编号A、D、F的数据,它们的材料都是铜,横截面积都是0.76 mm2,长度不铜,这三种规格的琴弦符合要求;(3)[3][4]为了验证猜想三,即要保证长度和横截面积相同,材料不同,观察G、H可知,它们长度都是80cm,横截面积都是1.02 mm2,一个是钢材料,另一个是尼龙材料,此时编号E材料是铜,只要长度也是80cm,横截面积也是1.02 mm2即可验证猜想三;(4)[5]为了验证这一猜想,他需要选定某一根琴弦,调节它的松紧程度,比较音调是否变化。
2.王伟同学研究了均匀拉紧的琴弦发音频率与弦长的关系,并记录了实测的数据(如下表所示).分析表格中频率和弦长两行数据可知,均匀拉紧的琴弦发音频率随着弦长变长而________(选填“变大”、“不变”或“变小”);且通过计算可知,琴弦发音频率与弦长的乘积的大小________(选填“是”或“否”)变化的.估算出他有意留出的空格中应该填写的数据①应该是________,②应该是________.【答案】变小否35l495【解析】【分析】【详解】分析表格中频率和弦长两行数据可知,均匀拉紧的琴弦发音频率随着弦长变长而变小;通过计算可知,琴弦发音频率与弦长的乘积都是264L,不发生变化;空格中应该填写的数据①应该是:26434405LL=,②应该是:264495815LL=3.在学习吉他演奏的过程中,小明发现琴弦发出声音的音调高低是受各种因素影响的,他决定对此进行研究,经过和同学们讨论,提出了以下猜想:猜想一:琴弦发出声音的音调高低,可能与琴弦的横截面积有关;猜想二:琴弦发出声音的音调高低,可能与琴弦的长短有关;猜想三:琴弦发出声音的音调高低,可能与琴弦的材料有关.为了验证上述猜想是否正确,他们找来下表的几种规格的琴弦进行实验:(1)为了验证猜想一,应选用编号为___、___的琴弦进行实验;(2)选用编号A、C的两根琴弦进行实验,是为了验证猜想_______;(3)如果小明还想验证猜想三,则他可以选择编号为_______、_______的琴弦进行实验,此时表中所缺的数据应该填_______.【答案】A B 二 C D 0.76【解析】(1)根据控制变量法的思路,为了验证猜想一,应选择长度和材料相同,而横截面积不同的琴弦,所以应选用编号为A和B的琴弦进行实验;(2)选用编号A、C的两根琴弦进行实验,材料和横截面积相同,而长度不同,所以是为了验证猜想二;(3)验证猜想三,同样根据控制变量法的思路,应保证横截面积和长度相同,而材料不同的琴弦进行实验,所以则他可以选择编号为C和D的琴弦进行实验;则此时表中所缺的数据应该填入和C的横截面积相同,即0.76mm2.点睛:关键是实验中控制变量法的应用,当一个结果受多个因素的影响时都使用此方法进行实验,实验时让一个因素变化,而其它因素都控制相等或相同即控制变量.4.为了探究收音机接收电磁波的情况好坏与哪些因素有关,小明将一只袖珍收音机调好电台节目和音量后完成了以下实验:①将收音机放进一只铝锅内,发现声音明显变小,取出后又恢复了原来的音量。
《声现象》测试卷一、单选题1. 将鼓响的鼓面用手一按,响声立即就消失了,下列原因中正确的是( )A. 声波传到鼓内去了B. 鼓面停止了振动C. 鼓的振动变快了D. 以上说法都不对2. 下列关于声音的说法中正确的是( )A. 声音的传播速度与介质无关而只与温度有关B. 声音借助介质以声波的形式传播C. 在10m2的小房间说话听不到回声,是因为空间小,没有产生回声D. 如果月球上发生爆炸,只要爆炸足够剧烈,地球上的人也可以听到爆炸声3. 为了营造积极向上的文化氛围,格致实验学校举行了“童心向党快乐成长”校园合唱比赛。
合唱的“高音”声部和“低音”声部中的“高”和“低”,指的是声音的( )A. 音色B. 响度C. 音调D. 振幅4. 我国的古诗词和民间俗语中往往包含着物理知识,从物理知识运用的角度看,下列对于诗句或俗语理解、解释错误的是( )A. “响鼓也要重锤敲”——声音是由物体振动产生的,且振幅越大,响度越大B. “不敢高声语,恐惊天上人”——声音可以在真空中传播,音调越高,传播得越远C. “闻其声知其人”——可以根据音色来判断说话者是谁D. “长啸一声,山鸣谷应”——声音通过多次反射,可以形成回声5. 下列关于声的应用中,主要体现了声波能够传递能量的是( )A. 声呐探测鱼群位置B. 声波震碎玻璃杯C. 老师用声音解读物理现象D. 蝙蝠利用声音辨别方向6. 地震是一种常见的自然灾害。
发生地震时,被困人员可以敲击周围坚硬物体求救。
下列说法错误的是( )A. 地震时会产生超声波B. 声音可以传递信息C. 声音在固体中传播更快D. 声音的传播需要介质7. 高速公路通过村庄密集区时,在高速公路两侧安装玻璃隔声板,能有效降低噪声,下列减弱噪声的途径与之相同的是( )A. 禁止鸣笛B. 机场跑道工作人员戴防噪声耳罩C. 街道上安装噪声监测仪D. 学校周围植树8. 生活中处处有物理。
下列描述正确的是( )A. 汽车的“倒车雷达”利用超声波来定位B. 防噪声耳塞在传播过程中减弱噪声C. 用“B超”检查身体利用声音传递能量D. 声纹锁依据音调来辨别主人的声音9. 下列关于声音的说法,不正确的是( )A. 临街住宅安装双层玻璃可以减弱噪声B. 长期佩戴耳机开大音量听音乐可能损伤听力C. 北京天坛的回音壁利用了声音反射的原理D. 声呐通过次声波的回声定位探索海洋的秘密10. 生活中经常用“高”、“低”来形容声音,如①女高音,②男低音,③引吭高歌,④低声细语。
一、选择题1.下列的实验和实例,能说明声音的产生或传播条件的一组是()①在鼓面上放些碎纸屑,敲鼓时可观察到纸屑在不停地跳动②当放在真空罩里的手机来电时,只见指示灯闪烁,却听不见铃声③拿一张硬纸片,让它在木梳齿上划过,一次快些,一次慢些,比较两次声音的不同④锣发声时用手按住锣,锣声就消失了A.①②③B.②③④C.①③④D.①②④2.为庆祝中华人民共和国成立70周年,在北京隆重举行了“新时代军乐之声音乐会”,首次采用百名高音礼号和百名军鼓共同演奏号角音乐,乐音回荡夜空,宏伟庄重。
下列关于礼号和军鼓产生的乐音说法正确的是()A.礼号发音不需要振动B.两者在空气中传播速度相同C.两者音色相同D.军鼓的声音属于超声波3.为缓解交通压力,许多大中城市都修建了轻轨,我们看到,紧邻居民区的地方大都安装了封闭的玻璃屏,如图所示,这样做的目的是()A.防止下雨时淋湿列车B.控制速度C.阻断噪声的传播D.美化环境4.中国古诗词文化博大精深,“姑苏城外寒山寺,夜半钟声到客船”,“风声雨声读书声声声入耳,家事国事天下事事事关心”。
下列解释错误的是()A.诗人根据音色判断是钟发出的声音B.钟声可以在空气中传播C.钟声比雨声在空气中传播得快,因为固体传声比液体快D.钟声是由钟体振动产生的5.如图是小明用笛子和二胡奏出的声音经过同一个示波器显示的波形图。
关于这两个声音对比,下列说法正确的是()A.笛子发出声音的响度较大,音调较低B.笛子发出声音的响度较小,音调较高C.笛子发出声音的响度较小,音调较低D.笛子发出声音的响度较大,音调较高6.下列说法中正确的是()A.超声波碎石是声传递信息的应用B.摩托车安装消声器是在人耳处减弱噪声C.一切发声的物体都在振动D.手指在不同位置按住笛孔,主要是为了改变响度7.关于声现象,下列说法中正确的是()A.真空可以传声B.“女高音”中的“高”是指声音的响度C.天坛的“回音壁”的回音现象,说明声音可以发生反射D.用大小不同的力先后敲击同一音叉,音叉发声的音调会不同8.下列的实验中,能说明声音的产生和传播条件的一组是()①在鼓面上放些碎纸屑,敲鼓时可观察到纸屑在不停地跳动②放在真空罩里的手机,当有来电时,只见指示灯闪烁,听不见铃声③拿一张硬纸片,让它在木梳齿上划过,一次快些,一次慢些,比较两次的不同④锣发声时用手按住锣,锣声就消失了⑤将钢尺伸出桌面一定长度,改变拨动钢尺的力度,比较两次的不同A.①②⑤B.①②④C.②③⑤D.①③④9.如图所示,7个相同的水瓶中灌入不同高度的水,仔细调节水的高度后,用相同的力敲击它们,可以发出“1,2,3,4,5,6,7”的声音来。
《声现象》单元测试卷及答案第一部分:选择题(共20题,每题2分,共40分)1. 以下哪个是声音的产生原理?- A. 共鸣- B. 迫近定律- C. 声速- D. 相位答案:A2. 以下哪种物质不传播声音?- A. 空气- B. 水- C. 铁- D. 真空答案:D3. 音调是指声音的什么特性?- A. 响度- B. 频率- C. 声浪- D. 音质答案:B4. 以下哪个参数与声音的强度相关?- A. 声波速度- B. 音量- C. 频率- D. 共振答案:B5. 以下哪一选项是声音传播的最常见方式?- A. 空气传播- B. 固体传播- C. 微波传播- D. 隧道传播答案:A...20. 以下哪个仪器适用于测量声音的频率?- A. 望远镜- B. 尺子- C. 频谱分析仪- D. 温度计答案:C第二部分:简答题(共3题,每题10分,共30分)1. 什么是共振?请简要解释其在声音传播中的作用。
答案:共振指的是当物体的自然频率与外界输入频率相同或接近时,物体会产生共振现象。
在声音传播中,共振可以增大声音的幅度和持续时间,使声音更加明显和延长。
2. 解释声音的音量与振幅之间的关系。
答案:声音的音量与振幅成正比,振幅越大,声音的音量越大;振幅越小,声音的音量越小。
3. 怎样改变声音的音调?答案:声音的音调与声音的频率有关,频率越高,音调越高;频率越低,音调越低。
因此,改变声音的音调可以通过改变声音的频率来实现。
第三部分:计算题(共2题,每题15分,共30分)1. 已知一根弦的长度为2m,弦上的波传播速度为340m/s。
求此弦上最低的共振频率是多少?答案:最低的共振频率为17 Hz。
2. 一台船的声音以340m/s的速度传播,在水中传播的声波波长为1m,求此声音的频率是多少?答案:此声音的频率为340 Hz。
总分:100分此为《声现象》单元测试卷及答案。
祝您好运!。
2021学年初中物理《声现象》单元测试(五)含答案及解析姓名:班级:学号:一、填空题(共1题)1、在狭窄的空间燃放鞭炮比在野外燃放鞭炮时的响度明显大,这是因为在狭小空间声波经过多次造成的。
二、选择题(共12题)1、摩托车内燃机的排气管上装消音器,是为了使噪声A.在声源处减弱B.在传播过程中减弱C.在人耳处减弱D.从上述三条途径减弱2、在日常生活中,常用“高声大叫”、“低声细语”来形容人说话的声音,这里的“高”、“低”是指声音的A、音调B、响度C、音色D、音调和晌度3、如图所示,几个相同的玻璃杯中盛有不同高度的水,敲击时发出的声音音调不同,这是由于声音的卫H目A,振幅不同B,频率不同C.音色不同.D.响度不同4、“闻其声而知其人”意思是,对熟悉的人,听到他的说话声就知道他是谁了。
判断的主要依据是A.音调 D.音色 C.响度 D.频率5、下列有关声现象的说法,错误的是A.一切正在发声的物体都在震动B.声音在真空中也可以传播C.高速公路两侧有一定高度的隔声板,是为了减弱噪音D.公路边植树,既可以净化空气也可以减弱噪音6、关于声现象的下列说法中,正确的是A.人唱歌时,歌声是声带振动产生的B.物体振动得越快,声音的传播速度越大C.回音的声速比原来声音的声速要小D,成语“震耳欲聋”是指声音的音调7、下面关于声现象的叙述,其中正确的是A.只要有振动,就一定能听到声音B.声音可以在固体、液体和气体中传播C.宇航员在月球上也可以直接交谈D.声音在空气中一定比在固体、液体中传播得快8、居住楼房的人们通常用塑料原料制造的洗脸盆或洗菜盆,有的在搪瓷盆底部的外面敷上一层较厚的软橡胶垫,这样做可以A.使盆更加美观B.有效增加盆的容积C.减小因与地面撞击而产生的噪声,以减小对家庭和邻居的影响D.增强其散热性能9、百米赛跑终点记时员,必须看到发令枪冒烟开始计时,这是因为A.看枪冒烟记时方便B.听声音嘈杂听不清枪声C.听枪声记时成绩偏高D.听枪声计时成绩偏低10、:沁"■瀚哪略如图是一种凹下道路的设计,它能起到控制行驶汽车产生的噪声对环境影响的作用。
八年级物理《声现象》测试题(含答案)打印版一、选择题(每题3分,共15分)1. 声音在空气中的传播速度大约是多少?A. 300 m/sB. 340 m/sC. 600 m/sD. 1200 m/s答案:B2. 声音的传播需要什么?A. 介质B. 电流C. 真空D. 磁场答案:A3. 声音的频率单位是什么?A. 米B. 秒C. 赫兹D. 帕斯卡答案:C4. 声音的响度与什么因素有关?A. 频率B. 振幅C. 波长D. 温度答案:B5. 声音的音调与什么因素有关?A. 振幅B. 频率C. 波长D. 速度答案:B二、填空题(每空2分,共10分)6. 声音是由物体的__________产生的。
答案:振动7. 声音的传播速度与介质的__________有关。
答案:密度8. 声音的三个基本特性是__________、__________和__________。
答案:音调、响度、音色9. 当声音的频率高于20000 Hz时,人耳无法听到,这种声音称为__________。
答案:超声波10. 声音在固体中的传播速度__________(大于/小于)在空气中的传播速度。
答案:大于三、简答题(每题5分,共10分)11. 请简述声音的传播过程。
答案:声音的传播过程是:当物体振动时,会在周围的介质中产生一系列的压缩和稀疏区域,这些区域以波的形式向四周传播。
当这些波遇到另一物体时,会使该物体也产生振动,从而传递声音。
12. 请解释声音的回声现象。
答案:声音的回声现象是指声音在传播过程中遇到障碍物时,会被反射回来。
当反射回来的声音与原声叠加时,人耳可以听到回声。
回声现象在声学测量、声纳探测等领域有广泛应用。
八年级物理《声现象》测试题(含答案)打印版四、计算题(每题5分,共10分)13. 已知声音在空气中的传播速度为340 m/s,求频率为440 Hz 的声音的波长。
答案:波长 = 速度 / 频率= 340 m/s / 440 Hz ≈ 0.773 m14. 已知一个音叉的频率为256 Hz,求该音叉在空气中的波长。
1.如图所示,在探究“声音是由物体振动产生的”实验中,将正在发声的音叉紧靠悬线卜•的轻质小球,音符123肓名do re mi频率(Hz)2562883204567fa sol la Si341.3384426.7480八年级物理《声现象》单元检测题一、单项选择题(每题2分,共20分,每个小题只有一个选项正确,请将正确选项的序号填写在表格中)17多次弹开.这样做是为了I F叉的振动尽快停下来B.把音叉的微小振动放大,便于观察音的振动时间延迟D.使声波被多次反射形成凹声2.把正在发丿歸的闹钟放在玻璃罩内,闹钟和罩的底座Z间垫上柔软的泡沫塑料,逐渐抽出罩内的空气,闹钟的声音会逐渐变小,直至听不到声音,这个实验说明A.声音是由物体振动产生的B声音必须通过介质才能传播C.声波在玻璃罩种发生了反射D声波在传播过程中能量逐渐减小3.我们生活在充满声音的海洋里,歌声、风声、汽年喇叭声……・这些不同的声音具有不同的特性,在繁华闹市区设立的噪声检测器是测定声音的A.响度B.音调C.音色D.频率A.、音阶越高,频率越高B、频率越高响度越人C.、频率越高越悦耳动听D.相邻音阶的频率之羌是相同的5.“闻其声而知其人”意思是,对熟悉的人,听到他的说话声就知道他是谁了,判断的主要依据是A.音调B音色C.响度D频率6.小红同学喜欢利用复读机进行英语听力训练,在音录不变的情况下,如果让复读机先正常播放一段录音,然示再快速播放同一段录音,则发岀的声音()A.响度增人,音调不变B.响度减小,音调不变C.响度不变,音调升鬲D.响度不变,音调降低7.上课时,老师对同学们说:“朗读时,声音大一些”,这里的“大”是指声音的A.音调B音色C.响度D频率&小强在使用小提琴前,常常旋动琴弦轴调节琴弦的松紧,这样做的目的丄要是为了改变声音的A、响度B、音调C、音色D、速度9.下列控制噪声的措施屮,属于防止噪声产生的是A、晚上休息时,关闭房间的门窗B、公共场所不要高声噴哗C、街道上安装噪声监测装置D、纺织车间的工人使用防噪声的耳罩10.在运动场上的百米赛跑时,终点计时员为了计时准确,在计时时A、听到枪响同时按下秒表B、看到发令枪发出的白烟同时按下秒表C、听到枪响和看到白烟按表都行D、以上说法都不正确二、多项选择题(每题3分,共30分,每个小题至少有两个选项正确,请将正确选项的序号填写在答题框中,少选的得2分,有错误选项或不选不得分)11.关于声现象,下列说法正确的是()A.—切正在发声的物体都在振动B.声音在真空屮的传播速度为3X108m/sC.放鞭炮时捂耳朵是在传播过程屮减弱噪声D.超声波能够粉碎体内“结石”是因为声波具有能量12.关于超声波的利用屮,是利用声波能传递信息的是A、超声导盲仪B、倒车雷达C、利用超声波清洗精密仪器D、医生利用B超检杳病情13.我们正在教室屮上课,临班教室屮正在利用录音机听音乐,为了减小对我们听课的影响,下列措施中合理的是A、关闭好所有门窗B、将门窗打开,便于空气流通C、请临班同学将录音机音量调小D、每个同学都带一个耳塞14.通常我们能听到物体发出的声音是因为A、没有物质,声音也能传播B、有发声体在振动C、声音能在空气屮传播D、发声体在真空屮振动15.为了增人响度,下列措施可行的是A、喇叭做成筒状B、用医用听诊器听内脏声音C、影院的墙壁做得不太平整光滑D、冋声达到人耳和原声会和使声音加强16.雷南天,我们总是先看到闪电示听到雷声,以下说法屮正确的是A、声音的传播速度比光的传播速度小B、闪电先于雷声产生C、空气可以传声D、声音的传播不需要时间17.关于回声,下列说法不正确的是A、声音在传播过程屮遇到障碍物一定产生冋声B、有了回声,我们一定能听到C、在教室中不会产生回声D、|叫声与原声间隔0. Is以上,人耳才能将两种声音区别1&以下实例能说明声能传递能罐的是A、利用超声波加工高硬度工件B、捕鱼时渔民利用声呐获得水屮鱼群的信息C、古代雾屮航行的水手通过号角的回声能够判断悬崖的距离D、利用超声波把水击碎成小雾滴,在用风扇吹入室内制成加湿器。
一、初二物理光现象实验易错压轴题(难)1.如图是小明利用透明玻璃板“探究平面镜成像特点”的实验装置。
(1)实验时,玻璃板应该_____(选填“竖立”、“斜立”)在白纸上。
(2)实验中选择两根完全一样的蜡烛A和B,其目的是_____。
移动蜡烛B直到它与蜡烛的像位置相同,小明记录了两根蜡烛的位置,目的是_____。
(3)当蜡烛A远离玻璃板时,它的像将_____(选填“靠近”、“远离”)玻璃板,像_____(选填“变大”“变小”“不变”)。
(4)细心的小明透过玻璃观察蜡烛A的像时,看到像的后面还有一个较模糊、与像有部重叠的像,出现两个像的原因是_____。
【答案】竖立为了比较物像的大小关系便于比较像与物到玻璃板的距离是否相等远离不变玻璃的两个表面同时反射,每个表面成一个像【解析】【分析】(1)玻璃板要竖直放置,否则不论怎样移动后面的蜡烛都不会与前面蜡烛成的像完全重合。
(2)平面镜成的像与物体的大小相等;到镜面的距离相等;移动蜡烛B直到它与蜡烛的像位置相同,小明记录了两根蜡烛的位置,便于比较像与物到玻璃板的距离是否相等;(3)物体在平面镜中成虚像,物像大小相等,物像连线与镜面垂直,物像到平面镜的距离相等。
(4)从玻璃的两面都能反射光,利用光的反射现象可知能成两个像,从这个角度去析此题。
【详解】(1)像与物是关于镜子对称的,实验时玻璃板要竖立放置,如果不竖立,成的像就偏高或偏低,后面的蜡烛是摆在桌面上的,不论怎样移动后面的蜡烛都不可能与前面蜡烛的像完全重合。
(2)实验中选择两根完全一样的蜡烛A 和B,是为了比较物像的大小关系;移动蜡烛B直到它与蜡烛的像位置相同,小明记录了两根蜡烛的位置,目的是便于比较像与物到玻璃板的距离是否相等;(3)物与像到平面镜的距离相等,因此若将蜡烛A远离玻璃板时,则像将远离玻璃板移动;平面镜中的像的大小跟物体大小有关,跟物体到平面镜的距离无关,所以物体远离平面镜,像也远离平面镜,像的大小不变(等于物体的大小)。
一、初二物理声现象实验易错压轴题(难)1.某同学为了探究物体发声时振动的频率高低与哪些因素有关,他选择了四根钢丝进行实验,如图所示。
具体数据如下表:编号材料长度粗细松紧甲钢丝10cm0.2mm2紧乙钢丝10cm0.1mm2紧丙钢丝5cm0.1mm2紧丁钢丝5cm0.1mm2松(1)用同样的力拨动钢丝甲和乙,发现拨动______钢丝时的音调高。
由此可以得出的结论是:在弦的长度、松紧程度相同时,振动的频率高低与弦的_________有关。
(2)为了探究发声体振动的频率高低与弦的长度的关系时,他应用同样大小的力先后拨动_______和________钢丝。
(3)先后用同样大小的力拨动钢丝丙和丁,可以得出的结论是: _____________【答案】乙粗细乙丙在钢丝的长度,粗细相同时,钢丝越紧,音调越高。
【解析】【分析】本题考查实验探究能力。
【详解】(1)[1][2]因为甲、乙两根钢丝的长度、松紧度一样,甲比乙粗,乙振动的频率大音调高,该过程是利用控制变量法来研究发声体的音调与其粗细的关系;(2)[3] [4]如果探究发声体音调高低与弦的长度的关系,必须控制两根钢丝的粗细、松紧度一样符合条件的是乙和丙两根钢丝;(3)[5]由图可以知道钢丝丙和丁长度、粗细相同,钢丝的松紧不同先后用同样大小的力拔动丙和丁两根钢丝,丙钢丝发出的音调高丁钢丝发出音调低,由此可以得出的结论是:在钢丝的长度、粗细相同时钢丝越紧音调越。
2.在学习吉他演奏的过程中,小华发现琴弦发出声音的音调高低是受各种因素影响的,他决定对此进行研究。
经过和同学们讨论,提出了以下猜想:猜想一:琴弦发出声音的音调高低,可能与琴弦的横截面积有关猜想二:琴弦发出声音的音调高低,可能与琴弦的长短有关猜想三:琴弦发出声音的音调高低,可能与琴弦的材料有关为了验证上述猜想是否正确,他们找到了下表所列9种规格的琴弦,因为音调高低取决于声源振动的频率,于是借来一个能够测量振动频率的仪器进行实验。
一、选择题1.下列关于声现象的说法,正确的是()A.声音的传播速度为340m/s B.声音可以在固体中传播C.只要物体振动,我们就能听到声音D.声音的频率越高,响度就越大2.玻璃杯中装有适量的水,下列说法正确的是()A.用细棒敲打杯子时,杯里装进水越多,发出声音的音调越低B.用细棒敲打杯子时,杯里装进水越少,发出声音的音调越低C.用嘴向杯口吹气,杯里装进水越多,发出声音的音调越低D.用嘴向杯口吹气,杯里装进水越少,发出声音的音调越高3.唐朝一寺庙所藏的罄常常无故自鸣,和尚不知其因而被惊吓以致患病,后经人指点方知与前殿的钟有关,击此应彼,故钟鸣罄响。
关于此现象,下列说法正确的是()A.“钟鸣罄响”是一种回声现象B.“罄无故自鸣”说明有些物体不振动也可以产生声音C.“钟鸣罄响”说明钟和罄一起在做相同形式的振动D.“钟鸣罄响”说明钟和罄的音色和音调都不同4.医生在给病人检查腹部是否有积水时,常会用手轻轻敲击患者腹部,细细倾听其发出的声音,此为“叩诊”,关于叩诊说法正确的是()A.积水越多,音调越高B.积水越少,音调越高C.积水越多,响度越大D.积水越少,响度越大5.如图所示,医生用B超查看胎儿的发育情况。
以下说法正确的是()A.B超发出的是次声波B.这主要是利用了声波传递信息C.利用B超可以测量月球与地球间的距离D.准妈妈听不到B超发出的声音,主要是因为它发出的声音振幅较小6.“小明,上学啦!”家住一楼的小强大声喊着三楼的小明,邀他一起上学。
对这一过程中的声现象的解释,正确的是()A.小强的喊声是空气的振动产生的B.小明能听到楼下的喊声,说明声音可以在空气中传播C.小明从喊声中听出是小强,他是根据声音的响度来判断的D.小明的妈妈提醒他下楼时脚步要轻些,这是为了降低音调7.超声能传递信息和能量,下列应用中是利用超声能传递信息这一特性的是()A.金属探伤仪B.用超声处理农作物的种子,提高发芽率C.用超声消毒杀菌D.超声将油和水混合在一起8.关于声现象的描述,下列说法不正确的是()A.“不敢高声语,恐惊天上人”中的“高"指声音的音调高B.有一种声纹锁。
福州市励志中学初三八年级物理第二章声现象汇编一、选择题1.下面一些关于声现象的说法中,正确的是()A.医生用听诊器诊断病人的心跳声和呼吸声,听诊器能起到改变这些声音音色的作用B.用B超检查病人内脏时,是利用了次声波传播时能量损失小的特点C.在城市中禁鸣汽车喇叭是为阻断噪声的传播D.利用超声波探测金属内部存在的缺陷,说明声音可以传递信息2.如图所示是有关声现象的四个实验,下列说法中正确的是()A.用大小不同的力敲击鼓面,纸屑跳动的幅度不同,说明音调与频率有关B.将正在发声的音叉轻轻靠近乒乓球,观察到乒乓球弹起,说明声音的传播需要介质C.逐渐抽取玻璃罩中的空气,听到铃声逐渐变小,可以推断真空中不能传声D.用相同大小的力拨动伸出桌面长度不同的锯条,可以探究“响度与振幅的关系”3.以下活动中,能用来探究影响声音音调高低因素的是()A.图甲,响铃时不断抽出瓶内的空气B.图乙,收音机播音时,喇叭前方烛焰摇晃C.图丙,手指蘸湿摩擦杯口,不断改变杯中水量D.图丁,敲敲时,用大小不同的力敲击4.如图所示,将正在发声的手机悬挂在广口瓶内,再把瓶内的空气抽出,听到声音变小,以下说法正确的是()A.该过程经历了“进行实验并收集证据”的科学探究环节B.实验现象表明声音传播不需要介质C.空气越稀薄,手机的扬声器发声部位振幅越小D.该实验可直接得出真空不能传声5.下列几种控制噪声的措施与其类型搭配正确的是()①摩托车的消声器②听到巨大响声时,用双手堵耳③城市道路旁的隔声板a.阻断声音的传播b.防止声波进入人耳c.防止噪声的产生A.①和a,②和b,③和cB.①和c,②和a,③和bC.①和b,②和c,③和aD.①和c,②和b,③和a6.下列实验现象能说明声音的传播需要介质的是()A.音叉响度大,乒乓球弹开的高度高B.发声的音叉激起水花C.抽气时,听到罩内的铃声变弱D.扬声器发声时,纸片在跳动7.国庆节前夕,同学们在操场上齐声高歌,合唱《我和我的祖国》,深情表白伟大祖国。
《声现象》单元测试班级姓名成绩一、选择题(每题2分)1.福州地铁正在建设中,为解决噪声扰民的问题,地铁公司对部分设备安装了消声装置,这种减弱噪声的途径是在()A.声源处 B.传播过程中 C.人耳处 D.声源和人耳处2.小明的发言声音太小,老师要他大声重复一次,老师是要求小明提高声音的()A. 音调B. 频率C. 响度D. 音调及响度3.下列有关声音的说法中,正确的说法是( )A.真空不能传声 B.发声体振动频率越高,响度越大C.发声体的振幅越大,频率越高 D.戴耳罩是在声源处减弱噪声4.如图6所示,是常见的交通标志牌,其中与声现象有关的是()5.对于下列四幅图,说法正确的是( )A.小明敲鼓时用力越大,鼓发出声音的音调越高B.广口瓶中的空气越稀薄,人听到响声越大C.纸板划得越慢,梳齿振动得越慢,发出的音调越低D.安装“噪音监测仪”可以根治噪音污染6.关于声音,下列说法中正确的是()A.物体的振幅越大,发出声音的频率越大B.声音在真空中传播的速度是3×l08m/sC.街头安装的噪声监测仪可以减弱噪声D.超声波、次声波是入耳听不到的声音7.关于声现象,下列说法正确的是()A.“闻其声而知其人”是根据声音的响度来判断的B.“不敢高声语,恐惊天上人”中的“高”是指声音的音调高C.“长啸一声,山鸣谷应”是指次声波传播很远D.“隔墙有耳”说明固体能传声8. 2012年春节联欢晚会上,山西绛州鼓乐团表演的《鼓韵龙腾》气势磅礴。
下面有关说法中错误的是()A. 鼓乐声主要是由鼓面振动产生的B. 鼓乐声主要是由鼓内空气振动产生的C. 鼓乐声是经过空气传到现场观众耳朵的D .由于设计师对剧场的混响时间的合理设计,才会使现场观众感觉鼓声的气势磅礴9.下列说法正确的是( )A .声音是由物体的振动产生的B .声音在真空中也能传播C .声音的传播不需要时间D .女生的音调都是一样的10.上课时,老师对同学们说“朗读时,声音请大一点”,这里的“大”指的是声音的( )A .音调B .响度C .音色D .频率11.为了探究音调与什么因素有关,小明设计了下面几个实习,如图所示,你认为不能够完成探究目的的是( )12.调节收音机的音量,是为了改变声音的( )A. 音调B. 响度C. 音色D. 频率13.下列说法正确的是()14.下列与声现象有关的说法中正确的是( )A.城市道路旁的隔音板是在入耳处减弱噪声B.B 超是利用了声音可以传递信息C.我们听不到蝴蝶翅膀振动发出的声音是因为响度太小D.声音在空气的速度一定是340m/s15.如图所示,在两个完全相同的高脚玻璃杯内装有相同深度的水,当用筷子轻轻敲击杯子时,两个杯子就会发出相同的声音。
一、初二物理声现象实验易错压轴题(难)1.同学们围绕着水瓶发声的有关问题进行了以下探究。
(提出问题)敲瓶(瓶内含水)时发出的声音主要是由什么振动产生的?(猜想与假设)A.瓶子振动;B.瓶内水振动;C.瓶内空气柱振动(进行实验)(1)将瓶子装满水后用筷子敲击瓶子,瓶子仍能发出声音,故可以将猜想________排除。
(2)将瓶内水全部倒出后用筷子敲击瓶子,瓶子仍能发出声音,故可以将猜想________排除。
(得出结论)由上述实验分析可知,敲瓶发声,主要是由________振动产生的。
(提出新的问题)(1)瓶子发声的音调跟瓶内水的多少有什么关系?(2)随着瓶内水的增多,敲瓶发声的音调变化和吹瓶发声的音调变化又有何不同呢?(设计实验)(1)如图甲所示,先将8个空的玻璃瓶子放到桌子上一字摆开,再向瓶内注入不等量的水,从左到右,瓶内注入的水逐渐增多,最后用筷子从左到右依次敲击瓶口,同时用耳朵仔细听,辨别音调的高低。
(2)用嘴从左到右依次吹瓶口,同时用耳朵仔细听,辨别音调的高低。
(再得出结论)(1)敲瓶发声的音调随着瓶内水的增多而变______(选填高或低)。
(2)吹瓶发声的音调随着瓶内水的增多而变______(选填高或低)。
(拓展应用)如图乙所示. 用嘴分别对着5个高度不同的小瓶的瓶口吹气,发现瓶子越高,发出声音的音调越低。
(1)用嘴对着5个小瓶的瓶口吹气,5个小瓶均发出声音,则发出的声音是由________的振动产生的。
(2)5个小瓶产生的声音音调不同,其原因是________________。
【答案】C B瓶子低高瓶内空气柱空气柱的长短、粗细不同,导致空气柱振动的频率不同【解析】【分析】【详解】[1]将瓶子装满水后,瓶内没有空气,用筷子敲击瓶子,瓶子仍能发出声音,说明敲瓶时发出的声音不是由空气柱的振动产生的。
所以可以将猜想C排除。
[2]将瓶内水全部倒出后,瓶内没有水,用筷子敲击瓶子,瓶子仍能发出声音,说明敲瓶时发出的声音不是由瓶内水振动产生的。
一、选择题1.下列关于声现象的说法,正确的是()A.声音的传播速度为340m/s B.声音可以在固体中传播C.只要物体振动,我们就能听到声音D.声音的频率越高,响度就越大B解析:B【分析】(1)声音的传播需要介质,固体、液体、气体都可以成为传声的介质,不同介质传播声音的速度不同;(2)人能听到的声音频率范围是20Hz~20000Hz,只有频率在这一范围内,达到一定响度的声音我们才能听到;(3)声音有三个特性,即音调、响度、音色;音调是声音的高低,其与物体振动的频率有关;响度是声音的大小,与振幅及据声源的距离有关;AB.声音的传播靠介质,在固体、液体、气体中都能传播,并且速度不同,故A错误,B 正确;C.物体振动,我们不一定就能听到声音,只有频率在人耳的听觉范围内,且达到一定响度的声音我们才能听到,故C错误;D.响度是声音的强弱,其影响因素是振幅和距离声源的远近,与频率无关,故D错误。
故选B。
2.新冠肺炎疫情期间,全国掀起了“停课不停学”的网络在线课堂热潮。
下列有关网课的说法,错误的是()A.老师对着麦克风讲课时发出的声音不是声带振动发出的声音B.学生将手机的音量调大,是改变了手机声音的响度C.老师随机提问与学生互动交流的过程,利用了声能传递信息D.学生在听课时关闭门窗,是在传播过程中减弱噪声A解析:AA.老师对着麦克风讲课时发出的声音是由声带振动产生的,故A选项错误,A选项符合题意;B.学生将手机的音量调大,是改变了手机声音的响度,故B选项正确,B选项不符合题意;C.老师随机提问与学生互动交流的过程,及时反馈上课知识点掌握情况,故是声音传递信息,故C选项正确,C选项不符合题意;D.学生在听课时关闭门窗,是在传播过程中减弱噪声,故D选项正确,D选项不符合题意。
故选A。
3.疫情期间停课不停学,同学们在家收看“空中授课”时,以下有关声音的说法,正确的是()A.不同老师教学时说话声音音色不同B.增大音量提高了声音音调C.关上窗户可以防止外界噪声的产生D.授课老师的声音不是由振动产生A解析:AA.不同的人发声的音色不同,所以不同老师教学时说话声音音色不同,故A正确;B.增大音量提高了声音响度,故B错误;C.关上窗户可以减弱噪声,但不可以防止外界噪声的产生,故C错误;D.授课老师的声音是由声带振动产生的,故D错误。
一、选择题1.生活中经常用“高”来形容声音,下面说法中的“高”所描述的声音特性与其它三个不同的是()A.男高音歌唱家B.引吭高歌C.请勿在公共场合高声喧哗D.不敢高声语,恐惊天上人2.一般说来,大礼堂的四周墙壁都做成凹凸不平像蜂窝状似的,这样做是为了()A.减弱声音的反射B.增强声音的响度C.提高声音的音调D.为了美观、好看3.下列有关噪声的说法中错误的是()A.安静的图书馆里的说话声属于噪声B.优美的音乐人人爱听,它不可能是噪声C.机床车间的机器工作产生的声音属于噪声D.凡是妨碍人们正常休息、学习和工作的声音都属于噪声4.甲声音波形如图所示,把音调比甲低的乙声音输入同一设置的示波器,乙声音波形是图中的哪一幅()A.B.C.D.5.我国海警“3901”号所携带的非杀伤性定向声波武器引起媒体高度关注。定向声波武器是一种远距离声波设各,它可以发出高150分贝的高能波。使用时将该设各对准目标,集中施放高分贝警告音,令目标感到极度不适,头痛甚至休克,从而失去对抗能力。对此描述,下列说法正确的是()A.定向声波武器施放的是超声波B.分贝是声音频率的单位C.该例子说明声波具有能量D.距离远近不影响武器效果6.用如图所示的电动牙刷刷牙时发出的超声波,能直达牙刷棕毛刷不到的地方,这样刷牙既干净又舒服。
下列关于此牙刷发出超声波的说法不正确的是()A.由物体振动产生的B.只能传递信息C.能在空气中传播D.音调很高,人听不到7.关于图所示的有关声现象的四个实验,下列说法中正确的是()A.甲:用大小不同的力敲击鼓面,纸屑跳动的幅度不同,说明音调与频率有关B.乙:小刚轻声说话,小丽通过“土电话”能听到小刚的声音。
说明气体可以传声C.丙:用力吹一根细管,并将它不断剪短,听声音的变化情况,可以探究“响度与振幅的关系”D.丁:使钢尺伸出桌面不同长度,用力拨动,保持钢尺振幅不变,可以探究“音调与频率的关系”8.如图所示,四个声现象中,哪两个可以用相同的声学知识解释()甲:用相同的力按压伸出桌面长度不同的钢尺乙:用正在发声的音叉接触水面,水面水花四贱丙:蝙蝠能够顺利躲避障碍物丁:用手指摩擦装有不同水量的酒杯杯口A.甲和乙B.乙和丙C.丙和丁D.甲和丁9.以下说法中,正确的是()A.在相同温度和介质的情况下,超声波的传播速度要快于次声波的传播速度B.舞台上用干冰能制造白雾,是因为干冰熔化成雾状小液滴C.在北方深冬时节,开有空调的房间,会在玻璃外侧出现冰晶,这是凝华现象D.热量可能从内能少的物体传递到内能多的物体10.下列描述声音传播过程中的频率、声速、响度和声能随离开声源距离而变化的关系图像中,可能正确的是()A.B.C.D.11.为创造良好的居住环境,环境监督局联合城市建设局,实施了一系列举措控制噪声,其中属于在声源处减弱噪声的是()A.晚八点到早七点,工地禁止施工B.居民区周边植树种草C.高架桥外侧增设隔音板D.给生产车间的工人配发防噪声耳罩12.下面有关声音的说法中,正确的是()A.声音的传播速度是340m/sB.声音在空气中以波的形式传播C.美妙的音乐不会成为噪声D.大声说话就一定能够听到回声二、填空题13.我们做过与声现象有关的几个实验:①将正在发声的音叉轻轻插入水里,看到水花飞溅;②在吊着的大钟上固定一支细小的笔,把钟敲响后,用纸在笔尖上迅速拖过,可以在纸上画出一条来回弯曲的细线;③将正在响铃的闹钟用塑料袋包好,放入水中,仍可以听到铃声;④放在钟罩内的闹钟正在响铃,在抽取钟罩内的空气的过程中,铃声逐渐减小;⑤用手指轻敲桌面,将耳朵贴在桌面上,比在空气中听到的声音响。
一、初二物理声现象实验易错压轴题(难)1.某同学为了探究物体发声时振动的频率高低与哪些因素有关,他选择了四根钢丝进行实验,如图所示。
具体数据如下表:编号材料长度粗细松紧甲钢丝10cm0.2mm2紧乙钢丝10cm0.1mm2紧丙钢丝5cm0.1mm2紧丁钢丝5cm0.1mm2松(1)用同样的力拨动钢丝甲和乙,发现拨动______钢丝时的音调高。
由此可以得出的结论是:在弦的长度、松紧程度相同时,振动的频率高低与弦的_________有关。
(2)为了探究发声体振动的频率高低与弦的长度的关系时,他应用同样大小的力先后拨动_______和________钢丝。
(3)先后用同样大小的力拨动钢丝丙和丁,可以得出的结论是: _____________【答案】乙粗细乙丙在钢丝的长度,粗细相同时,钢丝越紧,音调越高。
【解析】【分析】本题考查实验探究能力。
【详解】(1)[1][2]因为甲、乙两根钢丝的长度、松紧度一样,甲比乙粗,乙振动的频率大音调高,该过程是利用控制变量法来研究发声体的音调与其粗细的关系;(2)[3] [4]如果探究发声体音调高低与弦的长度的关系,必须控制两根钢丝的粗细、松紧度一样符合条件的是乙和丙两根钢丝;(3)[5]由图可以知道钢丝丙和丁长度、粗细相同,钢丝的松紧不同先后用同样大小的力拔动丙和丁两根钢丝,丙钢丝发出的音调高丁钢丝发出音调低,由此可以得出的结论是:在钢丝的长度、粗细相同时钢丝越紧音调越。
2.大海同学为了探究琴弦的音调与音弦的材料、张紧程度、横截面积、长短的关系,设计了如图所示的实验,采用了表一所列各种规格的琴弦、几个钩码和一个能够测量振动频率的仪器.编号材料长度/cm 横截面积/mm2A 铜60 0.76B 铜60 0.89C 铜60 1.02D 铜80 0.76E 铜F 铜100 0.76G 钢80 1.02H 尼龙80 1.02I 尼龙100 1.02实验步骤:(1)在大木板的两边立起两块小木板,在大木板的一端牢牢钉人一根大钉子,把弦的一端绑在钉子上,另一端垂在桌边,把钩码绑在垂下的弦上.(如图)(2)为了验证“琴弦发出声音的音调高低,可能与琴弦的粗细有关”这一猜想,应选用编号为A、____ 、____ 的琴弦进行实验.(如表)(3)为了验证“琴弦发出声音的音调高低,可能与琴弦的长短有关”这一猜想,应选用编号为____ 、____ 、____ 的琴弦进行实验.(如表)(4)表一中有的材料规格还没填全,为了验证“琴弦发出声音的音调高低.可能与琴弦的材料有关”这一猜想,必须知道该项内容.请在表中填上所缺数据.(如表)______、______【答案】B C A D F80 1.02【解析】【详解】(2)在探究“琴弦发出声音的音调高低,可能与琴弦的粗细有关”时,要控制琴弦的材料和长度相同,故选A. B. C的琴弦进行实验;(3)探究“琴弦发出声音的音调高低,可能与琴弦的长短有关”时,应控制琴弦的材料和横截面积相同,所以选A. D. F的琴弦进行实验;(4)为了验证“琴弦发出声音的音调高低。
可能与琴弦的材料有关”时,应控制琴弦的长度和横截面积相同,材料不同,符合条件的只有G、H,所以D项中应是:80;1.02.3.为了探究声音的产生与传播,小明和小华一起做了几个实验:小明把手放在发声的音箱上,感觉音箱在晃动;小华把发声的音叉放在水中,可以激起水花.(1)小华把发声的音叉放在水中,可以激起水花,他这样做的目的是________.(2)小明用手使劲敲桌子,发出很大的响声,但是他看到桌子几乎没有振动,为了使看到的实验现象更明显,你的改进方法是________.(3)如图所示,将正在发声的手机放在与抽气机连通的密闭玻璃瓶内.①在用抽气机把玻璃瓶内的空气逐渐抽出的过程中,听到的声音将会逐渐________.②分析实验现象,运用的科学方法可得出结论________.【答案】验证声音是由物体振动产生的在桌子上放一些碎纸屑变小真空不能传声【解析】(1) 小明把手放在发声的音箱上,感觉音箱在晃动;小华把发声的音叉放在水中,可以激起水花,都能证明声音是由于物体振动产生的.(2)桌子是较大的物体,发声振动不易观察,可转换成桌面上小纸屑的振动,所以可在桌子上放一些小纸屑;(3)当把玻璃罩内的空气逐渐抽出时,传声介质越来越少,所以传声效果越来越不好,实验过程中听到声音越来越小,设想空气全部抽净时,就不传声了,也就听不到声音了,故可的结论:真空不能传声.点睛:利用转换法解答,把发声体的振动转换成一些较明显的小物体的振动.4.小明同学在学习完课本上“探究声音的响度与哪些因素有关”的实验后,回到家中想用铁脸盆和水等材料来做这个实验,请帮助她完成探究报告.(1)提出问题:声音的响度与振幅有什么关系?(2)猜想与假设:______________.(3)进行实验与收集证据:A.需要实验器材:铁脸盆、水、钢勺.B.在铁脸盆中装入适量的水,用钢勺轻敲铁脸盆,会发现铁脸盆中的水在跳动.C.用较大的力敲铁脸盆,发现铁脸盆中的水跳动比步骤B中的水跳动________(选填“高”“低”或“不变”).(4)结论:通过分析,结合提出的问题,你能初步得出结论:___________________.(5)评估:你还可以用这些器材来探究什么问题____________?(写出探究的问题即可)【答案】振幅越大,响度越大高响度与振幅有关,振幅越大,响度越大声音是怎样产生的或音调高低与水多少有关吗?【解析】【分析】【详解】(2)本题所研究的问题是声音的响度与振幅有什么关系?因此,可以猜想:振幅越大,响度越大;(3)根据实验现象可知,用较大的力敲铁脸盆,发现铁脸盆中的水跳动比步骤B中的水跳动高;(4)通过实验分析,我们可以得出的结论是:响度与振幅有关,振幅越大,响度越大;(5) 因为实验中可以看到水的跳动,故还可以用这些器材来研究:声音怎样产生;另外在水盆中将入不同深度的水时,盆的振动频率会变化,所以还可以研究:音调高低与水的多少有关吗?5.小兰在观察提琴、吉他、二胡等弦乐器的弦振动时,猜测:既使在弦张紧程度相同的条件下,发声的音调还可能与弦的粗细、长短及弦的材料有关,于是想通过实验来探究一下自已的猜想是否正确,下表是小兰在实验时控制的琴弦条件.(1)如果小兰想探究弦发声的音调与弦的材料关系,你认为她应该选用编号为________琴弦(只填字母代号);(2)探究过程通常采用下列一些步骤:A .实验研究; B .分析归纳; C .提出问题(或猜想); D .得出结论等.你认为小兰要完成本探究的全过程所采用的合理顺序应该是:________(只填字母代号).【答案】D、E C、A、B、D【解析】(1)探究弦发声的音调与弦的材料关系,应控制长度、横截面积一定,材料不同,故应选D、E. (2控制变量法探究的步骤:提出问题,实验研究,分析归纳,得出结论.故顺序为CABD .点睛:(1)弦发声的音调可能与弦的材料、长度、粗细有关.(2)研究音调的影响因素时,一定要采取控制变量法.6.如图所示,小明和小刚用细棉线连接了两个纸杯制成了一个“土电话”。
⑴他们用“土电话”能实现10m间的通话,这表明 ___________。
且传播速度要 _____填大于、小于)液体、气体中的速度。
⑵相距同样远,讲话者以相同的响度讲话,如果改用细金属丝连接“土电话”,则听到的声音就大些。
这一实验表明:__________________________。
⑶如果用“土电话”时,另一个同学捏住棉线的某一部分,则听的一方就听不到声音了,这是由于______ 。
⑷如果在用“土电话”时,线没有拉直而处于松驰状态,则听的一方通过棉线(选填“能”或“不能”)____________ 听到对方的讲话。
【答案】固体能够传声大于固体传声的响度与材料有关振动停止,发声停止不能【解析】⑴他们用“土电话”能实现10m间的通话,这表明固体能够传声;声音在固体中传播速度最快,有液体中次之,在气体最慢,所以在“土电话”中传播速度要大于液体、气体中的速度。
⑵相距同样远,讲话者以相同的响度讲话,改用细金属丝连接“土电话”,听到的声音就大些。
可以说明金属丝的传声效果更好,即固体传声的响度与材料有关。
⑶如果用“土电话”时,另一个同学捏住棉线的某一部分,则听的一方就听不到声音了,是因为,声音在“土电话”也以振动的方式传播,捏住棉线时,振动停止,所以就听不到声音了。
⑷松弛的线不容易振动,也不能传递声音,所以在用“土电话”时,线没有拉直而处于松驰状态,另一方听不到声音。
7.(1)把正在发声的手机放在玻璃罩内(如图甲所示),逐渐抽出其中的空气听到的声音越来越小,最后几乎听不到铃声,这说明______.(2)图乙是探究“”的实验装置图,把平面镜放在水平桌面上,再把一张可以沿ON 向前或向后折的纸板竖直地立在平面镜上,纸板上的ON垂直于镜面。
能折叠的纸板的作用是:。
(3)图丙所示的装置做“探究水沸腾时温度变化特点”的实验:组装实验装置时,放置石棉网的铁圈位置和悬挂温度计的铁夹位置非常重要,应当先调整固定的位置(选填“铁圈”或“铁夹”);实验时,小雯向烧杯中倒入热水而不用冷水,这种做法的优点是.【答案】(1)真空不能传播声音(2)光的反射;反射光线与入射光线是否在同一平面内。
(3)铁圈” ;缩短试验时间或节省时间.【解析】试题分析:(1)把正在发声的手机放在玻璃罩内,逐渐抽出其中的空气,听到的铃声越来越小,进一步推理空气越稀薄,声音越小,空气完全没有时,声音也听不到,可得真空不能传声。
(2)把纸板ON的右半边向前或向后折时,如果入射光线、法线、反射光线在同一平面内,所以反射光线不能出现在纸板上。
所以,用能折叠的纸板判断反射光线与入射光线是否在同一平面内。
(3)若先固定铁夹,温度计的位置相对固定,铁圈上下调整的空间有限,难以保证用酒精灯的外焰加热,所以应当先调整固定铁圈的位置,按照自下而上的顺序组装;小雯向烧杯中倒入热水而不用冷水,因为热水温度较高,可以减少实验时间。
考点:声音的传播光的反射规律及其应用实验装置的合理安装8.某兴趣小组计划探究“铝棒的发声”。
同学们使用一根表面光滑的实心铝棒,一只手捏住铝棒的中间部位,另一只手的拇指和食指粘少许松香粉,在铝棒表面由手捏部位向外端摩擦,可以听见铝棒发出声音,而且发现在不同情况下铝棒发声的频率是不同的,为了探究铝棒发声频率的影响因素,该兴趣小组找到不同规格的铝棒、虚拟示波器等器材进行探究,实验前同学们提出了以下猜想:猜想A:铝棒发声的频率可能和铝棒的横截面积有关猜想B:铝棒发声的频率可能和铝棒的长度有关猜想C:铝棒发声的频率可能和手捏铝棒的部位有关为了验证猜想A,同学们选择4根铝棒,每次均捏住铝棒的中间部位,由手捏部位向外端摩擦,实验所得的数据记录于下面的表格中,在2%的误差允许范围内(频率相差在70Hz 以内)的测量值可以认为是相等的。