广东省-居住建筑节能设计审查表
- 格式:docx
- 大小:25.63 KB
- 文档页数:3
目录资料共 20 张表1. 立项申请报告批复(原件/复印件)GD1101-001 共 1 页2. 建设用地规划许可证(原件/复印件)GD1201-001 共 1 页3. 建设工程规划许可证(原件/复印件)GD1202-001 共 1 页4. 建设用地批准书或土地使用证(原件/复印件)GD1203-001 共 1 页5. 建设项目选址意见书(原件/复印件)GD1204-001 共 1 页6. 乡村建设规划许可证(原件/复印件)GD1205-001 共 1 页7. 环境影响报告书或环境影响报告表或环境影响登记表(原件/复印件)GD1301-0018. 公安消防审核意见书(原件/复印件)GD1401-001 共 1 页9. 施工图审查合格书(原件/复印件)GD1402-001 共 1 页10. 初步设计批复文件(原件/复印件)GD1403-001 共 1 页11. 超限高层建筑工程抗震设防审查批复文件(原件/复印件)GD1404-00112. 民用建筑节能设计审查备案登记表(原件/复印件)GD1405-001 共 1 页13. 施工中标通知书(原件/复印件)GD1501-001 共 1 页14. 监理中标通知书(原件/复印件)GD1502-001 共 1 页15. 施工合同(原件/复印件)GD1503-001 共 1 页16. 监理合同(原件/复印件)GD1504-001 共 1 页17. 工程质量监督登记表(原件/复印件)GD1601-001 共 1 页18. 建设工程安全监督通知书(原件/复印件)GD1602-001 共 1 页19. 建筑工程施工许可证(原件/复印件)GD1603-001 共 1 页20. 工程建设前期法定建设程序检查表GD1701-001 共 1 页立项申请报告批复(原件/复印件)GD1101建设单位按工程隶属关系向县(区)级以上政府计划行政主管部门提出立项申请,取得批准立项文件。
广东省建设厅发布广东省标准《〈夏热冬暖地区居住建筑节能设计标准〉广东省实施细则》的通知(粤建科字[2006]20号)粤建科字[2006]20号广州市建委,各地级以上市建设局、规划(国土)局、城建局(公用局、市政局、城管办)、房管局(住宅局),省直有关单位:根据广东省建设厅粤建科函[2003]622号文的要求,由广东省建筑科学研究院等单位编制的《〈夏热冬暖地区居住建筑节能设计标准〉广东省实施细则》,经组织专家审查,现批准为广东省地方标准,编号为DBJ15-50-2006,自2006年3月15日起实施。
本规范由省建设厅负责管理,广东省建筑科学研究院负责具体技术内容的解释。
广东省建设厅二OO六年二月二十日广东省标准广东省居住建筑节能设计实施细则DBJ**-**-**广州2005年6月前言根据广东省建设厅粤建科函[2003]622号的要求,由广东省建筑科学研究院为主编单位,会同全省3个单位共同编制本实施细则。
在本细则的编制中,编制组对《夏热冬暖地区居住建筑节能设计标准》JGJ75-2003进行了细化,补充了具体的规定,并对某些条文增加了相关的要求,并给出了常用的参考数据表等。
在《夏热冬暖地区居住建筑节能设计标准》JGJ75-2003的基础上,本细则还增加了“7 建筑节能的设计审查”和“8 建筑节能的工程监理、验收规定”两个章节。
在《夏热冬暖地区居住建筑节能设计标准》JGJ75-2003第2章的基础上增加了“2.1 附加术语、符号”,在第4章的基础上增加了“4.1 居住建筑的节能设计”一节。
本细则由广东省建设厅负责管理,广东省建筑科学研究院负责具体技术内容的解释。
本细则在实施的过程中,请各个单位注意总结经验,随时将有关意见和建议反馈给广东省建筑科学研究院(广州市先烈东路121号,邮政编码510500),以供今后修订时参考。
主编单位:广东省建筑科学研究院参编单位:广州市墙体材料革新与建筑节能办公室华南理工大学建筑学院广州市建筑科学研究院主要起草人:杨仕超杨树荣孟庆林任俊石民祥目次1 总则2 术语、符号3 建筑节能设计一般规定4 建筑和建筑热工节能设计的一般方法5 建筑节能设计的对比评定法6 采暖、空调、通风设计7 建筑节能的设计审查8 建筑节能的工程监理、验收规定附录A 夏季和冬季建筑外遮阳系数的简化计算方法附录B 建筑物空调采暖年耗电指数的简化计算方法附录C 典型的外墙及屋顶构造及其性能指标附录D 建筑围护结构外表面吸收系数附录E 建筑热工设计常用计算参数附录F 常用建筑材料性能计算参数附录G 节能空调产品性能附录H 建筑设计说明和节能设计参数表附录I 居住建筑节能设计审查备案登记表1 总则1.0.1为贯彻国家有关节约能源、保护环境的法规和政策,改善夏热冬暖地区居住建筑热环境,提高空调和采暖的能源利用效率,制定本标准。
广东省建设厅关于开展建筑节能施工图设计和审查检查的通知文章属性•【制定机关】广东省建设厅•【公布日期】2006.07.18•【字号】粤建设函[2006]249号•【施行日期】2006.07.18•【效力等级】地方规范性文件•【时效性】现行有效•【主题分类】节能管理正文广东省建设厅关于开展建筑节能施工图设计和审查检查的通知(粤建设函[2006]249号)广州市建委、深圳市规划局,各地级以上市建设局:根据建设部有关文件要求和我厅年初工作计划,为进一步加强建筑节能工作,我厅决定开展全省建筑节能施工图设计和审查专项检查工作。
现将有关事项通知如下:一、检查目的(一)进一步提高相关人员的建筑节能意识和对抓好建筑节能工作重要意义的认识,切实做好建筑节能的监管工作;(二)督促各地新建建筑设计严格执行建筑节能标准;(三)总结各地建筑节能施工图设计和审查工作中好的做法和经验,及时发现存在的问题并提出改进措施。
二、检查依据(一)《中华人民共和国建筑法》、《建设工程质量管理条例》、《建设工程勘察设计管理条例》、《民用建筑节能管理规定》;(二)《国务院关于做好建设节约型社会近期重点工作的通知》;(三)《关于加强民用建筑工程项目建筑节能审查工作的通知》(建科[2004]174号)、《关于新建居住建筑严格执行节能设计标准的通知》(建科[2005]55号)、《关于认真做好〈公共建筑节能设计标准〉宣贯、实施及监督工作的通知》(建标函[2005]121号)和《关于进一步加强建筑节能标准实施监管工作的通知》(建办市[2005]68号);(四)《夏热冬冷地区居住建筑节能设计标准》、《夏热冬暖地区居住建筑节能设计标准》及我省实施细则、《公共建筑节能设计标准》、《广东省民用建筑节能施工图设计和审查要点》。
三、检查范围和内容(一)各地级以上市建设行政主管部门贯彻落实国家建筑节能有关政策法规、执行建筑节能标准的情况;(二)2006年1月1日以来设计单位和施工图审查机构完成的居住建筑、公共建筑的施工图设计文件,必要时抽查在建工程。
广东省公共建筑节能设计审查备案表
备案编号:
幢建筑的建筑面积与其所代表的建筑总数目之乘积即为面积;
注2、建筑朝向以正东为0°、正北为90°、正西为180°、正南为270°,填写角度;
注3、气候区域是指夏热冬暖地区的南区和北区,夏热冬冷地区(韶关);
注4、需按国家相关标准规定填写“材料的标准名称”,如某朝向使用两种以上材料时,可自行扩充列墙体材料
注5、隔热性能验算要求:框架结构的东、西向外墙进行隔热验算时,所有填充墙体、室内面积较大(如:宽度超过1.0m)的剪力墙及异形柱,都必须单独进行隔热验算;
注6、玻璃品种填写内容包括玻璃的厚度、颜色、膜号等,如蓝色玻璃、24mm厚,6Low-E(CCS208F)+12Air+6Clear;
注7、玻璃传热系数、遮阳系数、可见光透射性等性能参数是指玻璃本身性能参数;
注8、最不利房间:指整个建筑的起居室和卧室中,房间外窗可开启面积与该房间地面面积或该房间外窗面积比值最小的那个房间;若此房间的外窗可开启面积满足规范要求,则整个建筑其余房间必然也满足要求;
注9、门窗节能性能标识是指本项目所采用的门窗是否通过了门窗节能性能标识,并获得相关的证书;
注10、本表一式八份,A4纸双面打印。
其中潮州市墙材革新与建筑节能管理办公室、施工图审查机构、设计单位、建设单位、施工单位、
监理单位、工程质量监督机构各一份,另一份随《施工图设计文件审查报告》一起报相关建设行政主管部门。
建筑节能设计说明一、工程概况1.工程名称:2.建设地点:宗地号:3.建设单位:4.使用功能:5.总用地面积:6.总建筑面积:7.容积率:,覆盖率:% ,绿地率:% 8.建筑层数:地上层,地下层9.建筑总高度:二、设计依据1.《夏热冬暖地区居住建筑节能设计标准》(JGJ75—2003)2.《广东省居住建筑节能设计标准实施细则》(DBJ15-50-200)3.《公共建筑节能设计标准》(GB50189-2005)4.《广东省公共建筑节能设计标准实施细则》5.《民用建筑热工设计规范》(GB50176-93)三、节能措施1.总体规划①总平面布局留有足够的自然风入口和出口,建筑群室外空间气流顺畅。
②建筑物朝向以南北向为主,主立面迎向夏季主导风向,有利于夏季自然通风,降低空调负荷。
③在满足日照间距和卫生间距的前提下,尽量拉大建筑间距,强化小区内的通风换气。
④采取立体绿化系统。
地面绿化确保规定的绿地率,不做或少做硬质铺地,改做透水地面,减少地面热反射,避免“热岛效应”,阳台绿化、入户花园、屋顶花园等空中绿化可提高绿化率,并起到遮阳降温作用,有利于节能。
⑤其它——2.单体设计①采用简洁规整的体形,避免过多的凹凸变化,尽量缩小体形系数。
②组织良好的穿堂风。
尽量使每户或每室均有两个朝向可开门窗采光通风,有利于夏季降温,降低空调能耗。
③适当控制窗墙面积比,使窗墙面积比尽量满足节能标准的规定,特别是东、西向外墙,宜少开窗或开小窗、不开窗。
本工程的窗墙比:东,南,西,北,平均窗墙比为。
④适当架空底层,以利通风降温,降低能耗。
3.围护结构的保温隔热设计①屋顶:采用厚挤塑板保温隔热,倒置式防水屋面,浅色饰面层。
②外墙a.采用200厚加气砼砌块,内外批1︰2水泥砂浆,不做外保温,浅色饰面层。
Km= w/(m2.k),Dm= ,ρ= 。
b.采用200厚加气砼砌块,做25厚XPS板或EPS板薄抹灰外墙外保温系统,浅色饰面层,Km= w/(m2.k),Dm= ,ρ= 。
表 7.6.2-4 夏热冬冷地区公共建筑节能设计、审查表(按性能化指标)工程名称:-层数:(地上)0(地下)0 总建筑面积:—序号围护结构内容参照建筑指标序号围护结构内容参照建筑指标传热系数综合遮阳系数S W1屋顶传热系数K [W/(m2·K)]K=0.7(重质),D =2.5;K=0.4(轻质)4外窗(包括透明幕墙)传热系数K综合遮阳系数S W各朝向窗墙比东、南向西向北向热惰性指标D C m≤0.15≤4.7---------**<Cm≤0.20 ≤4.7≤0.70≤0.70≤0.70太阳辐射吸收系数ρρ=0.8 **<Cm≤0.30 ≤3.5≤0.49≤0.49---**<Cm≤0.40 ≤3.0≤0.45≤0.45≤0.542外墙传热系数K [W/(m2·K)]K=1.0(重质),D =3.0;K=0.7(轻质)**<Cm≤0.50 ≤2.8≤0.40≤0.40≤0.49热惰性指标D**<Cm≤0.60 ≤2.5≤0.38≤0.38≤0.473屋顶透明部分(水平天窗、采光顶)传热系数K [W/(m2·K)]=3.0**<Cm≤0.70 ≤2.5≤0.36≤0.36≤0.45综合遮阳系数S W=0.36各个朝向面积所设计建筑该朝向外窗面积,但C m不超过0.70。
5室外架空板传热系数 [W/(m2 ·K)] K=1.0 天窗面积所设计建筑天窗面积,但不超过20%6权衡计算规定按照GB50189-2005附录B确定设备类型、设备运行时间表、室内空调温度、照明功率密度、照明开关时间表、人员密度、人员在室率、电器功率密度、电器逐时使用率;按照3.0.2 条确定室内换气次数;根据设备类型确定空调能效比;室外计算气象参数采用当地典型气象年。
序号设计审查内容设计要求设计值节能措施节能判断(审查人填写)1屋顶传热系数[W/(m2·K)]K≤0.7(重质),D≥2.5;K≤0.4(轻质)—热惰性指标D—平均太阳辐射吸收系数ρ—2外墙(包括非透明幕墙)平均传热系数[W/(m2·K)]—平均热惰性指标 D —外墙平均太阳辐射吸收系数ρ—3室外架空板平均传热系数[W/(m2·K)]—4外窗(包括透明幕墙)东向窗墙面积比Cm /平均传热系数K/综合遮阳系数SW —/—/—南向窗墙面积比Cm /平均传热系数K/综合遮阳系数SW —/—/—西向窗墙面积比Cm /平均传热系数K/综合遮阳系数SW —/—/—北向窗墙面积比Cm /平均传热系数K/综合遮阳系数SW —/—/—可开启部分最小面积外窗面积的30%,外墙总面积(包括窗)的10%;透明幕墙应具有可开启部分或设有独立的通风换气装置气密性能幕墙4 级;外窗6 级5屋顶透明部分(水平天窗、采光顶)面积占屋顶面积的比例—传热系数K / 综合遮阳系数S W—/—6权衡计算空调年能耗参照建筑EC.ref= - kWh/㎡EC =- kWh/㎡7暖通空调室内设计温度应符合DBJ15-51-2007第3.0.1 条室内设计新风量应符合DBJ15-51-2007 第3.0.2 条负荷计算施工图设计阶段必须进行逐项逐时的冷负荷计算设备电机驱动压缩机的蒸气压缩循环冷水(热泵)机组性能系数应符合DBJ15-51-2007第5.4.5 条见《设计建筑空调系统的节能判定表》制冷量大于7.1kW 电驱动单元式空调、风管送风式和屋顶式空调机能效比符合DBJ15-51-2007第5.4.8 条分散式房间空气调节器能效比应符合**溴化锂吸收式冷(温)水机组性能系数应符合DBJ15-51-2007第5.4.9 条锅炉锅炉的额定热效率应符合DBJ15-51-2007第5.4..3 条8照明照明功率密度值应符合GB50034-2004 第 6.1 节的照明功率密度值9其它节能措施规划、朝向自然通风空调系统智能监控设计单位-节能专项设计人建筑年月日暖通电气节能专项校审人建筑年月日暖通电气节能审查意见节能审查单位节能专项审查人建筑年月日暖通电气注:建筑节能专项设计人、审查人签名栏必须由实际工作人员签名,不得代签。
广东省建设厅关于印发《广东省民用建筑节能施工图设计和审查要点》的通知文章属性•【制定机关】广东省建设厅•【公布日期】2006.05.10•【字号】粤建设字[2006]58号•【施行日期】2006.05.10•【效力等级】地方规范性文件•【时效性】现行有效•【主题分类】勘察设计正文广东省建设厅关于印发《广东省民用建筑节能施工图设计和审查要点》的通知(粤建设字[2006]58号)广州市建委,深圳市规划局,各地级以上市建设局:为了更好地实施现行有关建筑节能设计标准,规范我省建筑节能设计及审查行为,明确建筑节能设计、审查内容,根据有关法规、标准,结合我省实际情况,我厅组织起草了《广东省民用建筑节能施工图设计和审查要点》(以下简称《要点》),并广泛征求各地意见及组织专家论证。
现将《要点》印发给你们,并就有关事项通知如下:一、请你们将《要点》及时转发至所属各设计、施工图审查机构,并做好监督实施工作。
二、各设计单位和施工图审查机构必须严格执行《要点》。
各地要根据情况开展有关民用建筑节能施工图设计审查的监督检查工作。
三、我厅将组织有关专家对全省民用建筑节能施工图设计和审查工作进行定期和不定期的检查。
对检查中发现的违背强制性标准条文的情况,按有关法规规定严肃处理并通过媒体公布。
四、本《要点》中有关居住建筑的内容只适用于《夏热冬暖地区居住建筑节能设计标准》划定的我省夏热冬暖地区南区;有关公共建筑的内容只适用于相应规范划定的夏热冬暖地区。
对不属于《要点》适用范围的地区,可参照本《要点》,由当地建设行政主管部门根据相关标准起草适合于本地区的民用建筑节能设计和审查要点。
五、对施工图审查合格的工程项目,需按建设部《关于加强民用建筑工程项目建筑节能审查工作的通知》(建科[2004]174号)规定,在项目所在地的建筑节能办公室(或建筑节能行政管理部门)进行备案。
广东省建设厅二00六年五月十日广东省民用建筑节能施工图设计和审查要点一、建筑节能设计文件的编制要求(一)民用建筑(居住建筑、公共建筑)施工图设计必须进行建筑节能设计。
附表1 广东省绿色建筑设计自评表一、设计依据1.《绿色建筑评价标准》GB/T503782.《广东省绿色建筑评价标准》DBJ/T15-833.《民用建筑绿色设计规范》JGJ/T2294.《公共建筑节能设计标准》GB501895.《夏热冬暖地区居住建筑节能设计标准》JGJ756.《声环境质量标准》GB30967.《民用建筑隔声设计规范》GB501188.《建筑采光设计标准》GB500339.《民用建筑热工设计规范》GB5017610.《民用建筑节水设计标准》GB5055511.《城市污水再生利用城市杂用水水质标准》GB/T1892012.《室外排水设计规范》GB5001413.《室外给水设计规范》GB5001314.《建筑给水排水设计规范》GB5001515.《民用建筑供暖通风与空气调节设计规范》GB5073616.《智能建筑设计标准》GB/T5031417.《民用建筑电气设计规范》JGJ1618.《建筑照明设计标准》GB5003419.《城市夜景照明设计规范》JGJ/T16320.《建筑幕墙》GB2108621.《广东省居住建筑节能设计标准》DBJ/T15-13322.《建筑外窗气密、水密、抗风压性能分级及其检测方法》GB710623.《建筑门窗玻璃幕墙热工计算规程》JGJ/T015124.《城市居住区热环境设计标准》JGJ28625.《建筑抗震设计规范》GB5001126.国家、省、市现行的相关法律、法规、规范性文件二、工程概况项目名称:项目地址:建筑类型:建筑功能:项目用地面积:㎡项目建筑面积:㎡,其中地上:㎡,地下:㎡建筑层数:层,其中地上:层,高度: m;地下:层,深度: m。
绿色建筑建设目标: 基本级 一星级 二星级 三星级申报绿色建筑的区域范围示意图:(应注明北向角度)三、绿色建筑设计自评表四、星级绿色建筑技术要求1、围护结构热工性能的提高比例为______;或建筑供暖空调负荷降低比例为______。
广东省居住建筑节能设计标准随着社会的不断发展和人们生活水平的提高,能源消耗问题日益凸显。
为了减少能源消耗,保护环境,促进可持续发展,广东省居住建筑节能设计标准应运而生。
该标准是指在建筑设计、施工和使用过程中,通过采取一系列有效的节能措施,以达到减少能源消耗、提高建筑能效、改善室内环境质量的目的。
下面将从几个方面介绍广东省居住建筑节能设计标准的相关内容。
首先,广东省居住建筑节能设计标准要求在建筑设计阶段,应充分考虑建筑的朝向、采光、隔热、保温等因素,合理利用自然资源,减少对人工能源的依赖。
此外,还要求在建筑材料的选择上,应尽量采用环保、节能的材料,减少资源浪费,降低能源消耗。
其次,广东省居住建筑节能设计标准要求在建筑施工阶段,应严格执行相关的节能标准,确保建筑的施工质量。
同时,要求在施工过程中,尽量减少材料的浪费,提高资源利用率,降低能源消耗。
另外,广东省居住建筑节能设计标准还要求在建筑使用阶段,建筑应配备高效节能设备,如节能灯具、节能空调等,以降低建筑的能耗。
同时,要求建筑内部空间的设计合理,保证室内采光和通风,提高室内环境的舒适度。
总的来说,广东省居住建筑节能设计标准的实施,对于减少能源消耗、改善室内环境、保护环境具有积极的意义。
建筑行业应积极响应国家政策,严格执行相关的节能标准,推动建筑行业朝着更加环保、节能的方向发展。
同时,社会各界也应加强对节能环保的宣传教育,提高人们的节能意识,共同为建设节能型社会贡献力量。
总之,广东省居住建筑节能设计标准的实施,对于促进可持续发展、改善人们的生活质量具有重要意义。
我们应该认真学习和贯彻这一标准,共同努力,为建设节能环保的社会作出应有的贡献。
广东省住房和城乡建设厅关于发布《2014年广东省工程建设标准制订和修订计划》的通知
文章属性
•【制定机关】广东省住房和城乡建设厅
•【公布日期】2014.07.21
•【字号】粤建科函[2014]1384号
•【施行日期】2014.07.21
•【效力等级】地方规范性文件
•【时效性】现行有效
•【主题分类】城乡建设综合规定
正文
广东省住房和城乡建设厅关于发布《2014年广东省工程建设
标准制订和修订计划》的通知
(粤建科函〔2014〕1384号)
各地级以上市住房城乡建设局(委)、规划局、房管局、城管(执法)局(委)、市政园林局、水务局、住房公积金管理中心,深圳市规划和国土资源委员会、人居环境委,佛山市顺德区发展规划和统计局、国土城建和水利局、环境运输和城市管理局:
根据《工程建设国家标准管理办法》、《工程建设行业标准管理办法》的相关规定,结合我省工程建设标准化的管理需要,经组织有关专家对各单位自愿申报的广东省工程建设标准制订和修订项目进行遴选、审核、公示,我厅确定了《2014年广东省工程建设标准制订和修订计划》,现予以发布。
请各有关单位认真组织好标准的制订与修订工作。
在标准的制定与修订过程中遇到的问题,可径向我厅科技信息处联系。
附:2014年广东省工程建设标准制订和修订计划
广东省住房和城乡建设厅
2014年7月21日。
广东省绿色建筑设计规范Code for green building design in Guangdong provinceDBJ --2019住房和城乡建设部备案号:J×××××—2019批准部门:广东省住房和城乡建设厅实施日期:2019年××月××日××××出版社2019 广州前言本规范是根据广东省住房和城乡建设厅关于发布《2012年广东省工程建设标准制订和修订计划》的通知(粤建科函〔2012〕797号)和广东省住房和城乡建设厅关于同意变更广东省标准《广东省绿色建筑设计导则》名称的批复(粤建科函〔2016〕3692号)的要求,规范编制组以国家标准《绿色建筑评价标准》GB/T 50378-2019和广东省标准《广东省绿色建筑评价标准》DBJ/T 15-83为基础,认真总结近年来广东省绿色建筑方面的实践和研究成果,借鉴国内、国际先进经验,并在广泛征求意见的基础上对具体内容进行了反复讨论、协调和修改,最后经审查定稿。
本规范的主要内容是:总则、术语、基本规定、规划设计、建筑设计、结构设计、暖通空调设计、给水排水设计、建筑电气设计、景观设计、装修设计、绿色建筑设计评估与审查。
本规范由广东省住房和城乡建设厅负责管理,由广东省建筑科学研究院集团股份有限公司负责具体技术内容的解释。
执行过程中如有意见或建议,请寄送广东省建筑科学研究院集团股份有限公司(地址:广州市先烈东路121号;邮政编码:510500)。
本规范主编单位:广东省建筑科学研究院集团股份有限公司本规范参编单位:华南理工大学广东省建筑设计研究院深圳市建筑科学研究院股份有限公司广州市建筑节能与墙材革新管理办公室广州大学广州珠江外资建筑设计院有限公司本标准主要起草人员:杨仕超周荃孟庆林肖毅强江刚周孝清彭世瑾邢华伟陈杰吴培浩丁可张广铭张进本标准主要审查人员:2目次1 总则 (7)2 术语 (8)3 基本规定 (9)3.1 一般规定 (9)3.2 绿色建筑设计组织 (9)3.3 绿色建筑设计文件要求 (9)4 规划设计 (11)4.1 一般规定 (11)4.2 基本设计要求 (11)4.3 一般设计要求 (11)5 建筑设计 (14)5.1 一般规定 (14)5.2 基本设计要求 (14)5.3 一般设计要求 (16)6 结构设计 (20)6.1 一般规定 (20)6.2 基本设计要求 (20)6.3 一般设计要求 (20)7 暖通空调设计 (22)7.1 一般规定 (22)7.2 基本设计要求 (22)7.3 一般设计要求 (23)8 给水排水设计 (26)8.1 一般规定 (26)8.2 基本设计要求 (26)8.3 一般设计要求 (27)9 建筑电气设计 (30)9.1 一般规定 (30)9.2 基本设计要求 (30)9.3 一般设计要求 (31)10 景观设计 (32)10.1 一般规定 (32)10.2 基本设计要求 (32)10.3 一般设计要求 (33)11 装修设计 (35)111.1 一般规定 (35)11.2 基本设计要求 (35)11.3 一般设计要求 (35)12 绿色建筑设计评估与审查 (37)12.1 绿色建筑的等级策划 (37)12.2 绿色建筑的设计评估 (37)12.3 绿色建筑的施工图审查 (37)附表1 广东省绿色建筑设计自评表 (39)本标准用词说明 (48)引用标准名录 (49)条文说明......................................................................................................... 错误!未定义书签。
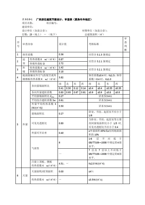
广东省居住建筑节能设计审查表
备案编号:
施工图审查机构联系人联系电话
建设单位-联系人联系电话
设计单位-联系人联系电话
项目名称-规划许可编号
项目地址-
建筑面
积地上:0平方米地上建筑层
数
层至层层高:米地下:0平方米层至层层高:米
外墙
东向南向西向北向砌体面积(m2) ----墙材品种----墙材厚度(mm) ----墙材密度
(Kg/m3)
----墙材导热
系数(W/m.K)
----外墙砼墙外表
面积、厚度
----
外墙砼梁外表
面积、厚度
----
抹灰材料、厚
度
外墙外饰面
类型及颜色
外墙外表面吸
收系数ρ
----外墙传热系数
K(W/m2.K))
----
外窗
东向南向西向北向外窗类型
玻璃品种
玻璃遮蔽系数
外窗面积(m2) ----窗遮阳系数----水
平
遮
阳
外挑长度
A(mm)
垂直距离
B(mm)
水平遮阳
系数
垂直遮阳外挑长度A(mm) 水平距离B(mm) 垂直遮阳
系数
夏季外遮阳系
数
----综合遮阳系数----窗墙面积比————
外窗
外墙窗总面积
(m2)
外立面表面总面积
(m2)
平均窗墙
面积比
外窗综合遮阳系数
(S W)————
外窗可开启
面积所占的
比例
与所在房间地面面积比与所在房间外窗面积比
≥% ≥%
设计气密性
要求(10Pa
压差下)
1至9层
每小时每米缝隙空气渗透量≤m3
每小时每平方米空气渗透量≤m3 10层以上
每小时每米缝隙空气渗透量≤m3
每小时每平方米空气渗透量≤m3天窗
面积与屋面
总面积比
遮阳系数
传热系数K (W/
m2.K)
———
屋面
总面积
(m2)
传热系数K ( W
/m2.K)
建筑屋顶采取的隔热节能措施
(包括遮阳、绿化、隔热保温等结构类型及材
料)
——
屋面各层结
构选用材
料、参数
结构名称
导热系数
(W/m.K)
材料厚度
(mm)
材料密度
(kg/ m3)
板状保温
材料强度
房屋制冷(供热采暖)系统节能方式1、设计选用空调器能效比:
2、空调采暖和通风节能设计是否符合节能标准强制性条文要求:
建设项目
设计单位审查意见
(设计专用章)审查人: 200 年月日
节能设计
审查机构审查意见
(审图专用章)审查人: 200 年月日
建筑节能
办公室
备案意见(备案专用章)
200 年月日本表一式八份,其中广广东省墙材革新与建筑节能办公室、施工图审查机构、设计单位、建设单位、施工单位、监理单位、工程质量监督机构各一份,另一份随《施工图设计文件审查报告》一起报相关建设行政主管部门。