生产车间量化考核管理制度设计
- 格式:docx
- 大小:21.68 KB
- 文档页数:6
生产车间考核制度标题:生产车间考核制度引言概述:生产车间考核制度是企业管理的重要组成部分,通过对生产车间的工作表现进行评估和考核,可以提高生产效率、优化生产流程,实现生产目标的有效实施。
一、考核指标的设定1.1 确定关键绩效指标:生产车间的关键绩效指标应包括生产效率、质量控制、安全生产等方面,以确保生产目标的全面实现。
1.2 制定可量化的指标:考核指标应具体、可量化,便于员工理解和衡量,避免主观性因素的干扰。
1.3 考虑员工实际情况:考核指标应考虑到员工的实际工作情况和能力水平,合理分配任务和责任。
二、考核制度的执行2.1 制定明确的考核流程:生产车间考核制度应有明确的执行流程和时间表,确保每个环节的顺利进行。
2.2 建立有效的监督机制:对于考核结果的真实性和公正性,需要建立有效的监督机制,确保考核过程的公平性和透明度。
2.3 定期评估和调整:生产车间考核制度需要定期评估和调整,根据实际情况对考核指标和流程进行优化和改进。
三、奖惩机制的建立3.1 建立奖励机制:对于表现优秀的员工,应该建立奖励机制,激励其继续努力和提高工作表现。
3.2 设立惩罚机制:对于表现不佳的员工,应该设立惩罚机制,促使其改进工作态度和提高工作效率。
3.3 公平公正的奖惩标准:奖惩机制应该建立在公平公正的标准之上,避免主观性因素的干扰,确保奖惩的公正性和有效性。
四、员工培训和发展4.1 制定培训计划:生产车间应该制定员工培训计划,提升员工的技能水平和工作能力,以适应生产需求的不断变化。
4.2 提供发展机会:生产车间应该为员工提供发展机会和晋升通道,激励员工不断学习和进步。
4.3 关注员工需求:生产车间应该关注员工的需求和意见,建立良好的员工关系,增强员工的归属感和责任感。
五、监督和评估5.1 建立监督机制:生产车间应该建立监督机制,对考核制度的执行情况进行监督和评估,确保考核制度的有效实施。
5.2 及时反馈和改进:对于考核结果和反馈意见,应该及时进行分析和总结,及时调整和改进考核制度,以提高其有效性和可操作性。
一、目的为了提高车间生产效率,确保产品质量,降低生产成本,实现车间管理的科学化、规范化,特制定本制度。
二、适用范围本制度适用于公司所有车间及生产部门。
三、组织机构1. 车间主任:负责车间数字量化管理制度的制定、实施和监督。
2. 生产经理:负责监督车间主任执行数字量化管理制度,并对车间生产进行整体规划。
3. 各班组负责人:负责本班组数字量化管理制度的执行,确保生产任务顺利完成。
四、管理制度1. 生产计划管理(1)制定年度、季度、月度生产计划,确保生产任务按时完成。
(2)根据生产计划,合理配置生产资源,提高生产效率。
(3)定期对生产计划进行评估,根据实际情况进行调整。
2. 质量管理(1)严格执行产品质量标准,确保产品合格率。
(2)建立产品质量监控体系,对生产过程进行全程跟踪。
(3)对不合格产品进行追溯,查找原因,制定改进措施。
3. 成本控制(1)制定合理的生产成本预算,控制成本支出。
(2)对原材料采购、生产过程、产品销售等环节进行成本核算,降低生产成本。
(3)对成本进行分析,找出成本控制的关键点,制定改进措施。
4. 人员管理(1)加强员工培训,提高员工技能水平。
(2)建立健全员工考核制度,奖优罚劣,激发员工工作积极性。
(3)关注员工身心健康,提高员工满意度。
5. 设备管理(1)定期对设备进行维护保养,确保设备正常运行。
(2)对设备进行升级改造,提高生产效率。
(3)建立设备维修档案,便于设备维护和管理。
五、实施与监督1. 车间主任负责组织本制度的学习和培训,确保员工了解并遵守制度。
2. 生产经理定期对车间数字量化管理制度执行情况进行检查,发现问题及时纠正。
3. 各班组负责人对本班组数字量化管理制度执行情况进行自查,确保制度落实到位。
六、奖惩措施1. 对严格执行数字量化管理制度,取得显著成效的部门和个人给予表彰和奖励。
2. 对违反数字量化管理制度的部门和个人,按照公司相关规定进行处罚。
七、附则1. 本制度由车间主任负责解释。
第一章总则第一条为了规范工厂车间的生产管理,提高生产效率,确保产品质量,降低生产成本,特制定本量化管理制度。
第二条本制度适用于本工厂所有车间的生产、操作、质量、安全等各个环节。
第三条本制度遵循公平、公正、公开的原则,以数据为依据,以结果为导向,实现车间管理的科学化、规范化。
第二章组织机构与职责第四条成立车间量化管理领导小组,负责本制度的制定、实施、监督和调整。
第五条车间量化管理领导小组组成人员如下:1. 组长:车间主任2. 副组长:生产主管、质量主管、安全主管3. 成员:各班组长、操作员代表第六条各部门职责:1. 车间主任:负责组织、协调、监督本制度的实施,确保各项指标的达成。
2. 生产主管:负责生产计划的制定、执行和调整,确保生产效率。
3. 质量主管:负责产品质量的监控,确保产品质量达标。
4. 安全主管:负责安全生产的监督,确保生产安全。
5. 班组长:负责本班组的生产组织、质量控制和安全监督。
6. 操作员:按照操作规程进行生产操作,确保产品质量和安全。
第三章量化指标体系第七条车间量化指标体系包括以下几个方面:1. 生产效率指标:- 日产量- 月产量- 完成率- 作业率2. 质量指标:- 产品合格率- 次品率- 客户投诉率- 退货率3. 成本指标:- 直接成本- 间接成本- 成本节约率4. 安全指标:- 事故发生率- 事故损失率- 安全培训覆盖率第四章指标考核与奖惩第八条车间量化指标考核采用月度考核和年度考核相结合的方式。
第九条月度考核:1. 考核内容:根据月度生产计划、质量指标、成本指标和安全指标进行考核。
2. 考核方式:各班组长根据实际情况填写《车间量化考核表》,经车间主任审核后,上报量化管理领导小组。
第十条年度考核:1. 考核内容:根据年度生产计划、质量指标、成本指标和安全指标进行考核。
2. 考核方式:各部门根据年度考核标准,对车间进行综合评价。
第十一条奖惩措施:1. 对完成指标优秀的个人或班组,给予一定的物质奖励和精神鼓励。
生产车间量化绩效考核管理制度一、考核目的和依据为了提高生产车间的工作效率和员工绩效,明确绩效评估标准和考核流程,订立本管理制度。
本制度依据公司的战略目标和生产车间的实际情况,量化考核标准和管理要求,确保员工的工作质量和工作效率实现公司要求。
二、考核内容和标准1. 安全生产•遵守公司安全生产规定和操作规程;•无违章违纪行为发生;•每月参加安全培训并合格;•无发生安全事故。
2. 生产质量•优良产品的产量占比实现设定标准;•产品合格率实现设定标准;•无因质量问题引发的客户投诉;•无设备损坏和维护和修理的情况。
3. 生产效率•生产车间设备的正常运行率实现设定标准;•生产车间的生产效率实现设定标准;•生产车间的生产计划完成率实现设定标准;•生产车间的产能利用率实现设定标准。
4. 本钱掌控•生产车间的物料消耗与实际生产量相匹配;•掌控生产车间的人力本钱在设定范围内;•掌控生产车间的能源消耗在设定范围内;•掌控生产车间的维护费用在设定范围内。
5. 团队合作•乐观参加团队讨论和决策;•遵守团队规定、公司政策和规章制度;•乐观帮忙其他成员解决工作问题;•与其他部门和团队进行有效沟通和协作。
三、考核流程1. 考核周期考核周期为每月一次,依据企业实际情况和需要可进行季度、年度考核。
2. 考核标准依据以上考核内容和标准,针对每个考核项设定满分,并调配相应的权重,合计为100分。
3. 考核指标每个考核项设置相应的考核指标,包含实在的量化指标和描述性指标,用于评估每个员工的工作绩效。
4. 数据收集生产车间主管负责收集相关数据和资料,包含生产计划、生产报表、质量报告等,并进行整理和汇总。
5. 考核结果评定依据收集到的数据和资料,对每个员工的考核结果进行评定,计算得出绩效得分。
6. 绩效反馈与考核奖惩依据考核结果,对绩效优秀的员工予以称赞和嘉奖;对绩效较差的员工进行培训和辅导,并订立改进计划。
同时,考核结果将作为员工绩效考核、奖惩和晋升的紧要参考依据。
生产车间量化绩效考核管理制度生产车间是企业的核心部门之一,其生产效率和绩效直接影响到企业的运营和发展。
为了确保生产车间的正常运转,需要建立一套合理的量化绩效考核管理制度。
这个制度应该包括以下几个方面的内容。
首先是制定明确的考核指标。
生产车间的绩效考核指标应该与企业的战略目标和生产计划相一致。
常见的考核指标包括生产效率、生产质量、生产成本、设备利用率等。
这些指标应该能够量化,并且能够准确地反映出车间的工作表现。
考核指标应由车间主管和相关部门共同商定,以确保公正性和合理性。
其次是建立透明的考核机制。
考核机制应当公开透明,让每个员工都能清楚地知道被考核的标准和程序。
员工应该知道如何将自己的工作与考核指标对应起来,并且能够随时了解自己的考核情况。
考核结果应当及时向员工通报,并给予必要的反馈和奖惩。
第三是合理分配考核权重。
不同指标的重要性是不同的,因此在考核时应该给予不同指标相应的权重。
例如,生产效率对于车间来说可能更为重要,因此其权重可以设置得较高。
这样可以确保考核结果更加准确地反映出车间的整体表现。
第四是设立奖励机制。
为了激励员工积极主动地参与绩效考核,需要设立一套奖励机制。
奖励可以以物质形式或非物质形式存在,例如发放奖金、提供培训机会、晋升等。
奖励应当与员工的贡献直接相关,让员工感受到公平和公正。
第五是建立持续改进机制。
绩效考核不仅是对员工工作的评价,也是对工作流程和管理机制的评价。
因此,考核制度应该鼓励员工主动发现问题并提出改进意见。
管理层需要及时响应和处理员工提出的问题和建议,以不断提高生产车间的绩效和效率。
最后,绩效考核管理制度应该是灵活可调的。
随着企业的发展和变化,考核指标和机制也需要随之调整。
因此,制度应该具备一定的灵活性,允许在必要时进行修订和更新。
综上所述,生产车间量化绩效考核管理制度对于提高生产效率和员工积极性具有重要意义。
制定明确的考核指标,建立透明的考核机制,合理分配考核权重,设立奖励机制,建立持续改进机制以及灵活可调的特点是一个完善的制度应具备的要素。
生产车间量化考核管理制度设计生产车间量化考核管理制度是指将生产车间的工作任务和绩效目标进行量化,并以此为依据进行考核和评价的制度。
该制度的设计旨在激励员工努力工作,提高生产效率,实现生产车间目标的达成。
下面是一个关于生产车间量化考核管理制度的设计方案:一、制定考核指标:1.生产效率指标:包括生产线的运转率、生产量、出勤率等指标。
2.质量指标:包括产品合格率、不良品率、客户投诉率等指标。
3.安全指标:包括事故率、违章率、安全巡检合格率等指标。
4.成本指标:包括人工成本、物料成本、能源成本等指标。
5.交付指标:包括订单交付率、及时交付率、完整交付率等指标。
二、确定考核权重:根据公司的战略目标和生产车间的工作重点,为每个考核指标确定相应的考核权重。
权重中可以根据不同指标的重要性进行调整,以保证考核结果的公正和客观性。
三、设定考核标准:根据各项考核指标的设定,确定每个指标的达标标准或阈值。
通过与领导沟通,与员工共同制定出符合实际情况的考核目标,以激励员工努力工作,提高绩效。
四、考核周期:考核周期可以根据生产车间的实际情况进行设定,一般可以分为季度、半年或年度。
周期结束后,进行考核评估和总结,及时反馈给各个岗位的责任人和员工,以便他们了解自己的工作成绩并进行改进。
五、考核方法:1.定期沟通:领导与员工定期开展面对面的沟通交流,了解员工工作情况、问题和建议,并给予指导和支持。
同时,员工也可以对自己的工作进行反馈和要求。
2.考核评分:按照设定的考核指标和标准,对每个指标进行评分,并计算各项指标的加权平均得分。
得分可以根据标准进行评级,如优秀、良好、合格、待改进等。
3.考核奖惩:根据考核的结果,对表现优秀的员工给予奖励或晋升机会,对表现差的员工进行指导和培训,并设立相应的激励和惩罚机制,激发员工改进和提高绩效的积极性。
4.能力培养:在考核评估的过程中,发现员工的能力不足或存在技术瓶颈时,可以通过培训和学习来提高员工的技能水平,以适应生产车间的需求。
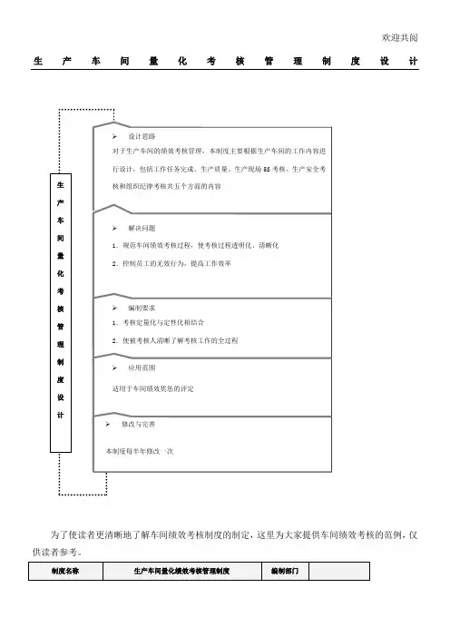
生产车间量化考核管理制度设计
生 产 车
间
量
化 考 核 管 理 制 度
设 计
对于生产车间的绩效考核管理,本制度主要根据生产车间的工作内容进 行设计,包括工作任务完成、生产质量、生产现场
5S 考核、生产安全考
核和组织纪律考核共五个方面的内容
解决问题
1 .规范车间绩效考核过程,使考核过程透明化、清晰化
2•控制员工的无效行为,提高工作效率
编制要求
1 .考核定量化与定性化相结合
2 •使被考核人清晰了解考核工作的全过程
适用于车间绩效奖惩的评定
修改与完善 本制度每半年修改一次
为了使读者更清晰地了解车间绩效考核制度的制定, 这里为大家提供车间绩效考核的范例,
仅供读者参考。
制度名称
生产车间量化绩效考核管理制度 编制部门
设计思路
应用范围
执行部门
第15条考核结果应用
生产车间的绩效考核应用范围如下。
1 .车间季度奖金和年度奖金的核发
2 •优秀车间的评选。
第5章所需表单。
工厂量化考核管理制度范本第一章总则第一条为了提高工厂的生产效率和质量管理水平,确保各项生产目标的顺利实现,特制定本制度。
第二条本制度适用于工厂全体员工,包括车间工人、管理人员、技术人员等。
第三条量化考核坚持以客观、公正、公平的原则进行,以数据为依据,以事实为依据,确保考核结果的真实性和准确性。
第四条工厂应当建立完善的量化考核体系,明确考核指标、考核周期、考核标准和考核程序,确保考核工作的科学性和有效性。
第二章考核指标与权重第五条工厂量化考核指标分为生产指标、质量指标、成本指标、安全指标和综合指标五大类。
第六条各类指标的权重根据工厂的实际情况和生产目标进行设定,具体权重分配如下:(一)生产指标:占总分值的30%(二)质量指标:占总分值的30%(三)成本指标:占总分值的20%(四)安全指标:占总分值的10%(五)综合指标:占总分值的10%第七条各项指标的具体考核内容和要求,由工厂根据实际情况进行制定和解释。
第三章考核周期与考核程序第八条工厂量化考核周期分为月度考核、季度考核和年度考核。
(一)月度考核:每月进行一次,对当月的工作进行总结和评价。
(二)季度考核:每季度进行一次,对季度的工作进行总结和评价。
(三)年度考核:每年进行一次,对全年的工作进行总结和评价。
第九条考核程序分为自评、互评、上级评价和综合评价四个步骤。
(一)自评:各部门和个人根据考核指标和要求,进行自我评价和总结。
(二)互评:各部门之间进行相互评价,互相学习和借鉴。
(三)上级评价:上级领导对下级部门和个人的工作进行评价。
(四)综合评价:根据自评、互评和上级评价的结果,进行综合评分和评价。
第四章考核结果与奖惩第十条考核结果分为优秀、良好、合格和不合格四个等级。
(一)优秀:总分值在90分以上(含90分)(二)良好:总分值在80分以上(含80分)(三)合格:总分值在60分以上(含60分)(四)不合格:总分值在60分以下第十一条对考核结果为优秀的部门和个人,给予一定的奖励和表彰,包括奖金、晋升、晋级等。
生产车间量化考核管理
规定设计
文件编码(GHTU-UITID-GGBKT-POIU-WUUI-8968)
生产车间量化考核管理制度设计
设计思路
对于生产车间的绩效考核管理,本制度主要根据
生产车间的工作内容进行设计,包括工作任务完
解决问题
1.规范车间绩效考核过程,使考核过程透明化、
清晰化
2.控制员工的无效行为,提高工作效率
编制要求
1.考核定量化与定性化相结合
应用范围
适用于车间绩效奖惩的评定
修改与完善
本制度每半年修改一次
为了使读者更清晰地了解车间绩效考核制度的制定,这里为大家提供车间绩效考核的范例,仅供读者参考。
车间考核制度引言概述:车间考核制度是指企业为了提高生产效率和管理水平,对车间内部进行绩效评估和考核的一种制度。
通过设立一套科学合理的考核指标和评价体系,能够激励员工积极工作,提高生产质量和效率。
本文将从五个大点阐述车间考核制度的重要性和实施方法。
正文内容:1. 考核指标的制定1.1 确定生产效率指标:包括生产产量、生产周期、生产线平衡度等。
1.2 设定质量指标:包括产品合格率、不良品率、返工率等。
1.3 确立安全指标:包括事故率、安全培训合格率等。
1.4 制定成本控制指标:包括原材料消耗率、能源消耗率等。
1.5 确定员工绩效指标:包括工作效率、工作质量、团队合作等。
2. 考核方法的选择2.1 定量考核方法:通过统计数据进行量化分析,如产量统计、质量抽检等。
2.2 定性考核方法:通过观察和评估员工的工作态度、工作质量等进行评价。
2.3 综合考核方法:综合定量和定性考核方法,全面评估员工的工作表现。
3. 考核周期和频率3.1 考核周期:根据企业的生产特点和管理需求,确定考核周期,如月度、季度、半年度等。
3.2 考核频率:在考核周期内,根据实际情况,确定考核的频率,如每周、每月、每季度等。
4. 考核结果的应用4.1 奖惩机制:根据考核结果,对表现优秀的员工给予奖励,如加薪、晋升等;对表现不佳的员工进行惩罚,如降薪、调岗等。
4.2 培训和提升:根据考核结果,有针对性地进行培训,提高员工的专业技能和工作能力。
4.3 绩效反馈:向员工及时反馈考核结果,让员工了解自己的工作表现,激励其改进和进步。
5. 考核制度的优势和挑战5.1 优势:能够激励员工积极工作,提高生产效率和质量;能够促进员工之间的竞争和合作,提高团队协作能力。
5.2 挑战:考核指标的制定需要科学合理,避免过于片面和主观;考核结果的公正性和客观性需要保证,避免人为干扰和偏见。
总结:车间考核制度在企业管理中起着重要的作用,通过科学合理的考核指标和评价体系,能够激励员工积极工作,提高生产效率和质量。
车间现场量化管理制度一、制度目的为了提高车间现场管理效率,确保生产生产过程的稳定性和质量,制定车间现场量化管理制度。
二、管理范围本制度适用于公司所有生产车间。
三、管理要求1. 车间生产计划定量化:每个生产车间负责人应根据公司生产计划,制定每日、每周、每月的生产计划,并明确任务分工和责任人员。
2. 车间设备设施定量化:每个生产车间负责人应及时对车间设备设施进行检查和保养,确保设备设施的正常运转,定期清点和管理车间工具。
3. 车间人员管理定量化:每个生产车间负责人应对车间人员进行编制管理,明确每个人员的职责和任务,并进行考核和激励。
4. 车间作业规范化:每个生产车间负责人应制定作业规范,规范作业程序和作业流程,确保作业质量和效率。
5. 车间质量管理定量化:每个生产车间负责人应建立质量管理制度,制定质量检测标准和质量控制措施,确保产品质量达标。
6. 车间安全管理定量化:每个生产车间负责人应建立安全管理制度,做好安全教育和安全培训,制定安全检查制度和应急预案,确保车间安全生产。
7. 车间环境管理定量化:每个生产车间负责人应对车间环境进行管理,保持车间整洁、无尘、通风良好,确保员工的健康和安全。
四、管理流程1. 车间生产计划定量化流程:(1)确定生产计划需求。
(2)分解生产计划任务。
(3)制定生产计划。
(4)下发生产任务。
(5)跟踪执行情况。
(6)总结评估计划实施。
2. 车间设备设施定量化流程:(1)设备设施清点。
(2)设备设施保养。
(3)设备设施维修。
(4)设备设施更新。
3. 车间人员管理定量化流程:(1)编制车间组织结构。
(2)制定人员职责和任务。
(3)进行人员考核和激励。
4. 车间作业规范化流程:(1)规范作业程序和流程。
(2)培训作业人员。
(3)执行作业规范。
5. 车间质量管理定量化流程:(1)建立质量管理制度。
(2)制定质量检测标准。
(3)执行质量控制措施。
6. 车间安全管理定量化流程:(1)建立安全管理制度。
生产车间量化考核方案背景在当前的市场竞争中,企业必须不断创新,提高生产效率,掌握竞争优势,才能够在激烈的市场中获得长期的发展。
因此,对于企业的生产车间,量化考核显得尤为重要。
量化考核是通过一定的指标体系,对车间的生产能力、生产效率、质量水平以及经济效益等方面进行评估和分析,从而找出问题所在,优化管理流程,提高生产效率和经济效益。
因此,建立一个适合自己生产车间的量化考核方案意义重大。
目的本文档旨在为企业生产车间量化考核提供一种可操作性强的方案,具体包括以下几点:1.确定量化考核的目标和指标体系2.制定量化考核的流程和操作规范3.设计量化考核的评分标准和评估方式4.确立奖惩机制和考核结果的反馈机制方案1. 确定量化考核的目标和指标体系首先,需要明确生产车间量化考核的目标和指标体系。
在制定目标时需要考虑以下几个方面:1.目标的可行性:目标应当符合企业实际的生产能力和资源投入2.目标的可评估性:目标应当具有明确的评估标准,可进行有效的量化考核3.目标的实效性:目标应当对车间生产能力、生产效率、质量水平以及经济效益产生实际、积极的影响我们可以从生产能力、生产效率、质量水平和经济效益等方面出发,明确考核偏重点,进一步细化指标体系。
2. 制定量化考核的流程和操作规范量化考核是一个系统性工程,需要经过一定的流程和规范化操作,才能具有科学性和实效性。
在制定量化考核的流程和操作规范时,需要考虑以下几个因素:1.流程的简洁性:流程应当不冗长,充分利用现有的管理资源和技术手段2.流程的适用性:流程应当具有广泛的适用性,适应不同生产车间的实际管理情况3.操作规范的严谨性:操作规范应当具有严谨性,明确员工岗位职责,规定明确的操作要求和标准我们可以将整个量化考核流程分为三个阶段:1.计划阶段:包括制定考核目标、编制考核指标体系、确定评估方式和考核周期等。
2.执行阶段:执行阶段主要是以现有的流程为基础,实现全员参与、集中管理、持续改进的考核活动。
生产车间考核制度引言概述:生产车间是企业的核心环节,对于企业的生产效率和质量起着至关重要的作用。
为了提高生产车间的管理水平和员工的工作积极性,建立一套科学合理的考核制度是必不可少的。
本文将从五个方面详细阐述生产车间考核制度的重要性和具体内容。
一、目标设定1.1 确定生产目标:生产车间考核制度的第一步是明确生产目标,包括产量、质量、交货时间等方面的要求。
1.2 制定绩效指标:根据生产目标,制定相应的绩效指标,如产量完成率、不良品率、交货准时率等,以便对员工进行绩效评估。
1.3 制定考核周期:确定考核的周期,可以是日、周、月等,根据实际情况确定,以便及时发现问题并进行改进。
二、考核方法2.1 定量考核:通过量化指标对员工进行考核,如产量、质量、效率等,可以根据实际情况制定评分标准,以便客观公正地评估员工的表现。
2.2 定性考核:除了定量指标外,还可以考虑员工的工作态度、团队合作能力等方面进行定性评估,以全面了解员工的综合素质。
2.3 绩效奖励:对于表现优秀的员工,可以给予相应的奖励,如奖金、晋升机会等,以激励员工的积极性和创造力。
三、考核结果反馈3.1 反馈方式:及时向员工反馈考核结果,可以通过面谈、书面通知等方式进行,以便员工了解自己的表现和不足之处。
3.2 个别辅导:对于表现不佳的员工,可以进行个别辅导,帮助他们改进工作方法和技能,提高绩效水平。
3.3 绩效沟通:定期与员工进行绩效沟通,了解他们的工作困难和需求,共同制定改进计划,以促进员工的个人成长和发展。
四、考核结果运用4.1 绩效评估:根据考核结果,对员工进行绩效评估,以便对员工进行分类管理和激励措施的制定。
4.2 岗位调整:根据员工的绩效表现,进行岗位调整,将优秀的员工调至重要岗位,提高生产车间的整体效率。
4.3 培训发展:根据员工的绩效表现和发展需求,制定个性化的培训计划,提高员工的专业技能和综合素质。
五、考核制度优化5.1 定期评估:定期对考核制度进行评估,了解员工的反馈和建议,及时进行调整和改进,以提高考核制度的科学性和公正性。
生产车间量化绩效考核管理制度一、考核目的为了提高生产车间的工作效率,落实安全生产、质量管理等方面的要求,建立起一套适合企业实际情况的量化绩效考核管理制度。
二、考核内容1.安全生产(1)每月设置2次安全日,对车间各类违章行为进行整改和防范。
(2)每班交接班时,需对本班发现的安全隐患进行汇报和记录。
(3 )安排专人负责检查并整改消防设施、应急设施等的运作情况。
(4)龌度进行一次安全演练,对应急处理能力与反应速度进行考核。
2.安全环保(1)对产生的废水、废气、废渣等实行分类去化和无害化处理。
(2)每月安排一次集中检查和整治,对车间的环境卫生和各类垃圾进行清理和归类。
(3)对工作场所进行定期的空气质量检测,控制生产车间的噪声污染。
(4 )强化环保、节能意识,鼓励节能降耗、绿色生产。
3.生产能力(1)每天设定生产计划,随时监控工艺流程,实行节能瞬匕保证产品质量。
(2 )对设备进行维护和保养,保证设备的稳定运行,降低故障率,提高生产效率。
(3 )及时处理因物料、工艺、设备等原因造成的生产事故。
4.产品质量(1)加强对原材料的质量监管和检查,确保进料质量稳定。
(2)加强对生产过程中的质量控制和检验,达到产品优质、稳定和满足客户要求的目的。
(3)定期开展技能竞赛和现场技术考核,提高员工的专业技能和作业质量。
(4)及时处理因质量问题而引起的客户投诉,总结原因及处理方法,避免同类问题再次出现。
5.工作秩序(1 )加强班组、岗位、班前班后三检制度的执行,建立相对应的奖惩机制。
(2)对员工的工作纪律进行监管,对违纪行为进行处理。
(3)规范工作流程,加强管理和监督。
6.职业素质(1 )加强职业道德和职业素质的培养,提高员工的责任意识和工作热情。
(2)对员工的表现进行定期考评和评分,调整融资能力和工作动力。
(3)加强员工之间的交流和合作,增强团队精神。
三、考核方式1.设定目标和绩效指标根据生产车间的工作性质和要求,为各项工作指定目标和相应的绩效指标,具体落实时需与工人进行明确沟通和说明。